Расчет вторичного источника электропитания с выходным напряжением повышенной частоты
Министерство науки и образования,
молодежи и спорта Украины
Запорожская государственная
инженерная академия
Факультет информационных и
электронных технологий
Кафедра Электронных систем
Пояснительная записка
к курсовому проекту
по дисциплине «Автономные
преобразователи»
на тему: «Расчет вторичного
источника электропитания с выходным напряжением повышенной частоты»
Выполнил: ст.гр. ЭС-10-1c
Готыч Е.Н.
Проверил: ассистент каф. ЭС
Таранец А.В.
Запорожье 2011
РЕФЕРАТ
Страниц - 36, рисунков - 8, таблиц - 2, источников - 7.
Путем сравнения двух методов стабилизации выходного напряжения был выбран
более легкий, дешевый и надежный вариант стабилизированного источника
вторичного электропитания повышенной частоты. Такой источник может обеспечивать
питанием, например, асинхронный двигатель. В данном курсовом проекте приведена
схема электрическая принципиальная и сборочный чертеж конструкции силового
блока.
ИСТОЧНИК ВТОРИЧНОГО ЭЛЕКТРОПИТАНИЯ, СИСТЕМА С АМПЛИТУДНЫМ РЕГУЛИРОВАНИЕМ,
СИСТЕМА С ФАЗНЫМ РЕГУЛИРОВАНИЕМ, КОММУТИРУЮЩАЯ ЕМКОСТЬ, МЕТОД ВЕСОВЫХ
КОЭФФИЦИЕНТОВ.
СОДЕРЖАНИЕ
ВВЕДЕНИЕ
. СТРУКТУРЫ ПРЕОБРАЗОВАТЕЛЕЙ
.1 Методы регулирования выходного напряжения
.2.1 Система с амплитудным регулированием при изменении тока
нагрузки от минимального до максимального значения
.2.2 Система с фазовым регулированием при изменении тока
нагрузки от минимального до максимального значения
.3 Метод весовых коэффициентов
.4 Индуктивный регулятор
.5 Коммутирующая емкость
. ВЫБОР И ОБОСНОВАНИЕ СХЕМЫ
.1 Техническое задание
.2 Система с амплитудным регулированием
.3 Система с фазовым регулированием
.4 Сравнение двух вариантов
. РАСЧЕТ ЭЛЕМЕНТОВ ВЫПРЯМИТЕЛЯ
.1 Выбор тиристоров по тепловому условию
.2 Проверка тиристоров по защитному показателю и расчет
токоограничивающего реактора
.3 Расчет демпфирующих цепей
. РАСЧЕТ ИНВЕРТОРА
.1 Выбор тиристоров по тепловому условию
.2 Проверка тиристоров по защитному показателю
.3 Расчет демпфирующих цепей
.4 Расчет коммутирующей емкости
.5 Расчет индуктивного регулятора
. ОПИСАНИЕ КОНСТРУКЦИИ СИЛОВОГО БЛОКА
ВЫВОДЫ
СПИСОК ССЫЛОК
ВВЕДЕНИЕ
Энергетическую основу производства составляет электрический привод,
технический уровень которого определяет эффективность функционирования
технологического оборудования. Развитие электрического привода идет по пути
повышения экономичности и надежности за счет дельнейшего совершенствования
двигателей, аппаратов, преобразователей, аналоговых и цифровых средств
управления. Успехи в развитии полупроводниковой техники позволили широко
использовать регулируемые источники питания на базе тиристоров с бесконтактными
системами автоматического управления. Мощность отдельных тиристорных
преобразователей достигает десятков тысяч киловатт.
К первичным источникам электроэнергии постоянного тока относятся
генераторы, аккумуляторы, солнечные и тепловые элементы, МГД-генераторы.
В соответствии с двумя видами источников существуют и два вида
потребителей переменного тока (одно- и многофазные) и потребители постоянного
или пульсирующего однонаправленного тока.
Для наиболее эффективного использования электрической энергии,
генерируемой с постоянными параметрами, различные потребители требуют
использования электрической энергии с нестандартными параметрами: частотой,
регулируемым напряжением, другим числом фаз, нежели в источнике энергии.
Поэтому необходимы преобразователи электроэнергии между источником и
потребителем. В развитых странах сегодня примерно 40% вырабатываемой
электроэнергии перед использованием подвергаются преобразованию.
1.
СТРУКТУРЫ ПРЕОБРАЗОВАТЕЛЕЙ
.1 Методы
регулирования выходного напряжения
Поскольку на выходе преобразователя необходимо иметь стабильное
напряжение практически синусоидальной формы, причем ток нагрузки изменяется в
широких пределах (вплоть до холостого хода), преобразователь может быть выполнен
на базе инвертора тока.
Как известно, выходное напряжение параллельного инвертора по первой
гармонике равняется:
где
кп - коэффициент преобразования, зависящий от схемы
инвертора;
Ed
- напряжение на входе инвертора, В;
δ - угол запаса инвертора, эл. град.
Таким
образом, влияние на выходное напряжение инвертора можно оказывать посредством
изменения двух величин - входного напряжения и угла запаса δ. Таким образом, могут быть предложены две
приблизительно равноценные структуры:
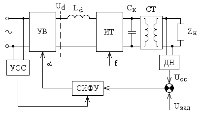
- управляемый выпрямитель - параллельный инвертор (амплитудное
регулирование) (рис. 1.1);
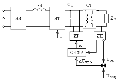
неуправляемый выпрямитель - параллельный инвертор с индуктивным
регулятором (фазовое регулирование) (рис. 1.2).
Рассмотрим вначале структуру системы с амплитудным регулированием.
Силовая часть системы содержит управляемый выпрямитель (УВ), сглаживающий
реактор, параллельный инвертор (ИТ), согласующий трансформатор (СТ) и
коммутирующую емкость. Согласующий трансформатор устанавливается на стороне
повышенной частоты для снижения его массы и габаритных размеров. Коммутирующая
емкость может устанавливаться как на первичной, так и на вторичной стороне
трансформатора, при условии соответствующего пересчета ее величины. Вентильные
комплекты выпрямителя и инвертора выполняются по требуемым схемам (однофазным,
двухфазным, трехфазным).
Управляющая часть состоит из системы импульсно-фазового управления
выпрямителем (СИФУ), устройства синхронизации с сетью (УСС), датчика выходного
напряжения (ДН) и устройства сравнения сигнала задания и сигнала обратной
связи.
Рисунок 1.1 - Система с амплитудным регулированием
Рисунок 1.2 - Система с индуктивным регулятором
Силовая часть системы с фазовым регулированием содержит неуправляемый
выпрямитель (НВ), сглаживающий реактор, параллельный инвертор (ИТ), согласующий
трансформатор (СТ), коммутирующую емкость и индуктивный регулятор (ИР).
Индуктивный регулятор представляет собой регулируемую индуктивность и используется
для компенсации части емкостной мощности.
Управляющая часть состоит из системы импульсно-фазового управления
индуктивным регулятором (СИФУ), датчика выходного напряжения (ДН) и устройства
сравнения сигнала задания и сигнала обратной связи.
На первый взгляд структура с амплитудной стабилизацией выглядит
предпочтительнее, так как содержит меньше силовых узлов - нет регулятора, при
котором в другой структуре устанавливается дополнительные тиристоры и силовые
реакторы (индуктивный регулятор). Однако, анализ режимов работы показывает, что
при сбросе нагрузки углы регулирования управляемого выпрямителя должны
возрастать до величин порядка 90 эл. градусов, при этом существенно возрастают
пульсации выпрямленного напряжения, что в свою очередь заставляет увеличивать
индуктивность сглаживающего дросселя.
В варианте с индуктивным регулятором, компенсация изменения тока нагрузки
происходит непосредственно на выходе инвертора (на зажимах Ск). Выпрямитель в этой структуре неуправляемый и пульсации
выпрямленного напряжения невелики и не зависят от тока нагрузки, поэтому
сглаживающий дроссель получается компактным.
При холостом ходе вся реактивная мощность коммутирующих конденсаторов
должна компенсироваться реакторами индуктивного регулятора.
1.2.1
Система с амплитудным регулированием при изменении тока нагрузки от
минимального до максимального значения
Рисунок 1.3 - Векторная диаграмма системы с амплитудным регулированием
Точка P определяет
наибольший угол регулирования αmax управляемого выпрямителя при
минимальном токе нагрузки и максимальном угле φ. Фактически, величина αmax определяет величину пульсаций
выходного напряжения выпрямителя и необходима при расчете слаживающего реактора
в звене постоянного тока. Амплитуда первой гармоники пульсаций выходного
напряжения управляемого выпрямителя:
При
этом в этой же точке P определяется значение инверторного тока при
минимальном токе нагрузки:
.
.2.2
Система с фазовым регулированием при изменении тока нагрузки от минимального до
максимального значения
Рисунок 1.4 - Векторная диаграмма системы с индуктивным регулятором
. Максимальная величина тока емкости определяется точкой В
. Максимальный входной ток инвертора определяется точкой С;
. Точка D определяет
максимальную величину тока индуктивного регулятора:
4. Точка А определяет минимальное значение входного тока, после
которого наблюдается выход инвертора в режим прерывистого тока
.
1.3 Метод
весовых коэффициентов
Для выбора одной из структур, по
которым возможно построение преобразователя частоты используется достаточно
широко известный метод - метод весовых
коэффициентов. Данный метод заключается в присвоении каждому элементу
определенного весового коэффициента (веса), соответствующего его значимости.
После этого, можно рассчитать другие косвенные показатели объекта.
В курсовом проекте в качестве расчетного параметра используется
установленная мощность всех элементов схемы. В качестве весовых коэффициентов
используются два коэффициента:
кст -
показывает соотношение между установленной мощностью и стоимостью элемента;
км -
показывает соотношение между установленной мощностью и массой элемента.
После этого расчетным путем определяются стоимости всех элементов и
устройства в целом, а также массы элементов и устройства в целом. Полученные
величины позволяют сделать выбор того или иного варианта системы, основываясь
на критерии меньшей массы или стоимости изделия.
1.4
Индуктивный регулятор
Индуктивный регулятор, схема которого изображена на рис. 1.5,
представляет собой компенсатор лишней реактивной мощности коммутирующего
конденсатора и содержит два встречно-параллельно включенных тиристора и
реактор.
Рисунок
1.5 - Индуктивный регулятор
Расчет
величины индуктивности регулятора выполняется по следующей формуле:
где
U2 -
выходное напряжение инвертора, В;
IР - ток индуктивного регулятора, А;
ω2 -
круговая частота выходного напряжения инвертора, рад/с.
Выбор
силовых полупроводниковых приборов осуществляется по среднему току и обратному
напряжению:
Резонансная
частота контура, состоящего из индуктивности регулятора и демпфирующей емкости
равна:
Тогда
величина демпфирующей емкости:
Сопротивление
резистора защитной цепи определяется как волновое сопротивление резонансного
контура:
Мощность,
рассеиваемая в резисторе защитной цепи равняется
1.5
Коммутирующая емкость
Расчет коммутирующей емкости производится по следующей формуле:
При
этом следует отметить, что в этом случае емкость подключена непосредственно к
нагрузке. Для подключения емкости к выходу инвертора, на первичную сторону
трансформатора, необходимо выполнить пересчет величины емкости через
коэффициент трансформации.
В
трехфазной схеме параллельного инвертора коммутирующие емкости могут быть
соединены в “звезду” или “треугольник”. Расчет величины емкости при первом типе
соединения осуществляется также как и в однофазной мостовой схеме. Пересчет
величины емкости при соединении по второму типу выполняется так:
.
Пересчитав,
подключаем емкости в треугольник [2].
2. ВЫБОР И
ОБОСНОВАНИЕ СХЕМЫ
.1
Техническое задание
Согласно техническому заданию требуется рассчитать преобразователь
частоты со звеном постоянного тока, т.е. вторичный источник питания повышенной
частоты, питающийся от сети 115В / 400 Гц с допуском по напряжению ±10%.
Исходные числовые данные сведены в табл. 2.1.
Таблица 2.1 - Исходные числовые данные
|
№ вар.
|
m1
|
f1, Гц
|
U1, В
|
m2
|
f2, Гц
|
U2,В
|
I2, А
|
cosφ2(1)
|
|
6
|
3
|
50
|
220
|
1
|
200
|
230
|
10-100
|
0,5-0,8
|
Выпрямитель будет выполнен по трехфазной мостовой схеме. т.к. по заданию
форма выходного напряжения должна быть близка к синусоидальной, то будет
применен именно инвертор тока, в данном случае, выполненный по трехфазной
мостовой схеме. Ток нагрузки будет регулироваться от минимального до
максимального значения.
Для выбора конкретного способа регулирования выходного напряжения,
следует выполнить оценочный расчет обоих вариантов (при изменении тока нагрузки
от минимального до максимального значения). А потом по массогабаритным и
экономическим показателям выбрать наиболее оптимальный [2].
.2 Система
с амплитудным регулированием
Максимальный коэффициент преобразования управляемого выпрямителя,
соответствующий углу α = 0, требуется при наименьшем напряжении питающей
сети и при минимальном угле запаса δmin в инверторе.
Тогда среднее значение выпрямленного напряжения, соответствующее
минимально допустимой величине напряжения питающей сети:
,
где
Ed0 -
среднее значение ЭДС холостого хода выпрямителя при α = 0 и минимальном напряжении питающей сети;
-
относительная величина коммутационного падения напряжения, принимаемая в
ориентировочных расчетах равная 0,05.
Фазное
напряжение (1-ая гармоника) на выходе инвертора рассчитывается по формуле :
,
где
δmin - угол запаса,
;
f2 - частота на выходе инвертора, Гц;
kз = (1,5….2) - коэффициент запаса;
tвыкл = 8·10-6 время выключения вентилей, с.
Находим
коэффициент трансформации:
Приведенный
к первичной стороне максимальный ток нагрузки:
Для
обеспечения коммутационной устойчивости, найдем требуемый емкостной ток:
Находим
наибольшее значение эквивалентного инверторного тока, из векторной диаграммы α=82,6°
Эквивалентный
ток связан через коэффициент преобразования с током, потребляемым от выпрямителя:
Для
расчета индуктивности сглаживающего реактора требуется определить амплитуду
первой гармоники пульсаций выходного напряжения выпрямителя при
=90 эл. град.

Величина
эквивалентного тока инвертора в режиме холостого хода равняется току емкости (Iэ = Iс), найдем ток холостого
хода:
Задаваясь
коэффициентом пульсации kп = 0,1
тока Id, можно найти индуктивность сглаживающего дросселя:
Установленную
мощность дросселя можно оценить, рассчитав реактивную мощность дросселя на
частоте 50 Гц.
Среднее
значение тока вентилей в выпрямителе будет равно:
А
среднее значение тока вентилей в инверторе:
Ориентировочно
можно выбрать вентили для выпрямителя на номинальный ток 100 А, и для инвертора
40 А.
Напряжение
в выпрямителе:
Соответственно
в инверторе:
Таким
образом, в выпрямителе следует поставить вентили 11-го класса (UR…RM(выпр) = 1100 В) и в
инверторе 17-го класса (UR…RM(инв) =
1700 В).
Установленная
мощность вентилей выпрямителя:
Установленная
мощность вентилей инвертора:
По
справочнику [3] выбираем тиристоры:
Для
выпрямителя: Т141-100-11
Для
инвертора: Т132-40-18
Установленная
мощность коммутирующих емкостей:
Установленная
мощность трансформаторов:
.
Из
Интернета выбираем трансформатор: FSRD-A 5.0 30кВт
.3 Система
с фазовым регулированием
Среднее значение выпрямленного напряжения, соответствующее максимально
допустимой величине напряжения питающей сети:
Напряжение
на первичной обмотке трансформатора:
,
Находим
коэффициент трансформации трансформатора:
Приведенный
к первичной стороне ток нагрузки
Напряжение
на входе инвертора при снижении напряжения питающей сети
Требуемый
для стабилизации выходного напряжения угол
:
Наибольшая
величина емкостного тока определяется по:
Максимальная
величина тока индуктивного регулятора:
Соответствующий ток выпрямителя:
Амплитуда первой гармоники пульсаций на выходе управляемого выпрямителя:
Индуктивность
сглаживающего дросселя:
Установленная
мощность дросселя :
Мощность
коммутирующих конденсаторов:
Среднее
значение анодного тока вентилей в выпрямителе:
Среднее
значение тока вентилей регулятора:
Ориентировочно
можно выбрать вентили на номинальный ток 80 А для выпрямителя, на 80 А для
инвертора. Рабочее обратное напряжение вентилей выпрямителя (UR…RM(выпр) = 1700 В)., а и для
варианта №1 (UR…RM(выпр) =
2800В).
Для
инвертора:
Установленная
мощность вентилей выпрямителя:
Для
выпрямителя:
Для
инвертора:
По
справочнику выбираем диоды и тиристоры:
Для
выпрямителя: Д132-80-17
Для
инвертора: ТБ132-80-28
Установленная
мощность трансформатора такая же, как и предыдущем варианте ST = 30кВА
[8].
2.4
Сравнение двух вариантов
Для сопоставления вариантов результаты расчетов установленных мощностей
занесем в табл. 2.2, куда также внесем расчеты массы, габаритных размеров или
стоимости узлов, вычисленных через соответствующие весовые коэффициенты.
По составленной табл. 2.2 можно сделать вывод, что вариант №1 по массе
меньше и по экономическому показателю выгоднее. Что касается установленных
мощностей силового оборудования, то по расчетам вышло, что он имеет меньшие
величины, чем система второго варианта (возможно, это связано с тем, что были
взяты большие запасы по обратному рабочему напряжению для полупроводниковых
приборов). По схемотехнике вариант №1 немного легче и имеет более легкую
систему управления, хотя схема №2 имеет свой ряд преимуществ перед вариантом
№1.
Исходя из массогабаритных и экономических показателей выбираю вариант №1,
т.е. систему с амплитудным регулированием.
Таблица 2.2 - Сравнительная таблица параметров вариантов
|
Параметры
|
Выпрямитель
|
Инвер.
|
Регулятор
|
Фильтр
|
Коммут. конден.
|
Вых. транс.
|
Итого
|
|
Диоды
|
Тиристор
|
Тиристор
|
Тиристорный
|
Реактивный
|
|
|
|
|
|
Вариант №1
|
S, кВА
|
-
|
264
|
288
|
-
|
-
|
9,6
|
19
|
69
|
649,6
|
|
км, кг/кВА
|
-
|
0,01
|
0,01
|
-
|
-
|
10
|
0,2
|
2
|
-
|
|
G, кг
|
-
|
0,2
|
2,88
|
-
|
-
|
96
|
3,8
|
138
|
243
|
|
Кст, руб./кВА
|
0,2
|
0,2
|
-
|
-
|
5
|
1
|
1,0
|
-
|
|
C, руб.
|
-
|
53
|
57,6
|
-
|
-
|
48
|
19
|
69
|
636,2
|
|
Вариант №2
|
S, кВА
|
428
|
-
|
518
|
728
|
2,5
|
2,5
|
29
|
69
|
1777
|
|
Км, кг/кВА
|
0,01
|
-
|
0,01
|
0,01
|
10
|
10
|
0,2
|
2
|
-
|
|
G, кг
|
4,28
|
-
|
5,18
|
7,28
|
25
|
25
|
58
|
138
|
258
|
|
Кст, руб./кВА
|
0,2
|
-
|
0,2
|
0,2
|
5
|
5
|
1,0
|
1,0
|
-
|
|
C, руб.
|
85,6
|
-
|
103,6
|
145
|
12,5
|
12,5
|
58
|
138
|
552
|
3. РАСЧЕТ
ЭЛЕМЕНТОВ ВЫПРЯМИТЕЛЯ
.1 Выбор
тиристоров по тепловому условию
регулятор выпрямитель инвертор преобразователь
Проверяем тепловой режим тиристора:
где
θст - температура полупроводниковой структуры, °С;
θос - температура окружающий среды,
обычно её можно принять θос = 40 °С;
rт - тепловое сопротивление тиристора и охладителя °С/Вт;
-
мощность потерь в приборе, Вт;
θст доп -
максимально допустимая температура полупроводниковой структуры выбранного
тиристора, °С (для выбранного равна 125 °С).
Рекомендуемый
[3] охладитель для данного тиристора - О343-150
Тепловое
сопротивление тиристора есть сумма трех составляющих тепловых сопротивлений:
,
тогда
°С/Вт
На
промышленной частоте потери в приборе определяются величиной прямого тока и
могут быть получены по формуле:
Вт
где m2 = 3 - число вторичных фаз.
= 127,9
А - среднее значение анодного тока прибора в номинальном режиме.
Тогда
температура полупроводниковой структуры:
°С <
125°С.
Как видно, температура структуры не превышает допустимой.
.2
Проверка тиристоров по защитному показателю и расчет токоограничивающего
реактора
Поскольку выпрямитель не имеет трансформатора на его входе, достаточно
выполнить расчет входных реакторов.
Принимаем,
что
, по графикам [3]
находим:
Kуд= 1,45
Найдем базисный ток :
Граничное действующее напряжение на входе выпрямителя:
Рассчитаем
индуктивную составляющую сопротивления контура КЗ:
,
Тогда величина индуктивности ограничительного реактора будет равна:
.3 Расчет
демпфирующих цепей
Для расчета защитной цепочки необходимо знать амплитуду обратного тока
защищаемого прибора и индуктивность контура коммутации, которая в основном
определяется реактивной составляющей сопротивления КЗ :
Амплитуда
обратного тока прибора :
По
графикам, приведенным в [3], определим накопленный заряд и время обратного
восстановления, они равны Qrr
= 15 мкКл и trr
= 14 мкс.
Тогда
амплитуда обратного тока тиристора
Вычислим сопротивление резистора защитной цепочки (оно равно волновому
сопротивлению):
Вычисляем
емкость демпфирующей цепочки:
Рассчитаем
мощность, рассеиваемую в резисторе:
,
По
справочнику выбираем:
Резистор
C2-23-1-270 Ом
10
ОЖО.467.081ТУ
конденсатор
К-73-17-0,47 нФ х 630 В ОЖО.464.315ТУ
4. РАСЧЕТ
ИНВЕРТОРА
.1 Выбор
тиристоров по тепловому условию
Для тиристоров инвертора были оценены предельные параметры (UR…RM(выпр) = 1800 В и Iа(инв) = 40 А), по которым по справочнику
[3] выбираю конкретный тип: Т132-40-18. Проверяем тепловой режим тиристора по
соотношению:
где
PΣ - суммарная мощность потерь в приборе, определяющееся
суммой потерь при прохождении прямого тока (основные) и коммутационных потерь.
Тогда
суммарное тепловое сопротивление тиристора:
°С/Вт
Рассчитаем
основные потери в приборе:
Вт
где m2 = 3 - число вторичных фаз.
= 127,9
А - среднее значение анодного тока прибора в номинальном режиме.
Потери на включение и выключение вентиля определяются расчетными
формулами:
Вт,
Тогда температура полупроводниковой структуры:
°С <
125°С.
Как видно, температура структуры не превышает допустимой.
.2
Проверка тиристоров по защитному показателю
Теперь проверим прибор на внутреннее КЗ, для чего определим параметры
контура КЗ: приведенное к первичной стороне полное сопротивление обмотки
трансформатора
Ом
где
Uк% - напряжение короткого
замыкания анодного трансформатора (примем равным 5%).
Активное
сопротивление обмоток:
Ом
где Pк - мощность потерь в трансформаторе при КЗ.
FSRD-A 5.0 30кВт, потери КЗ=700Вт
Индуктивная составляющая сопротивления КЗ:
Ом
.3 Расчет
демпфирующих цепей
Как и для выпрямителя аналогично рассчитаем параметры элементов защитной RC-цепочки.
Скорость нарастания обратного тока тиристора:
А/с
По
графикам, приведенным в [3], определим накопленный заряд и время обратного
восстановления, они равны Qrr
= 95 мкКл и trr
= 10,2 мкс.
Тогда
амплитуда обратного тока тиристора:
А
Вычислим сопротивление резистора защитной цепочки (оно равно волновому
сопротивлению):
Ом
Вычисляем
емкость демпфирующей цепочки:
Ф = 75
нФ
Рассчитаем
мощность, рассеиваемую в резисторе
По
справочнику выбираем: резистор C5-35-16-24 Ом
10
ОЖО.467.104ТУ, и конденсатор МБГЧ-1 мкФ
10 1000 В
ОЖО.464.315ТУ
.4 Расчет
коммутирующей емкости
Расчет коммутирующей емкости производится формуле:
Ф
По
полученным параметрам, по справочнику выбираем конденсатор: МБГЧ-1 1мкФ
1000 В ОЖО.462.141ТУ, их будет 56 штук, включенных
параллельно.
4.5 Расчет индуктивного регулятора
Расчет величины индуктивности регулятора исполняется по следующим
формулам:
Гн
с-1.
Ф.
Ом.
Вт.
5.
ОПИСАНИЕ КОНСТРУКЦИИ СИЛОВОГО БЛОКА
Конструкция силового блока преобразователя будет панельного типа. Панель
выполнена из листа гетинакса толщиной 5 мм. На ней будут располагаться почти
все силовые элементы: 6 тиристоров выпрямителя, сглаживающий дроссель, 4
тиристоров инвертора, RC-цепочки,
а также клеммы для подключения входных токоограничивающих реакторов,
согласующего трансформатора, и разъемы для системы управления. На панель
крепится плата с помощью стоек, на которой размещены RC-цепи.
Для силовых электрических соединений между силовыми приборами будут
применены медные шины, а для слаботочных соединений между RC-цепями- гибкие многожильные
изолированные провода.
Панель будет крепиться в силовой шкаф с помощью 4 болтов.
ВЫВОДЫ
В данном курсовом проекте был спроектирован источник вторичного
электропитания повышенной частоты, который питается от сети 220 В / 200 Гц.
Рассчитаны параметры и выбраны конкретные элементы силового блока.
Среди множества схемных решений силового блока, а точнее способа
стабилизации выходного напряжения, были рассмотрены два варианта. С помощью
метода весовых коэффициентов по предварительным расчетам, занесенным в таблицу,
можно было сравнить варианты по массогабаритным и экономическим показателям.
В результате сравнения был выбран вариант с амплитудным методом
регулирования.
Все полупроводниковые вентили выбраны по прямому току и обратному
напряжению с запасом в 2,5 раза. Такое решение хоть и приводит к повышению
стоимости изделия, но зато сильно повышает надежность всего устройства.
СПИСОК
ССЫЛОК
1. Зиновьев
Г.С. Основы силовой электроники: Учеб. пособие. Изд. 3-е. - Новосибирск: изд-во
НГТУ, 2004. - 672 с.
2. Методические
указания к курсовому проекту по курсу «Автономные преобразователи» / Сост.
Семенов В.В., Воронин А.Г., Кобелев Ф.С. - Запорожье: ЗИИ, 1988. - 16 с.
3. Чебовский
О.Г. и др. Силовые полупроводниковые приборы: Справочник / Чебовский О.Г.,
Моисеев Л.Г, Недошивин Р.П. - 2-е изд., перераб. и доп. - М.: Энергоатомиздат,
1985. - 400 с.
. Семенов
В.В. Автономные преобразователи. Конспект лекций. Часть 1. - Запорожье: изд-во
ЗГИА, 2005. - 40 с.
5. Семенов
В.В. Автономные преобразователи. Конспект лекций. Часть 2. - Запорожье: изд-во
ЗГИА, 2005. - 60 с.
6. Справочник
по преобразовательной технике / Под ред. Чиженко И.М. - Киев: Техника, 1978. -
447 с.
. Руденко
В.С., Сенько В.И., Чиженко И.М. Основы преобразовательной техники. Учебник для
вузов. - 2-е изд. - М.: Высшая школа, 1980. - 424 с.