Расчет импульсного трансформатора
Содержание
Введение
1. Название, область использования
прибора и основные схемотехнические преимущества
2. Начальные данные:
2.1 Электрическая принципиальная
схема устройства
2.2 Технические характеристики
.3 Описание работы прибора
3 Пример методики расчёта
трансформатора
4 Сравнение выбранной
методики с её аналогами
Расчёт импульсного
трансформатора
5.1 Исходные данные для расчёта
5.2 Методика расчёта
6 Описание программного
обеспечения для расчёта трансформатора
Выводы
Список литературы
Введение
В проектировании ЭА одной из
основных задач является минимизация массогабаритных параметров и потребления
энергии.
Решение проблемы снижения
материалоемкости и энергопотребления бытовой РЭА связано с широким
использованием импульсных источников вторичного электропитания (ИИЭ). Их
преимущества по сравнению с традиционными источниками электропитания
обеспечиваются заменой силового трансформатора, работающего на частоте
промышленной сети 50 Гц, малогабаритным импульсным трансформатором, работающим
на частотах 16- 40 кГц, а также использованием импульсных методов стабилизации
вторичных напряжений взамен компенсационных. Это приводит к снижению
материалоемкости в 2-3 раза и повышению КПД до 80-85%.
Импульсные трансформаторы (ИТ),
предназначаемые для трансформирования коротких импульсов с минимальными
искажениями и работающие в режиме переходных процессов, находят применение в
различных импульсных устройствах. Диапазон мощностей, напряжений и
длительностей трансформируемых импульсов получается очень широким. Кроме того,
условия работы и требования, предъявляемые к характеристикам ИТ, бывают весьма
многообразными. Сказанное существенно усложняет расчет ИТ и поэтому, несмотря
на ряд имеющихся книг, нельзя считать вопрос их рационального проектирования
полностью решенным.
В данной работе описано несколько
методик расчёта ИТ, проведено их сравнение и по наиболее оптимальной произведён
расчёт трансформатора.
1.
Название, область использования прибора и основные схемотехнические
преимущества
Название:
Сетевой импульсный блок питания.
Область использования прибора:
Основное предназначение описываемого здесь
устройства - питание компьютера, а также многих радиолюбительских разработок
повышенной мощности, например УМЗЧ.
Основные схемотехнические
преимущества:
Принцип действия предлагаемого блока питания
(рис. 1) такой же, как и у блоков питания цветных телевизоров третьего
поколения. Он также работает в режиме, близком к режиму прерывистых токов и,
следовательно, является автоколебательным устройством. Но есть и принципиальное
отличие: в нем применена "эмиттерная коммутация" мощного
переключательного транзистора, что позволяет пользоваться им в более широком
частотном диапазоне и, кроме того, снижается вероятность выхода из строя
высоковольтного транзистора. Проведенные эксперименты подтвердили, что
транзистор КТ839А с переключательным транзистором КТ972А в его эмиттерной цепи
хорошо работает даже на частоте 120 кГц. Другое достоинство блока питания -
возможность применения его в широком диапазоне выходного тока.
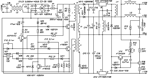
2.
Начальные данные
.1
Электрическая принципиальная схема устройства
Рис.1 Электрическая принципиальная схема
импульсного блока питания
2.2
Технические характеристики
Номинальная выходная мощность, Вт 50
Максимальная выходная мощность, Вт 95
Частота преобразования, кГц:
при номинальной выходной мощности 30
на холостом ходу 70
Входное напряжение, В 170...250
Выходное напряжение, В:
канала +12В 11.8...12.2
канала -12В -11.8...-12.2
канала +5В 4,8...6,0
Выходной ток, А:
канала +12В 0...2
канала -12В 0...0,4
канала +5В (без резистора R15)
0,5...3,5
Выходное сопротивление, Ом, при I+5=3,5 А,
I+12=2А, I-12=0 А:
канала +5В 0,15
канала +12В 0,02
Размах пульсаций, мВ, при I+5=3,5 А, I+12=2А,
I-12=0 А:
канала +5В на f=30 кГц и f=100 Гц 30
канала +12В на f=30 кГц и f=100 Гц
соответственно 20 и 30
Относительный коэффициент нестабильности по
входному напряжению (входное напряжение 170...250 В) (DUвыхUвх/(DUвхUвых):
канала +12В 0,01
канала +5В 0,05
2.3
Описание работы прибора
Устройство представляет собой однотактный
преобразователь напряжения с обратным включением выпрямительного диода.
Выходное напряжение каналов блока стабилизируется изменением длительности
открытого состояния транзисторов электронного коммутатора.
Основные узлы блока источника питания:
выпрямитель сетевого напряжения с фильтром, однотактный преобразователь с
выходными фильтрами, широтно-импульсный регулятор, усилитель рассогласования и
вспомогательный импульсный стабилизатор.
Сетевое напряжение проходит через
помехоподавляющий фильтр, образованный дросселями L1, L2 и конденсаторами С1,
С2, выпрямляется диодным мостом VD1-VD4 и через резистор R1 выпрямленное
напряжение поступает на сглаживающий конденсатор С7. Конденсаторы С3-С6
ослабляют проникновение в сеть помех, а резистор R1 ограничивает бросок
входного тока в момент включения блока питания. Преобразователь запускается
примерно спустя 0,1 с после подключения блока к сети, что несколько облегчает
работу выпрямителя.
Основные компоненты преобразователя - импульсный
трансформатор Т1, мощный высоковольтный коммутатор на транзисторах КТ839А (VT1)
и КТ972А (VT2), выпрямители и выходные фильтры. Транзистор КТ839А (с большим
максимально допустимым напряжением коллектор"эмиттер) открывается и закрывается
замыканием и размыканием его эмиттерной цепи быстродействующим транзистором
КТ972А, что предотвращает возникновение вторичного пробоя и уменьшает
длительность переключения эмиттерного транзистора. Именно это и позволяет
изменять выходное напряжение в широком интервале без переделки импульсного
трансформатора. импульсный
трансформатор устройство прибор
Резисторы R11 и R12, общее сопротивление которых
0,5 Ом, служат датчиком тока преобразователя. Когда транзистор VT1 закрывается,
ток его коллектора через диод VD6, стабилитрон VD5 и конденсатор С8 замыкается
на минусовый вывод выпрямительного моста VD1-VD4.
Диоды VD13-VD15 - выпрямители импульсного
напряжения вторичных обмоток III, IV и V трансформатора Т1. Пульсации выходных
напряжений выпрямителей сглаживают конденсаторы С13-С18 и LC-фильтры L5C21,
L6C22. Резистор R15, подключенный к выходу канала +5 В, предотвращает
чрезмерное повышение напряжения на нем при загрузке канала +12 В. Благодаря
этому резистору напряжение на выходе канала +5 В без нагрузки не превышает 6 В,
безопасного для микросхем компьютера, при токе нагрузки канала +12 В до 2,5 А.
Напряжение канала -12 В стабилизируется микросхемным стабилизатором DA2.
Усилитель рассогласования подключен к выходу
канала +12 В. Источником образцового напряжения служит выход стабилизатора DA2.
Транзистор VT4 усиливает сигнал ошибки. Нагрузкой транзистора служит светодиод
оптрона U1, а диод VD17 защищает его эмиттерный переход. При напряжении на
выходе канала +12 В более 12 В светодиод оптрона включается и тем самым
увеличивает ток, текущий через фототранзистор оптрона.
Открытое состояние транзистора VT1 коммутатора
определяется длительностью зарядки конденсатора С11 (примерно от -4 до +1 В)
током фототранзистора оптрона. Чем больше значение этого тока, тем быстрее
заряжается конденсатор С11 и тем меньше времени транзистор VT1 находится в
открытом состоянии.
После подключения блока питания к сети начинает
заряжаться и конденсатор С8 (через резистор R2 и диод VD6). Когда напряжение на
нем достигает 4,5 В, ток, протекающий через резистор R6, стабилитрон VD12,
эмиттерный переход транзистора VT2, резисторы R11, R12, а также через резисторы
R6, R5, эмиттерный переход транзистора VT1, транзистор VT2 и резисторы R11,
R12, переводит коммутирующие транзисторы в активный режим работы. Сигнал
положительной обратной связи между обмотками I и II трансформатора Т1 через
диод VD7, конденсатор С10 и резисторы R5, R7 быстро открывает коммутирующие
транзисторы. Начинается накопление энергии магнитного поля в магнитопроводе трансформатора
Т1. Через некоторый промежуток времени транзистор VT3 открывается и закрывает
транзистор VT2, а следовательно, и транзистор VT1. При этом транзистор VT3
суммирует напряжения, поступающие на его базу с датчика тока R11R12 и
конденсатора С11. В момент запуска или в случае перегрузки преобразователя,
когда падение напряжения на резисторах R11, R12 превышает 1 В, транзистор VT3
открывается током, протекающим через резистор R10 и диод VD11, благодаря чему
устройство выдерживает кратковременные перегрузки. При замыкании любого из его
каналов на общий проводник блок питания автоматически переходит в режим
ограничения мощности, не выходя из строя. В нормальном режиме функционирования
преобразователя момент закрывания коммутирующих транзисторов определяется
длительностью зарядки конденсатора С11.
После закрывания
мощных транзисторов полярность напряжения на обмотках импульсного
трансформатора сменяется на противоположную, при этом диоды VD13-VD15
оказываются включенными в прямом направлении и выпрямленным током заряжают
конденсаторы LCфильтров. Когда значение этого тока окажется близким к нулю, в
колебательном контуре, образованном обмоткой I трансформатора Т1, его
паразитной емкостью и конденсатором С9, возникают электрические колебания.
Первое же из них открывает мощные транзисторы коммутатора - и описанный процесс
повторяется.
Пока транзисторы VT1 и VT2 закрыты, напряжение
на нижнем (по схеме) выводе обмотки II трансформатора относительно минусового
вывода конденсатора С7 отрицательно и через резистор R8 и диод VD8 надежно
удерживает транзистор VT2 в закрытом состоянии. Минимальное напряжение на базе
этого транзистора определяется напряжением стабилизации стабилитрона VD12 и
напряжением на диоде VD10. Через цепь R8VD9 заряжается и конденсатор С11. А так
как катоды диодов VD8 и VD9 объединены, то и напряжение на конденсаторе С12 не
может быть меньше, чем на базе транзистора VT2 (т. е. около -4 В).
Напряжение на выходе канала +12 В
стабилизируется методом широтно-импульсного регулирования. Это одновременно стабилизирует
и напряжение канала +5 В. Однако, так как импульсный трансформатор, диоды и
некоторые другие элементы устройства отнюдь неидеальны, стабильность напряжения
на выходе этого канала невысока. Поэтому и применен вспомогательный импульсный
стабилизатор, который выполняет две функции: обеспечивает каналу +5 В часть
тока нагрузки для повышения стабильности напряжения на нем и нагружает канал
+12 В, если он не нагружен. Так, при I+5=3A, а I+12=0 A это вспомогательное
устройство обеспечивает лишь 30% от всего тока нагрузки канала +5 В, а при
I+5=3 A и I+12=2 A он вообще не участвует в работе блока питания.
В состав вспомогательного стабилизатора входят
микросхемный стабилизатор DA1, дроссели L3, L4, конденсатор С19, диод VD16,
резистор R14. В нем микросхема DA1 служит электронным переключателем,
источником образцового напряжения и усилителем сигнала рассогласования.
Дроссель L4 и диод VD16 - необходимые атрибуты импульсного стабилизатора.
Возбуждение микросхемы DA1 обеспечивают дроссель L3 и конденсатор С19, а
резистор R14, снижающий добротность контура L3C19, предотвращает возникновение
высокочастотных колебаний.
3.
Пример методики расчёта трансформатора
Рисп = 1,3 Рн,
где Рн - мощность, потребляемая нагрузкой.
Далее, задавшись габаритной мощностью Ргаб,
которая должная удовлетворять условию Ргаб ≥ Рисп, следует подобрать
подходящий тороидальный ферритовый магнитопровод. Его параметры связаны с Ргаб
соотношением:
Ргаб = ScS0 FBmax/150,
Вт.
Здесь f - частота преобразования напряжения, Гц;
Sc = (D-d)h/2 - площадь сечения магнитопровода, см2 (D и d - соответственно
наружный и внутренний диаметры, h - высота кольца, см); S0
= πd2/4 - площадь окна
магнитопровода, см2; Bmax - максимальное значение индукции (в тесла), которое
зависит от марки феррита и может быть определено по справочнику, содержащему
сведения о ферромагнитных материалах.
После этого задавшись напряжением на первичной
обмотке трансформатора U1, находят число витков w1=0,25F
104U1/FBmaxSc. Для
преобразователя (см. рисунок) U1 = Uпит/2-Uкэ нас, где Uпит - напряжение
питания преобразователя, а Uкэ нас - напряжение насыщения коллектор - эмиттер
транзисторов VT1, VT2. Полученное значение w1 необходимо округлять в большую
сторону (во избежание насыщения магнитопровода).
Далее определяют максимальный ток (в амперах)
первичной обмотки: I1max
= Pн/h U1 (h - КПД преобразователя, обычно 0,8) и диаметр (в миллиметрах ее
провода: d1 = 0,6√I1max. В заключение находят число
витков выходной обмотки трансформатора: w2 = w1U2/U1 и
диаметр провода: d2 = 0,6√I2 (U2 и I2 -
соответственно напряжение и ток вторичной обмотки).
4.
Сравнение выбранной методики с её аналогами
Один из основных элементов импульсного источника питания (ИИП)
- импульсный трансформатор. От точности его расчета и качества изготовления
зависят важнейшие параметры ИИП: КПД, масса, габариты, надежность. Как показано
в статье [1], расчет по методике, изложенной в [2], может дать неверный
результат. Усовершенствованная методика, описанная в [1], может быть улучшена и
дополнена на основе теории и практики изготовления ИИП с двухтактными
преобразователями.
В расчетах по
методикам [1, 2] КПД трансформатора принят равным 80 %. Обычно в преобразователе
ИИП мощностью от 100 до 500 Вт в диапазоне частот от 10 до 100 кГц КПД
трансформатора примерно равен 95...99 %, а общий КПД всего источника - более 80
%. Необоснованно заниженный КПД уменьшает расчетное значение габаритной
мощности трансформатора, повышает используемую мощность и прямоугольную
составляющую тока коммутирующих транзисторов, что может привести к
нерациональному выбору последних. Расчет становится более точным, если
определять КПД трансформатора по усредненной зависимости от суммарной мощности
нагрузки и частоты [3, с. 115], показанной на рис. 2. Эти кривые построены по
экспериментальным данным для магнитомягких никель-цинковых и марганец-цинковых
ферритовых манитопроводов различной марки и конфигурации. Весьма желательно
уточнить справочные данные выбранного магнитопровода: измерить его габариты и
магнитную проницаемость µ. Последний параметр можно определить экспериментально
[4, с. 581, 582]. Для этого равномерно по всей длине кольца наматывают пробную
обмотку из n витков. Затем измеряют ее индуктивность и вычисляют магнитную
проницаемость по формуле:
где L - измеренная индуктивность обмотки, мкГн; D, d и h - размеры магнитопровода, мм (внешний, внутренний диаметры и
высота). Из измеренной индуктивности желательно вычесть индуктивность
соединительных проводников.
В резонансных и
квазирезонансных ИИП форма импульсов тока, протекающих через обмотки
трансформаторов, колоколообразная. В таких ИИП элементы преобразователя
подвергаются четырех-пяти кратным перегрузкам потоку. Это следует помнить как
при выборе коммутирующих транзисторов, так и при проведении расчетов. Следует
заметить, что ни по методикам из [1, 2], ни по предлагаемой методике
резонансные и квазирезонансные ИИП рассчитывать не следует.
Учитывая сказанное выше,
основываясь на [1; 2] и дополняя [3, 5-7], предлагается методика расчета
импульсного трансформатора двухтактного преобразователя с выходной мощностью от
25 Вт до 5 кВт и частотой преобразования от 4 до 500 кГц на кольцевом
магнитопроводе.
Рис.2 Усреднённая зависимость суммарной мощности
нагрузки и частоты
5.
Расчёт импульсного трансформатора
.1
Исходные данные для расчёта
Uпит min=170B; Uпит ном= 220B; Uпит max= 250B - соответственно минимальное,
номинальное и максимальное напряжение питания преобразователя;
- Uкэ. нас= 1,5В - напряжение насыщения участка коллектор-эмиттер (или
сток-исток) коммутирующих транзисторов;
- Bнас= 0,38В - индукция насыщения маг-нитопровода;
-µэфф=2000 Гн/м - эффективная магнитная
проницаемость магнитопровода;
- F= 30кГц - частота преобразования;
- Uн= 12В; 5В - напряжение на нагрузке;
- Iн= 2А; 3,5А - ток, потребляемый нагрузкой;
- D= 38мм, d= 24мм, h= 7мм - внешний диаметр, внутренний
диаметр и высота кольцевого магнитопровода.
5.2
Методика расчёта
1. Мощность,
потребляемая нагрузкой,
.
Если нагрузок несколько, вычисляют суммарную потребляемую ими мощность:
. Вычисляют КПД
трансформатора согласно рис. 1 по эмпирической формуле:
, (1)
где значение F - кГц, Рн - Вт.
3. Используемая
мощность трансформатора:
. Площадь сечения
магнитопровода
.
. Площадь окна
магнитопровода:
.
. Средняя длина
магнитной силовой линии в магнитопроводе
. Принимаем значение
максимальной индукции Вm
(Тл) частной петли гистерезиса в пределах Вm=
(0,5...0,75)Bнас. Из [3] известно, что выбирать Вm
меньше 0,5Внас нерационально вследствие необоснованного увеличения
габаритов трансформатора, а больше 0,756Bнас
нельзя из-за повышения вероятности насыщения магнитопровода. Принимаем Вm равным среднему значению - 0,625Bнас.
. Габаритную мощность
трансформатора в общем случае рассчитываем по формуле{3, с. 85]; [5, с. 24-26];
[7, с. 109]:
, или
,(2)
где значение Ргаб
- Вт; Sc и So
- см2; F - Гц; Вт -
Тл: J - плотность тока
в обмотках, А/мм ; s - число стержней
магнитопровода, на которых расположены обмотки (для кольцевого магнитопровода -
1); kc- коэффициент заполнения
ферромагнитным материалом площади поперечного сечения магнитопровода [5, с.
24]; kм-
коэффициент заполнения окна медью обмоток; kф - коэффициент формы преобразовываемого напряжения (для
прямоугольной формы - 1).
Из [7, с. 110]
коэффициент kc для ферритов - 1; kм
- 0,15 при Рн > 15 Вт.
9. Согласно [7, с. 109]
и проверено экспериментально:
,(3)
Поскольку Ргаб
в свою очередь зависит от J,
вычисление следует выполнять итерационно. Трудностей итерационного расчета
можно избежать, приняв J
равной 1,87 А/мм2 или вычислив Ргаб по формуле,
приведенной в статье [2], которая дает менее точный, но пригодный для
первоначальной оценки результат:
,
где значение Ргаб
- Вт; Sc и So
- см , F - Гц; Вт - Тл.
10. Проверяем, если Ргаб
> Рисп, выбранный кольцевой магнитопровод можно использовать,
то продолжаем расчет. Если неравенство не выполняется, желательно либо повысить
частоту преобразования (если это позволяют характеристики материала
магнитопровода и элементы ИИП), либо применить магнитопровод больших размеров.
Запас по Ргаб учитывает изменение параметров магнитопровода
(старение, уменьшение µэфф при
нагревании и т. д.).
11. Наибольшее
напряжение первичной обмотки трансформатора для полумостового преобразователя
;
для мостового преобразователя
для преобразователя со
средней точкой
.
. Определяем число
витков первичной обмотки трансформатора [3, с. 92]:
где значение U1 - ; F - Гц; Вт - Тл; Sc - м2.
13. Рассчитываем индуктивность первичной обмотки
трансформатора (в Гн) по известной формуле
;
где
Гн/м
- магнитная постоянная.

- для мостового
преобразователя
;
для преобразователя со
средней точкой
;
для полумостового
преобразователя
;
. Максимальное значение амплитуды
треугольной составляющей тока [1] первичной обмотки трансформатора:
- для полумостового
и мостового преобразователей
;
для преобразователя со
средней точкой
;
где значение lmax - A;
U1 -- В, F - Гц; L1, - Гн.
16. Если выполняется неравенство lmax < 0,2 I1max. полагаем, что форма
тока первичной обмотки трансформатора близка к прямоугольной. В противном
случае желательно применить магнитопровод с иными параметрами. Но если
неравенство не выполнено, продолжают расчет дальше, допуская повышенную
амплитуду треугольной составляющей тока, из-за которой придется выбрать
коммутирующие транзисторы с более
высоким максимально допустимым током коллектора или стока.
17. Ориентировочно
максимальное значение амплитуды тока первичной обмотки
.
Более точный расчет выполняют в цикле, перебирая значения напряжения питания в
интервале его изменения с малым шагом (например, 1 В) и вычисляя
соответствующую сумму токов.
. Диаметр провода
первичной обмотки [1]:
Если использован
литцендрат из N проводов, то согласно [7, с. 111] диаметр обмотки можно
рассчитать так:
где значение IΣмах
-А; d1 -mm; J --А/мм .
19. Число витков
вторичной обмотки
,.
Диаметр провода вторичной обмотки
. Этот пункт расчета
повторяют для каждой вторичной обмотки.
,
Упрощенный расчет на
этом завершен. Для более точного расчета требуется, зная результаты
упрощенного, итерационно заново определить КПД трансформатора и плотность тока,
учитывая суммарные потери мощности. Точный расчет трансформатора - сложная
задача, требующая учета ряда дополнительных параметров. Результаты же будут
всего на единицы процентов отличаться от приближенных. Для радиолюбительской
практики вполне достаточно упрощенного расчета.
6.
Описание программного обеспечения для расчёта трансформатора
Для экономии
времени расчет целесообразно выполнять на компьютере по соответствующей
программе, например, по представленной ниже. Программа имеет размер дистрибутива
432 КБ, занимает на жестком диске 1,34 МБ и работоспособна в операционных
системах, начиная с Windows 98 SE.
Рис.3 Скриншот окна
программы расчёта импульсного блока питания
После запуска программы прежде всего
определимся со схемой преобразователя. Для этого в основном окне (рис. 3)
нажмем на кнопку с изображением соответствующей схемы. В качестве примера
выберем схему с импульсным трансформатором с отводом от середины первичной
обмотки. После нажатия на кнопку появляется окно, показанное на рис. 4 (без
результатов расчета в нижней части окна). Введем исходные данные в верхнюю часть
окна.
Из пяти вторичных
обмоток, которые может одновременно рассчитать программа, используем две: для
питания нагрузки (50 В, 3 А) и для питания задающего генератора (15 В, 50 мА).
Последняя строка данных - размеры кольцевого магнитопровода К38х24х7 из феррита
2000НМ-А. После нажатия на кнопку "Рассчитать!" программа выдает
результаты расчета - параметры трансформатора. Программа результаты и исходные
данные не сохраняет - когда расчет окончен, их надо записать на бумаге или
сделать скриншот окна.
Рис.4 Скриншот окна
программы расчёта импульсного блока питания
Выводы
В работе было рассмотрено две методики расчёта
трансформаторов для импульсных блоков питания и проведено их сравнение. В ходе
работы мы определили, что в расчетах по методикам [1,
2] КПД трансформатора принят равным 80 %. Обычно в преобразователе
ИИП мощностью от 100 до 500 Вт в диапазоне частот от 10 до 100 кГц КПД
трансформатора примерно равен 95...99%, а общий КПД всего источника - более
80%. Необоснованно заниженный КПД уменьшает расчетное значение габаритной
мощности трансформатора, повышает используемую мощность и прямоугольную
составляющую тока коммутирующих транзисторов, что может привести к
нерациональному выбору последних. Также предложено устранение этой ошибки с
помощью выбора КПД по усредненной зависимости от суммарной мощности нагрузки и
частоты, представленной на рис.2
Методика расчёта, предложенная Е.
Москатовым является усовершенствованием и дополнением методики, приведённой в [2]. Она
подкреплена выводами, сделанными в ходе практического изготовления ИТ.
Также представленная программа
расчёта с помощью ПК значительно облегчает задачу проектирования ИТ.
Список литературы
1.
Косенко С. Расчет импульсного трансформатора двухтактного преобразователя. -
Радио, 2005, № 4, с. 35-37,44.
2.
Жучков В. Расчет трансформатора импульсного блока питания. - Радио, 1987, №11,
с. 43.
3.
Источники электропитания, радиоэлектронной аппаратуры: Справочник / Г. С.
Найвельт, К. Б. Мазель, Ч. И. Хусаинов и др.; под ред. Г. С. Найвельта. - М.:
Радио и связь, 1986.
4.
Справочник радиолюбителя-конструктора. Издание 2-е, переработанное и
дополненное. Составитель: Малинин М. М. - М.: Энергия, 1978.
5.
Источники электропитания на полупроводниковых приборах. Проектирование и
расчет. / Под ред. Додика С. Д. и Гальперина Е. И. - М.: Советское радио, 1969.
6.
Немцов М. В. Справочник по расчету параметров катушек индуктивности. Издание
2-е, переработанное и дополненное. - М.: Энергоатомиздат, 1989.
7.
Эраносян С. А. Сетевые блоки питания с высокочастотными преобразователями. -
Л.: Энергоатомиздат, Ленинградское объединение, 1991.
8. Терещук Р., Терещук К., Седов С.
Полупроводниковые приемно-усилительные устройства. Справочник радиолюбителя. -
Киев: Наукова думка, 1981.
. Михайлова М., Филиппов В.,
Муслаков В. Магнитомягкие ферриты для радиоэлектронной аппаратуры. Справочник.
- М. Радио и связь, 1983.
. Е. Москатов Методика и программа
расчёта импульсного трансформатора двухтактного преобразователя.