Расчет и конструирование несинусоидального трансформатора малой мощности

  • Вид работы:
    Курсовая работа (т)
  • Предмет:
    Физика
  • Язык:
    Русский
    ,
    Формат файла:
    MS Word
    423,64 Кб
  • Опубликовано:
    2012-10-16
Вы можете узнать стоимость помощи в написании студенческой работы.
Помощь в написании работы, которую точно примут!

Расчет и конструирование несинусоидального трансформатора малой мощности

Содержание

Введение

. Задание на проектирование

. Расчет трансформатора

.1 Выбор материала

.2 Определение объема магнитопровода

.3 Выбор магнитопровода

.4 Коэффициент трансформации

.5 Действующие значения напряжений

.6 Определение оптимальной магнитной индукции

.7 Число витков

.8 Потери мощности в магнитопроводе

.9 Плотность тока

.10 Выбор проводов

.11 Распределение проводов по окну

.12 Определение добавочных потерь

.13 Коэффициент заполнения по меди

.14 Потери в проводах обмотки

.15 Суммарные потери

.16 КПД трансформатора

.17 Индуктивность рассеяния

.18 Расчет собственных емкостей обмоток

.19 Выбор изоляции

.20 Расчет тепловых режимов

.21 Расчет схемы замещения трансформатора

.22 Моделирование трансформатора в среде OrCAD

ЗАКЛЮЧЕНИЕ

СПИСОК ЛИТЕРАТУРЫ

Введение

Среди разнообразных электротехнических устройств трансформаторы по широте распространения и универсальности применения занимают одно из первых мест. Трансформаторы входят в состав большинства электротехнических аппаратов и приборов. Их применяют в схемах источников питания радиоэлектронной аппаратуры различного назначения, в схемах электробытовых приборов, на силовых подстанциях коммунальных, промышленных тяговых сетей.

Однако применение трансформаторов не ограничивается этими областями. Трансформаторы широко используют в усилителях и генераторах низкой (звуковой) частоты в качестве межкаскадных и выходных трансформаторов, а также в цепях высокочастотных контуров приемно-усилительных устройств. Специальные импульсные трансформаторы применяют в различных импульсных схемах современной радиоаппаратуры. Трансформаторы, работающие в особом режиме, используют в схемах транзисторных преобразователей напряжения (инверторов), которые служат для преобразования постоянного напряжения в переменное.

Источники вторичного питания радиоэлектронной аппаратуры за последние годы существенно изменились. Это вызвано непрерывным стремлением уменьшить их массу и габариты, повысить КПД за счет применения наиболее рациональных схем, использование высокочастотного преобразования энергии постоянного тока, экономичных импульсных методов регулирования, интегральных микросхем. Повысились также требования к питающим напряжениям. Номинальные значения напряжений теперь составляют единицы и десятки вольт при токах нагрузки в десятки и даже сотни ампер. Это привело к созданию разнообразных структурных схем построения источников вторичного электропитания, каждая из которых находит применение в конкретных условиях.

Мощность, габаритные размеры масса различных трансформаторов варьируется в очень широких пределах. Мощность, отдаваемая трансформатором в нагрузку, может лежать в пределах от единиц ватт до тысяч киловатт. Соответственно, габаритные размеры могут быть в пределах от долей сантиметра до нескольких метров, а масса от единиц граммов до десятков тонн.

В зависимости от областей применения трансформаторы можно разделить на следующие основные группы:

·   силовые трансформаторы вторичного электропитания (трансформаторы малой и большой мощности);

·   трансформаторы для инверторов;

·   трансформаторы низкой (звуковой) частоты;

·   высокочастотные трансформаторы;

·   импульсные трансформаторы.

Требования, предъявляемые к трансформаторам различных групп, существенно отличаются друг от друга. Например, одним из основных показателей трансформаторов электропитания являются КПД для трансформаторов большой мощности и превышение температуры для трансформаторов малой мощности, для трансформаторов низкой частоты важным параметром является частотная характеристика; для оценки высокочастотных трансформаторов используется значение их добротности; импульсные трансформаторы характеризуются степенью искажения трансформированного импульса; трансформаторы для преобразования напряжения (инверторов) должны иметь магнитопровод из материала малыми удельными потерями и с прямоугольной петлей перемагничивания.

Понятие оптимальности трансформатора малой мощности обычно определяется в зависимости от назначения этого трансформатора и характеризуется выгодными технико-экономическими показателями. Под технико-экономическими показателями трансформатора понимается масса, объем или стоимость его, приходящейся на единицу мощности, а также характеристика его качества.

Разнообразие требований, предъявляемых к трансформаторам отдельных групп, естественно, приводит к значительным различиям в методах их расчета и конструирования. Поэтому для каждой группы трансформаторов имеется своя специализированная литература.

В данном курсовом проекте рассмотрены расчет и конструирование несинусоидального трансформатора малой мощности.

магнитопровод трансформатор мощность моделирование

1. Задание на проектирование

Спроектировать согласующий трансформатор со следующими параметрами:

; ;

Временная зависимость представлена на рис. 1.

Рис. 1.

1. Расчет трансформатора

2.1 Выбор материала

Магнитные материалы в основном определяют массогабаритные и энергетические характеристики трансформаторов малой мощности (ТММ). Высокая индукция насыщения  и малые удельные потери  в материале магнитопровода позволяют выполнить ТММ с меньшими габаритами и массой, а также с более высоким КПД

Частота:


Наибольшее применение для ТММ на частотах от 50 Гц до 10кГц находят электролитические стали 3422, 3423, 3424, 3425 с толщиной ленты 0,05-0,08 мм. Выбираем материал сталь 3425 с толщиной ленты 0,05 мм с параметрами: ; ; ; А=486 ; kр =1.6.

2.2 Определение объема магнитопровода

Определим критическую частоту работы трансформатора:


Так как f<fкр, то в выражение для определения объема магнитопровода подставляем f.

Определяем объем магнитопровода Vм:

принимаем km=0.25, тогда:


2.3 Выбор магнитопровода

Ввиду того, что у торроидальных магнитопроводов наилучшие параметры по сравнению с другими типами магнитопроводов, выбираем магнитопровод марки ОЛ 25/40-25 с следующими параметрами:

площадь окна ;

произведение ;

сечение ;

·   средняя линия lср=10.2 см

.4 Коэффициент трансформации

.

2.5 Действующие значения напряжений

Рис. 2. Разложение в ряд Фурье

Используя программу OrCad, смоделируем входное напряжение трансформатора и определим его спектральный состав. Разложение входного сигнала в ряд Фурье представлено на рис. 2

 - амплитуда первой гармоники входного напряжения

 - действующее значение входного напряжения


2.6 Определение оптимальной магнитной индукции

,

где - мощность трансформатора, соответствующая первой гармонике напряжения.

,

- приведенное сопротивление нагрузки




2.7 Число витков


.8 Потери мощности в магнитопроводе

Мощность потерь в магнитопроводе:

 Вт.

 В·с/см2,

Где γ=2·104 1/Ом·см, t0=0.707·tи.

Минимум мощности потерь в трансформаторе имеет место, когда PM=Pоб. θB - постоянная времени установления вихревых токов.

Определим θB:

.

Магнитная проницаемость материала μа определяется по значению Нт, которое, в свою очередь, находится для  В·с/см2; 1.31/80=0.016 Гн/м=1.6·10-4 Гн/см.

Т. о.,

с=4 мкс(t0B).

.9 Плотность тока

Во вторичной обмотке плотность тока может быть больше, поэтому берем плотность для первичной обмотки:


2.10 Выбор проводов

, где


Из-за того, что диаметр провода в первичной и вторичной обмотке довольно большой и мотать его будет на такой сердечник не так технологично, для первичной обмотки возьмём провод в 12 раз меньшей площади, намотает им 12 секций обмоток с рассчитанным количеством витков, а потом эти секции соединим параллельно. Для вторичной обмотки выполним 14 секций.

Выбираем провод ПЭЛ по ГОСТ 26615-85, тип 1:

номинальный диаметр медной проволоки, мм

площадь поперечного сечения, мм2

максимальный наружный диаметр, мм

минимальное пробивное напряжение, В

0.53

0.221

0.579

2500

1.2

1.131

1.325



.11 Распределение проводов по окну

а) первичная обмотка:

Рис.3

Найдем число витков, которые могут поместиться на магнитопроводе в один ряд.

Для этого найдем длину окружности радиуса , проходящую через центры поперечного сечения витков:


Число витков:


Следовательно, первичная обмотка укладывается в два слоя по 6 секций.


Таким образом, 14 секций вторичной обмотки укладываются в один слой поверх двух слоев первичной обмотки.

2.12 Определение добавочных потерь

Коэффициент добавочных потерь:


где n=I, II, III

-действующее значение n-ой гармоники тока.

Считая, что напряжение в первичной обмотке трансформатора передается без искажений, можно найти ток следующим образом:

, .

Разлагаем в ряд Фурье напряжение:


,

где m- число слоев обмотки;

n- число эквивалентных проводов прямоугольного сечения.

Так как в трансформаторе мы используем многожильные провода, поэтому произведем расчет коэффициентов n1p и n2p, учитывающих использование таких проводов в качестве обмотки:

В нашем случае ;


- диаметр жилы реального провода без изоляции.

;

;


2.13 Коэффициент заполнения по меди

;

;

;

.

2.14 Потери в проводах обмотки

;

;

мОм;

Вт.

;

мОм;

Вт.

Вт;

2.15 Суммарные потери

Вт.

2.16 КПД трансформатора

.

.17 Индуктивность рассеяния

А - средняя толщина намотки секции(в направлении, перпендикулярном средней линии магнитопровода):

,

где  и -средняя толщина секций;

мм.;

l-расстояние между соседними секциями, измеренными вдоль средней линии секции:

см;

см-радиус средней силовой линии магнитного поля магнитопровода.

см;

мкГн.

мкГн.

2.18 Расчет собственных емкостей обмоток



2.19 Выбор изоляции

В торроидальных ТММ обмотки укладываются на изолированный и магнитопровод. Изоляционные материалы обеспечивают электрическую изоляцию в ТММ и защиту их от внешних воздействий. Для межслоевой, межобмоточной и наружной изоляции наиболее используется бумага и пленка, а для пропитки и заливки - различные лаки и компаунды.

Для пропитки и заливки ТММ при температуре до  в основном применяется лак ФЛ-98.

2.20 Расчет тепловых режимов

.

 - сопротивление обмотки при наличии распределенного источника тепла. Здесь:

 -реальная толщина обмотки;

h - длина средней линии обмоток;

, см,

, см - эквивалентная длина обмотки, которая учитывает увеличение теплоотдачи за счет наличия торцевых поверхностей.

 Вт/см·ºС - коэффициент теплопроводности для пропитанной обмотки;

 см - периметр среднего витка обмотки.

 ºC/Вт;

 - сопротивление обмотки без источника тепла.

 ºC/Вт;

 Вт/см·ºС - коэффициент теплоотдачи для случая расположения элемента в свободном воздушном пространстве при нормальных условиях.


Найдем, поверхность охлаждения обмотки :



 ºC/Вт

Рис. 4

В этом режиме тепловой поток, создаваемый потерями в обмотке, рассеивается в окружающую среду только через поверхность обмотки. Тепловой поток, обусловленный потерями в магнитопроводе, может идти двумя путями: одна его часть  проходит через поверхность магнитопровода, а часть  - через обмотку.

В нашем случае обмотка занимает всю поверхность магнитопровода, поэтому получаем перегрев:

. ºС.

Расчет перегрева поверхности и среднего перегрева обмотки.

 ºС.

=73.4ºС.

Расчет показывает, что перегрев поверхности трансформатора не превышает допустимый в соответствии с заданием 80 ºС.

2.21 Расчет схемы замещения трансформатора

 пФ

 мкГн.

 мкГн.

 мОм.

мОм.

 Ом.

 - сопротивление, учитывающее активные потери в магнитопроводе.

 - мощность потерь в магнитопроводе;

 - индуктивность намагничивающего контура, где

 - магнитная проницаемость материала; - площадь сечения магнитопровода;

 - число витков обмотки;

 - длина средней линии магнитопровода;

Найдем  материала, для чего возьмем из справочника значение  и напряженность  в точке вблизи середины рабочей части характеристики:

Рис. 5 Кривые намагничивания стали 3425

Линеаризуем характеристику по этой точке и началу координат. Тогда средняя проницаемость определится по формуле:

.

=2.83 мГн

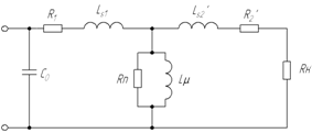
Рис. 6 Схема замещения трансформатора

.22 Моделирование трансформатора в среде OrCAD:

Рис.7 Эквивалентная модель трансформатора в OrCAD

Рис. 8 Входное и выходное напряжение при частоте 1кГц

Рис. 9 Ток нагрузки и средняя мощность нагрузки

Заключение

Данный трансформатор благодаря простоте конструкции, широкому и давнему использованию кажется хорошо знакомым. Спроектировать его не составляет особого труда, но чтобы спроектировать его оптимальным, необходимо рассматривать всю совокупность вопросов, связанных друг с другом, обусловленных электромагнитными явлениями в электромагнитном элементе, процессами нагрева и охлаждения, геометрией конструкции.

В качестве основной величины, определяющий размеры трансформатора выбран его объём. Анализ электромагнитных процессов в магнитопроводе и в обмотках позволил учесть различные факторы, влияющие на расчет трансформатора с помощью коэффициентов, числовые значения которых можно определить: коэффициент, учитывающий потери в магнитопроводе (А); коэффициент, учитывающий увеличение сопротивления провода вследствие поверхностного эффекта (kдоб).

Определили оптимальное значение магнитной индукции. Из этого нашли и другой важный параметр - плотность тока в проводах обмоток. Плотность тока в обмотках (соответственно и выбор сечения провода) правильнее определять исходя из минимума мощности потерь в обмотках. Однако, так как процессы в трансформаторе взаимосвязаны, выбор сечений проводов нельзя проводить без расчета всего трансформатора.

Для уменьшения габаритных размеров и массы трансформатора увеличивают частоту, на которой он должен работать. Увеличение частоты приводит к повышению затрат на изготовление трансформатора.

Уменьшение объёма трансформатора происходит до некой критической частоты, далее объём трансформатора остается неизменным. По формуле определили критическую частоту при которой выше указанное выполняется.

В конце курсового проектирования рассчитали эквивалентную схему замещения трансформатора, учитывающие различные распределенные параметры реального трансформатора, и затем на математической модели увидели искажения, вносимые индуктивностями рассеяния, собственными ёмкостями обмоток и т. д.

Список литературы:

1. Рязнов Н.М. Трансформаторы и дроссели в импульсных устройствах. М.: Радио и связь. 1986г.

2. Корецкий Ю.В. Справочник по электротехническим материалам. т.3. М.: Энергоатомиздат.

3. Ермолин Н.П. Расчет трансформаторов малой мощности. Л.: Энергия. 1969.

4. Краткий справочник конструктора РЭА. М.: Советское радио. 1972.

Похожие работы на - Расчет и конструирование несинусоидального трансформатора малой мощности

 

Не нашли материал для своей работы?
Поможем написать уникальную работу
Без плагиата!
Без нейросетей!