Проектирование системы 'Управляемый тиристорный преобразователь–двигатель постоянного тока'
Федеральное
государственное автономное
образовательное
учреждение высшего профессионального образования
«СИБИРСКИЙ
ФЕДЕРАЛЬНЫЙ УНИВЕРСИТЕТ»
ПОЛИТЕХНИЧЕСКИЙ
ИНСТИТУТ
Кафедра
«ЭТКиС»
Курсовой
проект
Проектирование
системы
«управляемый тиристорный преобразователь-двигатель
постоянного тока»
Красноярск
2011
Оглавление
тиристорный преобразователь электропривод
Введение
. Задание на
проектирование
. Расчет и
выбор элементов тиристорного преобразователя
.1 Расчет
силового трансформатора
.2 Выбор
тиристоров
2.3 Расчет
индуктивности и выбор токоограничивающего реактора
2.4 Расчет
индуктивности и выбор сглаживающего дросселя
. РАСЧЕТ И
ВЫБОР ЭЛЕМЕНТОВ ЗАЩИТЫ ТИРИСТОРНОГО ПРЕОБРАЗОВАТЕЛЯ
.1 Выбор
плавких предохранителей
.2 Выбор
автоматических выключателей
.3 Выбор
средств защиты от перенапряжений
. СТАТИЧЕСКИЕ
ХАРАКТЕРИСТИКИ ТИРИСТОРНОГО ПРЕОБРАЗОВАТЕЛЯ
.1
Регулировочная характеристика СИФУ
.2
Регулировочные характеристики силовых схем преобразователей
.3
Регулировочная характеристика тиристорного преобразователя
.4 Внешние
характеристики тиристорного преобразователя
.5
Электромеханические характеристики двигателя
.
ЭНЕРГЕТИЧЕСКИЕ ХАРАКТЕРИСТИКИ ТИРИСТОРНЫХ ПРЕОБРАЗОВАТЕЛЕЙ
.1
Коэффициент полезного действия преобразователей
.2
Коэффициент мощности тиристорных преобразователей
. СИСТЕМЫ
ИМПУЛЬСНО - ФАЗОВОГО УПРАВЛЕНИЯ
Заключение
Список
использованных источников
Введение
Преобразовательные устройства служат для преобразования переменного
напряжения (тока) в постоянное, постоянного напряжения (тока) в переменное,
переменного напряжения (тока) одной частоты в переменное напряжение (ток)
другой частоты. В преобразовательных устройствах используются средства,
осуществляющие фильтрацию и стабилизацию тока и напряжения. Основными
характеристиками преобразовательных устройств являются коэффициент полезного
действия, коэффициент мощности и другие энергетические характеристики.
Преимущества полупроводниковых преобразовательных устройств по сравнению
с другими преобразователями неоспоримы: они обладают высокими регулировочными
характеристиками и энергетическими показателями, имеют малые габариты и массу,
просты и надежны в эксплуатации.
Благодаря указанным преимуществам полупроводниковые преобразовательные
устройства получили широкое применение в различных отраслях народного
хозяйства.
Основными видами преобразователей электрической энергии являются:
выпрямители (управляемые, неуправляемые);
инверторы (АИТ, АИН, АИР);
преобразователи частоты;
импульсные преобразователи (постоянного или переменного тока);
преобразователи числа фаз.
В последнее время для анализа процессов в преобразовательных устройствах
все шире обращаются к ЭВМ, что позволяет проводить точный расчет и оптимизацию
схем.
Силовая схема преобразователя.
Силовая схема управляемого тиристорного преобразователя (ТП) используется
в качестве выпрямителя или инвертора.
В связи с дискретностью работы вентилей в силовой цепи возникают
пульсации тока, которые вызывают дополнительные потери в обмотках электрических
машин, увеличивают нагрев, ухудшают условия коммутации двигателя.
Трехфазная нулевая схема проста и содержит мало вентилей. Однако, из-за
больших значений действующих анодных токов и обратных напряжений, наличия токов
вынужденного намагничивания трехфазные нулевые схемы целесообразны при
соединении обмоток звезда-звезда и треугольник-звезда для тиристорных приводов
мощностью 5-30 кВт.
Для реверсивных электроприводов с рекуперативным торможением применяются,
как правило, двухкомплектные преобразователи, один из которых работает в
выпрямительном, а другой - в инверторном режиме.
В зависимости от порядка работы комплектов различают системы с раздельным
и совместным управлением.
При раздельном управлении работает только один комплект преобразователя,
обеспечивающий требуемое направление и величину скорости вращения привода.
Другой комплект находится в выключенном состоянии. Для изменения режима работы
комплектов используется специальное логическое переключающее устройство,
которое обеспечивает требуемую последовательность отключения ранее работавшего
комплекта и включения другого. Поэтому при раздельном управлении в
установившихся режимах характеристики привода не отличаются от работы с
однокомплектным нереверсивным преобразователем.
Достоинством раздельного управления является отсутствие контуров
уравнительного тока, что позволяет более полно использовать силовой
трансформатор, нет необходимости включать токоограничивающие реакторы,
уменьшаются потери энергии, вес и габариты преобразователя.
Вместе с тем, при раздельном управлении изменение режима работы привода
увеличивает длительность переходных процессов из-за необходимой выдержки
времени при переключении комплектов. При раздельном управлении возникает режим
прерывистых токов преобразователя, что приводит к резкому увеличению скорости
привода при малых нагрузках.
1. Задание на проектирование
Таблица1-Данные электродвигателя постоянного тока
|
Номер варианта
|
3
|
|
, кВт
|
6
|
|
, об/мин2130
|
|
|
, B110
|
|
|
, A62
|
|
|
Сопротивление обмоток
(20°С). , Ом0,024
|
|
|
Число пар полюсов, p
|
2
|
|
КПД, %85,5
|
|
|
Схема
|
Трехфазная нулевая,
нереверсивная
|
|
Номер варианта
|
3
|
Таблица 2-Данные преобразователя
5
|
|
максимальный угол
регулирования 60
|
|
|
допустимый коэффициент
пульсации тока якоря , %1,5
|
|
|
исполнение преобразователя
|
реверсивное, 2-х
комплектное с раздельным управлением
|
|
форма опорного напряжения
СИФУ
|
пилообразная
|
Схему тиристорного преобразователя выбираем по номинальной мощности
заданного двигателя. Номинальная мощность двигателя Pном=10 кВт, поэтому целесообразно выбрать трехфазную нулевую
схему выпрямителя. Она достаточно проста и содержит мало вентилей.
Рисунок 1 - Трехфазная нулевая схема
2. Расчет и выбор элементов тиристорного преобразователя
.1 Расчет силового трансформатора
Расчетное значение фазного напряжения вторичной обмотки трансформатора
выбирается из заданных условий работы нагрузки с учетом возможного понижения
напряжения сети и допустимых токовых перегрузок, В:

,
где
коэффициент схемы;

коэффициент
запаса по напряжению, учитывающий возможное снижение напряжения в сети;

коэффициент
запаса, учитывающий снижение напряжения на выходе выпрямителя за счет
ограничения угла открывания тиристоров в реверсивных преобразователях с
раздельным управлением;

коэффициент,
учитывающий падение напряжения в вентилях и обмотках трансформатора, а также
наличие углов коммутации;

номинальное
значение напряжения на нагрузке,В
Линейное
напряжение на вторичной обмотке трансформатора. В:
Действующее значение линейного тока вторичной обмотки трансформатора, А:
где
коэффициент тока, зависящий от схемы выпрямителя;

коэффициент
запаса по току, учитывающий возможную перегрузку преобразователя;

коэффициент,
учитывающий отклонение формы анодного тока тиристора от прямоугольной;

номинальный
ток нагрузки на стороне выпрямленного напряжения, А.
Коэффициент
трансформации трансформатора:
- фазное
напряжение первичной обмотки трансформатора,
Действующее значение тока первичной обмотки трансформатора, А:
Теоретическое
значение типовой мощности трансформатора, кВ
А:
где
коэффициент
схемы по мощности.
Расчетная
типовая мощность силового трансформатора, кВ
А:
По
полученному значению расчетной мощности выбирается силовой трансформатор,
наиболее близкий по техническим характеристикам к расчетному, из условия
, где
-
номинальные значения полной мощности, фазного напряжения и тока выбранного
трансформатора.
По
таблице П.1[2] выбираем силовой трансформатор серии ТТ:
Таблица
3 - Параметры трансформатора
|
Тип трансформатора
|
кВ АНоминальноелинейноенапряжение,
ВПотери,ВтНапряжение короткого замыкания, % от Ток
холостого хода % от Схема соединения обмоток
|
|
|
|
|
|
|
|
   ,% от
|
|
|
|
|
|
|
|
ТТ-8
|
8
|
220
|
380
|
208
|
416
|
8
|
6
|
|
Действующее значение фазного тока вторичной обмотки выбранного
трансформатора, А:
Активное сопротивление фазы вторичной обмотки трансформатора, Ом:
Полное сопротивление фазы трансформатора, Ом:
где
напряжение короткого замыкания трансформатора, %.
Индуктивное
сопротивление фазы, Ом:
Индуктивность
фазы вторичной обмотки, Гн:
Активное
сопротивление и индуктивность трансформатора, приведенные к цепи выпрямленного
тока:
где
а=1 - число обмоток трансформатора, обтекаемых током.
2.2 Выбор тиристоров
Выбор тиристоров осуществляется по току и напряжению. Нагрузочная
способность вентилей определяется максимально допустимой температурой
полупроводниковой структуры, которая не должна быть превышена в любых режимах
работы: длительная работа с номинальным током двигателя; рабочая перегрузка
двигателя в течение заданного времени; аварийный режим в течение времени
срабатывания защиты. Нагрев вентиля зависит от величины и формы тока, а также
от условий охлаждения.
Требуемое среднее значение тока тиристора, А:
где
коэффициент
запаса, учитывающий пусковые токи;

число
фаз вторичной обмотки трансформатора.
По
таблице П.3 [2]выбираем тиристоры Т100.
Проверка
на устойчивость выбранных тиристоров:
Ток
короткого замыкания, А:
Выбранный
тиристор проверяют на устойчивость при коротком замыкании на стороне
постоянного тока по формуле:
Максимальная
величина обратного напряжения, прикладываемая к вентилю, В:
где
коэффициент
схемы.
Расчетное
обратное напряжение на тиристоре, В:
Класс
тиристора, характеризующий собой величину рабочего обратного напряжения:
Класс
тиристора принимаем равным 5.
2.3 Расчет индуктивности и выбор токоограничивающего реактора
В анодные цепи преобразователей последовательно с трансформаторами
включают реакторы, которые совместно с индуктивностью рассеяния трансформатора
ограничивают аварийные токи(действующие значения установившегося тока короткого
замыкания), в пределах допустимого ударного тока тиристора.
Допустимый
ударный ток 
одного
вентиля является одним из основных параметров тиристора.
Периодическая
составляющая ударного тока, А:
где 
ударный
ток вентиля, А;

ударный
коэффициент.
Величина
требуемого реактивного сопротивления в фазе, Ом:
Требуемая индуктивность фазы, Гн:
Реактивное сопротивление токоограничивающего реактора при
последовательном включении со вторичной обмоткой трансформатора, Ом:
т.к.

, то
токоограничивающие реакторы не нужны.
2.4 Расчет индуктивности и выбор сглаживающего дросселя
Пульсации выпрямленного напряжения на выходе преобразователя вызывают
пульсации тока в силовой цепи, что ухудшает условия коммутации двигателей
постоянного тока и приводит к дополнительному нагреву всех элементов силовой
цепи. С целью уменьшения пульсаций тока до необходимого уровня в цепь нагрузки
включают сглаживающие дроссели.
Относительная величина действующего значения первой гармоники
выпрямленного напряжения при максимальном угле управления:
где

число
пульсаций выпрямленного напряжения.
Максимальное
значение ЭДС преобразователя при α=0, В:
Требуемая
индуктивность цепи выпрямленного тока, Гн:
Индуктивность
якорной цепи двигателя, Гн:
Где
р=2 - число пар полюсов;

номинальная
угловая скорость двигателя, 
Необходимая индуктивность сглаживающего дросселя, Гн:
По
таблице П.7|2| выбираем сглаживающий дроссель СРОС 160/6 УХЛ4, 
.
3. Расчет и выбор элементов защиты тиристорного
преобразователя
3.1 Выбор плавких предохранителей
Из-за высокой чувствительности тиристоров к перенапряжениям и токовым
перегрузкам надежная работа полупроводниковых преобразователей может быть
обеспечена при применении соответствующих видов защит, ограничивающих
допустимые значения как перенапряжения, так и тока, протекающего через
тиристоры.
Для защиты тиристорных преобразователей от токов короткого замыкания
широко применяют быстродействующие предохранители серии ПБВ, ПНБ5 и ПНБ5М.
Как правило, предохранители обеспечивают защиту тиристоров от токов
короткого замыкания и не защищают от перегрузки. Предохранители могут быть
установлены в фазных проводах переменного тока.
Плавкие предохранители для защиты тиристоров выбираются по режиму
внутреннего КЗ. При этом выбор производится по двум параметрам предохранителя -
по номинальному току и интегралу Джоуля:
где
верхнее
значение Джоулева интеграла предохранителя (табл. П.8);

интеграл
Джоуля тиристора (табл. П.3);

коэффициент
запаса;
n=2 - число
тиристоров в плече моста преобразователя.
Интеграл
Джоуля предохранителя, защищающего тиристор:
По таблице П.8 [2] выбираем предохранители ПНБ-5-380/250
с
.
Плавкие предохранители используются только для защиты от токов короткого
замыкания и не могут быть использованы для защиты от перегрузок, поэтому
необходима установка дополнительного защитного аппарата.
3.2 Выбор автоматических выключателей
Достоинством автоматических выключателей (автоматов, выключателей) в том,
что в них совмещены устройство защиты и коммутационный аппарат. Автоматические
выключатели обеспечивают многократность действия и возможность дистанционного
управления.
Однако, автоматические выключатели по быстродействию уступают плавким
предохранителям. Поэтому автоматические выключатели в тиристорных
преобразователях могут быть использованы как резервные средства защиты,
обеспечивающие отключение преобразователя при отказе основных средств защиты и
перегрузках.
Наличие перенапряжений, возникающих при отключении аварийных токов,
является недостатком автоматических выключателей.
Автоматический выключатель выбирается по номинальным параметрам силовой
части преобразователя (току и напряжению) с учетом его коммутационной способности.
Действующее значение установившегося тока короткого замыкания, А:
Фазный ток первичной обмотки трансформатора, А:
Ток уставки теплового расцепителя, А:
Выбираем
автоматические выключатели по условию:
,
где

ток
уставки расцепителя.
Ток
уставки теплового расцепителя для двигателя 
, А:
По таблице П.9 [2] выбираем АВ А3710Б
Таблица 4 - Параметры автомата А3710Б
|
Тип выключателя
|
Номинальный ток
расцепителя, А
|
Пределы регулирования
номинального тока , AНоминальная установка трогания при перегрузке,
АПределы регулирования трогания при к.з.
|
|
|
|
|
|
|
Постоянного тока, А
|
переменного тока, А
|
|
А3710Б
|
80
|
50
|
4·IH5·IH
|
|
|
3.3 Выбор средств защиты от перенапряжений
Для защиты тиристорных преобразователей от коммутационных перенапряжений
применяют RC-цепочки, включенные параллельно
тиристорам.
Ток, протекающий через тиристор перед началом коммутации, А:
Величина емкости RC-цепочек,
мкФ:
Принимаем

Сопротивление
RC-цепочек, Ом:
Принимаем
(стандартный ряд Е24).
Для защиты от перенапряжений при включении ненагруженного трансформатора
в большинстве ТП применяются электрические конденсаторы, включенные
последовательно с резисторами на выходе вспомогательного выпрямителя на
маломощных диодах.
Величина
емкости конденсатора 
мкФ:
где

намагничивающий
ток силового трансформатора;

допустимая
кратность возрастания напряжения на вентилях;

номинальный
линейный ток вторичной обмотки трансформатора, А;

линейное
напряжение вторичной обмотки трансформатора, В.
Принимаем
мкФ
(стандартный ряд Е24).
Резистор
должен ограничивать ток через вентили диодного моста
при включении.
Определение
величины резистора
,Ом:
Принимаем
Диоды
моста выбираются по среднему значению тока в вентилях
и максимальной величине обратного напряжения
.
Среднее значение тока вентиля, А:
Максимальная величина обратного напряжения, В:
Величина разрядного сопротивления, кОм:
Принимаем
Мощность
резистора
, Вт:
Мощность
резистора
, Вт:
Для
защиты от высоковольтных перенапряжений на стороне переменного тока
устанавливают конденсаторы
малой
емкости.
4. Статические характеристики тиристорного преобразователя
4.1 Регулировочная характеристика СИФУ
Рисунок
2 - Функциональная схема системы
Функциональная
схема разомкнутой системы «Управляемый вентильный преобразователь-двигатель»
состоит из следующих составных частей:
СИФУ
- система импульсно-фазового управления;
СЧ
- силовая часть преобразователя;
М
- двигатель.
На
рисунке обозначены:

управляющее
напряжение на входе СИФУ;

угол
управления тиристорами;

среднее
значение выпрямленного напряжения;

выходная
координата двигателя (частота вращения угол поворота вала, момент и др.)
Циклическая
частота напряжения сети, рад/с:
При
исследовании статических режимов тиристорных преобразователей значительное
место отводится расчету и построению регулировочных характеристик: СИФУ 
;силовых
схем преобразователей
и
вентильных преобразователей совместно с СИФУ 
, а также
внешних характеристик преобразователя
,и
электромеханических характеристик двигателя 
в
разомкнутой системе. Эти характеристики определяют возможности работы
тиристорного электропривода и являются основанием для анализа и расчета
замкнутых систем автоматического управления и выбора оборудования.
Регулировочная характеристика СИФУ с вертикальным принципом управления и
пилообразном опорным напряжением (Рис. 2).
-
максимальная величина опорного напряжения, принятая на практике 10В.
Опорное
напряжение пилообразной формы
определяется
уравнением:
где
Рисунок 2 -Опорное пилообразное напряжение
4.2 Регулировочные характеристики силовых схем
преобразователей
Регулировочная
характеристика представляет собой зависимость среднего значения выпрямленного
напряжения от угла напряжения
до угла
напряжения
α.
Уравнение
регулировочной характеристики тиристорного преобразователя описывается
следующими выражениями:

Где

величина
максимального значения ЭДС преобразователя, В.
4.3 Регулировочная характеристика тиристорного
преобразователя
Результирующая
регулировочная характеристика преобразователя представляет собой зависимость
ЭДС преобразователя от напряжения управления
, и
определяется регулировочными характеристиками силовой части и СИФУ
преобразователя.
При
наиболее широко используемом вертикальном принципе построения СИФУ вид регулировочной
характеристики преобразователя зависит от формы опорного напряжения генератора
опорного напряжения (ГОН) СИФУ.
Для
СИФУ с пилообразной характеристикой ГОН справедливо:
Рисунок 4- Регулировочная характеристика ТП.
4.4 Внешние характеристики тиристорного преобразователя
Внешняя
характеристика преобразователя представляет собой зависимость среднего значения
выпрямленного напряжения
от
выпрямленного тока
при
неизменном угле открытия тиристоровα. Вид внешней характеристики зависит от режима работы тиристорного
преобразователя.
Режим
непрерывного тока
Режим
непрерывного тока характеризуется тем, что ток якорной цепи непрерывен, т.е.
последующий вентиль открывается не позже, чем ток предыдущего станет равным
нулю. Длительность протекания через вентиль в этом режиме 
. В таком
режиме работают преобразователи средней и большой мощности, а также реверсивные
преобразователи при совместном согласованном управлении.
Длительность
протекания тока через вентиль:
Эквивалентное
сопротивление, характеризующее коммутационное падение напряжения, Ом:
Активное
сопротивление сглаживающего дросселя, Ом:
Сопротивление
якорной цепи, Ом:
где

сопротивление
щеточного контакта.
Эквивалентное
сопротивление преобразователя, содержащего в силовой цепи якорную цепь
двигателя, уравнительные и сглаживающие дроссели и работающего в режиме
непрерывного, Ом:
В
общем случае уравнение внешней характеристики тиристорного преобразователя (ТП)
имеет вид:
где 
среднее
значение падения напряжения на тиристоре;
n-количество
тиристоров, работающих одновременно;

эквивалентное
сопротивление силовой цепи.
Режим
прерывистого тока
Такой
режим возможен в нереверсивных, а также в реверсивных преобразователях с
раздельным управлением группами вентилей.
Рисунок 5 - Внешние характеристики ТП
4.5 Электромеханические характеристики двигателя
Уравнение электромеханической характеристики двигателя постоянного тока с
независимым возбуждением в области непрерывных токов имеет вид:
здесь
максимальное
значение ЭДС преобразователя;

коэффициент
электродвигателя.
В
реверсивных преобразователях с раздельным управлением группами вентилей в зоне
прерывистого тока характеристики нелинейны.
Скоростная
характеристика в зоне прерывистых токов будет описываться выражением:
Рисунок
6 - Электромеханические характеристики двигателя
5. Энергетические характеристики тиристорных преобразователей
5.1 Коэффициент полезного действия преобразователей
Коэффициент полезного действия (КПД) представляет собой отношение
полезной мощности к мощности активной, потребляемой из сети:
где
- потери мощности в преобразователе.
При
работе преобразователя на якорь двигателя постоянного тока полезная мощность,
Вт:
Потери
мощности в вентилях определяются выражением, Вт:
где
классификационное
падение напряжения на вентиле.
КПД
только тиристорного преобразователя, %:
КПД системы преобразователь - двигатель, %:
где 
потери
собственных нужд, обусловленные расходом энергии на принудительное охлаждение
тиристоров, освещение и вентиляцию (до 2 кВт); 
потери
холостого хода трансформатора, Вт.
Потерями
мощности собственных нужд в тиристорных преобразователях с естественным
охлаждением вентилей можно пренебречь. Если пренебречь постоянными составляющими
потерь в трансформаторах и двигателе и учесть, что числитель в выражении для
КПД системы П-Д пропорционален угловой скорости, можно записать:
где

частота
вращения двигателя в относительных единицах;

частота
вращения двигателя на холостом ходу и нагрузке соответственно, рад/с.
Значения
КПД системы ТП-Д зависит как от нагрузки на валу двигателя, так и от скорости
при регулировании. В случае постоянного момента на валу со снижением скорости
будет иметь место уменьшение КПД.
Рисунок 7- Зависимость КПД системы ТП-Д от частоты вращения при
номинальной нагрузке на валу.
5.2 Коэффициент мощности тиристорных преобразователей
Активная мощность, принятая в качестве базовой величины, кВт:
Данные,
рассчитанные при углах
, 
Коэффициент
нелинейных искажений:
Полная
мощность тиристорного преобразователя, кВ
А:
Реактивная
мощность тиристорного преобразователя, квар:
Активная
мощность тиристорного преобразователя, кВт:
Мощность
искажения, кВт:
Коэффициент
мощности тиристорного преобразователя:
Рисунок 8 - График зависимости изменения коэффициентов от отношения
напряжений.
Рисунок 9 - График зависимости изменения мощностей от отношения напряжений
6. Системы импульсно-фазового управления
Фазой периодического электрического сигнала называется выраженный в
угловых величинах параметр, соответствующий интервалу времени между
рассматриваемым периодическим электрическим сигналом.
В вентильных преобразователях постоянного тока в качестве системы отсчета
обычно принимается основная гармоника питающего напряжения сети переменного
тока. Это же напряжение является синхронизирующим сигналом в системах
импульсного управления, т.е. определяет частоту выходных импульсов.
Системой импульсно-фазового управления (СИФУ) называется совокупность
устройств и элементов, которая обеспечивает заданную последовательность
выходных импульсов.
Элементы СИФУ, в которых сигналы потенциально связаны гальваническими связями,
называются электрическими. При магнитной связи сигналов элементы СИФУ
называются магнитными. При наличии между сигналами потенциальных и магнитных
связей элементы СИФУ называются электромагнитными.
В многофазных СИФУ группы одинаковых элементов, в которых сигналы
отличаются только фазой, называются каналами СИФУ.
Требования, предъявляемые к СИФУ вентильного преобразователя,
определяются типом вентиля, режимом работы (выпрямительный, инверторный,
реверсивный, нереверсивный) и видом нагрузки.
Основными требованиями к СИФУ являются следующие:
1. Управляющий импульс должен иметь достаточную для надежного отпирания
вентиля амплитуду напряжения и тока (для тиристоров 10-20 В, 20-2000мА).
2. В СИФУ крутизна переднего фронта импульса должна быть в
диапазоне 150-200 В/эл.град и более.
. Минимально необходимая длительность отпирающих импульсов должна
быть такой, чтобы за время «существования» импульса ток в анодной цепи
тиристора мог нарасти до тока включения. Необходимая минимальная длительность
импульса зависит от времени включения используемых тиристоров (от 5 до 20 мкс),
схемы их соединения и вида нагрузки преобразователя.
4. Широкий
диапазон регулирования
определяется типом преобразователя, режимом его
работы и характером нагрузки.
. Асимметрия
импульсов представляет собой неравенство углов управления отдельных фаз
многофазной системы при одинаковом сигнале управления, которая без принятия
специальных мер составляет 3-6
.
Асимметрия приводит к увеличению содержания гармонических составляющих как во
входном, так и выходном напряжении преобразователя, частота которых меньше
частоты основной гармоники.
6. СИФУ не должна влиять на быстродействие регулируемого преобразователя.
Минимальное время реакции системы на управляющее воздействие должно составлять
в некоторых случаях тысячные доли секунды.
Рисунок 10 - Структурная схема СИФУ
В
фазосдвигающем устройстве ФСУ управляющий
и
синхронизирующий
сигналы преобразуются в фазоуправляемый импульсный
сигнал
Рисунок
11 - Структурная схема ФСУ
Основными
частями ФСУ являются: преобразователи управляющего и синхронизирующего сигналов
ПС, сумматор
преобразованного управляющего и синхронизирующего
сигналов и фазоиндикатор ФИ.
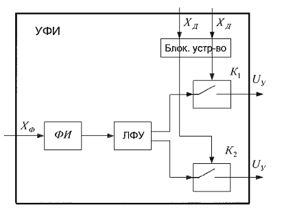
Рисунок
12 -Структурная схема согласующего входного устройства (СВУ) для трех
непрерывных и трех дискретных сигналов управления
СВУ
позволяет в реверсивных вентильных преобразователях управлять группами обеих
направлений выпрямленного тока при одном комплекте ФСУ.
Рисунок
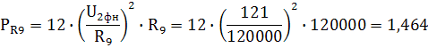
13 - Структурная схема усилителя-формирователя импульсов УФИ
В
УФИ, предназначенном для СИФУ на оба направления выпрямленного тока, усиленный
сигнал подается на один из выходов дискретными сигналами
через блокировочное устройство.
В
составе логического формирующего устройства ЛФУ находятся логические элементы
(чаще всего - диодные ИЛИ-элементы), предназначенные для формирования из
одиночных (за период) импульсов, поступающих с выходов импульсных усилителей
каждого канала.
Заключение
В данном курсовом проекте был произведен расчет тиристорного преобразователя
для электропривода постоянного тока. Были рассчитаны основные элементы
преобразователя и схем защиты. Подобраны подходящие под результаты расчета
элементы.
Список использованных источников
1. Забродин
Ю.С. Промышленная электроника: Учебник для вузов. М.: Высш.школа, 1982-496с.
Ил.
. Казанцев
А.В., Лопатин А.А. Преобразовательная техника. Учебно-методическое обеспечение
самостоятельной работы студентов. ИПЦ ПИ СФУ, 2007. 79с.