|
В
|
125
|
150
|
2,5
|
2
|
10
|
10
|
50..150
|
3
|
3
|
0,467
|
Условные обозначения к таблицам 2 и
3:
- средний максимальный
ток в открытом состоянии;
- температура корпуса;
- повторяющееся
импульсное напряжение в закрытом состоянии;
- повторяющееся
импульсное обратное напряжение;
- ударный
неповторяющийся ток в открытом состоянии при tи =10 мс длительность
импульсного тока в открытом состоянии;
- критическая скорость
нарастания напряжения в закрытом состоянии;
- критическая скорость
нарастания тока в открытом состоянии;
- максимально
допустимая температура перехода;
- прямой импульсный ток
управления;
- максимальное прямое
импульсное напряжение управления;
- импульсное напряжение
в открытом состоянии;
- импульсный ток в
открытом состоянии;
- отпирающий постоянный
ток управления;
- отпирающее постоянное
напряжение управления;
- время включения;
- время задержки;
- время выключения;
- повторяющий
импульсный ток в закрытом состоянии;
- повторяющий
импульсный обратный ток;
- тепловое
сопротивление переход-корпус.
1.3 Построение временной
диаграммы
Строятся диаграммы мгновенного
значения напряжения на нагрузке для заданного угла управления:
Рисунок 3 - Временная диаграмма
работы преобразователя
Рисунок 4 - Регулировочная
характеристика Ud = f(α)
- При активной нагрузке.
- При активно индуктивной нагрузке.
Находится среднее значение
выпрямленного напряжения, среднее значение выпрямленного тока и среднее
значение тока, протекающего через тиристор, при угле управления α = 30˚:
;
;
.
2. Диаграммы закона
регулирования
Для аналоговой системы
управления принимаем косинусоидальный закон управления, при котором опорное
напряжение Uоп изменяется по косинусоиде в диапазоне регулирования тиристора.
Строится диаграмма закона
регулирования для заданной схемы выпрямления.
Диаграмма закона
регулирования для однофазной схемы выпрямления
На диаграмме Uу
текущее значение напряжения управления и соответствующий ему угол управления α.
Рассчитываются
напряжение синхронизации, Uс и добавочное напряжение, Uдоб.
Для приведенной диаграммы
;
.
3. Синхронизирующее
устройство
Схема синхронизирующего устройства
формирует напряжения, совпадающие по фазе с силовым напряжением на тиристорах,
и изолирует СИФУ от сети. Напряжения получают с помощью трансформаторов, схема
соединения которых обеспечивает получения необходимых Uс.
Синхронизирующее устройство для
однофазной схемы выпрямления
Выбираем трансформатор для
синхронизирующего устройства из условия:
где
-
напряжение на вторичной обмотке трансформатора;
Выбираем стержневой трансформатор
ТАН1-220-50, U1=220В, I1=0,37А, для синхронизирующего устройства используем обмотки 19-20
(21) и 22-23 (24) соединенные последовательно, у которых: U1=220B, I1=0,215A.
Схема выбранного трансформатора
Напряжение на отводах первичных
обмоток трансформатора ТAН1 на 220 В:
между выводами 1 и 2, 4 и 5 - 110 В;
между выводами 2 и 3, 5 и 6 - 7 В.
При использовании трансформаторов
ТAН1на 220 В необходимо:
соединить выводы 2 и 4;
подать напряжение 220 В на выводы 1
и 5.
Номера вторичных обмоток
трансформатора и соответствующие напряжение

Принимаем ток входа
операционного усилителя
Находим сопротивления
делителя, принимая
Из ряда стандартных
принимаем ближайшее значение сопротивления:
Резистор R3
выбирается подстроечным и для создания Uвых= В настраивается таким
образом, чтобы сопротивление было равно Rд - R2.
Напряжение на выходе
трансформатора равно В, поэтому:
Из ряда стандартных
принимаем ближайшее значение сопротивления:
Выбираем резисторы:1
-
0,125
820 Ом ±5%;2 -
3
-
.
4. Расчет формирователя
опорного напряжения и фазосдвигающего устройства
Формирователь опорного
напряжения, предназначен для получения опорного напряжения Uоп, изменяющегося по косинусойде в диапазоне регулирования
тиристора. Он состоит из интегратора, сумматора и инвертора.
ФСУ - фазосдвигающее
устройство, предназначено для получения сдвига фаз между синхронизирующим
напряжением и управляющим импульсом на угол управления α
в зависимости от величины напряжения управления. Оно выполняется на основе
компаратора напряжений.
Коэффициенты передачи
первых трех блоков должны быть такими, чтобы из напряжения Uвых получилось напряжение Uоп.
Структурная схема ФОН и ФСУ
Выбираем операционный усилитель
(этот усилитель используем для построения интегратора, сумматора, инвертора и
компаратора) из условия:
По справочнику выбираем
усилитель.
Таблица 5 - Номинальные
данные операционного усилителя
|
Тип
|
Uсф, В
|
Uп, В
|
Iпот, мА
|
Uвых, В
|
Iвх, нА
|
Есм, В
|
|
К104ОУД2
|
±20
|
±24
|
12
|
±22,5
|
2500
|
±50
|
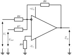
Схема включения операционного
усилителя
5.1 Расчет интегратора
Схема интегратора
Находим оптимальное входное
сопротивление:
где
входное
напряжение блока этой схемы равно Uвых делителя.
Из ряда стандартных принимаем
ближайшее значение
Сопротивление R5
принимается равным сопротивлению R4, поэтому R5= 1,6 кОм.
Для того чтобы из напряжения на
выходе делителя получить опорное напряжения необходимо выполнение следующего
условия:
,
где
.
Допустим из структурной схемы ФОН и
ФСУ
Для схемы интегратора KИ
всегда находиться по формуле:
Из формулы для
коэффициента передачи интегратора находим емкость конденсатора С1:
Принимаем
Выбираем резисторы:4 -
МЛТ 0,125 1,6 кОм ±5%;
R5 - МЛТ 0,125 1,6 кОм
±5%.
Выбираем конденсатор:1 -
К50-6 750 мкФ 10 В.
5.2 Расчет сумматора
Схема сумматора
Находим оптимальное входное
сопротивление:
где
входное
напряжение блока этой схемы равно Uс.
При условии, что
,
то для того чтобы из напряжения на выходе делителя получить опорное напряжения необходимо
выполнение следующего условия: Кс=1.
, тогда
.
Так как сопротивления
подключены по отношению ко входу параллельно, то:
Сопротивление для
сумматора равно входному, поэтому:
Принимаем
.
Выбираем резисторы:
Выходное напряжение
сумматора
рассчитывается
по формуле:
5.3 Расчет инвертора
Схема инвертора
Находим оптимальное входное
сопротивление:
где
входное
напряжение блока этой схемы равно
.
При условии, что
,
Kс = 1, то для того чтобы из напряжения на выходе делителя получить
опорное напряжения необходимо выполнение следующего условия Кин=1.
Для данной схемы:
, тогда
.
Так как сопротивления
включены по отношению ко входу параллельно, то
, так как Кин=1,
то R10 = R11,
соответственно
,
откуда следует что
.
Принимаем
.
Сопротивление
для
инвертора равно входному, поэтому
.
Принимаем
.
Выбираем резисторы:10
- МЛТ 0,125 620 Ом ±5%;11 - МЛТ 0,125 620 Ом ±5%.
Выходное напряжение
инвертора Uоп рассчитывается по формуле:
Заключение
преобразователь тиристор выпрямление
полупроводниковый
В соответствии с поставленной целью
и выданным техническим заданием, спроектирована система импульсно - фазового
управления полупроводниковым преобразователем.
Построены временные диаграммы работы
системы импульсно - фазового управления полупроводниковым преобразователем,
рассчитан канал управления системы импульсно - фазового управления и
спроектирована его принципиальная схема.
Приобретены навыки, как необходимо
выбирать электрические элементы.
Список источников
1 Резисторы: Справочник/В.В. Дубровский, Д.М. Иванов, Н.Я.
Пратусевич и др.; Под ред. И.И. Четверткова и В.М. Терехова. - 2-е изд.,
перераб. И доп. - М.: Радио и связь, 1991. - 528 с.: ил.
Мощные полупроводниковые приборы. Тиристоры: Справочник /В.Я.
Замятин, Б.В. Кондратьев, В.М. Петухов. - М.: Радио и связь, 1987. - 576 с.:
ил.
Массовая радиобиблиотека основана в 1947 году выпуск 1155.
Тиристоры справочник, Москва.: Радио и связь, 1990. - 269 с.: ил.
Горячева Г.А., Добромысова Е.Р. Конденсаторы: Справочник. - М.:
Радио и связь, 1984. - 88 с., ил. - (Массовая радиобиблиотека. Вып. 1079).
Диоды: Справочник/О.П. Григорьев, В.Я. Замятин, Б.В. Кондратьев,
С.Л. Пожидаев. - М.: Радио и связь, 1990. - 336 с.: ил. - (Массовая
радиобиблиотека. Вып. 1158).
Полупроводниковые приборы: транзисторы Справочник, под общей
редакцией Н.Н. Горюнова издание второе переработанное Москва энергоатомиздат
1985 - 897 с.: ил.
Диоды и тиристоры в преобразовательных установках / М.И.
Абрамович, В.М. Бабайлов, В.Е. Либер. - М.: Энергоатомиздат, 1992. - 432 с.