Система импульсно-фазового управления полупроводниковым преобразователем
Система импульсно-фазового управления полупроводниковым
преобразователем
1. Расчет силовой части
Рис. 1. Силовая схема
преобразователя
. Выбор тиристора
Среднее значение выпрямленного
напряжения
Фазное напряжение вторичной обмотки
трансформатора
Максимальное обратное напряжение на тиристоре
Среднее значение выпрямленного тока
Среднее значение тока
через тиристор
Условие выбора тиристора:
По справочнику выбираем
симметричный тиристор марки ТО132-25
Рис. 2. Тиристор ТО132-25
Находим среднее значение
выпрямленного напряжения, среднее значение выпрямленного тока и среднее
значение тока, протекающего через тиристор, при угле управления 80°:
Iо£=80*0.33=6.2*0.33=2.046А
3. Построение временной
диаграммы
Рис. 4. Регулировочная
характеристика
- При активной нагрузке
- При активно-индуктивной нагрузке
4. Структурная схема
СИФУ
VS1
VS2
VS3
Рис. 5. Структурная схема СИФУ
5. Диаграмма закона
регулирования
Рис. 6. Диаграмма закона
регулирования
Uоп =Uс+Uдоб=4.44+4.44=8.88
6. Расчет
синхронизирующего устройства
Выбираем трансформатор из условия
где
-
напряжение на вторичной обмотке трансформатора
Рис. 7. Синхронизирующее
устройство для трехфазной схемы выпрямления с нулевой точкой
Выбираем стержневой трансформатор
ТАН1-220-50, стержневой U1=220B, I1=0,215A.
Напряжение на отводах первичных
обмоток трансформаторов ТAН1 на 127/220 В:
между выводами 1 и 2, 4 и 5 - 110 В;
между выводами 2 и 3, 5 и 6 - 7 В.
При использовании трансформаторов
ТAН1-127/220 на 127 В необходимо:
соединить выводы 1 и 4, 3 и 6, при
этом первичные обмотки 1-3 и 4-6 соединяются параллельно;
подать напряжение 127 В на выводы 1
и 3 или 4 и 6.
При использовании трансформаторов
ТAН1-127/220 на 220 В необходимо:
соединить выводы 2 и 4;
Подается напряжение 220 В на выводы
1 и 5.
Рис. 8. Схема трансформатора
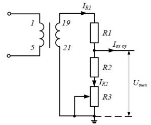
Расчет делителя для
синхронизирующего устройства
Рис. 9. Деталь синхронизирующего
устройства
Условие расчета
Принимаем ток входа
операционного усилителя
Находим сопротивления
делителя принимая
Принимаем
Напряжение на выходе трансформатора равно 6,3В, поэтому

Выбираем резисторы- SQP 5 Вт 91 Ом ±5%- MF-25
(C2-23) 0,25 Вт 390 Ом ±5%- СП3-26а 390 Ом ±5%
7. Расчет формирователя
опорного напряжения и фазосдвигающего устройства
Выбираем операционный усилитель
(этот усилитель используем для построения интегратора, сумматора, инвертора и
компаратора) из условия:
|
Тип прибора
|
Uсф,
В
|
Uп,
В
|
Iпот,мА
|
Uвых,
В
|
Iвх,
нА
|
Eсм,
В
|
|
К104ОУД2
|
20
|
24
|
12
|
22.5
|
2500
|
50*10-3
|
8. Расчет интегратора
Находим оптимальное входное
сопротивление
Принимаем
Принимаем
Принимаем
Выбираем резисторы:4 - C1-4 1 вт 2.2 кОм ±5%
R5' - C1-4 1 вт 2.2 кОм ±5%
Выбираем конденсатор:1 -
К50-35 560 мкФ х 200В
9. Расчет сумматора
Находим оптимальное входное
сопротивление
Kc=

Принимаем
Принимаем

=-R8*
8.88

=-Кс*(Uc+Uдоб)=-1*(4.44+4.44)=-8.88
Выбираем резисторы:
R6 - SQP 5 Вт 10.6 кОм ±5%
R7 - SQP 5 Вт 10.6 кОм ±5%
R8 - SQP 5 Вт 10.6 кОм ±5%
R9 - SQP 5 Вт 3.6 кОм ±5%
10. Расчет инвертора
Находим оптимальное входное
сопротивление
Принимаем
,
тогда
Принимаем
Принимаем
Uоп
=-
*
=8.88*
=8.88
Uоп=-
*Kc=8.88
Выбираем резисторы:10 - CF-50 (C1-4) 0.5 Вт 7.5 кОм ±5%11
- CF-50
(C1-4)
0.5 Вт 7.5 кОм ±5%12 - MO-200 (C2-23) 2 Вт 3.6 кОм ±5%
11. Расчет компаратора
Рассчитываем цепь обратной связи
Находим оптимальное
входное сопротивление

Принимаем
Рассчитываем напряжение
срабатывания компаратора
Проверка
Условие выполняется
значит расчет выполнен верно
Выбираем резисторы:
R13 - CF-50 (C1-4) 0.5 Вт 3.9кОм ±5%
R14 - 3329H-1-304LF 300 кОм
±5%
12. Расчет выходного
устройства и формирователя импульсов
Расчет формирователя импульсов и
выходного устройства для оптронного тиристора:
Uу.от=2.5 В
Iу.от=0.150 А
Tвкл=10 мкс
Выбираем транзистор, данные которого
приведены выше в таблице 6.
Проверяем выбранный транзистор:
Находим сопротивление
Принимаем
Выбираем резистор:
R16 - SGP 5 Вт, 150Ом 5%
Выбираем транзистор типа 2Т992Б
Проверка
Условие выполняется значит
транзистор выбран верно
Находим ток коллектора:
Находим падение напряжения на
сопротивлении:
UR16
Ik *R16= 0.141*150=21.15
Находим рассеивающую мощность на
сопротивление R16:
Формирователь импульсов состоит из
резистора R15, VD1 и С2:
Принимаем
Ток базы находим:
Рассчитываем средний
коэффициент передачи тока:
Находим сопротивление R15:
Принимаем
Рассчитываем мощность на
сопротивление R15:
Выбираем резистор:
R15 - Cf-25 (C1-4) 0.25 Вт, 470 Ом 5%
Находим емкость конденсатора C2:
Принимаем
Выбираем конденсатор:2
- БМТ-2 0.027 мкФ 400В
Таблица 8. Номинальные
данные конденсатора:
|
Тип прибора
|
Номинальное напряжение, В
|
Номинальная емкость, пФ
|
Допускаемое отклонение, %ряд емкости
|
Размер, мм
|
|
|
|
|
D(H)
|
L
|
B
|
|
БМТ-2
|
400
|
4.7·102 ÷2.2·105
|
±5;±10;±20
|
6÷16
|
24÷47
|
-
Принимаем диод:
VD1 - КД106А
Таблица 9. Номинальные данные диода
|
Тип
|
Iпр.ср.мах
мА
|
Т, С
|
F,
кГц
|
Uобр.ип..мах
В
|
Uобр.мах
В
|
Iпр
А
|
tи
мс
|
fмах
МГц
|
|
КД106АА
|
300
|
70
|
30
|
100
|
100
|
3
|
1
|
0.05
|
Проверяем:
13. Расчет блока питания
Блок питания должен вырабатывать
напряжение ±24 В для питания
операционных усилителей и +4.44 В для сумматоров.
Выбираем стабилизаторы напряжения:
Для DA5:
Для DA6:
По справочнику выбираем
стабилизаторы
DA5-КР1162ЕН24Б:
,
,
DA6 - uA7824CKC:
,
,
Выбираем трансформатор блока питания
из условия:
) Выпрямленное напряжение на входе
стабилизатора должно быть не менее 27В, так как минимальное необходимое
напряжение между входом и выходом стабилизатора должно быть не менее 2÷3В.
2)
Используются обмотки 7-8,9-10
трансформатора ТАН1-127/220-50 напряжение и ток которых соответственно равен U2ф=28В и I2ф=0.24А.
Выбираем диодный блок из условия:
Выбираем диодный блок КЦ402D, параметры которого представлены ниже,
Проверка по условию:
Выбираем конденсаторы:
С3-С6 -
К50-3 200мкФ 100В
Принимаем входной ток ОУ 2500*10-9:
Находим сопротивления
делителя принимая:
Где Uвых =Uдоб=4.44В.
Принимаем .
;
Принимаем .
Рассчитываем мощность на
сопротивлениях:
;
Выбираем резисторы:
R17 - С1-4 0.5 вт, 5%, 680
кОм
R18 - С1-4 0.5 вт, 5%, 120
кОм
R19 - СП3-4Mб 120 кОм±10% 120 кОм.
Литература
преобразователь тиристор интегратор синхронизирующий
1. Забродин Ю.С. Промышленная электроника: учебник для вузов. - М:
Высшая школа, 1982.-496 с.
. Москатов Е.А. Справочник по полупроводниковым приборам. - М.:
Радио, 2005.-208 с.
. Горбачёв Г.Н. Промышленная электроника: учебник для вузов. - М:
Энергоатомиздат, 1988.-320 с.
. Розанов Ю.К. Основы силовой энергетики. - М.: Энергоатомиздат,
1992.-296 с.
Похожие работы на - Система импульсно-фазового управления полупроводниковым преобразователем
|