Выбор оборудования и расчёт показателей тепловой эффективности теплоэлектроцентрали

  • Вид работы:
    Курсовая работа (т)
  • Предмет:
    Физика
  • Язык:
    Русский
    ,
    Формат файла:
    MS Word
    1,27 Мб
  • Опубликовано:
    2014-07-06
Вы можете узнать стоимость помощи в написании студенческой работы.
Помощь в написании работы, которую точно примут!

Выбор оборудования и расчёт показателей тепловой эффективности теплоэлектроцентрали

Министерство образования и науки российской федерации

Филиал федерального государственного бюджетного образовательного учреждения

высшего профессионального образования

"Южно-Уральский государственный университет"

(Национальный исследовательский университет) в г. Озерске

Кафедра "Информатика"



Выбор оборудования и расчёт показателей тепловой эффективности ТЭЦ

по дисциплине "Промышленная теплоэнергетика"












Озерск 2014

Аннотация

Основной задачей курсовой работы является выбор основного оборудования и определение технико-экономических показателей ТЭЦ, а также углубление знаний по составу оборудования, характеристикам и назначению промышленно-отопительных ТЭЦ, тепловых сетей и потребителей; совершенствование навыков в использовании справочной и специальной литературы.

Для выбора оборудования произведён расчёт годового отпуска теплоты от ТЭЦ, построен годовой график производственно-технологического теплоснабжения и график тепловых нагрузок по продолжительности стояния наружных температур в течении отопительного периода, а также разработана принципиально тепловая схема.

Оглавление

Введение

. Годовой отпуск теплоты от ТЭЦ

.1 Производственно-технологическое теплопотребление

.2 Коммунально-бытовое теплопотребление

.2.1 Расчётные тепловые нагрузки

.2.2 Средние тепловые нагрузки

.2.3 Годовые расходы теплоты

.3 Отпуск теплоты по сетевой (горячей воде)

. Выбор основного оборудования

. Расчёт показателей тепловой экономичности ТЭЦ

. Описание принципиальной тепловой схемы ТЭЦ

Заключение

Библиографический список

Приложение

теплоэлектроцентраль сетевой вода экономичность

Введение

Станции типа ТЭЦ получили широкое распространение в районах и городах с большим потреблением тепла. Теплоэлектроцентрали предназначены для централизованного снабжения промышленных предприятий и городов теплом и электроэнергией. Они отличаются от конденсационных электростанций использованием тепла "отработавшего" в турбинах пара для нужд производства, отопления, вентиляции и горячего водоснабжения. При такой комбинированной выработке электрической и тепловой энергии достигается значительная экономия топлива сравнительно с раздельным энергоснабжением, то есть выработкой электроэнергии на конденсационных электростанциях и получением тепла от местных котельных.

Замена местных котельных, нерационально использующих топливо и загрязняющих атмосферу городов и посёлков, централизованной системой теплоснабжения способствует не только значительной экономии топлива, но и повышению чистоты воздушного бассейна, улучшению санитарного состояния населённых мест.

Исходный источник энергии на ТЭЦ - органическое топливо (на паротурбинных и газотурбинных ТЭЦ) либо ядерное топливо (на планируемых атомных ТЭЦ). Преимущественное распространение имеют паротурбинные ТЭЦ на органическом топливе, являющиеся наряду с конденсационными электростанциями основным видом тепловых паротурбинных электростанций. Различают ТЭЦ промышленного типа - для снабжения теплом промышленных предприятий, и отопительного типа - для отопления жилых и общественных зданий, а также для снабжения их горячей водой. Тепло от промышленных ТЭЦ передаётся на расстояние до нескольких км (преимущественно в виде тепла пара), от отопительных - на расстояние до 20-30 км (в виде тепла горячей воды).

При строительстве ТЭЦ необходимо учитывать близость потребителей тепла в виде горячей воды и пара, так как передача тепла на большие расстояния экономически нецелесообразна. На ТЭЦ используют твёрдое, жидкое или газообразное топливо. Вследствие большей близости ТЭЦ к населённым местам на них шире (по сравнению с ГРЭС) используют более ценное, меньше загрязняющее атмосферу твёрдыми выбросами топливо - мазут и газ.

Прогнозируемая динамика роста спроса на тепловую энергию определяет требования к развитию теплофикации. Необходимо отметить, что прогнозирование развития теплофикации сильно усложняется отсутствием достоверных данных об изменении локальных тепловых нагрузок, которые, главным образом, и определяют выбор комбинированной (ТЭЦ) или раздельной (котельная и КЭС) схем энергоснабжения, величину требуемой мощности (электрической и тепловой), требования к составу теплофикационного оборудования (единичная мощность, тип турбин и так далее). В данной курсовой работе производится выбор турбин и котлоагрегатов на основании проделанных расчётов и определяются технико-экономические показатели ТЭЦ некоторого промышленного района.

Установленную мощность ТЭЦ и типы турбоагрегатов выбирают в соответствии с потребностями в тепле и параметрами пара, используемого в производственных процессах и для отопления. Наибольшее применение получили турбины с одним и двумя регулируемыми отборами пара и конденсаторами. Регулируемые отборы позволяют независимо регулировать в известных пределах отпуск тепла и выработку электроэнергии. При неполной тепловой нагрузке они могут в случае необходимости развивать номинальную мощность с пропуском пара в конденсаторы. При большом и постоянном потреблении пара в технологических процессах применяют также турбины с противодавлением без конденсаторов. Рабочая мощность таких агрегатов полностью определяется тепловой нагрузкой.

1. Годовой отпуск теплоты от ТЭЦ

Годовой отпуск теплоты от ТЭЦ определяется отдельно для производственно-технологических и коммунально-бытовых потребителей. Нужды производственно-технологических потребителей покрываются технологическим паром, а коммунально-бытовых потребителей - сетевой (горячей) водой.

Обозначения:

Дрп - расчётный отпуск технологического (производственного) пара;

pп и tп - давление и температура технологического пара;

βок и tок - доля возврата и температура конденсата технологического пара;

hпТЭЦ - годовое число часов использования максимума производственно-технологической нагрузки по пару;

γст - доля сантехнической нагрузки в горячей воде от расчётного отпуска технологического (производственного) пара;

Qрн - низшая теплота сгорания топлива;

m - численность населения жилого района или города, присоединённого к ТЭЦ;

место сооружения ТЭЦ - по климатическим условиям города;

вид топлива, сжигаемого на ТЭЦ: твёрдое (т) или газомазутное (гм).

Таблица 1 - Исходные данные

Величина

Данные

Дрп, кг/с

50

γст

0,15

климатические условия города

Верхоянск

m, тыс. чел

90

топливо

Уголь

Qрн, МДж/кг

15,91

pп, МПа

0,5

tп, 0С

180

βок

0,5

tок, 0С

95

hпТЭЦ, ч/год

4300


Расчётные тепловые нагрузки нужно выражать в мегаваттах и гигаджоулях, пользуясь следующими соотношениями: 1 МВт = 3,6 ГДж/ч; 1 МВт = 1 · 106 Вт;

1 ГДж = 1 · 109 Дж.

.1 Производственно-технологическое теплопотребление

Расчётная производственно-технологическая нагрузка определяется по формуле (1), МВт и ГДж/ч

(1)

где hп - энтальпия технологического (производственного) пара, кДж/кг;

hок - энтальпия обратного конденсата, кДж/кг;

hхз - энтальпия холодной воды зимой, кДж/кг;

qп - доля тепловых потерь в паропроводах (принять 0,06…0,10).

Значение (численное) энтальпии технологического пара определяем по заданным значениям pп и tп, пользуясь h-s диаграммой водяного пара. hп = 2830 кДж/кг.

Энтальпию обратного конденсата можно определить по формуле (2), кДж/кг

(2)

где с = 4,19 кДж/(кг•К) - удельная массовая теплоёмкость воды.

ок = 4,19 · 95 = 398,05 кДж/кг.

Энтальпия холодной воды hхз ≈ 4,19 · tхз, кДж/кг (tхз - температура холодной воды, зимой принять равной 50С).

хз = 4,19 · 5 = 20,95 кДж/кг.

Найденные значения энтальпий подставить в формулу (1)

рп = 50 [ 2830 - 0,5 (398,05 - 20,95) - 20,95 ] (1 + 0,1) = 50 [ 2830 - 0,5 · 377,1 - - 20,95 ] 1,1 = 50 [ 2830 - 188,55 - 20,95 ] 1,1 = 50 · 2620,5 · 1,1 = 144127,5 · 3600 = =518859000 = 518,86 ГДж/ч = 144,13 МВт.

Годовой отпуск пара на производственно-технологические нужды, т/год

(3)

где Дрп - расчётный отпуск технологического пара в тоннах на час (т/ч).

Дгп = 180 · 4300 = 774000 т/год.

Годовой отпуск теплоты на производственно-технологические нужды, ГДж

(4)

где Qрп - в гигаджоулях на час (ГДж/ч).

гп = 518,86 · 4300 = 2231098 ГДж.

Для построения годового графика производственно-технологического теплоснабжения по таблице 2 выбирается осреднённый график теплопотребления, соответствующий заданной величине hпТЭЦ (см. таблица 1).

Таблица 2 - Средние технологические нагрузки (относительные)

Месяц

1

2

3

4

5

6

7

8

9

10

11

12

Годовое время использования максимума технологической нагрузки hпТЭЦ, ч/год 4300-4600

1

0,92

0,81

0,65

0,59

0,57

0,55

0,56

0,63

0,75

0,88

0,95


Каждая ордината графика вычисляется по формуле (5)

(5)

где Qпi - отпуск теплоты за текущий месяц, ГДж;

Qпi - то же, в относительных величинах (см. таблицу 2).

Расход теплоты по месяцам:

Qп1 = 1 · 2231098 / 8,86 = 251816,93 ГДж;

Qп2 = 0,92 · 2231098 / 8,86 = 231671,58 ГДж;

Qп3 = 0,81 · 2231098 / 8,86 = 203971,71 ГДж;

Qп4 = 0,65 · 2231098 / 8,86 = 163681,01 ГДж;

Qп5 = 0,59 · 2231098 / 8,86 = 148571,99 ГДж;

Qп6 = 0,57 · 2231098 / 8,86 = 143535,65 ГДж;

Qп7 = 0,55 · 2231098 / 8,86 = 138499,31 ГДж;

Qп8 = 0,56 · 2231098 / 8,86 = 141017,48 ГДж;

Qп9 = 0,63 · 2231098 / 8,86 = 158644,67 ГДж;

Qп10 = 0,75 · 2231098 / 8,86 = 188862,70 ГДж;

Qп11 = 0,88 · 2231098 / 8,86 = 221598,90 ГДж;

Qп12 = 0,95 · 2231098 / 8,86 = 239226,08 ГДж.

На основании расчётов строится годовой график производственно-технологического теплоснабжения в абсолютных значениях тепловых нагрузок

Рисунок 1 - Годовой график производственно-технологического теплоснабжения

1.2 Коммунально-бытовое теплопотребление

1.2.1 Расчётные тепловые нагрузки

Расчётная нагрузка отопления, Вт (МВт) и ГДж/ч

(6)

где qо - укрупнённый показатель максимального теплового потока на отопление жилых зданий на 1 м2 общей площади (см. таблица 3), Вт/м2;

А = m · f - общая площадь жилых зданий, м2;

f - норма общей площади в жилых зданиях на 1 человека (может приниматься равной 18 м2/чел);

k1 = 0,25 - коэффициент, учитывающий долю теплового потока на отопление общественных зданий.

Таблица 3 - Укрупнённые показатели максимального теплового потока на отопление жилых зданий (5 этажей и более) qо, Вт/м2

Расчётная температура для отопления tо, 0С

-5

-10

-15

-20

-25

-30

-35

-40

-45

-50

-55

-59

Здания постройки до 1985 г.

65

70

77

79

86

88

98

102

109

115

122

128

То же после 1985 г.

65

67

70

73

81

87

91

95

100

102

108

112


При tо = - 590С [таблица 3]; qо = 128 Вт/м2.

ро = 128 · 90000 · 18 (1 + 0,25) = 259200000 Вт = 259,2 МВт = 933,12 ГДж/ч.

Расчётная нагрузка вентиляции, Вт (МВт) и ГДж/ч

(7)

где k2 - коэффициент, учитывающий долю теплового потока на вентиляцию общественных зданий (k2 = 0,4 для зданий постройки до 1985 года, k2 = 0,6 после 1985 года).

pв = 0,25 · 0,4 · 128 · 90000 · 18 = 20736000 Вт = 20,74 МВт = 74,65 ГДж/ч.

Расчётная нагрузка горячего водоснабжения, Вт (МВт) и ГДж/ч

(8)

где qr - укрупнённый показатель среднего теплового потока на горячее водоснабжение на 1 человека (см. таблица 4), Вт/чел.

pг = 407 · 90000 = 36630000 Вт = 36,63 МВт = 131,87 ГДж/ч.

Таблица 4 - Укрупнённые показатели среднего теплового потока на горячее водоснабжение жилых и общественных зданий при температуре воды 550С qг, Вт/чел

Средняя за отопительный период норма расхода горячей воды на одного человека в сутки

в жилых домах с душами без ванн

85

320

в жилых домах с сидячими ваннами и душами

95

322

в жилых домах с ваннами длиной 1,5 - 1,7 м и душами

105

376

в жилых домах высотой более 12 этажей с повышенными требованиями к благоустройству

115

407


Расчётная нагрузка коммунально-бытовых потребителей, Вт (МВт) и ГДж/ч

(9)pк = 259200000 + 20736000 + 36630000 = 316566000 Вт;pк = 259,2 + 20,74 + 36,63 = 316,57 МВт;pк = 933,12 + 74,65 + 131,87 = 1139,64 ГДж/ч.

1.2.2 Средние тепловые нагрузки

Средняя нагрузка отопления, Вт (МВт) и ГДж/ч

(10)

где tв - средняя температура внутреннего воздуха отапливаемых зданий (tв = 180С - для жилых и общественных зданий, tв = 160С - для производственных зданий);

tро и tо - расчётная для отопления и средняя за отопительный период температуры наружного воздуха (см. таблица 5).

Таблица 5 - Климатологические данные города Верхоянска

Температура наружного воздуха, 0С

Расчётная для отопления tро

-59


Расчётная для вентиляции tрв

-51


Средняя за отопительный период tо

-25,5

Продолжительность отопительного периода, hо, ч

6528

Число часов за отопительный период со среднесуточной температурой наружного воздуха (и ниже), 0С

-50

756


-45

1389


-40

2017


-35

2512


-30

2958


-25

3345


-20

3674


-15

4015


-10

4392


-5

4799


0

5313


5

5975


8

6528

сро = 2592 = 2592 =259200000 · 0,56=145152000 Вт;

Qсро = 259,2  = 259,2  = 259,2 · 0,56 = 145,15 МВт;

Qсро = 933,12  = 933,12  = 933,12 · 0,56 = 522,55 ГДж/ч.

Средняя нагрузка вентиляции, Вт (МВт) и ГДж/ч

(11)

Qсрв = 20736000  = 20736000  = 20736000 · 0,63 = 13063680 Вт;

Qсрв = 20,74  = 20,74  = 20,74 · 0,63 = 13,07 МВт;

Qсрв = 74,65  = 74,65  = 74,65 · 0,63 = 47,03 ГДж/ч.

Средняя за отопительный период нагрузка горячего водоснабжения,  Вт (МВт) и ГДж/ч

(12)

Qсpг = 36630000 Вт = 36,63 МВт = 131,87 ГДж/ч.

Средняя за неотопительный период нагрузка горячего водоснабжения,  Вт (МВт) и ГДж/ч

(13)

где tх = 50С и tхл = 150С - соответственно температуры холодной (водопроводной) воды в отопительный и неотопительный периоды;

β - коэффициент, учитывающий изменение среднего расхода воды на горячее водоснабжение в неотопительный период по отношению к отопительному (β = 0,8 - для жилых и общественных зданий; β = 1,5 - для курортных и южных городов; β=1 - для промпредприятий); выбирается самостоятельно.

сpгл = 36630000  0,8 = 36630000 · 0,8 · 0,8 = 23443200 Вт;

Qсpгл = 36,63  0,8 = 36,63 · 0,8 · 0,8 = 23,44 МВт;

Qсpгл = 131,87  0,8 = 131,87 · 0,8 · 0,8 = 84,40 ГДж/ч.

Средняя за отопительный период нагрузка коммунально-бытовых потребителей

(14)

Qсpк = 145152000 + 13063680 + 36630000 = 194845680 Вт;

Qсpк = 145,15 + 13,07 + 36,63 = 194,85 МВт;

Qсpк = 522,55 + 47,03 + 131,87 = 701,45 ГДж/ч.

1.2.3 Годовые расходы теплоты

Годовой расход теплоты на отопление, ГДж

(15)

где hо - длительность отопительного периода (см. таблица 5), ч.

го = 522,55 · 6528 = 3411206,4 ГДж.

Годовой расход теплоты на вентиляцию, ГДж

(16)

где z = 16 ч - время работы за сутки систем вентиляции общественных зданий.

гв = 47,03 · 6528 = 47,03 · 6528 · 0,67 = 205697,93 ГДж.

Годовой расход теплоты на горячее водоснабжение, ГДж

(17)

Qгг = 131,87 · 6528 + 84,40 (8400 - 6528) = 860847,36 + 84,40 · 1872 =

= 1018844,16 ГДж.

Годовой расход теплоты на коммунально-бытовые нужды, ГДж

(18)

Qгк = 3411206,4 + 205697,93 + 1018844,16 = 4635748,49 ГДж.

.3 Отпуск теплоты по сетевой (горячей) воде

Сантехническая нагрузка промышленных предприятий покрывается сетевой водой и суммируется с коммунально-бытовой нагрузкой.

Расчётная сантехническая нагрузка, МВт и ГДж/ч

(19)

Qрс = 0,15 · 144,13 = 21,62 МВт = 77,83 ГДж/ч.

Можно допустить, что закономерности изменения сантехнической и коммунально-бытовой нагрузки в зависимости от температуры наружного воздуха совпадают. Тогда годовой отпуск теплоты на сантехнические нужды, ГДж

(20)

Qгс = 77,83 · 4635748,49 / 1139,64 = 360800304,98 / 1139,64 = 316591,47 ГДж.

С учётом тепловых потерь в сетях расчётная нагрузка потребителей сетевой воды составит, МВт и ГДж/ч

(21)

Qрсв = (1 + 0,06) (316,57 + 21,62) = 1,06 · 338,19 = 358,48 МВт;

Qрсв = (1 + 0,06) (1139,64 + 77,83) = 1,06 · 1217,47 = 1290,52 ГДж/ч.

Годовой отпуск теплоты в сетевой воде, ГДж

(22)

где q - доля тепловых потерь в тепловых сетях (принимается самостоятельно в пределах от 0,04 до 0,08).

гсв = (1 + 0,06) (4635748,49 + 316591,47) = 1,06 · 4952339,96 =5249480,36 ГДж.

Результаты расчётов тепловых нагрузок необходимо свести в таблицу 6.

Таблица 6 - Отпуск теплоты от ТЭЦ

Потребители

Нагрузка


расчетная

годовая, ГДж


МВт/ч

ГДж/ч


Технологические (пар)

144,13

518,86

2231098

Отопление

259,2

933,12

3411206,40

Вентиляция

20,74

74,65

205697,93

Горячее водоснабжение

36,63

131,87

1018844,16

Сантехнические потребители

21,62

77,83

316591,47

Потребители теплоты по сетевой воде

358,48

1290,52

5249480,36


Результаты расчёта нагрузок потребителей сетевой воды обобщаются в виде графика тепловых нагрузок по продолжительности. Он совмещается с графиком изменения нагрузок от температуры наружного воздуха tн. В левой части графика приводятся зависимости нагрузок отопления Qо, вентиляции Qв и горячего водоснабжения Qг (МВт) от tн, а затем путём их графического суммирования - зависимость нагрузки коммунально-бытовых потребителей Qк от tн. Далее при расчётной температуре для отопления откладывается Qрсв и строится зависимость Qсв от tн при условии, что любой tн, ниже расчётной, соответствует численное значение разности (Qсв - Qк), пропорциональное значению Qк.


Рисунок 2 - Суммарный график теплового потребления по продолжительности

Расчетная нагрузка отопления для tн = + 8оС, Вт (МВт) и ГДж/ч

Q+8о = 2592 = 2592 = 259200000 · 0,13 = 33696000 Вт;

Q+8о = 259,2  = 259,2  = 259,2 · 0,13 = 33,70 МВт;

Q+8о = 933,12  = 933,12  = 933,12 · 0,13 = 121,31 ГДж/ч.

Расчетная нагрузка вентиляции для tн = + 8оС, Вт (МВт) и ГДж/ч

+8в = 20736000  = 20736000  = 20736000 · 0,15 = 3110400 Вт;

Q+8в = 20,74  = 20,74  = 20,74 · 0,15 = 3,11 МВт;

Q+8в = 74,65  = 74,65  = 74,65 · 0,15 = 11,20 ГДж/ч.

Суммарная расчетная нагрузка для tн = + 8оС, Вт (МВт) и ГДж/ч

о,в,гвр = 316,57  = 41,11 МВт = 147,99 ГДж.

2. Выбор основного оборудования

К основному оборудованию промышленно-отопительных ТЭЦ относятся паровые и водогрейные котлы и паровые турбины.

На основании расчетов тепловых нагрузок выбираем тип, число и номинальную мощность паровых турбин по таблице 7.

Таблица 7 - Характеристики паровых турбин для промышленно-отопительных ТЭЦ

Тип турбины

Электрическая мощность, МВт

Начальные параметры пара

Расход пара на турбину, кг/с

Номинальная нагрузка отбора

Нагрузка встроенного пучка, МВт


Номинальная

Максимальная

Давление, МПа

Температура, °С

Номинальная

Максимальная

Производственного, кг/с

Отопительного, МВт


Т-50/60-130

50

60

13

555

66,7

69,7


105

6

Т-110/120-130

110

120

13

555

133

135


205

10

Т-185/220- 130

185

220

13

555

218

225


325

12

ПТ-60/75-130/13

60

75

13

555

97,5

107,5

38,9

61,5

5

ПТ-80/100-130/15

80

100

13

555

124

131

51,4

79

10

ПТ-140/165-130/15

140

160

13

555

205

211

93

134

12

Р-50-130/13

50

60

13

555

103

133

92

-

-

Р-100-130/15

105

107

13

555

218

225

185

-

-

По таблице 7 выбираем:

- для покрытия производственной нагрузки 1 турбина ПТ-60/75-130/13;

- для покрытия теплофикационной нагрузки 1 турбина Т-50/60-130.

Выбор типа и количества энергетических паровых котлов осуществляется по суммарному расходу свежего пара на все выбранные турбины и РОУ (Дроуо) с коэффициентом 1,02 (cм.таблица 8). Двухпроцентная добавка дается на неучтенные потери теплоты в цикле ТЭЦ.

Таблица 8 - Характеристики паровых котлов для промышленно-отопительных ТЭЦ

Тип котла

Номинальная паропроизводитель ность, кг/с

Параметры пара

Температура питательной воды,°С

Топливо

КПД брутто, %



Давление, МПа

Темпе ратура,°С




Е-500-140-ГМН

139

14

560

230

Г аз, мазут

91,4...94,4

Е-500-140

139

14

560

230

Уголь

92,5

Е-480-140 ГМН

133,3

14

560

230

Г аз, мазут

92,1...92,9

Е-420-140 ГМ

116,7

14

560

230

Г аз, мазут

93,5...94,7

Е-420-140

116,7

14

560

230

Бурые и камен.угли

91,7...92,1

Е-320-140 ГМ

88,9

14

560

230

Г аз, мазут

93,8

Е-320-140

88,9

14

560

230

Бурые и камен.угли угли

90,0...91,6


Таким образом, требуемая паропроизводительность ТЭЦ, кг/с

(23)

где До - номинальный расход свежего пара на все выбранные турбины данного типа (Т, ПТ или Р), кг/с;

Дроуо - расход свежего пара на РОУ.

Расход свежего пара на РОУ определяется по формуле (24), кг/с

(24)

где Дпт,рп - отпуск пара на производственно-технологические нужды из отборов выбранных турбин типа ПТ и Т, кг/с;

hо - энтальпия свежего пара за котлами (по h-s диаграмме), кДж/кг;

h0ŋроу - КПД РОУ (принимается равным 0,98);

hпв - энтальпия питательной воды, выбирается по давлению и температуре питательной воды, кДж/кг.

о = 2830 кДж/кг;

hпв = 990,2 кДж/кг;

Дроуо = (50-38,9)  = 8,44 кг/с;

Дтэц = 1,02 (66,7 + 97,5 + 8,44) = 176,1 кг/с.

По таблице 8 выбираем 3 паровых котла типа Е-320-140, с паропроизводительностью - 88,9 кг/с каждый (3 · 88,9 = 266,7 кг/с).

Покрытие максимальной тепловой нагрузки на теплофикацию производится за счет пиковых водогрейных котлов (ПВК), покрывающих нагрузку. Выбираются водогрейные котлы по теплопроизводительности (МВт)

пвкт=Qрсв-Qптсв,(25)

Qпвкт = 358,49 - (105 + 61,5) = 191,99 МВт.

По таблице 9 выбираем 2 водогрейных котла типа КВ-ТК-100, с теплопроизводительностью - 116 МВт каждый (2 · 116=232 МВт).

Таблица 9 - Характеристики пиковых водогрейных котлов

Номинальная величина

Тип котла

Топливо


КВ-ГМ-180

КВ-ГМ-100

КВ-ТК-100


газ

мазут

газ

мазут

Бурый уголь

Каменный уголь







экибастузский

кузнецкий

Теплопроизво дительность, МВт

209

209

116

116

116

116

116

Температура воды, °С








на входе

110

110

110

110

110

110

110

на выходе

150

150

150

150

150

150

150

КПД котла, %

92,4

89,5

92,5

91,3

88,2

88,7

90,9


Критерием правильности выбора состава, типа и мощности основного оборудования является достижимость оптимальных значений расчётных коэффициентов теплофикации по пару αрп и сетевой воде αрсв при соответствующих величинах технологической и коммунально-бытовой (в сумме с сантехнической) нагрузок. Оптимальные коэффициенты теплофикации определяются на основе технико-экономических расчётов и зависят от мощностного ряда выпускаемых теплофикационных паровых турбин. Соответствующие технико-экономические исследования показывают, что оптимальные значения расчётных коэффициентов теплофикации по пару и сетевой воде составляют соответственно αрп = 0,7…1,0 и αрсв = 0,4…0,7.

(26)

(27)

где Дпт,рп - соответственно отпуск пара из производственных отборов выбранных турбин типа ПТ и Р, кг/с;

Qт,птсв - отпуск теплоты по сетевой воде из отопительных отборов выбранных турбин типа Т и ПТ, Мвт.

Расчетные коэффициенты теплофикации по пару и сетевой воде

αрп = 38,9 / 50 = 0,8;

αрсв = (105 + 61,5) / 358,49 = 0,5.

Состав и характеристики выбранного оборудования ТЭЦ сводим в таблицу

Таблица 10 - Состав и характеристики оборудования ТЭЦ

Оборудование

Количество и тип

Номинальный расход свежего пара или паропроизводительность, кг/с

Номинальный отбор (отпуск)




Производственный, кг/с

Отопительный, МВт

Турбины

1хТ-50/60-130 1хПТ-60/75-130/13

66,7

-

105



97,5

38,9

61,5

Энергетические котлы

3хЕ-320-140

88,9



Водогрейные котлы

2хКВ-ТК-100



116

Редукционноохладительная установка

РОУ50




Расчетный коэффициент теплофикации

αрп=0,8 αрсв=0,5






3. Расчёт показателей тепловой экономичности ТЭЦ

Расход натурального топлива на энергетический котёл (без промежуточного пароперегревателя)

(28)

где До - номинальный расход свежего пара на одну турбину выбранного типа  (Т, ПТ,Р), кг/с;

hо - энтальпия свежего пара за выбранным энергетическим котлом, кДж/кг;

hпв - энтальпия питательной воды, кДж/кг;

Qрн - удельная теплота (низшая) сгорания заданного топлива, кДж/кг;

ŋбркотла - расчётный КПД (брутто) котла.

Вэк =  =  = 27,4 кг/с.

Расход топлива на пиковый водогрейный котёл, работающий на угле  (Qрн = 15,91 МДж/кг), кг/с

(29)

где Qпвк= Qрсв - Qт.птсв - номинальная производительность выбранных ПВК, МВт.

Впвк =  =191,99 / 14,924 = 12,86 кг/с

Суммарный расход условного топлива (Qрн(усл.) = 29,31 МДж/кг) на ТЭЦ, кг/с

(30)

где в числителе n1, n2 - количество выбранных энергетических и водогрейных котлов.

(n1Вэк + n2Впвк) Qрн = n1ВэкQрн + n2ВпвкQрн (заданное топливо).

Втэц = (3 · 27,4 + 2 · 12,86) 15,91 / 29,31 = 58,58 кг/с.

Расход условного топлива на выработку теплоты, кг/с

(31)

где Qотп = Qрп + Qрсв - суммарный расход теплоты, отпущенной внешним потребителем, МВт;

ŋнэ - энергетический КПД (нетто); задаётся ŋнэ = 0,86;

ŋтп - КПД, учитывающий тепловые потери в паропроводах; задаётся  ŋтп = 0,98;

ŋнпвк - КПД котла (нетто), учитывающий тепловые потери пикового водогрейного котла, задаётся ŋнпвк = 0,85.

Qотп = 144,13 + 358,49 = 502,62 МВт.

Вт =  +  =  +  = 20,44 кг/с.

Расход условного топлива на выработку электроэнергии, кг/с

(32)

Вэ = 58,58 - 20,35 = 38,23 кг/с.

КПД ТЭЦ брутто по выработке электроэнергии

(33)

где Nэ - суммарная номинальная мощность выбранных турбин, Мвт; Nэ=ŋNэi;

Вэ (кг/с) и Qрн (МДж/кг).

ŋтэцэ(бр) =  =  = 0,1.

КПД ТЭЦ брутто по выработке теплоты

(34)

где Qотп (МВт), Вт (кг/с) и Qрн (МДж/кг).

ŋтэцт(бр) =  = 502,62 / 599 = 0,84.

Удельные расходы топлива:

на выработку электроэнергии, кг/(кВт·ч)

(35)

Qрн(усл.) = 29310 кДж/кг.

Вэу = 3600 / 0,1 · 29310 = 0,38 кг/(кВт·ч).

- на выработку теплоты, кг/ГДж

(36)

Вэу = 106 / 0,84 · 29,31 = 40,61 кг/ГДж.

- на отпуск теплоты, кг/ГДж

(37)

где Mт(нетто)ТЭЦ - КПД нетто ТЭЦ, учитывающий собственные нужды станции  (по теплоте), принимаем ŋт(нетто)ТЭЦ = 0,82.

Вэу = 106 / 0,82 · 15,91 = 25,07 кг/ГДж.

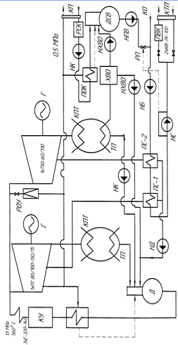
4. Описание принципиальной тепловой схемы ТЭЦ

Принципиальная тепловая схема является основой проектируемой электростанции. В результате расчётов определяют расход свежего пара на турбину, для контроля правильности выбора исходных данных используют значения энергетических показателей (удельный расход условного топлива на каждый вид вырабатываемой энергии). Тепловая схема станции устанавливает взаимосвязь основных и вспомогательных агрегатов, которые принимают участие в выработке электроэнергии и тепла, отпускаемого внешним потребителям.

Принципиально тепловую схему электростанции (энергоблока) нового типа разрабатывают на основе имеющихся теоретических исследований, опыта эксплуатации действующих электростанций, новых технических предложений и результатов технико-экономических расчётов.

Составление принципиальной тепловой схемы ТЭЦ имеет ряд особенностей. На ТЭЦ с промышленной и отопительной нагрузкой устанавливают теплофикационные турбоагрегаты двух или трёх различных типов (ПТ, Р, Т) технологически связанных между собой. Так, общими являются линии промышленного отбора пара турбин ПТ и Р, линии обратного конденсата внешних потребителей, добавочной воды, подпиточной воды тепловой сети. Однако, сетевые подогревательные установки выполняют обычно индивидуальными у каждого турбоагрегата типа Т или ПТ. На такой сложной ТЭЦ с разнотипными турбоагрегатами принципиально тепловая схема включает по одному турбоагрегату каждого типа. Принципиальная тепловая схема такой ТЭЦ включает схемы отпуска пара и горячей воды, а также регенеративного подогрева воды для каждого турбоагрегата, подготовки подпиточной и добавочной воды.

Для ТЭЦ с промышленной и отопительной нагрузкой и разнотипными теплофикационными турбоагрегатами (ПТ, Р, Т), технологически связанными между собой (линиями промышленного отбора пара, подогрева добавочной и подпиточной воды и обратного конденсата),принципиальная тепловая схема составляется как единая схема, состоящая из связанных схем агрегатов разных типов.

Принципиальная схема теплоснабжения включает:

1 турбина ПТ-60/75-130/13;

1 турбина Т-50/60-130;

3 паровых котла типа Е-320-140;

- 2 пиковых водогрейных котла КВ-ТК-100;

- регенеративные подогреватели питательной воды;

основные насосы (конденсатные, питательные, сетевые);

деаэраторы питательной и сетевой воды;

узлы подпиток основного цикла станции и теплосети;

узел отпуска тепла внешним потребителем.

Паровые котлы серии "Е" предназначены для выработки насыщенного пара, потребляемого предприятиями всех отраслей промышленности для технологических, отопительных и бытовых нужд. Котёл Е-320-100 с естественной циркуляцией воды. Естественная циркуляция образуется в замкнутом контуре за счёт разности плотностей смеси в опускных и подъёмных трубах.

Подвод пара осуществляется в среднюю часть турбины через два стопорных и четыре регулирующих клапана. К турбине подключен один подогреватель высокого давления (ПВД), питаемый паром из отборов и выходного патрубка. В турбоустановке также предусмотрен деаэратор.

Турбина Т - 50/60-130.

Т - турбина с теплофикационным отбором;

- номинальная мощность турбины, МВт;

- максимальная мощность турбины (при отключенных отборах), МВт;

- давление пара перед турбиной, атм. (13,0 МПа).

Теплофикационная паровая турбина Т-50/60-130 предназначена для привода электрического генератора и имеет два теплофикационных отбора для отпуска тепла на отопление.

В теплоподготовительной установке турбины типа "Т" предусмотрены три ступени подогрева сетевой воды:

теплофикационный подогреватель нижнего отбора пара (подогрев до 85ОС);

теплофикационный подогреватель верхнего отбора пара (до 140ОС);

пиковый водогрейный котел (до 180 - 200 ОС).

Последовательность технологического процесса: пар, сгенерированный в котлах, по паропроводам направляется в цилиндры турбин.

Пар в турбине ПТ - 60/75-130/13 из отборов поступает в подогреватель высокого давления (ПВД) для подогрева питательной воды и основной отработанной, на нужды технологических потребителей.

Пар в турбине Т-50/60-130, отработав на всех ступенях ЦВД, поступает в ЦНД, после чего поступает в конденсатор. В конденсаторе отработавший пар конденсируется за счет тепла отданного охлаждающей воде, которая имеет свой циркуляционный контур, далее, при помощи конденсатных насосов, основной конденсат направляется в систему регенерации. В эту систему входят 2 ПС и деаэратор. Система регенерации предназначена для подогрева питательной воды на входе в котел до определенной температуры. Эта температура имеет фиксированное значение и указывается в паспорте турбины.

Основной конденсат, прошедший 2 ПС и процесс очистки от агрессивных газов, направляется на питательные насосы, которые создают необходимое давление, и направляется в группу ПВД, состоящую из двух подогревателей. Вода, имеющая строго определенные параметры и удовлетворяющая нормам химического контроля, называется питательной водой и направляется в котел.

Питательные насосы. Питание котлов водой должно быть надёжным. При снижении уровня воды ниже допустимых пределов кипятильные трубы могут оголиться и перегреться, что в свою очередь может привести к взрыву котла. Котлы с давлением выше 0,07 МПа с паропроизводительностью 2 т/ч и выше должны иметь автоматические регуляторы питания.

Для питания котлов устанавливают не менее двух насосов, из которых один должен быть с электроприводом, а другой - с паровым приводом. Производительность одного насоса с электроприводом должна составлять не менее 110 % номинальной производительности всех рабочих котлов. При установке нескольких насосов с электроприводами их общая производительность должна составлять также не менее 110 %.

Конденсатный насос. Производительность конденсатного насоса равна часовому расходу конденсата от технологического потребителя. К этому расходу следует прибавить расход конденсата от сетевого подогревателя отопления, так как в случаи повышения жёсткости конденсат сбрасывают в конденсатный бак на нужды ГВС.

Сетевой насос системы отопления и вентиляции. Этот насос служит для циркуляции воды в тепловой сети. Его выбирают по расходу сетевой воды из расчёта тепловой схемы. Сетевые насосы устанавливаются на обратной линии тепловой сети, где температура сетевой воды не превышает 700С.

Напор, развиваемый сетевым насосом, выбирается в зависимости от требуемого напора у потребителя и сопротивлением сети с 10% запасом.

Подпиточный насос. Предназначен для восполнения утечки воды из системы теплоснабжения, количество воды необходимое для покрытия утечек определяется в расчёте тепловой схемы. Производительность подпиточных насосов выбирается равной удвоенной величине полученного количества воды для восполнения возможной аварийной подпитки.

Необходимый напор подпиточных насосов определяется давлением воды в обратной магистрали и сопротивлением трубопроводов и арматуры на линии подпитки, число подпиточных насосов должно быть не менее 2, один из которых резервный.

РОУ предназначены для снижения давления и температуры пара с целью:

обеспечения систем теплоснабжения резервным паром (непосредственно из паровых котлов) в случае остановки теплофикационных паровых турбин или появления пиковых тепловых нагрузок;

корректировки параметров пара из отборов турбин или турбин противодавления до значений, необходимых потребителю.

Потребителями теплоты в системах теплоснабжения являются системы отопления, вентиляции и кондиционирования воздуха, системы горячего водоснабжения (ГВС), тепловые и силовые технологические агрегаты.

В системах отопления жилых и общественных зданий в качестве теплоносителя в основном применяется горячая вода при максимальной температуре на входе в отопительный прибор t = 105÷950С. Для детских яслей и садов, больниц t = 850С. Для большинства производственных помещений, а также лестничных клеток t = 1500С. Ограничение температуры теплоносителя= 95÷1050С для помещений жилых и общественных зданий обусловлено разложением и сухой возгонкой органической пыли (при температуре 65÷700С, более интенсивно при t ≥ 800С). По санитарным нормам температура поверхности отопительного прибора не должна превышать 950С (tо.п ≤ 950С).

Температура воды для горячего водоснабжения должна быть в пределах 60÷700С. Расчетную температуру t1 сетевой воды в подающем трубопроводе принимают равной 1300С или 1500С. По технико-экономическим условиям допускается принимать t1 выше (до 2000С) или ниже (до 950С).

Для теплоснабжения городов в большинстве случаев применяются двухтрубные водяные системы. Тепловая сеть состоит из двух параллельных трубопроводов: подающего и обратного. По подающему трубопроводу горячая вода подводится от станции к абонентам, по обратному трубопроводу охлажденная вода возвращается на станцию. Преимущественное применение в городах двухтрубных систем объясняется тем, что они пригодны для снабжения теплотой однородных потребителей, то есть систем отопления и вентиляции, работающих по одинаковым режимам. При этом вся подаваемая тепловая энергия имеет один потенциал (вода одинаковой температуры при заданной температуре наружного воздуха).

Водяные системы теплоснабжения по способу присоединения систем горячего водоснабжения разделяются на две группы: закрытые (замкнутые) и открытые (разомкнутые). В закрытых системах вода, циркулирующая в тепловой сети, используется только в качестве греющей среды, то есть как теплоноситель, и из сети не отбирается. В открытых системах вода, циркулирующая по тепловым сетям, частично или полностью разбирается у потребителей горячего водоснабжения. Минимальное число трубопроводов для открытой системы равно единице, для закрытой системы - двум.

Схемы присоединения систем отопления и вентиляции к тепловым сетям могут быть зависимые и независимые.

При зависимой схеме вода из тепловых сетей непосредственно поступает в нагревательные приборы систем отопления и вентиляции.

При независимой схеме вода из тепловых сетей доходит только до тепловых пунктов местных систем и не попадает в нагревательные приборы, а в специально предусмотренных подогревателях нагревает воду, циркулирующую в системах отопления и вентиляции, и возвращается по обратному теплопроводу к источнику теплоснабжения.

Оборудование теплового пункта при зависимой схеме значительно проще и дешевле, чем при независимой. Однако существенный недостаток зависимых схем, состоящий в передаче давления из тепловой сети в местные системы и нагревательные приборы, в ряде случаев заставляет применять независимые схемы присоединения. Они применяются в тех случаях, когда уровень давления в обратном теплопроводе тепловой сети превосходит допускаемый для нагревательных приборов местных систем (чугунные радиаторы выдерживают максимальное избыточное давление 0,6 МПа) и в ряде других случаев.

В большинстве случаев отопительные системы жилых и общественных зданий присоединяются к водяным тепловым сетям по зависимой схеме со смесительным устройством. Объясняется это тем, что согласно СНиП 2-04.05-91 для жилых зданий, общежитий, школ, поликлиник, музеев и других зданий предельная (максимальная) температура теплоносителя составляет 950С, в то время как максимальная температура воды в подающей линии принимается в большинстве случаев равной 1500С, причем имеется тенденция к дальнейшему повышению температуры воды в сети.

Основные преимущества и недостатки закрытых систем.

Преимущества:

гидравлическая изолированность водопроводной воды, поступающей в установки горячего водоснабжения, от воды, циркулирующей в тепловой сети. Благодаря этому обеспечивается стабильное качество горячей воды, поступающей в установки горячего водоснабжения, одинаковое с качеством водопроводной воды. Вода, поступающая в установки горячего водоснабжения, не загрязняется шламом, илом, коррозионными отложениями, выпадающими в сети и отопительных приборах;

чрезвычайно простой санитарный контроль системы горячего водоснабжения благодаря короткому пути прохождения водопроводной воды от ввода в здание до водоразборного крана;

простой контроль герметичности теплофикационной системы, который осуществляется по расходу подпитки.

Недостатками закрытых систем являются:

усложнение оборудования и эксплуатации абонентских вводов горячего водоснабжения из-за установок водо-водяных подогревателей;

коррозия в системах горячего водоснабжения зданий, так как в них поступает водопроводная подогретая вода, содержащая кислород (отсутствие деаэрации);

выпадение накипи в подогревателях горячего водоснабжения на тепловых вводах при повышенной жесткости водопроводной воды.

Для обеспечения высокого качества теплоснабжения, а также экономичных режимов выработки теплоты на ТЭЦ или в котельных и транспортировки её по тепловым сетям выбирается соответствующий метод регулирования.

В зависимости от пункта осуществления регулирования различают центральное, групповое, местное и индивидуальное регулирование. Центральное регулирование выполняется на ТЭЦ или в котельной; групповое - на групповых тепловых подстанциях (ГТП); местное - на местных тепловых подстанциях (МТП), называемых часто абонентскими вводами; индивидуальное - непосредственно на теплопотребляющих приборах. Для обеспечения высокой экономичности теплоснабжения следует применять комбинированное регулирование, которое должно являться рациональным сочетанием, по крайней мере, трех ступеней регулирования - центрального, группового или местного и индивидуального.

Эффективное регулирование может быть достигнуто только с помощью соответствующих систем автоматического регулирования (САР), а не вручную, как это имело место в начальный период развития централизованного теплоснабжения.

В водяных системах централизованного теплоснабжения (СЦТ) принципиально возможно использовать три метода центрального регулирования:

качественный, заключающийся в регулировании отпуска теплоты за счет изменения температуры теплоносителя на входе в прибор при сохранении постоянным количество (расхода) теплоносителя, подаваемого в регулируемую установку;

количественный, заключающийся в регулировании отпуска теплоты путем изменения расхода теплоносителя при постоянной температуре его на входе в регулируемую установку;

качественно-количественный, заключающийся в регулировании отпуска теплоты посредством одновременного изменения расхода и температуры теплоносителя.

При автоматизации абонентских вводов основное применение в городах получило центральное качественное регулирование, дополняемое на ГТП или МТП количественным регулированием или регулирование пропусками.

Заключение

В настоящей курсовой работе произведен расчет годового отпуска теплоты от ТЭЦ для производственно-технологических и коммунально-бытовых потребителей, а также расчёт показателей тепловой экономичности. На основании расчетов выбрано основное оборудование ТЭЦ.

В данной курсовой работе рассмотрены общие положения о принципиальной тепловой схеме ТЭЦ. Описано, какое оборудование изображается на принципиально тепловой схеме, указаны особенности при составлении принципиально тепловой схемы ТЭЦ и этапы её разработки.

Для теплоснабжения потребителей применена двухтрубная водяная система. По способу присоединения систем горячего водоснабжения используется закрытая система. Системы отопления и вентиляции к тепловым сетям присоединены по зависимой схеме. Технологический потребитель питается от паровой системы с возвратом конденсата на ТЭЦ.

Библиографический список

Основной:

Арсеньев, Г.В. Энергетические установки / Г.В. Арсеньев. - М.: Высшая школа, 1991. -336 с.

Арсеньев, Г.В. Теплоэнергетические установки и теплоснабжение: Справочник / Г.В. Арсеньев, З.Ф Немцев. - М.: Энергоиздат, 1982. - 400 с.

Блинов, Е.А. Энергоснабжение: Учебное пособие / Е.А. Блинов и др. - Спб.: СЗТУ, 2004. -.352 с.

Волков, Э.П. Энергетические установки электростанций: Справочник /  Э.П. Волков, В.А. Ведяев, В.И. Обрезков. - М.: Энергоатомиздат, 1983. - 280 с.

Григорьев, В.А. Теплоэнергетика и теплотехника. Общие вопросы: Справочник / В.А Григорьев, В.М. Зорина. - М.: Энергия, 1987. - 652 с.

Козин, В.Е. Теплоснабжение: Справочник / В.Е. Козин, Т.А. Левина,  А.П. Марков и др. - М.: Высшая школа, 1987. - 652 с.

Николадзе, Г.И. Водоснабжение / Г.И. Николадзе, М.А. Сомов. - М.: Стройиздат, 1995. - 440 с.

Соколов, Е.Я. Теплофикация и тепловые сети / Е.Я. Соколов. - М.: МЭИ, 2001. - 472 с.

Таги - Заде, Ф.Г. Энергоснабжение городов / Ф.Г.Таги - Заде. - М.: Стройиздат, 1992. - 527 с.

Дополнительный:

Васильев, А.А. Электрическая часть станций и подстанций: Учеб. для вузов / А.А. Васильев, И.П. Крючков, Е.Ф. Наяшкова и др. - М.: Энергоатомиздат, 1990. - 576 с.

Зорин, В.М. Тепловые и атомные электростанции: Справочник / В.М Зорин, В.А. Григорьев. - М.: Энергоатомиздат, 1989. - 608 с.

Кузнецов, Н.М., Копп И.З., Кузнецов А.Н. Паропроизводящие установки атомных электрических станций: Справочник / Н.М. Кузнецов, И.З. Копп,  А.Н Кузнецов. - СПб.: СЗПИ, 1990. - 53 с.

Соколов, Е.Я. Промышленные тепловые электростанции: Справочник / Е.Я. Соколов. - М.: Энергия, 1979. - 496 с.

Ривкин, С.Л. Термодинамические свойства воды и водяного пара: Справочник / С.Л. Ривкин, А.А. Александров. - М.: Энергия, 1984. - 80 с.

Приложение

Рисунок А.1 - Принципиальная тепловая схема ТЭЦ

Похожие работы на - Выбор оборудования и расчёт показателей тепловой эффективности теплоэлектроцентрали

 

Не нашли материал для своей работы?
Поможем написать уникальную работу
Без плагиата!
Без нейросетей!