Проект понизительной подстанции 110/6 кВ
Содержание
Аннотация
.
Исходные данные для проекта
.
Схема системы
.1
Характеристика проектируемой подстанции и ее нагрузок
.2
Выбор трансформаторов на подстанции
.3
Расчет токов короткого замыкания
.4
Выбор схем РУ ВН и НН подстанции
.5
Выбор типов релейных защит и электрической автоматики
.6
Выбор аппаратов и токоведущих частей
.7
Оперативный ток
.8
Выбор и обоснование конструкций распределительных устройств
.9
Меры по технике безопасности и противопожарной технике
.10
Технико-экономические показатели подстанции
Заключение
Библиографический
список
Приложения
Аннотация
Темой данного курсового проекта является
понизительная подстанция 110/6 кВ. Заданием на данный проект явились:
схема прилегающей сети;
суточный график использования нагрузки;
характеристика нагрузочного района (максимальная
мощность нагрузки,
категории потребителей питающихся от данной
подстанции и т.д.);
Результатом проектирования явился:
выбор трансформаторов использующихся на
подстанции;
выбор схемы соединения подстанции;
выбор типов релейной защиты и автоматики;
выбор оборудования и токоведущих частей;
рассчитаны технико-экономические показатели
подстанции.
1. Исходные данные для проекта
Суточный график нагрузки № 15.
подстанция трансформатор релейная
защита
Рис. 1 - График использования активной и
реактивной мощности
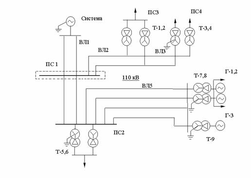
2. Схема системы
Задание №9, вариант №14, ПС №1.
Рис. 2 - Участок электрической сети
|
Система:
Sкз, МВ∙А; Х0/Х1
|
Линии:
длина, км, Худ, Ом/км
|
Генераторы,
МВт
|
Трансформаторы,
МВ·А
|
|
ВЛ1
|
ВЛ2
|
ВЛ3
|
ВЛ4
|
ВЛ5
|
Г-1,2
|
Г-3
|
Т
1,2
|
Т
3,4
|
Т
5-8
|
Т
9
|
|
3450;
3
|
15;
0,41
|
16;
0,4
|
14;
0,38
|
17;
0,39
|
18;
0,42
|
32
|
100
|
16
|
25
|
40
|
125
|
2.1 Характеристика проектируемой
подстанции и ее нагрузок
Главными признаками, определяющими тип ПС,
являются её место, назначение, роль в энергосистеме, высшее напряжение (рис.
3).
Подстанция, рассматриваемая в данном проекте, по
способу присоединения к энергосистеме является узловой, поскольку кроме
питающих линий от подстанции отходят дополнительные транзитные линии. По своему
назначению подстанция является сетевой, так как от нее питается целый сетевой
район. По направлению потока мощности проектируемая подстанция является
понижающей.
Подстанция обслуживается дежурными на щите
управления совместно с распределительными сетями.
Рис. 3 - Схема электрической сети
Характеристика нагрузки подстанции
Нефтеперерабатывающий завод.
Рис. 4 - Суточный график использования активной
и реактивной мощности
Pmax = 39 МВт;
=0,89;
Максимальные значения полной и реактивной
мощности:
;
.
Расчет активной, реактивной и полной мощностей в
именованных единицах, а также определение активной электрической энергии для
каждой ступени графика электрических нагрузок представляем в виде (таблицы
1.1). Для каждой ступени графика продолжительностью ti определяется активная
энергия Wi=Pi×ti. Текущее значение полной мощности
для каждой ступени графика нагрузки определяется по формуле:
.
Таблица 1 - Расчет активной, реактивной, полной
мощностей и определение активной электрической энергии
|
N
ступени.
|
Часы.
|
Длительность
ступени, час.
|
P
|
Q
|
S
|
Wi
|
|
|
|
%
|
МВт
|
%
|
МВар
|
МВА
|
МВт*ч
|
|
1
|
0-4
|
4
|
90
|
35,1
|
95
|
18,981
|
39,903
|
140,4
|
|
2
|
4-9
|
5
|
100
|
39
|
100
|
19,98
|
43,82
|
195
|
|
3
|
9-14
|
5
|
90
|
35,1
|
95
|
18,981
|
39,903
|
175,5
|
|
4
|
14-18
|
4
|
100
|
39
|
100
|
19,98
|
43,82
|
156
|
|
5
|
18-20
|
2
|
90
|
35,1
|
95
|
18,981
|
39,903
|
70,2
|
|
6
|
20-23
|
3
|
100
|
39
|
100
|
19,98
|
43,82
|
117
|
|
7
|
23-24
|
1
|
90
|
35,1
|
95
|
18,981
|
39,903
|
35,1
|
|
Суточный
отпуск энергии потребителям - Wсут
|
889,2
|
По данным (таблицы 1) строим суточный график
активной, реактивной и полной мощности в именованных единицах, а также годовой
график полной мощности.
Рис. 5 - Суточный график активной, реактивной и
полной мощности в именованных единицах
Рис. 6 - Годовой график полной мощности в
именованных единицах
Суточный отпуск электроэнергии потребителям:
МВт×ч.
Время использования максимальной активной
нагрузки:
.
Средняя нагрузка:
.
Коэффициент заполнения годового графика
нагрузки:
.
2.2 Выбор трансформаторов на
подстанции
На проектируемой подстанции устанавливаются два
силовых трансформатора, так как от неё питаются потребители 1 и 2 категории.
Мощность каждого трансформатора принимается так,
чтобы при отключении одного трансформатора, оставшийся в работе обеспечивал с
допустимой перегрузкой питание нагрузки подстанции. Расчетная мощность
трансформатора выбирается из условия:расч ³(0,65÷0,7)*Sмакс=(0,65÷0,7)*43,82
= 28,483 ÷ 30,674 МВА.
Исходя из этого, принимаем трансформаторы типа
ТРДН-40000/110 (стр.209 [2]).
Производим проверку по перегрузочной способности
в случае отключения одного из трансформаторов. Нагрузочная способность
трансформаторов до 100 МВА определяется ГОСТ 14209-85. Для определения
перегрузки исходный график S=f(t) преобразуем в эквивалентный (в тепловом
отношении) двухступенчатый график нагрузки.
На исходном графике (рис. 7) откладывается
номинальная мощность трансформатора, пересечением ее с исходным графиком
выделяется участок наибольшей перегрузки продолжительностью h и участок
начальной нагрузки (все остальное).
Рис. 7 - Графики мощности нагрузки и номинальной
мощности трансформатора ТРДН-40000/110
Начальная нагрузка (эквивалентная ступень
охлаждения) в долях от номинальной (стр.9 [1]):
;
- мощность ступеней исходного графика; ном тр-ра
- номинальная мощность трансформатора.
.
Предварительное значение коэффициента перегрузки:
;
- значение
ступеней полной мощности, находящихся в области перегрузки;
- продолжительность
ступеней графика, входящих в участок перегрузки;
.
Максимальное значение перегрузки:макс=Sмакс/Sном
тр-ра= 43,82/40 = 1,095.
Принимаем значение перегрузки
,
,
так как
=1,096.
По таблице 2.1 [1] методом интерполяции
определяется, что при температуре окружающего воздуха +20ºС,
системе охлаждения трансформатора «дутье» и длительности перегрузки
часов в сутки, допустимый коэффициент перегрузки
равен 1,4, следовательно, трансформаторы типа ТРДН-40000/110 подходят для
установки на проектируемой подстанции. Параметры трансформаторов (табл. 5.13
[2]) сведены в таблицу 2.
Таблица 2 - Параметры трансформатора
ТРДН-40000/110
|
Sном
|
UВН
|
UНН
|
Uк
|
Pк
|
Pхх
|
Iх
|
|
МВА
|
кВ
|
кВ
|
%
|
кВт
|
кВт
|
%
|
|
40
|
115
|
6,3-10,5
|
10,5
|
172
|
36
|
0,65
|
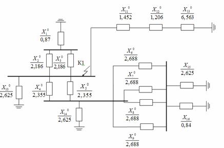
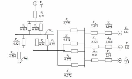
2.3 Расчет токов короткого замыкания
Рис. 8 - Расчетная схема
Рис. 9 - Схема замещения прямой
последовательности
Определяем параметры схемы замещения прямой
последовательности.
Все величины представлены в относительных
единицах.
Е1 = 1.0 о.е. - для эквивалентной электрической
системы.
Сопротивление системы для токов прямой
последовательности:
.
Для нулевой последовательности:
.
Трансформаторы:
Т-11:
Примем, что цепи расщепленной обмотки
размещаются на одном стержне, т.е.
.
Тогда:
Т-7,8:
Т-9:
Генераторы:
Исходя из мощности генераторов, удельных
капиталовложений, стоимости электроэнергии и КПД, принимаем гидрогенераторы
Г-1, 2 типа СВО-733/130-36 (табл. 5.3 [2]); Г -3 типа СВ-850/190-40 (табл. 5.3
[2]).
Е2 = Е3 = Е4 = 1,13 о.е. - для гидрогенераторов
с успокоительными обмотками (табл. 3.4 [3]).
Г1 и Г2:
Г3:
ЛЭП:
Определение сопротивлений линий прямой и нулевой
последовательности. Отношения Хо/Х1 принимаем из таблицы 3.1 [1]. Для
одноцепной линии со стальными тросами Хо/Х1 = 3,0; для двухцепной линии со
стальными тросами - 4,7. Удельное сопротивление двухцепных линий необходимо
разделить на два.
;
;
;
;
;
.
Преобразовываем схему замещения прямой
последовательности. Двигательная нагрузка потребителей удалена от шин ПС, в
связи с чем не учитываем от нее ток подпитки места КЗ и исключаем из схемы
замещения трансформаторы Т1, Т2, Т3, Т4, Т5, Т6.Секционный выключатель на шинах
НН проектируемой подстанции находиться в отключенном положении, следовательно,
рассматриваем КЗ на одной секции и один из трансформаторов исключаем из схемы
замещения прямой последовательности.
Рис. 10 - Упрощение схемы прямой
последовательности
;
;
;
;
;
.
Рис. 11 - Упрощение схемы прямой
последовательности
;
;
;
.
Таким образом, для точек К1 и К2 определяются
токи трехфазного КЗ:
(кА);
(кА).
Составляем схему замещения нулевой
последовательности, с учетом того, что ток нулевой последовательности при
однофазном КЗ протекает только в тех ветвях, где есть заземленные нейтрали.
Рис. 12 - Схема замещения нулевой
последовательности
;
;
;
;
;
;
;
Рис. 13 - Упрощение схемы нулевой
последовательности
;
.
Рис. 14 - Упрощение схемы нулевой
последовательности
Ток однофазного КЗ:
(кА).
Находим ударные токи:
на стороне ВН
;
, гдеу - ударный
коэффициент, принимается по (табл. 3.2 [1]).
на стороне НН
.
Результаты расчета сведем в таблицу 3.
Таблица 3
|
Место
КЗ.
|
Точка
к.з.
|
Начальное
значение периодической составляющей токов , кА.
|
Ударный
ток ,кА.
|
|
|
Трехфазн.
к.з.
|
Однофазн.
к.з.
|
Трехфазн.
к.з.
|
Однофазн.
к.з.
|
|
Шины
ВН, 110 кВ
|
|
12,293
|
9,974
|
31,293
|
25,39
|
|
Шины
НН, 6 кВ
|
|
17,604
|
-
|
46,057
|
-
|
2.4 Выбор схем РУ ВН и НН подстанции
На стороне высшего напряжения рассматриваем две
схемы:
схема с одной секционированной системой сборных
шин (стр.50 [4]);
схема с двумя системами сборных шин (стр.81
[4]).
Выбор одной из схем будем осуществлять
таблично-логическим методом.
Рис. 15 - Распределительное устройство 110 кВ
«Схема с одной секционированной системой сборных шин»
Таблица 4
|
Отказавший
элемент
|
Нормальный
режим работы
|
Ремонтируемый
элемент
|
|
|
|
Q1
|
Q2
|
Q3
|
Q4
|
Q5
|
Q6
|
Q7
|
Q8
|
Q9
|
A1
|
A2
|
|
|
Q1
|
---
|
Х
|
Sп
tв
|
---
|
Sп
0.5
|
---
|
Sп
0.5
|
---
|
Sн
0.5
|
---
|
Х
|
Sп
tв Sн 0.5
|
---
|
Sп
tв
|
Х
|
Sп
0.5
|
---
|
Sп
0.5
|
---
|
Sн
0.5
|
---
|
---
|
Sп
tв Sн 0.5
|
Х
|
|
Q3
|
---
|
---
|
Sп
0.5
|
Х
|
Sп
tв
|
---
|
Sп
0.5
|
---
|
Sн
0.5
|
---
|
Х
|
Sп
tв Sн 0.5
|
|
Q4
|
---
|
Sп
0.5
|
---
|
Sп
tв
|
Х
|
Sп
0.5
|
---
|
Sн
0.5
|
---
|
---
|
Sп
tв Sн 0.5
|
Х
|
|
Q5
|
---
|
---
|
Sп
0.5
|
---
|
Sп
0.5
|
Х
|
Sп
tв
|
---
|
Sн
0.5
|
---
|
Х
|
Sп
tв Sн 0.5
|
|
Q6
|
---
|
Sп
0.5
|
---
|
Sп
0.5
|
---
|
Sп
tв
|
Х
|
Sн
0.5
|
---
|
---
|
Sп
tв Sн 0.5
|
Х
|
|
Q7
|
---
|
---
|
Sп
0.5
|
---
|
Sп
0.5
|
---
|
Sп
0.5
|
Х
|
Sн
tв
|
---
|
Х
|
Sп
0.5 Sн tв
|
|
Q8
|
---
|
Sп
0.5
|
---
|
Sп
0.5
|
---
|
Sп
0.5
|
---
|
Sн
tв
|
Х
|
---
|
Sп
0.5 Sн tв
|
Х
|
|
Q9
|
Sп
0.5 Sн 0.5
|
Sп
0.5 Sн 0.5
|
Sп
0.5 Sн 0.5
|
Sп
0.5 Sн 0.5
|
Sп
0.5 Sн 0.5
|
Sп
0.5 Sн 0.5
|
Sп
0.5 Sн 0.5
|
Sп
0.5 Sн 0.5
|
Sп
0.5 Sн 0.5
|
Х
|
Х
|
Х
|
|
A1
|
---
|
---
|
Sп
tв
|
---
|
Sп
tв
|
---
|
Sп
tв
|
---
|
Sн
tв
|
---
|
Х
|
Sп
tв Sн tв
|
|
A2
|
---
|
Sп
tв
|
---
|
Sп
tв
|
---
|
Sп
tв
|
---
|
Sн
tв
|
---
|
---
|
Sп
tв Sн tв
|
Х
|
|
|
|
|
|
|
|
|
|
|
|
|
|
|
|
|
|
|
|
|
Рис. 16 - Распределительное устройство 110 кВ
«Схема с двумя системами сборных шин»
Таблица 5
|
Отказавший
элемент
|
Нормальный
режим работы
|
Ремонтируемый
элемент
|
|
|
Q1
|
Q2
|
Q3
|
Q4
|
Q5
|
Q6
|
Q7
|
Q8
|
Q9
|
A1
|
A2
|
|
Q1
|
---
|
Х
|
Sп
tв
|
---
|
Sп
0.5
|
---
|
Sп
0.5
|
---
|
Sн
0.5
|
---
|
Sп
0.5 Sн 0.5
|
Sп
0.5 Sн 0.5
|
|
Q2
|
---
|
Sп
tв
|
Х
|
Sп
0.5
|
---
|
Sп
0.5
|
---
|
Sн
0.5
|
---
|
---
|
Sп
0.5 Sн 0.5
|
Sп
0.5 Sн 0.5
|
|
Q3
|
---
|
---
|
Sп
0.5
|
Х
|
Sп
tв
|
---
|
Sп
0.5
|
---
|
Sн
0.5
|
---
|
Sп
0.5 Sн 0.5
|
Sп
0.5 Sн 0.5
|
|
Q4
|
---
|
Sп
0.5
|
---
|
Sп
tв
|
Х
|
Sп
0.5
|
---
|
Sн
0.5
|
---
|
---
|
Sп
0.5 Sн 0.5
|
Sп
0.5 Sн 0.5
|
|
Q5
|
---
|
---
|
Sп
0.5
|
---
|
Sп
0.5
|
Х
|
Sп
tв
|
---
|
Sн
0.5
|
---
|
Sп
0.5 Sн 0.5
|
Sп
0.5 Sн 0.5
|
|
Q6
|
---
|
Sп
0.5
|
---
|
Sп
0.5
|
---
|
Sп
tв
|
Х
|
Sн
0.5
|
---
|
---
|
Sп
0.5 Sн 0.5
|
Sп
0.5 Sн 0.5
|
|
Q7
|
---
|
---
|
Sп
0.5
|
---
|
Sп
0.5
|
---
|
Sп
0.5
|
Х
|
Sн
tв
|
---
|
Sп
0.5 Sн 0.5
|
Sп
0.5 Sн 0.5
|
|
Q8
|
---
|
Sп
0.5
|
---
|
Sп
0.5
|
---
|
Sп
0.5
|
---
|
Sн
tв
|
Х
|
---
|
Sп
0.5 Sн 0.5
|
Sп
0.5 Sн 0.5
|
|
Q9
|
Sп
0.5 Sн 0.5
|
Sп
0.5 Sн 0.5
|
Sп
0.5 Sн 0.5
|
Sп
0.5 Sн 0.5
|
Sп
0.5 Sн 0.5
|
Sп
0.5 Sн 0.5
|
Sп
0.5 Sн 0.5
|
Sп
0.5 Sн 0.5
|
Sп
0.5 Sн 0.5
|
Х
|
Х
|
Х
|
|
A1
|
---
|
---
|
Sп
0.5
|
---
|
Sп
0.5
|
---
|
Sп
0.5
|
---
|
Sн
0.5
|
---
|
Х
|
Sп
tв Sн tв
|
|
A2
|
---
|
Sп
0.5
|
---
|
Sп
0.5
|
---
|
Sп
0.5
|
---
|
Sн
0.5
|
---
|
---
|
Sп
tв Sн tв
|
Х
|
Таблица 6 - Сводная таблица надежности РУ ВН
|
Режим
отключения.
|
Количество
событий.
|
|
1
схема
|
2
схема
|
|
Отключение
Sп на 0.5
|
2
|
22
|
|
Отключение
Sп на tв
|
14
|
2
|
|
Отключение
Sн на 0.5
|
6
|
18
|
|
Отключение
Sн на tв
|
6
|
2
|
п - мощность перетока; н - мощность нагрузки.
По результатам сводной таблицы надежности РУ ВН
(табл.4.3) выбираем 1 схему (Рис. 17).
На стороне низшего напряжения применяем схему
«две одиночные, секционированные выключателями системы шин».
Рис. 17 - Распределительное устройство 6 кВ «Две
одиночные, секционированные выключателями системы шин»
2.5 Выбор типов релейных защит и
электрической автоматики
Выбор типов релейной защиты, установленной на
подстанции, осуществляется в объеме выбора защит силового трансформатора и
защит на стороне 6 кВ.
На силовом трансформаторе ставятся следующие
виды релейных защит.
Продольная дифференциальная защита от коротких
замыканий трансформатора и на его выводах (tрз= 0,1 с). [Д]
Газовая защита от внутренних повреждений в
трансформаторе и от понижения уровня масла в трансформаторе( tрз= 0,1 с). [Г]
Максимально-токовая защита от сверхтоков
короткого замыкания, установленная на стороне ВН трансформатора
(tрз=2,2+0,5=2,7 с). [Т½В]
Максимально-токовая защита от сверхтоков
перегрузки с действием на сигнал, установленная на стороне ВН трансформатора.
[Т½В]
Максимальная токовая защита от сверхтоков
короткого замыкания на низших обмотках расщепленного трансформатора
(tрз=1,2+2*0,5=2,2 c).
На секционном выключателе устанавливается
комплект МТЗ (tрз=1,2+0,5=1,7 с). [Т½В]
На кабелях, отходящих к потребителю,
устанавливаются следующие виды релейной защиты:
Максимально-токовая защита от сверхтоков
короткого замыкания (tрз= 1,2 с). [Т½В]
Токовая отсечка, если кабель не проходит по
термической стойкости по времени действия МТЗ ( tрз= 0,1 с). [Т]
Токовая защита, сигнализирующая замыкание на
землю в кабеле [Т0]
На шинах 6 кВ должен быть предусмотрен контроль
изоляции с использованием трансформатора НТМИ. Контроль изоляции выполняется в
виде комплекта реле напряжения, включаемого на обмотку разомкнутого
треугольника, и реле времени с действием на сигнал. Кроме того, предусматривается
возможность определения поврежденной фазы с помощью вольтметра, подключаемого
на фазные напряжения.
На стороне высшего напряжения устанавливаются
быстродействующие защиты (tрз= 0,1с).
На проектируемой подстанции предусмотрены
следующие виды автоматики:
Автоматическое включение резерва [АВР] на
секционном выключателе 6 кВ и на автомате 0.4 кВ трансформатора собственных
нужд.
Автоматическое повторное включение линий ВН
[АПВ].
Автоматическое включение охлаждающих устройств
трансформатора.
Таблица 7
|
№
|
Место
установки приборов.
|
Перечень
приборов.
|
Примечание.
|
|
1
|
Трансформатор
двухобмоточный.
|
Амперметр,
ваттметр, варметр, счетчики активной и реактивной энергии.
|
Так
как трансформатор имеет две обмотки НН, то в каждой цепи устанавливаем
отдельные измерительные приборы.
|
|
2
|
Секционный
выключатель 6 кВ.
|
Амперметр
в одной фазе.
|
|
|
3
|
Секция
шин 6 кВ.
|
Вольтметр.
|
Вольтметр
имеет переключатель для измерения линейных и фазных напряжений.
|
|
4
|
Кабельная
линия 6 кВ.
|
Амперметр,
счетчики активной и реактивной энергии.
|
Счетчики
активной и реактивной энергии расчетные.
|
Трансформатор
собственных нужд.
|
Амперметр,
счетчики активной энергии.
|
Приборы
устанавливаются со стороны низшего напряжения ТСН. Счетчик расчетный.
|
|
6
|
Система
шин ВН.
|
Вольтметр.
Вольтметр регистрирующий, ФИП.
|
Вольтметр
имеет переключатель для измерения междуфазных напряжений.
|
|
7
|
Линия
110 кВ межсистемная.
|
Амперметр
в одной фазе. Ваттметр с двусторонней шкалой. Варметр с двусторонней шкалой.
Два счетчика активной энергии стопорами, ФИП.
|
Счетчики
расчетные.
|
|
8
|
Секционный
(шиносоединительный) выключатель ВН.
|
Амперметр
в одной фазе.
|
|
2.6 Выбор аппаратов и токоведущих
частей
Для выбора аппаратов и токоведущих частей
необходимо рассчитать ток продолжительного режима
,
таблица 8.
Ток продолжительного режима (
),
для выбора аппаратов и токоведущих частей.
Таблица 8
|
Обозначение.
|
Выключатель
или токоведущая часть.
|
Вариант
задания.
|
|
|
|
|
Q1
и I
|
Выключатель
и ошиновка трансформатора на стороне низшего напряжения.
|
кА.
|
|
Q2
|
Секционный
выключатель шин 6-10 кВ.
|
.
|
|
Q3
|
Выключатель
на линиях потребителей 6-10 кВ.
|
|
|
Q4
|
Выключатель
на стороне высшего напряжения.
|
А.
|
|
II
|
Сборные
шины низшего напряжения.
|
.
|
|
III
|
Сборные
шины высшего напряжения.
|
А.
|
Выбор выключателей на ВН
Тип выключателя ВГБУ-110 II - 40/2000У1
(баковый) (табл. П4.1 [5]).
Таблица 9
|
Расчетные
данные.
|
Каталожные
данные.
|
Условие
выбора.
|
|
Uсети
= 110 кВ; Iпрод.расч. = 230,1 А.
|
Uном
= 110 кВ; Iном = 2000 А.
|
По
условию длительного режима.
|
|
кА.
|
iдин=
102 кА.
|
По
динамической стойкости.
|
|
=24,453.
|
= 77,379
|
По
коммутационной способности, амплитуде полного тока отключения.
|
|
Вк=30,979
.
|
=4800
|
По
термической стойкости.
|
|
кА; кА.
|
кА; кА.
|
По
току включения.
|
|
Тип
привода.
|
|
Гидравлический.
|
Для таблицы 9:
,
Где
с,
с.(табл. 3.2 [1])
τ = t защ.мин
+ t о.c.=
0,01 + 0,035 = 0,045 с;
кА;
кА.
Где tотк - полное время отключения тока
короткого замыкания;р.з. - время действия цепи основной релейной защиты цепи,
где установлен выключатель;о.в. - полное время отключения выключателя с
приводом;о.с. - собственное время отключения выключателя с приводом;о.ном. -
номинальный ток отключения выключателя;тер., Iтер. - время и ток термической
стойкости, гарантированные заводом изготовителем;в.ном., Iв.ном. - амплитудное
и действующее значение номинального тока включения;
Выбор выключателей на низшем напряжении приведен
в таблицах 6.3., 10 и 11.
Выбор вводного выключателя
Тип выключателя ВВЭ-10-31,5У3 (табл. П4.1 [5]).
Таблица 10
|
Расчетные
данные.
|
Каталожные
данные.
|
Условия
выбора.
|
|
Uсети
= 6 кВ; Iпрод.расч. = 2109 А.
|
Uном
= 10 кВ; Iном = 3150 А.
|
По
условиям длительного режима.
|
|
= = 39,996
кА.
|
= 67,419
кА.
|
По
коммутационной способности.
|
|
кА.
|
iдин
= 80 кА.
|
По
динамической стойкости.
|
|
Вк=722,069 .
|
=2977 .
|
По
термической стойкости.
|
|
; .
|
; .
|
По
току включения.
|
|
Тип
привода.
|
|
Электромагнитный.
|
Для таблицы 10:

,
здесь используется tоткл выключателя на ВН.
Где
с,
с.(табл.
3.2 [1])
τ = t защ.мин.+
t о.c.=
0,01 + 0,02 = 0,03 с;
кА;
кА.
Выбор секционного выключателя
Тип выключателя ВВЭ-10-20У3 (табл. П4.1 [5]).
Таблица 11
|
Расчетные
данные.
|
Каталожные
данные.
|
Условие
выбора.
|
|
Uсети
=6 кВ; Iпрод.расч.= 1266 А.
|
Uном
= 10 кВ; Iном = 1600 А.
|
По
условию длительного режима.
|
|
= 26,626
кА.
|
= 29,092
кА.
|
По
коммутационной способности.
|
|
iу=46,057
кА.
|
iдин=52
кА.
|
По
динамической стойкости.
|
|
Вк=
 .
|
=1200 .
|
По
термической стойкости.
|
|
; .
|
; .
|
По
току включения.
|
|
Тип
привода.
|
|
Электромагнитный.
|
Для таблицы 11:

,
здесь используется tоткл выключателя на НН,
где
с,
с.(табл.
3.2 [1])
τ = t защ.мин.+
t о.c.=
0,01 + 0,15= 0,16 с;
кА;
кА.
Выбор выключателя отходящей кабельной линии
Тип выключателя ВВЭ-10-20У3 (табл. П4.1 [5]).
Таблица 12
|
Расчетные
данные.
|
Каталожные
данные.
|
Условие
выбора.
|
|
Uсети
=6 кВ; Iпрод.расч.= 190,226 А.
|
Uном
= 10 кВ; Iном = 630 А.
|
По
условию длительного режима.
|
|
= 26,626
кА.
|
= 29,092
кА.
|
По
коммутационной способности.
|
|
iу=46.057
кА.
|
iдин=52
кА.
|
По
динамической стойкости.
|
|
Вк=
412,168 .
|
=1200 .
|
По
термической стойкости.
|
|
; .
|
; .
|
По
току включения.
|
|
Тип
привода.
|
|
Электромагнитный.
|
Для таблицы 12:

,
здесь используется tоткл секционного выключателя
где
с,
с.(табл.
3.2 [1])
τ = t защ.мин.+
t о.c.
= 0,01 + 0,15 = 0,16 с;
кА;
кА.
Выбор разъединителей
Выбор разъединителей производится только на
стороне ВН, так как на стороне НН роль разъединителей выполняют разъемы КРУ.
Разъединитель типа РДЗ-2-110/1000 с приводом
ПР-180, ПД-5 (табл. П4.4 [5])
Таблица 13
|
Расчетные
данные.
|
Каталожные
данные.
|
Условие
выбора.
|
|
Uсети
= 110 кВ; Iпрод.расч.= 230,1 А.
|
Uном
=110 кВ; Iном = 1000 А.
|
По
условию длительного режима.
|
|
iу
= 39,026 кА.
|
iдин
= 80 кА.
|
По
динамической стойкости.
|
|
Вк
= 31,293 .
|
Вк=31,52·3
= 2977 .
|
По
термической стойкости.
|
Расчетные данные из данной таблицы аналогичны
расчетным данным табл. 13.
Выбор аппаратов в цепи трансформатора
собственных нужд.
Для питания собственных нужд устанавливаются два
трансформатора с вторичным напряжением 0,4 кВ. Мощность трансформатора
собственных нужд можно ориентировочно принять:
.
Принимаем трансформаторы типа ТСН -160/6-У3.вн=6
кВ; Uнн=0,4 кВ; S=160 кВ×А.
Условие для выбора аппаратуры
;
.
Выбор предохранителя
А.
Из условия выбора аппаратуры
принимаем
ПКТ 101-6-31,5-20 У3ном= 31,5 А, Iном.откл = 20 кА.
Проверка по коммутационной способности:
Iном.откл ³ Iпо, 20 > 17,604 кА.
Выбор автомата
А.
Принимаем автомат ВА04-36 с Iном = 400 А.
Выбор измерительных трансформаторов тока и
напряжения
Приборы выбраны по табл. (П.4.8., табл. П.4.9.
[5]).
Таблица 14
|
№
п/п
|
Место
установки приборов.
|
Приборы.
|
|
1.1
|
Трансформатор
на стороне ВН.
|
Амперметр
(Э350)
|
|
1.2
|
Трансформатор
на стороне НН.
|
Амперметр
(Э350), ваттметр (Д350), варметр (Д350), счетчик активной и реактивной
энергии (ЕA-02).
|
|
2
|
Секционный
выключатель НН.
|
Амперметр
в одной фазе (Э350).
|
|
3
|
Секция
шин НН.
|
Вольтметр
(Э-350).
|
|
4
|
Кабельная
линия 6 кВ.
|
Амперметр
(Э-350), счетчик активной и реактивной энергии (ЕA-02).
|
|
5
|
Трансформатор
собственных нужд.
|
Амперметр
(Э-350), счетчик активной и реактивной энергии (ЕA-02).
|
|
6
|
Система
шин ВН.
|
Вольтметр
(Э350). Вольтметр регистрирующий (Н-393), ФИП.
|
|
7
|
Линия
110 кВ межсистемная.
|
Амперметр
в одной фазе (Э-335), ваттметр с двусторонней шкалой (Д350), варметр с
двусторонней шкалой (Д350), два счетчика активной и реактивной энергии
(ЕA-02), ФИП.
|
|
8
|
Секционный
выключатель ВН.
|
Амперметр
в одной фазе (Э335).
|
Выбор трансформаторов тока
На стороне ВН принимаем трансформатор тока,
встроенный в силовой трансформатор.
Тип ТТ: ТВТ-110-1-600/5.
Проверка трансформатора тока приведена в таблице
15:
Таблица 15
|
Расчетные
данные.
|
Каталожные
данные.
|
Условие
выбора.
|
|
Uсети
= 110 кВ; Iпрод.расч.= 230,1 A.
|
Uном
= 110 кВ; Iном = 300 А; класс точности = 1,0.
|
По
условию длительного режима.
|
|
iу
= 31,293 кА.
|
iдин
= 80 кА.
|
По
динамической стойкости.
|
|
Вк
=30,979 .
|
Вк
= 7,52·3 = 168,8 .
|
По
термической стойкости.
|
На стороне ВН принимаем трансформаторы тока
ТВ110 встроенные в выключатели ВГБУ-110 II - 40/2000У1 (баковый) (табл. П.4.5.
[5]).
Проверка трансформатора тока приведена в таблице
16:
Таблица 16
|
Расчетные
данные.
|
Каталожные
данные.
|
Условие
выбора.
|
|
Uсети
= 110 кВ; Iпрод.расч.= 230,1 A.
|
Uном
= 110 кВ; Iном = 300 А; класс точности = 0,5.
|
По
условию длительного режима.
|
|
iу
= 31.293 кА.
|
iдин
= 80 кА.
|
По
динамической стойкости.
|
|
Вк
=30,979 .
|
Вк
= 202·3 = 1200 .
|
По
термической стойкости.
|
На стороне НН на выводе силовых трансформаторов
ставим ТТ ТЛШ-10У3 (табл. П.16. [5]).
Трансформаторы тока ставим в каждой фазе.
Проверка трансформатора тока приведена в таблице
17:
Таблица 17
|
Расчетные
данные.
|
Каталожные
данные.
|
Условие
выбора.
|
|
Uсети
= 6 кВ; Iпрод.расч.= 2109 А.
|
Uном
= 10 кВ; Iном = 3000 А. класс точности = 0,5.
|
По
условию длительного режима.
|
|
Z2расч
= 0.444 Ом.
|
Z2ном
= 0,8 Ом.
|
По
нагрузочной способности.
|
|
Вк
=722,069 .
|
Вк
= 31,52·3 = 14700 .
|
По
термической стойкости.
|
Проверка по нагрузочной способности:
Определим сопротивления приборов:амп.= Sпотр.
обм / I2 = 0.5/52 = 0.02 Ом;ватт.= Sпотр. обм / I2 = 0.5/52 = 0.02 Ом;вар.=
Sпотр. обм / I2 = 0.5/52 = 0.02 Ом;сч.акт.= Sпотр. обм / I2 = 0.1/52 = 0.004
Ом;
где Sпотр.обм - мощность, потребляемая токовой
обмоткой данного прибора, I -ток во вторичной обмотке ТТ.
Таблица 18
|
Прибор.
|
Тип.
|
Нагрузка,
создаваемая прибором, Ом.
|
|
|
Фаза
А
|
Фаза
В
|
Фаза
С
|
|
Амперметр.
|
Э-350
|
-
|
0,02
|
-
|
|
Ваттметр.
|
Д-350
|
0,02
|
-
|
0,02
|
|
Варметр.
|
Д-350
|
0,02
|
0,02
|
0,02
|
|
Счетчик
активной и реактивной энергии.
|
ЕА-02
|
0,004
|
0,004
|
0,004
|
Самой нагруженной фазой является фаза А, либо
фаза С. Производим расчет сопротивления нагрузки для фазы А в соответствии со
схемой Рис.6.1:
расч = Zприб + rпров+ rконт = 0,044 + rпров +
0,05= 0,094 + rпров
Вторичная номинальная нагрузка трансформатора
тока составляет 0,8 Ом. Тогда допустимое сопротивление соединительных
проводов:пров. доп.= 0,8 - 0,094 = 0,706 Ом.
Находим требуемое сечение для заданного
сопротивления:
, где
r - удельное сопротивление; (стр.43. [1]);- длина
контрольного кабеля (принимаем равной 50 м); (стр.43. [1])пров. доп. -
допустимое сопротивление провода.
В результате расчета получаем:=
мм2
Из условий механической прочности принимаем
сечение контрольного кабеля 4 мм2 (стр.43. [1]).= 4 мм2 Þ
rпов.=
Ом.расч=
0,35 + 0,094 = 0,444 < 0,8, следовательно, ТТ проходит по нагрузочной
способности.
Рис. 18 - Схемы соединения трансформаторов тока
и измерительных приборов
На секционном выключателе ставим ТТ ТПЛК-10-У3.
(табл. П.4.5. [5]).
Проверка трансформатора тока приведена в таблице
19:
Таблица 19
|
Расчетные
данные.
|
Каталожные
данные.
|
Условие
выбора.
|
|
Uсети
= 6 кВ; Iпрод.расч.= 1266 А.
|
Uном
= 10 кВ; Iном = 1600 А; класс точности = 0,5.
|
По
условию длительного режима.
|
|
iу=46,057
кА.
|
iдин
= 74,5 кА.
|
По
динамической стойкости.
|
|
Вк=
 .
|
Вк
= 272·4 = 2916 .
|
По
термической стойкости.
|
На отходящих кабельных линиях ставим ТТ
ТПЛК-10-У3. (табл. П.4.5. [5]).
Проверка трансформатора тока приведена в таблице
20
Таблица 20
|
Расчетные
данные.
|
Каталожные
данные.
|
Условие
выбора.
|
|
Uсети
= 6 кВ; Iпрод.расч.= 190,226 А.
|
Uном
= 10 кВ; Iном = 200 А; класс точности = 0,5.
|
По
условию длительного режима.
|
|
iу
= 46,057 кА.
|
Iдин
= 74,5 кА.
|
По
динамической стойкости.
|
|
Z2расч
= 0,109 Ом.
|
Z2ном
= 0,4 Ом.
|
По
нагрузочной способности.
|
|
Вк=398,223 .
|
Вк
= 14,52·4 = 841 .
|
По
термической стойкости.
|
Таблица 21
|
Прибор.
|
Тип.
|
Нагрузка
создаваемая прибором, Ом.
|
|
|
Фаза
А
|
Фаза
С
|
|
Амперметр.
|
Э-350
|
-
|
0,02
|
-
|
|
Счетчик
активной и реактивной энергии.
|
ЕА-02
|
0,004
|
0,004
|
0,004
|
Самой нагруженной фазой является фаза В.
Производим расчет сопротивления нагрузки для фазы В в соответствии со схемой
Рис.6.1.
расч = Zприб + rпров+ rконт = 0,024 + rпров +
0,05= 0,074 + rпров
Вторичная номинальная нагрузка трансформатора
тока составляет 0,8 Ом. Тогда допустимое сопротивление соединительных
проводов:пров. доп.= 0,8 - 0,074 = 0,726 Ом.
Находим требуемое сечение для заданного
сопротивления:
, где
r - удельное сопротивление; (стр.43. [1]);- длина
контрольного кабеля (принимаем равной 50 м); (стр.43. [1])пров. доп. -
допустимое сопротивление провода.
В результате расчета получаем:=
мм2
Из условий механической прочности принимаем сечение
контрольного кабеля 4 мм2 (стр.43. [1]).= 4 мм2 Þ
rпров.=
Ом.расч=
0,035 + 0,074 = 0,109 < 0,8, следовательно, ТТ проходит по нагрузочной
способности.
Выбор трансформаторов напряжения
На каждую из секций 6 кВ ставим ТН типа
НАМИТ-6-УХЛ2 с параметрами: (табл. П.4.6. [5]).
первичное напряжение 6 кВ;
вторичное напряжение 100 В;
допустимая мощность 200 В·А при классе точности
0.5.
Проверка по нагрузочной способности:
Подсчет нагрузки вторичной обмотки
трансформатора напряжения приведен в таблице 22.
Таблица 22
|
Наименование
прибора.
|
Тип.
|
Число
катушек.
|
Потребляемая
мощность одной катушки.
|
Число
приборов.
|
S,
ВА.
|
|
|
|
ВА
|
Вт
|
вар
|
|
|
|
Вольтметр.
|
Э-350
|
1
|
2
|
-
|
-
|
1
|
2
|
|
Ваттметр.
|
Д-350
|
2
|
1.5
|
-
|
-
|
1
|
3
|
|
Варметр.
|
Д-350
|
3
|
1.5
|
-
|
-
|
1
|
4.5
|
|
Счетчик
активной и реактивной энергии.
|
ЕА-02
|
2
|
2
|
-
|
-
|
7
(6 на КЛ+1 на вводе)
|
2·2·7=28
|
Число КЛ - 22 шт.
;
.
Т.к. условие
выполняется,
следовательно дополнительные ТН не нужны.
На стороне ВН принимаем трансформатор напряжения
НАМИ-110-УХЛ1:
первичное напряжение 110000/
В;
вторичное напряжение 100/
В;
допустимая мощность 560 ВА при классе точности
0.5;
группа соединений обмоток 1/1/1-0-0.
Выбор сборных шин высшего напряжения
Сборные шины ВН на 110 кВ выполняются гибкими подвесными
из проводов круглого сечения. Материал - алюминий, со стальным сердечником.
Сечение сборных шин выбирается по условию:
,
где
-
допустимый ток для данного сечения проводника;
- максимальный ток
ремонтного или послеаварийного режима наиболее нагруженного присоединения,
определяется с учетом рекомендаций табл. 6.1.
Выбираем провод марки АС - 70/11 с
.
[4, табл. 7.35]
>
.
Проверка на корону не требуется, т.к., согласно
ПУЭ, для U = 110 кВ минимальное сечение, для которого необходимо осуществлять
проверку на корону, должно быть меньше
.
Выбор ошиновки силового трансформатора
Ошиновку силового трансформатора от выводов 6 кВ
до ввода в РУ выполняем в виде гибкой связи из пучка сталеалюминевых и
алюминиевых проводов.
Выбираем в качестве несущих 2 провода АС-300/48
с
=
690 А.
Токоведущие провода принимам марки А-300.
Число токоведущих проводов принимаем 2 провода.
Условие проверки по нагреву током
продолжительного режима:
=
(2·690+2·535)·0,95 = 2328 А.=0.95 - коэффициент, учитывающий снижение
допустимого тока из-за их взаимного теплового влияния.
Условие проверки выбранного сечения:
> 2109 А.
Выбранное сечение гибкой связи проверяется по термической
стойкости к токам КЗ.
Условие проверки:
мм2
где
-
интеграл Джоуля, определенный при выборе выключателя в цепи трансформатора; Bк
= 722,069 (кА2·с)
- коэффициент,
принимаемый для алюминиевых и сталеалюминевых проводов гибкой связи; С=90
.
[5, стр.47]
Ошиновка проходит по термической стойкости:

Ошиновка в цепи трансформатора на стороне ВН
выполняется такого же сечения, как и сборные шины.
Выбор кабельных линий к потребителю
Число отходящих кабельных линий 22 штуки.
Максимальный длительный ток нормального режима:
.
Сечение силовых кабелей выбирается по
экономической плотности тока. Экономическое сечение одной жилы кабеля:
;
где:
-
экономическая плотность тока кабеля (табл. 3.36 [2]).
Принимаем кабель АПвВнг-LS-1*95, сечением q = 95
мм2.
Данные кабеля:
допустимый ток кабеля Iдоп=263 А;
изоляция из полиэтилена;
алюминиевая жила;
проложен в земле.
Проверка стандартного сечения по нагреву током
длительного режима.
где
-
допустимый табличный ток;
к - поправочный коэффициент, зависящий от числа
кабелей в траншее и расстояния между ними по (табл. 7.17 [6]).
Коэффициент фактической загрузки в режиме
перегрузки:
Коэффициент предварительной загрузки:
следовательно,
=1,2
по (табл. 1.30 [6] ) для tп = 1 ч.
Необходимым условием является
,
,2 > 0,804;
Производим проверку кабеля по термической
стойкости. Для этого требуется определить минимально допустимое сечение.
Так как кабель не проходит по термической
стойкости по времени действия МТЗ, устанавливаем дополнительную токовую отсечку
с
.
Снова произведем проверку кабеля по термической
стойкости.
Кабель проходит по термической стойкости.
Проверка на невозгораемость.
Значение начальной температуры жилы до КЗ:
где
-
фактическая температура окружающей среды во время КЗ;
- значение
длительной допустимой температуры жилы;
- значение
расчетной температуры окружающей среды (земля);
- значение тока
перед КЗ;
- значение
расчетного длительно допустимого тока.
- эквивалентная
постоянная времени затухания апериодической составляющей тока КЗ от удаленных
источников.
согласно ГОСТ
30323-95 допустимо:
где b - постоянная, характеризующая
теплофизические характеристики жилы. Для алюминия b = 45,65 мм4/(кА2с).
Температура жилы в конце КЗ:
Увеличиваем сечение кабеля. Принимаем кабель
АПвВнг-LS-1*240.
Проверка на невозгораемость.
Значение начальной температуры жилы до КЗ:
где
-
фактическая температура окружающей среды во время КЗ;
- значение
длительной допустимой температуры жилы;
- значение
расчетной температуры окружающей среды (земля);
- значение тока
перед КЗ;
- значение
расчетного длительно допустимого тока.
- эквивалентная
постоянная времени затухания апериодической составляющей тока КЗ от удаленных
источников.
согласно ГОСТ
30323-95 допустимо:
где b - постоянная, характеризующая
теплофизические характеристики жилы. Для алюминия b = 45,65 мм4/(кА2с).
Температура жилы в конце КЗ:
Кабель проходит по невозгораемости.
Выбор ОПН
Согласно нормам технологического проектирования:
на стороне ВН трансформатора выбирается
ОПНп-110/73/10/500-III-УХЛ1;
в нейтраль трансформатора выбирается
ОПНН-110-УХЛ1;
на стороне НН трансформатора выбирается
ОПНп-10/12/1-УХЛ1.
2.7 Оперативный ток
Так как высшее напряжение данной подстанции 110
кВ и число выключателей больше трех, то рекомендуется применить постоянный
оперативный ток.
Для получения постоянного оперативного тока на
подстанциях до 330 кВ включительно устанавливается одна аккумуляторная батарея,
работающая в режиме постоянного подзаряда.
Для постоянного подзаряда, а также после
аварийного заряда каждой аккумуляторной батареи типа СК и СН применяются два
комплекта автоматизированных выпрямительных агрегатов типа ВАЗП
380/260-40/80-2, которые работают параллельно с аккумуляторной батареей,
поддерживают стабилизированное напряжение на шинах постоянного тока, возмещают
потери самозаряда батареи и питают всю длительную нагрузку постоянного тока.
2.8 Выбор и обоснование конструкций
распределительных устройств
На стороне НН применяется комплектное
распределительное устройство.
Из (табл. П4.7. [5]) принимаем шкафы серии
К-59У3, рассчитанные на номинальные токи до 3150 А.
КРУ - распределительное устройство, состоящее из
закрытых шкафов со встроенными в них аппаратами, измерительными и защитными
приборами. Шкафы КРУ изготовляются на заводах, что позволяет добиться
тщательной сборки всех узлов и обеспечения надежной работы электрооборудования.
Применение КРУ позволяет ускорить монтаж РУ. КРУ более безопасно в
обслуживании, т.к. все части, находящиеся под напряжением закрыты кожухами.
На стороне ВН применяется ОРУ. Конструкция ОРУ с
типовыми ячейками.