Районная понизительная подстанция 110/35/10 кВ
Районная
понизительная подстанция 110/35/10 кВ
СОДЕРЖАНИЕ
РЕФЕРАТ
ВВЕДЕНИЕ
.
КРАТКАЯ ХАРАКТЕРИСТИКА ОБЪЕКТА ПРОЕКТИРОВАНИЯ
.
ОБРАБОТКА ГРАФИКОВ НАГРУЗОК
.ТЕХНИКО-ЭКОНОМИЧЕСКИЙ
РАСЧЁТ ПО ВЫБОРУ ЧИСЛА И МОЩНОСТИ СИЛОВЫХ ТРАНСФОРМАТОРОВ
.
ВЫБОР ГЛАВНОЙ СХЕМЫ ЭЛЕКТРИЧЕСКИХ СОЕДИНЕНИЙ ПОДСТАНЦИИ
.
РАСЧЁТ ТОКОВ КОРОТКОГО ЗАМЫКАНИЯ. ОПРЕДЕЛЕНИЕ НЕОБХОДИМОСТИ ОГРАНИЧЕНИЯ ТОКОВ
КОРОТКОГО ЗАМЫКАНИЯ
.1
Расчёт короткого замыкания на шинах высшего напряжения
.2
Расчёт короткого замыкания на шинах среднего напряжения
5.3 Расчёт короткого замыкания на шинах низшего
напряжения
6.
ВЫБОР ОСНОВНОГО ЭЛЕКТРООБОРУДОВАНИЯ И ТОКОВЕДУЩИХ
ЧАСТЕЙ
.1
Выбор шин
.2
Выбор изоляторов
.3
Выбор высоковольтных выключателей
6.4
Выбор разъединителей
6.5
Выбор трансформаторов тока
6.6
Выбор трансформаторов напряжения
6.7
Выбор предохранителей
.8
Выбор ограничителей перенапряжения
.
ВЫБОР РЕЛЕЙНОЙ ЗАЩИТЫ И АВТОМАТИКИ
.1
Выбор релейной защиты
.2
Автоматика подстанции
.
ВЫБОР КОНТРОЛЬНО-ИЗМЕРИТЕЛЬНЫХ ПРИБОРОВ
.
ВЫБОР ОПЕРАТИВНОГО ТОКА И ИСТОЧНИКА ПИТАНИЯ
.
СОБСТВЕННЫЕ НУЖДЫ ПОДСТАНЦИИ
.
РЕГУЛИРОВАНИЕ НАПРЯЖЕНИЯ НА ПОДСТАНЦИИ
.
ВЫБОР КОНСТРУКЦИИ РАСПРЕДУСТРОЙСТВ
.
ЗАЗЕМЛЕНИЕ ПОДСТАНЦИИ
.
МОЛНИЕЗАЩИТА ПОДСТАНЦИИ
ЗАКЛЮЧЕНИЕ
СПИСОК
ИСПОЛЬЗОВАННОЙ ЛИТЕРАТУРЫ
РЕФЕРАТ
Трансформатор, подстанция, экономика,
перегрузка, электрооборудование, защита, замыкание, автоматика, заземление,
молниезащита
В курсовом проекте разрабатываются вопросы
проектирования электрической части районной понизительной подстанции на высшее
напряжение 110 кВ, среднее 35 кВ и низшее напряжение 10 кВ, с трёхобмоточными
трансформаторами.
Целью курсового проектирования является:
углубление и закрепление знаний, полученных при
изучении курсов: «Переходные процессы в системах энергоснабжения»,
«Электрооборудование электрических станций и подстанций», «Электрические
аппараты»;
получение первоначального опыта
проектно-конструкторской работы, изучение методов проектирования
электроустановок;
ознакомление с литературой, используемой при
расчётах и конструктивном проектировании электрических схем и распределительных
устройств.
В процессе расчёта была применена современная
методика технико-экономического обоснования для выбора мощности силовых
трансформаторов подстанций. Также при выборе основного электрооборудования были
использованы каталоги современных производителей. В результате была
спроектирована районная понизительная подстанция, удовлетворяющая требованиям
современного энергоснабжения потребителей всех категорий.
ВВЕДЕНИЕ
В настоящее время в связи с интенсификацией производства,
увеличением использования энергии и применения различных электробытовых
приборов необходимо дальнейшее развитие электроэнергетики. В последнее время
происходит рост единичных мощностей генераторов и суммарных мощностей
электростанций, усложняется энергетическое оборудование. Всё это выдвигает
новые требования к экономичности и надёжности работы элементов энергосистемы.
Именно эти задачи решались при выполнении данного проекта.
В процессе проектирования применялись извлечения
из ГОСТов и других нормативных документов, приведённых в литературе,
использованной в проекте. Были получены навыки проектирования объектов
современного электроснабжения.
1. КРАТКАЯ ХАРАКТЕРИСТИКА ОБЪЕКТА ПРОЕКТИРОВАНИЯ
Проектируемая понизительная подстанция служит
для преобразования и распределения электроэнергии. Так как среди числа
потребителей электроэнергии подстанции есть I
и II категории, то в
цепях подстанции необходимо устанавливать два трансформатора.
Распределительные устройства представляют собой
электроустановку, служащую для приёма и распределения электроэнергии,
содержащую коммутационную аппаратуру, сборные шины, измерительные приборы,
устройство защиты и автоматики. Применяемые на данной подстанции устройства АВР
и АПВ служат для подачи напряжения на аварийно отключающиеся участки сети. АВР
применяются для ввода резервных трансформаторов вместо автоматически
отключающихся в результате действия релейной защиты. Схема подстанции обычно
выполняется так, что каждый трансформатор подключается к соответствующей секции
шин. В нормальном режиме секционный выключатель отключен. В такой схеме при
аварийном отключении одного из трансформаторов электроснабжения потребителей
сохраняется благодаря автоматическому выключению секционного выключателя
устройством АВР.
АПВ представляет собой устройство, которое
повторно автоматически включает линию, отключившуюся от действия защиты. АПВ
предотвращает длительный перерыв в подаче электроэнергии.
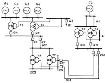
Исходные данные:
) Генераторы ГЭС: G1-G4
Pном
= 80 МВт;
Uном
= 13,8 кВ;
) Система С2:
Sкз
= 3000 МВА;
U = 110 кВ;
3) Трансформаторы:
Т3, Т4: S
= 200
МВА;
Т5, Т6:
S = 40
МВА;
) Длина линий:
W3 = 140
км;
W5
= 60
км;7
= 45
км;
5) Подстанция
6) Графики нагрузок в процентах
от максимальной активной нагрузки
Рисунок 1.1 Схема электроснабжения
сетевого района
Таблица 1.1
|
Максимальная
нагрузка Рmax
при
cosj = 0.8,МВт
|
Число
отходящих линий
|
Нагрузка
потребителей по категориям, %
|
|
10
кВ
|
35
кВ
|
I
|
II
|
III
|
|
40
|
11
|
6
|
40
|
20
|
40
|
Таблица 1.2
|
Время
суток, часы
|
Активная
нагрузка, %
|
|
Потребители,
подключенные к РУ НН
|
Потребители,
подключенные к РУ СН
|
|
зимой
|
летом
|
зимой
|
Летом
|
|
0-6
|
40
|
30
|
70
|
60
|
|
6-12
|
100
|
70
|
100
|
80
|
|
12-18
|
90
|
80
|
80
|
70
|
|
18-24
|
70
|
40
|
90
|
50
|
) Исходные данные для проектирования заземляющего
устройства подстанции:
Таблица
1.3
|
Удельное
сопротивление слоев земли, Ом·м
|
Толщина
верхнего слоя земли с r1, h1, м
|
|
r1
|
r2
|
|
|
250
|
200
|
1,5
|
2. ОБРАБОТКА ГРАФИКОВ НАГРУЗОК ПОТРЕБИТЕЛЕЙ
По заданным суточным графикам в относительных
единицах (S/Smax)
и максимальной нагрузке на шинах пониженного напряжения (Smax)
строим зимний и летний суточные графики на шинах всех напряжений.
Задаёмся распределением нагрузки между СН и НН -
40/60.
Мощность, потребляемая обмоткой среднего и
низшего напряжения:
МВт, тогда
МВт;
МВт, тогда
МВт.
Данные для построения суточных
графиков нагрузок приведены в табл. 2.1.
Таблица
2.1
|
Smax, МВА
|
Обмотка
ВН
|
Обмотка
СН
|
Обмотка
НН
|
|
40
|
16
|
24
|
|
Время
суток, часы
|
зимой
|
летом
|
зимой
|
летом
|
зимой
|
Летом
|
|
0-6
|
20,8
|
16,8
|
11,2
|
9,6
|
9,6
|
7,2
|
|
6-12
|
40
|
29,6
|
16
|
12,8
|
24
|
16,8
|
|
12-18
|
34,4
|
30,4
|
12,8
|
11,2
|
21,6
|
19,2
|
|
18-24
|
31,2
|
17,6
|
14,4
|
8
|
16,8
|
9,6
|
Рисунок 2.1 Суточный график нагрузок
ВН
Рисунок 2.2 Суточный график нагрузок СН
Рисунок 2.3 Суточный график нагрузок НН
По суточным графикам вычисляем коэффициенты
нагрузки.
Для обмотки 110кВ:
, где
МВт
Для обмотки 35кВ:
Для обмотки 10кВ:
По суточным графикам нагрузок потребителей в
зимний и летний периоды построим годовые графики продолжительности нагрузок для
каждой обмотки трансформатора. Продолжительность зимнего периода принимаем 213
суток, летнего - 152.
Рисунок 2.4 Годовой график нагрузок обмотка ВН
Рисунок 2.5 Годовой график нагрузок обмотка СН.
Рисунок 2.6 Годовой график нагрузок обмотка НН
По годовым графикам вычисляем:
. количество электроэнергии, потребляемое
проектируемой подстанцией за год
2. среднегодовую нагрузку
. коэффициент нагрузки
. продолжительность использования
максимальной нагрузки
. время потерь τ
для
каждого напряжения
Обмотка 110кВ:
Обмотка 35кВ:
Обмотка 10кВ:
3. ВЫБОР ЧИСЛА И МОЩНОСТИ СИЛОВЫХ
ТРАНСФОРМАТОРОВ НА ПОДСТАНЦИИ ПОТРЕБИТЕЛЕЙ
.1 Выбор вариантов силовых трансформаторов на
подстанции потребителей
Среди потребителей ПС имеются потребители I
или II категорий,
поэтому предусматриваем для них установку двух трансформаторов. Мощность
трансформаторов на двухтрансформаторной подстанции выбирается на основании
технико-экономического сравнения двух вариантов мощности. Для первого варианта
мощность трансформатора рассчитаем по формуле:
, кВ·A, где
max -
максимальная нагрузка подстанции, кВ∙А;
КI-II - коэффициент
участия потребителей I и II категорий;
Кав - принятый
коэффициент допустимой аварийной перегрузки.
Аварийная длительная перегрузка
силовых масляных трансформаторов с системами охлаждения М, Д, ДЦ и Ц
допускается на 40 % (Кав = 1,4) в течение не более 5 суток на время
максимума нагрузки общей продолжительностью не более 6 часов в сутки.
Из ряда стандартных трансформаторов выбираем в
первом случае: два трансформатора ТДТН-25000/110;
во втором: два трансформатора ТДТН-40000/110.
Таблица
3.1
|
Параметр
|
Обозначение
|
ТДТН-25000/110
|
ТДТН-40000/110
|
ТДТН-63000/110
|
|
Номинальная
мощность трансформаторов, МВА
|
254063
|
|
|
|
|
Номинальные
напряжения обмоток, кВ
|
ВН
|
115115115
|
|
|
|
|
СН
|
38,538,538,5
|
|
|
|
|
НН
|
111111
|
|
|
|
|
Напряжение
короткого замыкания, %, для обмоток
|
ВН
- СН
|
10,510,510,5
|
|
|
|
|
ВН
- НН
|
171717
|
|
|
|
|
СН
- НН
|
666,5
|
|
|
|
|
Ток
холостого хода, %
|
0,90,80,7
|
|
|
|
|
Активные
потери х.х., кВт
|
365056
|
|
|
|
|
Активные
потери к.з., кВт
|
140200290
|
|
|
|
Рассчитаем годовые потери в трансформаторах
ТДТН-25000/110:
Проверка:
Проверку не прошел. Тогда, выбираем
два трансформатора мощностью
МВА и 63 МВА.
Рассчитаем годовые потери в
трансформаторах ТДТН-40000/110:
Проверка:
Проверку прошел.
кВт, - приведенные потери холостого
хода трансформатора;
- экономический эквивалент для
перевода квар в кВт (для трансформаторов в районных сетях 35-110 кВ
);
- реактивные потери х.х.
трансформатора;
Мвар;
, кВт,
приведенные потери короткого
замыкания трансформатора; т.к. в каталоге дана одна величина ΔPкз,вн-нн, то потери
короткого замыкания каждой обмотки одинаковы и равны 0,5ΔPкз,вн-нн
- реактивные потери короткого
замыкания трансформатора, где:
,
,
;
квар,
квар,
квар;
В трехобмоточных трансформаторах годовые потери
определяем по следующей формуле (при Sном,ВН
= Sном,СН
= Sном,НН):
Аналогично рассчитываем годовые потери в
трансформаторах ТДТН-63000/110:
Проверка:
Проверку прошел.
кВт,
;
квар;
,
,
;
квар,
квар,
квар;
.2 Технико-экономическое сравнение вариантов и
выбор из них лучшего
Стоимость каждого трансформатора определяем с
учётом коэффициента удорожания Куд = 3. Т.к. подстанция двухтрансформаторная,
то общие капиталовложения найдём умножив стоимость трансформатора на 2:
Капиталовложения разделяем на три
первых года, при этом считаем, что в первый год построено на сумму 40% от всех
капиталовложений, во второй - 30% и в третий - 30%.
) Выручку
подсчитываем
по формуле:
, тыс. руб., где:
- количество электроэнергии,
переданное через подстанцию за год, МВт∙ч/год;
- индекс к стоимости объема
передаваемой электроэнергии;
- тариф на электроэнергию, руб./кВт∙ч.
) Стоимость потерь за год
вычисляем
по формуле:
, тыс. руб., где
- количество потерь электроэнергии
за год, МВт.
) Затраты на обслуживание
вычисляем по
формуле:
, тыс. руб., где
- капиталовложения, тыс. руб.
5) Налоги и сборы:
, тыс. руб., где
- валовая прибыль от реализации,
тыс. руб.
6) Чистая прибыль:
, тыс. руб.
) Удельная себестоимость:
, руб./кВт∙ч
) Чистый доход без дисконтирования:
, тыс. руб.
) Чистый дисконтированный доход (ЧДД)
рассчитываем по формуле:
, тыс. руб., где
- коэффициент дисконтирования, где
Е - норма дисконта (принимаем Е = 0,1), t - номер
шага расчёта;
) ЧДД нарастающим итогом:
, тыс. руб.
Расчёты всех величин из пунктов 1-10 сведены в
таблицы 3.2.1 и 3.2.2 соответственно для вариантов с трансформаторами Т1 и Т2.
Ниже на Рис. 3.2.1. приведены графики срока окупаемости двух вариантов
трансформаторов.
|
Показатели
|
Обозн.
|
Ед.
изм
|
2011
|
2012
|
2013
|
2014
|
2015
|
2016
|
2017
|
2018
|
2019
|
2020
|
2021
|
2022
|
|
Выручка
от реализации
|
R
|
т.
руб
|
|
−
|
−
|
159722,6
|
163437,12
|
167151,6
|
170866,08
|
189438,48
|
200581,92
|
202810,61
|
205039,29
|
|
Капитало-вложения
|
K
|
т.
руб
|
19200
|
14400
|
14400
|
−
|
−
|
−
|
−
|
−
|
−
|
−
|
−
|
−
|
|
Тариф
на эл. Энергию
|
Ст
|
руб/кВтч
|
1,8
|
1,95
|
2,1
|
2,15
|
2,2
|
2,25
|
2,3
|
2,4
|
2,55
|
2,7
|
2,73
|
2,76
|
|
Уд.
себестоим. трансфор-мации эл. энергии
|
Sy
|
руб/кВтч
|
−
|
−
|
−
|
0,286307
|
0,29280086
|
0,2992947
|
0,3057884
|
0,318776
|
0,33825743
|
0,35773882
|
0,3616351
|
0,3655313
|
|
Затраты
на потери эл. энергии
|
Ипот
|
т.
руб
|
−
|
−
|
−
|
7204,007
|
7371,5422
|
7539,0773
|
7706,6123
|
8041,6824
|
8544,28755
|
9046,8927
|
9147,4137
|
9247,9347
|
|
Отчисл.
на эксплуатац.е обсл-е
|
Иобсл
|
т.
руб
|
−
|
−
|
−
|
2880
|
2880
|
2880
|
2880
|
2880
|
2880
|
2880
|
2880
|
2880
|
|
Валовая
прибыль
|
Ивал
|
т.
руб
|
−
|
−
|
−
|
149638,6
|
153185,578
|
156732,52
|
160279,47
|
167373,36
|
178014,192
|
188655,027
|
190783,19
|
192911,36
|
|
Налоги
и сборы
|
Инал
|
т.
руб
|
−
|
−
|
−
|
59855,45
|
61274,2311
|
62693,009
|
64111,787
|
66949,343
|
71205,677
|
75462,0109
|
76313,278
|
77164,544
|
|
Чистая
прибыль
|
Пчист
|
т.
руб
|
−
|
−
|
−
|
89783,18
|
91911,3467
|
94039,514
|
96167,681
|
100424,01
|
106808,515
|
113193,016
|
114469,92
|
115746,81
|
|
Чистый
доход (без дисконт-я)
|
ЧД
|
т.
руб
|
-19200
|
-14400
|
-14400
|
89783,18
|
91911,3467
|
94039,514
|
96167,681
|
100424,01
|
106808,515
|
113193,016
|
114469,92
|
115746,81
|
|
Коэфф-т
дисконт-я
|
а
|
о.е.
|
1,331
|
1,21
|
1,1
|
1
|
0,91
|
0,83
|
0,75
|
0,68
|
0,62
|
0,56
|
0,51
|
0,47
|
|
Чистый
дисконт-й доход
|
ЧДД
|
т.
руб
|
-25555
|
-17424
|
-15840
|
89783,18
|
83639,3255
|
78052,796
|
72125,76
|
68288,33
|
66221,2796
|
63388,0892
|
58379,657
|
54401,003
|
|
Чистый
дисконт-й доход нараст. итогом
|
Эинт
|
т.
руб
|
-25555
|
-42979
|
-58819
|
30963,98
|
114603,305
|
192656,1
|
264781,86
|
333070,19
|
399291,471
|
462679,561
|
521059,22
|
575460,22
|
|
Рентабельн.
|
|
|
0
|
0
|
0
|
56,2119
|
56,23652
|
56,26001
|
56,2825
|
56,3246
|
56,38164
|
56,43231
|
56,4418
|
56,45104
|
|
Показатели
|
Обозн
|
Ед.
изм
|
2011
|
2012
|
2013
|
2014
|
2015
|
2016
|
2017
|
2018
|
2019
|
2020
|
2021
|
2022
|
|
Выручка
от реализации
|
R
|
т.
руб.
|
−
|
−
|
−
|
159722,6
|
163437,12
|
167151,6
|
170866,08
|
178295,04
|
189438,48
|
200581,92
|
202810,61
|
205039,296
|
|
Капитало-вложения
|
K
|
т.
руб.
|
26340
|
19755
|
19755
|
−
|
−
|
−
|
−
|
−
|
−
|
−
|
−
|
−
|
|
Тариф
на эл. Энергию
|
Ст
|
Руб./кВтч
|
1,8
|
1,95
|
2,1
|
2,15
|
2,2
|
2,25
|
2,3
|
2,4
|
2,55
|
2,7
|
2,73
|
2,76
|
|
Уд.
себест.. трансф-ции эл. энергии
|
Sy
|
Руб./кВтч
|
−
|
−
|
−
|
0,288938
|
0,29543143
|
0,3019252
|
0,308419
|
0,3214066
|
0,340888
|
0,36036939
|
0,3642657
|
0,36816195
|
|
Затраты
на потери эл. энергии
|
Ипот
|
т.
руб.
|
−
|
−
|
−
|
7204,007
|
7371,5422
|
7539,0773
|
7706,6123
|
8041,6824
|
8544,28755
|
9046,8927
|
9147,4137
|
9247,93476
|
|
Отчисл.
на эксплуатац-е обслуж-е
|
Иобсл
|
т.
руб.
|
−
|
−
|
−
|
3951
|
3951
|
3951
|
3951
|
3951
|
3951
|
3951
|
3951
|
3951
|
|
Валовая
прибыль
|
Ивал
|
т.
руб.
|
−
|
−
|
−
|
148567,6
|
152114,578
|
155661,52
|
159208,47
|
166302,36
|
176943,192
|
187584,027
|
189712,19
|
191840,361
|
|
Налоги
и сборы
|
Инал
|
т.
руб.
|
−
|
−
|
−
|
59427,05
|
60845,8311
|
62264,609
|
63683,387
|
66520,943
|
70777,277
|
75033,6109
|
75884,878
|
76736,1445
|
|
Чистая
прибыль
|
Пчист
|
т.
руб
|
−
|
−
|
−
|
89140,58
|
91268,7467
|
93396,914
|
95525,081
|
99781,415
|
106165,915
|
112550,416
|
113827,32
|
115104,217
|
|
Чистый
доход (без дисконт-я)
|
ЧД
|
т.
руб.
|
-19755
|
-19755
|
89140,58
|
91268,7467
|
93396,914
|
95525,081
|
99781,415
|
106165,915
|
112550,416
|
113827,32
|
115104,217
|
|
Коэфф-т
дисконтирования
|
а
|
о.е.
|
1,331
|
1,21
|
1,1
|
1
|
0,91
|
0,83
|
0,75
|
0,68
|
0,62
|
0,56
|
0,51
|
0,47
|
|
Чистый
дисконт-й доход
|
ЧДД
|
т.
руб.
|
-35059
|
-23904
|
-21731
|
89140,58
|
83054,5595
|
77519,438
|
71643,81
|
67851,362
|
65822,8676
|
63028,2332
|
58051,931
|
54098,9819
|
|
Чистый
дисконт-й доход нарастающ. итогом
|
Эинт
|
т.
руб.
|
-35059
|
-58962
|
-80693
|
8447,99
|
91502,5492
|
169021,99
|
240665,8
|
308517,16
|
374340,027
|
437368,261
|
495420,19
|
549519,174
|
|
Рентаб-ть
|
|
|
0
|
0
|
0
|
55,8096
|
55,84334
|
55,87557
|
55,9064
|
55,9642
|
56,04242
|
56,11194
|
56,1249
|
56,13764
|
Рис. 3.2.1 графики срока окупаемости двух
вариантов трансформаторов
Таблица
3.4
Технико-экономическое обоснование вариантов
электроснабжения
|
Показатель
|
Единица
измерения
|
1
вариант
|
2
вариант
|
|
1.
Мощность
|
МВ∙А
|
40
|
63
|
|
2.
Капиталовложения
|
тыс.руб.
|
48000
|
65850
|
|
3.
ЧДД с нарастающим итогом
|
тыс.руб.
|
575460
|
549519
|
|
4.
Индекс доходности
|
руб/руб
|
11,988
|
8,345
|
|
5.
Срок окупаемости
|
лет
|
3,1
|
3,5
|
Интегральный эффект первого варианта выше
интегрального эффекта второго варианта за рассматриваемый период времени,
поэтому выбираем первый вариант и принимаем к установке трансформаторы
ТДТН-40000/110.
4. ВЫБОР ГЛАВНОЙ СХЕМЫ ЭЛЕКТРИЧЕСКИХ СОЕДИНЕНИЙ
ПОДСТАНЦИИ
Выбор главной схемы электрических соединений
подстанции
ПС 3 - проходная, поэтому необходимо обеспечить
транзит мощности во всех режимах работы, следовательно, на стороне РУВН,
исключена возможность применения упрощенной схемы на стороне ВН с отделителями
и короткозамыкателями. Поэтому на стороне РУ ВН выбираем схему «Мостик с выключателями
в цепях трансформаторов и ремонтной перемычкой со стороны трансформаторов».
Выбор схемы с выключателями базируется на том,
что доля потребителей I
и II категории, из
подключённых к сборным шинам РУНН и РУСН подстанции, составляет 80%.
На стороне НН применяем схему “одна рабочая,
секционированная выключателем система шин с 12отходящими линиями”.
На стороне СН применяем схему “одна рабочая,
секционированная выключателем система шин с 6 отходящими линиями”.
В нормальном режиме выключатели QВ1
и QВ2 отключены, т.к.
если они будут включены, то при коротком замыкании, отключится вся повреждённая
система шин.
Для отключения Т1 достаточно отключить
выключатели Q2 и Q4.
Затем разъединителями QS5
и QS7 создаётся видимый
разрыв цепи, а Т2 питается от ВЛ иW2
благодаря перемычке с выключателем Q1.
Благодаря ремонтной перемычке возможен вывод в
ремонт любого участка с выключателями Q1,
Q2 или Q3.
Схема достаточно надёжна для данных условий
проектирования.
что меньше Iдоп
= 1000А.
Рисунок 4.1 Упрощенная схема электрических
соединений подстанции
5. РАСЧЕТ ТОКОВ КОРОТКОГО ЗАМЫКАНИЯ
Расчеты токов КЗ производятся для выбора или
проверки параметров электрооборудования, а также для выбора или проверки
установок релейной защиты и автоматики.
Основная цель расчета токов короткого замыкания
состоит в определение периодической составляющей тока КЗ для наиболее тяжелого
режима сети.
.1 КЗ на шинах 110кВ
Рассмотрим КЗ на шинах 110 кВ.
Для заданной схемы сетевого района составим
однолинейную схему замещения.
Расчёт параметров производится в относительных
единицах (о.е.) с приближённым приведением.
За базисные условия примем:
;
- напряжение ступени, где
рассматривается КЗ;
.
Выбираем генераторы на ГЭС:
СВ-1070/145-52;
cosj = 0.8;
S = 100 МВА;
= 0,22;
Uном = 13,8;
Рассчитаем параметры схемы замещения
прямой последовательности:
) ГЭС:
;
2) T3-4:
)
4) W5:
, где
UБ СТ
= 115 кВ - базисное напряжение ступени, где рассматривается данный элемент;
х0 - удельное индуктивное
сопротивление 1 км одноцепной линии, для КЛ х0 = 0,08 Ом/км, для ВЛ
х0 = 0,4 Ом/км.
5) С2:
6) W3:
7) T5,6:
;
;
8) W7:
9) T9,10:
ВН:
СН:
НН:
Отбросим холостые ветви и ветви с нагрузками,
т.к. нагрузки были косвенно учтены при построении расчётных кривых и получим
расчётную схему для тока при коротком замыкании.
Упростим:
Рисунок 5.1 Схема замещения прямой
последовательности без учёта холостых ветвей и ветвей с нагрузками
Рисунок 5.2 Преобразованная схема
замещения прямой последовательности
Преобразуем схему далее:
Рисунок 5.3 Преобразованная до результирующего
сопротивления схема замещения прямой последовательности
Определим коэффициенты токораспределения:
;
Определим расчётные сопротивления
для трёхфазного КЗ:
) С2:
) ГЭС:
Для гидрогенераторов периодическая составляющая
токов короткого замыкания определяется аналитическим методом, если храсч
> 3 о.е. В нашем случае определяем аналитическим методом.
С2:
ГЭС:
Периодическая составляющая тока КЗ
системы в именованных единицах (для всех моментов времени):
С2:
Периодическая составляющая тока КЗ
других источников в именованных единицах:
КЭС:
;
Ударный ток короткого замыкания:
, где
Куд = 1,8 - ударный
коэффициент.
5.2 КЗ на шинах 35кВ
Рассмотрим КЗ на шинах 35 кВ.
Для заданной схемы сетевого района рис. 1.1
составим однолинейную схему замещения рис. 5.3.
За базисные условия примем:
;
- напряжение ступени, где
рассматривается КЗ;
Отбросим холостые ветви и ветви с
нагрузками, т.к. нагрузки были косвенно учтены при построении расчётных кривых
и получим расчётную схему.
Рисунок 5.4 Схема замещения прямой последовательности
без учёта холостых ветвей и ветвей с нагрузками
Преобразуем схему:
Рисунок 5.5 Преобразованная схема замещения
прямой последовательности
Преобразуем схему далее:
Рисунок 5.6 Преобразованная до результирующего
сопротивления схема замещения прямой последовательности
Определим коэффициенты токораспределения:
;
Определим расчётные сопротивления
для трёхфазного КЗ:
) Система С2:
) ГЭС:
Для гидрогенераторов периодическая составляющая
токов короткого замыкания определяется аналитическим методом, если храсч
> 3 о.е.
С2:
ГЭС:
КЭС:
.
Периодическая составляющая тока КЗ
системы в именованных единицах (для всех моментов времени):
С2:
.
Периодическая составляющая тока КЗ
других источников в именованных единицах:
ГЭС:
Определим ударный ток короткого
замыкания:
, где
Куд = 1,8 - ударный
коэффициент.
.3 КЗ на шинах 10 кВ
Рассмотрим КЗ на шинах 10 кВ
Расчёт параметров производится в
относительных единицах (о.е.) с приближённым приведением.
За базисные условия примем:
;
- напряжение ступени, где
рассматривается КЗ;
Отбросим холостые ветви и ветви с
нагрузками, т.к. нагрузки были косвенно учтены при построении расчётных кривых
и получим расчётную схему для тока при коротком замыкании в точке К3.
Рисунок 5.7 Схема замещения прямой
последовательности без учёта холостых ветвей и ветвей с нагрузками
Преобразуем схему:
Рисунок 5.8 Преобразованная схема замещения
прямой последовательности
Преобразуем схему далее:
Рисунок 5.9 Преобразованная до результирующего сопротивления
схема замещения прямой последовательности
Определим коэффициенты токораспределения:
;
Определим расчётные сопротивления
для трёхфазного КЗ:
) Система С2:
) ГЭС:
Для гидрогенераторов периодическая составляющая
токов короткого замыкания определяется аналитическим методом, если храсч
> 3 о.е.
С2:
ГЭС:
Для определения периодической
составляющей тока КЗ в именованных единицах необходимо рассчитать суммарный
номинальный ток источника, приведённый к ступени напряжения, где
рассматривается КЗ:
ГЭС:
.
Периодическая составляющая тока КЗ в
именованных единицах (для всех моментов времени):
) С2:
;
) ГЭС:
Определим ударный ток короткого замыкания (согласно
ГОСТ 52735-2007):
, где
Куд = 1,8 - ударный
коэффициент (для источников, удалённых от места КЗ хотя бы на одну
трансформацию).
Результаты расчёта сведены в
таблицу 5.1.
Таблица
5.1
Результаты расчёта токов короткого замыкания
|
Расположение
точки КЗ
|
Iп, кА
|
i(3)у,кА
|
|
t = 0 с.
|
t = 0,1 с.
|
|
|
На шинах ВН
|
1.344
|
1.344
|
3.4
|
|
На шинах СН
|
3.206
|
3.206
|
8.31
|
|
На шинах НН
|
10.3
|
10.3
|
26.14
|
Можно сделать вывод, что ограничение токов КЗ не
требуется, так как выключатели способны отключать такие ударные токи (до 80
кА).
6. ВЫБОР ОСНОВНОГО ЭЛЕКТРООБОРУДОВАНИЯ И
ТОКОВЕДУЩИХ ЧАСТЕЙ
.1 Выбор шин
Выбор сборных шин на низшем напряжении
В закрытых РУ ошиновка и сборные шины
выполняются жесткими алюминиевыми шинами. Медные шины из-за высокой их
стоимости не применяются даже при больших токовых нагрузках.
Выбор сечения шин производится по допустимому
току. При этом учитываются не только нормальные, но и послеаварийные режимы.
Условие выбора:
Выбираем жёсткие алюминиевые шины
горизонтального расположения. Однополосные шины прямоугольного сечения.
мм,
2,
.
А
Проверка на термическую стойкость
может быть произведена путем определения допустимого максимального термически
стойкого сечения
, мм 2 ,
где
, кА2·с - интеграл Джоуля
(тепловой импульс);
C -
постоянная (для алюминиевых шин С = 91,
).
I" -
начальный сверхпереходный ток КЗ, кА;
t расч - расчетная
длительность КЗ, определяется по
Та - постоянная времени
затухания апериодической составляющей тока КЗ .
с.;
с.
При этом должно быть соблюдено
условие:
,
<
проверка пройдена
Для проверки шин на электродинамическую
стойкость производят механический расчет шин. Наибольшее удельное усилие,
действующее на среднюю фазу при трехфазном токе КЗ, равно
, Н,
где i у(3) - ударный
ток трехфазного КЗ, А;
а - расстояние между соседними
фазами, м.
м.
Н/м
Напряжение в материале однополосной
шины
, МПа,
где W - момент
сопротивления шины относительно оси, перпендикулярный действию усилия, см 3;
l - длина
пролета между опорными изоляторами вдоль шинной конструкции, м. Расстояния l и а берут
из типовых конструкций распредустройств.
,
м
Момент сопротивления прямоугольной
шины, расположенной плашмя, см 3
,
Таким образом
Мпа,
проверка пройдена
Выбор шин между трансформатором и
ЗРУ
На подстанциях соединение силового
трансформатора с РУ 6-10 кВ может выполняться шинным мостом. Жесткие шины
крепятся на штыревых изоляторах, установленных на металлических конструкциях.
Достоинства такого соединения - простота, надежность и экономичность.
Сечение шин выбирают по
экономической плотности тока
, мм2
где I
раб
- длительный рабочий ток нормального режима (без перегрузок), А;
j
эк
- нормированная плотность тока, А/мм 2,
,
где jэк = 1, для
алюминиевых шин и Тmax>5000 ч.
Выбираем однополосные шины
прямоугольного сечения.
мм;
мм2.
А
А
Проверка на термическую стойкость
,
с.;
с.
<
проверка пройдена
Проверка на электродинамическую
стойкость
Н/м
м.
Н/м
,
м.
см3
МПа
МПа
проверка пройдена
Выбор кабелей на отходящие линии 10 кВ
На линиях отходящих к потребителям выберем
силовые кабели типа ААШв, так как кабели будут прокладываться в земле со
средней коррозионной активностью, без блуждающих токов.
Кабели трёхжильные, прокладываются в
земле.
Uном.р = 10 кВ
Выбираем один кабель с q = 150
,
А
А
где kθ -
поправочный коэффициент на температуру окружающей среды, он равен 1 kн -
поправочный коэффициент на число рядом проложенных в земле кабелей, он равен 1а.п
- коэффициент, учитывающий дополнительную аварийную перегрузку кабелей, он
равен 1.
>
Проверка на термическую стойкость:

<
мм2 .
Выбор сборных шин на среднем
напряжении
На проектируемой подстанции, на
стороне среднего напряжения выбираем трубчатые алюминиевые щины.
А
А
Uном = 35 кВ.
)
А
Выбираем шины
мм;
А
А
) Термическая стойкость
,
с.;
с.
мм2
<
мм2.
) Электродинамическая стойкость
Н/м
м
Н/м
,
м.
см3
МПа
МПа
Так как выбранные шины не
удовлетворяют условиям электродинамической стойкости, выбираем шины большего
поперечного сечения:
Выбираем шины
мм;
А
А
) Термическая стойкость
<
мм2.
) Электродинамическая стойкость
Н/м
м
Н/м
,
м,
см3
МПа
МПа
.
Так как выбранные шины также не
удовлетворяют условиям электродинамической стойкости, выбираем шины ещё
большего поперечного сечения: Выбираем шины
мм;
А
А
) Термическая стойкость
мм2
<
мм2. Проверка пройдена
) Электродинамическая стойкость
Н/м
м.
Н/м
,
м,
см3
МПа
МПа
проверка пройдена
Выбор гибких шин на среднем
напряжении
Гибкие шины и токопроводы выбираются
также, как жесткие, за исключением:
проверка на электродинамическую
стойкость не производится;
при напряжениях 35 кВ и выше
выбранное сечение проверяют на коронирование.
Выбираем провод марки АС-300/39,
А
)
А.
А
) Термическая стойкость
,
с.;
с.
<
мм2
) Проверка на коронирование является
бессмысленной, так как сечение выбранного провода больше минимально допустимого
сечения для 35 кВ согласно ПУЭ.
Выбор отходящих линий 35 кВ
Определим рабочий и максимальный ток
на линиях 35 кВ:
А
А
Выбираем провод АС-120/19,
А
А
Термическая стойкость
,
с.;
с.
<
мм2.
По ПУЭ проверку на корону для ВЛ на
35 кВ допускается не проводить.
Выбор гибких шин на высшем напряжении
мм2.
Uном = 110 кВ.
Выбираем провод АС 240/56,
А, r0
= 1,12 мм
)
А.
А
) Термическая стойкость
,
с.;
с.
<
мм2. Проверка пройдена
) Проверка на корону
При напряжениях 35 кВ и выше
выбранное сечение проверяют на коронирование по условию:
,
где E -
напряженность электрического поля около поверхности нерасщепленного провода,
кВ/см;
Е0 - максимальное
значение начальной критической напряженности электрического поля, кВ/см;
,
U - линейное
напряжение, кВ;
Dср -
среднегеометрическое расстояние между проводами фаз, см;
r0 - радиус
провода, см;
кВ/см
м.
,
где m -
коэффициент, учитывающий шероховатость поверхности провода (для
многопроволочных проводов m = 0,82);
r - радиус
провода, см.
кВ/см
>
кВ/см
Проверка пройдена
Выбор жестких шин на высшем
напряжении
На проектируемой подстанции, на
стороне высшего напряжения выбираем ошиновку не только гибкими токопроводами,
но и алюминиевыми трубами.
А
А
Uном = 110 кВ.
)
А. Выбираем шины
мм;
А
А
) Термическая стойкость
,
с.;
с.

мм2

<
мм2. Проверка пройдена.
) Электродинамическая стойкость
Н/м
м.
Н/м
,
м,
см3
МПа
МПа
проверка пройдена
Выбор изоляторов на низшем
напряжении
Выбор опорных изоляторов
Выбираем изоляторы стержневые,
внутренней установки ИО-10-20,00У3 с Uном = 10 кВ, Fразр = 20
кН, Низ = 134 мм.
кН;
где кзап - коэффициент
запаса прочности, для одиночных опорных изоляторов кзап = 0,6
Определим расчетную разрушающую
нагрузку на изгиб:
,
где
- поправочный коэффициент на высоту
шины.
Н.

Н
Выбор проходных изоляторов
Выбираем изоляторы
наружно-внутренней установки ИП-10/2000-1250УХЛ1 с Fразр. =
12500 Н.; Uном = 10 кВ.
А.
А
А
=
Н.
Н.

Н
Выбор опорных изоляторов для
открытого шинного моста
Выбираем изоляторы стержневые,
наружной установки С10-80 I УХЛ, Т1 с Uном = 10 кВ, Fразр. = 10
кН, Низ = 190 мм.
Uном = 10 кВ.
кН
Н.

Н
Выбор изоляторов на среднем
напряжении
Выбор опорных изоляторов
Выбираем изоляторы стержневые
наружной установки С4-200 I УХЛ, Т1 с Fразр. = 4
кН.
Uном = 35 кВ
кН
Н

Н
Выбор подвесных изоляторов
Выбираем изоляторы линейные
подвесные стержневые полимерные ЛК 70/35-II, Uном = 35 кВ, Низ
= 400 мм, Нстроит = 600 мм.
Выбор изоляторов на высшем
напряжении
Выбор опорных изоляторов
Выбираем изоляторы стержневые
наружной установки С4-950 I УХЛ, Т1 с Fразр. = 4
кН.
Uном = 110 кВ.
кН
Н.

Н
Выбор проходных изоляторов
Выбираем линейные вводы
ГМЛБ-90-110/1000У1 с Uном = 110 кВ;
А.
А
А
Выбор подвесных изоляторов
Выбираем изоляторы линейные
подвесные стержневые полимерные ЛК 120/110-II, Uном = 110 кВ, Низ
= 1840 мм, Нстроит = 2154 мм.
.3 Выбор высоковольтных выключателей
На проектируемой подстанции на
напряжении 10 и 35 кВ принимаем к установке вакуумные выключатели, так как они
обладают следующими достоинствами:
простота конструкции
высокая степень надежности, высокая
коммутационная износостойкость
малые размеры
пожаро- и взрывобезопасность,
отсутствие шума при операциях
отсутствие загрязнения окружающей
среды
малые эксплуатационные расходы
На напряжении 110 кВ принимаем к
установке элегазовые выключатели, так они обладают следующими достоинствами:
пожаро- и взрывобезопасность
высокая отключающая способность,
быстрота действия
малый износ дугогасительных
контактов
пригодность для внутренних и
наружных установок
элегаз позволяет повысить нагрузку
токоведущих частей и уменьшить их массу за счет своих охлаждающих свойств
Выбор высоковольтных выключателей на
низшем напряжении
Выбираем вакуумные выключатели
ВБЭК-10-31,5/2000 УХЛ2 /7/ с электромагнитным приводом, каталожные данные
которого заносим в таблицу 7.1
Проверка выключателей:
. По номинальному напряжению:
. По номинальному току:
. По конструкции и роду
установки: выкатного исполнения
. Проверка по отключающей
способности:
а) Отключение симметричного
тока к.з., когда
б)
Отключение полного тока к.з.:
где
- дополнительное относительное
содержание апериодического тока в токе отключения

>
5. Проверка на электродинамическую стойкость:

6. Проверка на термическую стойкость:

>
Электромагнитный привод входит в комплект. Ток
потребления электромагнитом включения 45 А., отключения - 1,5 А.. Номинальное
напряжение привода 220 В. Ток постоянный.
Таблица
6.1
Выбор высоковольтных выключателей на НН
Выбор высоковольтных выключателей на среднем
напряжении
Выбираем вакуумные выключатели ВБЭТ-35III-25/630
УХЛ2 /7/ с электромагнитным приводом, каталожные данные которого заносим в
таблицу 6.2.
Проверка выключателей:
1. По номинальному напряжению:
. По номинальному току:
. По конструкции и роду
установки: выкатного исполнения, со встроенными трансформаторами тока 600/5.
. Проверка по отключающей
способности: а). Отключение симметричного тока к.з., когда
б).Отключение
полного тока к.з.:
где
-
дополнительное относительное содержание апериодического тока в токе отключения

>
5. Проверка на электродинамическую стойкость:

6. Проверка на термическую стойкость:

>
Электромагнитный привод ПЭМУ входит в комплект.
Ток потребления электромагнитом включения 80 А., отключения - 2,5 А..
Номинальное напряжение привода 220 В. Ток постоянный.
Таблица
6.2
Выбор высоковольтных выключателей на СН
электрический подстанция
трансформатор релейный
Выбор высоковольтных выключателей на высшем
напряжении
Выбираем элегазовые выключатели
ВГУ-110II-50/3150 У1 /7/ с электромагнитным приводом, каталожные данные
которого заносим в таблицу 6.3.
Проверка выключателей:
1. По номинальному напряжению:
. По номинальному току:
. Проверка по отключающей
способности:
а) Отключение симметричного тока к.з., когда
б) Отключение полного тока
к.з.:
где
- дополнительное относительное
содержание апериодического тока в токе отключения

>
4. Проверка на электродинамическую стойкость:

5. Проверка на термическую стойкость:

>
Электромагнитный привод входит в комплект.
Номинальное напряжение привода 220 В. Ток постоянный.
Таблица
6.3
Выбор высоковольтных выключателей на ВН
6.4 Выбор разъединителей
Выбор разъединителей на 35 кВ
Выбираем разъединители для наружной установки.
РНДЗ 1(2)-35/1000 У1
Uном = 35 кВ;
А; главные
и заземляющие ножи
кА; главные
ножи
кА/с;
заземляющие ножи
кА/с. Привод
ПР У1.
Проверка:
1) По номинальному напряжению Uном.р
= 35 кВ = Uном.уст.
= 35 кВ;
2) По номинальному току
А;
) Наружная установка,
двухколонковые с одним (двумя) заземляющими ножами;
)
кА;
) Главные ножи
Заземляющие ножи
Каталожные и расчетные данные
разъединителя заносим в таблицу 6.4
Таблица
6.4
Выбор разъединителей на СН
|
Расчётные
данные
|
Каталожные
данные
|
Условия
выбора
|
|
РНДЗ
1(2)-35/1000 У1
|
|
|
Uном,уст
= 35 кВ
|
Uном,р
= 35 кВ
|
Uном,уст
= Uном,
р
|
|
А А
|
|
|
|
кА
кА
|
|
|

Главные ножи:
Выбор разъединителей на высшем напряжении
Выбираем разъединители для наружной установки.
РНДЗ 1(2)-110/1000 У1.
Uном = 110 кВ;
А; главные
и заземляющие ножи
кА; главные
ножи
кА/с;
заземляющие ножи
кА/с. Привод
ПР У1.
Выбранные разъединители проверяются:
). По номинальному напряжению Uном.р = 110 кВ = Uном.уст. = 110 кВ;
). По номинальному току
А;
). Наружная установка, двухколонковые
с одним (двумя) заземляющими ножами;
).
кА;
). Главные ножи
Заземляющие ножи
Каталожные и расчетные данные
разъединителя заносим в таблицу 6.5
Таблица
6.5
Выбор разъединителей на ВН
|
Расчётные
данные
|
Каталожные
данные
|
Условия
выбора
|
|
РНДЗ
1(2)-110/1000 У1
|
|
|
Uном,уст
= 110 кВ
|
Uном,р
= 110 кВ
|
Uном,уст
= Uном,
р
|
|
А А
|
|
|
|
кА
кА
|
|
|

Главные ножи:
.5 Выбор трансформаторов тока
Выбор трансформаторов тока встроенных в силовые
трансформаторы
Выбираем трансформатор типа ТВТ 10-I-5000/5 с
параметрами
А;
А; Uном = 10 кВ.
Выбираем трансформатор типа ТВТ 35-I-600/5 с
параметрами
А;
А; Uном = 35 кВ.
Выбираем трансформатор типа ТВТ 110-I-600/1 с
параметрами
А;
А; Uном = 110 кВ.
А.
Выбор трансформатора тока, расположенного
на РУ ВН
А;
А; Uном = 110 кВ;
класс точности 0,5
Проверка
выбранного трансформатора тока:
. По номинальному напряжению:
. По току нагрузки:
. По вторичному току: так как
напряжение установки 110 кВ, то выбираем трансформатор тока с
А
. По конструкции: с обмотками
звеньевого типа, маслонаполненный.
. По классу точности и
вторичной нагрузки: класс точности трансформатора тока должен быть на ступень
выше, чем класс точности присоединенных измерительных приборов. Приборы сведены
в таблицу 6.6
Таблица
6.6
Приборы подключённые к ИТТ ТФЗМ-110Б-III
У1
|
Название
прибора
|
Тип
|
Мощность,
потребляемая обмоткой тока, ВА
|
Класс
точности
|
|
Амперметр
|
Э
335
|
0,5
|
1
|
6. По вторичной нагрузке:
,
где
- номинальное сопротивление нагрузки
трансформатора тока в требуемом классе точности
Ом
- полное сопротивление всех
приборов, последовательно включенных во вторичную цепь трансформаторов тока
= ∑
,
где ∑
- суммарное
активное сопротивление последовательно соединенных катушек приборов и реле.
∑
Ом
- сопротивление контактных
переводов всех контактов
Ом, при числе подключенных приборов
меньше трех
Ом
7. Определение сечения соединительных проводов
вторичной цепи трансформатора тока:
,
где 
, удельное сопротивление меди, так
как во вторичных цепях на подстанциях 110 кВ и выше применяются медные провода
,
где
т.к. 1 ТТ,
м,
м.

принимаем 6
.
8. Проверка на электродинамическую стойкость:
кА.
9. Проверка на термическую стойкость:

.
Выбор трансформаторов тока, расположенных на
вводах 35 кВ, на отходящих линиях 35 кВ и секционных трансформаторов тока на 35
кВ
Встроенные в выключатели ВБЭТ-35III-25/630
УХЛ2 трансформаторы тока ТВ-35-II-600/5, с классом точности 1. Проверку
трансформаторов тока не производим, лишь выбираем приборы, подключенные ко
вторичной цепи с классом точности ниже, чем у встроенных трансформаторов тока.
Приборы, подключенные ко вторичной цепи, сведены
в таблицу 6.7
Таблица
6.7
Приборы подключённые к ИТТ встроенным во ВБЭТ-35III-25/630
УХЛ2
|
Название
прибора
|
Тип
|
Мощность,
потребляемая обмоткой тока, ВА
|
Класс
точности
|
|
Амперметр
|
Э
350
|
0,5
|
1,5
|
|
Ваттметр
|
Э-350
|
0,5
|
1,5
|
|
Счётчик
ватт-часов
|
СА3-И670
|
2,5
|
2,0
|
|
Счётчик
вольт-ампер часов реактивный
|
СР4-И689
|
2,5
|
1,5
|
Выбор трансформаторов тока, расположенных на
вводах 10 кВ
Выбираем трансформатор типа ТШЛК-10
с параметрами
А;
А; Uном = 10 кВ;
класс точности 0,5,
Ом
Проверка
выбранного трансформатора тока:
. По номинальному напряжению:
. По току нагрузки:
. По вторичному току: так как
напряжение установки 110 кВ, то выбираем трансформатор тока с
А
. По конструкции: шинный, для
КРУ, с литой изоляцией.
. По классу точности и
вторичной нагрузки: класс точности трансформатора тока должен быть на ступень
выше, чем класс точности присоединенных измерительных приборов. Приборы сведены
в таблицу 6.8
Таблица
6.8
Приборы, подключённые к ИТТ ТШЛК-10
|
Название
прибора
|
Тип
|
Мощность,
потребляемая обмоткой тока, ВА
|
Класс
точности
|
|
Амперметр
|
Э
335
|
0,5
|
1
|
|
Счётчик
ватт-часов
|
СА3-И681
|
2,5
|
1
|
|
Счётчик
вольт-ампер- часов реактивный
|
СР4-И689
|
2,5
|
1,5
|
6. По вторичной нагрузке:
, где
-
номинальное сопротивление нагрузки трансформатора тока в требуемом классе
точности
Ом.
- полное сопротивление всех
приборов, последовательно включенных во вторичную цепь трансформаторов тока
= ∑
,
где ∑
- суммарное
активное сопротивление последовательно соединенных катушек приборов и реле.
∑
Ом.
- сопротивление контактных
переводов всех контактов
Ом, при числе подключенных приборов
меньше трех
Ом.
7. Определение сечения соединительных проводов
вторичной цепи трансформатора тока:
,
где 
, удельное сопротивление алюминия,
так как во вторичных цепях на подстанциях 110 кВ и ниже применяются алюминиевые
провода
, где
т.к. 2 ТТ,
м,
м.

принимаем 2,5
, так как
согласно ПУЭ по условию механической прочности сечение алюминиевых проводов
должно быть не меньше 2,5 мм2.
8. Проверка на электродинамическую стойкость:
электродинамическая стойкость определяется стойкостью шин, поэтому проверка на
выполняется.
9. Проверка на термическую стойкость:

Выбор трансформаторов тока, расположенных рядом
с секционными выключателями на сборных шинах низшего напряжения
Выбираем трансформатор типа ТШЛК-10
с параметрами
А;
А; Uном = 10 кВ;
класс точности 0,5,
Ом.
Проверка
выбранного трансформатора тока:
. По номинальному напряжению:
. По току нагрузки:
. По вторичному току: так как
напряжение установки ниже 110 кВ, то выбираем трансформатор тока с
А
. По конструкции: шинный, для
КРУ, с литой изоляцией.
. По классу точности и
вторичной нагрузки: класс точности трансформатора тока должен быть на ступень
выше, чем класс точности присоединенных измерительных приборов. Приборы сведены
в таблицу 6.9
Таблица
6.9
Приборы, подключённые к ИТТ ТШЛК-10
|
Название
прибора
|
Тип
|
Мощность,
потребляемая обмоткой тока, ВА
|
Класс
точности
|
|
Амперметр
|
Э
335
|
0,5
|
1
|
6. По вторичной нагрузке:
, где
-
номинальное сопротивление нагрузки трансформатора тока в требуемом классе
точности
Ом.
- полное сопротивление всех
приборов, последовательно включенных во вторичную цепь трансформаторов тока
= ∑
,
где ∑
- суммарное
активное сопротивление последовательно соединенных катушек приборов и реле.
∑
Ом.
- сопротивление контактных
переводов всех контактов
Ом, при числе подключенных приборов
меньше трех
Ом.
7. Определение сечения соединительных проводов
вторичной цепи трансформатора тока:
,
где 
, удельное сопротивление алюминия,
так как во вторичных цепях на подстанциях 110 кВ и ниже применяются алюминиевые
провода
,
где
т.к. 1 ТТ,
м,
м.

принимаем 2,5
, так как
согласно ПУЭ по условию механической прочности сечение алюминиевых проводов
должно быть не меньше 2,5 мм2.
8. Проверка на электродинамическую стойкость:
электродинамическая стойкость определяется стойкостью шин, поэтому проверка на
выполняется.
9. Проверка на термическую стойкость:

Выбор трансформаторов тока, расположенных на
отходящих линиях
Выбираем трансформатор типа ТЛК-10 с
параметрами
А;
А; Uном = 10 кВ;
класс точности 0,5,
Ом.
Проверка выбранного трансформатора
тока:
). По номинальному напряжению:
). По току нагрузки:
). По вторичному току: так как
напряжение установки ниже 110 кВ, то выбираем трансформатор тока с
А
). По конструкции: для КРУ, с литой
изоляцией.
). По классу точности и вторичной
нагрузки: класс точности трансформатора тока должен быть на ступень выше, чем
класс точности присоединенных измерительных приборов. Приборы сведены в таблицу
6.10
Таблица
6.10
Приборы, подключённые к ИТТ ТЛК-10
|
Название
прибора
|
Тип
|
Мощность,
потребляемая обмоткой тока, ВА
|
Класс
точности
|
|
Амперметр
|
Э
335
|
0,5
|
1
|
|
Счётчик
ватт-часов
|
СА3-И681
|
2,5
|
1
|
|
Счётчик
вольт-ампер- часов реактивный
|
СР4-И689
|
2,5
|
1,5
|
6). По вторичной нагрузке:
, где
-
номинальное сопротивление нагрузки трансформатора тока в требуемом классе
точности
Ом.
- полное сопротивление всех
приборов, последовательно включенных во вторичную цепь трансформаторов тока
= ∑
,
где ∑
- суммарное
активное сопротивление последовательно соединенных катушек приборов и реле.
∑
Ом.
- сопротивление контактных
переводов всех контактов
Ом, при числе подключенных приборов
меньше трех
Ом.
). Определение сечения
соединительных проводов вторичной цепи трансформатора тока:
,
где 
, удельное сопротивление алюминия,
так как во вторичных цепях на подстанциях 110 кВ и ниже применяются алюминиевые
провода.
, где
т.к. 2 ТТ,
м,
м

принимаем 2,5
, так как
согласно ПУЭ по условию механической прочности сечение алюминиевых проводов
должно быть не меньше 2,5 мм2.
). Проверка на электродинамическую
стойкость:
кА
). Проверка на термическую
стойкость:

.6 Выбор трансформаторов напряжения
Выбор трансформаторов напряжения на
стороне 10 кВ
Перечень необходимых измерительных
приборов:
Предполагая, что на стороне 10 кВ
применено комплектное РУ наружной установки, выбираем трансформатор напряжения
НТМИ-10-66 У3, Uном = 10 кВ, S2,ном = 200
ВА в классе точности 1. Подсчёт вторичной нагрузки приведён в таблице 6.11.
ВА >
ВА
Так как
, то
устанавливаем второй трансформатор напряжения типа НТМИ-10-66У3 и часть
приборов подключаем к нему.
Для упрощения расчётов при учебном
проектировании можно принимать сечения проводов по условию механической
прочности 2,5
для
алюминиевых жил, поэтому для соединения трансформаторов напряжения с приборами
принимаем контрольный кабель АКРВГ.
Таблица
6.11
Вторичная нагрузка трансформатора напряжения
|
Прибор
|
Тип
|
S одной обмотки,
ВА
|
Число
обмоток
|
sin φ
|
cos φ
|
Число
приборов
|
P, Вт
|
Q, вар
|
|
Вольтметр
|
Э335
|
2
|
1
|
0
|
1
|
1
|
2
|
-
|
|
Ввод
10 кВ от силового трансформатора
|
|
Частотомер
|
Э362
|
1
|
1
|
0
|
1
|
1
|
1
|
-
|
|
Счётчик
активный
|
СА3-И681
|
2
Вт
|
2
|
0,925
|
0,38
|
1
|
4
|
9,737
|
|
Счётчик
реактивный
|
СР4-И689
|
3
Вт
|
2
|
0,925
|
0,38
|
1
|
6
|
14,605
|
|
Отходящие
линии
|
|
Счётчик
активный
|
СА3-И681
|
2
Вт
|
2
|
0,925
|
0,38
|
12
|
48
|
116,8
|
|
Счётчик
реактивный
|
СР4-И689
|
3
Вт
|
2
|
0,925
|
0,38
|
12
|
72
|
175,26
|
На стороне 35 кВ
Перечень необходимых измерительных приборов
принимаем также по. Выбираем трансформатор напряжения ЗНОМ-35-65У1, Uном
= 35 кВ, S2,ном
= 150 ВА в классе точности 0,5. Подсчёт вторичной нагрузки приведён в таблице
6.12.
= 80,54 ВА
Три трансформатора напряжения,
соединённых в звезду, имеют мощность
ВА, что больше
.
Для упрощения расчётов при учебном
проектировании можно принимать сечения проводов по условию механической
прочности 2,5
для
алюминиевых жил, поэтому для соединения трансформаторов напряжения с приборами
принимаем контрольный кабель АКРВГ.
Таблица
6.12
Вторичная нагрузка трансформатора напряжения
|
Прибор
|
Тип
|
S одной обмотки,
ВА
|
Число
обмоток
|
sin φ
|
cos φ
|
Число
приборов
|
P, Вт
|
Q, вар
|
|
Вольтметр
|
Э335
|
2
|
1
|
0
|
1
|
1
|
2
|
-
|
|
Ввод
10 кВ от силового трансформатора
|
|
Ваттметр
|
Д335
|
1,5
|
2
|
0
|
1
|
1
|
3
|
-
|
|
Частотомер
|
Э362
|
1
|
1
|
0
|
1
|
1
|
1
|
-
|
|
Счётчик
активный
|
СА3-И681
|
2
Вт
|
2
|
0,925
|
0,38
|
1
|
4
|
9,737
|
|
Счётчик
реактивный
|
СР4-И689
|
3
Вт
|
2
|
0,925
|
0,38
|
1
|
6
|
14,605
|
|
Отходящие
линии
|
|
Счётчик
активный
|
СА3-И681
|
2
Вт
|
2
|
0,925
|
0,38
|
6
|
20
|
48,68
|
|
Счётчик
реактивный
|
СР4-И689
|
3
Вт
|
2
|
0,925
|
0,38
|
6
|
60
|
204,47
|
.7 Выбор предохранителей
Выбор предохранителей на напряжение10 кВ
Выберем предохранители, расположенные между
сборными шинами низшего напряжения и трансформатором напряжения типа ПКТ
101-10-2-31,5У3.
Uном = 10 кВ;
А;
кА.
ВА.
А
Выберем предохранители,
расположенные между КИП и трансформатором напряжения типа ПН2.
Uном = 100 В;
А;
кА.
А.
Выбор предохранителей на напряжение
35 кВ
Выберем предохранители,
расположенные между сборными шинами низшего напряжения и трансформатором
напряжения типа ПКТ 101-35-2-8У3.
Uном = 35 кВ;
А;
кА.
ВА.
А
кА
Выберем предохранители,
расположенные между КИП и трансформатором напряжения типа ПН2.
Uном = 100 В;
А;
кА.
А.
.8 Выбор ограничителей
перенапряжения
Выбор ограничителей перенапряжения в
РУ НН
Выбираем ОПН-РС 10/12,7 /8/.
Характеристика выбранного ОПН приведена в таблице 6.13
Выбор ограничителей перенапряжения в
РУ СН
Выбираем ОПН/TEL 35/40,5
/8/. Характеристика выбранного ОПН приведена в таблице 6.13
Выбор ограничителей перенапряжения в
РУ ВН
Выбираем ОПН-У 110/102 [13].
Характеристика выбранного ОПН приведена в таблице 6.13
Таблица
6.13
Характеристики выбранных ОПН
|
Наименование
параметра
|
ОПН/TEL
|
|
10/11,5
|
35/40,5
|
110/156
|
|
Класс
напряжения сети, кВ
|
10
|
35
|
110
|
|
Наибольшее
длительно допустимое рабочее напряжение, Uнд, кВ
|
11,5
|
40,5
|
156
|
|
Номинальный
разрядный ток 8/20 мкс, Iн, не более:
|
5
|
10
|
10
|
|
-при
коммутационном импульсе тока
|
|
|
|
|
125
А, 30/60 мкс
|
25,4
|
93
|
356
|
|
250
А, 30/60 мкс
|
26,9
|
98
|
376
|
|
500
А, 30/60 мкс
|
27,6
|
101
|
384
|
|
-при
грозовом импульсе тока
|
|
|
|
|
5000
А, 8/20 мкс
|
32,8
|
119
|
460
|
|
10000
А, 8/20 мкс
|
35,8
|
130
|
500
|
|
20000
А, 8/20 мкс
|
40,1
|
146
|
560
|
|
-
при крутом импульсе тока
|
|
|
|
|
10000
А, 1/10 мкс
|
-
|
153
|
590
|
|
Емкостный
ток проводимости, Iс, мА, не более
|
|
|
|
|
амплитуда
|
0,9
|
0,9
|
0,9
|
|
действующее
значение
|
0,7
|
0,7
|
0,7
|
|
Удельная
энергия ОПН, кДж/кВ Uнд, не менее:
|
5,5
|
5,5
|
5,5
|
|
Максимальная
амплитуда импульса тока 4/10 мкс, кА
|
100
|
100
|
100
|
|
Взрывобезопасный
ток при коротком замыкании, Iкз, кА
|
30
|
30
|
30
|
|
Максимальное
изгибающее усилие, Н
|
-
|
580
|
640
|
7. ВЫБОР РЕЛЕЙНОЙ ЗАЩИТЫ И АВТОМАТИКИ
.1 Выбор релейной защиты
Шины 10 и 35 кВ
Для сборных шин КРУ применим дуговую защиту и
быстродействующую дифференциальную токовую защиту в двухфазном двухрелейном
исполнении. Для сборных шин вне КРУ будем использовать максимальную токовую
защиту, установленную на линии питания секции шин непосредственно на
выключателе ввода в распределительное устройство.
Кабельные линии 10 кВ и линии 35 кВ
От многофазных замыканий применим токовую
направленную защиту нулевой последовательности.
От однофазных замыканий с действием
на сигнал применим токовую защиту нулевой последовательности, реагирующую на
первые гармоники тока
или сумму
всех гармоник.
Шины 110 кВ
От междуфазных и однофазных коротких
замыканий применим дифференциальную защиту шин.
Для отключения повреждений,
сопровождающихся отказом выключателя, предусмотрим специальное устройство
резервирования при отказе выключателей (УРОВ), отключающее выключатели других
электрических цепей, продолжающих питать короткие замыкания.
Трансформаторы
Для защиты от замыканий внутри бака
маслонаполненных трансформаторов или автотрансформаторов, сопровождающихся
выделением газа, а также от понижения уровня масла в баках применяется газовая
защита, регулирующая на образование газов, сопровождающих повреждение внутри
кожуха трансформатора, в отсеке РПН. Установка газовой защиты обязательна для
всех трансформаторов, номинальная мощность которых больше 6,3 МВА.
Для защиты трансформатора от
повреждений на выводах и от внутренних повреждений трансформатора применим
дифференциальную защиту. Трансформаторы тока для этой защиты - встроенные в
силовой трансформатор типа ТВТ.
В качестве защиты от внешних
многофазных к.з. будем использовать:
1. Токовые защиты шин распределительных
устройств низшего и среднего напряжений, подключенных к соответствующим выводам
трансформатора;
2. Максимальная токовая защита с пуском
напряжения, устанавливаемая на стороне высшего напряжения.
Устанавливаем так же максимальную токовую защиту
от токов перегрузки с действием на сигнал с выдержкой времени.
.2 Автоматика подстанции
При автоматизации подстанции предусмотрим
следующее оборудование:
) Автоматическое включение резервного питания и
оборудования (АВР);
2) Автоматическое повторное включение (АПВ) на
отходящих фидерах.
АВР
Назначение АВР состоит в том, чтобы при авариях,
когда по тем или иным причинам исчезает напряжение на одной системе (секции)
сборных шин, опознать сложившуюся аварийную ситуацию и без вмешательства
персонала автоматически восстановить электроснабжение потребителей от
резервного источника питания. Рассмотрим схему и принцип действия АВР
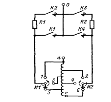
выключателя (рис. 7.2.1).
Пусковой орган УАВР содержит
минимальные реле напряжения KV1, KV3 и
максимальное реле напряжения KV2. Выдержку времени
создаёт реле
времени КТ. Однократность действия обеспечивается промежуточным реле KLT, имеющим
при возврате выдержку времени
. В нормальном режиме выключатель Q4 включён, а
выключатель QB1 отключён.
На шинах и на вводах от Т1 к секции шин А1 имеется напряжение. Контакты
минимальных реле напряжения KV1 и KV3
разомкнуты, а контакт максимального реле напряжения KV2 замкнут.
Вспомогательные контакты Q4.1 и Q4.2
выключателя Q4 замкнуты,
а вспомогательный контакт Q4.3 разомкнут. При этом реле KLT находится в
возбуждённом состоянии и его контакты KLT.1 и KLT.2 замкнуты.
Вспомогательный контакт QB1.1 выключателя QB1 замкнут;
цепь электромагнита включения УАС2 подготовлена.
Рис. 7.2.1 Схема устройства АВР
выключателей с электромагнитными приводами
Устройство АВР действует следующим
образом. При исчезновении напряжения на шинах подстанции срабатывают реле KV1 и KV3, их
контакты в цепи реле времени КТ замыкаются. Если на вводах имеется напряжение,
то реле KV2 находится в
состоянии после срабатывания, его контакт замкнут. Реле времени КТ приходит в
действие и по истечении времени
замыкает контакт в цепи
электромагнита отключения YAT1, выключатель Q4
отключается, при этом его вспомогательные контакты Q4.1 и Q4.2
размыкаются, а Q4.3 в цепи электромагнита включения YAC2
замыкается, производя включение выключателя QB1. Если
включение происходит на повреждённые шины, то защита выключателя (на схеме не
показана) с ускорением после действия УАВР отключает его. Повторного включения
не последует, так как к этому времени реле KLT размыкает
свои контакты KLT.1 и KLT.2.
АПВ на отходящих фидерах
Опыт показывает, что значительная
часть отключений оборудования релейной защиты вызывается нарушением изоляции
высокого напряжения, которые самоустраняются при снятии напряжения. На
воздушных линиях, например, они возникают при перекрытии изоляции во время
грозы, схлёстывании проводов при сильном ветре и т.п. После кратковременного
отключения линии её изоляция обычно восстанавливается и при повторном включении
линии действием АПВ она остаётся в работе.
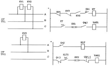
Рассмотрим принцип работы и схему
двукратного АПВ линий, оборудованных выключателями с электромагнитными
приводами, с применением реле типа РПВ-258 (рис.7.2.2). данное устройство
применяют для линий с одно-двухсторонним питанием на подстанциях, работающих на
оперативном постоянном токе. В схеме АПВ двукратного действия для осуществления
первого цикла используют проскальзывающий контакт реле времени 1В, а второго поперечный
контакт 1В. После срабатывания реле 1В замыкается его проскальзывающий контакт
1В и конденсатор 1С разряжается на параллельную обмотку реле 1П и обмотку
вспомогательного реле 1У, вызывая их кратковременное срабатывание. При
неуспешном АПВ в первом цикле защита вновь срабатывает, и на реле времени 1В
подаётся напряжение. проскальзывающий контакт 1В замыкается, но реле 1П не
срабатывает, т.к. конденсатор 1С не успевает разрядиться. При замыкании
замыкающего контакта 1В, имеющего выдержку времени при замыкании, конденсатор
2С разряжается, срабатывают реле 1П и 2У и выключается выключатель так же, как
и в первом цикле.
Рис. 7.2.2 Схема устройства АПВ на
выпрямленном оперативном токе
Неуспешное действие устройств АПВ
приводит к новому пуску реле РПВ-258, однако при замыкании замыкающих контактов
1В реле 1П не срабатывает, т.к. конденсаторы не успели зарядиться. Реле 4П и
РПВ-258 остаются во включённом состоянии до отключения схемы ключом управления.
Контакт 4П включён на “-“ для предупреждения заряда конденсатора 1С и
неправильного третьего отключения выключателя при возврате реле времени в
исходное состояние, происходящем после отключения схемы ключом управления.
Для ограничения скорости заряда конденсаторов 1С
и С2 предназначены, соответственно резисторы R2
и R3. Разряд
конденсаторов 1С и 2С при наличии запрета АПВ происходит соответственно через
резисторы R4 и R5.
8. ВЫБОР КОНТРОЛЬНО-ИЗМЕРИТЕЛЬНЫХ ПРИБОРОВ
Контроль за соблюдением установленного режима
работы подстанции, качества получаемой и отпускаемой электроэнергии и состояния
изоляции осуществляется с помощью показывающих и регистрирующих измерительных
приборов и счётчиков.
В силу особенности порядка расчета в проекте,
КИП были выбраны в пп.7.6.
Выбранные КИП приведены в таблице 8.1.
Таблица
8.1
Выбранные контрольно-измерительные приборы
|
Приборы
|
Тип
|
Число
приборов
|
|
РУ
35 кВ
|
|
Амперметр
|
Э
335
|
2
|
|
Ваттметр
|
Д-335
|
2
|
|
Счётчик
ватт-часов
|
СА3-И681
|
2
|
|
Счётчик
вольт-ампер- часов реактивный
|
СР4-И689
|
2
|
|
Ввод
от силовых трансформаторов к сборным шинам низшего напряжения
|
|
Амперметр
|
Э
335
|
2
|
|
Частотомер
|
Э362
|
2
|
|
Счётчик
ватт-часов
|
СА3-И681
|
2
|
|
Счётчик
вольт-ампер- часов реактивный
|
СР4-И689
|
2
|
|
На
секционных ТТ (10 кВ)
|
|
Амперметр
|
Э
335
|
1
|
|
На
отходящих линиях 10 кВ
|
|
Амперметр
|
Э
335
|
12
|
|
Счётчик
ватт-часов
|
СА3-681
|
12
|
|
Счётчик
вольт-ампер- часов реактивный
|
СР4-И689
|
12
|
|
На
сборных шинах 10 кВ
|
|
Вольтметр
|
Э335
|
1
|
|
На
сборных шинах 35 кВ
|
|
Вольтметр
|
Э335
|
1
|
|
РУ
110 кВ
|
|
Амперметр
|
Э
335
|
1
|
|
На
отходящих линиях 35 кВ
|
|
Амперметр
|
Э
335
|
6
|
|
Счётчик
ватт-часов
|
СА3-681
|
6
|
|
Счётчик
вольт-ампер- часов реактивный
|
СР4-И689
|
6
|
9. ВЫБОР ОПЕРАТИВНОГО ТОКА И ИСТОЧНИКОВ ПИТАНИЯ
Совокупность источников питания, кабельных
линий, шин питания переключающих устройств и других элементов оперативных цепей
составляет систему оперативного тока данной установки. На проектируемой
подстанции применим выпрямленный оперативный ток, так как мы выбирали
выключатели, которые снабжены мощными электромагнитными приводами и сложными
быстродействующими защитами.
Для проектируемой подстанции применим блоки
питания:
БПН-1002 - для питания цепей сигнализации и
блокировки, что уменьшает разветвленность цепей оперативного тока и
обеспечивает возможность выдачи всей мощности стабилизированных блоков для
срабатывания защиты и отключения выключателей;
Блок питания стабилизированный типа БПНС-2,
который обеспечивает надежное питание при удаленных трехфазных и любых
несимметричных КЗ, совместно с токовыми типа БПТ-1002 - для питания цепей
защиты, автоматики и управления.
Блоки питания БП-11 и БП-101 будем использовать
для питания релейной защиты и автоматики.
Запитаем цепи включения выключателей с
электромагнитными приводами от трансформаторов собственных нужд через
специальные мощные выпрямительные устройства КВУ-66/2, размещаемые в
комплектных шкафах КРУН.
10. СОБСТВЕННЫЕ НУЖДЫ ПОДСТАНЦИИ
На упрощенных подстанциях 35-110 кВ схема и
аппаратура собственных нужд (СН) должны обеспечить работу подстанции как в
нормальном, так и в аварийном режимах при отсутствии обслуживающего персонала.
Основными потребителями собственных нужд
являются: устройства регулирования напряжения силовых трансформаторов;
двигатели вентиляторов дутьевого охлаждения; выпрямительные устройства; блоки
питания; нагревательные элементы для подогрева счетчиков, приводов в КРУН,
короткозамыкателей и отделителей; освещение территории подстанции, шкафов КРУН
и т.д.
Для определения мощности ТСН составляется
ведомость ожидаемых нагрузок с учётом обеспечения всех потребителей СН при
выходе из строя одного из ТСН.
Расход на СН для проектируемой подстанции
приведён в таблице 10.1
Таблица
10.1
Расход на СН для проектируемой подстанции
|
Электроприёмники
|
Установленная
мощность приёмника, кВт
|
Кол-во
приёмников
|
Суммарная
мощность
|
|
Электродвигатели
обдува трансформатора
|
8
|
2
|
16
|
|
Подогрев
выключателей на 35 кВ
|
1,15
|
9
|
10,35
|
|
Обогрев
шкафов релейной аппаратуры
|
0,5
|
2
|
1
|
|
Обогрев
приводов разъединителей
|
0,6
|
26
|
15,6
|
|
Обогрев
шкафов КРУН
|
0,6
|
12
|
7,2
|
|
Наружное
освещение
|
4,5
|
-
|
4,5
|
|
Оперативные
цепи
|
1,8
|
-
|
1,8
|
|
Подогрев
выключателей на 110 кВ
|
1,75
|
3
|
5,25
|
Итого
= 61,17 кВт
Выбираем мощность ТСН-63 кВ∙А., а именно
ТМ-63/10. Трансформатор СН присоединяют к выводам 6-10 кВ силового
трансформатора. Схема электрических соединений СН предусматривает одновременную
работу обоих трансформаторов СН на секционированные разъединителем основные
шины 220 В.
11. РЕГУЛИРОВАНИЕ НАПРЯЖЕНИЯ НА ПС
Для нормальной работы потребителей необходимо
поддерживать определённый уровень напряжения на шинах подстанции. Предусматриваются
способы регулирования напряжения, одним из которых является изменение
коэффициента трансформации.
Изменение коэффициента трансформации между
обмотками высшего и низшего напряжений позволяет поддерживать на шинах НН
напряжение, близкое к номинальному, когда первичное или вторичное напряжение
отклоняется по тем или иным причинам от номинального.
Обмотки трансформаторов снабжаются
дополнительными ответвлениями, с помощью которых можно изменять коэффициент
трансформации. Переключение ответвлений может происходить без возбуждения и под
нагрузкой.
На проектируемой подстанции выбранные
трансформаторы снабжены устройством РПН (регулирование напряжения под
нагрузкой), которое позволяет регулировать напряжение на работающем
трансформаторе непосредственно под нагрузкой.
Регулировочные ступени выполняются на стороне
ВН, т.к. меньший по значению ток позволяет обеспечить переключающее устройство.
Схематично это устройство изображено на рис.11.1 (для одной фазы).
Рис.11.1 Устройство РПН
трансформаторов
где аb - основная обмотка;- ступень
грубой регулировки;- ступени плавной регулировки;
П - переключатель;
И - избиратель.
Для расширения диапазона
регулирования без увеличения числа ответвлений применяют ступени грубой и тонкой
регулировки. Наибольший коэффициент трансформации получается, если
переключатель П находится в положении II, а избиратель И - на ответвлении 6.
Переход с одного ответвления
регулировочной обмотки на другое осуществляется так, чтобы не разрывать ток нагрузки
и не замыкать накоротко витки этой обмотки. На рис. 11.2 представлена схема
переключающего устройства с резисторами и регулировочная часть обмотки de.
Рис. 11.2 Схема переключений
устройства РПН с токоограничивающими сопротивлениями
12. ВЫБОР КОНСТРУКЦИИ РАСПРЕДУСТРОЙСТВ
РУ 110, 35 кВ подстанции выполняется открытого
типа. Они выполняются из сборного железобетона. Ошиновка РУ - гибкая, из
сталеалюминевых проводов и труб. Соединения выводов 6-10 кВ трансформаторов с
КРУН (шинный мост) выполняются жесткими токопроводами.
Все аппараты на стороне высшего напряжения
подстанции располагаются на низких основаниях в горизонтальной плоскости.
Короткозамыкатели, отделители, разъединители, трансформаторы напряжения - монтируют
на специальных опорных конструкциях (стульях).
Фундаменты под силовые трансформаторы, несущие
конструкции (порталы, опоры) и опорные конструкции аппаратов сооружаются на
отметках 250 мм выше уровня планировки. Фундаменты выполняются в виде железобетонных
подножников.
Фундамент под силовой трансформатор имеет
размеры, соответствующие трансформатору (на одну ступень мощности более
спроектированного).
Шины 10 кВ - жёсткие алюминиевые прямоугольного
сечения, однополосные.
РУ 10 кВ выполняются из комплектных шкафов
наружной установки (КРУН) заводского изготовления с ячейками типа
КВВ-02-10-31,5-У3.Таблица 12.1
Таблица
12.1
Технические данные КРУ
|
Наименование
параметра
|
Значение
параметра
|
|
1.
Номинальное напряжение, кВ
|
10
|
|
2.
Наибольшее рабочее напряжение (линейное), кВ
|
12
|
|
3.
Номинальный ток главных цепей шкафов КРУ, А
|
630
|
|
4.
а) Стойкость к токам короткого замыкания главных цепей, за исключением цепей,
подключаемых непосредственно к выводам трансформаторов напряжения,
разрядников, конденсаторов и т. д. б) электродинамическая термическая в
течение 3 с, кА в) эффективное значение периодической составляющей, кА
|
51 31,5 31,5
|
|
5.
Ширина шкафа, мм
|
900
|
|
6.
Глубина шкафа, мм
|
1664
|
|
7.
Высота, мм
|
2380
|
13. ВЫБОР КОНТРОЛЬНО-ИЗМЕРИТЕЛЬНЫХ ПРИБОРОВ
Контроль за соблюдением установленного режима
работы подстанции, качества получаемой и отпускаемой электроэнергии и состояния
изоляции осуществляется с помощью показывающих и регистрирующих измерительных
приборов и счётчиков.
Выбранные КИП приведены в таблице 13.1
Таблица
13.1
|
Название
прибора
|
Тип
|
Количество
|
|
РУ ВН
|
|
Амперметр
|
Э335
|
4
|
|
РУ СН
|
|
Амперметр
|
Э335
|
3
|
|
Ваттметр
|
Д335
|
3
|
|
Счётчик
активный (ватт-часов)
|
СА3-И681
|
3
|
|
Счётчик
реактивный (вольт-ампер-часов)
|
СР4-И689
|
3
|
|
Вольтметр
|
Э335
|
2
|
|
Частотомер
|
Э362
|
2
|
|
Отходящие линии
СН
|
|
Амперметр
|
Э 335
|
6
|
|
Счётчик
активный (ватт-часов)
|
СА3-И681
|
6
|
|
Счётчик
реактивный (вольт-ампер-часов)
|
СР4-И689
|
6
|
|
РУ НН
|
|
Амперметр
|
Э 335
|
3
|
|
Счётчик
активный (ватт-часов)
|
СА3-И681
|
3
|
|
Счётчик
реактивный (вольт-ампер-часов)
|
СР4-И689
|
3
|
|
Вольтметр
|
Э335
|
2
|
|
Частотомер
|
Э362
|
2
|
|
Отходящие линии
НН
|
|
Амперметр
|
12
|
|
Счётчик
активный (ватт-часов)
|
СА3-И681
|
12
|
|
Счётчик
реактивный (вольт-ампер-часов)
|
СР4-И689
|
12
|
14. ВЫБОР ОПЕРАТИВНОГО ТОКА И ИСТОЧНИКОВ ПИТАНИЯ
Вид оперативного тока определяется типами
выбранных выключателей (приводов), а также схемами релейной защиты и
автоматики. Для проектируемой подстанции применим выпрямленный оперативный ток,
т.к. выбраны выключатели, которые снабжены мощными электромагнитными приводами
и сложными быстродействующими защитами.
Для проектируемой подстанции применим блоки
питания БПТ-1002 и БПН-1002, т.к. они выдают значительные мощности (выходная
мощность до 1200 Вт, напряжение 110 В).
Блоки питания БП-11 и БП-101 будем использовать
для питания релейной защиты и автоматики.
Запитаем цепи включения выключателей с
электромагнитными приводами от ТСН через специальные мощные выпрямительные
устройства КВУ-66/2, размещаемые в комплектных шкафах КРУН.
. Заземление подстанции
Заземляющие устройства представляют собой
электрические устройства, предназначенные для создания надежных и обладающих
небольшим сопротивлением заземления определенных частей электрических машин,
электрических аппаратов, токопроводов и молниеотводов с целью обеспечения
принятых режимов работы электроустановок, защиты их персонала от поражения
электрическим током, выполнения грозозащиты и защиты от перенапряжений.
Соответственно, различают рабочее, защитное и грозозащитные заземления.
Обычно для выполнения всех трех типов заземления
электроустановки используют одно заземляющее устройство. Оно состоит из
заземлителя, непосредственно соприкасающегося с землей, и системы проводников,
соединяющих заземляемые элементы с заземлителем. Различают естественные и
искусственные заземлители.
Заземляющее устройство для установок 110 кВ и
выше выполняется из вертикальных заземлителей, соединительных полос, полос,
проложенных вдоль рядов оборудования, и выравнивающих полос, проложенных в
поперечном направлении и создающих заземляющую сетку с переменным шагом.
Расстояние между полосами должно быть не более 30 м.
Определяем площадь заземляющего устройства
подстанции. От ограды подстанции отступаем 2 м
,
м2.
Произведем расчет заземляющего
устройства подстанции площадью 3686м2;
Ом*м (с учетом промерзания);
м;
Ом*м;
м;
м;
с;
с.
Естественных заземлителей нет.
Расчётный ток принимаем равным:
кА.
Длина вертикальных заземлителей (согласно
эскизу заземляющего устройства подстанции на рис. 28)
м.
Рисунок 16.1 Эскиз заземляющего устройства
подстанции
Для
с находим предельно допустимое
напряжение
В.
Коэффициент прикосновения
, где:
= 0,53 при
;
,
Потенциал на заземлителе
В,
что в пределах нормы (меньше 10 кВ).
Сопротивление заземляющего
устройства
Ом.
Действительный план заземляющего
устройства преобразуем в расчетную модель со стороной
м.
Число ячеек по стороне квадрата
Принимаем
= 13
Длина полос в расчетной модели:
м
Длина сторон ячейки
м.
Число вертикальных заземлителей:
.
Принимаем
= 49.
Общая длина вертикальных
заземлителей
м.
Эскиз заземляющего устройства
подстанции приведены на рис. 16.1.
Относительная глубина:
, тогда
.
По табличным данным для
,
Определяем
, тогда
Ом*м.
Общее сопротивление сложного
заземлителя:
Ом,
что больше допустимого. Напряжение
прикосновения:
В,
что больше допустимого.
Примем подсыпку гравия (толщиной 0,2
м) рабочих мест. Удельное сопротивление верхнего слоя (гравия) в этом случае
будет ρв,с = 3000
Ом*м, тогда:
,
Подсыпка гравием не влияет на
растекание тока с заземляющего устройства, так как глубина заложения
заземлителей (2 м) больше толщины слоя гравия, поэтому соотношение р1/р2
и М остаются неизменными. Тогда:
В
Ом
Таким образом, Rз < R`здоп.
Напряжение прикосновения:
В,
что меньше допустимого.
Из расчёта видно, как эффективна
подсыпка гравием на территории подстанции.
Определим наибольший допустимый ток,
стекающий с заземлителей подстанции при однофазном КЗ:
А.
. МОЛНИЕЗАЩИТА ПОДСТАНЦИИ
Принимаем hx = 6,4 м (по
плану подстанции). Устанавливаем молниеотводы стержневого типа по углам территории
подстанции на расстоянии 3 м от ограждения. Тогда расчетные расстояния между
молниеотводами: L1 = 80 - 2 ∙
3 = 64 м; L2 = 52 - 2 ∙
3 = 36 м;
м.
Высота молниеотвода h = 20 м.
r0 = (1,1 -
0,002 ∙ h) ∙ h ,
r0 = (1,1 - 0,002
∙ 20) ∙ 20 = 21,2 м;
rx = (1,1 -
0,002 ∙ h) ∙ (h - hx/0,85), м;
rx = (1,1 -
0,002 ∙ 20) ∙ (20 - 6,4/0,85) = 13,21 м;
h0 = 0,85 ∙
h,
h0 = 0,85 ∙
20 = 17 м.
Зона защиты определяется как зона
защиты попарно взятых соседних молниеотводов. Условием защищенности объектов
высотой hx является
выполнение неравенства rcx > 0 для
всех попарно взятых молниеотводов
hc1 = h0 - (0,17 + 3
∙ 10-4 ∙ h) ∙ (L1 - h),
hc1 = 17 -
(0,17 + 3 ∙ 10-4 ∙ 20) ∙ (66 - 20) = 8,9 м;
hc2 = 17 -
(0,17 + 3 ∙ 10-4 ∙ 20) ∙ (37 - 20) = 14,008 м;
hc3 = 17 -
(0,17 + 3 ∙ 10-4 ∙ 20) ∙ (75,66 - 20) = 7,2 м;
,
м;
м;
м
Для всех rсх > 0. Радиус
действия молниеотводов позволяет защитить подстанцию от прямых ударов молнии.
Эскиз молниезащиты подстанции
представлен на рисунке 16.1.
Рисунок 16.1 Эскиз молниезащиты
подстанции
Предусматриваем установку четырёх
одиночных стержневых молниеотводов.
Стандартной зоной защиты
одиночного стержневого молниеотвода высотой h
является круговой конус высотой h0
< h, вершина которого
совпадает с вертикальной осью молниеотвода (рис. 16.1). Габариты зоны
определяются двумя параметрами: высотой конуса h0
и радиусом конуса на уровне земли r0.
Расчёт зоны защиты каждого их молниеотводов представлен в табл. 16.1
Рисунок 16.1 Зона защиты одиночного стержневого
молниеотвода
Таблица
16.1
|
Высота
молниеотвода h,
м
|
Высота
конуса h0,
м
|
Радиус
конуса r0,
м
|
|
25
|
0,85h
= 21,25
|
1,2h
= 300
|
ЗАКЛЮЧЕНИЕ
В результате курсового проектирования была
спроектирована районная понизительная подстанция для электроснабжения
потребителей электрической энергии напряжением 110/35/10 кВ.
Спроектированная подстанция позволяет:
- бесперебойно снабжать электроэнергией
потребителей I и II категории. Для этого были рассмотрены и выбраны различные
устройства релейной защиты и автоматики;
- измерять и учитывать протекающую через
нее электрическую энергию;
устройства автоматического
регулирования напряжения (РПН), установленные в силовых трансформаторах,
позволяют без выключения трансформаторов изменять напряжение в заданных
пределах;
установки комплектных распределительных
устройств наружной установки (КРУН) позволяют не только «легко» управлять
подстанцией, но и затраты на сооружение такой подстанции существенно меньше,
нежели при сооружении открытых устройств;
большая часть подстанции управляется с
помощью автоматических устройств, наличие дежурного персонала становится не
обязательным.
В результате проделанной работы были приобретены
навыки по курсовому проектированию электрической части электростанций и
подстанций.
Выбор современного оборудования позволил
повысить надёжность и актуальность объекта проектирования.
Таким образом, был осуществлён проект районной
понизительной подстанции, удовлетворяющий нормам современного проектирования.
СПИСОК ИСПОЛЬЗОВАННОЙ ЛИТЕРАТУРЫ
1.
Рожкова Л.Д., Козулин В.С.. Электрооборудование станций и подстанций: Учебник.-
М.:Энергоатомиздат, 2009.-648 с.
.
Куликов В.Д.. Электрические станции и подстанции систем электроснабжения. Методические
указания по курсовому проектированию.- Саратов: СГТУ, 2004.- 35 с.
Методика
оценки эффективности инвестиционных проектов в электроэнергетике: Метод. указ.
к дипломному и курсовому проектированию Сост. Гусева Н.В., Куликов В.Д.,
Новичков С.В.. Саратов: СГТУ, 2014.-19 с.
4
Неклепаев Б.Н.. Электрическая часть электростанций и подстанций: Учебник для
вузов.- М.: Энергоатомиздат, 2010.-640 с.
5
Неклепаев Б.Н., Крючков И.П.. Электрическая часть электростанций и подстанций:
Справочные материалы для курсового и дипломного проектирования: Учеб. пособие
для вузов.- М.: Энергоатомиздат, 2009.- 608 с.
Пособие
к курсовому и дипломному проектированию для энергетических специальностей
вузов: Учеб. пособие для студентов электроэнергетических спец. вузов / В.М. Блок,
Г.К. Обушев, Л.Б. Паперно и др.; Под ред. В.М. Блок.-М.: Высш. шк.,1990.- 383
с.
)
Каталог «НПП Контакт», 2008
)
Каталог «Таврида Электрик», 2008
9)
Справочник по проектированию электроснабжения / под ред. Барыбин Ю.Г. и
др.-М.:Энергоатомиздат,2010.-576с.
)
Андреев В.А. Релейная защита и автоматика систем электроснабжения.- М.: Высшая
школа, 2011. - 495 с.