Проектирование понизительной подстанции переменного тока
Федеральное бюджетное государственное
общеобразовательное учреждение высшего профессионального образования
«Дальневосточный государственный
университет путей сообщения»
Кафедра: «Электроснабжение
транспорта»
КУРСОВАЯ РАБОТА
по дисциплине: «Электрическая часть
станций и подстанций»
на тему: «Проектирование
понизительной подстанции переменного тока»
Выполнил: Бахарев И.Н.
Проверил: Григорьев Н.П.
Хабаровск
г.
Содержание
Введение
Исходные данные
. Разработка схемы главных электрических соединений
.1 Распределительное устройство 110 кВ промежуточной
транзитной подстанции
.2 Распределительное устройство 38,5кВ
.3 Распределительное устройство 10 кВ
Расчет токов короткого замыкания
.1 Расчет эквивалентного сопротивления внешнего
электроснабжения и сопротивлений обмоток силового трансформатора
.2 расчет токов короткого замыкания в точках КЗ
.3 Определение величины теплового импульса
.4 Расчет максимальных рабочих токов основных присоединений
подстанции
. Собственные нужды
.1 Выбор аккумуляторной батареи
.2 Выбор подзарядного и зарядного устройства аккумуляторной
батареи
.3 Выбор трансформатора собственных нужд
. Выбор основного оборудования
.1 Выбор выключателей
.2 Выбор и проверка разъедениетелей
.3 Выбор измерительных трансформаторов тока
.4 Выбор изоляторов
.5 Выбор ограничителей напряжения (ОПН)
.6 Выбор измерительных трансформаторов напряжения
Расчет заземляющего устройства и выбор напряжения
прикосновения
.1 Расчет заземляющего устройства
.2 Определение напряжения прикосновения
Заключение
Список литературы
Приложение
Введение
Огромную роль в системах электроснабжения играют электрические подстанции
- электроустановки, предназначенные для приёма, преобразования и распределения
электроэнергии.
При разработке подстанции используют типовые решения, схемы и элементы,
что приводит к унификации оборудования подстанции и как следствие к удешевлению
обслуживания и проектировочной стоимости. Но на практике, при разработке
подстанции приходится учитывать особенности месторасположения и другие исходные
условия. Также необходимо учитывать постоянное усовершенствование
электрооборудования, используемого на подстанции, так как внедрение передовых
проектных решений будет обеспечивать соответствие разрабатываемой подстанции
современному мировому техническому уровню.
Задачей данной курсовой работы является разработка электрической части
подстанции. Основное внимание уделяется разработке схемы главных электрических
соединений подстанции, расчёту параметров, таких как токи короткого замыкания,
максимальные рабочие токи, тепловые импульсы, необходимых для выбора и проверки
основного электрооборудования подстанции: выключателей, разъединителей,
трансформаторов тока и напряжения, изоляторов, шин и токоведущих частей. В
работе имеются ссылки на литературу, которой руководствовались при описании
определённого пункта.
Исходные данные
Таблица 1. Параметры питающей системы
|
ИП1
|
ИП2
|
|
, МВА , МВА , МВА , МВА
|
|
|
|
|
2100
|
700
|
2400
|
|
электрический подстанция
замыкание ток
Примечание:

-
сверхпереходная мощность короткого замыкания на шинах источника питания; 
-
мощность питающей системы;
.
Данные по понизительным трансформаторам, фидерам районной нагрузки
понизительной подстанции общего назначения.
|
ТП
|
Нагрузка района
|
|
Sн
|
UВН
|
UСН
|
UНН
|
n
|
S35
|
n
|
S10
|
n
|
|
МВА
|
кВ
|
кВ
|
кВ
|
шт.
|
кВА
|
шт.
|
кВА
|
шт.
|
|
25
|
115
|
38,5
|
10,5
|
2
|
1200
|
5
|
800
|
10
|
|
ЛЭП
|
l1
|
l2
|
l3
|
l4
|
l5
|
l6
|
|
Длина, км
|
80
|
70
|
65
|
45
|
80
|
50
|
Рис. 1. Схема внешнего электроснабжения тяговых подстанций
Мощность транзита: S=50
МВт
Ячейки Кру: КТ-105
Вид шин: Гибкий.
1. Разработка
схемы главных электрических соединений
На основании указанных в задании исходных данных и типовых решений,
приведенных в учебной и справочной литературе, с соблюдением требуемых ГОСТов
условных обозначений ([18], [19]) составляем схему главных электрических
соединений подстанции. Схема представлена в приложении 1 работы.
Согласно [1] схема РУ выбирается с учетом количества присоединяемых ВЛ и
трансформаторов, необходимости секционирования.
Согласно [4] с целью ограничения опасных для оборудования коммутационных
перенапряжений следует применять ОПН. Для защиты трансформаторного оборудования
от грозовых перенапряжений на стороне 6-10 кВ так же устанавливаются ОПН. ОПН,
которые выпускает компания «Таврида Электрик», разработаны с использованием
последних технологических достижений и опыта эксплуатации ОПН в отечественной и
зарубежной практике.
Нейтрали обмоток 110 кВ трансформаторов, которые в процессе эксплуатации
могут быть изолированы от земли, должны быть защищены ограничителями
перенапряжений (согласно [2]).
Согласно [1] на всех ПС 110 кВ устанавливаются трансформаторы с
устройством регулирования напряжения под нагрузкой (РПН), которое на схеме
главных электрических соединений обозначается в виде стрелки, пересекающую
обмотку ВН силовых трансформаторов.
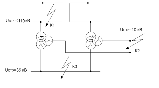
.1
Структурная схема подстанции
Формирование схем главных электрических соединений электроустановок
наиболее целесообразно производить, используя их структурные схемы. На рис. 1.1
приведена структурная схема расчётной понизительной подстанции. Основным
элементом, связывающим между собой РУ различных напряжений, являются силовые
трансформаторы.
Рис.1.1. Структурная схема ПС
.2
Распределительное устройство 110 кВ
РУ 110 кВ для расчётной проходной подстанции выполнено по схеме 5АН -
мостик с выключателями в цепях трансформаторов и ремонтной перемычкой со
стороны трансформаторов (согласно [1]). Мостиковые схемы применяются на стороне
ВН ПС 110 кВ при 4-х присоединениях (2 воздушных линии+2 трансформатора) и
необходимости осуществления секционирования сети.
Не используем схемы 5Н, так как предпочтительнее применять схему 5АН при
необходимости секционирования сети на данной ПС в режиме ремонта выключателя и
при необходимости частого отключения трансформаторов. Необходимость установки
ремонтной перемычки в схеме 5АН определяется возможностью отключения одного из
трансформаторов на время ремонта выключателя.
Схема распределительного устройства выполнена с ремонтной перемычкой со
стороны ЛЭП. Ремонтная перемычка, выполненная двумя разъединителями с
заземляющими ножами и участком шин с трансформаторами тока, включается тогда
когда необходимо перевести оба трансформатора на питание от другой воздушной
линии. Наличие двух разъединителей обеспечивает возможность безопасного осмотра
и ремонта. Для подключения цепей защиты установлены трансформаторы тока в
количестве 4 штук. Трансформаторы напряжения в количестве 2 штук
устанавливаются для подключения релейной защиты, органов учета энергии и
контроля уровня напряжения.
.3
Распределительное устройство 35 кВ
Выполнено по схеме 35-1 (одна, секционированная выключателем система
шин). Количество присоединений равно 10 (2 ввода и 8 фидеров). Не можем
использовать схему 35-9, т.к. в ней минимальное число вводов равно трём, а в
нашем случае двум.
Для подключения цепей защиты установлены трансформаторы тока в количестве
10 штук (по 1 шт. на каждом вводе и на каждом из восьми фидеров).
Трансформаторы напряжения устанавливаются в количестве 2 штук. Схемы соединения
обмоток ТН: звезда-звезда-разомкнутый треугольник. Обмотка, соединённая по
схеме разомкнутый треугольник, нужна для определения напряжения нулевой
последовательности.
.4
Распределительное устройство 10 кВ
Выполнено по схеме 10-1 - одна, секционированная выключателем, система
шин. Количество присоединений равно 12 (2 ввода и 10 фидеров).
Согласно [2] РУ 10 кВ для комплектных трансформаторных ПС могут быть
закрытого типа или выполняться в виде КРУ.
РУ 10 кВ закрытого типа применяются:
в районах, где по климатическим условиям, условиям загрязнения атмосферы
или наличия снежных заносов и пыльных уносов, невозможно применение КРУН;
при числе шкафов более 15;
на ПС напряжением 330-750 кВ.
Климатические условия не оговорены и разрабатываемая подстанция
напряжения 110 кВ, поэтому РУ 10 кВ выполняем в виде КРУ. КРУ комплектуется из
ячеек, которые ставят в ряд.
Согласно [2] на проектируемой подстанции устанавливаем два трансформатора
собственных нужд, которые присоединяем к различным секциям РУ 10 кВ. ТСН должны
работать раздельно с АВР. ТСН, подключаемый на низшее напряжение, будет иметь
меньший уровень изоляции, чем если бы подключали его на высшее или среднее
напряжение. Следовательно, подключение ТСН на низшее напряжение экономически
выгодно.
2. Расчет
токов короткого замыкания.
.1 Расчет
эквивалентного сопротивления внешнего электроснабжения и сопротивлений омботок
силового трансформатора
Согласно правил устройств электроустановок (ПУЭ[6]), выбор и проверка
электрических аппаратов и токоведущих элементов по электродинамической и
термической устойчивости производится по току трехфазного короткого замыкания Ik(3) , поэтому в проекте необходимо
произвести расчет токов короткого замыкания для всех РУ. Для чего на основании
схемы внешнего электроснабжения, исходных данных и принятой схемы главных
электрических соединений подстанции составляется структурная и расчётная схема.
Рассчитываем токи короткого замыкания опираяь на справочную литературу
[10].
Рис 2.1.- Структурная схема подстанции
Рис
2.2.- Упрощенная схема замещения внешнего электроснабжения
При
расчете токов короткого замыкания для сетей напряжением 220 кВ принимаем хо=0,4
Ом/км.
Рассчитываем
эквивалентные сопротивления участков ЛЭП:
Рассчитаем
сопротивления источников питания:
Найдем
эквивалентное сопротивление сети внешнего электроснабжения.
Рис
2.3.- Расчетная схема подстанции с токами КЗ
Для
данного расчета примем следующие условия. Из задания заданы параметры
трансформатора Uн=220/35/6 и Sтр=25 МВА. Выбираем трансформатор
ТДТН 25000/110/35/10 [5]
Определим
сопротивления в обмотках трансформатора.
Для
этого необходимо расчитать напряжение короткого замыкания в каждой из обмоток:
Далее
определим непосредственно сопротивления обмоток трансформатора:
.2 Расчет
токов короткого замыкания в точках КЗ.
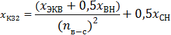
Определим трехфазный ток короткого замыкания для точки К1:
Для точки К1,
что видно из расчетной схемы подстанции
Расчитаем
сопротивления ступеней короткого замыкания для точек К2 и К3:
где,

и 
-
коэффициенты трансформации между соответствующими обмотками
Определим
трехфазный ток короткого замыкания для точки К2:
Определим трехфазный ток короткого замыкания для точки К2:
Определим
ударный ток для каждой точки КЗ:
где,

- ударный
коэффициент, равный 1,8
.3
Определение величины теплового импульса
Для проверки электрических аппаратов и токоведущих элементов по
термической устойчивости в режиме короткого замыкания необходимо определить
величину теплового импульса для всех распределительных устройств. Методика
представлена в [10].
Приведем пример расчет теплового импульса, а остальные расчеты сведем в
таблицу:
где,

- время
протекания тока короткого замыкания;

- время
срабатывания основной защиты, с;

- полное
время отключения выключателя, равное 0,1;

-
постоянная времени затухания апериодической составляющей тока короткого
замыкания.
Таблица
2.1
Расчет
теплового импульса
|
Наименование РУ
|
 , кА , с , с , с , с
|
|
|
|
|
|
|
ОРУ-110 кВ
|
2,414
|
2,5
|
0,1
|
2,6
|
0,05
|
15,44
|
|
ОРУ-35 кВ
|
3,4
|
2,0
|
|
2,1
|
0,05
|
24,276
|
|
Фидеры 35 кВ
|
|
1,5
|
|
1,6
|
|
19,07
|
|
КРУ-10 кВ
|
4,67
|
1,5
|
|
1,6
|
0,05
|
35,98
|
|
Фидеры 10 кВ
|
|
1,0
|
|
1,1
|
|
25,08
|
2.4 Расчет максимальных рабочих токов основных присоединений подстанции
Рис 3.1. Схема для расчета максимальных рабочих токов основных
присоединений подстанции.
По методике представленной в [1] произведем расчет:
Определим максимальный рабочий ток на вводе опорной подстанции:
Iраб.мах1 =
= 
=
341,161 А
где
кпр - коэффициент перспективы развития потребителей = 1,3;
n - количество
трансформаторов установленных на подстанции = 2;
Sтн -
номинальная мощность трансформатора;
Uн - номинальное
напряжение на вводе подстанции;
ктр
- коэффициент транзита = 2.
Определим
максимальный рабочий ток на первичной обмотке трансформатора:
Iраб.мах2 
= 
= 196,8
А
где
- коэффициент допустимой перегрузки трансформаторов =
1,5;
Определим
максимальный рабочий ток на обходной системе сборных шин:
Iраб.мах3 =
= 
= 119,4
А
где
крн - коэффициент распределения нагрузки по шинам первичного напряжения = 0,7;
Определим
мощности для фидеров районных нагрузок:
Smax СН = Sф35
n
крн =
1,2
106
2
0,7 =
1680 кВА
Smax НН = Sф10
n
крн =
0,8
106
2
0,7 =
1200 кВА
Sф35 = 1200 кВА
- полная мощность потребителя 35 кВ;
Sф10 = 800 кВА -
полная мощность потребителя 6 кВ.
Определим
токи для вторичной обмотки трансформатора:
Iраб.мах4 =
= 
= 27,71
А
Iраб.мах5 =
= 
= 69,28
А
Uнн,сн -
номинальное напряжение вторичной обмотки трансформатора НН и СН;
Smax сн,нн -
максимальные мощности на шинах СН и НН.
Определим
токи для сборных шин районных нагрузок:
Iраб.мах6 =
= 
= 25,22
А
Iраб.мах7 =
= 
= 63 А
Определим
токи фидеров подстанции:
Iраб.мах8 =
= 
= 36 А
Iраб.мах9 =
= 
= 90 А
.5 Выбор
сборных шин и токоведущих элементов
Для распределительных устройств 35 кВ и выше применяются гибкие шины,
выполненные проводами АС.
Допускаемая токовая нагрузка: Iдоп>Ip max
Iдоп -
допускаемая токовая нагрузка токоведущей части, А;
Ip max - максимальный рабочий ток
присоединения, А.
Минимальное допустимое сечение токоведущей части по условию ее
термической стойкости:
где
- тепловой импульс тока;
-
коэффициент принимаем из ([1] с.49 табл.16), равный
.
Гибкие
шины напряжением выше 35 кВ проверяют по условию коронирования:
где
- максимальное значение начальной критической
напряженности электрического поля, при котором возникает разряд в виде короны;
-
коэффициент, учитывающий шероховатость поверхности провода (для
многопроволочных проводов
;
- радиус
провода.
Напряженность
электрического поля около поверхности провода:
где
- среднее геометрическое расстояние между проводами
фаз ;
- радиус
провода.
Таблица
2.2
Выбор
сечения сборных шин
|
Наименование РУ
|
Тип провода
|
Длительный режим
|
По термической стойкости По условию каронирования 0,9Е0>1,7Е
|
|
|
|
принятое сечение
|
|
|
|
|
Питающий ввод 110 кВ
|
АС - 120/19
|
375 >341,161
|
120
|
120>44,652
|
_
|
|
Обходная система сборных
шин 110 кВ
|
АС - 95/16
|
320>119,4
|
240
|
95>44,652
|
_
|
|
Ввод трансформатора 110 кВ
|
АС - 95/16
|
320>196,8
|
240
|
95>44,652
|
_
|
|
Сборные шины ОРУ-35 кВ
|
AС - 70/11
|
265>25,22
|
70
|
70>55,989
|
25,935>3,7
|
|
Фидера ОРУ-35 кВ
|
AС - 70/11
|
265>36
|
70
|
70>49,585
|
25,935>3,7
|
|
Вторичная обмотка
трансформатора ОРУ-35 кВ
|
AС - 70/11
|
265>27,71
|
70
|
70>55,989
|
25,935>3,7
|
При сечениях шин q ≥ 95 мм2 на напряжение 110 кВ и q ≥ 240
мм2 на напряжение 220 кВ проверка по условию коронирования не производится.
Результаты выбора шин для всех распределительных устройств приведены в таблице
2.2.
3. Собственные нужды
.1 Выбор аккумуляторной батареи
Для питания оперативных цепей на понизительных подстанциях, как правило,
применяются свинцово-кислотные аккумуляторные стационарные батареи
кратковременного разряда типа СК. В качестве рабочего напряжения оперативных
цепей следует принять напряжение Uн =110 В.
Батарея включается по упрощенной схеме без элементного коммутатора и
работает в режиме постоянного подзаряда. У неё имеются отпайки на напряжение
130 и 148 В; которые подключаются к шинам, питающим цепи управления, защиты и
сигнализации (130 В) и к шинам цепей включения выключателей (148 В). Методика
представлена в [1].
Определим ток аварийного освещения:
где
- ток аварийного освещения;
-
мощность аварийного освещения,Pавар= 2,5 кВт;
-
напряжение аккумуляторной батареи 110кВ,
=
=22,77 А
Определим
ток цепи управления:
где
- ток цепи управления;
- мощность
потребляемая цепями управления,Pпост=2,1 кВт;
-
напряжение аккумуляторной батареи,.
= 
.
Определим
длительный ток разряда:
где
- ток длительного разряда;
- ток
цепи управления;
- ток
аварийного освещения.
=
+ 22,77
=41,86 А
Определим
ток кратковременного разряда в аварийном режиме:
где
- ток кратковременного разряда;
- ток
цепи управления;
- ток,
потребляемый наиболее мощным приводом выключателя,
.
=
+100 =
119,09 А.
Определим
расчетную мощность батареи:
,где
- мощность батареи;
- ток
длительного разряда;
- время
длительного разряда при аварийном режиме,
.
=
Выберем
номер батареи по требуемой емкости:
где
- мощность батареи;
-
емкость аккумулятора СК-1, при длительности разряда
.


Принимаем
ближайшую батарею СК-5.
Выбираем
номер батареи по току кратковременному разряду:

-
кратковременный допустимый разрядный ток аккумулятора СК-1 не вызывающий его
разрушения.
Nkp
Окончательно
принимаем СК-5
Полное
число элементов батареи:
ШВ
= UШВ / Uподз = 148 / 2,15 = 69 шт;
Число
аккумуляторных элементов, нормально питающих шины управления и защиты:
n ШУ = UШУ /
Uподз = 130 / 2,15 = 61 шт.
.2
Выбор зарядно-подзарядного устройства аккумуляторной батареи
Напряжение
заряда ЗПУ:
зар
= nШВ ·2,15 + (2 ¸ 3);зар = 69· 2,15 + 2 = 150 В;
Определим
зарядный ток батареи:
где
- зарядный ток батареи;
- номер
батареи.
Iзар=
Определим
расчетную мощность зарядно-подзарядного устройства:
где
- напряжение заряда ЗПУ;
-
зарядный ток батареи;
- ток
цепи управления.
Pзар=150(22,5+
) =
6238,5
Принимаем
ЗПУ: УЗП-Е-80/40-260/80- УХЛ4
Iном зпу ³ Iзар + Iпост ;
А
> 22,5 + 
= 41,59
А;
Uном зпу > Uзар
В;
Pном зпу ³ Pрасч;
,8
кВт > 5,5 кВт.
.3
Выбор трансформатора собственных нужд
Таблица
3.1.
Определение
мощности собственных нужд
|
Наименование потребителя
|
Кc
|
Cos   
|
|
|
|
|
Рабочее освещение
|
0,7
|
1,0
|
25
|
17,5
|
-
|
|
Аварийное освещение
|
1,0
|
1,0
|
2,5
|
2,5
|
-
|
|
Моторные нагрузки
|
0,6
|
0,8
|
20
|
12
|
15
|
|
Печи отопления и калорифер
|
0,7
|
1,0
|
100
|
70
|
-
|
|
Цепи управления защиты и
сигнализации
|
1,0
|
-
|
2,1
|
2,1
|
-
|
|
Всего
|
104
|
15
|
В таблице:РАСЧ = КС · P,РАСЧ = PРАСЧ · tg j,
tg j = tg(arccos φ).
Расчётная мощность собственных нужд определяется по формуле:
РАСЧ =
0,85 · 
=89,315
кВА;
по
данным выбираем ближайший по мощности трансформатор типа:
ТСН
- ТМ-100/10 У1:
4
Выбор основного оборудования
.1
Выбор выключателей
При
выборе выключателей его паспортные параметры сравнивают с расчётными условиями
работы.
Выберем
и проверим вакуумный выключатель ВВН-СЭЩ-35 УХЛ1, производства «Электрощит»-ТМ
Самара, во вторичную обмотку трансформатора:
.
По напряжению:
где
- номинальное напряжение, кВ;
-
рабочее напряжение распределительного устройства, кВ.
кВ
35 кВ
.
По длительно допустимому току:
где
- номинальный ток выключателя, А.
-
максимальный рабочий ток присоединения, где устанавливают выключатель, А.
.
По отключающей способности:
· по полному току отключения:
где
- номинальный ток выключателя по каталогу, кА;
-
номинальное значение относительного содержания апериодической составляющей в
отключаемом токе;
-
апериодическая составляющая тока к.з. в момент расхождения контактов
выключателя
, кА;
-
максимальный ток короткого замыкания, кА.
где
- минимальное время до момента размыкания контактов,
с;
-
минимальное время действия защиты, 0,01 с;
-
собственное время отключения выключателя с приводом по каталогу, с;
-
постоянная времени затухания апериодической составляющей тока короткого
замыкания;
-
максимальный ток короткого замыкания, кА.
А;
.
По электродинамической стойкости:
· по ударному
току:
-
пиковое значение предельного сквозного тока к.з., равное
кА;
-
ударный ток, кА.
.
По термической стойкости:
где
- предельный ток термической стойкости, равный
кА;
- время
прохождения тока термической стойкости, равное 3 с;
-
тепловой импульс тока к.з.,
.
Аналогичные
расчеты проводим для остальных выключателей в РУ и сводим результаты в таблицу
4.1. Для ОРУ 110кВ выбираем Элегазовый выключатель ВГТ-110 У1/3150 производства
«-Энергомаш Уралэлектротяжмаш <#"806514.files/image159.gif">, кВ
, А
,кА
, кА
,
|
|
|
|
|
|
|
|
Вводы ВН трансформатора 110
кВ
|
ВГТ-110 У1/3150
|
Пружинный
|
110 1103150 196,862,23 3,792101,6 6,14800 15,44
|
|
|
|
|
|
Обходная система сборных
шин 110кВ
|
ВГТ-110 У1/3150
|
Пружинный
|
110 1103150 119,462,23 3,792101,6 6,14800 15,44
|
|
|
|
|
|
Вторичная обмотка
трансформатора ОРУ-35 кВ
|
ВВН-СЭЩ-35 УХЛ1/1000
|
Пружинный
|
35 351000 27,71   ,5   
|
|
|
|
|
|
Сборные шины РУ - 35 кВ
|
ВВН-СЭЩ-35/1000 УХЛ1
|
Пружинный
|
35 351000 25,22   ,5   
|
|
|
|
|
|
Фидера ОРУ-35 кВ
|
ВВН-СЭЩ-35 УХЛ1/1000
|
Пружинный
|
35 351000 3638,18 6,209 ,5   
|
|
|
|
|
4.2 Выбор и
проверка разъединителей
Разъединители предназначены для включения и отключения под напряжением
участков электрической цепи при отсутствии токов нагрузки, отключения при
определенных условиях зарядных токов линии, токов холостого хода
трансформаторов и небольших нагрузок, а также для обеспечения безопасности
работ на отключенном участке путем создания видимых разрывов электрической цепи
и заземления отключенных участков при помощи стационарных заземляющих ножей
Выбор производим аналогично выключателю, но без проверки по отключающей
способности. Результаты выбора сводим в таблицу 2.3
Для РУ 35 кВ выбираем разъедениетель РДЗ-СЭЩ 35 производсттва компании
«Электрощит» Самара. Для ОРУ 110 кВ Выбираем Разъединители наружной типа
РГД-110/1000 производства «Энергозавод».
Таблица 4.2
Выбор разъединителей
|
Наименование РУ или
присоединения
|
Тип аппарата
|
Тип привода
|
Условие проверки
|
, кВ
, А
, кА
,
4.3 Выбор
измерительных трансформаторов тока
Выбор и проверку трансформаторов тока производим аналогично выбору и
проверке выключателей, за исключением проверки по отключающей способности, а
также выбираем ТТ по классу точности. Результаты выбора ТТ для всех
присоединений подстанции приводим в таблице 4.3
Для Ру 35 кВ Выбираем трансформатор тока GIF 12-40,5/35 УХЛ1 производства «Ritz Instrument
Transformers» (Германия).
Таблица 4.3
Выбор трансформаторов тока
|
Наименование РУ или
присоединения
|
Тип трансформатора тока
|
Класс точности
|
Условие проверки
|
, кВ
, А
, кА
,
|
|
|
|
|
|
|
Вводы ВН трансформатора 110
кВ
|
ТФЗМ110Б-IV-
У1
|
0,5s
|
110 110200 196,820 6,1423 15,44
|
|
|
|
|
Обходная система сборных
шин 110 кВ
|
ТФЗМ110Б-IV-
У1
|
0,5s
|
110 110200 119,420 6,1423 15,44
|
|
|
|
|
Вторичная обмотка
трансформатора 35 кВ
|
GIF 12-40,5/35 УХЛ1
|
0,2s
|
35 35150-3000 27,7160 1080
|
|
|
|
|
Сборные шины РУ- 35 кВ
|
GIF 12-40,5/35 УХЛ1
|
0,2s
|
35 35150-3000 25,2260 1080
|
|
|
|
|
Фидера ОРУ-35
|
GIF 12-40,5/35 УХЛ1
|
0,2s
|
35 35150-3000 3660 1080
|
|
|
|
|
|
|
|
|
|
|
|
.4 Выбор изоляторов
Гибкие шины открытых распределительных устройств подстанции обычно
крепятся на гирляндах подвесных изоляторов.
Таблица 4.4
Выбор изоляторов
|
Наименование РУ
|
Тип изолятора
|
Количество изоляторов
|
|
ОРУ-110 кВ
|
ПС-70
|
8
|
|
ОРУ-35 кВ
|
ПС-70
|
3
|
.5 Выбор ограничителей напряжений (ОПН)
Защита оборудования подстанций от прямых ударов молнии осуществляется
молниеотводами и в настоящем курсовом проекте не рассматривается. Для защиты
оборудования от набегающих перенапряжений со стороны ВЛ и коммутационных
перенапряжений необходимо выбрать для каждого РУ тип ОПН и место их
подключения. ОПН являются аппаратами для глубокого ограничения (до 1,6-1,85Uф) коммутационных перенапряжений с
несколько лучшими грозозащитными характеристиками, чем у традиционных
разрядников. ОПН представляют собой высоконелинейное сопротивление на основе
оксида цинка.
Выбираем
ОПН-П/ЗЭУ-110УХЛ1, ОПН-П/ЗЭЭУ-35УХЛ1,производства ЗАО «Завод энергозащитных
устройств <#"806514.files/image172.gif">=110 кВ
где
- номинальное напряжение, кВ;
- рабочее напряжение распределительного устройства, кВ.
) По классу точности: берем 0,5.
Для
КРУ-10 кВ выбираем трансформатор НАМИ-6/0,1 производства АО «Кентауский
трансформаторный завод <#"806514.files/image175.gif">
Рис.
5.1. Поясняющие схемы к расчёту сопротивлений заземляющего контура
Таблица
5.1
Данные
для расчета, заземляющего устройства
|
Расчетный параметр
|
Значение
|
|
Сопротивление верхнего слоя
земли , Ом м200
|
|
|
Сопротивление нижнего слоя
земли , Ом м70
|
|
|
Толщина верхнего слоя земли , м1,4
|
|
|
Время протекания , с0,5
|
|
Длина горизонтальных заземлителей, м:
,
Lг=23
м
где
S - площадь заземляющего контура, м2, равная сумме площадей всех РУ ТП,
принимаем S = 25000 м2;
Число
вертикальных электродов nв, шт определяется по формуле:
nв=(0,3
, шт ,
nв=(0,325
= 51,38
шт
Длина
вертикального заземлителя lв, м определяется по формуле:
,в > 2
× 1,4 = 2,8 м
Общая
длина вертикальных заземлителей Lв, м определяется по формуле:
,мв
=51,38 × 2,8 = 143,869 м
Расстояние
между вертикальными заземлителями а, м определяется по формуле:
a ³ 2× lв,
a ³ 2× 2,8 = 5,6 м
Определим
глубину заложения горизонтальных электродов:
Сопротивление
заземляющего контура Rз, Ом определяется по формуле:
,
Ом ,
при
,
при
,

при
,
при
,
где
А - коэффициент; - коэффициент;
- эквивалентное сопротивление грунта.
Находим
коэффициент А по формуле:
А=0,444-0,84
=0,425
Находим
коэффициент по формуле:
Находим
эквивалентное сопротивление грунта по формуле:
Рэ=

=85,27 Ом
Находим
сопротивление заземляющего контура по формуле:
Rз=0,42
Ом
Проверяем
по допустимому сопротивлению:
Ом ,
[Rз]
- допустимое сопротивление, Ом;
[Rз]=0,5
Ом
,25

0,5 Ом
Условие
выполняется.
.2
Определение напряжения прикосновения
В
связи с тем, что окончательным критерием безопасности электрической установки
является величина напряжения прикосновения Uпр, то необходимо определить его
расчётное значение и сравнить с допустимым.
Определим
расчётное значение напряжения прикосновения:
где
- напряжение прикосновения;
- ток
однофазного замыкания на землю в РУ питающего напряжения;
-
коэффициент прикосновения.
Определим
коэффициент прикосновения:
где
- коэффициент приведен в ([1] стр. 21, табл. 8.1),
равен
;
коэффициент,
характеризующий условия контакта человека с землей;
-
сопротивление человека;
-
сопротивление растекания тока со ступней человека;
-
расстояние между вертикальными электродами;
-
площадь заземляющего контура;
- длина
горизонтальных заземлителей;
- длина
вертикального электрода.

;

=0,68
0,015
Uпр= 2414
Проверим
условие:
где
- напряжение прикосновения;
-
допустимое напряжение прикосновения принятое из ([5] стр. 302, табл. 20),
равное 200 В.
Uпр
Условие
выполняется.
Заключение
В ходе выполнения курсового проекта был произведен выбор основного
оборудования транзитной подстанции электроснабжения для ОРУ 110 кВ, ОРУ 35 кВ и
КРУ 10 кВ, разработана однолинейная схема главных электрических соединений
подстанции. На базе однолинейной схемы составлено компоновочное решение
подстанции, произведен расчет контура заземления подстанции и определено
напряжение прикосновения на оборудовании при коротком замыкании на землю в РУ
питающего напряжения.
Список
литературы
1. Фоков К.И. Электрическая часть
станций и подстанций: Методические указания по выполнению курсового проекта.-
Хабаровск: ДВГАПС, 1996г.- 37с..
Схемы принципиальные
электрические распределительных устройств подстанций 35-750 кВ. Стандарт
организации ОАО “ФСК ЕЭС” 56947007-29.240.30.010-2008. .[Электронный ресурс ]
-Электрон.дан.-ОАО «ФСК ЕЭС», 2008.- режим доступа:
<http://www.fsk-ees.ru/>
РЕКОМЕНДАЦИИ по применению
типовых принципиальных электрических схем распределительных устройств
подстанций. Стандарт организации ОАО “ФСК ЕЭС” 56947007- 29.240.30.047-2010.
.[Электронный ресурс ] -Электрон.дан.-ОАО «ФСК ЕЭС», 2010.- режим доступа:
<http://www.fsk-ees.ru/>
Нормы технологического
проектирования подстанций переменного тока с высшим напряжением 35-750 кВ (НТП
ПС). . Стандарт организации ОАО “ФСК ЕЭС” СТО 56947007-
29.240.10.028-2009.[Электронный ресурс ] -Электрон.дан.-ОАО «ФСК ЕЭС», 2009.-
режим доступа: <http://www.fsk-ees.ru/>
1. Файбисович Д.Л. Справочник по
проектированию электрических сетей.[текст]/Файбисович Д.Л,-Москва: Изд-во НЦ
ЭНАС,2006.-349с.
2. Правила устройства электроустановок
[утв. Минтопэнерго России 01.06.2000: обязательны для всех ведомств,
организаций и предприятий, независимо от форм собственности]. - Изд. 7-е. -
СПб. : Изд-во ДЕАН, 2001. - 928 с. (52, 55).
УЭС. Уральский Энергетический
Союз [Электронный ресурс]-Электрон. Дан.-режим доступа:
<http://www.ues.su/>.
Каталог компании ОАО
«Электрозавод» [Электронный ресурс]-Электрон. Дан.-режим доступа:
<http://www.elektrozavod.ru/>.
Каталог компании ОАО «Энергия»
[Электронный ресурс]-Электрон. Дан.-режим доступа:
<http://www.ramenergy.ru/>.
Руководящие указания по
расчету токов короткого замыкания и выбору электрооборудования РД
153-34.0-20.527-98. Электронный ресурс
<http://www.ivtechno.ru/files/rd-153-340-20527-98.pdf>
ПРИЛОЖЕНИЕ 1
Основные
параметры шкафов КРУ КТ-105
|
Наименование параметра
|
Значение
|
|
Выключатель вакуумный
|
6; 10
|
|
Номинальное напряжение
|
12 кВ
|
|
Номинальный ток
|
630 А 1250 А 2000 А
|
|
Номинальная частота
|
50-60 Гц
|
|
Номинальный ток отключения
|
25 кА
|
|
Номинальная отключающая
мощность
|
520 МВА
|
|
Номинальный ток включения
|
65 кА
|
|
Выдерживаемое напряжение
промышленной частоты
|
28 кВ
|
|
Выдерживаемое напряжение
грозового импульса (кВ/1,2х50 мс)
|
75
|
|
Напряжение электромагнита
включения
|
110, 220 В постоянного тока
|
|
Напряжение электромагнита
отключения
|
110, 220 В постоянного тока
|
|
Стандартные вспомогательные
контакты
|
4н/о+4н/з
|
|
Номинальное время
отключения
|
≤ 0,04 с
|
|
Время включения без
нагрузки
|
≤ 0,06 с
|
|
Ток потребления эл.
двигателя заводки пружин
|
≤ 7 А
|
|
Ток потребления
электромагнита включения
|
≤ 5 А
|
|
Ток потребления
электромагнита отключения
|
≤ 5 А
|
|
Время взвода пружины
двигателем
|
≤ 12 с
|
|
Нормированная бестоковая
пауза при АПВ, не более
|
0,3 с
|
|
Расстояние между полюсами
|
150 мм
|
|
Ресурс по механической
стойкости «В-tn-О», циклы
|
20 000
|
|
Вес, кг
|
140 160 165
|
Особенности конструкции КРУ:
Выключатель Вакуумный: VF-T-12
· оснащены автоматическим регулированием температуры и
влажности;
· имеют росоустойчивую фарфоровую изоляцию;
· обладают высокочувствительной дуговой защитой;
· выдвижной элемент с выключателем (трансформаторами
напряжения, с разъемными контактами), который располагается в средней части
шкафа, передвигается по направляющим, выкат - на инвентарную тележку;
· высокая степень заводской готовности;
· малые сроки монтажа;
· работоспособность при землетрясении силой 9 баллов.
Производитель
«Ташэлектрощит <http://www.ues.su/section/32/>»