Проектирование районной понизительной подстанции напряжения в 35/6кВ разных мощностей
Негосударственное образовательное
учреждение
высшего профессионального образования
Московский технологический институт
«ВТУ»
Факультет «Электроэнергетические
системы и сети»
Кафедра «Энергетики»
Уровень образования: Бакалавриат
Направление: Электроэнергетика
Профиль (магистерская программа):
Электроэнергетические системы и сети
КУРСОВАЯ РАБОТА
По дисциплине: Электрические
станции и подстанции
<#"806541.files/image001.jpg">
Рисунок 1.1 - Суточный график нагрузки для населенного пункта
_____ - зима;
_ _ _ - лето
Рисунок 1.2 - Суточный график нагрузки для предприятия черной металлургии
_____ - зима;
_ _ _ - лето
Рисунок 1.3 - Суточный график нагрузки для предприятия текстильной
промышленности
_____ - зима;
_ _ _ - лето.
Рисунок 1.4 - Суточный график нагрузки для предприятия химической
промышленности
_____ - зима;
_ _ _ - лето.
Рисунок 1.5 - Суточный график нагрузки для обогатительной фабрики
_____ - зима;
_ _ _ - лето
.2 Суммарный (совмещенный) график нагрузок потребителей
Этот график определяется с учетом потерь мощности на подстанции.
Потери мощности зависят от:
протекания тока по обмоткам трансформаторов, которые являются переменными
величинами, зависящими от нагрузки (ΔPпер.).
постоянную часть потерь мощности определяют в основном потери холостого
хода трансформаторов (ΔPпост.).
потери на собственные нужды зависят от параметров трансформатора и типа
подстанции ( ΔPс.н.).
Суммируя значения мощностей iх-ступеней графиков нагрузки всех
потребителей и потери мощности на подстанции для каждой ступени, получают
суммарный (совмещенный) график нагрузки подстанции для сезонов (зима, лето)
согласно выражения:
PΣ пс(i)=P(i)
+ Δ Pпост. + Δ Pпер.+ ΔPс.н. МВА,
где P(i) - суммарная мощность всех предприятиями i-ступени из раздела
1.1; Δ
Pпост. - постоянные
потери, которые составляют 1% от Pmax,
где Pmax - максимальное значение активной мощности i-ступени совмещенного
графика [4,9];
Δ Pпост.=0,01 Pmax, МВА,
ΔPс.н. - потери на собственные нужды,
составляют 0,5% от Pmax
ΔPс.н.= 0,005 Pmax, МВА,
Δ Pпер - переменные потери, зависящие от
значения мощности каждой ступени и вычисляются по формуле [4,9]:
Δ Pпер = P2(i) / (10 ∙ Pmax), МВА.
Расчет суммарных графиков нагрузки потребителей (зима, лето) на шинах
подстанции сведен в таблицы 1.12-1.13.
Таблица 1.12
Суммарный зимний график нагрузки подстанции
|
Час
|
0-1
|
1-2
|
2-3
|
3-4
|
4-5
|
5-6
|
6-7
|
7-8
|
8-9
|
9-10
|
10-11
|
11-12
|
|
Pi
|
18,0
|
17,4
|
16,3
|
16,7
|
17,4
|
17,4
|
22,1
|
23,2
|
25,2
|
24,3
|
23,7
|
23,5
|
|
ΔРпост
|
0,25
|
|
ΔРс.н.
|
0,13
|
|
ΔРпер
|
1,3
|
1,2
|
1,1
|
1,1
|
1,2
|
1,2
|
1,9
|
2,1
|
2,5
|
2,3
|
2,2
|
2,2
|
|
PΣпсi
|
19,7
|
18,9
|
17,8
|
18,2
|
18,9
|
19,0
|
24,4
|
25,7
|
28,0
|
27,0
|
26,3
|
26,0
|
|
Час
|
12-13
|
13-14
|
14-15
|
15-16
|
16-17
|
17-18
|
18-19
|
19-20
|
20-21
|
21-22
|
22-23
|
23-24
|
|
Pi
|
23,8
|
23,8
|
24,1
|
24,4
|
24,4
|
23,9
|
20,6
|
20,9
|
20,3
|
20,0
|
19,5
|
18,6
|
|
ΔРпост
|
0,25
|
|
ΔРс.н.
|
0,13
|
|
ΔРпер
|
2,2
|
2,2
|
2,3
|
2,4
|
2,4
|
2,3
|
1,7
|
1,7
|
1,6
|
1,6
|
1,5
|
1,4
|
|
PΣпсi
|
26,4
|
26,4
|
26,8
|
27,1
|
27,1
|
26,5
|
22,6
|
23,0
|
22,3
|
22,0
|
21,3
|
20,4
|
Таблица 1.13
Суммарный летний график нагрузки подстанции
|
Час
|
0-1
|
1-2
|
2-3
|
3-4
|
4-5
|
5-6
|
6-7
|
7-8
|
8-9
|
9-10
|
10-11
|
11-12
|
|
Pi
|
18,6
|
18,0
|
17,7
|
17,3
|
17,3
|
17,6
|
19,1
|
19,6
|
23,2
|
22,9
|
22,7
|
22,9
|
|
ΔРпост
|
0,25
|
|
ΔРс.н.
|
0,12
|
|
ΔРпер
|
1,4
|
1,3
|
1,3
|
1,2
|
1,2
|
1,3
|
1,5
|
1,6
|
2,2
|
2,1
|
2,1
|
2,1
|
|
PΣпсi
|
20,4
|
19,7
|
19,3
|
18,9
|
18,8
|
19,3
|
20,9
|
21,5
|
25,8
|
25,4
|
25,2
|
25,4
|
|
Час
|
12-13
|
13-14
|
14-15
|
15-16
|
16-17
|
17-18
|
18-19
|
19-20
|
20-21
|
21-22
|
22-23
|
23-24
|
|
Pi
|
23,5
|
24,1
|
24,4
|
24,6
|
21,0
|
21,0
|
19,8
|
20,3
|
20,5
|
21,0
|
19,9
|
19,5
|
|
ΔРпост
|
0,25
|
|
ΔРс.н.
|
0,12
|
|
ΔРпер
|
2,2
|
2,4
|
2,4
|
2,5
|
1,8
|
1,8
|
1,6
|
1,7
|
1,7
|
1,8
|
1,6
|
1,5
|
|
PΣпсi
|
26,1
|
26,9
|
27,1
|
27,4
|
23,2
|
23,1
|
21,8
|
22,3
|
22,6
|
23,2
|
21,9
|
21,4
|
По результатам конечной суммы PΣпс(i) таблиц 1.12-1.13 для сезонов
года (зима, лето) строятся графики суммарной (совмещенной) нагрузки подстанции
с учетом потерь (рисунок 1.6).
Рисунок 1.6 - График суммарной (совмещенной) нагрузки подстанции с учетом
потерь
_____ - зима;
_ _ _ - лето.
1.3 Годовой график по продолжительности нагрузок
Этот график показывает длительность работы установки в течение года с
различными нагрузками. По оси ординат откладывают нагрузки в соответствующем
масштабе, по оси абсцисс - часы года от 0 до 8760. Нагрузки на графике
располагают в порядке их убывания от Pmax до Pmin.
Принято, что длительность сезонных времен года зима и лето составляют
соответственно 200 и 165 дней.
Построение годового графика по продолжительности нагрузок производится на
основании известных суммарных суточных графиков нагрузки зимнего и летнего
периода, полученных в разделе 1.2.
График по продолжительности нагрузок применяют в расчетах технико -
экономических показателей установки, расчетах потерь электроэнергии, при оценке
использования оборудования в течение года и т.д.
Значение активной мощности i-ступени графика по продолжительности определяется
проекцией соответствующих ординат суммарных суточных графиков нагрузки зимнего
и летнего периода на ось ординат искомого графика, а длительность этой ступени
графика по продолжительности Тi рассчитывается по [4]:
Тi = tiзима × 200 + tiлето
× 165 ч,
где tiзима и tiлето
длительность i-ступени суточного зимнего и летнего суммарного графиков нагрузки
(см. раздел 1.2).
Расчет годового графика по продолжительности нагрузок сведен в таблицу
1.14.
Таблица 1.14
Продолжительность нагрузок в течение года
|
Pi
|
17,8
|
18,2
|
18,8
|
18,9
|
19,0
|
19,3
|
19,7
|
20,4
|
20,9
|
21,3
|
21,4
|
21,5
|
|
Тi
|
200
|
200
|
165
|
565
|
200
|
330
|
365
|
365
|
165
|
200
|
165
|
165
|
|
t
|
200
|
400
|
565
|
1130
|
1330
|
1660
|
2025
|
2390
|
2555
|
2755
|
2920
|
3085
|
|
Pi
|
21,8
|
21,9
|
22,0
|
22,3
|
22,6
|
23,0
|
23,1
|
23,2
|
24,4
|
25,2
|
25,4
|
25,7
|
|
Тi
|
165
|
165
|
200
|
365
|
365
|
200
|
165
|
330
|
165
|
330
|
200
|
|
t
|
3250
|
3415
|
3615
|
3980
|
4345
|
4545
|
4710
|
5040
|
5240
|
5405
|
5735
|
5935
|
|
Pi
|
25,8
|
26,0
|
26,1
|
26,3
|
26,4
|
26,5
|
26,8
|
26,9
|
27,0
|
27,1
|
27,4
|
28,0
|
|
Тi
|
165
|
200
|
165
|
200
|
400
|
200
|
200
|
165
|
200
|
565
|
165
|
200
|
|
t
|
6100
|
6300
|
6465
|
6665
|
7065
|
7265
|
7465
|
7630
|
7830
|
8395
|
8560
|
8760
|
По результатам таблицы 1.14 строится годовой график по продолжительности
нагрузок (рисунок 1.7).
Рисунок 1.6 - Годовой график по продолжительности нагрузок
1.4 Технико-экономические показатели, определяемые из
графиков нагрузки
Площадь, ограниченная кривой графика активной нагрузки, численно равна
энергии, отпущенной с шин подстанции потребителям за рассматриваемый
период (год) [4]:п = ΣPi ∙ Ti = 202729,0 МВт ∙ ч,
где Pi - мощность i- ступени графика- продолжительность ступени.
Средняя нагрузка по графику за рассматриваемый период (год) равна:
ср = Wп / T,
где T - длительность рассматриваемого периодап - электроэнергия за
рассматриваемый периодср = 202729,0 / 8760 = 23,1 МВт.
Степень неравномерности графика работы электроустановки оценивают
коэффициентом заполнения.
зап = Wп / Pmax · T= Pср / Pmaxзап = 23,1 / 28,0 = 0,83
Коэффициент заполнения графика нагрузки показывает, во сколько раз
отпущенное с шин количество электроэнергии за рассматриваемый период меньше
того количества электроэнергии, которое было бы отпущено с шин подстанции за то
же время, если бы нагрузка установки все время была бы максимальной. Очевидно,
что чем равномернее график, тем ближе значение kзап к единице.
Для характеристики графика нагрузки подстанции можно воспользоваться
величиной продолжительность использования максимальной нагрузки
= Wп / Pmax = Pср · T / Pmaxс = kзап · T;= 0,83 · 8760 = 7271.
Эта величина показывает, сколько часов за рассматриваемый период T
(обычно год) установка должна была бы работать с неизменной максимальной
нагрузкой, чтобы отпустить с шин подстанции действительное количество
электроэнергии Wп за этот период времени.
1.5 График полной мощности подстанции
Построение графика полной мощности подстанции необходимо для выбора и
проверки на перегрузочную способность трансформаторов на подстанции.
Для этого необходимо произвести расчет средневзвешенного коэффициента
мощности нагрузки для каждой ступени графика нагрузки - tg φсв (i) по [8]:
tg φсв(i) = P1(i) · tg φ1 + P2(i) · tg φ2 +…./ Σ
P1-n(i)
Далее вычисляется полная мощность с учетом выше найденных
средневзвешенных коэффициентов для каждого часа графика полной мощности
подстанции по [8]:
,
где
PΣ(i)
- сумма активных мощностей i-ступени
графика полной мощности подстанции по разделу 1.2.
Результаты расчетов сведены в таблицы 1.15 и 1.16.
Таблица 1.15
Полная мощность подстанции в зимний период
|
Час
|
0-1
|
1-2
|
2-3
|
3-4
|
4-5
|
5-6
|
6-7
|
7-8
|
8-9
|
9-10
|
10-11
|
11-12
|
|
tgφcвi
|
0,71
|
0,71
|
0,71
|
0,71
|
0,71
|
0,71
|
0,69
|
0,69
|
0,69
|
0,70
|
0,70
|
0,70
|
|
PΣпсi
|
19,7
|
18,9
|
17,8
|
18,2
|
18,9
|
19,0
|
24,4
|
25,7
|
28,0
|
27,0
|
26,3
|
26,0
|
|
S(i)
|
29,5
|
28,5
|
26,7
|
27,4
|
28,5
|
28,5
|
35,8
|
37,8
|
41,5
|
40,1
|
39,1
|
38,7
|
|
Час
|
12-13
|
13-14
|
14-15
|
15-16
|
16-17
|
17-18
|
18-19
|
19-20
|
20-21
|
21-22
|
22-23
|
23-24
|
|
tgφcвi
|
0,70
|
0,70
|
0,70
|
0,69
|
0,69
|
0,69
|
0,70
|
0,70
|
0,70
|
0,70
|
0,70
|
0,70
|
|
PΣпсi
|
26,4
|
26,4
|
26,8
|
27,1
|
27,1
|
26,5
|
22,6
|
23,0
|
22,3
|
22,0
|
21,3
|
20,4
|
|
S(i)
|
39,4
|
39,4
|
39,8
|
40,2
|
40,1
|
39,0
|
33,6
|
34,2
|
33,2
|
32,7
|
31,8
|
30,3
|
Таблица 1.16
Полная мощность подстанции в летний период
|
Час
|
0-1
|
1-2
|
2-3
|
3-4
|
4-5
|
5-6
|
6-7
|
7-8
|
8-9
|
9-10
|
10-11
|
11-12
|
|
tgφcвi
|
0,71
|
0,72
|
0,72
|
0,72
|
0,72
|
0,72
|
0,72
|
0,72
|
0,71
|
0,71
|
0,71
|
0,71
|
|
PΣпсi
|
20,4
|
19,7
|
19,3
|
18,9
|
18,8
|
19,3
|
20,9
|
21,5
|
25,8
|
25,4
|
25,2
|
25,4
|
|
S(i)
|
30,8
|
29,9
|
29,4
|
28,8
|
28,7
|
29,3
|
31,8
|
32,6
|
38,8
|
38,2
|
37,7
|
38,0
|
|
Час
|
12-13
|
13-14
|
14-15
|
15-16
|
16-17
|
17-18
|
18-19
|
19-20
|
20-21
|
21-22
|
22-23
|
23-24
|
|
tgφcвi
|
0,71
|
0,71
|
0,71
|
0,70
|
0,72
|
0,72
|
0,71
|
0,71
|
0,71
|
0,71
|
0,71
|
0,71
|
|
PΣпсi
|
26,1
|
26,9
|
27,1
|
27,4
|
23,2
|
23,1
|
21,8
|
22,3
|
22,6
|
23,2
|
21,9
|
21,4
|
|
S(i)
|
39,1
|
40,3
|
40,7
|
41,0
|
35,1
|
35,0
|
32,8
|
33,6
|
33,9
|
34,8
|
32,9
|
32,2
|
По полученным значениям мощностей S(i) строится график полной мощности
подстанции (рисунок 1.7).
Рисунок 1.7 - График полной мощности подстанции
2. ВЫБОР ЧИСЛА И МОЩНОСТИ ТРАНСФОРМАТОРОВ И РАСЧЕТ НА
ПЕРЕГРУЗОЧНУЮ СПОСОБНОСТЬ
Число трансформаторов, устанавливаемых на подстанциях всех категорий
принимается, как правило, не более двух. При установке двух трансформаторов и
отсутствия резервирования по сетям низшего напряжения мощность каждого из них
выбирается с учетом загрузки трансформатора не более 70% от суммарной
максимальной нагрузки подстанции в номинальном режиме [1].
Мощность трансформатора на подстанции должна быть такой, чтобы при выходе
из работы одного из них второй воспринял основную нагрузку подстанции с учетом
допускаемой перегрузки в послеаварийном режиме и возможного временного
отключения потребителей третьей категории. В соответствии с существующей
практикой проектирования мощность трансформаторов на подстанции рекомендуется
выбирать из условия допустимой перегрузки в послеаварийных режимах до 40% на
время максимума по условию [1,3]:
н.тр. ≥ Smax / 1,4,
где Smax - максимальная расчетная мощность подстанции по расчету раздела
1.5н.тр. ≥ 41,5 / 1,4 = 29,6 МВА,
Принимаем трансформатор ТРДНС-40000/35/10 [9,11].
Таблица 2.1
Каталожные данные трансформаторов
|
Номинальная мощность , МВА40
|
|
|
Номинальное напряжение на
стороне ВН , кВ35
|
|
|
Номинальное напряжение на
стороне НН , кВ10,5
|
|
|
Напряжение КЗ (ВН-НН) , %11,5
|
|
|
Ток ХХ ix, %
|
0,4
|
|
Потери КЗ , кВт170
|
|
|
Потери ХХ , кВт36
|
|
При выборе мощности трансформатора нельзя руководствоваться только их
номинальной мощностью, так как в реальных условиях температура окружающей
среды, условия установки трансформатора могут быть отличными от принятых.
Нагрузка трансформатора меняется в течение суток, и если мощность выбрать по
максимальной нагрузке, то в периоды спада ее трансформатор будет не загружен,
т.е. недоиспользована его мощность. Опыт эксплуатации показывает, что
трансформатор может работать часть суток с перегрузкой, если в другую часть суток
его нагрузка меньше номинальной. Критерием различных режимов является износ
изоляции трансформатора.
Нагрузочная способность трансформатора - это совокупность допустимых
нагрузок и перегрузок.
Допустимая нагрузка - это длительная нагрузка, при которой расчетный
износ изоляции обмоток от нагрева не превосходит износ, соответствующий
номинальному режиму работы.
Перегрузка трансформатора - режим, при котором расчетный износ изоляции
обмоток превосходит износ, соответствующий номинальному режиму работы. Такой режим
возникает, если нагрузка окажется больше номинальной мощности трансформатора
или температура окружающей среды больше принятой расчетной.
На графике полной мощности подстанции (рисунок 1.7) откладывается прямая
линия, соответствующая номинальной мощности принятого трансформатора. Верхняя
часть графика, отсекаемая данной прямой, является зоной перегрузки
трансформатора.
2.1 Выбор трансформатора собственных нужд
Для повышения надежности электроснабжения цепей собственных нужд
трансформатор присоединяется к выводу низкого напряжения силового
трансформатора на участке между трансформатором и выключателем ввода. На
двухтрансформаторных подстанциях рекомендуется устанавливать два трансформатора
собственных нужд напряжением 10/0,4 кВ. Для питания собственных нужд подстанции
используется трансформатор собственных нужд. Так как подстанция
двухтрансформаторная, то берется два ТСН. Мощность ТСН определяется нагрузкой.
При проектировании подстанций, когда точный состав нагрузки неизвестен,
допускается
(67)
Sтсн = 0,005 ∙ 40000 = 200 кВА.
Принимаем
трансформатор ТМ-200/10.
Место
подключения ТСН зависит от вида оперативного тока на подстанции. Для подстанции
напряжением 35 кВ с числом выключателей два и более рекомендуется применять
постоянный оперативный ток с установкой аккумуляторных батарей и обслуживающим
персоналом для обслуживания сборных шин ВН и НН.
Для защиты трансформатора СН в его цепи устанавливаются предохранители,
так как мощность трансформатора 200 кВА. Выберем для установки предохранитель:
ПКТ103-10-12,5/31,5У3.
3. ВЫБОР И ОБОСНОВАНИЕ ЭЛЕКТРИЧЕСКОЙ СХЕМЫ ПОДСТАНЦИИ
При выборе схемы электрических соединений, прежде всего, учитывается тип
подстанции. Основным фактором в выборе схемы соединений является число присоединений
на стороне ВН:
,(1.2)
Где
- число присоединений;
- число
питающих линий;
- число
трансформаторов.
Определяющую роль в выборе схемы играет напряжение на шинах.
Напряжение на шинах ВН UВН = 35 кВ.
Исходя из вышеуказанных величин, на ВН целесообразно применить схему:
«мостик».
Рисунок 3.1 - Схема РУ ВН
Достоинства:
1) простота исполнения;
2) наглядность;
) экономичность;
Недостатки:
) увеличение тока к.з. в линии, большая длительность к.з.;
Число присоединений на стороне НН:
, (1.2)
Где
- число присоединений;
- число
питающих линий;
- число
трансформаторов.
nпр = 13 + 2 = 15
Напряжение на шинах НН UНН = 10,5 кВ.
На шинах НН выбираем две секционированные системы сборных шин.
Достоинства:
) простота исполнения;
) не требует больших капитальных затрат;
) авария на сборных шинах приводит к отключению только одного источника и
лишь части потребителей.
Недостатки:
) при ремонте одной половины установки вторая половина остаётся без
резерва;
) при ремонте одного из трансформаторов и отказе секционного выключателя
половина установки остаётся без питания.
Согласно рисунку 3.2 при отказе или выходе из строя одного из
трансформаторов автоматика включит секционный выключатель QB, который в нормальном состоянии
разомкнут.
Рисунок 3.2 - Распределительное устройство НН подстанции
4. ВЫБОР МАРКИ И СЕЧЕНИЯ ПРОВОДОВ ЛИНИЙ ВЫСОКОГО И НИЗКОГО
НАПРЯЖЕНИЯ
В линиях электропередачи напряжением 10-110 кВ как правило используется
провод марки АС [1].
Сечения проводов линий высокого и низкого напряжения в нормальном режиме
определяются по экономической плотности тока [1,10].
Экономическое сечение проводника линии вычисляется по формуле [10]
,
где
Imax - максимальный ток нормального рабочего режимаэк. - экономическая
плотность тока, зависящая от материала проводника и Tmax [1,9]. Для
неизолированных проводов при Tmax > 5000 jэк. = 1,0 А/мм2.
Максимальный
ток нормального рабочего режима определяется по выражению:
где
Smax - максимальная расчетная мощность подстанции, МВАНОМ -
напряжение питающей линии, кВ.количество цепей питающей линии.
По
значению экономического сечения принимается ближайшее стандартное сечение
проводника [7,9,11].
Выбранное
сечение должно удовлетворять условию нагрева [1]:≤ Iдоп,
где
Iдоп - длительно допустимый ток провода по [7,9,11].
Результаты
выбора сечений проводов сведены в таблицу 4.1.
Таблица 4.1
Результаты выбора ВЛ-35 кВ и ВЛ-10 кВ
|
Назначение
|
Smax,
МВА
|
Imax, A
|
Fэк, мм2
|
Провод
|
Iдоп, А
|
|
Питающая ВЛ - 35 кВ
|
41,5
|
685,4
|
685,4
|
АС-300/39
|
690
|
|
Населенный пункт
|
3/0.87
|
66,4
|
66,4
|
АС-70/11
|
265
|
|
Предприятие черной
металлургии
|
8/0,8
|
192,7
|
192,7
|
АС-240/32
|
610
|
|
Предприятие текстильной
промышленности
|
1/0,78
|
37,1
|
37,1
|
АС-50/8
|
210
|
|
Предприятие химической
промышленности
|
6/0,79
|
219,5
|
219,5
|
АС-240/32
|
610
|
|
Обогатительная фабрика
|
9/0,85
|
204,0
|
204,4
|
АС-240/32
|
610
|
Проверка сечения проводника по условию короны
Проверка по условиям короны необходима для гибких проводников напряжением
35 кВ и выше [1,4,7].
Правильный выбор сечения проводника обеспечивает уменьшение действия
короны до допустимых значений. Провода не будут коронировать если максимальная
напряженность поля у поверхности любого провода будет не более 0,9 Ео [4,7]
т.е.
Еmax ≤ 0,9 Ео кВ/см - при расположении проводов в треугольник
Максимальная напряженность поля у поверхности нерасщепленного провода:
,
где
U - линейное напряжение, кВ,о - радиус провода, см,ср. - среднее геометрическое
расстояние между проводами фаз, см;
кВ/см.
Начальное
значение критической напряженности электрического поля:
,
где m - коэффициент, учитывающий шероховатость поверхности провода, в
расчете принять m=0,82
кВ/см.
,9
∙ Ео = 0,9 ∙ 27,0 = 24,3 кВ/см ≥ Еmax = 2,8 кВ/см.
Провод
проходит по условию короны.
5. РАСЧЕТ ТОКОВ АВАРИЙНЫХ РЕЖИМОВ
.1 Расчет сопротивлений схем замещения системы, линии
высокого напряжения, трансформаторов
Электрические аппараты и шинные конструкции распределительных устройств
должны быть проверены на электродинамическую и термическую устойчивость.
Отключающие аппараты (выключатели и предохранители) проверяют, кроме того, по
отключающей способности. Для этого составляется расчетная схема замещения, намечаются
расчетные точки короткого замыкания и определяются токи короткого замыкания.
При составлении расчетной схемы для выбора аппаратуры и проводников одной
цепи выбирается режим установки, при котором в этой цепи будет наибольший ток
короткого замыкания.
За расчетную точку короткого замыкания принимается точка, при повреждении
в которой через выбираемый аппарат или проводник будет протекать наибольший
ток.
Секционный выключатель на шинах НН принят нормально отключенным.
Расчетная схема для трансформаторов с расщепленной обмоткой НН принимает вид
(рисунок 5.1):
Рисунок 5.1 - Схема замещения для расчета токов КЗ
Сопротивление системы:
;
Ом.
Активное сопротивление линии электропередачи высокого напряжения
[2,3,4,5]:
л = r0·L
Реактивное сопротивление линии высокого напряжения [2,3,4,5]:
л = x0·L
где L - длина линии электропередачи по заданию, км;, x0 -удельные
активные и индуктивные сопротивления провода, Ом/км [9,11].л = 0,098 · 30 =
2,94 Ом;л = 0,362 · 30 = 10,86 Ом.
Результирующее сопротивление до точки короткого замыкания К1:
;
Ом
При
коротком замыкании на шинах низкого напряжения трансформаторной подстанции
(точка К2), индуктивное сопротивление системы определяется по выражению:
;
Ом
Активное сопротивление линии электропередачи высокого напряжения
[2,3,4,5]:
;
Ом
Реактивное
сопротивление линии высокого напряжения [2,3,4,5]:
;
Ом.
Расчетные сопротивления обмоток трансформатора:
;
Ом;
;
Ом;
,
Ом,
,
Ом.
Где
- напряжение короткого замыкания трансформатора;
UНН - средне-номинальное напряжение
обмотки НН;
-
номинальная мощность трансформатора.
Результирующее сопротивление до точки короткого замыкания К2:
;
Ом
5.2
Расчет токов трехфазного короткого замыкания
Расчет
трехфазного КЗ на шинах 35 кВ в точке К-1:
,
А = 1,6
кА.
Расчет
трехфазного КЗ на шинах 10,5 кВ в точке К-2:
,
кА.
5.3 Расчет ударного тока трехфазного короткого замыкания
Ударный ток на ВН:
,
Где
- ударный коэффициент,
=1,717;
кА
Ударный ток на НН:
,
Где
- ударный коэффициент,
=1,9;
кА
подстанция трансформатор напряжение ток
6. ВЫБОР ТОКОВЕДУЩИХ ЧАСТЕЙ И ЭЛЕКТРИЧЕСКОГО ОБОРУДОВАНИЯ
ПОДСТАНЦИИ
.1 Выбор и проверка ошиновки распределительного устройства
высокого напряжения
Токоведущие части в распределительном устройстве ВН выполняются гибкими
сталеалюминевыми проводами марки АС. Сечение проводников и ошиновка в пределах
ОРУ было выбрано в разделе 4.
Гибкие провода крепятся на гирляндах подвесных изоляторов типа ПФ6-В с
числом изоляторов в гирлянде 3 при напряжении 35 кВ.
6.2 Выбор и проверка ошиновки распределительного устройства
низкого напряжения
Соединение силового трансформатора с КРУ выполним шинным мостом. Согласно
ПУЭ /1/ в пределах открытых и закрытых распределительных устройств всех напряжений
шины и ошиновка по экономической плотности тока не проверяются. Так как шинный
мост, соединяющий трансформатор с КРУ, небольшой длины и находится в пределах
подстанции, то выбор сечения шин производится по нагреву (по допустимому току):
,
Нормальный
режим
Аварийный режим
Ток от
трансформатора:
А
Ток от
трансформатора:
А
А - ток
за вторичной обмоткой трансформатора.
Принимаем
однополосные алюминиевые шины 100×8
,
А. Прокладка шин строго горизонтальная при
расположении большой грани полосы в вертикальной плоскости.
Определяем пролёт l, при
условии, что частота собственных колебаний будет больше 200 Гц
,
откуда следует
Так как шины на изоляторах расположены плашмя, то
см4,
м2,
м
Этот вариант расположения шин позволяет увеличить длину пролета до 1,5 м,
т.е. дает значительную экономию изоляторов. Принимаем расположение пакета шин
плашмя; пролет 1,5 м; расстояние между фазами а = 0,8 м. Определяем силу
взаимодействия между полосами
Напряжение в материале полос составит
Где
- момент сопротивления одной полосы
Таким
образом,
МПа, поэтому шины механически прочны.
Принимаем
к установке шины прессованные из алюминиевого сплава марки АДЗ1Т с допустимым
механическим напряжением в материале шин
.
6.3 Выбор и проверка электрических аппаратов
.3.1 Выбор разъединителей
Выбираем по справочнику разъединитель типа
РНДЗ-35/1000/УХЛ1 - разъединитель одноколонковый с заземлением с
усиленной изоляцией повышенной надежности.
,
,
Где
- время от начала короткого замыкания до его
отключения;
- время
действия основной защиты трансформатора, равное 0,1 с;
- полное
время отключения выключателя, равное 0,08 с;
;
(кА)2с.
Все
расчетные, каталожные данные разъединителя сводим в таблицу 6.1.
Таблица 6.1
Расчетные и каталожные данные разъединителей на ВН подстанции
|
Параметра выбора
|
Расчетные данные
|
Каталожные данные
|
|
|
Разъединитель РНДЗ -
35/1000/УХЛ1
|
|
Uсети = 35 кВUном = 35 кВ
|
|
|
|
, А
|
|
|
|
, кА кА
|
|
|
|
, кА2∙с кА2с
|
|
|
|
-
|
|
|
-
|
|
|
|
Тип привода ПР-90
|
6.3.2 Выбор выключателей
На напряжении 35 кВ рекомендованы к установке вакуумные и элегазовые
выключатели. При выборе выключателей, как и прочего оборудования, целесообразно
стремиться к однотипности, поэтому основной расчет производится по одной из
цепей на ВН, а в остальных устанавливаются аналогичные выключатели при условии
прохождения аппаратов по основным параметрам. Выключатели выбираются:
- по номинальному напряжению
- по номинальному току
- по
отключающей способности, которая характеризуется номинальным током отключения
в виде действующего значения периодической
составляющей отключающего тока:
К установке принимаем вакуумный выключатель типа ВВС-35-||-20/1000 У1 с
гидравлическим приводом.
Собственное
время отключения выключателя
.
Термическая
стойкость проверяется по тепловому импульсу тока КЗ:
,
Где
- полный тепловой импульс КЗ;
,
,
Где
- время от начала короткого замыкания до его
отключения;
- время
действия основной защиты трансформатора, равное 0,1 с;
- полное
время отключения выключателя, равное 0,08 с;
;
(кА)2с.
По каталогу
- предельный
ток термической стойкости
;
длительность
протекания
-
.
(кА)2с
0,8 (кА)2с
проходит
Все расчетные и каталожные данные сводим в таблицу 6.2.
Таблица 6.2
Параметры выбора выключателя
|
Параметры выбора
|
Расчетные данные
|
Каталожные данные
|
|
|
Выключатель
ВВС-35-||-20/1000 У1
|
|
 кВ кВ
|
|
|
|
, А А
|
|
|
|
, кА кА кА
|
|
|
|
, кА2∙с кА2с
|
|
|
|
-
|
|
|
-
|
|
|
, кА кА кА
|
|
|
В
цепи 10 кВ с рабочим током
А и
кА принимаем к установке вакуумный выключатель
ВВЭ-10-31,5/1600 УЗ с электромагнитным приводом.
Собственное
время отключения выключателя:
В первую очередь производится проверка на симметричный ток отключения по
условию:
,
Электродинамическая стойкость проверяется по условиям:
Термическая стойкость проверяется по тепловому импульсу тока КЗ:
,
Где
- полный тепловой импульс КЗ;
,
,
где
- время от начала короткого замыкания до его
отключения;
- время
действия основной защиты трансформатора, равное 0,1 с;
- полное
время отключения выключателя, равное 0,075 с;
;
.
По каталогу
- предельный
ток термической стойкости
;
длительность
протекания
-
.
проходит
Все расчетные и каталожные данные сводим в таблицу 6.4.
Выключатели отходящих линий 10 кВ подстанции необходимо выбирать
однотипными. Будем выбирать их по максимальному току отходящих линий в
аварийном режиме. Он будет при отключении одной из отходящих линий на
конкретное предприятие.
Результаты
расчетов представлены в таблице 6.3.
Таблица 6.3
Расчет максимальных токов в аварийных режимах
|
Назначение
|
Smax,
МВА
|
Imax.н, A
|
Imax.ав, A
|
|
Населенный пункт
|
3/0.87
|
66,4
|
99,7
|
|
Предприятие черной
металлургии
|
8/0,8
|
192,7
|
289,0
|
|
Предприятие текстильной
промышленности
|
1/0,78
|
37,1
|
74,1
|
|
Предприятие химической
промышленности
|
6/0,79
|
219,5
|
439,0
|
|
Обогатительная фабрика
|
9/0,85
|
204,0
|
306,0
|
Максимальный ток в отходящих линиях в нормальном режиме равен 439,0 А.
В
отходящих линиях с максимальным рабочим током
и
принимаем выключатель ВВЭ - 10 - 40/630 УЗ.
Проверка выключателя ВВЭ-10-40/630УЗ аналогична проверке
выключателя ВВЭ-10-40/1600ТЗ, так как все параметры этих выключателей, кроме
тока, одинаковы.
Все расчетные и каталожные данные сводим в таблицу 6.4.
Распределительное устройство на напряжение 10 кВ понижающей подстанции
принимается комплектным из шкафов КРУ серии К-104м для внутренней установки.
Таблица 6.4
Расчетные и каталожные данные выключателей 10 кВ
6.3.3 Выбор ограничителей перенапряжения
ОПН устанавливаются для защиты ВЛ. Параметры выбора ОПН представлены в
таблице 6.5.
Таблица 6.5
Параметры выбора ограничителя перенапряжения
|
Тип ограничителя
перенапряжения
|
Напряжение установки
|
Назначение
|
Способ установки
|
|
ОПН-У-35/38,5 УХЛ1
|
35 кВ
|
Защита питающей ВЛ
|
Наружной
|
|
ОПН-Т-10/12,7 УХЛ1
|
10 кВ
|
Защита отходящих линий 10
кВ
|
Встроенный в КРУ
|
6.4 Контрольно-измерительная аппаратура
Контроль за режимами работы основного и вспомогательного оборудования на
подстанции осуществляется с помощью контрольно-измерительных приборов. Объем
контроля и место установки контрольно-измерительной аппаратуры зависят от
характера объекта, структуры управления, особенностей режима работы. Выбор
приборов и места их установки осуществлен согласно рекомендациям [2], результат
выбора отражен на схеме электрических соединений.
.4.1 Выбор трансформаторов тока
Трансформаторы тока, предназначенные для питания измерительных приборов,
выбирают:
- по номинальному напряжению
- по номинальному току, номинальный ток должен быть как можно
ближе к рабочему току установки, так как недогрузка первичной обмотки приводит
к увеличению погрешности;
- по конструкции и классу точности;
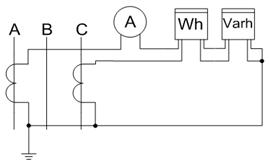
Для проверки по вторичной нагрузке воспользуемся схемой включения
(рисунок 6.1) и таблицей номинальных данных приборов. В цепи питающих линий
устанавливаются следующие измерительные приборы: амперметр, ваттметр, варметр,
фиксирующий прибор для определения места КЗ и счетчики активной и реактивной
энергии.
Рисунок 6.1 - Схема включения приборов в полную звезду
Таблица 6.6
Расчет мощности счетчиков
|
Прибор
|
Тип
|
Класс точности
|
Нагрузка фазы,
|
|
|
|
А
|
В
|
С
|
|
Амперметр
|
Э-335
|
0,5
|
-
|
0,5
|
|
Ваттметр
|
Д-335
|
1,0
|
0,5
|
-
|
0,5
|
|
Варметр
|
Д-335
|
1,0
|
0,5
|
-
|
0,5
|
|
Счетчик активной энергии
|
САЗ-И674
|
1,0
|
2,5
|
-
|
2,5
|
|
Счетчик реактивной энергии
|
СР4-И676
|
1,0
|
2,5
|
-
|
2,5
|
|
Итого
|
6,0
|
0,5
|
6,0
|
Для обеспечения выбранного класса точности необходимо, чтобы
действительная нагрузка вторичной цепи не превосходила нормированной для
данного класса точности, т.о. выбор по вторичной нагрузке:
Индуктивное
сопротивление токовых цепей невелико, поэтому
, при
этом вторичная нагрузка
где
- сопротивление приборов;
;
-
мощность, потребляемая приборами;
- вторичный
номинальный ток прибора;
-
сопротивление контактов;
Ом
Сопротивление
соединительных проводов:
;
Вторичная
номинальная нагрузка трансформатора тока в классе точности 0,5
;
Ом;
Зная
величину
можно определить сечение соединительных проводов:
Где
- удельное сопротивление провода,
для
провода с медными жилами;
-
расчетная длина соединительных проводов, учитывающая схему включения приборов и
трансформаторов тока, а также длину соединительных проводов между ними.
Схема включения трансформаторов тока - полная звезда, так как сеть 220 кВ
работает с эффективно заземленной нейтралью. Все фазы загружены равномерно, при
этом
;
По
условию механической прочности для проводов с медными жилами принимаем
многожильный контрольный кабель с резиновой изоляцией и поливинилхлоридной
герметизирующей оболочкой без защитного покрова КРВГ с сечением
.
- по электродинамической стойкости
по
термической стойкости
В
соответствии с вышеизложенным выбираем трансформаторы тока на ВН в цепи
питающих линий. Расчетные и каталожные данные трансформаторов тока ВН
подстанции указаны в таблице 6.7.
Таблица 6.7
Расчетные и каталожные данные трансформаторов тока ВН подстанции
|
Расчетные данные
|
Каталожные данные
ТФНД-35М-|-800/5-0,5/10Р/10Р У1
|
|

|
|
|

|
|
|

|
|
|

|
|
6.4.2 Выбор трансформаторов тока на НН
.4.2.1 Трансформаторы тока в цепи силового трансформатора
- по номинальному напряжению
;
- по номинальному току
,
- по конструкции и классу точности
В цепи устанавливаются следующие измерительные приборы: амперметр,
ваттметр, варметр, счетчики активной и реактивной энергии, включенные по схеме
неполной звезды (рисунок 6.2).
Рисунок 6.2 - Схема включения приборов в неполную звезду
Таблица 6.8
Расчет мощности трансформаторов тока НН подстанции
|
Прибор
|
Тип
|
Класс точности
|
Нагрузка фазы,
|
|
|
|
А
|
В
|
С
|
|
Амперметр
|
Э-335
|
1,0
|
0,5
|
-
|
-
|
|
Ваттметр
|
Д-335
|
1,5
|
0,5
|
-
|
0,5
|
|
Варметр
|
Д-335
|
1,5
|
0,5
|
-
|
0,5
|
|
Счетчик активной энергии
|
САЗ-И674
|
1,0
|
2,5
|
-
|
2,5
|
|
Счетчик реактивной энергии
|
СР4-И676
|
1,5
|
2,5
|
-
|
2,5
|
|
Итого
|
6,5
|
-
|
6,0
|
Общее сопротивление приборов:
Ом;
вторичная
номинальная нагрузка трансформатора тока в классе точности 0,5
; сопротивление контактов при пяти приборах
; допустимое сопротивление проводов:
Ом;
сечение соединительных проводов при соединении в полную звезду:
мм2;
по
условию механической прочности принимаем кабель КРВГ с сечением
.
- по электродинамической стойкости
по
термической стойкости
Таблица 6.9
Расчетные и каталожные данные трансформатора тока
|
Расчетные данные
|
Каталожные данные
ТЛ-10-1500-0,5/10Р/10Р У3
|
|

|
|
|

|
|
|

|
|
|

|
|
В цепи секционных выключателей к установке принимаем трансформаторы тока
того же типа, что и в цепи силового трансформатора на стороне НН. Схема
включения трансформаторов тока - неполная звезда, так как сеть 10 кВ работает с
изолированной нейтралью.
В
качестве измерительной аппаратуры устанавливается амперметр с
;
Общее
сопротивление приборов:
Сопротивление
контактов
;
Сопротивление
приборов: допустимое сопротивление проводов:
;
сечение соединительных проводов:
;
по
условию механической прочности принимаем КРВГ с сечением
6.5.2.2 Трансформаторы тока в цепи отходящих линий
- по номинальному напряжению
;
- по номинальному току
,
В цепи отходящих линий устанавливаются следующие измерительные приборы:
амперметр, расчетные счетчики активной и реактивной энергии, включенные по
схеме неполной звезды (рисунок 6.3).
Рисунок 6.3 - Схема включения приборов
Таблица 6.10
Расчет мощности приборов, устанавливаемых на отходящих линиях
|
Прибор
|
Тип
|
Класс точности
|
Нагрузка фазы,
|
|
|
|
|
А
|
В
|
С
|
|
Амперметр
|
Э-335
|
0,5
|
0,5
|
-
|
-
|
|
Счетчик активной энергии
|
САЗ-И674
|
1,0
|
2,5
|
-
|
2,5
|
|
Счетчик реактивной энергии
|
СР4-И676
|
1,5
|
2,5
|
-
|
2,5
|
|
Итого
|
5,5
|
-
|
5,0
|
Общее сопротивление приборов:
;
вторичная номинальная нагрузка:
;
сопротивление
контактов при трех приборах
;
допустимое
сопротивление проводов:
;
сечение соединительных проводов при соединении в полную звезду:
;
по
условию механической прочности КРВГ с сечением
по
электродинамической стойкости
кА
по
термической стойкости
кА2с
Таблица 6.11
Расчетные и каталожные данные трансформаторов тока отходящих линий
|
Расчетные данные
|
Каталожные данные
ТЛ-10-500-0,5/10Р У3
|
|

|
|
|

|
|
|

|
|
|

|
|
В остальные отходящие линии устанавливаются аналогичные трансформаторы
тока, но другого номинала. Результаты выбора ТТ представлены в таблице 6.12.
Таблица 6.12
Результаты выбора ТТ на отходящих линиях
|
Назначение
|
Imax.ав, A
|
Тип ТТ
|
|
Населенный пункт
|
99,7
|
ТЛ-10-100-0,5/10Р У3
|
|
Предприятие черной
металлургии
|
289,0
|
ТЛ-10-300-0,5/10Р У3
|
|
Предприятие текстильной промышленности
|
74,1
|
ТЛ-10-75-0,5/10Р У3
|
|
Предприятие химической
промышленности
|
439,0
|
ТЛ-10-500-0,5/10Р У3
|
|
Обогатительная фабрика
|
306,0
|
ТЛ-10-300-0,5/10Р У3
|
6.4.2 Выбор трансформаторов напряжения
Трансформатор напряжения предназначен для питания катушек напряжения
измерительных приборов и для контроля изоляции в сетях с изолированной
нейтралью. Трансформатор напряжения включается по схеме «звезда с землей -
звезда с землей - разомкнутый треугольник», что позволяет получить необходимые
фазные и линейные напряжения, а также обеспечивает срабатывание релейной защиты
при однофазных замыканиях на землю, действующей на отключение в сетях 35 кВ.
Заземление первичной обмотки является рабочим, вторичной - защитным для
обеспечения безопасной работы персонала в случае пробоя изоляции. В первую
вторичную обмотку (соединение «звезда с землей») включаются измерительные
приборы, а вторая (соединение «разомкнутый треугольник») используется для
контроля изоляции в ТН со стороны 10,5 кВ, и для релейной защиты в ТН со
стороны 35 кВ (рисунок 6.4). ТН подключаются к каждой секции или системе
сборных шин для обеспечения требований надежности.
Рисунок 6.4 - Схема подключения трансформатора напряжения
ТН выбираются по:
-
напряжению:
;
вторичной
нагрузке в выбранном классе точности
,а при
соединении однофазных трансформаторов в звезду
.
Таблица 6.13
Выбор трансформаторов напряжения
|
Прибор и место его
установки
|
Тип
|
Мощность одной обмотки, ВА
|
Число обмоток
|
 Число
приборовОбщая мощность
|
|
|
|
|
|
|
|
|
|
|
, Вт ,Вар
|
|
|
ВН 35 кВ
|
|
V
|
Система шин
|
Э-335
|
2
|
1
|
1
|
0
|
1
|
2
|
-
|
|
Регистрвольт
|
|
Н-393
|
10,0
|
1
|
1,0
|
0
|
1
|
10
|
-
|
|
var
|
Цепи питающей и отходящей
линий
|
Д-335
|
1,5
|
2
|
0
|
1
|
2
|
-
|
6
|
|
W
|
|
Д-335
|
1,5
|
2
|
1
|
0
|
2
|
6
|
-
|
|
Wh
|
|
САЗ-И674
|
3,0 Вт
|
2
|
0,38
|
0,925
|
2
|
12
|
29,2
|
|
Varh
|
|
СР4-И689
|
3,0 Вт
|
2
|
0,38
|
0,925
|
2
|
12
|
29,2
|
|
Итого
|
42
|
64,4
|
|
НОМ-35-66 У1
|
Однофазный трансформатор
напряжения
|
|
|
кВУстанавливаем по одному трансформатору в каждую
фазу
|
|
|

|
|
|
|
НН 10,5 кВ
|
|
V
|
Секция СШ
|
Э-335
|
2
|
1
|
1
|
0
|
2
|
4
|
-
|
|
Var
|
Цепь силового
трансформатора
|
Д-335
|
1,5
|
2
|
1
|
0
|
1
|
3
|
-
|
|
W
|
|
Д-335
|
1,5
|
2
|
1
|
0
|
1
|
3
|
-
|
|
Wh
|
Цепь силового
трансформатора и отходящих линий
|
САЗ-И674
|
3,0 Вт
|
2
|
0,38
|
0,925
|
5
|
30
|
73
|
|
Varh
|
3,0 Вт
|
2
|
0,38
|
0,925
|
5
|
30
|
73
|
|
Итого
|
70
|
146
|
|
ЗНОЛ.06-10
|
Однофазный трансформатор
напряжения
|
ВА
|
|
Устанавливаем по одному трансформатору в каждую фазу
|
|
|

|
|
|
|
|
|
|
|
|
|
|
|
|
|
ЗАКЛЮЧЕНИЕ
В результате проделанной работы была спроектирована и рассчитана
проходная подстанция 35/10 кВ.
Исходя из задания на курсовой проект, выбраны схемы электрических соединений
на высоком и на низком напряжении. После этого проведён выбор электрической
аппаратуры, а именно:
- выключателей;
- разъединителей;
- комплектного распределительного устройства;
- трансформаторов тока;
- трансформаторов напряжения;
- шин.
При выборе аппаратов, ввиду их огромного многообразия, предпочтение было
отдано более современным, которые наилучшим образом соответствовали необходимым
параметрам и нормам.
СПИСОК ИСПОЛЬЗОВАННЫХ ИСТОЧНИКОВ
1. Правила
устройства электроустановок РК. Министерство энергетики и минеральных ресурсов
РК, 2004;
. РД
153-34.0-20.527-98. Руководящие указания по расчету токов короткого замыкания и
выбору электрооборудования / под ред. Б.Н. Неклепаева.- М.: Изд-во НЦ ЭНАС,
2001;
. Конюхова
Е.А. Электроснабжение объектов.- М.: Изд-во «Мастерство», 2001;
Рожкова Л.Д.,
Козулин В.С. Электрооборудование станций и подстанций.- М.: Энергоатомиздат,
1987;
. Ульянов
С.А. Электромагнитные переходные процессы в электрических системах.- М.:
Энергия, 1972;
. Лисовский
Г.С., Хейфиц М.Э. Главные схемы и электротехническое оборудование подстанций
35-750.- М.: Энергия, 1977;
. Справочник
по проектированию электроснабжения/под ред. Ю.Г. Барыбина, Л.Е. Федорова, М.Г.
Зименкова, А.Г. Смирнова.- М.: Энергоатомиздат, 1990;
. Неклепаев
Б.Н. Электрические станции.- М.: Энергия,1976;
.
Электрическая часть электростанций и подстанций/ справочные материалы под ред.
Б.Н. Неклепаева. - М.: Энергия, 1978;
. Мельников
Н.А. Электрические сети и системы.- М.: Энергия, 1975;
. Справочник
по электрическим установкам высокого напряжения/под ред. И.А. Баумштейна и М.В.
Хомякова.- М.: Энергоиздат, 1981;
. Вакуумная
коммутационная аппаратура. ФГУП «НПП Контакт», Россия г. Саратов, 2005;
.
Высоковольтное оборудование. Карпинский электро-машиностроительный завод, Россия
г. Карпинск, 2005;
. Вакуумные
выключатели ВВ/ТЕL, ОПН/TEL. Таврида Электрик, Россия г. Москва, 2005;
. Техническая
документация ЗАО ПФ «КТП-Урал», ISO 9001:2000, Россия, Екатеринбург, 2005.