Разработка схем питания собственных нужд подстанции

  • Вид работы:
    Курсовая работа (т)
  • Предмет:
    Физика
  • Язык:
    Русский
    ,
    Формат файла:
    MS Word
    192,73 Кб
  • Опубликовано:
    2014-10-08
Вы можете узнать стоимость помощи в написании студенческой работы.
Помощь в написании работы, которую точно примут!

Разработка схем питания собственных нужд подстанции

Содержание

Введение

Исходные данные

. Разработка структурной схемы подстанции

.1 Выбор схемы соединения основного оборудования, определение потоков мощностей

.2 Выбор числа и мощности трансформаторов

. Разработка главной схемы подстанции

.1 Расчет токов в нормальном, утяжеленном режимах и токов короткого замыкания

.1.1 Расчетные токи на стороне высшего напряжения

.2 Выбор схемы распределительного устройства ВН

.2.1 Выбор коммутационных аппаратов, токоведущих частей, средств контроля и измерения

.2.2 Выбор трансформаторов тока

.2.3 Выбор трансформаторов напряжения

.2.4 Выбор токоведущих частей для РУ ВН

.3. Выбор схемы соединения распределительного устройства НН

.3.1 Выбор трансформаторов тока и напряжения для РУ НН

.3.2 Токоведущие части

. Разработка схем питания собственных нужд подстанции

.1 Выбор трансформаторов собственных нужд

.2 Схема питания собственных нужд подстанции

. Выбор аккумуляторной батареи

. Управление и сигнализация

. Конструктивное исполнение

Литература

Введение

В данном курсовом проекте проектируется подстанция цинкового завода. Цель проекта - добиться качественного и надежного снабжения электроэнергией завода. Для этого были выбраны силовые трансформаторы, распределительные устройства высшего и нижнего напряжения, коммутационные аппараты и токопроводы. В курсовом проекте также решаются вопросы снабжения э/э собственных нужд подстанции.

Исходные данные

Подстанция цинкового заводаВН                                                                            110 кВ

Число вводов                                                              2

Число отходящих линий                                            3ТРАНЗИТ                                                                           51 МВАНН                                                                                    10,5 кВ

Число отходящих линий                                            12НАГРУЗКИ                                                             33МВА

Реактанс системы, x*с = 0,02 при Sб = 100 МВА

1. Разработка структурной схемы подстанции

.1 Выбор схемы соединения основного оборудования, определение потоков мощностей

Анализируя исходные данные, имеем, число входящих воздушных линий - 2, отходящих (транзитных) линий - 3 и отходящих линий на стороне НН - 12. Планируемая мощность нагрузки должна составлять МВА, транзитная мощность  МВА, следовательно (без учетов коэффициентов мощностей),  МВА.

Рисунок 1. Общая структурная схема

.2 Выбор числа и мощности трансформаторов

Для обеспечения надежности и оптимальной стоимости установим 2 трансформатора (при выводе одного из трансформаторов в ремонт второй можно перегружать на 40% в течении 5-и дней по 6 часов) с расщепленными обмотками НН (для снижения токов короткого замыкания для сетей 6-10 кВ), с устройством РПН.

Выбор номинальной мощности трансформатора производят с учетом его нагрузочной способности. В общем случае условие выбора мощности трансформатора имеет вид

расч£Sном·kп, 

где Sрасч - расчетная мощность; Sном - номинальная мощность трансформатора; kп - допустимый коэффициент перегрузки.

При определении Sрасч принимается во внимание нагрузка на пятый год, если считать от конца сооружения электроэнергетического объекта, причем учитывается перспектива дальнейшего его развития на 5-10 лет вперед.

При установке двух трансформаторов мощность каждого выбирается из условия:

ном³ Sмах ·(0,65÷0,7)                             ном =0,7×33=24 МВА

Выберем к установке 2-а трансформатора ТРДН-25000/110 (трансформатор трехфазный, с расщепленной обмоткой, принудительной циркуляцией воздуха и естественной циркуляцией масла, с устройством регулирования напряжения под нагрузкой).

Таблица 1. Паспортные данные трансформатора ТРДН-25000/110

Uном ВН,кВ

Uном НН,кВ

Uк,%

115

11-11

10,5



Рисунок 2. Структурная схема подстанции

Выбранные трансформаторы удовлетворяют нормативным требованиям проектирования подстанций (при выводе одного трансформатора в ремонт, второй при 40% перегрузе может выдавать мощность Sперегр. =33,6 МВА).

2. Разработка главной схемы подстанции

.1 Расчет токов в нормальном, утяжеленном режимах и токов короткого замыкания

.1.1 Расчетные токи на стороне высшего напряжения

Нормальный режим:

 

                    

          

Утяжелённый (максимальный) режим

                 

                 

 

Расчетные токи на стороне нижнего напряжения:

Нормальный режим

 

                                            

Утяжелённый режим

                                                

                                               

где    - число отходящих линий; - расчетный ток со стороны низкого напряжения;       - расчетный ток со стороны отходящих линий.

Расчет токов короткого замыкания:

В соответствии с «Правилами устройства электроустановок» при напряжении 110 кВ электрическая сеть выполняется с эффективно заземленной нейтралью. Нейтраль силового трансформатора заземляют, чтобы не создавать запас изоляции, так как это не эффективно. Тогда при замыкании фазы на землю ток короткого замыкания резко возрастает, релейная защита реагирует на этот ток и отключает установку. При таком повреждении в сети напряжение «здоровых» фаз тоже увеличивается, но до величины  (или ) и длится только на время короткого замыкания. В сетях 110 кВ иногда токи однофазного короткого замыкания превышают токи трехфазного, а аппаратуру и токоведущие части в основном выбирают по трехфазному короткому замыканию, поэтому часть нейтралей разземляют, тем самым, увеличивая сопротивление и уменьшая токи однофазного короткого замыкания (рисунок 3).

ЗОН - заземлитель однополюсный наружной установки;

ОПН - ограничитель перенапряжений, защищает нейтраль от перенапряжений при разомкнутом ЗОН.

Рисунок 3

Выбор расчетной точки короткого замыкания

Электрические аппараты и шинные конструкции распределительных устройств должны быть проверены на электродинамическую и термическую устойчивость. Для этого составляется расчетная схема замещения (рисунок 4), намечаются расчетные точки короткого замыкания и определяются токи короткого замыкания.

При составлении расчетной схемы для выбора аппаратов и проводников одной цепи выбирают режим установки, при котором в этой цепи будет наибольший ток короткого замыкания. За расчетную точку короткого замыкания принимают точку, при повреждении которой через выбираемый аппарат или проводник будет протекать наибольший ток. При расчете токов короткого замыкания сопротивление линии учтено в x*с, причем все индуктивные сопротивления приводятся к произвольно выбранной базисной мощности .

 

Рисунок 4

Расчетное сопротивление трансформаторов:

                            

 

Рассмотрим трехфазное короткое замыкание на шинах 110 кВ (точка К-1). Базисный ток:

 

Ток короткого замыкания:

 

Ударный ток (амплитудное значение) короткого замыкания:

 

где    - ударный коэффициент (выбирается из [1]).

Рассмотрим трехфазное короткое замыкание на шинах 10,5 кВ (точка К-2). Базисный ток:

 

Ток короткого замыкания:

 

Амплитудное значение ударного тока короткого замыкания:

 

.2 Выбор схемы распределительного устройства ВН

Схемы электрических соединений выбирают: по напряжению, по категории потребителя, по числу присоединений. Согласно данному критерию выбираем:

На стороне высокого напряжения - схему «две рабочие и обходная система шин»; высшее напряжение 110 кВ; подстанция проходная, подходит одна линия, есть переток мощности, могут питаться потребители 1,2 категории. Схема экономична, достаточно надежна.

Рисунок 4. Схема РУ ВН

Выбор главной схемы подстанции зависит от назначения, роли и местоположения объекта в энергосистеме в целом. Выбранная схема должна обеспечивать требуемую степень надежности питания всех потребителей, перспективу развития и возможность расширения, возможность производства ремонтных работ, простоту и наглядность, экономическую целесообразность. Согласно данным критериям выбираем: На стороне высокого напряжения - схему «две рабочие и одна обходная система шин»; высшее напряжение 110 кВ; подстанция проходная, три транзитные линии, есть переток мощности, могут питаться потребители 1,2 категории. Схема экономична, достаточно надежна (представлена на рисунке 4).

.2.1 Выбор коммутационных аппаратов, токоведущих частей, средств контроля и измерения.

Выбор выключателей и разъединителей

Выключатели выбирают:

По напряжению установки .

По длительному току .

По отключающей способности.

По ГОСТ 687-78Е отключающая способность характеризуется:

номинальным током отключения ;

допустимым относительным содержанием апериодической составляющей тока в токе отключения ;

нормированным параметром ПВН.

Номинальный ток отключения  и  определяются в момент расхождения контактов выключателя τ. Время τ от начала короткого замыкания до прекращения соприкосновения дугогасительных контактов определяется по выражению:

          

где    - собственное время отключения выключателя;

 - минимальное время действия релейной защиты.

Выберем к установке выключатель ВВБТ-110Т1 с током отключения Так как, то установка реактора не требуется.

Апериодическая составляющая тока короткого замыкания для ветви энергосистемы:

 

где    - постоянная времени затухания апериодической составляющей тока КЗ.

Номинальная апериодическая составляющая тока короткого замыкания для выключателя ВВБТ-110Т1.

 

Проверка на термическую стойкость: тепловой импульс, выделяемый током короткого замыкания:

 

где   

 - время действия релейной защиты;

 - полное время отключения выключателя.ТЕР2 tТЕР = 402 × 4 = 6400 кА2/с 

где    IТЕР - ток термической стойкости;ТЕР - время протекания тока термической стойкости.

Мгновенный динамический ток:

 

Проверка включающей способности производится по условию

; ,

где  - ударный ток короткого замыкания в цепи выключателя; - начальное значение периодической составляющей тока короткого замыкания в цепи выключателя; - номинальный ток включения (действующее значение периодической составляющей);  - наибольший пик тока включения (по каталогу). Заводами изготовителями соблюдается условие

,

где kу =1,8 - ударный коэффициент, нормированный для выключателей. Проверка по двум условиям необходима потому, что для конкретной системы kу может быть более 1,8.

Все расчетные и каталожные данные сведены в таблицу 2. Выбираем по справочнику разъединители РГ-126-1600УХЛ1 с приводом ПРГ6-УХЛ1, заземлители ЗОН-110Т-1.

подстанция трансформатор питание собственный

Таблица 1

Виды проверки

Условия выбора и проверки

Расчетные данные

Каталожные данные




Выключатель  ВВБТ-110-Т1

Разъединитель РГ-126-1600 УХЛ1

По напряжению установки, кВ

 110110110




По длительному току, А

  440,88 1600 1600




По возможности отключения периодической составляющей тока короткого замыкания, кА

2531,5-




По возможности отключения апериодической составляющей тока короткого замыкания, кА

 1,76 11,1-




Проверка по включающей способности, кА

 56,8580-





 2531,5-




Проверка на электродинамическую стойкость, кА

  25 80,14100





  56,85 102 -




Проверка на термическую стойкость, кА2с               112,5 6400 4800 (г.н.)






2.2.2 Выбор трансформаторов тока

Трансформаторы тока, предназначенные для питания измерительных приборов, выбираются:

по номинальному напряжению

Uуст £ Uном, 

по номинальному току

раб.max £ I1ном,

(причем, номинальный ток должен быть как можно ближе к рабочему току установки, так как недогрузка первичной обмотки приводит к увеличению погрешностей);

по конструкции и классу точности;

по электродинамической стойкости.

по термической стойкости.

Исходя из приведенных выше рассуждений, примем к установке трансформатор тока ТФЗМ-110Б-1, результаты проверки сведены в таблицу 2.

Таблица 2. - Результаты проверки трансформатора тока

Виды проверки

Условия выбора и проверки

Расчетные данные

Каталожные данные




Трансформатор ТФЗМ110-У1

По напряжению установки, кВ

110110



По длительному току, А

440,88

500

Проверка на электродинамическую стойкость, кА

56,85

105

Проверка на термическую стойкость, кА2с

112,5



Где - каталожный ток термической стойкости трансформатора тока,-номинальный ток электродинамической стойкости.

Выбор класса точности определяет назначение трансформатора тока. В соответствие с ПУЭ:

а) трансформаторы тока для включения электроизмерительных приборов должны иметь класс точности не ниже 3;

б) обмотки трансформаторов тока для присоединения счётчиков, по которым ведутся денежные расчеты, должны иметь класс точности 0,5;

в) для технического учёта допускается применение трансформаторов тока класса точности 1.

Для обеспечения выбранного класса точности необходимо, чтобы действительная нагрузка вторичной цепи Z2 не превосходила нормированной для данного класса точности нагрузки Z2ном, Ом, т.е.

£ Z2ном.  

У выбранных трансформаторов тока ТФЗМ110-У1 имеются три вторичные обмотки с номинальными токами 5/10Р/10Р А. Одна из них используется для подключения измерительных приборов. Ее класс точности равен 0,5.

На линии 110 кВ устанавливаются амперметры в одной фазе, ваттметр и варметр с двусторонней шкалой, фиксирующий прибор для определения места короткого замыкания. Схема подключения приборов изображена на рисунке 5.

Рисунок 5. Схема подключения измерительных приборов

Вторичная нагрузка трансформаторов тока содержится в таблице 3.

Таблица 3. - Вторичная нагрузка трансформаторов тока

 Прибор

 Тип

Нагрузка фазы, ВА



А

В

С

Амперметр

Э-335

0,5

-

-

Ваттметр

Д-335

0,5

-

0,5

Варметр

Д-335

0,5

-

0,5

Итого:

1,5

-

1


Видно, что наиболее загруженным является трансформатор тока, установленный на фазе А.

Для работы трансформатора тока в заданном классе точности, необходимо выполнение условия:

 

Где [Ом]- суммарное сопротивление приборов подключенных к Т.Т.,

При трех приборах переходное сопротивление контактов принимаем , Так как индуктивное сопротивление токовых цепей не велико то можно принять . - нормированная нагрузка для класса точности 0,5. Найдем :

       

В качестве соединительных проводов применяем многожильные контрольные кабели с сечением (по условию прочности) не менее 4 мм2 [2]. Приблизительная длина кабеля для РУ 110 кВ принимается равной 80 м [2], тогда сечение:


Принимаем к установке контрольный кабель АКРВГ с сечением жил 4 мм2

На транзитных линиях устанавливаем трансформатор тока ТФЗМ-110Б-У1.

Результаты проверки выбранного трансформатора тока сведены в таблицу 4.

Таблица 4. Проверка трансформатора тока

Расчетные данные

Трансформатор тока ТФЗМ-110Б-У1

Uуст = 110 кВ

Uном = 110 кВ

Imax = 134 А

I1ном = 300 А

iу = 56,85 кА

iдин = 63 кА

Bк = 112,5 кА2с

Iтер2tтер = 1323 кА2с


Дальнейший расчет аналогичен. Принимаем контрольный кабель АКРВГ с сечением жил 4 мм2 и длинной 80 м.

.2.3 Выбор трансформаторов напряжения

Выбор трансформаторов напряжения производим по следующим параметрам: по напряжению установки, по конструкции и схеме соединения обмоток, по классу точности и по вторичной нагрузке. Сечения проводов в цепях трансформаторов напряжения определяются по допустимой потере напряжения.

На входе высокого напряжения выбираем 3 НКФ-110-83У1. Перечень необходимых измерительных приборов выбираем по ПУЭ. Подсчет вторичной нагрузки приведен в таблице 5.

Таблица 5. Вторичная нагрузка трансформатора напряжения

Прибор

Тип

S1обм, ВА

Число обмоток

Cos φ

sin φ

Число приборов

Общая потребляемая мощность








P, Вт

Q, ВА

Вольтметр регистрир.

Н-394

10

1

1

0

1

10

-

Вольтметр

Э-335

2

1

1

0

1

2

-

Ваттметр

Д-335

1,5

2

1

0

3

9

-

Варметр

Д335

1,5

2

1

0

3

9

-

Счётчик активный

САЗ-И674

3

2

0,38

0,925

1

6

14,6

Счетчик реактивный

СРЧ-И676

3

2

0,38

0,925

1

6

14,6

Фиксатор импульсного действия

ФИП

3

1

1

0

5

15

 -

Итого:

57

29,2


Суммарная вторичная нагрузка:

 

 

Три трансформатора напряжения НКФ-110-83У1 имеют мощность , что больше . Таким образом, трансформатор напряжения будет работать в выбранном классе точности 0,5.

Сечение проводов в цепях трансформаторов напряжения определяется по допустимой потере напряжения. Согласно ПУЭ потеря напряжения от трансформаторов напряжения до расчётных счётчиков должна быть не более 0,5%, а до щитовых измерительных приборов - не более 1,5%, при нормальной нагрузке.

Для упрощения расчётов при учебном проектировании можно принимать сечение проводов по условию механической прочности 2,5 мм2 для медных жил и 4 мм2 для алюминиевых жил.

Для соединения трансформатора напряжения с приборами принимается контрольный кабель АКРВГ с сечением жил 2,5 мм2.

.2.4 Выбор токоведущих частей для РУ ВН

В РУ 35 кВ и выше применяются гибкие шины, выполненные проводами АС. В общем случае проводится проверка по экономической плотности тока, по допустимому току при работе в максимальном режиме, а также выбранное сечение проверяется на термическое действие тока короткого замыкания. Для нашего случая необходимо выполнить только проверку по допустимому току в максимальном режиме, поскольку сборные шины электроустановок и ошиновка в пределах открытых и закрытых РУ всех напряжений проверке по экономической плотности тока не подлежат. Также и шины, выполненные голыми проводами на открытом воздухе, на термическое действие тока короткого замыкания не проверяются [3]. При напряжении 110 кВ используются провода фазы для соответствия требованиям по условию короны (минимально допустимое по условиям коронирования сечение для напряжения 110 кВ - 70 мм2 [1]).

Следовательно, выбираем провод марки АС-150/19 в качестве гибких шин для питающих линий и АС-70/11 для транзитных линий.

Гибкие шины крепятся на гирляндах подвесных изоляторов с достаточно большим расстоянием между фазами. Так, для сборных шин приняты расстояния: при 110 кВ - 3 м;

При таких расстояниях силы взаимодействия между фазами невелики, поэтому расчета на электродинамическое действие для гибких шин обычно не производят. Но при больших токах короткого замыкания провода в фазах могут схлестнуться. Согласно ПУЭ на электродинамическое действие тока короткого замыкания проверяются гибкие шины распределительного устройства при 20 кА.

Так как  - то проверяем гибкие шины на схлестывание.

Усилие от длительного протекания тока двух фазного КЗ:


Связь тока двухфазного замыкания и трехфазного.


Следовательно:

 

Определим силу тяжести 1 метра токопровода с учетом массы колец:

 

Определим соотношения  и (где - действительное время срабатывания защиты). Из диаграмм [2] определим , тогда


Допустимое значение отклонения провода:


Так как >- то схлестывание не произойдет.

.3 Выбор схемы соединения распределительного устройства НН

В качестве РУ НН примем схему с одной секционированной системой сборных шин (рисунок 6). Основной причиной, определяющей такой режим работы, является требование снижения токов короткого замыкания, хотя в этом случае отказ от непосредственной параллельной работы трансформаторов имеет свои отрицательные последствия: разные уровни напряжения по секциям, неравномерная загрузка трансформаторов и т.п. В данной схеме в нормальном режиме работы секционный выключатель отключен.

Достоинствами данной схемы являются простота, наглядность, экономичность, достаточно высокая надежность.

К недостаткам можно отнести то, что при повреждении и последующем ремонте одной из секций ответственные потребители, нормально питающиеся от обеих секций, остаются без резерва, а потребители, нерезервированные по сети, отключаются на все время ремонта.

Рисунок 6. Схема соединения РУ НН

Выбор выключателей и разъединителей на стороне низшего напряжения производится аналогично выбору на стороне высшего напряжения.

Максимальные токи продолжительного режима в водах РУ НН и в секционном выключателе были определены из условия, что один трансформатор нагружен на полную мощность из-за выхода из строя второго трансформатора выше, при расчете максимальных и номинальных токов:Н.тр.max = 962,3 А

Максимальные токи продолжительного режима для линий также были определены исходя из условия, что к каждому потребителю идет по две линии и одна из линий отключена:отх.л.max. = 229,1 А. 

Расчетный ток короткого замыкания принимаем равным току короткого замыкания на шинах НН в точке К-2. По уровню максимальных токов длительных режимов, периодической составляющей тока короткого замыкания в начальный момент времени и ударного тока, определяем, что для РУ напряжением 10,5 кВ подходит выключатель типа ВВ-10У-31,5/1000 УЗ. Результаты проверки сведены в таблицу 6.

Виды проверки

Условия выбора и проверки

Расчетные данные

Каталожные данные




Выключатель ВВ-10У-31,5/1000 УЗ

По напряжению установки, кВ

10

10

По длительному току, А

962,3

1000

По возможности отключения периодической составляющей тока короткого замыкания, кА

 6,84

 31,5

Проверка по включающей способности, кА

17,6

80


6,84

31,5

Проверка на электродинамическую стойкость, кА

6,84

20


17,6

52

Проверка на термическую стойкость, кА2с

 5,85

 30


Время отключения выключателя ВВ-10У-31,5/1000 УЗ ,

Тогда расчетное время отключения выключателя

 

- Минимальное время срабатывания защиты.

Апериодическая составляющая тока короткого замыкания для ветви энергосистемы:

 

где    - постоянная времени затухания апериодической составляющей тока КЗ.

Номинальная апериодическая составляющая тока короткого замыкания для выключателя ВВ-10У-31,5/1000 УЗ.

 

Проверка на термическую стойкость: тепловой импульс, выделяемый током короткого замыкания:

 

Проверка включающей способности производится по условию

; ,

где  - ударный ток короткого замыкания в цепи выключателя; - начальное значение периодической составляющей тока короткого замыкания в цепи выключателя; - номинальный ток включения (действующее значение периодической составляющей);  - наибольший пик тока включения (по каталогу). Заводами изготовителями соблюдается условие

 

где kу =1,8 - ударный коэффициент, нормированный для выключателей. Проверка по двум условиям необходима потому, что для конкретной системы kу может быть более 1,8.

Выберем к установке комплектное распределительное устройство КРЗД-10.

.3.1 Выбор трансформаторов тока и напряжения для РУ НН

За силовым трансформатором на стороне 10,5 кВ намечаем к установке трансформатор тока ТШЛК-10-УЗ,ТЗ-0,5/Р. Сравнение расчетных и каталожных данных приведено в таблице 7. Перечень необходимых измерительных приборов в цепи фидеров 10,5 кВ выбираем по ПУЭ. Схема включения приборов показана на рисунке 8.1.

Для проверки трансформатора тока по вторичной нагрузке, пользуясь схемой включения и каталожными данными приборов, определяем нагрузку фаз для наиболее загруженного трансформатора тока (таблица 8). Из таблицы 8 видно, что это фазы A и C.

Таблица 7 Сравнение расчетных и каталожных величин

Расчетные данные

Трансформатор тока ТШЛК 10-3000-0,5/10Р

Uуст = 10,5 кВ

Uном = 10,5 кВ

Imax = 962,3 А

I1ном = 1000 А

iу = 17,6 кА

81 кА

Bк = 5,85 кА2с

Iтер2tтер = 2976,75 кА2с


Общее сопротивление приборов:

 

Допустимое сопротивление проводов:

 

Таблица 8 Приборы, и нагрузка трансформатора тока

Прибор

Тип

Нагрузка фазы



A

B

C

Амперметр

Э-335

-

0,5

-

Ваттметр

Д-335

0,5

-

0,5

Wh

САЗ-И674

2,5

-

2,5

Var

СРЧ-И676

2,5

-

2,5

Итого:

5,5

0,5

5,5



Рисунок 7. Схема подключения приборов.

Для подстанции с низшим напряжением 10,5 принимаем кабель с алюминиевыми жилами, ориентировочная длина которого равна 50 м. Учитывая, что  находим сечение:

 

По условиям механической прочности принимаем контрольный кабель АКРВГ с жилами сечением 4 мм2.

На отходящих фидерах 10,5 кВ намечаем к установке трансформаторы тока ТЛК-10-3У,Т3. Сравнение расчетных и каталожных данных - в таблице. Перечень необходимых измерительных приборов в цепи линий 10,5 кВ выбираем по ПУЭ. Схема включения приборов показана на рисунке 8.

Таблица 9. Сравнение расчетных и каталожных данных

Расчетные данные

Трансформатор тока ТЛК-10-3-300-0,5/10Р

Uуст = 10,5 кВ

Uном = 10,5 кВ

Imax = 229,1 А

I1ном = 300 А

iу = 17,6 кА

iдин = 52 кА

Bк = 5,85 кА2с

Iтер2tтер = 768 кА2с


Для проверки трансформатора тока по вторичной нагрузке, пользуясь схемой включения и каталожными данными приборов, определяем нагрузку фаз для наиболее загруженного трансформатора тока (таблица 10). Из таблицы видно, что это фаза A.

Рисунок 8. Схема подключения приборов

Таблица 10. Нагрузка трансформаторов тока

Прибор

Тип

Нагрузка фазы



A

B

C

Амперметр

Э-335

0,5

-

-

Wh

САЗ-И674

2,5

-

2,5

Var

САЗ-И676

2,5

-

2,5

Итого:

5,5

-

5,0


Общее сопротивление приборов:

 

Допустимое сопротивление проводов:

 

Для подстанции с низшим напряжением 10,5 принимаем кабель с алюминиевыми жилами, ориентировочная длина которого равна 5 м. Учитывая, что  («неполная звезда») находим сечение:

 

По условиям механической прочности принимаем контрольный кабель АКРВГ с жилами сечением 4 мм2.

Примем к установке однофазный трехобмоточный трансформатор напряжения 3×ЗНОЛ-0,6-10УЗ.

Таблица 10. Нагрузка трансформатора напряжения

Прибор

Тип

S1обм, ВА

Число обмоток

Cos φ

sin φ

Число приборов

Общая потребляемая мощность








P, Вт

Q, ВА

Вольтметр регистрир.

Н-394

10

1

1

0

1

10

-

Вольтметр

Э-335

2

1

1

0

1

2

-

Ваттметр

Д-335

1,5

2

1

0

1

3

-

Варметр

Д335

1,5

2

1

0

1

3

-

Счётчик активный

САЗ-И674

3

2

0,38

0,925

2

12

29,2

Счетчик реактивный

СРЧ-И676

3

2

0,38

0,925

2

12

29,2

Итого:

42

58,4


Три трансформатора напряжения 3×ЗНОЛ имеют мощность =225 ВА, что больше . Таким образом, трансформатор напряжения будет работать в выбранном классе точности 0,5.

Для соединения трансформаторов напряжения с приборами для упрощения расчётов принимаем по условию механической прочности контрольный кабель АКРВГ с сечением алюминиевых жил 2,5 мм2.

Трансформатор напряжения присоединяем через предохранитель типа ПКН 001-10У3 и втычной разъединитель.

.3.2 Токоведущие части

Выбираем соединение силового трансформатора с КРУ-10 кВ. Соединение осуществляется с помощью гибкого подвесного токопровода. Выбираем комплектный токопровод типа ТЗК-10-1600-51 с номинальным током 1600 А. Шины, входящие в КРУ КРЗД-10, выдерживают ток утяжелённого режима (Iут. реж. тр. НН=962,3 А, Iном. с. ш.=1000 А).

3. Разработка схем питания собственных нужд подстанции

Мощности потребителей сведены в таблицу.

Таблица 11. Нагрузка собственных нужд подстанции

Вид потребителя

Установленная мощность

Cos φ

tg φ

Нагрузка


единицы

всего



Руст, кВт

Qуст, кВт

Охлаждение ТРДН25000/110

2,5×2

5

0,85

0,62

5

3,1

Подогрев ВВБТ-110Т1

1,8×9

16,2

1

0

16,2

-

Подогрев привода разъед.

0,6×35

21

1

0

21

-

Отопление, освещение, вентиляция КРЗД-10

-

7

1

0

7

-

Отопление, освещение ОПУ

-

60

1

0

60

-

Подогрев КРУ

1

1

1

0

1

-

Освещение ОРУ

-

10

1

0

8

-

Подзарядка АБ

-

46

1

0

46

-

Компрессорная для ВВБТ-110Т1  Электродвигат. Отопл., освещ.

  30 20

  30 20

   1

   0

  30 20

   -

Итого

212,2

3,1


Расчетная мощность потребителей собственных нужд:

 кВА. 

При расчете мощности собственных нужд не учитывалась кратковременная нагрузка (электродвигатели приводов выключателей, разъединителей и т.п.). Остальная часть потребителей (система аварийного освещения, системы управления, сигнализации и т.п.) питаются на постоянном оперативном токе от аккумуляторных батарей.

.1 Выбор трансформаторов собственных нужд

Прежде всего, необходимо учесть тот факт, что предельная мощность каждого трансформатора собственных нужд должна быть не более 630 кВА. Также на двухтрансформаторных подстанциях устанавливают два трансформатора собственных нужд. Принимаем к установке два трансформатора единичной мощности:

 кВА.                                  

Тип трансформаторов: ТМ-160/10 с вторичным напряжением 0,4кВ.

Проверим выбранные трансформаторы по допустимой нагрузке и перегрузке:

Коэффициент загрузки трансформаторов:

   

Коэффициент перегрузки трансформатора:

   

По условиям проектирования  и .

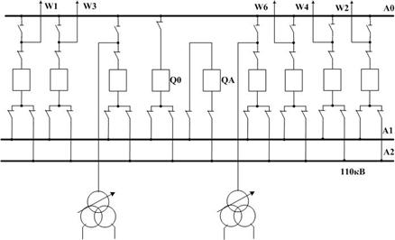
.2 Схема питания собственных нужд подстанции

На подстанциях с оперативным постоянным током трансформаторы собственных нужд присоединяют к шинам 6-35кВ (в нашем случае - 10,5 кВ). Шины 0,4 кВ секционируются для увеличения надежности электроснабжения собственных нужд; секционный разъединитель нормально разомкнут. Цепи и аппараты собственных нужд защищаются плавкими предохранителями и такие цепи и аппараты не подлежат проверке на электродинамическую стойкость токам короткого замыкания [2].

Рисунок 9. - Схема собственных нужд подстанции

4. Выбор аккумуляторной батареи

Типовой номер батареи:

=(1,05 Iав)/j=(1,05 80)/25=3,36 

Выберем к установке аккумулятор СК-4. Проверка по наибольшему толчковому току:


где Iав=Iн+Iвр=15+65=80прив=100

4=184 180

Проверка аккумулятор по допустимому отключению напряжения при наибольшем толчковом токе:

р = Iм.мах/N=180/4=45 

По кривым определяем напряжение на аккумуляторе 86%, на проводах 81%.

Подзарядное устройство ВАЗП-380/260-40/80

В качестве зарядных устройств, применяют статические преобразователи или агрегат двигатель-генератор постоянного тока.

5. Управление и сигнализация

Управление коммутационными аппаратами ведется с ОПУ. Действие системы управления сопровождается работой устройств сигнализации. Сигнализация положения коммутационных аппаратов выполняется с помощью сигнальных ламп. При аварийном отключении выполняется также звуковой сигнал (для привлечения внимания дежурного персонала).

6. Конструктивное исполнение

Открытое распределительное устройство (ОРУ) на 110 кВ выполнено типовыми ячейками. Каждый полюс разъединителей расположен под проводами соответствующей фазы. Гибкие шины подвешиваются на железобетонные порталы с помощью подвесных изоляторов. Трансформаторы тока устанавливаются на железобетонных опорах. Кабели оперативных цепей релейной защиты, автоматики и цепей управления кладутся в лотки из железобетонных плит. Все аппараты ОРУ располагаются на железобетонных основаниях.

Со стороны низкого напряжения распределительное устройство собрано из блоков КРУН, которое присоединяется к силовому трансформатору с помощью комплектного токопровода.

Литература

1.      Правила устройств электроустановок/ Минэнерго СССР - 6-е издание, перераб. и доп. - М.:Энергоатомиздат, 1985

.        Лисовская И.Т., Мубаракшин Ф.Х., Хахина Л.В. Выбор электрической аппаратуры, токоведущих частей и изоляторов: Учебное пособие к курсовому и дипломному проектированию. - Челябинск: ЧПИ, 1990

.        Электрическая часть электростанций и подстанций (справочные материалы) / Под ред. Б.Н. Неклепаева - М.: Энергоатомиздат, 1989

.        Рожкова Л.Д., Козулин В.С. Электрооборудование станций и подстанций.-3-е изд. М.: Энергоатомиздат, 1987

Похожие работы на - Разработка схем питания собственных нужд подстанции

 

Не нашли материал для своей работы?
Поможем написать уникальную работу
Без плагиата!
Без нейросетей!