|
Точки КЗ
|
, кА
|
|
К1
|
4,07
|
|
К2
|
5,7
|
|
К3
|
5,3
|
3. Выбор основного оборудования и токоведущих
элементов тяговой подстанции
.1 Расчет максимальных рабочих токов
Выбор основного оборудования должен обеспечивать
длительную работу оборудования в нормальном режиме и кратковременную работу - в
режиме КЗ. Поэтому основным уравнением выбора по условиям длительного режима
являются:
(3.1)
(3.2)
Таким образом, для выбора всех видов основного
оборудования тяговой подстанции необходимо знание максимальных рабочих токов в
месте расположения элемента. Расчет
максимальных рабочих токов основных присоединений подстанции производится в
соответствии со следующей схемой:
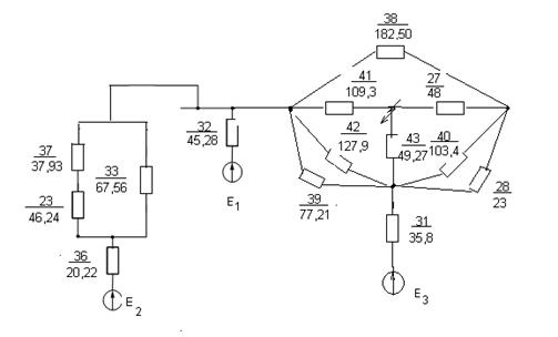
Рисунок 13.Схема тяговой подстанции
Электрические аппараты выбирают по
условиям длительного режима работы сравнением рабочего напряжения и наибольшего
длительного рабочего тока присоединения (направления токов представлены на
рис.14), где предполагается установить данный аппарат, с его номинальным
напряжением и током. При выборе учитывается необходимое исполнение аппарата
(для наружной и внутренней установки). Выбранные аппараты проверяют на
термическое действие токов короткого замыкания.
, (3.1)
где
и
-номинальный
ток и напряжение соответственно, А и кВ;
и
-
номинальный ток и напряжение соответственно, А и кВ;
1 Максимальный
рабочий ток ввода транзитной ТП
где
-
коэффициент перспективы,
- суммарная мощность трансформаторов
подстанции МВА,
- суммарная мощность транзита через
подстанцию. По схеме внешнего электроснабжения определяется число питаемых
подстанций через данную, а мощность каждой из них принимается равной проектируемой.
- коэффициент разновремённости
нагрузок проектируемой и соседних подстанций для двухпутных участков
2 Максимальный
рабочий ток первичной обмотки ВН тягового трансформатора
где
-
коэффициент допустимой перегрузки,
3 Максимальный рабочий ток
вторичной обмотки СН тягового трансформатора
4 Максимальный
рабочий ток вторичной обмотки НН тягового трансформатора
где
количество
фидеров районной нагрузки
5 Максимальный рабочий ток сборных
шин тяговой стороны
где
-
коэффициент распределения нагрузки по шинам, при числе присоединений 5 и менее
6 Максимальный рабочий ток сборных
шины районной стороны
7Максимальный рабочий ток фидера
районной нагрузки
Максимальный рабочий ток фидера
контактной сети
Согласно методическим указаниям, рабочий
ток фидера принимаем равным:
Максимальные рабочие токи
основных присоединений подстанций
|
Наименование потребителя
|
Расчетная формула
|
Максимальный рабочий ток, кА
|
|
1. Питающий ввод 220 кВ
|
0,083
|
|
|
2. Сборные шины 27,5 кВ
|
0,47
|
|
|
3. Сборные шины 10,5 кВ
|
0,22
|
|
|
4. Обмотка ВН
|
0,056
|
|
|
5. Обмотка СН
|
0,47
|
|
|
6. Обмотка НН
|
0,31
|
|
|
7. Фидер 27,5
|
0,079
|
|
.2 Выбор и проверка шин
К токоведущим частям подстанций
относятся сборные шины распределительных устройств, присоединения к ним,
ошиновка, соединяющая электрические аппараты друг с другом согласно
однолинейной схемы, а также вводы и питающие линии.
Сборные шины распределительных
устройств и все присоединения к ним напряжением 27,5 кВ и выше выполняются
сталеалюминевыми (реже алюминиевыми) многопроволочными проводами.
В закрытых распределительных
устройствах напряжением до 10 кВ включительно ошиновка и сборные шины
выполняются жесткими алюминиевыми шинами прямоугольного сечения.
Сборные шины и ответвления от них,
выполненные из гибких проводов, а так же жесткие шины выбирают из условия
приведенного в формулах (3.1) и (3.2).
В соответствии с полученными
значениями рабочих максимальных токов по условию (3.1) выбираются сечения
проводов, представленные в таблице №4:
Таблица 2: выбранные сечения
проводов и размер жестких шин по длительно допускаемому току.
|
Напряжение обмотки, кВ
|
Максимальный рабочий ток, А
|
Длительно допускаемый ток, А
|
Сечение проводов, мм2
|
Размер шины, мм
|
Марка провода
|
|
230
|
83
|
330
|
95
|
-
|
АС
|
|
27,5
|
470
|
860
|
400
|
-
|
АС
|
|
10,5
|
310
|
365
|
-
|
30 4
|
А
|
Проверка на термическую прочность.
После выбора гибкие шины должны быть
проверены на термическую стойкость к действию токов КЗ и по условию отсутствия
коронирования.
Проверка проводников на термическую
стойкость при КЗ заключается в определении их температуры нагрева к моменту
отключения КЗ и сравнении этой температуры с предельно допустимой температурой
нагрева при КЗ. Проводник удовлетворяет условию термической стойкости, если
температура нагрева проводника к моменту отключения КЗ
не
превышает предельно допустимую температуру нагрева соответствующего проводника
при КЗ
,
т.е. если выполняется условие :
, (3.10)
где
-
температура нагрева проводника к моменту отключения КЗ, 0С;
-предельно
допустимую температуру нагрева, 0С.
Определение температуры нагрева
проводников к моменту отключения КЗ следует производить с использованием кривых
зависимости температуры
нагрева проводников
от
величины
,
являющейся функцией удельной теплоемкости материала проводника, его удельного
сопротивления и температуры нагрева.
Для определения
необходимо
найти величину
исходя из
соотношения:
(3.11)
где
-
площадь поперечного сечения проводника, а для сталеалюминиевых проводов -
площадь поперечного сечения алюминиевой части провода, мм2 ;
−тепловой
импульс тока короткого замыкания,А2 • с.
Интеграл Джоуля определяется по
нижеследующей формуле:
(3.12)
где
-
периодическая составляющая тока КЗ в рассматриваемой точке схемы, А;
- время отключения
защиты, с;
- электромагнитная
постоянная времени затухания апериодической составляющей тока КЗ.
Электромагнитная постоянная времени
затухания апериодической составляющей тока КЗ, принимается равной следующему
значению
.
Время отключения защиты находиться
следующим образом:
(3.13)
где
-
время отключения защиты, с;
-время срабатывания
релейной защиты, принимаемое согласно руководящим указаниям равное 0,1с;
-время отключения
выключателя выбираемое для каждого класса напряжения.
Время отключения выключателя
выбираемое для каждого класса напряжения равно: для 220 кВ
(с);
для 27,5 кВ
(с); для 10 кВ
(с).
По формуле (3.13) определяется время
отключения защиты для на шинах РУ 220, 27,5 и 10 кВ соответственно:
(с);
(с);
(с);
По формуле (3.12) определим интеграл
Джоуля:
(А2 • с);
(А2 • с).
(А2 • с);
По формуле (3.11)
определяется, величина
принимая
что
а площадь
поперечного сечения алюминиевой части провода для гибких шин изготовленных из
провода марки АС равна 95мм2 и 400 мм2 для шин находящихся под напряжением 220
и 27,5 кВ соответственно, и 120 мм2 для жестких шин.

;
;
Используя величину
определяется
температура нагрева проводников к моменту отключения КЗ:
0С;
0С;
0С.
Соответствующие допустимые
температуры нагрева проводников к моменту отключения КЗ:
0С;
0С;
0С.
Используя условие (3.10)
сравниваются полученные значения температур для шин марок АС-95, АС-400 и А-30
4соответственно:
;
;
.
В каждом случае температура
нагрева проводников к моменту отключения КЗ меньше допустимой, что означает
выбранные шины проходят проверку на термическую прочность.
Проверка условию отсутствия
коронирования.
Проверка условию отсутствия
коронирования выполняется при напряжении 35кВ и выше.
, (3.14)
где
-
максимальное значение начальной напряженности поля, кВ/см;
- напряженность
электрического поля около поверхности нерасщепленного провода, кВ/см.
Напряженность электрического поля
около поверхности нерасщепленного провода находиться по нижеследующей формуле:
, (3.15)
где
-расстояние
между проводами фаз, см;
- радиус провода,
см.
, (3.16)
где
-коэффициент
учитывающий шероховатость поверхности провода,
.
;
(см).
где
-
площадь поперечного сечения проводника, см2.
По формуле (3.15) определяется
напряженность электрического поля около поверхности нерасщепленного провода:
(кВ/см);
( кВ/см);
Выбор и проверка опорных
изоляторов.
В конструкциях ЗРУ - 10 кВ
используются опорные и проходные изоляторы. Опорные изоляторы служат для
крепления и изоляции жестких шин ЗРУ. Опорные изоляторы выбираются по
номинальному напряжению электроустановки:
, (3.17)
где
-
номинальное напряжение изолятора;
- напряжение
электроустановки в месте установки изолятора.
По условию (3.17) подходит изолятор
ИОР-10-20УХЛ2 и дальнейшая поверка ведется для него.
Проверка изолятора выполняется по
условию:
, (3.18)
где
-
соответственно фактическая и допустимая нагрузка на изолятор, Н.
Величина допустимой нагрузки
определяется с коэффициентом запаса 60 % от разрушающей нагрузки на изгиб
изолятора, выбирается в зависимости от выбранного типа исполнения:
, (3.19)
Максимальная фактическая нагрузка на
изолятор определяется:
, (3.20)
где iу - величина ударного тока;расп
- коэффициент, зависящий от взаимного расположения проводников, Kрасп = 1 при
расположении их в одной плоскости;
- коэффициент,
зависящий от расчетной схемы, для защемленной шины на жестких опорах
;
а - расстояние между осями
проводников , должно превышать допустимое изоляционное расстояние для данного
рабочего напряжения по условиям пробоя (для
);
- длина пролета
между изоляторами (для РУ - 10 кВ
м);ф - коэффициент формы, определяемый для шин прямоугольной сечения в
зависимости от их размеров и величины а;
- динамический
коэффициент, определяемый в зависимости от частоты собственных колебаний шины (
,
fс=50 Гц).
, (3.21)
где r1 - коэффициент, зависящий от
взаимного расположения шин ( для защемленной шины на жестких опорах r1 = 4,73);
Е - модуль упругости ( для шин из
алюминия и его сплавов
Па);- момент
инерции, зависящий от формы и расположения шин. Для горизонтальных шин
прямоугольного сечения
, м4 , где b и h
соответственно короткая и длинная сторона сечения шины);- масса одного
погонного метра шины, определяемая по справочной литературе (m=0,203 кг/м).
Ударный ток определяется:
, (3.22)
где
-
ударный коэффициент (для РУ-10;
=1,9-1,92).
Рассчитываем ударный ток по формуле
(3.2.13):
(кА);
(м4);
(Гц), следовательно
.
(Н);
(Н);
.
Выбор и проверка проходных
изоляторов
Проходные изоляторы применяются на
подстанции для соединения частей электроустановки внутри и снаружи ячеек РУ,
для соединения наружных и внутренних частей электрических аппаратов. Проходные
изоляторы выбираются по номинальному напряжению (3.17) и номинальному току:
, (3.22)
где
-
максимальный рабочий ток;
- номинальный ток
изолятора, А.
По условию (3.17) подходит изолятор
ИП-10/1600-7,5УХЛ2 и дальнейшая поверка ведется для него.
Проверка изолятора выполняется по
условию (3.23). Проходные изоляторы воспринимают лишь половину усилия
приходящегося на длину пролета, поэтому максимальная фактическая нагрузка на
изолятор определяется:
, (3.23)
(Н);
(Н);
.
Проходные изоляторы необходимо
проверить на термическое действие токов КЗ, определив наименьшее возможное
сечение токоведущего стержня:
(3.24)
, (3.25)
.
Проверка жестких шин на
электродинамическое действие токов короткого замыкания
Проверка жестких шин на
электродинамическое действие токов КЗ заключается в сравнении расчетного
максимального механического напряжения в материале шин
при
трехфазном КЗ с допустимым значением
.
, (3.26)
Расчетное максимальное механическое
напряжение в материале шин рассчитываем по формуле:
, (3.27)
где w - момент сопротивлений поперечного
сечения шины, зависящий от профиля шины (для горизонтально расположенных
прямоугольных шин
, м3);
- коэффициент,
зависящий от условий опирания шин и числа пролетов конструкций с неразрезными
шинами (
).
(м3);
(Н);
.
.3 Выбор и проверка изоляторов
Назначением высоковольтных
выключателей является отключение и включение электрической цепи во всех
режимах: нормальном, аварийном, ремонтном, резервном, под напряжением.
В одном распредустройстве следует
устанавливать однотипные выключатели из числа перспективных (вакуумные и
элегазовые), что значительно упрощает их эксплуатацию и обслуживание.
В общем случае, выбор и проверка
высоковольтных выключателей производится более чем по десятку параметров.
Однако, учитывая, что заводами - изготовителями гарантируется определённая
зависимость параметров друг от друга, допускается производить проверку лишь по
важнейшим из них:
на электродинамическую стойкость к
действию токов КЗ
на термическую стойкость
по ударному току
по отключающей способности.
Выбор включателей производится по
условиям (3.17) и (3.1) после выбора производятся необходимые проверки.
Выбор включателей для РУ-220 кВ.
Из доступного выбора типоиполнений
выключателей удовлетворяющих необходимых условиям (надежности, современности и
т.д.) подходят два включателя ВГБУ и ВГТ-220.
При выборе по условию (3.1)
выключатель ВГТ-220 предпочтительней т.к. его номинальный ток больше:
для выключателя ВГБУ:
.
для выключателя ВГТ-220:
.
При выборе по условию (3.17)
выключатель ВГТ-220 и выключатель ВГБУ равносильны т.к. номинальные напряжения
равны напряжению электроустановки:
для выключателя ВГБУ:
.
для выключателя ВГТ-220:
.
Исходя из выше приведенных
сравнений выбирается выключатель ВГТ-220 и все дальнейшие проверки ведутся для
него.
На электродинамическую
стойкость к действию токов короткого замыкания выключатель ВГТ-220 проверяется
по предельному периодическому току короткого замыкания исходя из соотношения:
где
-
действующее значение периодической составляющей предельного сквозного тока короткого
замыкания по паспорту, кА;
- ток межфазного
короткого замыкания в цепи, где установлен выключатель, кА.
.
На термическую
стойкость выключатель проверяется по тепловому
импульсу тока
короткого замыкания по формуле:
, (3.29)
где IТ - среднеквадратичное значение
тока за время его протекания (ток термической стойкости) по паспорту, А;
- время термической
стойкости, с.
(кА2 • с);
(кА2 • с);
.
По ударному току
исходя из соотношения:
, (3.30)
где
-
амплитудное значение предельного сквозного тока короткого замыкания по
паспорту, А;
-ударный ток, А.
Значение ударного тока находиться по
формуле (3.19),где
=1,8 для РУ-110;220
кВ.
(кА);
.
По отключающей способности
проверка производиться по номинальному периодическому току отключения и по
полному току отключения исходя из формул (3.31) и (3.32):
, (3.31)
где
-
номинальный ток отключения выключателя по паспорту, А.
, (3.32)
где
-
номинальное относительное значение апериодической составляющей в отключаемом
токе короткого замыкания, определяемая по графику функций
где
-
действующее значение периодической составляющей предельного сквозного тока
короткого замыкания по паспорту, кА;
- ток межфазного
короткого замыкания в цепи, где установлен выключатель, кА.
.
На термическую
стойкость выключатель проверяется по тепловому
импульсу тока
короткого замыкания по формуле:
, (3.29)
где IТ - среднеквадратичное значение
тока за время его протекания (ток термической стойкости) по паспорту, А;
- время термической
стойкости, с.
(кА2 • с);
(кА2 • с);
.
По ударному току
исходя из соотношения:
, (3.30)
где
-
амплитудное значение предельного сквозного тока короткого замыкания по
паспорту, А;
-ударный ток, А.
Значение ударного тока находиться по
формуле (3.19),где
=1,8 для РУ-110;220
кВ.
(кА);
.
По отключающей способности
проверка производиться по номинальному периодическому току отключения и по
полному току отключения исходя из формул (3.31) и (3.32):
, (3.31)
где
-
номинальный ток отключения выключателя по паспорту, А.
, (3.32)
где
-
номинальное относительное значение апериодической составляющей в отключаемом
токе короткого замыкания, определяемая по графику функций
- апериодическая
составляющая тока короткого замыкания в момент расхождения контактов
выключателя, А.
; (3.33)
; (3.34)
;
(с);
(кА);
(кА);
(кА);
.
Из доступного выбора типоиполнений
выключателей удовлетворяющих необходимых условиям подходят два включателя
ВБН-27,5 и ВВК-27,5.
При выборе по условию (3.1)
выключатель ВБН-27,5 предпочтительней т.к. его номинальный ток больше:
для выключателя ВВК-27,5:
для выключателя ВБН-27,5:
При выборе по условию (3.17)
выключатель ВБН-27,5 и выключатель ВВК-27,5 равносильны т.к. номинальные
напряжения равны напряжению электроустановки:
для выключателя ВБН-27,5:
.
для выключателя ВВК-27,5:
.
Исходя из выше приведенных сравнений
выбирается выключатель ВБН-27,5 и все дальнейшие проверки ведутся для него.
Проверки производятся по тем же
критериям что, и у выключателя ВГТ-220 и соответственно ведутся по формулам
(3.28)-(3.34). Проверка на электродинамическую стойкость выключателя ВБН-27,5
не производиться т.к. в доступной литературе по высоковольтным выключателям не
приводиться значение периодической составляющей предельного сквозного тока
короткого замыкания.
Проверка на термическую стойкость:
(кА2 • с);
(кА2 • с);
.
Проверка по ударному току:
(кА);
.
Проверка по отключающей
способности:
(с);
;
(кА);
(кА);
(кА);
.
Из доступного выбора типоиполнений
выключателей удовлетворяющих необходимых условиям подходят два включателя
ВВ/ТЕЛ-10 и ВВЭ-10.
При выборе по условию (3.1)
выключатель ВВ/ТЕЛ-10 предпочтительней т.к. его номинальный ток больше:
для выключателя ВВ/ТЕЛ-10:
.
для выключателя ВВЭ-10:
.
При выборе по условию (3.17)
выключатель ВВ/ТЕЛ-10 и выключатель ВВЭ-10 равносильны т.к. номинальные
напряжения равны напряжению электроустановки:
для выключателя ВВЭ-10:
.
для выключателя ВВ/ТЕЛ-10:
.
Исходя из выше приведенных
сравнений выбирается выключатель ВВ/ТЕЛ-10 и все дальнейшие проверки ведутся
для него.
Проверки производятся по тем
же критериям что, и у выключателя ВВ/ТЕЛ-10 и соответственно ведутся по
формулам (3.28)-(3.34).
Проверка на
электродинамическую стойкость выключателя ВВ/ТЕЛ-10 не производиться т.к. в
доступной литературе по высоковольтным выключателям не приводиться значение
периодической составляющей предельного сквозного тока короткого замыкания.
Проверка на термическую
стойкость:
(кА2 • с);
(кА2 • с);
.
Проверка по ударному току:
(кА);
.
Проверка по отключающей
способности:
(с);
;
(кА);
(кА);
(кА);
.
Результаты выбора и проверок
сводятся в таблицу:
Таблица:3:Выбор и проверка
выключателей
|
Место установки ВВ
|
Тип ВВ
|
Условия выбора
|
кВ
А
А

|
А2•с
|
|
|
|
|
|
Вводы
№1 и №2 кВ ВГТ-220 






Перемычка
между вводами №1 и №2 ВГТ-220

Первичные
обмотки высшего напряжения тяговых трансформаторов ВГТ-220 

Обмотка
тяговой нагрузки ВВ/ТЕЛ-10 

Перемычка
тяговой нагрузки ВВ/ТЕЛ-10 

Обмотки
низшего напряжения ВБН-27,5 

4. Выбор коммутационного оборудования тяговой
подстанции
.1 Выбор разъединителей тяговой подстанции
Разъединители - это контактные коммутационные
аппараты, используемые в электроустановках выше 1000В. Основное назначение
разъединителей - это создание видимого разрыва и изолирование части
электроустановки отдельного аппарата от смежных частей, находящихся под напряжением,
для безопасного ремонта.
Поскольку контактная система разъединителя не
имеет дугогасительного устройства, то с его помощью нельзя отключить ток
нагрузки, а тем более ток КЗ. Однако для упрощения схемы электроснабжения
допускается использовать разъединители для производства следующих операций:
Отключение и включение нейтралей трансформаторов
и заземляющих дугогасящих реакторов при отсутствии в сети замыкания на землю;
Отключение и включение зарядного тока шин и
оборудования всех напряжений кроме батареи конденсаторов;
Отключение и включение нагрузочного тока до 15 А
трехполюсными разъединителями наружной установки напряжением 10 кВ и ниже;
Разъединителям разрешается производить операции
в случае, если он надежно шунтирован низкоомной параллельной цепью;
Разъединителям разрешается отключать и включать
незначительные токи силовых трансформаторов и зарядный ток воздушных и
кабельных линий.
Выбор разъединителя производится по следующим
условиям:
по условиям нормального режима:
(4.1)
(4.2)
по видам установки:
наружные - для ОРУ;
внутренние - для ЗРУ.
по климатическому исполнению.
Проверку выбранного разъединителя
производим по следующим условиям:
по электродинамической стойкости к
действию токов КЗ:
(4.3)
где iпр.ст -
предельный ток электродинамической стойкости, являющейся величиной постоянной,
А.
по термической стойкости:
, (4.4)
где Iт - ток
термической стойкости (величина паспортная), А;
tт - время
термической стойкости (величина паспортная), с.
С учетом указанных условий
произведем выбор и проверку разъединителей в табличной форме.
Выбор разъединителей
производиться по условиям (3.1) и (3.2).
Выбранные разъединители
проверяются по электродинамической и термической стойкости согласно выше
приведенным формулам (3.28) и (3.29), результаты выбора и проверки сводятся в
таблицу 11.
Значения ударного тока и
интеграла Джоуля принимаются такими же как и пункте 3.3.
|
Место установки разъедини-теля
|
Типразъединителя
|
Условия выбора
|
Условия проверки
|
|
|
кВ
|
А
|
А
|
А2•с
|
|
Вводы №1 и №2, 230 кВ
|
РГ(РГН)-220/1000 УХЛ1
|
  
|
|
|
|
Перемычка между вводами №1 и
№2 РГ(РГН)-220/1000 УХЛ1
|
 
|
|
|
|
|
|
Первичные обмотки высшего напряжения тяговых
трансформаторов
|
РГ(РГН)-220/1000 УХЛ1
|
  
|
|
|
|
|
Обмотка тяговой нагрузки
|
РГ(РГН)-35/2000 УХЛ1
|
  
|
|
|
|
|
Перемычка тяговой нагрузки
|
РГ(РГН)-35/2000 УХЛ1
|
  
|
|
|
|
|
Обмотки низшего напряжения
|
РКВ-10/400 УХЛ2
|
|
 
|
|
|
|
Перемычка стороны районной нагрузки
|
РКВ-10/400 УХЛ2
|
  
|
|
|
|
|
Вводы ТСН
|
РГ(РГН)-35/2000 УХЛ1
|
  
|
|
|
|
|
Фидера контактной сети
|
РГ(РГН)-35/2000 УХЛ1
|
  
|
|
|
|
|
Фидер районной нагрузки
|
РКВ-10/400 УХЛ2
|
  
|
|
|
|
6. Выбор контрольно - измерительной
аппаратуры
Контрольно-измерительные приборы
устанавливаются для контроля за электрическими параметрами в схеме подстанции и
расчетов за электроэнергию, потребляемую и отпускаемую ТП. Измерение тока
производится на вводах силовых трансформаторов со стороны всех ступеней
напряжения: на всех питающих и отходящих линиях. Измерение напряжения
осуществляется на шинах всех РУ и преобразовательных агрегатах (со стороны
выпрямленного напряжения).
В зависимости от
характера объекта контроля и структуры его управления, объем контроля и место
размещения контрольно-измерительной аппаратуры могут быть различными. Приборы
контроля для различных присоединений могут устанавливаться в разных цепях и
разных местах-на центральном пульте управления, на блочных щитах управления, на
агрегатных технологических щитах. В основном объем контроля определяется
правилами технической эксплуатации и нормами технологического проектирования.
Однако в зависимости от технологических особенностей контролируемого объекта
возможны и отклонения от установленных норм, что обычно решается при
проектировании.
Нормально на
большинстве присоединений контролируются токи, напряжения, активная и
реактивная мощности в цепях переменного тока; на генераторах и синхронных
компенсаторах контролируются, кроме того, токи и напряжения в цепях
возбуждения. На генераторах и потребительских присоединениях устанавливаются
также счетчики коммерческого учета.
Измерение
производится путем прямого включения измерительных приборов во вторичные цепи
ТТ и ТН. В последние годы в связи с унификацией измерительных сигналов и
развитием автоматического регулирования на энергообъектах началось широкое
применение измерительных преобразователей (датчиков), позволяющих использовать
измерительные приборы с унифицированными входными сигналами для измерения
любого параметра, что значительно упрощает эксплуатацию. Измерительный
преобразователь включается в соответствующие вторичные цепи трансформаторов
тока и напряжения и обеспечивает преобразование указанных входных сигналов в
унифицированный выходной сигнал 0-5 А, пропорциональный контролируемому
параметру и подаваемый на вход измерительного прибора.
Схема измерений токов, напряжений и
активной энергии амперметрами, вольтметрами, счетчиками активной энергии
представлена на рисунке 14.
Рисунок 14. Схема измерений
токов, напряжений и активной энергии.
Таблица 15.
Выбор контрольно-измерительной аппаратуры.
|
Место установки прибора
|
Прибор
|
Количество, шт
|
Марка прибора
|
|
РУ-230 кВ
|
Вольтметр с переключателем.
|
2
|
Э-365
|
|
На вводах подстанции
|
Амперметр
|
2
|
Э-335
|
|
Счетчик энергии
|
2
|
ЦЭ6805
|
|
Сторона ВН тягового тра.-ра
|
Амперметр
|
2
|
Э-335
|
|
На вводах РУ-27,5 кВ
|
Амперметр
|
2
|
Э-335
|
|
Счетчик энергии
|
2
|
ЦЭ6805
|
|
РУ-27,5 кВ
|
Вольтметр с переключателем.
|
2
|
Э-365
|
|
Сторона ВН ТСН
|
Амперметр
|
2
|
Э-335
|
|
Сторона НН ТСН
|
Вольтметр с переключателем
|
2
|
Э-365
|
|
Счетчик энергии
|
2
|
ЦЭ6805
|
|
ФКС
|
Амперметр
|
3
|
Э-335
|
|
Счетчик энергии
|
3
|
ЦЭ6805
|
|
Вводы РУ-11 кВ
|
Вольтметр с переключателем
|
2
|
Э-365
|
|
РУ-11 кВ
|
Амперметр
|
2
|
Э-335
|
|
ФРН
|
Амперметр
|
5
|
Э-335
|
|
Счетчик энергии
|
5
|
ЦЭ6805
|
|
Фидер ДПР
|
Амперметр
|
2
|
Э-335
|
|
Счетчик энергии
|
2
|
ЦЭ6805
|
6.1
Разработка схем измерений
Трансформаторы тока
и ТН в первичных схемах устанавливаются непосредственно на оборудовании или
сборных шинах распределительных устройств в зависимости от назначения.
Выполнение
вторичных цепей и способы подачи вторичного напряжения или тока на
измерительный прибор, релейную защиту, автоматику, измерительный
преобразователь зависят от конкретных условий и определяются особенностями той
или иной схемы и решаемой задачи. Однако существует ряд общих положений,
которые необходимо учитывать при выполнении вторичных цепей ТТ и ТН.
Для ТТ:
а) одну точку
вторичной обмотки необходимо заземлять в соответствии с требованиями техники
безопасности;
б) должна обеспечиваться
возможность включения во вторичные цепи контрольно-измерительного прибора без
разрыва цепи.
Для ТН:
а) возможность
появления напряжения на первичной обмотке при выводе трансформатора в ремонт
должна быть полностью исключена;
б) одна точка
вторичной обмотки должна быть заземлена в соответствии с требованиями техники
безопасности;
в) вторичные цепи
должны иметь надежную защиту от КЗ;
г) должна
обеспечиваться возможность подключения контрольно-измерительного прибора к
вторичным цепям.
Измерительные трансформаторы тока
предназначены для подключения измерительных приборов (амперметров), токовых
цепей счетчиков активной и реактивной энергии и устройств релейной защиты.
Рекомендуется совместное подключение счетчиков, измерительных приборов и
релейной защиты, если трансформатор не выходит из класса точности 0,5.
Расчетная схема для проверки трансформаторов тока по классу точности приведены
на рис.12. Трансформаторы напряжения предназначены для снижения высокого
напряжения до величины 100 или 100/√3 В для питания измерительных
приборов, счетчиков активной и реактивной энергии, устройств релейной защиты.
Для проверки трансформатора напряжения составляются расчетные схемы, где
указываются все приборы и аппараты подключаемые к его вторичной обмотке. На
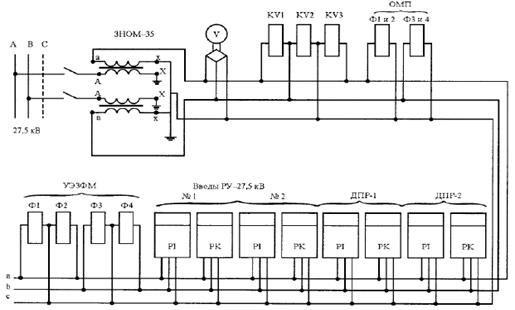
рисунках 13, 14 и 15 показаны схемы включения трансформаторов напряжения. На
рисунке 16 показана схема включения счетчиков энергии в цепь.
Рис 15. Расчетная
схема для проверки трансформаторы напряжения ЗНОМ-35 на соответствие классу
точности
Рис 16. Схема включения счетчиков
активной и реактивной энергии в четырехпроводную цепь с тремя трансформаторами
тока
6.2 Выбор
трансформаторов тока
Выбор и проверка измерительных
трансформаторов тока производится по следующим
критериям:
) по номинальному напряжению:
Номинальное напряжение
первичной обмотки ТТ
должно быть
больше либо равно рабочему напряжению
соответствующего РУ, т.е. должно
выполняться неравенство:
Для РУ - 220 кВ:
Для РУ - 27,5 кВ:
Для РУ - 10,5 кВ
) по номинальному току:
Номинальный ток должен быть
как можно ближе к рабочему току установки, так как нагрузка первичной обмотки
ТТ приводит к увеличению погрешностей т.е. должно выполняться неравенство:
где
-
максимальный рабочий ток соответственно, РУ-220 кВ:
, РУ-27,5 кВ:
, РУ-10,5:
- номинальный первичный ток
трансформатор тока соответственно устанавливаемого в РУ-220 кВ:
, РУ-35 кВ:
, РУ-27,5:
Для РУ - 220 кВ:
кА
Для РУ - 27,5 кВ:
кА
Для РУ - 10,5 кВ
кА
) по классу точности
Трансформаторы тока имеют
разные классы точности и вследствие чего они предназначены для подключения
различных измерительных приборов.
Выбранные трансформаторы тока
проверяем по следующим условиям:
) на электродинамическую
стойкость:
тяговый
подстанция трансформатор замыкание
где
амплитудное
значение предельного сквозного тока КЗ трансформатора тока установленного
соответственно в РУ-220
, РУ-27,5
и РУ-10,5
.
Для РУ - 220 кВ:
Для РУ - 27,5 кВ:
Для РУ - 10,5 кВ:
) на термическую стойкость:
где
предельный
ток термической стойкости трансформатора тока установленного в РУ-220
, в РУ-27,5
и РУ-10,5
.
Для РУ - 220 кВ:
Для РУ - 27,5 кВ:
Для РУ - 10,5 кВ:
) на соответствие класса
точности:
где
-
фактическое сопротивление нагрузки трансформатора тока;
- номинальное допустимое
сопротивление нагрузки трансформатора тока.
Для РУ - 220 кВ:
Для РУ - 27,5 кВ:
Для РУ - 10,5 кВ:
где
,
,
-
номинальная нагрузка вторичной обмотки соответственно для РУ-220, РУ-27,5 и
РУ-10,5:
,
,
.
,
,
- номинальный ток вторичной обмотки
соответственно для РУ-220, РУ-27,5 и РУ-10,5:
Фактическое сопротивление
нагрузки трансформатора тока определяется по формуле:
где
сопротивления
устанавливаемых измерительных приборов;
сопротивление соединительных
проводов;
сопротивление переходных контактов
соответственно РУ-220, РУ-27,5 и РУ-10,5, принимаемое 0,05 Ом при двух-трёх
приборах и 0,1 Ом при большем числе приборов.
.
Для РУ-230 кВ:
Таблица 16 Приборы установленные в
РУ-230 кВ
|
Прибор
|
Тип
|
Число токовых катушек в приборе
|
Число приборов
|
Сопротивление катушки тока, Ом
|
Общее сопротивление прибора ΣRприб220
|
|
|
|
|
|
|
|
Счётчик активной энергии
|
ЦЭ6805
|
1
|
4
|
0,1
|
0,4
|
|
Счётчик реактивной энергии
|
СР4У
|
1
|
4
|
0,1
|
0,4
|
|
Амперметр
|
Э335
|
1
|
1
|
0,02
|
0,02
|
|
Ваттметр
|
Д-365
|
1
|
4
|
0,02
|
0,08
|
|
Вольтметр
|
Э378
|
1
|
4
|
0,02
|
0,08
|
|
Реле промежуточное
|
РП-341
|
2
|
3
|
0,1
|
0,6
|
|
Итого
|
1,58
|
Для РУ-27.5 кВ:
Таблица №17 Приборы установленные в
РУ-27.5 кВ
|
Прибор
|
Тип
|
Число токовых катушек в приборе
|
Число приборов
|
Сопротивление катушки тока, Ом
|
Общее сопротивление прибора ΣRприб27,5
|
|
|
|
|
|
|
|
Счётчик активной энергии
|
ЦЭ6805
|
1
|
4
|
0,1
|
0.4
|
|
Счётчик реактивной энергии
|
СР4У
|
1
|
4
|
0,1
|
0.4
|
|
Амперметр
|
Э335
|
1
|
1
|
0,02
|
0.02
|
|
Электронное реле защиты фидера 27.5кВ
|
УЭЗФ
|
2
|
4
|
0,1
|
0.8
|
|
Определитель места К.З. на контактной сети
|
ОМП-71
|
2
|
2
|
0,04
|
0.16
|
|
Итого
|
1.78
|
Для РУ- 10,5 кВ:
Таблица №18 Приборы установленные в
РУ- 10,5 кВ
|
Прибор
|
Тип
|
Число токовых катушек в приборе
|
Число приборов
|
Сопротивление катушки тока, Ом
|
Общее сопротивление прибора ΣRприб10
|
|
|
|
|
|
|
|
Счётчик активной энергии
|
ЦЭ6805
|
1
|
4
|
0,1
|
0.4
|
|
Счётчик реактивной энергии
|
СР4У
|
1
|
4
|
0,1
|
0.4
|
|
Амперметр
|
Э335
|
1
|
1
|
0,02
|
0.02
|
|
Итого
|
0.82
|
Сопротивление соединительных
проводов:
Провода контрольных кабелей с
медными жилами обязательно применяют во вторичных цепях подстанций с
напряжением 220 кВ и больше, в остальных обычно используют провода и кабели с
алюминиевыми жилами. Расчётная длина соединительного провода зависит от схемы
соединения трансформаторов тока с приборами, если не известна точная длина
проводов от трансформаторов тока до приборов, то можно принять приближённые
длины проводов, которые приведены в [Гринбер-Басин]. Минимальное сечение
проводов и жилы кабеля по условию механической прочности в токовых
цепях не должно быть меньше
для алюминиевых жил, и
для медных.
Сечение больше
применять
не рекомендуется. Тогда сопротивление проводов с учётом этих условий будет равно:
Для РУ-230 кВ:
Для РУ- 10,5 кВ:
Для РУ-27.5 кВ:

,
,
- расчётная длина соединительного
провода соответственно, для РУ-230:
, для РУ-27,5 и РУ-10,5:
,
,
- сечение проводов и жилы кабеля
соответственно, для РУ-230
, для РУ-27,5 и для РУ-10,5
Для РУ-230 кВ:
Для РУ-27.5 кВ
Для РУ- 10,5 кВ:
Произведем проверку на соответствие
класса точности
Для РУ-230 кВ
Для РУ-27.5 кВ
Для РУ- 10,5 кВ
Данные по выбору и проверке
трансформаторов тока для все РУ проектируемой тяговой подстанции сведем в
таблицу 16.
Таблица 19. Выбор и проверка
трансформаторов тока
|
Место установки
|
Тип трансформатора
|
Класс точности
|
Условия выбора
|
Условия проверки
|
|
|
|
I.т/Iр.м.
|
Uт/Uн
|
Iпр.дин/iу
|
Iтерм2t/Вк
|
Zном/Zфакт
|
|
ОРУ - 220
|
ТФЗМ - 220 - 500/4 У1
|
0,5
|
500/143
|
220/220
|
150/9,1
|
7500/2,45
|
60/9,6
|
|
ОРУ - 27,5
|
ТФЗМ 35 -II-2000/1
У1
|
0,5
|
2000/125
|
35/27,5
|
106/2,1
|
1452/0,245
|
50/8
|
|
ОРУ - 10,5
|
ТПЛ - 10 - 400/5
|
0,5
|
400/314
|
10/10,5
|
21/1,9
|
36,75/2,624
|
30/4,8
|
Выбрав и проверив трансформаторы
тока, можно утверждать, что они подходят для проектируемой подстанции, и
обеспечат необходимую точность учета электрической энергии.
6.3 Выбор и проверка
трансформаторов напряжения
При выборе трансформаторов
напряжения необходимо помнить, что их конструкция и схема соединения обмоток
должны соответствовать назначению трансформаторов, которые могут быть
однофазными и трехфазными. Трансформаторы напряжения выбирают по следующим
условиям:
) зависимости от конструкции и места
установки;
) по номинальному напряжению:
где
первичное
напряжение трансформатора напряжения, кВ;
напряжение на шинах
распределительного устройства, к которым подключают первичную обмотку
трансформатора, кВ.
3) по классу точности, так как
трансформатор напряжения имеет значения номинальной мощности, соответствующие
классом точности;
) по нагрузке вторичной цепи:
S2ном
S2факт,
где S2ном - номинальная мощность
трансформатора напряжения в выбранном классе точности по каталогу, ВА;факт -
суммарная мощность, потребляемая подключенными к трансформатору приборами, ВА
Для РУ- 220 кВ выбераем трансформатор
напряжения
НАМИТ-220 УХЛ1.
) по номинальному напряжению:
) по классу точности - 0,5 -
для питания цепей расчетного учета электроэнергии ;
3) по нагрузке вторичной
цепи:ном= 400 ВА
где
сумма
активных мощностей всех приборов, ВА;
сумма реактивных мощностей всех
приборов, ВА
Для удобства и наглядности
количество и типы устанавливаемых приборов сведём в соответствующие таблицы
№17, №18 и №19. Катушки напряжения счетчиков имеют
, прочих
приборов
.
Суммарная полная мощность
установленных приборов:
;
> 21,51 ВА.
Таблица №20 Приборы
установленные в РУ- 220 кВ
|
Прибор
|
Тип
|
Мощность, потребляемая одной катушкой(ВА)
|
Общая потребляемая мощность
|
|
|
|
Вт Вар
|
|
|
Счётчик активной энергии
|
ЦЭ 6805
|
5
|
6,08
|
14,72
|
|
Вольтметр
|
Э-З78
|
1,2
|
4
|
0
|
|
Ваттметр
|
Д-365
|
0,28
|
0,6
|
0
|
|
Амперметр
|
Э - 335
|
0,095
|
2,5
|
0
|
|
Амперметр
|
Э - 335
|
0,095
|
2,5
|
0
|
Для РУ- 27,5 кВ выбераем
трансформатор напряжения ЗНОМ - 27,5
) по номинальному напряжению:
) по классу точности - 0,5 ;
3) по нагрузке вторичной
цепи:
Таблица №21 Приборы
установленные в РУ-27.5 кВ
|
Прибор
|
Тип
|
Общая потребляемая мощность
|
|
|
Вт Вар
|
|
|
Счётчик активной энергии
|
ЦЭ 6805
|
6,08
|
14,72
|
|
Электронное реле защиты фидера 27.5кВ
|
УЭЗФ
|
0,1
|
0,8
|
|
Вольтметр
|
Э-З78
|
4
|
0
|
|
Ваттметр
|
Д-365
|
0,6
|
0
|
|
Амперметр
|
Э - 335
|
2,5
|
0
|
Суммарная полная мощность
установленных приборов:
;
ВА.
Для РУ- 10,5 кВ выбераем
трансформатор напряжения
НАМИ-10 УХЛ1, с S2НОМ = 200 ВА.
) по номинальному напряжению:
Суммарная полная мощность
установленных приборов:
ВА.
Выбор трансформаторов и их
проверку сведем в таблицу 19.
Таблица 22 - выбор и проверка
трансформаторов напряжения
|
Место установки
|
Тип трансформатора
|
Класс точности
|
Условия выбора , Uт/Uн
|
Условия проверки, Sн/Sф
|
|
ОРУ - 230
|
НАМИТ - 220 УХЛ1
|
0,5
|
220/220
|
400/21,51
|
|
ОРУ - 27,5
|
ЗНОМ - 27,5
|
0,5
|
27,5/27,5
|
150/20,43
|
|
ОРУ- 10,5
|
НАМИ - 10
|
0,5
|
10/10,5
|
200/19,76
|
Выбрав и проверив трансформаторы
напряжения, можно утверждать, что они подходят для проектируемой подстанции, и
обеспечат необходимую точность учета электрической энергии.
7. Выбор
ограничителей перенапряжений
Ограничители перенапряжений
нелинейные (ОПН) предназначены для защиты изоляции электрооборудования
подстанций и электрических сетей, от атмосферных и кратковременных
коммутационных перенапряжений.
ОПН общего применения
устанавливаются в электрических сетях постоянного тока и переменного тока с
частотой 50 и 60 Гц, напряжением 0,38 и 0,66 кВ с эффективно заземлённой
нейтралью, в сетях 6, 10, 35 кВ с изолированной нейтралью и сетях 110, 220 кВ с
глухо заземлённой нейтралью.
Кроме ОПН общего применения
выпускаются ОПН специально применения для защиты от атмосферных и
коммутационных перенапряжений устройств тягового электроснабжения постоянного и
переменного тока: тяговых подстанций, линейных устройств (посты секционирования,
пункты параллельного соединения контактной сети, пунктов питания
электроотопления пассажирских поездов в парках отстоя) и тяговой сети (питающие
линии и контактная сеть).
По сравнению с вентильными
разрядниками ОПН имеют следующие преимущества:
) низкий (лучший) защитный уровень
при всех видах перенапряжений;
2)отсутствие сопровождающего тока
после прохождения волны перенапряжений за счет высокой нелинейности варистора в
связи с чем в конструкции исключён искровой промежуток.
Принято следующее условное
буквенно-числовое обозначение ОПН:
ОПНX-XX-XX-XX
ОП - ограничитель перенапряжений;
Н - нелинейный;
X
- назначение (отсутствие знака - общего применения, К(КС) - для контактной
сети);
X
- материал изоляционной покрышки (П - полимерная, Ф - фарфоровая);
X
- исполнение по установки (1 - опорное);
X
- класс напряжения сети;
X
- степень загрязнения аппаратуры;
X
- климатическое исполнение;
X
- категория размещения;
Ограничители перенапряжений
выбираются по следующим условиям:
) по номинальному напряжению:
где
номинальное
напряжение ОПН, кВ;
напряжение на шинах
распределительного устройства.
Для РУ-220 кВ из
доступного выбора ограничителей перенапряжения выбираем ОПН - 220 М УХЛ1, т.к.
удовлетворяет условию:
Для РУ-27,5 кВ ограничитель
перенапряжения типа ОПН-П1 - 27,5 - УХЛ1
Для РУ-10,5 кВ ограничитель
перенапряжения типа ОПНК-П1 - 10,5 УХЛ1
) в зависимости от вида
защищаемой установки
) в зависимости от рода тока
В процессе выбора ОПН, были
выбраны наиболее перспективные ОПН, обладающие лучшими эксплутационными
показателями. Их характеристики и параметры приведены в таблице №20.
Таблица №23 выбранные
ограничители перенапряжений
|
Место установки выключателя
|
Тип выключателя
|
Характеристики ОПН
|
|
|
Номинальное напряжение, кВ
|
Масса, кг
|
Наибольшее рабочее напряжение, кВ
|
Номинальный разрядный ток, А
|
|
РУ 220 кВ
|
ОПН-220 М УХЛ1
|
220
|
100
|
146
|
10000
|
|
РУ 27,5 кВ
|
ОПН-П1-27,5
|
27,5
|
25
|
30
|
10000
|
|
РУ 10,5 кВ
|
ОПН-10-УХЛ1
|
10
|
4,2
|
12
|
5000
|
8. Выбор и проверка аккумуляторной
батареи
Аккумуляторные батареи являются
независимыми (автономным) источником постоянного тока и служат для питания
цепей управления, сигнализации, защиты и аварийного освещения тяговых
подстанций. Аккумуляторные батареи собирают из последовательно соединяемых
одиночных элементов (аккумуляторов). Для питания оперативных цепей на тяговой
подстанции реализуем аккумуляторную батарею производства французской фирмы
«ОЛЬДАМ ФРАНС» типа EG(OPzV).
Определим длительные и
кратковременные нагрузки аккумуляторной батареи. Для определения длительных и
кратковременных нагрузок аккумуляторной батареи составим таблицу №21 с
потребителями постоянного тока.
Таблица №24 Данные приёмников СН,
присоединяемых к аккумуляторной батареи
|
№
|
Потребители постоянного тока
|
Нагрузка батареи,А
|
Ток одного потребителя, А
|
|
|
Длительная, ΣIпост
|
Кратковременная, ΣIав
|
|
|
Постоянно присоединенные приемники
|
|
1
|
Лампы положения выключателей, отделителей и
короткозамыкателей
|
2,925
|
¾
|
0,065
|
|
2
|
Устройства управления и защиты
|
9,1
|
¾
|
¾
|
|
Итого
|
12,025
|
¾
|
¾
|
|
Приёмники, присоединенные при аварийном режиме
|
|
1
|
Устройства сигнализации, телеуправления и
связи
|
1,4
|
¾
|
¾
|
|
2
|
Аварийное освещение
|
11,36
|
¾
|
¾
|
|
3
|
Привод выключателя
|
¾
|
100
|
¾
|
|
Итого
|
12,76
|
100
|
¾
|
Ток, потребляемый приводом
выключателя, принимается наиболее мощного привода из используемых на тяговой
подстанции выключателей. Рассмотрим токи потребляемых приводами. Для привода
вакуумного выключателя типа ВБН-27,5 ток равен 100 А. Для привода вакуумного
выключателя типа ВВК-10,5 ток равен 100 А.
Для привода элегазового выключателя
типа ВГТ-220II-40/2500 УХЛ1 равен 5 А. После рассмотрения видно, что ток
потребляемый наиболее мощным приводом, равен 100 А.
Определим ток длительного разряда в
аварийном режиме по формуле:
где
- сумма
токов постоянной нагрузки рабочего режима, А
- сумма токов временной нагрузки
аварийного режима, А
Ток кратковременного разряда
(наибольший ток) в аварийном режиме определим по формуле:
где
- ток,
потребляемый приводом при включении выключателя ВБН-27,5
Определим расчетную ёмкость
аккумуляторной батареи по выражению:
где
-
длительность разряда батареи при аварии, для тяговых подстанций равной
Далее выполним расчет после
предварительного выбора типоисполнения аккумуляторной батареи. Для этого
приведем в таблице №22 электрические характеристики аккумуляторных батарей типа
EG(OPzV) производства французской фирмы «ОЛЬДАМ ФРАНС».
Таблица №25 Электрические
характеристики аккумуляторных батарей
|
Тип аккумулятора
|
Конечное напряжение 1,8 В/элемент
|
|
Время разряда, ч
|
|
10
|
5
|
3
|
|
Емкость,
|
Ток
|
Емкость,
|
Ток
|
Емкость,
|
Ток
|
|
Ач
|
разряда, А
|
Ач
|
разряда, А
|
Ач
|
разряда, А
|
|
2 EG 215
|
4 OPzV 200
|
210
|
21
|
180
|
36
|
156
|
52
|
|
2 EG 270
|
5 OpzV 250
|
270
|
27
|
225
|
45
|
195
|
65
|
|
2 EG 325
|
6 OpzV 300
|
320
|
32
|
270
|
54
|
234
|
78
|
|
2 EG 360
|
5 OPzV 350
|
360
|
36
|
305
|
61
|
261
|
87
|
|
2 EG 435
|
6 OPzV 420
|
430
|
43
|
365
|
73
|
312
|
104
|
|
2 EG 505
|
7 OPzV 490
|
510
|
51
|
85
|
366
|
122
|
|
2 EG 630
|
6 OPzV 600
|
630
|
63
|
520
|
104
|
438
|
146
|
|
2 EG 840
|
8 OPzV 800
|
840
|
84
|
695
|
139
|
585
|
195
|
|
2 EG 1050
|
10 OPzV 1000
|
1050
|
105
|
865
|
173
|
729
|
243
|
|
2 EG 1260
|
12 OPzV 1200
|
1260
|
126
|
1040
|
208
|
876
|
292
|
|
2 EG 1500
|
12 OPzV 1500
|
1500
|
150
|
1200
|
240
|
990
|
330
|
|
2 EG 2000
|
16 OPzV 2000
|
2000
|
200
|
1600
|
320
|
1320
|
440
|
|
2 EG 2500
|
20 OPzV 2500
|
2500
|
250
|
2000
|
400
|
1650
|
550
|
|
2 EG 3000
|
24 OPzV 3000
|
3000
|
300
|
2400
|
480
|
1980
|
660
|
|
12 EGM 100
|
|
100
|
10
|
84
|
16,8
|
72
|
24
|
|
12 EGM 150
|
|
150
|
15
|
126
|
25,2
|
108
|
36
|
|
6 EGM 200
|
|
200
|
20
|
168
|
33,6
|
144
|
48
|
|
6 EGM 300
|
|
300
|
30
|
252
|
50,4
|
216
|
72
|
По приведенным характеристикам
аккумуляторных батарей произведем выбор батареи производства французской фирмы
«ОЛЬДАМ ФРАНС» типа 2ЕGM
630 6 OPzV
600. Далее определим тип пластин исходя из формулы:
где
емкость при
10-часовом разряде,
n - количество
пластин, n = 6.
Определим ток разряда
через 3
часа по формуле:
где
емкость
аккумуляторной батареи, при 3-х часовой работы, из таблицы №26,
;
время разряда,
ч.
Для окончательной проверки
аккумуляторной батареи данного типа необходимо выполнение неравенства,
указанного ниже:
После выполненной проверки
аккумуляторной батареи в рамках разрабатываемого курсового проекта, возьмем на
использование батарею типа 6 OPzV 600
9. Выбор и проверка
трансформатора собственных нужд
Приемниками электроэнергии
собственных нужд (СН) подстанции являются: электродвигатели системы охлаждения
трансформаторов; устройство обогрева выключателей и шкафов распределительных
устройств с установленными в них аппаратами и приборами; электрическое
освещение и отопление помещений и освещение территории подстанций. Наиболее
ответственными приемниками СН являются устройства системы управления, релейной
защиты, сигнализации, автоматики и телемеханики. От этих приемников зависит
работа основного оборудования подстанций, прекращение их питания даже
кратковременно приводит к частичному или полному отключению подстанции.
Для электроснабжения
потребителей СН подстанций предусматривается трансформаторы собственных нужд
(ТСН) со вторичным напряжением 380/220 В, которые получают электроэнергию на
тяговых подстанциях - от шин РУ - 27,5 кВ. Согласно ПУЭ для транзитной тяговой
подстанции установили с тяговой стороны 2 трансформатора собственных нужд. К схемам
питания установок собственных нужд предъявляются следующие требования:
)обеспечение достаточно
высокой надежности питания потребителей собственных нужд
) простота выполнения и
небольшая стоимость
) простота эксплуатации и
малые эксплуатационные расходы
) безопасность обслуживания
Распределение энергии
собственных нужд тяговых подстанций переменного тока показана на рис. №17
Рисунок 17. Схема питания
собственных нужд тяговой подстанции
Выбор трансформаторов
собственных нужд произведем по следующим условиям:
) выбор по номинальному
напряжению:
где
рабочее
напряжение электроустановки;
первичное номинальное напряжение
ТСН.
) по нагрузке во вторичной
обмотке:
где
-
номинальная мощность ТСН;
- расчетная полная мощность
потребителей СН.
Полная мощность потребителей СН
определим по выражению:
где
- сумма
активной мощности потребителей СН;
сумма реактивной мощности
потребителей СН.
Количество и тип потребителей
собственных нужд переменного тока определяют при наличии однолинейной схемы
подстанции, выбранного оборудования и разработки схемы питания собственных нужд
тяговой подстанции. Составим таблицу №23 потребителей ТСН с приведенными в ней
мощностью потребителей собственных нужд.
Рассчитаем полную мощность
потребителей СН:
Теперь произведем проверку по
нагрузке во вторичной обмотке, указанная выше:
где
В результате проведенных
проверок выбрали трансформатор собственных нужд типа ТМ-630/27,5.
Для выбранного ТСН вычислим активное
и реактивное сопротивление. Активное сопротивление ТСН определим по формуле:
,
где
- потери
короткого замыкания,
Реактивное сопротивление ТСН
определим по формуле:
,
где
-
напряжение короткого замыкания,
10. Компоновка оборудования
открытых распределительных устройств подстанции
Распределительное устройство
(РУ) представляет собой комплекс аппаратов и устройств, используемых для
управления потоком энергии в энергосистеме и для обеспечения надежности ее
работы путем создания узла, в котором могут быть установлены защитные
устройства и средства для изменения потоков энергии по различным направлениям.
Любое РУ состоит их подходящих и отходящих присоединений, подключенных к общим
шинам. Главным элементом каждого присоединения являются выключатели,
разъединители и измерительные трансформаторы. Элементы РУ соединяются между
собой по принятой схеме. Компоновка РУ заключается в оптимальном размещении
аппаратов, согласно их назначению и требованиям действующих правил и соединении
их электрически между собой в соответствии с принятой схемой. Распределительные
устройства обычно состоят из ряда аналогичных ячеек, каждая из которых
подключена к сборным шинам и содержит выключатель, разъединители и
измерительные трансформаторы. Как правило, компоновка РУ должна предусматривать
возможность поэтапного развития. При разработке компоновок РУ крайне важно
предусматривать наличие ремонтных зон. Компонуя РУ, необходимо ясно представлять,
как будут сгруппированы различные элементы оборудования, как они будут
изолированы друг от друга, на каком расстоянии от частей, находящихся под
напряжением, могут оказываться те или иные элементы и, наконец, насколько
принятое размещение оборудования обеспечивает безопасность обслуживающего
персонала.
11. Расчет заземляющего
устройства
Заземляющее устройство
представляет собой совокупность заземлителя и заземляющих проводников.
Заземлителем называется проводник (электрод) или совокупность металлических
соединенных между собой проводников, находящихся в соприкосновении с землей.
Искусственным заземлителем называется заземлитель, специально выполненный для
целей заземления. Естественными заземлителями называются находящиеся в
соприкосновении с землей электропроводящие части коммуникаций, зданий и
сооружений производственного или иного назначения, используемых для целей
заземления. Наиболее важной характеристикой такого контура является
сопротивление растеканию заземляющего устройства, которое не должно превышать
0,5 Ом. Условный план подстанции и контур заземления подстанции показан на
рисунке 18.
,Ом
где
-
сопротивление заземляющего устройства, Ом.
Сопротивление заземляющего
устройства определяется по формуле:
;
где R11
- сопротивление растеканию в горизонтальной сетке, Ом;
R22
- сопротивление растеканию вертикальных электродов, Ом;
R12
- взаимное сопротивление между горизонтальной сеткой и вертикальными
электродами, Ом.
Сопротивления R11,
R22 ,R12
определяются выражениями:
где ρ
- удельное сопротивление грунта, Ом·м (для
суглинка принимаем равным 100 Ом·м);
L
- полная длина проводников, образующих горизонтальную сетку, м;
S
- площадь покрытия защитной сеткой, м2;
l
- длина вертикальных заземлителей, м (l=2,5м);
d -
диаметр вертикального электрода, м (
);
b -
ширина полосы горизонтальных заземлителей, м (b=0,02м);
h -
глубина заложения горизонтальных заземлителей, м (h=0,5
м);
n -
число вертикальных заземлителей, шт.
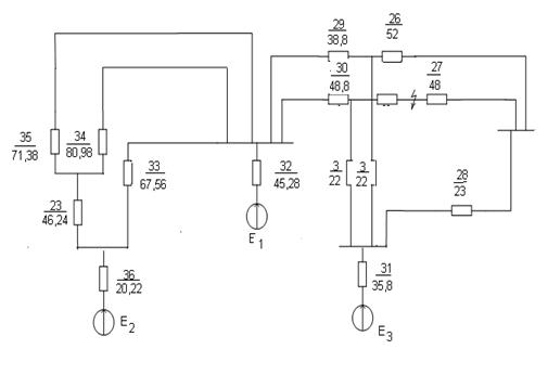
Рисунок 18. План транзитной
подстанции
Определим площадь подстанции
по представленному рисунку 18:
Вычислим периметр подстанции
по представленному рисунку 18:
Определяем число вертикальных
заземлителей, учитывая, что расстояние между вертикальными заземлителями не
должно быть меньше длины заземлителя:
,
где
- число
вертикальных заземлителей, шт;
- периметр защищаемой зоны;
Длина горизонтальных
заземлителей находится как сумма длин полос располагающихся в четырёх
прямоугольных фигурах. Вычислим число полос располагающиеся по ширине
подстанции:
Вычислим число полос
располагающиеся по длине подстанции:
Вычислим длину полос по
ширине подстанции.
Вычислим длину полос по длине
подстанции
Определим полную длина
проводников образующих горизонтальную сетку.
Определяем сопротивления R11, R22 ,R12 :
Теперь определим
сопротивление заземляющего устройства:
,38 Ом < 0,5 Ом
Сопротивление заземляющего контура
не превышает 0,5 Ом, следовательно, рассчитанное заземление применимо к
установке.
12. Заключение
В данном курсовом проекте была
спроектирована транзитная тяговая подстанция 230/27,5/11 кВ. Для достижения
поставленной задачи была построена однолинейная схема и план - разрез
проектируемой тяговой подстанции, выбрана коммутационная и контрольно -
измерительная аппаратура и токоведущие части, а именно: разъединители,
высоковольтные выключатели, гибкие и жесткие шины, изоляторы, трансформаторы
тока и напряжения и ограничители перенапряжения. Вся выбранная аппаратура была
проверена на различные условия. Был произведен выбор трансформатора собственных
нужд, а также произведен расчет заземляющих устройств.
13. Список литературы
1. Правила
устройств электроустановок. - 7 изд. - М.: Издательство «НЦ ЭНАС», 2003г.
2. Расчет
токов короткого замыкания и выбор электрооборудования / Под редакцией
И.П.Крючкова. - М.: Издательство «ACADEMA». - 200г.
. Петров
Е.Б. Электрические подстанции. - Методическое пособие по дипломному и курсовому
проектированию. - М.: Издательство «Маршрут». - 2004 г.
. Почаевец
В.С. Электрические подстанции. Учебник для техникумов и колледжей
железнодорожного транспорта. - М.: «Желдориздат», 2001 г.
. Гринберг
- Басин М.М. Тяговые подстанции. Пособие по дипломному проектированию - М.:
Издательство «Транспорт», 1986 г.
. Фоков
С.А. Выбор проектных решений при разработке подстанций
…500
кВ. Учебное пособие - Хабаровск, 2001 г.
.
Силовое оборудование тяговых подстанций железных дорог. Сборник справочных
материалов. - М.: «Трансиздат», 2004 г.
Приложение 1
|
Элемент сети
|
Схема
|
Расчётное уравнение
|
|
исходная
|
замещения
|
|
|
Линия
|

|
|
|
|
Генератор
|

|
|
|
|
Система
|

|
|
|
|
Двухобмоточный трансформатор
|

|
|
|
|
Трёхобмоточный трансформатор
|

|
|
|
Приложение 2
Шкала средних номинальных
напряжений; кВ:
,15; 6,3; 10,5; 13,8; 15,75; 18; 20;
24; 27; 37; 115; 154; 230; 340; 515; 770;1175.
Приложение 3
100
Кривые для определения температуры
нагрева проводов при коротких замыканиях, выполненных из материалов проводов: 1
- сплавы АЖ и АЖКП; 2 - сплавы АН и АНКП; 3 - алюминий марок А, АКП, А
КП
и сталеалюминий марок АС, АСКП, АСКС, АСК, АпС, АпСКС, АпСК.
Приложение 4
Кривая для определения