Расчёт сварочного выпрямителя, предназначенного для однопостовой механизированной сварки плавящимся электродом в среде углекислого газа и под флюсом деталей из низкоуглеродистых и низколегированных сталей

  • Вид работы:
    Курсовая работа (т)
  • Предмет:
    Технология машиностроения
  • Язык:
    Русский
    ,
    Формат файла:
    MS Word
    281,56 kb
  • Опубликовано:
    2011-03-11
Вы можете узнать стоимость помощи в написании студенческой работы.
Помощь в написании работы, которую точно примут!

Расчёт сварочного выпрямителя, предназначенного для однопостовой механизированной сварки плавящимся электродом в среде углекислого газа и под флюсом деталей из низкоуглеродистых и низколегированных сталей

Министерство образование Российской Федерации

Санкт-Петербургский институт машиностроения (ЛМЗ-ВТУЗ)

Кафедра «Технология и оборудование сварочного производства»





Курсовая работа

по теме: Расчёт сварочного выпрямителя, предназначенного для однопостовой механизированной сварки плавящимся электродом в среде углекислого газа и под флюсом деталей из низкоуглеродистых и низколегированных сталей


Выполнил:

Ст.гр.№5303

Ковальков А. Е.

Проверила:

Приёмышева Г. А.



Санкт-Петербург 2010

Исходные данные


Наименование параметра

Обозначение параметра

Величина

1. Номинальное напряжение трёхфазной питающей сети частотой fс=50 Гц, В


Uс


380

2. Номинальный выпрямленный (сварочный) ток, А

Idн

500

3. Номинальное выпрямленное (рабочее)напряжение на зажимах выпрямителя при номинальном токе, В


Udн


50

4. Номинальный режим работы (продолжительность нагрузки) при цикле сварки 10 мин, %


ПН%


60

5. Способ регулирования сварочных параметров

тиристорный

6. Внешняя характеристика

жёсткая

7. Система охлаждения

Воздушная принудительная

8. Класс изоляции

F

9.Кострукционные особенности:

а) материал магнитопровода

б) материал обмоток трансформатора


Сталь 3413

Алюминиевые провода



Выбор схемы выпрямления


Выбор осуществляется из четырёх самых распространённых схем выпрямления:

Ø   Трёхфазная мостовая схема

Ø   Шестифазная с нулевой точкой

Ø   Схема с уравнительным реактором

Ø   Кольцевая схема

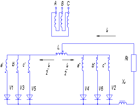
Учитывая исходные данные, выбираем шестифазную схему выпрямления с уравнительным реактором, получившей широкое применение при сварке в углекислом газе. Схема обладает хорошим использованием вентилей и небольшой расчётной мощностью трансформатора.

Рисунок 1. «Схема выпрямления с уравнительным реактором»

В этой схеме трансформатор имеет одну первичную обмотку, соединённую в треугольник, и две группы вторичных обмоток, каждая из которых соединена в звезду, причём в первой группе нулевая точка образована концами обмоток, а во второй группе - началами обмоток. Таким образом, фазные напряжения смещены дуг относительно друга на 180 ̊. В результате имеем два трёхфазных выпрямителя, работающих параллельно через уравнительный реактор на общую нагрузку.

Основные параметры выпрямителя

1) Ориентировочное значение напряжения холостого хода выпрямителя:

Udxx =(1,4÷1,8)∙Udн=(1,4÷1,8)∙50=70÷90(В)

Udн – номинальное выпрямленное напряжение

Принимаем Udxx=80(В)

2) Длительно допустимый по нагреву ток выпрямителя:

Id дл=Idн=500∙=387 (А)

Idн – номинальный выпрямленный ток

ПН - продолжительность нагрузки

Расчёт силового трансформатора

1. Расчёт фазных токов и напряжений обмоток трансформатора:

По выбранной схеме выпрямления и схеме соединения первичной обмотки в треугольник рассчитываем:

1.1. Вторичное фазное напряжение:

U= ==68,4 (В)

1.2. Реальное значение напряжения холостого хода выпрямителя:

Udxx0=1,35∙ U=1,35∙68,4=92,3 (В)

1.3. Действующее значение тока вторичных обмоток трансформатора:

I= Idн∙0,289=500∙0,289=144,5 (А)

выпрямитель катушка трансформатор сварочный

1.4. Расчётное значение тока вторичных обмоток:

I2ф расч.=I=144,5∙=111,9 (А)

1.5. Коэффициент трансформации:

При соединении первичной обмотки в треугольник

Кт===5,56


I=0,41∙∙Idн=0,41∙∙500=36,87 (А)

I=36,87∙1,05=38,7 (А)

1,05-коэффициент, учитывающий влияние тока холостого хода на номинальный первичный ток

1.7. Расчётное значение тока первичных обмоток:

I1ф расч.=I=38,7∙=29,98 (А)

1.8. Значение номинальной отдаваемой (выпрямленной) мощности выпрямителя:

Pdн=Idн∙ Udн=500∙50=25000 (Вт)=25 (кВт)

1.9. Значение потребляемой мощности:

При соединении первичной обмотки в треугольник

Pсети=Uc∙I∙3∙10-3=380∙38,7∙3∙10-3=44,1 (кВА)

2. Предварительный расчёт магнитной системы и обмоток:

2.1. Значение ЭДС, приходящейся на один виток:

e0=(0,08÷0,045)∙Pсети расч.

Pсети расч.=Pсети=44,1∙=34,2 (кВА)

e0=(0,08÷0,045)∙34,2=2,736÷1,539

Принимаю e0=2,7 (В/виток)

2.2. Предварительное число витков вторичной обмотки:

W2===25

2.3. Предварительное число витков первичной обмотки:

W1=

U=Uc – при соединении первичной обмотки в треугольник

W1==141

2.4. Окончательное число витков первичной и вторичной обмоток:

Принимаем окончательное число витков вторичной обмотки W2=28.

Тогда окончательное значение ЭДС на один виток:

e0===2,44 (В/виток)

Окончательное число витков первичной обмотки:

W1===155,6

Принимаем W1=156.

2.5. Предварительная плотность тока в обмотках трансформатора:

J1=1,5 (А/мм2) - в первичной

J2=2,35 (А/мм2) - во вторичной

2.6. Предварительные сечения проводов обмотки:

q1===20 (мм2)

q2===49 (мм2)

2.7. Активное сечение стали магнитопровода:

Предварительное активное сечение:

Sa=e0∙104/4,44∙f0∙В

f0 – частота питающей сети;

В – предварительное значение магнитной индукции;

Для холоднокатаной анизотропной стали марки 3413 В1,65 (Тл)

Sa=2,44∙104/4,44∙50∙1,65=66,6 (см2)

2.8. Полное сечение магнитопровода:

Предварительное полное сечение:

Sст=Saс

Кс – коэффициент заполнения стали, Кс=0,95

Sст=66,6/0,95=70,1 (см2)

2.9. Определение ширины пластины магнитопровода:

Учитывая мощность выпрямителя, выберем рекомендуемую ширину bст=82 (мм)

2.10. Предварительная толщина набора магнитопровода:

lст=Scт∙102/bст=70,1∙102/82=85,5 (мм)

Окончательную толщину набора принимаем lст=86 (мм)

Окончательное сечение магнитопровода:

Sст=lст∙bст /100=86∙82/100=70,5 (см2)

Окончательное активное сечение магнитопровода:

Sa=Sст∙Кс=70,5∙0,95=67 (см2)

Окончательная магнитная индукция:

В=e0∙104/4,44∙f∙Sa=2,44∙104/4,44∙50∙67=1,64 (Тл)

2.11. Суммарная площадь обмоток, которые необходимо разместить в окне:

Q=Q1+Q2

Q1 – площадь первичной обмотки

Q1=q1∙W1=20∙156=3120 (мм2)

Q2 – площадь двух вторичных обмоток

Q2=2∙q2∙W2=2∙49∙28=2744 (мм2)

Q=Q1+Q2=3120+2744=5864 (мм2)

2.13. Площадь окна магнитопровода:

Sок=2∙Q /Кзо

Кзо – коэффициент заполнения окна, Кзо=0,45

Sок=2∙5864/0,45=26062 (мм2)

 

3. Окончательный расчёт магнитной системы трансформатора:

3.1. Ширина окна:

b0=(1,1÷1,5)∙bст


b0=(1,1÷1,5)∙82=90,2÷123 (см)

Принимаю b0=112 (мм).

3.2. Высота окна магнитопровода:

h0=Sок /b0=26062/112=233 (мм)

3.3. Длина пластин (1го,2го и 3го вида):

l1=h0+bст=233+82=315 (мм)

l2=2b0+bст=2∙112+82=306 (мм)

l3=b0+bст=112+82=194 (мм)

Количество листов каждого типа:

n1=lст∙0,95∙3/0,5=86∙0,95∙3/0,5=490 (шт),

n2= lст∙0,95∙/0,5=163 (шт),

n3= lст∙0,95∙2/0,5=327 (шт)

lст – толщина набора магнитопровода

0,95 – коэффициент заполнения стали (Кс)

3.4. Масса стали магнитопровода:

Gc=[(h0+2bст)∙(2b0+3bст)-2h0∙b0]∙lст∙0,95∙γ∙10-3

γ-плотность электротехнической стали 3413, γ=7,65 (г/см3)

Gc=[(23,3+2∙8,2)∙(2∙11,2+3∙8,2)-2∙23,3∙11,2]∙8,6∙0,95∙7,65∙10-3=84 (кг)

3.5. Потери в стали магнитопровода:

Pc0∙Gc∙p0∙Кур

К0 – коэффициент, учитывающий добавочные потери в стали за счёт изменения структуры листов при их механической обработке, К0=1,2.

Кур – коэффициент увеличения потерь для анизотропных сталей, являющейся функцией геометрических размеров магнитопровода.

В зависимости от величины 3h0+4b0 /bст=3∙23,3+4∙11,2/8,2=14 -получаем Кур=1,15.

p0 –удельные потери в 1 кг стали марки 3413 при индукции В=1,64 (Тл) равняются p0=2,3 (Вт/кг)

Pc=1,2∙84∙2,3∙1,15=267 (Вт)

3.6. Абсолютное значение тока холостого хода:


Iоа – активная составляющая тока холостого хода, обусловленная потерями холостого хода Pc

Iор – реактивная составляющая тока холостого хода, необходимая для создания магнитного потока

Iоа=Pc /3Uc

Pc – потери в стали магнитопровода

Uc – номинальное напряжение питающей сети

Iоа=267/3∙380=0,2 (А)

Iор=[Hc∙lм+0,8∙В∙nз∙δз∙104/√2∙W1∙Кr]∙Кухх

Hc – напряжённость магнитного поля, соответствующая индукции В=1,64 (Тл). Для анизотропной стали 3413 Hc=8,2 (А/см);

lм – средняя длина магнитной силовой линии (см);

В – магнитная индукция (Тл);

nз – число немагнитных зазоров на пути магнитного потока ;

δз – условная длина воздушного зазора в стыке равная 0,005 (см) в случае штампованных листов при сборке магнитопровода внахлёстку;

Кr – коэффициент высших гармонических. Ориентировочно для стали 3413 при индукции В=1,64 (Тл) Кr=1,1;

Кухх – коэффициент увеличения тока холостого хода. Этот коэффициент является функцией геометрических размеров магнитопровода и магнитной индукции.

При соотношении (h0+2b0 )/bст +1=((23,3+2∙11,2)/8,2)+1=6,57 - получаем Кухх=2,5.

Поскольку трёхстержневой магнитопровод является несимметричным, т.е. имеет разные пути для магнитного потока крайних и средней фазы, то необходимо посчитать средние длины магнитной силовой линии отдельно для крайней и средней фазы.

Длина средней линии магнитного потока для крайней фазы:

lм к.ф.=h0+2b0+bст+π∙ bст /2=23,3+2∙11,2+8,2+3,14∙8,2/2=66,8 (см)

Длина средней линии магнитного потока для средней фазы:

lм ср.ф.=h0+bст=23,3+8,2=31,5 (см)

Число немагнитных зазоров на пути потока для крайней фазы nз=3, для средней фазы nз=1.

Реактивная составляющая тока холостого хода для крайней фазы:

Iор к.ф.=[(Hc∙ lм к.ф.+,8∙В∙3∙0,005∙104)/√2∙W1∙Кr]∙Кухх

Iор к.ф.=[(8,2∙66,8+0,8∙1,64∙3∙0,005∙104)/√2∙156∙1,1]∙2,5=7,7 (А)

Реактивная составляющая тока холостого хода для средней фазы:

Iор ср.ф.=[(Hc∙ lм ср.ф.+0,8∙В∙1∙0,005∙104)/√2∙W1∙Кr]∙Кухх

Iор ср.ф.=[(8,2∙31,5+0,8∙1,64∙1∙0,005∙104)√2∙156∙1,1]∙2,5=3,3 (А)

Среднее значение реактивной составляющей тока холостого хода:

Iор=(2∙Iор к.ф. + Iор ср.ф. ) /3=(2∙7,7+3,3)/3=6,2 (А)

Абсолютное значение тока холостого хода:

==6,2 (А)

Ток холостого хода в процентах от номинального первичного тока:

i=(I0 /I)∙100%=(6,2/38,7)∙100%=16%

 

4. Окончательный расчёт обмоток трансформатора

4.1. Выбор обмоточных проводов:

По предварительно рассчитанным значениям сечений проводов выбираем ближайшие из стандартного ряда:

q1=21,12(мм2)

q2=69,14 (мм2)

Провод обмоточный алюминиевый нагревостойкий прямоугольного сечения:

Номинальный размер проволоки а*b, мм

Площадь поперечного сечения q, мм2

Размеры провода с изоляцией аиз*bиз , мм

Масса 1000 м провода,

кг

21,12

2,6*10,4

62,58

5,00*14,0

69,14

5,52*14,48

201,32


Уточнённые значения плотности тока:

J1=I1ф расч. /q1=29,98/21,12=1,4 (А/мм2)

J2=I2ф расч. /q2=111,9/69,14=1,6 (А/мм2)

4.2. Высота цилиндрической обмотки:

hобм=h0 - 2∙∆я

я – зазор между торцевой поверхностью обмотки и ярмом магнитопровода, равный 5 (мм);

h0 – высота окна магнитопровод

hобм=233-2∙5=223 (мм)

4.3. Число витков в слое:

Первичной обмотки

Wc1=(hобм /bиз.1) – 1=(223/10,4)-1=20,4- принимаем Wc1=20

Вторичной обмотки

Wc2=(hобм /bиз.2) – 1=(223/14,48)-1=14,4– принимаем Wc2=14

4.4 Число слоёв:

Первичной обмотки

nc1=W1 /Wc1=156/2=7,8 - принимаем nc1=8

Вторичной обмотки

nc2=W2 /Wc2=28/14=2

4.5. Радиальные размеры (толщина) первичной и вторичной обмоток, выполненных из изолированного провода:

δ1=nc1∙nпар1∙аиз1+(nc1-1)∙∆вит

δ2=nc2∙nпар2∙аиз2+(nc2-1)∙∆вит

nпар1 , nпар2 – число параллельных проводов первичной и вторичной обмоток;

аиз1 из2 – размер проводов по ширине с изоляцией;

nc1 , nc2 – число слоёв первичной и вторичной обмоток;

вит – межслоевая изоляция для изолированных проводов, ∆вит=0,15

δ1=8∙1∙2,6+(8-1)∙0,15=22 (мм)

δ2=2∙1∙5,52+(2-1)∙0,15=11 (мм)

4.6. Радиальный размер катушки трансформатора:

δ=δ1212+∆т

т – технологические зазоры, связанные с отступлением сторон катушки от парралельности, с неплотностью намотки, ∆т=4 (мм);

δ12 – расстояние между первичной и вторичной обмотками, δ12=0,16 (мм)

δ=22+11+3∙0,16+4=37 (мм)

4.7. Внутренний размер катушки по ширине:

А=bст +∆ш

ш – двухсторонний зазор по ширине между катушкой и стержнем, ∆ш=12 (мм)

А=82+12=94 (мм)

4.8. Внутренний размер катушки по длине:

Б=lст +∆дл

lст – длина пакета магнитопровода

дл – двухсторонний зазор по длине между катушкой и стержнем,

дл=30 (мм)

Б=86+30=116 (мм)

4.9. Средние длины витков:

Средняя длина витка первичной обмотки

lср1=2(А-2R)+2(Б-2R)+2∙π∙(R+δ1 /2)

R-радиус скругления проводов при переходе с одной стороны на другую при намотке, R=10 (мм)

lср1=2(94-2∙10)+2(116-2∙10)+2∙3,14∙(10+22/2)=471 (мм)

Средняя длина витка вторичной обмотки

lср2=2(А-2R)+2(Б-2R)+2∙π∙(R+δ1122 /2)

lср2=2(94-2∙10)+2(116-2∙10)+2∙3,14∙(10+22+0,16+11/2)=576 (мм)

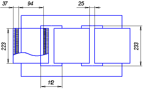
После определения всех размеров выполним эскиз катушки:

Рисунок 2. « Катушка трансформатора с первичной и вторичной обмотками из изолированного провода»

4.10. Расстояние между катушками соседних стержней:

кат =bо-∆ш-2δ

кат =112-12-2∙37=25 (мм)

После уточнения всех размеров выполним эскиз трансформатора:

Рисунок 3. «Эскиз трансформатора»

4.11. Масса проводов катушки:

Масса провода первичной обмотки одной фазы трансформатора

G1=Ky ∙g1∙W1∙lср1

g1 – масса одного метра провода первичной обмотки, g1=0,06 (кг);

Ку – коэффициент, предусматривающий увеличение массы провода за счёт технологических погрешностей,Ку=1,05.

G1=1,05∙0,06∙156∙0,471=4,6 (кг)

Масса провода вторичной обмотки

G2y ∙g2 ∙2W2 ∙lср2

g2 – масса одного метра провода вторичной обмотки, g2=0,2 (кг)

lср2 – средняя длина витка вторичной обмотки (м)

G2=1,05∙0,2∙2∙28∙0,576=6,8 (кг)

Общая масса провода трансформатора

Gпр=3(G1+G2)=3∙(4,6+6,8)=34,2 (кг)

4.12. Сопротивления обмоток трансформатора:

r1=KF ∙r0 (1)

r2F ∙r0 (2)

r0 (1) , r0 (2) – омическое сопротивление первичной и вторичной обмоток в холодном состоянии при 20 оС; КF – коэффициент Фильда, который учитывает добавочные потери в обмотках, КF=1,04

r0 (1)=ρ∙lср1 ∙W1 /q1

r0 (2)= ρ∙lср2 ∙W2 /q2

ρ- удельное электрическое сопротивление материала провода катушки, (для алюминиевого провода при 20 оС ρ=0,0282(Ом∙мм2 /м))

lср1 ,lср2 – средние длины витков провода первичной и вторичной обмоток (м)

r0 (1)=0,0282∙0,471∙156/21,12=0,1 (Ом)

r0 (2)=0,0282∙0,576 ∙28/69,14=0,007 (Ом)

r1=1,04∙0,1=0,062 (Ом)

r2=1,04∙0,007=0,0073 (Ом)

Активные сопротивления первичной и вторичной обмоток, отнесённые к расчётной температуре, которая для обмоток класса F составляет 115 оС:

r1t=1,38∙r1=1,38∙0,062=0,1 (Ом)

r2t=1,38∙r2=1,38∙0,0073=0,01 (Ом)

Активное сопротивление обмоток трансформатора, приведённое к первичной обмотке:

rк=r1t +r2t ∙К2т

Кт – коэффициент трансформации

rк=0,1+0,01∙(5,56)2=0,3 (Ом)

Индуктивное сопротивление:

Xк=7,9∙10-8∙fc∙W 21 ∙lср ∙δs / ls

fc – частота питающей сети;

δs – ширина приведённого канала рассеяния (см)

δs12+((δ12)/3)=0,016+((2,2+1,1)/3)=1,1 (см)

ls – длина силовой линии (см)

ls=ho /0,95=23,3/0,95=24,5 (см)

lср – средняя длина витка обмоток (см)

lср=(lср1 +lср2) /2=(47,1+57,6)/2=52,4 (см)

xк=7,9∙10 -8∙50∙(156)2∙52,4∙1,1/24,5=0,23 (Ом)

Полное сопротивление обмоток, приведённое к первичной обмотке:

=0,5 (Ом)

4.13. Потери в обмотках:

В первичных

P1=m1 ∙r1t ∙I2

Во вторичных

P2=m2 ∙r2t ∙I2

m1 – количество первичных обмоток, m1=3;

m2 – количество вторичных обмоток (для схемы с уравнительным реактором m2=6);

r1t , r2t – активные сопротивления первичной и вторичной обмоток, отнесённые к расчётной температуре

P1=3∙ 0,1∙(38,7)2=629 (Вт)

P2=6∙0,01∙(144,5)2=1253 (Вт)

4.14. Напряжение короткого замыкания:


Активная составляющая напряжения короткого замыкания

Uа=I ∙rк=38,7∙0,3=11,6 (В)

Реактивная составляющая напряжения короткого замыкания

Uр=I ∙xк=38,7∙0,23=8,9 (В)

=14,6 (В)

Напряжение короткого замыкания в процентах от первичного напряжения:

Uк%=Uк ∙100/U=14,6∙100/380=3,8 %

Расчёт блока тиристоров

 

1. Выбор типа тиристора и охладителя:

1.1. Среднее, действующее и максимальное значения тока тиристора в зависимости от номинального выпрямленного тока:

Iв.ср. =Idн ∙0,166=500∙0,166=83 (А)

Iв = Idн ∙0,289=500∙0,289=144,5 (А)

Iв мах = Idн ∙0,5=500∙0,5=250 (А)

1.2. Максимальное обратное напряжение на тиристоре:

Uобр.мах =Udхх∙2,09=80∙2,09=167,2 (В)

Выбираем тиристор и охладитель:

Тиристор-Т161-160

Охладитель-О171-80

Основные параметры тиристора и охладителя:

· Пороговое напряжение Uпор=1,15 (В)

· Максимально допустимая температура перехода Tп.м.=125°С

· Тепловое сопротивление переход-корпус Rт(п-к)=0,15 (°С/Вт)

· Тепловое сопротивление контакта корпус-охладитель Rт(к-о)=0,05 (°С/Вт)

· Тепловое сопротивление охладитель-среда Rт(о-с)=0,355 (°С/Вт)

1.3. Максимальный допустимый средний ток вентиля в установившемся режиме работы и заданных условиях охлаждения:

Iос.ср. = [√ (U2пор+4∙К2ф∙rдин∙10-3∙(Tп.м.-Tc) /Rт(п-с) ) -Uпор]/2∙К2ф∙rдин∙10-3

Кф – коэффициент формы тока, Кф=1,73

Тс – температура охлаждающего воздуха, Тс=40 °С

Rт(п-с) – тепловое сопротивление переход-среда

Rт(п-с)= Rт(п-к)+ Rт(к-о)+ Rт(о-с)=0,15+0,05+0,355=0,555 (°С/Вт)

Iос.ср. = [√((1,15)2+4∙(1,73)2∙1,4∙10-3∙(125-40)/0,555)-1,15]/2∙(1,73)2∙1,4∙10-3=

=97,9 (А)

1.4. Мощность, рассеиваемая на вентиле:

Pв=К∙(Uпор∙Iв.ср.+rдин∙10-3∙I2в)

К – коэффициент, учитывающий наличие добавочных потерь в вентиле, К=1,05÷1,1

Pв=1,05∙(1,15∙83+1,4∙10-3∙(144,5)2)=131 (Вт)

1.5. Температура нагрева перехода:

Tп=Rт(п-с) ∙Pв+Tc

Tc – температура охлаждающего воздуха, Tc=40  ̊С

Rт(п-с) – тепловое сопротивление переход-среда

Tп=0,555∙131+40=113  ̊С

1.6. Класс тиристора:

Uповт. =0,8∙Uобр.мах

Uповт.- повторяющееся напряжение, определяющее класс вентиля

Uповт. =0,8∙167,2=133,8 (В)

Принимаю Uповт. =200 (В).

Учитывая возможные перенапряжения, окончательный класс тиристора принимаю равный 4.

Условное обозначение выбранного тиристора:

Т161-160-4-12УХЛ2

Расчёт КПД выпрямителя


Коэффициент полезного действия выпрямителя при номинальной нагрузке:

η=Pdн /Pdн +ΣP

Pdн – отдаваемая (выпрямленная) номинальная мощность

ΣP – суммарные активные потери в схеме выпрямления, которые можно разбить на следующие составные части:

1. Потери в вентилях:

ΣPв=mв∙ Pв

mв – количество вентилей в схеме выпрямления

Pв – мощность, рассеиваемая на одном вентиле

ΣPв=6∙130,9=785,4 (Вт)

2. Потери в силовом выпрямительном трансформаторе:

Pтр=Pc+P1+P2

Pc – потери в стали магнитопровода

P1 – потери в первичных обмотках

P2 – потери во вторичных обмотках

Pтр=267+629+1253=2,2 (кВт)

3. Потери в сглаживающем дросселе:

Pдр=(2÷3)%Pdн=0,6 (кВт)

4. Потери в уравнительном реакторе:

Pур=(1÷2)%Pdн=0,375 (кВт)

5. Потери во вспомогательных устройствах (в системе управления, системе охлаждения):

Pвсп=(0,5÷1,5)Pdн=0,25 (кВт)

6. Потери в соединительных шинах:

Pш=450 (Вт)=0,45 (кВт)

Значение КПД:

η=Pdн /Pdн+Pв+Pтр+Pдр +Pур+Pвсп+Pш

η=25 /25+0,785+2,2+0,6+0,375+0,25+0,45=0,84.

 

Похожие работы на - Расчёт сварочного выпрямителя, предназначенного для однопостовой механизированной сварки плавящимся электродом в среде углекислого газа и под флюсом деталей из низкоуглеродистых и низколегированных сталей

 

Не нашли материал для своей работы?
Поможем написать уникальную работу
Без плагиата!
Без нейросетей!