Анализ и синтез радиотехнических сигналов и устройств
Анализ и
синтез радиотехнических сигналов и устройств
Аннотация
В курсовой работе рассмотрены важные вопросы радиотехники, посвященные
синтезу (разработке) эквивалентных и принципиальных схем электрического фильтра
и усилителя напряжения. Проведен анализ сложного входного сигнала и
проанализировано его прохождение через схемы разработанных радиотехнических
устройств.
Несмотря на то, что исследуются достаточно известные аналоговые
устройства по "типовым" методикам, курсовая работа является практически
полезной и в ней рассмотрено значительное количество практически полезных
вопросов.
Объем пояснительной записки составляет 30 страницы.
Список сокращений и обозначений
АС - амплитудный спектр сигнала;
ФС - фазовый спектр сигнала;
АЧХ - амплитудночастотная характеристика эл.цепи;
ФЧХ - фазочастотная характеристика эл. цепи;
БТ - биполярный транзистор;
ОЭ - общий эмиттер (схема включения БТ);
ОБ - общая база (схема включения БТ);
ОК - общий коллектор (схема включения БТ);
ФНЧ - фильтр нижних частот;
ФВЧ - фильтр верхних частот;
ПФ - полосовой фильтр;
РФ - режекторный фильтр;
- постоянная составляющая в спектре сигнала;
- амплитуда "косинусной составляющей" для
произвольной гармоники в спектре сигнала;
- амплитуда "синусной составляющей" для
произвольной гармоники в спектре сигнала;
n,
,
- номер, полная амплитуда, начальная фаза
произвольной гармоники;
a -
ослабление фильтра (в дБ);
- гарантированное ослабление в полосе задерживания фильтра;
- ослабление (неравномерность), не более, в полосе
пропускания фильтра;
- граничная частота полосы пропускания фильтра;
- граничная частота полосы задерживания фильтра;
- коэффициент передачи по напряжению;
- значения сопротивлений для переменных сигналов и для
постоянного напряжения;
- граничная частота в схеме ОЭ (
=1);
- предельная частота в схеме ОЭ (
уменьш. в
раз);
,
,
- параметры БТ по "постоянному току";
,
,
- параметры БТ для "малых" переменных сигналов.
Содержание
Введение
. Анализ технического задания
.1 Общие сведения
.2 Общие принципы проектирования электрического фильтра
.3 Общие принципы проектирования усилителя напряжения
.4 Общие принципы и анализ спектра сложного периодического
сигнала
.5 Общие принципы анализа прохождения входного сигнала через
радиотехнические устройства
.6 Замечание
. Разработка схем электрического фильтра
.1 Основные положения теории
.2 Синтез эквивалентной схемы
.3 Разработка схемы электрической принципиальной
.4 Ориентировочный учёт потерь за счёт сопротивлений
. Разработка схемы усилителя напряжения
.1 Основные положения теории
.2 Расчёт схемы по постоянному току
.3 Расчет схемы по переменному току
. Анализ спектра сложного периодического сигнала
.1 Основные технические положения
.2 Анализ спектра
. Анализ прохождения входного сигнала через радиотехническое
устройство
.1 Различные допущения и ограничения
.2 Анализ по схеме рисунка 9
Заключение
Список использованной литературы
Введение
В электротехнических, радиотехнических и телемеханических установках и
устройствах связи часто ставится задача: из многих сигналов, занимающих широкую
полосу частот, выделить один или несколько сигналов с более узкой полосой
частот.
Сигналы (напряжения и токи) заданной полосы выделяют при помощи электрических
фильтров. Один из простейших фильтров состоит из катушки и конденсатора,
включённых последовательно или параллельно, т.е. представляет собой
последовательный или параллельный контур. Однако в качестве пассивных фильтров
чаще применяются четырёхполюсники из катушек индуктивности и конденсаторов и
каскадные соединения четырёхполюсников.
К электрическим фильтрам различной аппаратуры предъявляются неодинаковые
и даже противоречивые требования. В одной части полосы частот, которая
называется полосой пропускания, сигналы не должны ослабляться, а в
другой, называемой полосой задерживания (непропускания), ослабление
сигналов не должно быть меньше определённого значения. Дополнительно могут
накладываться определённые условия на вид фазовой характеристики фильтра. К
фильтрам предъявляются и конструктивные требования в отношении их габаритов,
массы, используемых материалов. Эти требования могут оказать решающее влияние
на выбор одного из вариантов схем с аналогичными частотными характеристиками.
В качестве типовой курсовой работы нам предлагается проектирование
электрического фильтра.
Синтез электрической цепи состоит из нескольких этапов, в частности:
·
Воспроизведение
заданных требований к частотным характеристикам с помощью функций,
удовлетворяющих условиям физической реализуемости (этап аппроксимации);
·
Определение
электрической схемы, её конфигурации и параметров (этап реализации).
Полученную при синтезе электрическую схему, состоящую из индуктивностей,
емкостей и сопротивлений, в общем случае следует рассматривать как
эквивалентную схему. На её основе путем выбора конкретной элементной базы
проектируется схема электрическая принципиальная, затем разрабатывается
конструкция фильтра.
Существуют два конкурирующих метода синтеза фильтров. Длительное время
при проектировании почти исключительно применялся синтез фильтров по
характеристическим параметрам. В этом методе сопротивление нагрузки считается
равным характеристическому сопротивлению, и все параметры проектируемого
устройства выражаются через характеристические сопротивления и
характеристическую постоянную передачи. В итоге проектируется фильтр, состоящий
из однотипных Г, Т или П-образных звеньев, включенных каскадно. Однако неучет
изменения характеристических сопротивлений в частотном диапазоне вызывает
значительное отличие характеристик фильтра от требования задания. В настоящее
время синтез по характеристическим параметрам применяется в случае, когда
требуется быстро спроектировать фильтр с достаточно большими допусками к
характеристикам.
Более современным является синтез по заданным рабочим параметрам, при
котором проектируется LC-фильтр
с произвольной нагрузкой.
Задачей работы является проектирование фильтра верхних частот. Исходя из
того, что в задании не указаны какие-либо требования к фазовым или переходным
характеристикам, то наложим дополнительные требования: необходимым является
линейность фазовой характеристики и сохранение на выходе большой крутизны
фронта импульса при малой величине выброса и малых колебаниях после импульса.
Наиболее подходящим типом при таких условиях является фильтр Баттерворта.
1. Анализ
технического задания
.1 Общие
сведения
Радиотехника является основной частью радиоэлектроники и включает в себя
большое количество теоретических и "прикладных" дисциплин, разделов.
При изучении, исследовании различных радиотехнических задач, приходится
проводить анализ сигналов, эквивалентных и принципиальных схем, реальных
устройств и систем, а также - синтезировать (разрабатывать, создавать) модели,
схемы и различные реальные устройства.
Если проводимые расчеты, разработка завершаются изготовлением
конструкторской и технологической документации, изготовлением макетов или
опытных образцов, то обычно применяется термин "проектирование".
В данной курсовой работе, в соответствии с заданием, необходимо решить
следующие задачи:
разработать (любым методом) эквивалентную, принципиальную схемы
электрического фильтра на любых радиокомпонентах;
разработать усилитель напряжения на любых радиоэлементах (схему
электрическую принципиальную);
любым методом рассчитать спектр сложного периодического сигнала,
подаваемого с "генератора импульсов" на вход фильтра;
проанализировать "прохождение" напряжения через фильтр и
усилитель.
Эти задачи являются важными, практически полезными, т.к. разрабатываются
и анализируются широко применяемые радиотехнические устройства.
Для последующих расчетов выбрана структурная схема с
"аналоговыми" радиотехническими устройствами, показана на рисунке 1.
Рисунок 1 - Структурная схема с "аналоговыми" радиочастотными
устройствами
Цифровые функциональные узлы не будут рассматриваться по следующим
причинам:
необходимо дополнительно применять АЦП и ЦАП;
разработка "цифровых схем" будет рассмотрена в следующих
дисциплинах.
Решение основных задач данной курсовой работы можно проводить в различной
последовательности.
Выберем следующий порядок расчетов:
а) разработка схем электрического фильтра, согласованного с источником
импульсной последовательности и с усилителем напряжения;
б) разработка схем (схемы) усилитель напряжения;
в) анализ спектра "сигнала" генератора входного напряжения;
г) анализ прохождения "сигнала" генератора через электрический
фильтр и усилитель.nРассмотрим
"общие принципы" решения перечисленных задач, а конкретные расчеты
будут приведены в разделах.
1.2 Общие
принципы проектирования электрического фильтра
Электрические фильтры - это линейные или "квазилинейные"
четырехполюсники, многополюсники, имеющие частотнозависимые коэффициенты
передачи по мощности (
), по напряжению (
), по току (
). Вместо безразмерных коэффициентов
передачи при анализе и синтезе фильтров широко применяется ослабление (
) в децибелах:




,
где
,
,
- модули коэффициентов передачи.
Диапазон частот, где
близок к "1", а ослабление "
" близко к нулю, называется
полосой пропускания. А там, где
близок к "0", а ослабление "
" составляет несколько десятков
децибел - находится полоса задерживания (ослабление затухания). Между ПП и ПЗ
находится "переходная" полоса частот. По расположению полосы
пропускания в частотном диапазоне, электрические фильтры называют: ФНЧ - фильтр нижних частот;
ФВЧ - фильтр верхних частот;
ПФ - полосовой фильтр;
РФ - режекторный фильтр.
На рис. 2 а, б, в, г и рис. 3 а, б, в, г приведены примеры графических
требований к модулю коэффициента передачи полной мощности (
) и ослаблению (а) для фильтра нижних
частот (ФНЧ), фильтра верхних частот (ФВЧ), полосового фильтра (ПФ) и
режекторного фильтра (РФ), соответственно.
Рисунок 2 - примеры графических требований к модулю коэффициента передачи
полной мощности (
)
Рисунок 3 - примеры графических требований к ослаблению (а) для фильтра
На рисунках 2, 3 обозначено:
ПП, ПЗ - полоса пропускания и полоса задерживания, соответственно;
f2 (f2Н, f2В) - граничная частота полосы
пропускания фильтра;3 (f3Н, f3В) - граничная
частота полосы задерживания фильтра;0 - средняя частота фильтра (для
ПФ и РФ);
Кр - модуль коэффициента передачи полной мощности;
Dа - ослабление
фильтра в полосе пропускания, (не более);
агар-
ослабление фильтра в полосе задерживания, (не менее);
Кроме того, для электрических фильтров приняты обозначения:
(f2В - f2Н) = 2Δfпп - полоса пропускания;
(f3В - f3Н) = 2Δfп3 - полоса задерживания;3 /
f2 = Кпр - коэффициент прямоугольности ФНЧ, ФВЧ;
2Δfп3 /
2Δfпп = Кпр - коэффициент
прямоугольности ПФ, РФ.
Рисунок 4 - Схемы простых фильтров "Г-типа"
На рисунке 4, естественно, не показаны "резисторы внешних
цепей", с которыми согласован по мощности фильтр. Принцип
"фильтрации" заключается в следующем. В полосе пропускания, вблизи
резонансных частот, фильтр согласован с внешними "цепями" и в
нагрузку передается максимальная мощность. В полосе задерживания согласование
ухудшается, ослабление увеличивается.
Реальный электрический фильтр может быть выполнен на различных радиокомпонентах:
"катушках и конденсаторах", "волноводах",
"акустоэлектронных". В принципе, можно пользоваться справочниками по
расчету фильтров на вполне определенных радиокомпонентах. Однако более
универсальным является следующий метод: вначале разрабатывается эквивалентная
схема на идеальных LC-элементах, а
затем в любые реальные, т.е. получается схема электрическая принципиальная
наиболее прост перерасчет "конденсаторам и катушкам индуктивности",
т.к. "вид" схемы не меняется.
Но и при таком "универсальном подходе" возможны следующие
способы синтеза эквивалентной схемы:
а) синтез в согласованном режиме из одинаковых Г-образных звеньев (синтез
по "характеристическим" параметрам, синтез фильтр типа "К")
[1].
Достоинство этого способа: простые расчетные формулы; рассчитанное
ослабление в полосе пропускания (
) считается равным нулю.
Недостаток: в реальных фильтров согласования во всей полосе пропускания
получить невозможно и 
0 (достигает трех децибел).
б) полиномиальный синтез (синтез по рабочим параметрам, синтез "по
справочникам ФНЧ". "Предлагается" схема ФНЧ, учитывающая
несогласования. ФНЧ легко пересчитываются в ФВЧ, в ПФ, в РФ.
Недостаток: необходимость использования справочников или специальных
программных средств [2].
в) синтез по импульсным или переходным характеристикам применяется при
синтезе цифровых фильтров.
Учитывая заданные требования в курсовой работе, общий объем работы,
выберем для последующего синтеза метод синтеза по характеристическим
параметрам.
1.3 Общие
принципы проектирования усилителя напряжения
Аналоговый усилитель напряжения может быть разработан на интегральных
микросхемах различного типа, на полевых транзисторах, на биполярных транзисторах
(корпусных или бескорпусных). Учитывая небольшое значение требуемого
коэффициента усиления по напряжению достаточно одного каскада усиления.
Выберем вариант с корпусным биполярным транзистором, как более дешевый.
Учтем также, что можно применить только схему "с общим эмиттером",
без дополнительных усложнений, т.к. она обеспечивает и требуемое усиление, и
согласование, в соответствии с величинами сопротивлений, указанным в задании.
Схема "с общим коллектором" не усиливает напряжение, а схема "с
общей базой" имеет маленькое входное сопротивление (десятки
"Ом"), что не соответствует заданию.
1.4 Общие принципы и анализ спектра сложного периодического сигнала
Во всех вариантах задания, входной сигнал теоретически бесконечные
импульсы различной формы (четные, нечетные, с постоянной составляющей или без
нее). В реальных условиях "не бесконечные во времени", но
"достаточно протяженные" последовательности, встречаются часто.
Анализ подобных последовательностей заключается в замене их - аналитическим
выражением в виде некоторого "алгебраического" ряда с более простыми
функциями. В аналоговой радиотехнике наибольшее применение для таких целей
нашел "гармонический" ряд Фурье. Именно разложение в такой ряд в
радиотехнике и принято называть спектром периодического сигнала. Рисунки
амплитуд и начальных фаз отдельных "гармоник" ряда называют
амплитудным и фазовым спектром.
Разложение в ряд Фурье будет рассмотрено в разделе 4.
1.5 Общие
принципы анализа прохождения входного сигнала через радиотехнические устройства
а) После определения составляющих бесконечного спектра входного сигнала,
целесообразно провести сравнение, например, амплитуд первой и четвертой-пятой
гармоник, Если амплитуда у какой-то из них меньше 0,1- 0,2 доли от амплитуды
первой, то "расчетный" спектр ограничивается, пренебрегая гармониками
с небольшими амплитудами;
б) Анализируется
фильтра для гармоник, оставшихся в "расчетном"
спектре и определяются амплитуды в спектре сигнала на выходе фильтра. Можно
принять, что фильтр не дает дополнительного фазового сдвига;
в) На входе усилителя целесообразно включить разделительный конденсатор,
чтобы "постоянная составляющая", если она имеется в сигнале,
прошедшем через фильтр, не изменила режим по постоянному току усилителя. Ввиду
малых по амплитуде переменных сигналов усилитель будем считать линейным для
переменных сигналов (с постоянным 
). Кроме того, будем учитывать, что схема "ОЭ" дает
дополнительный фазовый сдвиг
.
1.6 Замечание
Так как при расчетах различного вида будут встречаться различные
"округления", считаем, что разрешена погрешность в расчетах не более
10% на любом этапе расчета.
2. Разработка схем электрического фильтра
2.1 Основные
положения теории
Итак, в разделе 1 был выбран метод синтеза в согласованном режиме из
одинаковых звеньев "Г-типа", LC-схемы которых показаны на рисунке 4.
Условные обозначения:
f2-
граничная частота полосы пропускания;
f3-
граничная частота полосы задерживания;
- коэффициент прямоугольности;
, не менее - гарантированное ослабление в ПЗ;
, не более - минимальное ослабление в ПП;
Расчетные формулы для ФВЧ, например, из [1]:
(1)
(2)
а звена (f=f3)= 8,7 · ln (
) (3)
(4)
(5)
Выражения (5) справедливо только для построения графика в полосе
задерживания и в переходной полосе. В полосе пропускания, по этому методу,
считается
, т.е. требования задания в рассчитанной эквивалентной схеме
выполняются. Подключать звенья (одно к другому) можно "любыми
клеммами".
Если из ФНЧ требуется получить ПФ, и из ФВЧ - РФ, то отдельные
"ветви" ФВЧ и ФВЧ преобразуются добавлением добавочных элементов к
виду "рисунков 3 в,г". Дополнительные элементы ветвей определяются по
формуле:
,
где
- средняя частота ПФ или РФ.
2.2 Синтез
эквивалентной схемы
В данном варианте задания:
тип фильтра - ФВЧ;
f2 =
210 кГц;
f3 =
70 кГц;
Кпр = 0,33;
агар ≥ 32 дБ;
=3 дБ;
Rг=Rн=Rф=300 Ом.
Требования к расчёту и звено фильтра представлены на рисунке 5 а, б.
Рисунок 5 - Требования к расчету и звено ФВЧ
Основные параметры эквивалентной схемы:
;
;
а звена (f=f3)= 8,7 · ln (
) ≈ 15,4дБ;
, т.е.
=3
Формула для построения графика ослабления при f<f2:

дБ
Рисунок 6 - "промежуточная" и "окончательная"
эквивалентные схемы с идеальными LC -
элементами
После пересчета элементов имеем:
- L1=456 мкГн, L2=228 мкГн; С2=1,25 нФ, где С1=2,5 нФ.
2.3
Разработка схемы электрической принципиальной
На этом этапе определимся с реальными радиокомпонентами. Катушки
индуктивности спроектируем, а конденсаторы выберем стандартные, выпускаемые
заводом.
Будем разрабатывать схему с конденсаторами и катушками индуктивности, как
наиболее дешёвую и обеспечивающую заданные требования.
Предпочтение отдадим конденсаторам с неорганическим диэлектриком -
керамическим, рассчитанным на работу в высокочастотном режиме. Высокочастотная
керамика имеет большое сопротивление и малые токи утечки, широкий диапазон
рабочих температур, керамические конденсаторы имеют не большую стоимость.
Остановимся на серии К10 - 57 - МПО - 100 В с отклонением величины ёмкости на
% от номинального значения
(ОЖО.483.371.ТУ).
Характеристики и предельные эксплуатационные данные:
керамические не защищенные, предназначенные для работы в цепях
постоянного, импульсного и переменного токов, в том числе и в УВЧ диапазоне;
сопротивление изоляции "вывод-вывод" - не менее 1000 МОм;
минимальная наработка - 15000 ч;
температура окружающей среды от-60 до +125°С;
ёмкость практически не зависит от частоты;
добротность более 20000;
миниатюрное исполнение, с выводами расположенными по краям корпуса
Стандартные номиналы конденсаторов, ближайшие к рассчитанным, выбираем:
С2= 1,25 нФ;
С64 = 2,5 нФ.
Спроектируем цилиндрическую катушку с однослойной намоткой на
ферримагнитном сердечнике (рисунок 7).
Рисунок 7 - Цилиндрическая катушка с однослойной намоткой на
ферримагнитном сердечнике
Для расчёта числа витков будем использовать выражение:
,
где
- число витков,
=
,
- относительная магнитная
проницаемость материала сердечника,
- длинна катушки,
=
- радиус основания катушки,
.
Рассчитаем число витков для катушек, сердечником которых является
ферримагнетик марки 2000 нн:
В качестве провода намотки выберем медный провод диаметром 0,1мм (
)
,
Учитывая длину провода в катушках L1,L2, оценим
тепловые и дополнительные (вихревые токи, поверхностный эффект) потери в
катушках:
;
Добротность на частоте
:
;
.
Присвоим катушкам индуктивности номер своего частного технического
условия КР - 212 - 14ТУ.
2.4
Ориентировочный учёт потерь за счёт сопротивлений
,
Оценим дополнительные потери в полосе пропускания по формуле:
,
т. е. потери не очень существенные и
.
3. Разработка схемы усилителя
напряжения
3.1 Основные
положения теории
Для проектирования выбран усилительный каскад с включением БТ по схеме с
общим эмиттером и ООС по току (другое ее название - схема с фиксированным
напряжением на база и эмиттерной стабилизацией) рисунок 8.
Достоинства данной схеме включения:
обеспечивается заданное усиление электрического сигнала по току, по
напряжению, по мощности;
в больших пределах можно изменять выходное и входное сопротивление в
режиме переменных сигналов, что позволяет согласовывать усилитель с внешними
цепями;
схема универсальна по установке рабочей точки БТ для любого варианта
включения транзистора по переменному току.
Единственный недостаток схема - большое количество элементов.
Рисунок 8 - Схема с фиксированным напряжением на база и эмиттерной стабилизацией
3.2 Расчёт
схемы по постоянному току
На рисунке 8 применён n-p-n транзистор т.к. в заданном варианте задано напряжение
питания с положительной полярностью (+ 6 В).
При расчетах будем использовать следующие обозначения:
- входное сопротивление в режиме постоянного тока;
- выходное сопротивление транзистора в режиме постоянного
тока;
- коэффициент передачи по току.
; т. е.
;
- амплитуда переменных сигналов;
- входное сопротивление для малых переменных сигналов;
- коэффициент передачи для малых переменных сигналов (на
низких частотах
=
, на более высоких частотах - уменьшается).
В справочниках по транзисторам приводится значения
с учётом разброса параметров. В
данной курсовой работе используется среднегеометрическое значение интервала
;
- выходное сопротивление для переменных сигналов;
- граничная частота для схемы ОЭ (
=1);
- частота до которой
не уменьшается;
- предельная частота (
уменьшается в 2 раза).
Выбрана схема с "общим эмиттером" с фиксированным током
смещения и эмиттерной стабилизацией рабочей точки. Поскольку транзистор
работает в режиме малого сигнала, то его структура не имеет значения. Выберем
высокочастотный транзистор КТ312(ТТЗ.701.012 ТУ) n-p-n структуры.
Пример справочных данных маломощного высокочастотного n-p-n транзистора
КТ312:
=120МГц
=30
Типовые режимы работы транзистора КТ312:
;
Определяем необходимый для данного режима ток базы транзистора:
- Iб = Iк / h21э =
0,001/ 30 = 0,00003= 0,03 мА.
Получили, что рабочая точка БТ по постоянному току задана:
" Iб = 0,03 мА; Uбэ = 0,55 В; Iк = 1
мА; Uкэ = 5 В ".
Теперь следует учесть следующее, из требований задания:
- Rвх у =Rвых ф =600 Ом ;
- |Ku| = Um вых/ Um вх
= - Rк / Rэ = (не менее)≥6;
- Rвых у = Rк - любое;
Еп = + 6 В.
Для схемы на рисунке 8 по закону Кирхгофа для коллекторной цепи
записываем:
URэ + Uкэ + URк = Eп ,
где URэ - падение напряжения на эмиттерном
сопротивлении, URк - падение
напряжения на коллекторном сопротивлении.
Для работы цепи ООС и термостабилизации режима по постоянному току
минимальное падение напряжения на эмиттерном резисторе устанавливаем URэ =(0,1…0,2)Eп = 0,6 В.
Определяем по закону Ома для участка цепи величину Rэ, считая Iэ = Iк + Iб = Iк ; тогда Rэ = URэ / Iк = 0,6 / 0,001 = 600 Ом.
С увеличением Rэ - увеличивается
термостабильность схемы. Но чем больше URэ, тем меньшая доля напряжения источника питания будет
приходиться на переход К-Э: Uкэ = Eп - URэ - URк,
тем возможно меньший размах переменной составляющей возможен на выходе схемы.
Максимальный размах переменной составляющей возможен при Uкэ = URк, то есть при равномерном распределении напряжения между
переходом К-Э и коллекторным сопротивлением Rк. Отсюда следует, что Rк = (Eп - URэ)/ 2Iк = (6 - 0,6)/(2· 0,001) = 2,7 кОм.
С учётом
,
, а по заданию требуется, чтобы |Ku| (не менее) ≥9 . Расчетными данными получаем:
= -2700/600 = - 4,5, что не отвечает
заданным требованиям.
Поэтому компромиссом между термостабильностью каскада и его усилительными
свойствами является вариант, где эмиттер БТ заземлен по переменному току через
блокировочный конденсатор Сб. При условии, что сопротивление конденсатора Сб ,
шунтирующее Rэ на самой нижней частоте fн в спектре усиливаемого сигнала,
должно быть меньше, чем выходное сопротивление БТ VT1 со стороны эмиттера гэ. Отсюда, величина емкости
конденсатора:
- Сб >= (8…10)/ (2πfн Rэ), где:
fн =
210 кГц;
Rэ = Uт/Iк, где Uт =
26 мВ и Iк = 1 мА, имеем Rэ = 26 Ом.
Получаем: Сб = 8/(2·3,14·210000·26) = 0,2 мкФ полученную
величину округляем в большую сторону до стандартного значения,
регламентируемого в ряде Е24.
Расчетная емкость конденсатора: Сб = 0,2 мкФ.
Включая в схему блокировочный конденсатор Сб, по переменному току
шунтирующий Rэ имеем |Ku| = Rк / Rэ = - 2700/26 = - 103.
Теперь определяем элементы базовой цепи. Для схемы на рисунок 9
необходимо записать два выражения для двух ветвей тока: тока делителя и тока
базы.
Для тока делителя, при условии Iд значительно больше Iб,
выбору тока делителя задают Iд
=(5…10) Iб. Тогда Еп = Iд · R1 + Uб,
где Uб = (Iд - Iб) ·
R2 - напряжение на базе транзистора относительно
нулевого потенциала.
Для тока базы Uб = Uбэ + Iк · Rэ,
считая Iк = Iэ.
Тогда из составленных выражений получаем:
R2 = (Uбэ + Iк · Rэ )/( Iд - Iб) = (0,6 + 0,001 · 600)/(0,0003 - 0,00003) = 4,4 кОм;
R1 = (Еп - Uб)/ Iд =
(6 - 0,6)/0,0003 = 18 кОм.
Далее, все рассчитанные номиналы сопротивлений следует округлить до
значений, регламентированных рядом сопротивлений Е24, получаем:
Rэ =
600 кОм;
Rк =
2,7 кОм;
R2 = 4,4 кОм;
R1 = 18 кОм;
Сб = 0,2 мкФ.
3.3 Расчет
схемы по переменному току
Рассчитаем параметры БТ по переменному току в рабочей точке:
определим дифференциальное входное сопротивление
Rбэ =
· Rэ = 80 · 600 = 48 кОм;
- крутизну
- дифференциальное выходное сопротивление БТ
Rкэ = Uy / Iк = 100 / 0,001 = 100 000 Ом = 100 кОм;
- выходное сопротивление БТ со стороны эмиттера
Rэ = 1
/ S = 1 / 0,038 = 26 Ом.
Для согласования по напряжению необходимо, чтобы входное сопротивление R вх_У усилительного каскада было
много больше, чем сопротивление источника сигнала Rг , а выходное сопротивление R вых_У усилительного каскада много меньше, чем сопротивление
нагрузки R н.
Учитывая то, что по переменному току Rэ шунтируется блокировочным конденсатором Сб, входное
сопротивление рассчитаем по выражению:
R вх_У
= Rбэ =
· Rэ = 80 · 26 = 2 кОм.
Условие согласования по напряжению выполняется, так как входное
сопротивление усилительного каскада равное 2 кОм больше, чем выходное
сопротивление фильтра заданное 500 Ом. Поэтому воспользуемся частичным
изменением схемы рисунка 8 и окончательно приведем схему усилительного каскада
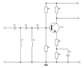
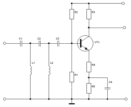
с ОЭ и ООС по току для строго заданного Кu, с использованием частичного шунтирования сопротивления Rэ рисунок 9.
Рисунок 9 - схему усилительного каскада с ОЭ и ООС по току
Перерасчетом элементов данной схемы, не меняя режим работы усилительного
каскада, получили:
Rэ = 60 Ом; Rэ1 = 540
Ом;
Сб = 8/(2·3,14·210000·(26 + 60)) =0,07 мкФ
применяя ряд Е24 имеем емкость равную
0,07 мкФ.
При этом |Ku| = Rк / Rэ = 2700/60 = 45.
Тогда учитывая новые свойства схемы, получим входное сопротивление
усилительного каскада: R вх_У
=
· ( rэ + Rэ ) =
80 · ( 26 + 60 ) = 6,9 кОм, что и соответствует условию согласования, оно
больше выходного сопротивления фильтра равное 500 Ом.
Резисторы выберем типа ОМЛТ с пятипроцентным разбросом (ТУ17203 - 90),
конденсатор Сб того же вида, что С64 и С2.
Схема всего радиотехнического устройства (без учёта сигнала) приведена на
рисунке 10.
Рисунок 10 - Схема радиотехнического устройства
На рисунке 10, приведенной схемы радиотехнического устройства имеется
дополнительный элемент С3 - разделительный конденсатор, емкость которого
определяется: С вх = С3 = 8/(2·π·fн·Rвх_У)
= 8/(2·3,14·210000·300) = 200 нФ, полученную величину округляют
в большую сторону до стандартного значения, регламентированного ряда элементов
Е24. Имеем С3 = 200 нФ.
В итоге представленные на рисунке 10 элементы имеют следующие рассчитанные
величины:
L1= 456 мкГн; - R2 = 4,4 кОм;
- L2= 228 мкГн; - R3 = 2,7 кОм;
С1= 2,5 нФ; - R4 = 60 Ом;
С2= 1,25 нФ; - R5 = 540 Ом;
С3= 200 нФ; - VT1
транзистор КТ312.
С4= 0,07 мкФ;
- R1= 18 кОм;
4. Анализ спектра сложного
периодического сигнала
4.1 Основные
технические положения
Исходные данные приведены на рисунке 11.
Рисунок 11 - Исходные данные
Для рисунка 11: Uo=
0,09В,
, Rг=300 Ом,
Аналитическое выражение для записи спектра(ряд Фурье) имеет вид:
,
где -
- постоянная составляющая;
- амплитуда при синусах;
- амплитуда при косинусах;
, φ=arctg(
) - амплитуда и фаза произвольной
гармоники входного сигнала;
- номер гармоник;
- частоты гармоник.
У чётных сигналов
, а у нечётных
. Кроме того может отсутствовать
постоянная составляющая в сигнале.
При определении коэффициентов ряда Фурье функцию под знаком интеграла для
чётных и нечётных функций
можно задавать на части периода, а результат вычислений
округлять в большую сторону.
4.2 Анализ
спектра
Для сигнала на рисунке 9:
;
-для периода от 0 до T/2.
Функция
в данном варианте нечётная (т. е. а0/2=0;
), содержит постоянную составляющую.
Определяем bn:
Таким образом, в спектре сигнала нет чётных гармоник; если пренебречь
высшими гармониками, начиная с пятой, то ошибка не очень значительная, т.к.
амплитуда пятой гармоники составляет по отношению к первой:
С учётом этого, аналитическое выражении сигнала для сигнала на входе
фильтра:
.
Рисунок 12 - График амплитудного спектра сигнала
5. Анализ прохождения входного сигнала
через радиотехническое устройство
5.1 Различные
допущения и ограничения
Хотя, при различных округления несколько изменились коэффициенты передачи
электрического фильтра, дополнительные корректировочные расчёты проводить не
будем.
электрический фильтр сигнал усилитель
5.2 Анализ по
схеме рисунка 9
На вход фильтра подаётся сигнал вида:
(т.к. не учитывались более высокие гармоники), где
;
.
Коэффициенты передачи фильтра |KU|f=40кГц=0,035 и |KU|f=120кГц=1 (сдвиг фазы, создаваемый фильтром ранее приняли
равным 0).
Для последовательности прямоугольных импульсов с частотой f1 = 40 кГц, на выходе фильтра и входе усилителя
будет напряжение:
U(t)выхФ =0,0012 sin(w1t+0) - 0,00027 sin(2 w1t +0) - более высокие гармоники ФНЧ
ограничивает (срезает).
Амплитуда последовательности прямоугольных импульсов мала, поэтому будем
считать, что она будет приходить к ВАХ на линейный участок работы БТ с
коэффициентом усиления Ku = -
45.
Ёмкостные и инерционные, свойства p-n - переходов не
учитываем.
Тогда: U(t)выхУ =-45·0,035 sin(w1t+0) + 45·0,0079 sin(2 w1t +0)=
= -1,575 sin(w1t)+- 0,3555 sin(2 w1t).
Заключение
Таким образов, в соответствии с заданием, в данной курсовой работе решены
следующие задачи анализа и синтеза:
проанализирован спектральный состав входного сигнала, а также прохождение
сигнала через радиотехнические устройства (электрический фильтр и усилитель);
проведен синтез эквивалентных схем и проектирование принципиальных схем
радиотехнических устройств.
В курсовой работе применены следующие допущения и ограничения:
усилитель, фильтр и источник сигнала считались согласованными, что
позволило применить классическую теорию синтеза фильтров;
ввиду небольшой амплитуды входного напряжения режим работы усилителя
считался "линейным".
Из-за допущений, точность расчетов несколько снизилась, но уменьшилась
трудоемкость.
В целом, требования задания выполнены.
Список
использованной литературы
Гусев В.Г., Гусев Ю.М. Электроника: Учебное пособие для
студентов приборостроительных специальных вузов.-М:Высш.шк., 1991.-623с.
Бакалов В.П. Основы теории цепей\ учебник для вузов. - М.:
"Радио и связь", 2000 г. -588 с.
Расчет фильтров с учетом потерь: справ./пер. с нем.
Литвиненко. Под ред. Сильвинской - М.: изд. "Связь", 1972 г. - 200 с.
Никонов И.В., Женатов Б.Д. Электрические цепи. Анализ и
синтез: Учебное пособие.-Омск: ОмГТУ, 2004.-104с.
Приложение