Анализ и синтез радиотехнических сигналов и устройств
КУРСОВАЯ РАБОТА
Анализ
и синтез радиотехнических сигналов и устройств
Введение
схема электрический
фильтр радиотехнический
В электротехнических,
радиотехнических и телемеханических установках и устройствах связи часто
ставится задача: из многих сигналов, занимающих широкую полосу частот, выделить
один или несколько сигналов с более узкой полосой частот.
Сигналы (напряжения и токи) заданной
полосы выделяют при помощи электрических фильтров. Один из простейших фильтров
состоит из катушки и конденсатора, включённых последовательно или параллельно,
т.е. представляет собой последовательный или параллельный контур. Однако в
качестве пассивных фильтров чаще применяются четырёхполюсники из катушек
индуктивности и конденсаторов и каскадные соединения четырёхполюсников.
К электрическим фильтрам различной
аппаратуры предъявляются неодинаковые и даже противоречивые требования. В одной
части полосы частот, которая называется полосой пропускания, сигналы не должны
ослабляться, а в другой, называемой полосой задерживания (непропускания),
ослабление сигналов не должно быть меньше определённого значения. Дополнительно
могут накладываться определённые условия на вид фазовой характеристики фильтра.
К фильтрам предъявляются и конструктивные требования в отношении их габаритов,
массы, используемых материалов. Эти требования могут оказать решающее влияние
на выбор одного из вариантов схем с аналогичными частотными характеристиками.
В качестве типовой курсовой работы
нам предлагается проектирование электрического фильтра.
Синтез электрической цепи состоит из
нескольких этапов, в частности:
Воспроизведение заданных требований
к частотным характеристикам с помощью функций, удовлетворяющих условиям
физической реализуемости (этап аппроксимации);
Определение электрической схемы, её
конфигурации и параметров (этап реализации).
Полученную при синтезе электрическую
схему, состоящую из индуктивностей, емкостей и сопротивлений, в общем случае
следует рассматривать как эквивалентную схему. На её основе путем выбора
конкретной элементной базы проектируется схема электрическая принципиальная,
затем разрабатывается конструкция фильтра.
Существуют два конкурирующих метода
синтеза фильтров. Длительное время при проектировании почти исключительно
применялся синтез фильтров по характеристическим параметрам. В этом методе
сопротивление нагрузки считается равным характеристическому сопротивлению, и
все параметры проектируемого устройства выражаются через характеристические
сопротивления и характеристическую постоянную передачи. В итоге проектируется
фильтр, состоящий из однотипных Г, Т или П - образных звеньев, включенных
каскадно. Однако неучет изменения характеристических сопротивлений в частотном
диапазоне вызывает значительное отличие характеристик фильтра от требования
задания. В настоящее время синтез по характеристическим параметрам применяется
в случае, когда требуется быстро спроектировать фильтр с достаточно большими
допусками к характеристикам.
Более современным является синтез по
заданным рабочим параметрам, при котором проектируется LC - фильтр с произвольной
нагрузкой.
Задачей работы является
проектирование фильтра верхних частот. Исходя из того, что в задании не указаны
какие-либо требования к фазовым или переходным характеристикам, то наложим
дополнительные требования: необходимым является линейность фазовой
характеристики и сохранение на выходе большой крутизны фронта импульса при
малой величине выброса и малых колебаниях после импульса. Наиболее подходящим
типом при таких условиях является фильтр Баттерворта.
Фильтр рассчитывается с помощью
необходимых таблиц, справочников, из которых берутся нормированные значения
элементов фильтра нижних частот и затем с помощью необходимых арифметических
операций пересчитываются в реальные.
1. Анализ технического
задания
1.1 Общие сведения
Радиотехника является основной
частью радиоэлектроники и включает в себя большое количество теоретических и
«прикладных» дисциплин, разделов. При изучении, исследовании различных
радиотехнических задач, приходится проводить анализ сигналов, эквивалентных и
принципиальных схем, реальных устройств и систем, а также - синтезировать
(разрабатывать, создавать) модели, схемы и различные реальные устройства.
Если проводимые расчеты, разработка
завершаются изготовлением конструкторской и технологической документации,
изготовлением макетов или опытных образцов, то обычно применяется термин
«проектирование».
В данной курсовой работе, в
соответствии с заданием, необходимо решить следующие задачи:
разработать (любым методом)
эквивалентную, принципиальную схемы электрического фильтра на любых
радиокомпонентах;
разработать усилитель напряжения на
любых радиоэлементах (схему электрическую принципиальную);
любым методом рассчитать спектр
сложного периодического сигнала, подаваемого с «генератора импульсов» на вход
фильтра;
проанализировать «прохождение»
напряжения через фильтр и усилитель.
Эти задачи являются важными,
практически полезными, т.к. разрабатываются и анализируются широко применяемые
радиотехнические устройства.
Для последующих расчетов выбрана
структурная схема с «аналоговыми» радиотехническими устройствами, показана на
рисунке 1.
Рисунок 1 - Структурная схема с
«аналоговыми» радиочастотными устройствами
Цифровые функциональные узлы не
будут рассматриваться по следующим причинам:
необходимо дополнительно применять
АЦП и ЦАП;
разработка «цифровых схем» будет
рассмотрена в следующих дисциплинах.
Решение основных задач данной
курсовой работы можно проводить в различной последовательности.
Выберем следующий порядок расчетов:
а) разработка схем электрического
фильтра, согласованного с источником импульсной последовательности и с
усилителем напряжения;
б) разработка схем (схемы) усилитель
напряжения;
в) анализ спектра «сигнала»
генератора входного напряжения;
г) анализ прохождения «сигнала»
генератора через электрический фильтр и усилитель.
Рассмотрим «общие принципы» решения
перечисленных задач, а конкретные расчеты будут приведены в разделах со 2 по 5.
1.2 Общие принципы
проектирования электрического фильтра
Электрические фильтры -
это линейные или «квазилинейные» четырехполюсники, многополюсники, имеющие
частотнозависимые коэффициенты передачи по мощности
,
по напряжению
,
по току
.
Вместо безразмерных коэффициентов передачи при анализе и синтезе фильтров
широко применяется ослабление (
) в децибелах:
(1)
где
,
,
-
модули коэффициентов передачи.
Диапазон частот, где
близок
к «1», а ослабление «
»
близко к нулю, называется полосой пропускания. А там, где
близок
к «0», а ослабление «
»
составляет несколько десятков децибел - находится полоса задерживания
(ослабление затухания). Между ПП и ПЗ находится «переходная» полоса частот. По
расположению полосы пропускания в частотном диапазоне, электрические фильтры
называют:
ФНЧ - фильтр нижних
частот;
ФВЧ - фильтр верхних
частот;
ПФ - полосовой фильтр;
РФ - режекторный фильтр.
На рис. 2 а, б, в, г и
рис. 3 а, б, в, г приведены примеры графических требований к модулю
коэффициента передачи полной мощности (
) и ослаблению (а) для
фильтра нижних частот (ФНЧ), фильтра верхних частот (ФВЧ), полосового фильтра
(ПФ) и режекторного фильтра (РФ), соответственно.
Рисунок 2 - примеры
графических требований к модулю коэффициента передачи полной мощности (
)
Рисунок 3 - примеры
графических требований к ослаблению (а) для фильтра
Рисунок 4 - Схемы
простых фильтров «Г-типа»
На рисунке 4,
естественно, не показаны «резисторы внешних цепей», с которыми согласован по
мощности фильтр. Принцип «фильтрации» заключается в следующем. В полосе
пропускания, вблизи резонансных частот, фильтр согласован с внешними «цепями» и
в нагрузку передается максимальная мощность. В полосе задерживания согласование
ухудшается, ослабление увеличивается.
Реальный электрический
фильтр может быть выполнен на различных радиокомпонентах: «катушках и
конденсаторах», «волноводах», «акустоэлектронных». В принципе, можно
пользоваться справочниками по расчету фильтров на вполне определенных
радиокомпонентах. Однако более универсальным является следующий метод: вначале
разрабатывается эквивалентная схема на идеальных LC
- элементах, а затем в любые реальные, т.е. получается схема электрическая
принципиальная наиболее прост перерасчет «конденсаторам и катушкам
индуктивности», т.к. «вид» схемы не меняется.
Но и при таком
«универсальном подходе» возможны следующие способы синтеза эквивалентной схемы:
а) синтез в согласованном
режиме из одинаковых Г-образных звеньев (синтез по «характеристическим»
параметрам, синтез фильтр типа «К»).
Достоинство этого
способа: простые расчетные формулы; рассчитанное ослабление в полосе
пропускания (
)
считается равным нулю.
Недостаток: в реальных
фильтров согласования во всей полосе пропускания получить невозможно и 
0 (достигает трех
децибел).
б) полиномиальный синтез
(синтез по рабочим параметрам, синтез «по справочникам ФНЧ». «Предлагается»
схема ФНЧ, учитывающая несогласования. ФНЧ легко пересчитываются в ФВЧ, в ПФ, в
РФ.
Недостаток:
необходимость использования справочников или специальных программных средств.
в) синтез по импульсным
или переходным характеристикам применяется при синтезе цифровых фильтров.
Учитывая заданные
требования в курсовой работе, общий объем работы, выберем для последующего
синтеза метод синтеза по характеристическим параметрам.
1.3 Общие принципы
проектирования усилителя напряжения
Аналоговый усилитель
напряжения может быть разработан на интегральных микросхемах различного типа,
на полевых транзисторах, на биполярных транзисторах (корпусных или
бескорпусных). Учитывая небольшое значение требуемого коэффициента усиления по
напряжению достаточно одного каскада усиления.
Выберем вариант с
корпусным биполярным транзистором, как более дешевый. Учтем также, что можно
применить только схему «с общим эмиттером», без дополнительных усложнений, т.к.
она обеспечивает и требуемое усиление, и согласование, в соответствии с
величинами сопротивлений, указанным в задании. Схема «с общим коллектором» не
усиливает напряжение, а схема «с общей базой» имеет маленькое входное
сопротивление (десятки «Ом»), что не соответствует заданию.
1.4 Общие принципы и
анализ спектра сложного периодического сигнала
Во всех вариантах
задания, входной сигнал теоретически бесконечные импульсы различной формы
(четные, нечетные, с постоянной составляющей или без нее). В реальных условиях
«не бесконечные во времени», но «достаточно протяженные» последовательности,
встречаются часто. Анализ подобных последовательностей заключается в замене их
- аналитическим выражением в виде некоторого «алгебраического» ряда с более
простыми функциями. В аналоговой радиотехнике наибольшее применение для таких
целей нашел «гармонический» ряд Фурье. Именно разложение в такой ряд в
радиотехнике и принято называть спектром периодического сигнала. Рисунки
амплитуд и начальных фаз отдельных «гармоник» ряда называют амплитудным и
фазовым спектром.
.5 Общие принципы
анализа прохождения входного сигнала через радиотехнические устройства
а) После определения
составляющих бесконечного спектра входного сигнала, целесообразно провести
сравнение, например, амплитуд первой и четвертой - пятой гармоник, Если
амплитуда у какой-то из них меньше 0,1 - 0,2 доли от амплитуды первой, то
«расчетный» спектр ограничивается, пренебрегая гармониками с небольшими
амплитудами;
б) Анализируется
фильтра
для гармоник, оставшихся в «расчетном» спектре и определяются амплитуды в
спектре сигнала на выходе фильтра. Можно принять, что фильтр не дает
дополнительного фазового сдвига;
в) На входе усилителя
целесообразно включить разделительный конденсатор, чтобы «постоянная
составляющая», если она имеется в сигнале, прошедшем через фильтр, не изменила
режим по постоянному току усилителя. Ввиду малых по амплитуде переменных
сигналов усилитель будем считать линейным для переменных сигналов (с постоянным
,
).
Кроме того, будем учитывать, что схема «ОЭ» дает дополнительный фазовый сдвиг
.
.6 Замечание
Так как при расчетах
различного вида будут встречаться различные «округления», считаем, что
разрешена погрешность в расчетах не более 10% на любом этапе расчета.
2. Разработка схем
электрического фильтра
.1 Основные положения
теории
Условные обозначения:
- граничная частота
полосы пропускания;
- граничная частота
полосы задерживания;
- коэффициент
прямоугольности;
- неравномерность
ослабления в полосе пропускания;
- гарантированное
ослабление в полосе пропускания;
- значения
сопротивлений для согласованного режима.
Расчетные формулы для ПФ
фильтра:
(2)
(3)
(4)
(5)
(6)
(7)
(8)
(9)
(10)
(11)
- формула для (12)
построения графика
рабочего ослабления ФНЧ.
2.2 Синтез эквивалентной
схемы
В данном варианте
задания:
тип фильтра - ПФ;
На рисунке 5 (а, б)
изображены исходные требования к проектированию:
Рисунок 5 - Исходные требования к
проектированию
Рассчитаем основные элементы для
ФНЧ:
Рассчитаем
дополнительные элементы для ФНЧ:
Рассчитаем основные
параметры для ФНЧ:
На рисунке 6 (а, б) представлены
принципиальная и практическая схемы.
Рисунок 6 -
Принципиальная и практическая схемы
Преобразуем элементы
принципиальной схемы рисунок 6 (б):
Построим графики
ослабления и коэффициента передачи по напряжению, для ФНЧ.
Построим график
ослабления, рисунок 7, для ФНЧ:
Рисунок 7 - График ослабления, для
ФНЧ
Построим график коэффициента
передачи по напряжению, рисунок 8, для ФНЧ:

Рисунок 8 - Коэффициент передачи по
напряжению, для ФНЧ
Рассчитаем для ПФ, ПП и ПЗ с помощью
формулы:
(13)
Подставляя в формулу
выше найденные значения ПП и ПЗ для ФНЧ, найдем ПП и ПЗ для ПФ.
Построим график
ослабления, рисунок 9, для ПФ:
Рисунок 9 - График ослабления, для
ПФ
Построим график коэффициента
передачи по напряжению, рисунок 10, для ПФ:
Рисунок 10 - Коэффициент передачи по
напряжению, для ПФ
2.3 Разработка схемы
электрической принципиальной
На этом этапе определимся с
реальными радиокомпонентами. Катушки индуктивности спроектируем, а конденсаторы
выберем стандартные, выпускаемые заводом.
Будем разрабатывать схему с
конденсаторами и катушками индуктивности, как наиболее дешёвую и обеспечивающую
заданные требования.
Предпочтение отдадим
конденсаторам с неорганическим диэлектриком - керамическим, рассчитанным на
работу в высокочастотном режиме. Высокочастотная керамика имеет большое
сопротивление и малые токи утечки, широкий диапазон рабочих температур,
керамические конденсаторы имеют не большую стоимость. Остановимся на серии К10
- 57 - МПО - 100 В с отклонением величины ёмкости на
%
от номинального значения (ОЖО.483.371.ТУ).
Характеристики и
предельные эксплуатационные данные:
керамические не
защищенные, предназначенные для работы в цепях постоянного, импульсного и
переменного токов, в том числе и в УВЧ диапазоне;
сопротивление изоляции
«вывод-вывод» - не менее 1000 МОм;
минимальная наработка -
15000 ч;
температура окружающей
среды от -60 до +125°С;
ёмкость практически не
зависит от частоты;
добротность более 20000;
миниатюрное исполнение,
с выводами расположенными по краям корпуса
Стандартные номиналы
конденсаторов, ближайшие к рассчитанным, выбираем:
;
.
Для расчета числа витков
воспользуемся формулой:
, (14)
где
-
число витков,
-
магнитная постоянная,
- магнитная
проницаемость сердечника,
-
длина катушки.
, (15)
где
-
радиус катушки.
Рассчитаем число витков
для катушек, сердечником которых является ферромагнетик с магнитной
проницаемостью
:
В качестве провода
намотки выберем медный провод диаметром
,
,
,
.
Учитывая длину провода в
катушках L1, L2, оценим тепловые и
дополнительные (вихревые токи, поверхностный эффект) потери в катушках:
;
Рассчитаем добротность
на частоте
:
;
.
Присвоим катушкам индуктивности
номер своего частного технического условия КР - 216 - 07ТУ.
2.4 Ориентировочный учет
потерь за счет сопротивлений
,
Оценим дополнительные
потери в полосе пропускания по формуле:

,
т.е. потери не очень
существенные и
.
3. Разработка схемы
усилителя напряжения
3.1 Основные положения
теории
Для проектирования выбран усилительный
каскад с включением БТ по схеме с общим эмиттером и ООС по току (другое ее
название - схема с фиксированным напряжением на базе и эмиттерной
стабилизацией) рисунок 11.
Достоинства данной схеме включения:
обеспечивается заданное усиление
электрического сигнала по току, по напряжению, по мощности;
в больших пределах можно изменять
выходное и входное сопротивление в режиме переменных сигналов, что позволяет
согласовывать усилитель с внешними цепями;
схема универсальна по установке
рабочей точки БТ для любого варианта включения транзистора по переменному току.
С целью устранения дестабилизирующих
факторов на режим работы БТ по постоянному току, используем цепь отрицательной
обратной связи (ООС). То есть, часть доли выходного напряжения или тока должно
поступать обратно во входную, базовую цепь БТ и воздействовать на напряжение
или ток в базовой цепи противофазно дестабилизирующим факторам с целью
уменьшения их влиянии на режим БТ по постоянному току.
Рисунок 11 - Усилительный
каскад
3.2 Расчет схемы по
постоянному току
На рисунке 11 применен n-p-n транзистор т.к. в заданном варианте
задано напряжение питания с положительной полярностью (+ 10 В).
При расчетах будем использовать
следующие обозначения:
- входное сопротивление
в режиме постоянного тока;
- выходное
сопротивление транзистора в режиме постоянного тока;
- коэффициент передачи
по току.
т.е.
;
- амплитуда переменных
сигналов;
- входное сопротивление
для малых переменных сигналов;
В справочниках по
транзисторам приводится значения
с учётом разброса
параметров. В данной курсовой работе используется среднегеометрическое значение
интервала
;
- выходное
сопротивление для переменных сигналов;
- граничная частота для
схемы ОЭ (
=1);
- частота до которой
не
уменьшается;
- предельная частота (
уменьшается в 2 раза).
Выбираем тип БТ
самостоятельно. По заданию входной сигнал низкочастотный и представлен в виде
периодической последовательности прямоугольных импульсов
поступает через ФНЧ на вход усилительного каскада. Из справочных данных
маломощных низкочастотных БТ типа n-p-n используем транзистор КТ104В:
.
Типовой режим работы транзистора
КТ104В задаем:
- для кремниевых БТ,
работающих в линейном режиме
- приблизительно равное
половине напряжения питания
Определяем необходимый
для данного режима ток базы транзистора:

Получили, что рабочая точка БТ по
постоянному току задана:
Теперь следует учесть следующее, из
требований задания:
Для схемы на рисунке 11
по закону Кирхгофа для коллекторной цепи записываем:
где
-
падение напряжения на эмиттерном сопротивлении,
- падение напряжения на
коллекторном сопротивлении.
Для работы цепи ООС и
термостабилизации режима по постоянному току минимальное падение напряжения на
эмиттерном резисторе устанавливаем
Определим по закону Ома
для участка цепи величину
:
С увеличением
-
увеличивается термостабильность схемы. Но чем больше
,
тем меньшая доля напряжения источника питания будет приходиться на переход
(К-Э):
тем возможно меньший
размах переменной составляющей возможен на выходе схемы. Максимальный размах переменной
составляющей возможен при
то
есть при равномерном распределении напряжения между переходом (К-Э) и
коллекторным сопротивлением
.
С учетом
,
а
по заданию требуется, чтобы
.
что не соответствует
заданному коэффициенту.
Поэтому компромиссом
между термостабильностью каскада и его усилительными свойствами является
вариант, где эмиттер БТ заземлен по переменному току через блокировочный
конденсатор
рисунок
11. При условии, что сопротивление конденсатора
, шунтирующее
на
самой нижней частоте
в
спектре усиливаемого сигнала, должно быть меньше, чем выходное сопротивление БТ
VT1 со стороны эмиттера
. Вычислим, величину
емкости конденсатора:
полученную величину
округляем в большую сторону до стандартного значения, регламентируемого в ряде
.
Расчетная емкость
конденсатора:
.
Включая в схему
блокировочный конденсатор
,
получим коэффициент по передачи напряжения:
Теперь определяем
элементы базовой цепи. Для схемы на рисунке 12 необходимо записать два
выражения для двух ветвей тока: тока делителя и тока базы.
Для тока делителя, при
условии
,
выбору тока делителя задают уравнение:
, где
напряжение на базе
транзистора относительно нулевого потенциала.
Для тока базы:
, считая
.
Тогда из составленных
выражений получаем:
Далее, все рассчитанные
номиналы сопротивлений следует округлить до значений, регламентированных рядом
сопротивлений
,
получаем:
3.3 Расчет схемы по
переменному току
Рассчитаем параметры БТ по
переменному току в рабочей точке:
Рассчитаем дифференциальное входное
сопротивление:
Рассчитаем крутизну:
Рассчитаем
дифференциальное выходное сопротивление БТ:
Рассчитаем выходное
сопротивление БТ со стороны эмиттера:
Для согласования по
напряжению необходимо, чтобы входное сопротивление
усилительного каскада
было много больше, чем сопротивление источника сигнала
,
а выходное сопротивление
усилительного
каскада много меньше, чем сопротивление нагрузки
.
Учитывая то, что по
переменному току
шунтируется
блокировочным конденсатором
, входное сопротивление
рассчитаем по выражению:
Условие согласования по
напряжению не выполняется, так как входное сопротивление усилительного каскада
равное
меньше,
чем выходное сопротивление фильтра заданное
. Поэтому воспользуемся
частичным изменением схемы рисунка 8 и окончательно приведем схему
усилительного каскада с ОЭ и ООС по току для строго заданного
с
использованием частичного шунтирования сопротивления
рисунок
9.
Рисунок 12 - Измененная
каскадная схема
Перерасчетом элементов
данной схемы, не меняя режим работы усилительного каскада, получили:

Тогда учитывая новые свойства схемы,
получим входное сопротивление усилительного каскада:
что и соответствует
условию согласования, оно больше выходного сопротивления фильтра равное
.
Резисторы выберем типа
ОМЛТ с пятипроцентным разбросом (ТУ17203 - 90), конденсатор
того
же вида, что
.
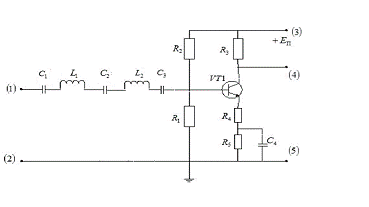
Схема всего
радиотехнического устройства (без учёта сигнала) приведена на рисунке 13.
Рисунок 13 - Схема
радиотехнического устройства
На рисунке 13,
приведенной схемы радиотехнического устройства имеется дополнительный элемент
-
разделительный конденсатор, емкость которого определяется:
В итоге представленные на рисунке 13
элементы имеют следующие рассчитанные величины:
4. Анализ спектра
последовательности прямоугольных импульсов
.1 Основные
теоретические положения
Исходные данные приведены на рисунке
14.
Рисунок 14 - Исходный
вид сигнала
Аналитическое выражение для записи
спектра:
(16)
где,
-
постоянная составляющая (17)
- амплитуда при синусах (18)
- амплитуда при
косинусах (19)
- амплитуда и фаза
произвольной гармоники входного сигнала (20)
- начальная фаза
гармоники (21)
- номер гармоник;
- частоты гармоник.
У чётных сигналов
,
а у нечётных
,
кроме того может отсутствовать постоянная составляющая в сигнале. При
определении коэффициентов ряда Фурье функцию под знаком интеграла для чётных и
нечётных
можно
задавать на части периода, а ответ - увеличивать.
.2 Анализ спектра
Заданная периодическая
последовательность импульсов, есть функция
нечетная, поэтому
и
,
содержит только
составляющие
амплитуд при косинусах.
,
где,
Запись спектрального
представления сигнала имеет вид:
если пренебречь высшими
гармониками, начиная с тринадцатой, то ошибка будет не очень значительная, т.к.
амплитуда десятой гармоники составляет по отношению к первой:
.
С учётом этого, аналитическое
выражении сигнала для сигнала на входе фильтра:
Из аргумента при синусе
видно что начальная фаза гармоники
.
Найдем амплитуду
гармоники:
На рисунке 15 приведен
амплитудный спектр анализируемого сигнала для полученных выше выражений.
5. Анализ прохождения
входного сигнала через радиотехническое устройство
.1 Различные допущения и
ограничения
Хотя, при различных округлениях
несколько изменились коэффициенты передачи электрического фильтра,
дополнительные корректировочные расчеты проводить не будем.
5.2 Анализ по схеме
рисунка 13
На вход фильтра подается сигнал
вида:
Для удобства рассмотрим
первую гармонику сигнала.
Коэффициент передачи по
напряжению при ослаблении фильтра в полосе пропускания найдем из формул:
(22)
(23)
где,
-
частота ПФ соответствующая первой гармоники,
- частота ФНЧ
соответствующая первой гармоники.
Тогда сигнал при выходе
из фильтра, на вход усилителя примет вид:
Коэффициент передачи по
напряжению усилителя равен
:
Тогда сигнал при выходе
из усилителя примет вид:
Заключение
Таким образом, в соответствии с
заданием, в данной курсовой работе решены следующие задачи анализа и синтеза:
проанализирован спектральный состав
входного сигнала, а также прохождение сигнала через радиотехнические устройства
(электрический фильтр и усилитель);
проведен синтез эквивалентных схем и
проектирование принципиальных схем радиотехнических устройств.
В курсовой работе применены
следующие допущения и ограничения:
спектр рассчитывался по вторую гармонику,
включительно;
усилитель, фильтр и источник сигнала
считались согласованными, что позволило применить классическую теорию синтеза
фильтров;
ввиду небольшой амплитуды входного
напряжения режим работы усилителя считался «линейным».
Из-за допущений, точность расчетов
несколько снизилась, но уменьшилась трудоемкость.
Список использованных
источников
1. Никонов И.В. Синтез электрических фильтров. - Методические
указания к курсовой работе по курсу «Основные теории цепей» - ОмПИ, 1989 г.
-39.: ил.
2. Никонов И.В., Женатов Б.Д. Электрические цепи. Анализ и
синтез: Учебное
пособие - Омск: ОмГТУ, 2004 г. - 104 с.
. Никонов И.В., Женатов Б.Д. Апериодические и избирательные
цепи.
Методические указания к лабораторным работам. - Омск: ОмГТУ, 1999
г. - 24 с.
. Резисторы, конденсаторы, трансформаторы, дроссели,
коммутационные устройства РЭА: справ./Н.Н. Акимов, Е.П. Ващуков, В.А.
Прохоренко, Ю.П. Ходоренок - Мн.: Беларусь, 1994 г. - 591 с.