Анализ методик определения комплексных коэффициентов передачи смесителей
МИНИСТЕРСТВО ОБРАЗОВАНИЯ И НАУКИ
РОССИЙСКОЙ ФЕДЕРАЦИИ
Федеральное государственное бюджетное
образовательное учреждение
высшего профессионального образования
"КУБАНСКИЙ ГОСУДАРСТВЕННЫЙ
УНИВЕРСИТЕТ"
(ФГБОУ ВПО "КубГУ")
Физико-технический факультет
Кафедра радиофизики и нанотехнологий
ДИПЛОМНАЯ РАБОТА
анализ методик определения
комплексных коэффициентов передачи смесителей
Работу выполнил
Асатрян Артур Левонович
Специальность 210302 - Радиотехника
Научный руководитель
д-р тех. наук, проф. К.С. Коротков
Нормоконтролёр
канд. физ. - мат. наук, доц. М.А. Жужа
Краснодар 2012
Реферат
Асатрян А.Л. АНАЛИЗ МЕТОДИК ОПРЕДЕЛЕНИЯ
КОМПЛЕКСНЫХ КОЭФФИЦИЕНТОВ ПЕРЕДАЧИ СМЕСИТЕЛЕЙ. Дипломная работа: 68 с., 17
рис., 11 табл., 17 источников
КОМПЛЕКСНЫЙ КОЭФФИЦИЕНТ ПЕРЕДАЧИ, МОДУЛЬ И
ФАЗА КОЭФФИЦИЕНТА ПЕРЕДАЧИ, СМЕСИТЕЛЬ, ИЗМЕРЕНИЕ ИСТИННОГО СДВИГА ФАЗ
Объектом исследования данной дипломной
работы является оптимальная структурная схема построения прибора для измерения
модуля и фазы комплексного коэффициента передачи испытуемого смесителя.
Целью работы является анализ и разработка
методов наблюдения и измерения комплексных коэффициентов передачи СВЧ -
устройств с преобразованием частоты смесителей).
В результате выполнения дипломной работы
теоретически рассмотрен новый способ, позволяющий определять действительный
сдвиг фаз, возникающий в смесителе при гетеродинном преобразовании частоты
входного сигнала, предложены структурные схемы построения прибора для измерений
модуля и фазы коэффициента передачи испытуемого смесителя. Выполнены расчёты и
получены выражения, позволяющие рассчитать величину погрешностей измерения
модуля и фазы коэффициента передачи исследуемого смесителя.
Содержание
Введение
1. Основные методы определения комплексных коэффициентов передачи
смесителей
1.1 Анализ путей построения измерителей комплексных коэффициентов
передачи смесителей
1.2 Особенности теоретического анализа смесителей СВЧ
1.3 Анализ схем построения приборов для испытания смесителей
2. Особенности измерения истинных сдвигов фаз, возникающих в
смесителях при преобразовании частоты
2.1 Анализ технических возможностей измерительного фазового моста
2.2 Пути повышения точности устройств для определения комплексных
коэффициентов передачи смесителей
3. Расчет погрешностей, возникающих при измерениях комплексных
коэффициентов передачи смесителе
Заключение
Список использованных источников
Введение
При работе смесителя в составе
радиоэлектронного устройства его главными характеристиками являются комплексный
коэффициент передачи (модуль и фаза) и степень согласования с остальной схемой
или коэффициенты отражения входов и выхода и их изменение в диапазоне частот,
то есть АЧХ и ФЧХ этого смесителя.
С развитием микрополосковых СВЧ-технологий
под смесителем стали понимать СВЧ - устройство, выполненное в виде единого
неразъемного модуля СВЧ-устройства с преобразованием частоты, состоящего из
собственно смесителя с присоединенными к нему узлами типа фильтров, делителей
сигналов, усилителей СВЧ и ПЧ, ферритовых вентилей и циркуляторов.
Поэтому при разработке, создании и
промышленном выпуске радиоэлектронных средств (РЭС), содержащих СВЧ-устройство
с преобразованием частоты (смеситель), необходимо иметь приборы, позволяющие
эффективно измерять и контролировать их основные электрические параметры такие,
как модуль, и особенно фазу коэффициентов передачи в диапазоне рабочих частот,
т.е. их АЧХ и ФЧХ. В этой связи необходимо отметить, что панорамные испытания
СВЧ-устройств, содержащих преобразователь частоты, позволяют снизить
трудозатраты при их разработке, регулировке и настройке в сотни раз.
Повышенный интерес к решению задач фазовой
нестабильности объясняется тем, что эта нестабильность применительно к
элементам и узлам, входящим в состав электронных систем, приводит к появлению
неконтролируемых искажений формы полезного сигнала, что эквивалентно помехе. В
то же время, методы расчета фазовых искажений, вносимых СВЧ-устройствами,
содержащими в своем составе преобразователь частоты, в отечественной литературе
отсутствуют. Имеются отдельные работы, частично посвященные этому вопросу и
решающие частные, весьма специфические задачи [1]. По этой причине они не могут
быть применены для решения широкого круга инженерных задач и носят скорее
рекомендательный характер. В работе [1] приведены структурные схемы построения измерителей
амплитудно-фазовой конверсии (зависимости фазового сдвига от амплитуды
колебаний). Однако, это не автоматические и не панорамные приборы.
К сожалению, в России не выпускаются
приборы, предназначенные для наблюдения АЧХ и ФЧХ СВЧ-устройств с преобразованием
частоты и измерения их комплексных коэффициентов передачи при поданном на них
регулируемом сигнале гетеродина. Отсутствуют и методы построения таких
приборов.
Существующая группа приборов Р4, РК4, Ф2,
Ф4 не предназначена для исследования характеристик смесителей в реальных
рабочих условиях их эксплуатации и позволяет, в лучшем случае, измерять лишь
сдвиг фаз испытуемого СВЧ - устройства, содержащего преобразователь частоты,
относительно другого смесителя, принятого за эталонный. Истинный сдвиг фаз,
вносимый эталонным смесителем в процессе гетеродинного преобразования частоты,
неизвестен. Это происходит вследствие того, что частоты сигналов на входах и
выходе смесителя существенно различны, поэтому величина сдвига фаз вносимого им
в сигнал промежуточной частоты не может быть измерена обычными, известными
методами сравнения двух сигналов одинаковой частоты. Кроме того, отсутствуют и
достаточно эффективные способы измерения модуля коэффициента передачи
смесителей в автоматическом режиме, позволяющие проводить такие измерения с
достаточно малой величиной погрешности.
Исходя из приведенного краткого анализа,
можно сделать вывод, что в настоящее время весьма актуальной является проблема
теоретических исследований по поиску путей и способов построения автоматических,
панорамных измерительных приборов, специально предназначенных для наблюдения и
измерения комплексных коэффициентов передачи СВЧ - устройств, содержащих в
своем составе преобразователь частоты (смеситель).
Актуальность таких исследований подтверждается
и тем, что Аэрокосмическая Корпорация США в лице фирмы Hewlett - Packard в последние годы ведет
весьма интенсивные работы по созданию приборов для измерения истинных значений
модуля и фазы коэффициентов передачи смесителей [2], [3], [4].
Данная работа посвящена исследованию
структурных схем построения новых типов измерительных СВЧ - приборов,
построенных на основе найденных новых способов определения действительных
(истинных) значений модуля и фазы коэффициентов передачи смесителей.
Целью работы является изучение методов
наблюдения и измерения комплексных коэффициентов передачи СВЧ - устройств с
преобразованием частоты (смесителей).
Для достижения этой цели необходимо решить
следующие задачи:
изучить разные методы определения
комплексных коэффициентов;
подобрать оптимальную схему для измерения
модуля и фазы;
произвести необходимые расчеты параметров;
произвести расчеты погрешностей при
измерении.
смеситель комплексный коэффициент передача
1.
Основные методы определения комплексных коэффициентов передачи смесителей
1.1
Анализ путей построения измерителей комплексных коэффициентов передачи
смесителей
В России имеется довольно обширный парк
радиоизмерительных приборов классов Р4 и РК4, предназначенных для наблюдения в
панораме и измерения в частотной точке модуля и фазы коэффициентов передачи
четырехполюсников, измерителей разности фаз и группового времени запаздывания
типа Ф2 и ФК2. Все характеристики подобных приборов приведены в литературе [5].
Современные приборы классов Р4 и РК4
решают широкий круг задач, измеряя полный набор S-параметров
четырехполюсников, включая и их сдвиг фаз. Однако задачу измерения проходных
характеристик смесителей - СВЧ-устройств с преобразованием частоты в реальном
рабочем режиме самостоятельно не в состоянии решить ни один из них. Это
происходит потому, что сигналы, несущие информацию о характеристиках смесителя,
лежат в различных диапазонах частот. Кроме того, каждый тип смесителя имеет
индивидуальные рабочие уровни сигналов, и его электрические характеристики
зависят от этих уровней.
Все приборы группы Р4, РК4, Ф2, ФК2,
рекомендуемые для измерения характеристик смесителей, на самом деле в лучшем
случае измеряют модуль их комплексных коэффициентов передачи (потери
преобразования) при уровнях мощности значительно отличающихся от реальных, и на
одной, часто низкой, промежуточной частоте.
К этим же приборам относятся и измерители
группового времени запаздывания (ГВЗ), основанные на амплитудной модуляции
высокочастотного входного сигнала низкочастотным сигналом с последующим его
выделением с помощью фазового детектора. Как известно групповое время
запаздывания это скорость изменения фазового сдвига в зависимости от скорости
изменения частоты сигнала. В 90-х годах появились приборы для измерения ГВЗ,
позволяющие определять и модуль коэффициента передачи четырехполюсника. Однако
основной их недостаток - низкая промежуточная частота (десятки килогерц) и
связанное с этим сильное влияние на результаты измерений паразитных сигналов,
особенно гармоник питающей сети [5]. Кроме того, амплитудная модуляция
зондирующего сигнала при прохождении его через нелинейный элемент смесителя
порождает массу гармоник, которые приводят к существенным искажениям
результатов измерений.
Для панорамного наблюдения и измерения
характеристик смесителей мало пригодны как самостоятельные приборы также и
стробоскопические измерители фазовых сдвигов, которые являются по существу
приборами с ручной перестройкой частоты. Они имеют низкую фиксированную
промежуточную частоту и не допускают использования внешнего генератора для
получения оптимального рабочего режима смесителя.
В начале 90-х годов наибольшее
распространение в диапазоне СВЧ для исследования узлов, работающих в импульсном
режиме, получил способ, при котором в состав прибора входит источник
зондирующих сигналов, подаваемых на вход испытуемого узла, и приемное
устройство, анализирующее сигналы, прошедшие исследуемый узел. Приемное
устройство может быть построено по методу прямого детектирования зондирующих
сигналов СВЧ (ФК2-15) или их гетеродинного преобразования в более
низкочастотный сигнал, с последующей обработкой в низкочастотных
амплифазометрах, работающих на фиксированной частоте.
Для фазочастотных измерений проходных
характеристик смесителей генератор и гетеродин источника зондирующих сигналов
должны иметь систему фазовой стабилизации суммы или разности своих частот.
Эта сумма или разность определяется
промежуточной частотой испытуемого смесителя, и в случае отсутствия её фазовой
стабильности индивидуальная нестабильность частоты во времени генератора и гетеродина
не позволяет измерять фазовые характеристики сигналов и промежуточных частот.
Следовательно, частоты двух генераторов источника зондирующих сигналов для
испытания смесителей должны быть связаны одна относительно другой системой
фазовой автоподстройки частоты (системой ФАПЧ) [15].
В соответствии с этим, наиболее
перспективным для измерения характеристик смесителей в автоматическом режиме
является метод, основанный на применении двухчастотного генератора качающейся
частоты в качестве источника зондирующих сигналов, охваченных системой ФАПЧ с
регулируемым уровнем мощности, и двухканального супергетеродинного приемника с
двойным или тройным преобразованием частоты, к выходу которого присоединен
фазочувствительный индикатор отношений двух сигналов.
Супергетеродинный метод построения
измерительного прибора для испытания смесителей наиболее полно отвечает самому
физическому принципу преобразования частоты.
Рассмотрим все возможные схемы построения
приборов для испытания смесителей с целью выявления их теоретических и
практических возможностей и особенностей.
Для вывода нелинейного элемента смесителя
в рабочую точку его ВАХ необходим гетеродинный источник зондирующих сигналов
достаточной мощности. Для наблюдения и измерения фазовых характеристик
коэффициентов передачи смесителей необходим двухчастотный источник зондирующих
сигналов, частоты которого связаны системой фазовой стабилизации.
Смеситель СВЧ есть устройство,
преобразующее входной СВЧ сигнал частоты fc в сигнал промежуточной
частоты fпч = fг - fc, где fг - частота гетеродина и
поэтому он должен как и любой четырехполюсник характеризоваться полосой рабочих
частот в диапазоне СВЧ и аналогичной полосой рабочих частот в диапазоне ПЧ.
Поведение смесителя в каждой из этих полос, в свою очередь описывается комплексными
коэффициентами передачи, которые в диапазоне частот образуют АЧХ и ФЧХ. В связи
с тем, что входные и промежуточные частоты смесителя лежат в разных диапазонах,
их АЧХ и ФЧХ также имеют разную величину и характер изменения.
На основании этого проходные комплексные
характеристики смесителей (модуль и фаза) как функция частоты могут быть
полностью исследованы в двух основных режимах, приведённых на рисунке 1. Режим
"а" - исследование смесителя в его рабочем диапазоне частот при
фиксированной промежуточной частоте. В этом режиме источники сигнала и
гетеродин должны перестраиваться синхронно. Этот режим удобно назвать
"режим СВЧ".
Режим "б" - исследование
смесителя в рабочем диапазоне его промежуточных частот на фиксированной частоте
гетеродина, но выбранной в диапазоне частот "режима СВЧ". Этот режим
удобно назвать "режим по ПЧ".
Проведенный анализ указывает, что наиболее
объективное измерение характеристик смесителей может быть произведено с помощью
измерительных устройств, имеющих в своем составе двухчастотный источник
зондирующих сигналов и двухканальный приемник с фазочувствительным индикатором
отношений. Наибольшую чувствительность и наилучшую точность измерений, как уже
было показано, обеспечивают супергетеродинные схемы, следовательно, двухканальный
приемник должен быть супергетеродинным. Двухчастотный источник зондирующих
сигналов состоит из двух отдельных СВЧ генераторов управляемых напряжением
(ГУН), охваченных системой ФАПЧ. Эти генераторы могут перестраиваться в рабочем
диапазоне частот путем изменения их управляющего напряжения по линейно
возрастающему или линейно падающему закону, поэтому они и названы генераторами
качающейся частоты ГКЧ-1 и ГКЧ-2.
- частота, t - время,
ГКЧ-1 - СВЧ генератор качающейся частоты - источник сигнала,
ГКЧ-2 - генератор качающейся частоты - гетеродин,
- минимальная
и максимальная частоты рабочего диапазона смесителя,
- рабочий
диапазон смесителя в диапазоне СВЧ,
- промежуточные
частоты смесителей от первой до n-ой
- промежуточные частоты различных типов смесителей,
- диапазон
промежуточных частот
Рисунок 1 - Графики основных режимов исследований смесителя/
Такие схемы позволяют получить наивысшую разрешающую способность
при измерениях амплитуды и фазы сигналов за счет их измерения на постоянной
низкой промежуточной частоте. Кроме того, двухканальные схемы измерителей имеют
главное преимущество - они используют принцип сравнения сигнала от испытуемого
объекта с эталонным опорным сигналом и обеспечивают наименьшую погрешность
измерений.
На основании изложенного можно сделать вывод, что для испытания
смесителей наиболее подходящей является структурная схема измерительного
устройства, состоящая из двухчастотного источника зондирующих сигналов и
двухканального супергетеродинного приемника, содержащего в своем составе
фазочувствительный индикатор отношений двух сигналов.
Структурная схема построения "Прибора для исследования
амплитудно-частотных и фазочастотных характеристик", применяемого при
настройке и контроле смесителей, приведена на рисунке 2.
Структурная схема прибора [6] состоит из СВЧ генератора качающейся
частоты ГКЧ-1 и аналогичного гетеродина СВЧ ГКЧ-2, образующих двухчастотный
генератор качающейся частоты; блока их управления БУ; первой системы фазовой
автоподстройки частоты ФАПЧ-1, включающей первый смеситель СМ-1 ФАПЧ, фазовый
детектор ФД-1 и два направленных ответвителя НО-1 и НО-2; второй системы
фазовой автоподстройки частоты ФАПЧ-2, включающей дополнительный смеситель СМ-2
ФАПЧ и фазовый детектор ФД-2; испытуемый смеситель СмХ; блок опорных частот
БОЧ; измеритель мощности ИМ; смесители первой переменной промежуточной частоты
СМПЧ-1 и СМПЧ-2 измерительного и опорного каналов соответственно; делитель
мощности Д и фазочувствительный индикатор отношений И.
В режиме "а" синхронного качания ГКЧ-1 и ГКЧ-2 сигнал от
ГКЧ-1 через НО-1 и переключатель П1 подается на вход испытуемого смесителя, где
смешивается с сигналом от ГКЧ-2 и преобразуется в разностный сигнал первой ПЧ1,
который затем поступает на вход смесителя СМПЧ-1, преобразуется в разностный
сигнал второй постоянной ПЧ2 и подается на вход измерительного канала
индикатора И
Рисунок 2 - Структурная схема прибора с идеальным смесителем
Разность частот между ГКЧ-1 и ГКЧ-2
поддерживается постоянной с помощью системы ФАПЧ-1. Для этого часть сигналов
СВЧ, ответвленных НО-1 и НО-2, подаются в смеситель СМ-1 ФАПЧ. Сигнал
разностной частоты с его выхода поступает на один из входов фазового детектора
ФД-1, на другой вход которого подается сигнал опорной частоты, вырабатываемой
БОЧ. Результат сравнения в виде регулирующего напряжения управляет ГКЧ-1 таким
образом, что разность частот между ГКЧ-1 и ГКЧ-2 поддерживается постоянной с
точностью до фазы.
Блок опорных частот БОЧ вырабатывает три
сигнала:
) сигнал опорной частоты для ФД-1, равный
промежуточной частоте испытуемого смесителя ПЧ1 - fпч1,2) сигнал постоянной
частоты, равный второй промежуточной частоте прибора - fпч2 = Q,
) сигнал вспомогательной промежуточной
частоты, получаемой путем сдвига (смещения) сигнала первой промежуточной
частоты на величину второй промежуточной частоты, fпч1 + Q.
Сигналы опорной и вспомогательной частот
из БОЧ поступают через делитель Д на смеситель промежуточной частоты
измерительного канала (СМПЧИК) и смеситель промежуточной частоты опорного
канала (СМПЧОК), где играют роль гетеродина.
На сигнальный вход СМПЧОК через переключатель
П2 подается часть стабильного по амплитуде сигнала первой ПЧ1, где он
преобразуется в сигнал разностной второй постоянной ПЧ2.
Затем этот сигнал с выхода смесителя
поступает на вход опорного канала индикатора И, в котором происходит сравнение измерительного
сигнала относительно опорного по амплитуде и фазе. Результат сравнения
воспроизводится либо на экране ЭЛТ в виде АЧХ и ФЧХ, либо на цифровом табло в
виде модуля и фазы коэффициента передачи.
В режиме "б" качания ГКЧ-1
относительно ГКЧ-2 с помощью напряжения из БУ частота ГКЧ-1 сдвигается
относительно ГКЧ-2 на величину равную началу полосы анализа по первой ПЧ1
испытуемого смесителя X.
Это же напряжение подается в БОЧ и
определяет начальную частоту полосы качания сигнала первой ПЧ1, равную сдвигу
частот между ГКЧ-1 и ГКЧ-2.
Затем включается напряжение качания с
амплитудой, обеспечивающей одновременную синхронную перестройку опорной частоты
(равной начальной частоте ПЧ1), вспомогательной ПЧ БОЧ и ГКЧ-1 относительно
ГКЧ-2 в полосе анализа дельта f испытуемого смесителя.
Сигнал от ГКЧ-1 и ГКЧ-2 поступает на
соответствующие входы испытуемого смесителя СмХ. Сигнал переменной первой ПЧ1 с
его выхода подается на вход СМПЧ-1, преобразуется в сигнал постоянной второй
ПЧ2 и поступает на вход измерительного канала индикатора И.
Сигнал опорного канала формируется
аналогично в смесителе СМПЧ-2 из сигнала первой ПЧ1 от БОЧ. На гетеродинные
входы СМПЧ-1 и СМПЧ-2 подается сигнал вспомогательной ПЧ из БОЧ.
Стабилизация частоты сигналов в
измерительном и опорном канале, необходимая для фазовых измерений в этом режиме
достигается с помощью второй системы ФАПЧ-2. Для этого на один из входов
фазового детектора ФД-2 от БОЧ подается сигнал постоянной второй ПЧ2, играющий
роль опорного. Другой сигнал в ФД-2 поступает с выхода дополнительного
смесителя СМ-2 ФАПЧ и получается в результате двойного преобразования сигналов
от ГКЧ-1 и ГКЧ-2 в первом смесителе СМ-1 ФАПЧ и дополнительном СМ-2 ФАПЧ. Этот
сигнал имеет постоянную частоту и фазу, зависящую от расстройки в процессе качания
ГКЧ-1 относительно ГКЧ-2.
Измерение коэффициентов передачи
испытуемых смесителей основано на модели "идеального смесителя",
имеющего коэффициент передачи равный единице. В таком смесителе уровни входного
и преобразованного сигналов равны. Если такой смеситель включить вместо
испытуемого и установить
равные уровни сигнала СВЧ на его входе и
сигнала ПЧ на входе смесителя опорного канала СМПЧ-2, то индикатор И,
являющийся измерителем отношений, покажет нуль дБ.
Если после этого вместо идеального смесителя
включить реальный, имеющий коэффициент передачи отличный от единицы, то
индикатор И покажет его истинный коэффициент передачи.
Для создания такого рабочего режима,
измеритель мощности ИМ переключателями П1, П2 и ПЗ поочередно подключается либо
к выходу генератора ГКЧ-1, либо к выходу опорной частоты БОЧ, равной первой
ПЧ1, и с его помощью устанавливается равенство сигналов на входе испытуемого
смесителя и смесителя СМПЧОК. "Идеальный смеситель" можно создать,
установив уровень сигнала СВЧ на входе испытуемого смесителя СмХ и смесителя
первой ПЧ1 опорного канала от БОЧ равными друг другу с помощью другого
устройства, исключив при этом измеритель мощности ИМ.
Затем переключателями П1 и П2 сигналы
подаются непосредственно на входы испытуемого смесителя СмХ и смесителя
опорного канала СМПЧ-2, преобразуются в сигналы второй ПЧ2 и поступают на входы
индикатора И, который измеряет коэффициент передачи испытуемого смесителя.
1.2
Особенности теоретического анализа смесителей СВЧ
В схеме, приведенной на рисунке 2,
наблюдение АЧХ и измерение модуля одиночного смесителя происходит относительно
постоянного по амплитуде сигнала первой ПЧ1 от блока опорных частот,
подаваемого на вход СМПЧОК и играющего роль эталонного.
Наблюдение ФЧХ и измерение фазы
коэффициента передачи испытуемого смесителя в такой схеме производится
относительно фазочастотной характеристики СВЧ-тракта, входящего в систему
ФАПЧ-1. Тракт ФАПЧ-2 работает при постоянной ПЧ2 и поэтому влияния на
результаты измерения фазы не оказывает.
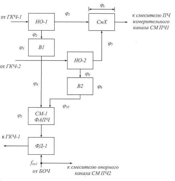
На рисунке 3 представлена часть структурной схемы, приведенной на
рисунке 2, в виде электрического тракта ФАПЧ-1, которая определяет ФЧХ
измерительного прибора. Сдвиги фаз в отдельных участках тракта обозначены как
. Направленные ответвители НО-1 и НО-2 являются делителями,
образующими измерительный фазовый мост, в одно плечо которого включен
испытуемый смеситель СмХ, а в другое - первый смеситель системы ФАПЧ, СМ-1
ФАПЧ, который играет роль опорного. Равенство фаз сигналов входной и опорной
промежуточных частот в фазовом детекторе системы ФАПЧ отвечает тождеству:
, (1)
где
- фаза сигнала опорной частоты.
Часть сигнала опорной частоты ФД-1 используется и в качестве опорного
в схеме, поэтому при линейной ФЧХ прибора и равных фазах сигналов входных
промежуточных частот на входах смесителей ПЧ1 измерительного и опорного каналов
необходимо выполнение тождества:

, (2)
где
- сдвиг фаз в испытуемом смесителе.
Из приведенного анализа следует, что наблюдение и измерение ФЧХ
испытуемого смесителя СмХ в любом случае требует применения
"эталонного" опорного смесителя, обладающего, по крайней мере,
линейной ФЧХ.
Кроме того, из этого же анализа следует, что наблюдение и
измерение ФЧХ испытуемого смесителя СмХ в любом случае требует
применения измерительного фазового моста. Этот мост может быть выполнен либо в
виде отдельного узла схемы измерительного прибора, либо совмещать и другие
функции, как, например, в случае схемы с одиночным смесителем.
- линейные сдвиги фаз в соответствующих СВЧ-трактах;
- сдвиги фаз в развязывающих ферритовых
вентилях СВЧ В1 и В2;
- сдвиги фаз в первом смесителе системы
ФАПЧ-1 и в исследуемом смесителе СмХ
Рисунок 3 - Часть тракта прибора, определяющая его ФЧХ
Схема прибора с измерительным фазовым мостом в виде отдельного
узла приведена на рисунке 4 и в [7]. Работа ее аналогична вышеописанной и
поэтому особых пояснений не требует.
Рис. 4.
Достаточно информативным, дающим к тому же вполне
удовлетворительные результаты, особенно для решения инженерных задач, является
метод, основанный на представлении испытуемого устройства эквивалентным
четырехполюсником, описываемым одной из систем параметров, чаще всего z, у или s
- в диапазоне СВЧ. В этом
случае исследование особенностей прохождения по цепи сигналов сводится к
анализу поведения комплексного коэффициента передачи испытуемого устройства как
функции амплитуды и частоты этого сигнала.
Преобразователь частоты - это шестиполюсник, который приведен на
рисунке 5, где Uc - напряжение сигнала, определяемое формулой
; Uг - напряжение гетеродина, определяемое формулой
и являющееся функцией мощности гетеродина Ргет;
- напряжение сигнала ПЧ;
- сдвиг фаз, вносимый во входной сигнал
в процессе его гетеродинного преобразования в сигнал
.
Рисунок 5 - Преобразователь частоты как шестиполюсник
Мощность гетеродина Ргет определяет рабочую
точку на ВАХ нелинейного элемента смесителя и все его основные технические
характеристики. Известно, что в этом случае даже для второго порядка малости
напряжение входного сигнала Uc и
напряжение сигнала ПЧ
находятся в линейной зависимости. Таким образом, гетеродин есть
неотъемлемая часть преобразователя частоты, в ряде случаев совмещен с ним
электрически и составляет единую конструкцию. В дополнение к этому, с развитием
интегральной техники СВЧ, смеситель вместе с его гетеродином, входными СВЧ и
выходными ПЧ фильтрами, усилителями СВЧ и ПЧ и другими узлами, часто
представляют собой единый неразъемный модуль. В этом модуле выделить для
регулировки, настройки и испытаний какую-либо часть, в том числе и смеситель, часто
невозможно чисто технически. С этих позиций преобразователь частоты можно
рассматривать как СВЧ-устройство с преобразованием частоты и отнести его к
классу четырехполюсников.
Сигналы на входе и выходе смесителей имеют разные частоты, поэтому
сравнение их фаз некорректно. Долгое время сдвиг фаз, возникающий в испытуемом
смесителе при гетеродинном преобразовании частоты, определялся путем его
сравнения с фазовым сдвигом другого смесителя, принятого в качестве эталонного,
при подаче на их входы когерентных сигналов одинаковой частоты. Действительная
же величина фазового сдвига эталонного смесителя была неизвестна. Не
существовало способов ее расчета и измерения.
Поэтому в дальнейшем для характеристики сдвигов фаз, вносимых
самим испытуемым смесителем в процессе гетеродинного преобразования частоты
входного сигнала в сигнал промежуточной частоты, для отличия его от других
фазовых сдвигов будем называть действительным (истинным) сдвигом фаз.
1.3
Анализ схем построения приборов для испытания смесителей
Основным элементом в двухканальных схемах
построения приборов для измерения комплексных коэффициентов передачи смесителей
является измерительный фазовый мост - ИФМ, обобщенная структурная схема
которого с узлами, обеспечивающими процесс измерений, приведена на рисунке 4.
Полезно отметить, что ИФМ может измерять
только комплексные коэффициенты передачи и не может измерять комплексные
коэффициенты отражения так как не содержит устройств, реагирующих на отраженную
волну. Общий анализ измерительного фазового моста (ИФМ) наиболее целесообразно
производить с помощью графов [9], [10], которые наиболее полно и, главное,
наглядно отражают электрические связи, имеющие место в ИФМ.
Все узлы, составляющие ИФМ, могут быть
представлены многополюсниками:
делители СВЧ
и
- шестиполюсниками;
направленные ответвители НО-1, НО-2 и балансные смесители -
восьмиполюсниками.
Такие представления более полно отражают электрические связи в
этих узлах, влияющие на их работу. Линии передачи - электрические тракты,
связывающие отдельные узлы, представлены в виде четырехполюсников.
Каждый из перечисленных СВЧ-узлов в работе [11] характеризуется
своим ориентированным графом, связи в котором описываются с помощью матриц
рассеяния в системе s-параметров. Такое описание наиболее полно
тражает физические процессы, происходящие в СВЧ-узлах.
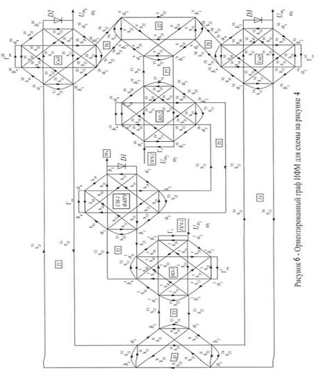
Ориентированный граф, описывающий структурную схему ИФМ изображен
на рисунке 6.
Все s-параметры есть величины комплексные, т.е.
характеризуемые модулем и фазой. Поэтому при конкретных вычислениях сумм и
произведений коэффициентов передачи необходимо учитывать вид слагаемых и
сомножителей, т.е. представляют ли они усиление или ослабление.
Работа измерительного фазового моста достаточно подробно описана в
литературе [12], но вводимые при этом допущения и упрощения не позволяют учесть
ряд важных моментов, возникающих только при испытании смесителей.
Основная особенность состоит в наличии паразитных связей на
промежуточной частоте испытуемого смесителя, возникающих между ним и опорным
смесителем, из-за прохождения сигналов по цепям, связывающим; сигнальные и
гетеродинные входы этих смесителей, и как следствие, значительное их влияние на
результаты измерений, тем более в широком диапазоне ПЧ.
Рис. 6.
Для испытуемого смесителя СмХ идеальный путь передачи сигналов
выражается произведением:

,
(4)
где
- передача пути от точки
- входа НО-1 от ГКЧ-1 сигналов с частотой
к точке
- входа сигнала испытуемого смесителя СмХ;
- передача первичного канала НО-1 от входа до выхода для сигналов
частоты
;
- передача тракта, соединяющего выход первичного канала НО-1 и
вход делителя Д1;
- передача пути первого из двух каналов делителя Д1;
- передача тракта, соединяющего выход одного из двух каналов
делителя со входом испытуемого смесителя СмХ.
Примем
= - 0,2 дБ;
= - 0,2 дБ;
= - 3 дБ;
= - 0,2 дБ, подставим их в (4) и получим, что
= - 3,6 дБ.
С учетом неоднородностей в тракте, характеризуемых коэффициентами
отражений и учитываемых с помощью правила формулы Мэзона, получим, что:
, (5)
где
- передача пути
с учетом неоднородностей;
,
Гг - коэффициент отражения от входа ГКЧ-1;
- коэффициент
отражения согласованной нагрузки НО-1.
Остальные контуры, прилегающие к пути
, в том числе и более высоких порядков,
составляемых в соответствии с формулой Мэзона, ввиду их пренебрежимой малости
не учитываются.
Примем
Получим, что
l = 1,08 и тогда (5) будет равно:
дБ.
Таким образом, с учетом неоднородностей коэффициент передачи s увеличивается на 0,6 дБ или на 16 %.
Из анализа
1 нетрудно убедиться, что учет контуров
высших порядков при переходном ослаблении НО-1,
и развязке Д1,
, составляющих не менее 20 дБ, увеличивает значение
1 на величину не более 15 %.
Кроме основного сигнала
на нелинейный элемент испытуемого смесителя D2 могут прийти дополнительные (паразитные) сигналы этой же частоты,
но за счет других путей - паразитных электрических связей. Проанализируем эти
пути, которые можно назвать паразитными каналами приема.
. Паразитный канал прохождения сигнала
из опорного смесителя СмО через развязку
делителя Д2 на гетеродинный вход испытуемого смесителя.
Даже в случае отсутствия сигнала частоты
на входе испытуемого смесителя этот
сигнал, смешиваясь на нелинейном элементе D2 с
сигналом частоты
вызовет появление на выходе этого смесителя сигнала ПЧ частоты
. Путь этого сигнала запишется в виде:
, (6)
где
- передача пути от точки
входа НО-1 от ГКЧ-1 сигналов с частотой
к точке
нелинейного элемента D2
смесителя СмХ;
передачи трактов СВЧ, соединяющих узлы ИФМ;
- передача пути второго из двух каналов делителя Д1;
- развязка канала сигнал-гетеродин опорного смесителя СмО;
- развязка между противоположными входами делителя Д2 для сигнала
;
- развязка канала гетеродин-сигнал смесителя СмХ на частоте
;
здесь
- коэффициент отражения D2.
При составлении выражения (6) в числителе вообще не учтены не
касающиеся контуры, а в знаменателе - все контуры выше первого ввиду их
численной малости.
Примем все передачи трактов равными
дБ,
передачу делителя Д1 -
и делителя Д2 -
равными минус 3 дБ для сигналов
;
развязки каналов сигнал-гетеродин
и гетеродин-сигнал
равными
минус 20 дБ;
развязки
минус 20 дБ;
величины всех коэффициентов отражений за исключением Гг
и SD2 равными 0,09 (KcmU= 1,2);
величину Гг, как и ранее в (5), равной 0,2, a SD2 - 0,54.
Подставив эти значения в (6), получим, что:
дБ.
Без учета 
= - 64 дБ, т.е. наличие неоднородностей в тракте снижает передачу
пути на минус 4 дБ. Передача этого пути в значительной мере определяется
величиной развязки опорного и испытуемого смесителей. Развязка, обеспечиваемая
только делителем Д2 между испытуемым и опорным смесителями, как видно из (6),
не превышает 20 дБ. Таким образом, это самый опасный путь прохождения сигнала
на вход испытуемого смесителя.
. Паразитный канал прохождения сигнала частоты
через вторичный канал НО-1, смеситель
системы ФАПЧ СМ1 ФАПЧ, из вторичного в первичный канал НО-2 и через делитель Д2
либо на гетеродинный вход испытуемого смесителя СмХ, либо на гетеродинный вход
опорного смесителя СмО.
Коэффициенты передачи обоих путей одинаковы, поэтому
проанализируем путь в опорный смеситель
(СмО), который является стационарным для ИФМ. Передача этого пути запишется в
виде:
, (7)
где
- передача пути для сигнала
через переходное ослабление НО-1, смеситель СМ1 системы ФАПЧ,
направленность НО-2 и делитель Д2 к нелинейному элементу D3 смесителя СмО;
s43 -
переходное ослабление НО-1 из первичного во вторичный канал для сигнала
;
развязка
канала сигнал-гетеродин опорного смесителя СмО;
развязка между входами для сигнала Ю] и со2 смесителя
СМ1 ФАПЧ;
направленность НО-2 для сигнала
;
переходное
ослабление со входа на один из двух выходов делителя Д2 для сигналов
;
коэффициент передачи для сигнала
с гетеродинного входа СмО к его нелинейному элементу D3;
сумма контуров по формуле Мэзона.
Примем передачи контуров Т2, ТЗ, Т5, Т7, Т8 как и при вычислении
(6):
переходное ослабление НО-1 s43 равно минус 0,2 дБ;
развязка
равна минус 30 дБ;
направленность НО-2
равна минус
30 дБ;
переходное ослабление
равно минус 3 дБ;
коэффициент передачи s34 равным минус 1 дБ;
все коэффициенты отражений, за исключением
и
равными 0,09, а
и
равными 0,54.
Подставив их значения в (7), можно найти,
что:
дБ.
Передача пути без учета снижающего фактора за счет
составит 81,8 дБ. Следовательно, это путь
наименьшего влияния паразитного канала приема на результаты измерений и в
дальнейшем его можно не учитывать ввиду малости.
Величина передачи пути аналогичного канала приема для испытуемого
смесителя имеет ту же величину, что и для опорного смесителя СмО.
Остальные передачи паразитных путей, в том числе и для сигналов
, имеют аналогичный порядок малости, их
влияние на погрешности измерений крайне незначительно, и поэтому их анализ не
представляет интереса. Наибольшую опасность при испытании смесителей в схемах с
ИФМ представляют паразитные связи по промежуточной частоте
между испытуемым и опорным смесителями
СВЧ. Особенно сильно эти связи проявляются в случае, если
значительно меньше, чем
и
. В этом случае величины развязок Д1
и Д2
могут снижаться до 10 дБ, а в некоторых
случаях и меньше. Оценим величины коэффициентов передачи на частоте
наиболее опасных каналов для прохождения
паразитных сигналов.
Путь паразитного канала между испытуемым и опорным смесителями
через делитель Д2 на частоте
Передача этого пути на частоте
от нелинейного элемента D3 к
нелинейному элементу D2 может быть записана в виде:
, (8)
где
- передача пути от точки
нелинейного элемента D3,
где образуется сигнал
;
коэффициент передачи нелинейного элемента D3 для сигнала
;
величина развязки "выход ПЧ - вход гетеродина" опорного
СВЧ-смесителя;
величина развязки между выходами делителя Д2 для сигнала
;
передача пути от входа гетеродина испытуемого смесителя до
нелинейного элемента D2;
передачи
трактов СВЧ, соединяющих узлы ИФМ;
сумма контуров по формуле Мэзона.
Примем, что:
дБ,
дБ на частоте
,
дБ,
дБ,
.
Подставим эти значения в (8) и получим:
дБ.
Без учета
дБ.
Величина коэффициента передачи пути канала из испытуемого в
опорный смеситель имеет аналогичный коэффициент передачи, т.е. не более минус 40
дБ. Здесь необходимо отметить следующее: значительную часть коэффициента
передачи составляет величина развязки "выход ПЧ - вход гетеродина"
опорного СВЧ-смесителя;
коэффициент
не равен коэффициенту передачи - потерям
преобразования нелинейного элемента D2 сигнала
в сигнал
.
Путь паразитного канала между испытуемым и опорным смесителями на
частоте
через делитель Д1 может быть записан в
виде:
, (9)
где
- передача пути от точки
сигнала
от нелинейного элемента D3,где
образуется этот сигнал, до точки
выхода ПЧ
измерительного канала;
передача пути от нелинейного элемента D3 для
сигнала
, на вход опорного СВЧ-смесителя;
передачи
трактов СВЧ, соединяющих узлы ИФМ;
величина развязки между выходами делителя Д1 для сигнала
;
передача пути от сигнального входа испытуемого смесителя до его
нелинейного элемента D2;
коэффициент
передачи нелинейного элемента D3 для сигнала
;
сумма контуров по формуле Мэзона.
Примем, что
дБ,
дБ,
дБ,
составляет - 10 дБ,
, подставим эти значения в (9) и получим:
дБ. Без учета
дБ.
Из шести проанализированных паразитных каналов приема наиболее
опасным является канал между испытуемым и опорным смесителями СВЧ через
делитель сигнала гетеродина Д2 для промежуточной частоты
этих смесителей.
Как было показано выше (8), (9), степень связи в значительной мере
определяется величиной развязки между сигнальными выходами делителя Д2 на
частоте
.
Электрические характеристики делителей сигналов в основном
определяются их электрической схемой построения и конструктивным исполнением
этой схемы.
Из приведенного на рисунке 6 ориентированного графа видно, что для
получения малых потерь преобразования в испытуемом смесителе необходимо, чтобы
путь
имел возможно меньшие потери, а с целью
уменьшения величины сигнала на сигнальном входе смесителя величина пути
должна быть возможно большей.
Следовательно, шестиполюсник, которым может быть представлен любой
смеситель, принципиально должен быть невзаимным для частот
и
.
В двухканальных измерителях отношений опорный канал обычно
стандартный, поэтому общую чувствительность такого измерительного приемника
следует оценивать по величине чувствительности именно этого канала.
Чувствительность опорного канала определяется уровнем его
собственных шумов на сопротивлении нагрузки первого УПЧ, из-за нелинейности их
ФЧХ после второго преобразования частоты. Выше было показано, что при
переменной первой ПЧ между первым смесителем СВЧ опорного канала и вторым
смесителем первой ПЧ опорного канала нельзя включать УПЧ, из-за неидентичности
нелинейностей их ФЧХ, поэтому он может быть включен только после второго
смесителя ПЧ опорного канала. Именно по этой причине чувствительность всего
опорного канала определяется уровнем мощности шумов на его входе. На основании
этого тракт опорного канала определяет общую предельную чувствительность
прибора в целом и может быть представлен структурной схемой, приведенной на
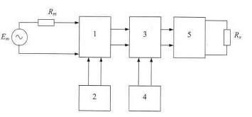
рисунке 7, где
эквивалентная ЭДС шума на входе смесителя
СВЧ опорного канала, Rш -
его шумовое
сопротивление; 1 - смеситель СВЧ опорного канала с коэффициентом передачи К1 и
собственной шумовой температурой
;
2 - гетеродин
СВЧ - источник дополнительных шумов в смесителе 1, характеризуемой своей
собственной шумовой температурой
; 3 - смеситель ПЧ опорного канала с коэффициентом передачи К2 и
собственной шумовой температурой t2; 4 - гетеродин СВЧ - источник
дополнительных шумов в смесителе 3, характеризуемой своей собственной шумовой
температурой tr2; 5 - усилитель второй промежуточной частоты с
коэффициентом передачи Купч и собственной шумовой
температурой tym.
Полная мощность шума на сопротивлении нагрузки RH определяется известным выражением:
, (10)
где K1, K2 - потери преобразования смесителей 1 и 3;
Kyпч - коэффициент усиления УПЧ 5;
эквивалентные шумовые температуры смесителей 1 и 3;
эквивалентные шумовые температуры, характеризующие уровни шумов,
вносимых в смесители от гетеродина СВЧ и первой ПЧ соответственно.
Рисунок 7 - Схема одного приемного канала индикатора отношений
прибора
для расчета коэффициента шума
Исходя из реальных величин электрических характеристик макета
прибора, можно принять их следующие значения:
дБ;
дБ;
дБ;
дБ;
Гц;
Гц.
При вычислении суммы выражения (10) примем во внимание, что
перемножение его коэффициентов, выраженных в дБ, должно быть заменено их
сложением. С учетом этого получим:
Вт. (11)
Потребуем, чтобы превышение сигнала над шумом на сопротивлении RH было не менее 6 дБ, т.е.4 раза. В этом
случае реальная максимальная чувствительность всего прибора составит не менее
10-9 Вт. Максимальный уровень сигнала от двухчастотного генератора
зондирующих сигналов у приборов групп Р2 и Р4 не превышает 10-4 Вт.
В этом случае динамический диапазон амплитуд прибора составит 50 дБ.
2.
Особенности измерения истинных сдвигов фаз, возникающих в смесителях при
преобразовании частоты
Все, рассмотренные ранее структурные схемы
построения измерительных приборных комплексов для испытания характеристик
смесителей, как уже отмечалось выше, способны определять только их
относительный сдвиг фаз. Это определение сдвига фаз предполагает измерение
испытуемого смесителя относительно опорного. При таких измерениях сама абсолютная
(действительная) величина сдвига фаз, которую вносит опорный смеситель в
диапазоне частот в преобразующий им сигнал, неизвестна.
Однако, законы изменения фазовых сдвигов с
изменением частоты и уровней сигналов в смесителях отличаются от линейных. Это
изменение столь велико, что приводит к существенному искажению передаваемой
информации. Нелинейность сдвигов фаз для разных гармонических составляющих
сложного сигнала эквивалентна непропорциональному времени их задержки
относительно друг друга в процессе гетеродинного преобразования, что и приводит
в конечном итоге к его искажениям.
Измерение сдвига фаз испытуемого смесителя
относительно опорного не решает проблемы, так как истинный закон изменения
сдвигов фаз опорного смесителя также не известен. Существующие методы измерения
сдвигов фаз, как уже было отмечено выше, эту задачу решить не могут.
В связи с этим возникла настоятельная
потребность разработки теоретических основ методов определения, в первую
очередь действительного значения сдвига фаз, вносимого смесителем во входной
сигнал в процессе его гетеродинного преобразования в сигнал ПЧ.
2.1
Анализ технических возможностей измерительного фазового моста
Одним из основных узлов всех приборов,
построенных по предлагаемому методу, является измерительный фазовый мост (ИФМ),
который в значительной мере и определяет его рабочий диапазон частот,
динамический диапазон амплитуд, пределы и погрешности определения комплексных
коэффициентов передачи испытуемых смесителей.
В этой связи необходимо проанализировать возможности
ИФМ, особенно применительно к измерению сдвигов фаз смесителей.
Для измерения действительного сдвига фаз,
вносимого испытуемым смесителем во входной сигнал при его гетеродинном
преобразовании в сигнал промежуточной частоты необходим второй опорный
(эталонный) смеситель.
Эти два смесителя подвергаются двум видам
испытаний, при одном определяется разность, а при другом - сумма сдвигов фаз,
вносимых смесителями в сигнал промежуточной частоты (ПЧ) в процессе
гетеродинного преобразования частоты.
После этого может быть вычислен
действительный сдвиг фаз любого из смесителей.
Если вычислить ФЧХ опорного смесителя, он
может в дальнейшем использоваться для измерения действительного сдвига фаз
любого испытуемого устройства, содержащего преобразователь частоты.
При этом необходимо, чтобы рабочий режим
опорного смесителя не менялся по сравнению с тем, для которого была вычислена
его ФЧХ, особенно уровень мощности сигнала гетеродина.
В случае реализации структурных схем
включения испытуемого и опорного смесителей, приведенных на рисунке 7 для
определения разности и суммы их сдвигов фаз уровень сигнала на входе
испытуемого смесителя меняется на величину коэффициента передачи опорного
смесителя. Коэффициент передачи испытуемого смесителя может быть больше и меньше
единицы.
Для диодного смесителя он меньше, а для
транзисторного больше единицы.
Кроме того, испытуемое СВЧ-устройство,
содержащее преобразователь частоты - смеситель, может содержать ряд других
узлов: фильтры, аттенюаторы, УПЧ и т.д. и выполняться, как уже отмечалось
ранее, в виде неразъемного модуля.
В любом случае это приводит к изменению
рабочего режима испытуемого и опорного смесителей.
С целью снижения или полного исключения
этого изменения в ИФМ необходимо включить последовательно соединенные
аттенюатор и усилитель. Такие узлы должны компенсировать изменение уровня
мощности сигнала при переходе от одной схемы соединения ИФМ к другой.
Для выявления особенностей построения ИФМ
при измерениях суммы и разности сдвигов фаз смесителей на рисунках 8, 9 и 10
приведены структурные схемы ИФМ в этих режимах.
Анализ этих схем позволяет наглядно
выявить перечень узлов, которые необходимо включать в ИФМ в режимах измерения
суммы и разности фаз.
сдвиг фаз в полосовом фильтре;
сдвиг фаз в аттенюаторе;
сдвиг фаз в усилителе;
сдвиг фаз в испытуемом смесителе;
сдвиг фаз в опорном смесителе;
сдвиг фаз в смесителе ПЧ измерительного канала;
сдвиг фаз в смесителе ПЧ опорного канала.
Рисунок 8 - Структурная схема включения смесителей для измерения
разности фаз
Потери преобразования серийно выпускаемых смесителей не превышают
10 дБ, поэтому коэффициент усиления усилителя не может быть меньше этой
величины. В случае испытания смесителя с коэффициентом передачи больше единицы
для сохранения уровней сигналов неизменными на его входах и входе опорного
смесителя требуется применение аттенюатора. Однако в этом случае, как видно из
структурных схем, приведенных на рисунках 9 и 10, существенно меняется рабочий
режим самого опорного смесителя. Поэтому представляется более целесообразным
применение в качестве опорного именно диодного смесителя, имеющего коэффициент
передачи меньше единицы. При соединении смесителей в ИФМ для измерения разности
сдвигов фаз уровень сигнала на входе усилителя увеличивается, что приводит к
изменению уровня сигнала на входе испытуемого смесителя, для компенсации
которого последовательно с усилителем и надо включить аттенюатор.
Когда реализуется схема измерения суммы сдвигов фаз, приведенная
на рисунке 10, на входе опорного смесителя возникают комбинационные паразитные
сигналы, лежащие в рабочем диапазоне частот прибора. С целью снижения влияния
комбинационных частот на процесс измерений после опорного смесителя в схеме
измерения суммы фаз (рисунок 10) перед усилителем желательно включить полосовой
фильтр, перестраиваемый в диапазоне частот. Структурные схемы ИФМ, приведенные
на рисунках 9 и 10 содержат все эти дополнительные узлы. Сдвиги фаз, вносимые
отдельными узлами, отмечены около их изображений символами
При измерении разности сдвигов фаз индикатор отношений прибора
зафиксирует величину:
, (12)
где
геометрические длины трактов.
В случае измерения суммы сдвигов фаз индикатор отношений
зафиксирует величину:
. (13)
Фазовый сдвиг, вносимый каждым из отдельных узлов, включенных в
ИФМ на рисунках 9 и 10, можно рассматривать как сумму линейной и нелинейной
части, т.е.
Тогда полный сдвиг фаз, вносимый отдельными узлами, можно
представить в виде:
фазовый сдвиг полосового фильтра;
фазовый сдвиг аттенюатора;
фазовый сдвиг усилителя;
фазовый сдвиг испытуемого смесителя;
фазовый сдвиг опорного смесителя;
фазовый сдвиг смесителя первой ПЧ измерительного канала;
фазовый сдвиг смесителя первой ПЧ опорного канала.
С целью компенсации электрических длин узлов и трактов СВЧ,
входящих в измерительный фазовый мост, при измерении разности сдвигов фаз
необходимо выполнение следующего условия:
. (14)
При измерении суммы сдвигов фаз для аналогичных целей требуется
выполнение условия:
. (15)
Из полученных тождеств следует, что перед измерениями испытуемого
и опорного смесителей в составе ИФМ необходимо предварительно скомпенсировать
электрические длины СВЧ-трактов и первой ПЧ отдельно в каждой из структурных
схем на рисунках 9 и 10.
Только при условии равенства электрических длин трактов может быть
вычислен действительный сдвиг фаз смесителей. Исходя из структурных схем,
приведенных на рисунках 9 и 10, можно утверждать, что для случая измерения
разности сдвигов фаз по схеме на рисунке 10 индикатор отношений покажет
величину:
. (16)
При измерении суммы сдвигов фаз индикатор отношений зафиксирует
величину:
. (17)
После этого, вычислив разность
, (18)
можно найти, что
, откуда
. (19)
Из полученных выражений видно, что при вычислении разности (А -
В) фазовые сдвиги последовательно соединенных полосового фильтра,
аттенюатора и усилителя взаимно компенсируются. Однако это возможно только в
случае, если сами фазовые сдвиги вышеупомянутых узлов не меняются в процессе
реализации схем для измерения суммы и разности сдвигов фаз.
На рисунке 10 показано включение усилителя, аттенюатора и
полосового фильтра в опорный канал ИФМ. При таком включении измерение суммы и
разности сдвигов фаз производится с помощью переключателей П1 и П2. Как видно
из этого рисунка, при переходе от измерения разности к измерению суммы сдвигов
фаз вход сигнала СВЧ опорного смесителя начинает играть роль источника
преобразованного сигнала для испытуемого смесителя. Следовательно, направление
сигнала меняется на обратное. В этом случае вход и выход компенсирующего
усилителя СВЧ надо поменять местами. Это приводит к необходимости
дополнительного введения в схему ИФМ еще двух переключателей СВЧ, это усложняет
схему и вносит дополнительную погрешность рассогласования.
Вышеприведенный анализ позволяет разработать полную структурную
схему построения ИФМ. Схема построения ИФМ с переключателями СВЧ,
обеспечивающими выполнение режимов измерения суммы и разности сдвигов фаз
смесителей, приведена на рисунке 11. В этой схеме полосовой фильтр, аттенюатор
и усилитель постоянно включены в измерительный тракт испытуемого смесителя.
Однако применение усилителя ограничивает измерительные возможности ИФМ и всего
прибора в целом. Это связано с эффектом насыщения усилителя и, таким образом,
ограничением динамического диапазона усиливаемых амплитуд. Кроме того,
усилитель может служить источником дополнительных комбинационных помех и
паразитных частот.
Возможности ИФМ в полной мере используются только при измерении
фазовых сдвигов и наблюдения ФЧХ устройств, содержащих преобразователь частоты.
Измерение же коэффициента передачи устройств, содержащих смеситель, может
выполняться одним из известных методов [14]. Однако в случае применения ИФМ
наиболее целесообразным, не требующим дополнительных затрат, является способ,
основанный на измерении суммы и разности коэффициентов передачи испытуемого и
опорного смесителей, который получается как следствие при измерении
действительного сдвига фаз смесителей.
2.2
Пути повышения точности устройств для определения комплексных коэффициентов
передачи смесителей
Ранее было показано, что присутствие в
составе ИФМ усилителя сужает динамический диапазон измеряемых амплитуд, а при
неблагоприятных условиях измерений вносит и существенную погрешность в
измерение сдвигов фаз. Наличие большого количества узлов СВЧ в составе ИФМ с
собственными KcmU является главным
источником погрешности измерений при испытаниях смесителей. С целью снижения
погрешности измерений применяется структурная схема, содержащая два опорных
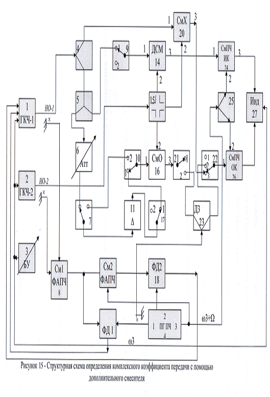
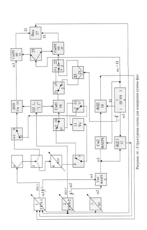
смесителя в дополнение к испытуемому смесителю [16]. Структурная схема
устройства для определения комплексных коэффициентов передачи смесителей с
использованием двух опорных смесителей приведена на рисунке 12.
Устройство содержит: генератор качающейся
частоты 1 (ГКЧ-1) и 2 (ГКЧ-2), блок их управления 3 (БУ); первый делитель
сигнала 4 (Д1); второй делитель сигнала 5 (Д2); аттенюатор 6 (Ат);
переключатель 7 (П1); смеситель ФАПЧ-1, 8 (СМ ФАПЧ-1); переключатели 9 (П1) и
10 (П2); усилитель 11 (УС); смеситель ФАПЧ-2, 12 (СМ ФАПЧ-2); первый фазовый
детектор 13 (ФД-1); дополнительный смеситель 14 (ДСм); делитель 15; опорный
смеситель 16 (СмО); переключатель 17 (П4); второй фазовый детектор 18 (ФД-2);
перестраиваемый генератор опорных промежуточных частот 19 (ПГПЧ); испытуемый
смеситель 20 (СмХ); переключатель 21 (П5); делитель 22 (ДЗ); переключатель 23
(П6); смеситель ПЧ измерительного канала 24 (СмПЧик); делитель 25 (Д4);
смеситель ПЧ опорного канала 26 (СмПЧок); индикатор 27 (И); направленные
ответвители НО-1, НО-2 и НО-3. Устройство работает следующим образом. Работа
ГКЧ-1 и ГКЧ-2 с блоком управления 3 аналогична работе в схеме на рисунке 12, т.е.
они могут работать в режиме постоянной ПЧ (режим а на рисунке 2) и
режиме переменной ПЧ (режим б на рисунке 2). Эти режимы обеспечиваются
двумя системами ФАПЧ - ФАПЧ-1 и ФАПЧ-2, приведенных на рисунке 12.
Источником опорных и вспомогательных
частот на рисунке 12, как и на рисунке 12, служит перестраиваемый генератор
опорных промежуточных частот 19. Вся система с ГКЧ-1 и ГКЧ-2, блоком их
управления и двумя системами ФАПЧ вместе с перестраиваемым генератором опорных
промежуточных частот образуют источник зондирующих сигналов для испытуемых
смесителей.
При каждом новом включении устройства в
самом начале производится его калибровка, цель которой состоит в определении
действительной АЧХ и ФЧХ дополнительного смесителя 14 (ДСМ). После этого они
заносятся в память индикатора и по мере необходимости воспроизводятся на экране
его электронно-лучевой трубки (ЭЛТ). Если электрический режим работы и
температурный режим дополнительного смесителя не меняется, то режим калибровки может
быть исключен.
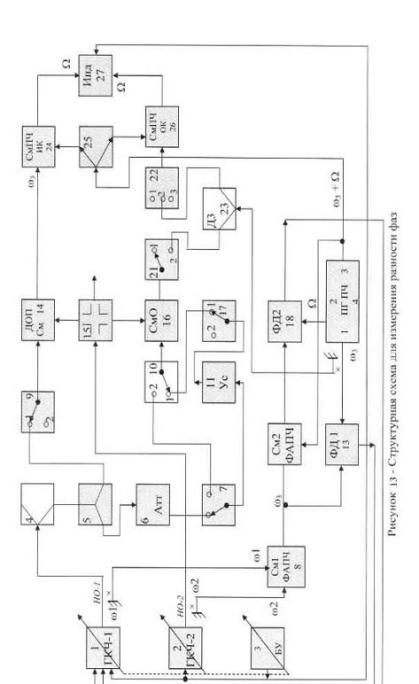
Устройство, приведенное на рисунке 12,
имеет три режима работы. Каждый из этих режимов отличатся структурными схемами,
коммутируемыми переключателями П1, П2, ПЗ, П4, П5, П6 и используемыми узлами
общей схемы на рисунке 18. Поэтому каждый из этих трех режимов целесообразно
представить в виде отдельных структурных схем, приведенных на рисунках 13,14 и
15, на которых работающие в данном режиме узлы заштрихованы. Устройство,
приведенное на этих рисунках, имеет следующие режимы работы.
Режим для измерения разности сдвигов фаз
опорного 16 и дополнительного 14 смесителей (рисунок 13).
Режим для измерения суммы сдвигов фаз
опорного 16 и дополнительного 14 смесителей (рисунок 14).
Режим для измерения комплексных
коэффициентов передачи испытуемого смесителя 20 (рисунок 15).
Первый режим для измерения разности
сдвигов фаз смесителей, приведенный на рисунке 13, реализуется в положении 1
переключателей 7, 9, 10, 17, 21, 23 в схеме на рисунке 12. В этом режиме
делитель 23 и испытуемый смеситель 20 не используются, и определяется разность
фаз между дополнительным 14 и опорным 16 смесителями как и в случае,
рассмотренном ранее при описании рисунка 12.
В положении 2 переключателей 7, 9, 10, 17,
21, 23 на рисунке 12 реализуется схема для измерения суммы сдвигов фаз опорного
16 и дополнительного 14 смесителей. Эта структурная схема приведена на рисунке
14. На входе дополнительного смесителя имеет место сигнал, описываемый
следующим выражением:
, (20)
который после преобразования попадает в индикатор отношений и
аналогично уже описанному дает результат в виде:
. (21)
Действительный сдвиг фаз
, измеренный в диапазоне частот, образует фазочастотную характеристику
дополнительного смесителя, которая может
быть зафиксирована в памяти прибора либо документально любым
другим способом.
После проведения режима калибровки включается режим измерения,
приведенный на рисунке 15, и производится измерение испытуемого смесителя 20.
Для этого все переключатели, кроме переключателя 23,
устанавливаются в положение 1, т.е. реализуется схема измерения разности
сдвигов фаз устройством, а шестой переключатель 22 устанавливается в положение
3.
В этом случае сигнал
разделенный третьим делителем сигналов 4, подается на сигнальный
(первый) вход испытуемого смесителя 20 и первый вход дополнительного смесителя
14, на вторые входы (гетеродинные) которых поступают сигналы со второго ГКЧ-2.
Образовавшиеся сигналы первой промежуточной частоты
подаются с выхода испытуемого смесителя
на первый вход смесителя промежуточной частоты 26 опорного канала, а с выхода
дополнительного смесителя 14 - на первый вход смесителя промежуточной частоты
измерительного канала 24. В смесителях промежуточной частоты измерительного 24
и опорного 26 каналов сигналы первой промежуточной частоты со3
преобразуются в сигналы постоянной промежуточной частоты
, которые поступают с третьего выхода
смесителя 26 на вход измерительного канала, а с третьего выхода смесителя 24 на
вход опорного канала индикатора 27. В индикаторе 27 происходит сравнение
фазочастотных и амплитудно-частотных характеристик испытуемого смесителя 20 с
аналогичными характеристиками дополнительного смесителя 14. В этом режиме
измерительный фазовый мост не содержит ни усилителя 11, ни аттенюатора 6, т.е.
отсутствуют источники больших погрешностей АЧХ и ФЧХ, в дополнение к этому за
счет отсутствия усилителя СВЧ 11 значительно расширяется динамический диапазон
измеряемых амплитуд. Из анализа структурных схем на рисунках 18, 19,20 и 21
видно, что ГКЧ-1 и ГКЧ-2 связаны друг с другом через направленные ответвители
НО-1, НО-2 и смеситель 8 системы ФАПЧ-1. За счет этой связи возможен проход сигналов
первой (переменной) промежуточной частоты ю3 из одного канала ИФМ в
другой, где он будет являться прямой помехой. Его амплитуда в равной степени на
входе испытуемого СмХ, 20, опорного СмО, 16 и дополнительного ДСм, 14
смесителей определяет минимальный полезный уровень сигнала, который еще может
регистрировать измеритель отношений прибора, и, таким образом, устанавливает
динамический диапазон всего измерительного прибора.
Анализ этих связей может быть выполнен с помощью направленного
графа, приведенного на рисунке 16. При построении графа НО-1 и НО-2
представлены в виде симметричных обратимых восьмиполюсников [11].
Любой смеситель, в том числе и системы ФАПЧ-1, может быть
представлен в виде линейного гибридного соединения, к которому присоединены
смесительные диоды с фильтром ПЧ.
Рисунок 16 - Граф связей ГКЧ-1 и ГКЧ-2 между собой
Смеситель ФАПЧ-1 - это генератор сигналов ПЧ
с частотой
3,
амплитуда которых с достаточной для данного случая точностью определяется как
результат перемножения амплитуд сигналов
от ГКЧ-1 и
от ГКЧ-2 на его входах. ГКЧ-2 играет роль
гетеродина и поэтому уровень сигнала первой ПЧ определяется в основном
мощностью меньшего сигнала, т.е. от ГКЧ-1.
Отношение амплитуды сигнала с частотой
, полученного в результате преобразования
входного сигнала от ГКЧ-1
на нагрузке дополнительного смесителя 14,
к амплитуде сигнала, пришедшего на эту же нагрузку от эквивалентного генератора
очевидно и определяет разрешающую
способность прибора к уровням сигнала и в итоге динамический диапазон
измеряемых амплитуд.
При проведении измерений сигнала первой ПЧ с выхода
дополнительного смесителя, играющего роль образцового, сравнивается с
амплитудой и фазой сигнала с выхода испытуемого смесителя. В связи с этим, для
измерений необходимо применять дополнительный смеситель, имеющий равномерную
АЧХ и линейную ФЧХ. Предполагается, что именно такие характеристики имеет
смеситель 14 в графе на рисунке 16.
Из приведенного графа видно, что единственным серьезным
препятствием для прохождения сигнала первой ПЧ
на входы дополнительного и испытуемого смесителей при
коаксиальном варианте электрического тракта является только величина развязки
между входами сигнала и гетеродина самого смесителя 8 для сигналов с частотой
и переходное ослабление НО-1
. Как было показано выше, отношение амплитуд сигналов
и
на нагрузке дополнительного смесителя ограничивает динамический
диапазон всего прибора.
По сравнению с путем прохождения сигнала здесь добавился новый
путь
, это переходное ослабление делителя
сигнала гетеродина 15, которое, как уже было показано ранее, может существенно
различаться для частот
и
. Как и для сигнального тракта, в гетеродинном тракте основным
препятствием для сигналов первой ПЧ является переходное ослабление НО-2.
Из анализа схем на рисунках 12-15 и графа на рисунке 16 можно
увидеть, что система, состоящая из НО-1 и НО-2 совместно со смесителем 8 ФАПЧ-1
образуют часть измерительного фазового моста. К плечам его делителей 2 и 15
вместо
и
может быть присоединен испытуемый смеситель. При этом часть
сигнала первой ПЧ
от смесителя 8 должна быть использована в
качестве опорного для двухканального супергетеродинного приемника
измерительного прибора.
В заключение необходимо отметить, что все рассмотренные схемы
построения приборов для определения действительных значений модуля и фазы
коэффициентов передачи смесителей могут работать в автоматическом режиме
качания частоты. Эти структурные схемы, в сочетании со схемами построения
двухчастотных источников зондирующих сигналов позволяют наблюдать
действительные АЧХ и ФЧХ испытуемых смесителей в панораме, при автоматическом
качании частоты сигнала и гетеродина.
3.
Расчет погрешностей, возникающих при измерениях комплексных коэффициентов
передачи смесителе
Методы расчета погрешностей для измерительных
приборов достаточно полно и подробно изложены в ГОСТ 8.508-84
"Метрологические характеристики средств измерений и точностные
характеристики средств автоматизации ГСП" и в ГОСТ 8.401-80 "Классы
точности средств измерений".
Набольшее распространение для оценки
точности радиоизмерительных приборов СВЧ получил метод, изложенный в [17], при
котором точность измеряемого параметра характеризуется пределом допустимой
относительной основной погрешности измерений:
, (22)
где
систематическая погрешность измерения;
среднеквадратичная
случайная погрешность
, отдельных элементов электрической схемы,
участвующих в измерительном процессе.
Суммарная погрешность измерения модуля и фазы комплексных
коэффициентов передачи устройств с преобразованием (и без преобразования)
частоты (смесителей) складывается из следующих основных частей:
) погрешности измерения фазового моста СВЧ;
) погрешности тракта ПЧ прибора;
) погрешности индикаторного блока;
) неравномерности АЧХ и нелинейности ФЧХ всего измерительного
прибора, которые для большинства приборов составляют ± 0,5 дБ и + 4°
соответственно.
Структурная схема ИФМ, подлежащая анализу погрешностей, показана
на рисунке 17. В процессе измерений исследуемый объект
включается в измерительный канал моста.
Как показано в работе [17], доминирующая погрешность измерения параметров
СВЧ-многополюсников обусловлена переотражениями между плечами исследуемого
объекта и СВЧ-входами измерительного фазового моста (
). Ввиду отсутствия корреляции между этими
составляющими они должны суммироваться геометрически:
. (23)
Погрешность измерения модуля коэффициента передачи вычисляется по
формуле:
, (24)
а погрешность измерения фазы коэффициента передачи - по формуле:
. (25)
Погрешности измерения модуля и фазы коэффициента передачи для ряда
значений
приведены в таблице 1.
Таблица 1 - Погрешности измерения модуля и фазы
коэффициента передачи
|
   , дБ , град
|
|
|
|
|
|
1,1
|
0,05
|
0,007
|
0,06
|
0,4
|
|
1,22
|
0,1
|
0,014
|
0,12
|
0,8
|
|
1,5
|
0,2
|
0,028
|
0,24
|
1,6
|
|
2,0
|
0,33
|
0,046
|
0,39
|
2,66
|
При измерении неидентичности параметров
смесителей сравниваемые объекты включаются в измерительный и опорный каналы
ИФМ. В этом случае возникают переотражения между объектами и мостом как в
измерительном, так и в опорном каналах. При этом погрешность за счет
рассогласования может быть вычислена по формуле:
. (26)
Вычислим погрешности измерения неидентичности модуля и фазы
коэффициента передачи по формулам (24) и (25). Значения погрешности измерения
неидентичности параметров СВЧ-четырехполюсников для ряда значений
приведены в таблице 2.
При наличии корреляции между фазами S-параметров исследуемых объектов, которая может иметь место ввиду
идентичности конструкции объектов, погрешность за счет ИФМ будет снижаться,
т.к. фазовые погрешности измерительного и опорного каналов в этом случае
вычитаются.
Таблица 2 - Погрешности измерения неидентичности параметров
|
   , дБ , град
|
|
|
|
|
|
1,1
|
0,05
|
0,0098
|
0,08
|
0,56
|
|
1,22
|
0,1
|
0,0196
|
0,17
|
1,13
|
|
1,5
|
0,2
|
0,0392
|
0,33
|
2,25
|
|
2,0
|
0,33
|
0,0658
|
0,55
|
3,75
|
При измерениях модуля потерь
преобразования погрешность возникает за счет:
) неточности выравнивания уровней СВЧ на
входе испытуемого смесителя и ПЧ на входе смесителя опорного канала блока
преобразовательного за счет погрешности самого измерителя мощности - ИМ;
) переотражений в тракте СВЧ и ПЧ;
) прохождения паразитных сигналов из
опорного в измерительный канал в блоке преобразовательном;
) неидентичности потерь преобразования
смесителей опорного и измерительного каналов блока преобразовательного;
) погрешности индикаторного блока.
Рассмотрим эти составляющие.
Погрешности измерения мощности прибором
МЗ-51 в его рабочем диапазоне частот 0,02 - 17,85 ГГц определяются формулой:
, (27)
где Pk = 800 мкВт, Рх - уровень
измеряемой мощности.
При Рх = 100 мкВт
= ± 4,7 % или
= 0,2 дБ.
Погрешность за счет переотражений в соединительных трактах
возникает за счет неидеального согласования выходов источников сигналов, входов
смесителей и самих соединительных трактов.
Учитывая, что Гг есть случайные величины с
неизвестными законами распределения, в работе [17] предложены формулы для вычисления
результирующей погрешности за счет рассогласования в виде:
, (28)
при доверительной вероятности 0,997, где k - число
слагаемых погрешностей рассогласования.
При Гно = 0,13; Гбоч = 0,1; Гвыхсм
= Гсмпч = 0,1; ГК = 0,1; Гк2 = Гк3
= 0,05 погрешность рассогласования для ряда значений KcmU испытуемого смесителя приведена в таблице
3.
Таблица 3 - Погрешности за счет рассогласования
испытуемого смесителя
|
  , дБ
|
|
|
|
1,22
|
0,1
|
0,38
|
|
1,5
|
0,2
|
0,11
|
|
2,0
|
0,33
|
0,16
|
Погрешность за счет прохождения сигнала ПЧ из опорного в
измерительный канал в блоке преобразовательном может быть определена из
рассмотрения графа связи между сигнальным входом смесителя ПЧ опорного канала и
гетеродинным входом смесителя ПЧ измерительного канала. Эта развязка больше или
равна минус 65 дБ, т.е.
= 0,000562.
Погрешность за счет прохождения сигнала ПЧ
для ряда значений приведена в таблице 4.
Таблица 4 - Погрешность измерения за счет
прохождения паразитного сигнала
|
N
|
|
|
дБ
|
раз
|
раз
|
дБ
|
|
0
|
1
|
0,005
|
|
|
10
|
0,316
|
0,017
|
|
|
20
|
0,1
|
0,055
|
|
|
30
|
0,0316
|
0,155
|
|
|
40
|
0,01
|
0,47
|
|
Неидентичность коэффициентов преобразования смесителей первой
промежуточной частоты блока преобразовательного - СМПЧИК и СМПЧОК составляет
дБ.
Погрешности измерения модулей коэффициентов передачи - А индикатором
отношений типа Я2Р-70 для ряда значений ослаблений приведена в таблице 5.
Таблица 5 - Погрешность измерения модуля Я2Р-70
|
А, дБ
|
0
|
10
|
20
|
30
|
40
|
|
, дБ0,120,270,420,570,62
|
|
|
|
|
|
Суммарная погрешность измерения модуля
коэффициента передачи одиночного устройства с преобразованием частоты для ряда
значений KcmU и модуля коэффициента передачи приведена в
таблице 6.
Таблица 6 - Погрешности измерения модуля
смесителя
|
 , дБ
|
|
|
|
0
|
10
|
20
|
30
|
40
|
|
1,22
|
0,334
|
0,43
|
0,65
|
0,71
|
0,88
|
|
1,5
|
0,364
|
0,46
|
0,58
|
0,74
|
0,91
|
|
2,0
|
0,414
|
0,51
|
0,63
|
0,79
|
0,96
|
При измерении фазы коэффициента передачи
смесителя погрешность возникает за счет:
) переотражений в тракте СВЧ и ПЧ;
) прохождения паразитных сигналов из
опорного в измерительный канал в блоке преобразовательном;
) неидентичности ФЧХ смесителей опорного и
измерительного каналов блока преобразовательного;
) погрешности индикаторного блока.
Рассмотрим эти составляющие. Погрешность
за счет рассогласования вычисляется по формуле для ряда значений KcmU и приведена в
таблице 7.
Таблица 7 - Погрешности за счет рассогласования
испытуемого смесителя
|
  , град
|
|
|
|
1,22
|
0,1
|
0,5
|
|
1,5
|
0,2
|
0,75
|
|
2,0
|
0,33
|
1,1
|
Погрешность за счет прохождения
паразитного сигнала ПЧ из опорного в измерительный канал в блоке
преобразовательном вычисляется по формуле:
, (29)
и для ряда значений измеряемого коэффициента передачи приведена в
таблице 8.
Таблица 8 - Погрешность измерения за счет
прохождения паразитного сигнала
|
N, дБ
|
0
|
10
|
20
|
30
|
40
|
|
, град0,030,10,31,03,3
|
|
|
|
|
|
Неидентичность фазовых сдвигов характеристик смесителей ПЧ блока
преобразовательного была определена экспериментально на приборе РКР4-001 и не
превышала 0,7°, т.е.
= 0,7°.
Погрешность измерения фазы индикаторным блоком для углов 10, 100 и
190° приведена в таблице 9.
Суммарная погрешность измерения фазы коэффициента передачи
одиночного устройства с преобразованием частоты для ряда значений KcmU и модуля коэффициента передачи приведена в
таблице 10.
Таблица 9 - Погрешность измерения фазы
|
A, дБ
|
0
|
10
|
20
|
30
|
40
|
|
0,20,61,11,62,7
|
|
|
|
|
|
|
1,021,141,431,92,88
|
|
|
|
|
|
|
2,021,681,762,23,36
|
|
|
|
|
|
Таблица 10 - Суммарная погрешность измерения фазы
одиночного смесителя
|
 , град
|
|
|
|
0
|
10
|
20
|
30
|
40
|
|
1,22
|
1,4
|
1,9
|
2,6
|
3,8
|
7,2
|
|
1,5
|
1,65
|
2,15
|
2,85
|
4,04
|
7,45
|
|
2,0
|
2,0
|
2,5
|
3,2
|
4,4
|
7,8
|
При измерениях неидентичности параметров
испытуемых смесителей наиболее неблагоприятным их соединение с ИФМ будет в
случае, если мост волноводный, а смеситель коаксиальный, т.к. в этом случае
необходимо вводить коаксиально-волноводный переход - КВП, являющийся источником
дополнительной погрешности. Поэтому положим, что испытуемые смесители
присоединяются сигнальными входами к волноводным выходам измерительного и
опорного каналов ИФМ. Гетеродинные входы смесителей присоединяются к
коаксиальным выходам измерительного и опорного каналов делителя мощности
гетеродина СВЧ. В этом случае возникают переотражения между смесителями и
мостом как в измерительном, так и в опорном каналах. Можно записать, что
погрешность за счет рассогласования вычисляется по формуле:
(30)
Полагая
, а
вычислим погрешность измерения неидентичности параметров
смесителей, а данные сведем в таблицу 11.
Таблица 11 - Погрешность измерения неидентичности параметров
|
KcmU
|
  , дБ , град
|
|
|
|
|
1,1
|
0,05
|
0,0115
|
0,1
|
0,66
|
|
1,22
|
0,1
|
0,0231
|
0,2
|
1,31
|
|
1,5
|
0,2
|
0,0465
|
0,39
|
2,68
|
|
2,0
|
0,33
|
0,075
|
0,63
|
4,2
|
Проведенный анализ позволяет вывести
формулы для расчета погрешностей при измерениях устройств СВЧ с помощью
рассмотренных выше структурных схем построения приборов. В предположении, что
неравномерность АЧХ измерительного тракта составляет + 4 дБ, а нелинейность его
ФЧХ ± 4°, формулы для расчета погрешностей имеют следующий вид.
1 Для четырехполюсников СВЧ погрешность измерения модуля
коэффициента передачи
, дБ. Погрешность измерения фазы
коэффициента передачи
, град.
Для устройств с преобразованием частоты - смесителей, погрешность
измерения модуля коэффициента передачи
, дБ. Погрешность измерения фазы коэффициента передачи
, град.
Заключение
1. В результате проведенного анализа
установлено, что для испытания смесителей СВЧ оптимальной является схема
измерительного прибора, состоящего из двухчастотного когерентного источника
зондирующих сигналов, измерительного фазового моста СВЧ, двухканального
источника зондирующих сигналов и двухканального супергетеродинного приемника, содержащего
в своем составе фазочувствительный индикатор отношений двух сигналов.
. Проведенный анализ паразитных каналов
измерения, возникающих в измерительном фазовом мосте СВЧ на промежуточной
частоте испытуемого смесителя, показывает, что наличие этих каналов без
принятия специальных мер защиты, ограничивает динамический диапазон измеряемых
им коэффициентов передачи величиной в 41,5 дБ.
. Существующие методы измерения сдвигов
фаз, возникающих в смесителе при гетеродинном преобразовании частоты входного сигнала,
позволяют измерять только их относительную величину, действительная величина
вносимого фазового сдвига остается неизвестной.
. Проведено теоретическое обоснование
неизменности фазового сдвига, возникающего в смесителе при гетеродинном
преобразовании частоты для случая прямого и обратного преобразования входного
сигнала в сигнал промежуточной частоты и сигнала промежуточной частоты во
входной сигнал. На этом основании предложен новый способ, впервые позволяющий
определять действительный сдвиг фаз, возникающий в смесителе и вносимый им в
сигнал промежуточной частоты в процессе гетеродинного преобразования входного
сигнала. Способ основан на совокупном поочередном измерении суммы фазовых
сдвигов двух смесителей, соединенных последовательно, один из которых
испытуемый, и разности сдвигов фаз этих смесителей, включенных параллельно, с
последующим вычислением из полученных результатов действительного сдвига фаз
испытуемого смесителя. Присоединение гетеродина к обоим смесителям при
измерении суммы и разности сдвигов фаз остается неизменным.
. Теоретически обоснован новый способ
измерения величины коэффициента передачи смесителя, аналогичный нахождению
действительного сдвига фаз смесителя. Общность совокупных измерительных
процессов двух новых способов позволяет за один цикл измерений определить их
модуль и фазу.
. Показано, что в коммутируемый
измерительный фазовый мост СВЧ, применяемый в новых структурных схемах приборов
для испытания смесителей, построенных на основе нового способа определения
действительной величины их сдвига фаз с целью стабилизации уровня сигнала на
входе испытуемого смесителя, необходимо вводить последовательно включенные
аттенюатор и усилитель СВЧ. Коэффициент усиления усилителя должен быть не
меньше 20 дБ, регулируемый коэффициент ослабления аттенюатора должен достигать
минус 20 дБ. При этом доказано, что фазовые сдвиги последовательно включенных
усилителя и аттенюатора СВЧ на результаты измерений не влияют.
. С целью повышения точности измерений за
счет исключения систематической погрешности, вносимой эталонным смесителем при
измерении модуля и фазы коэффициента передачи испытуемого смесителя, предложена
новая функциональная схема построения измерительного прибора с применением
второго дополнительного смесителя.
. Получены выражения, позволяющие
рассчитывать величину погрешностей измерения модуля и фазы коэффициента
передачи испытуемого смесителя в зависимости от величины KcmU его входа и узлов,
составляющих измерительных фазовый мост.
Список
использованных источников
1. Амплитудно-фазовая
конверсия / Г.М. Крылов, В.З. Пруслин, Е.А. Богатырев и др. Под ред.Г.М.
Крылова. М.: Радио и связь, 1976.С. 205 - 213.
2. U.
S. Pat No 5,937,006 Frequency Translating Device Transmission Response Method.
August 10, 1999, App. № 865276, Filed May 28, 1997.
. Clark
С J.network Analyzer
Measurements of Frequency-Translating Devices / С J. Clark, A. A. Moulthrop, M. S. Muha // Microwave Journal.
November 1996. P.114-124.
. Clark
С J. Transmission Response
Measurements of Frequency-Translating Devices Using a Vector Network Analyzer /
С J. Clark, A. A.
Moulthrop, M. S. Muha // IEEE Transactions on Microwave Theory and Techniques.
December 1996. Vol.44, № 012. P.2724 - 2737.
. Измерение
в электронике. Справочник / Под ред.В.А. Кузнецова. М.: Энергоатомиздат,
1987.228 с.
. А.
с. СССР, G01R 27/28. Устройство для измерения амплитудно-частотных и
фазочастотных характеристик четырехполюсников / К.С. Коротков, Г.М. Кулиш
(СССР). № 918890 с приоритетом от 24.09.80; Зарегистр.7.12.81; Опубл.7.04.82.
Бюл. № 13.
. А. с.
СССР, G01R 27/28. Устройство для измерения амплитудно-частотных и
фазочастотных характеристик четырехполюсников / К.С. Коротков, Г.М. Кулиш
(СССР). № 1075195 с приоритетом от 16.11.82; Зарегистр.23.11.82;
Опубл.23.02.84. Бюл. № 7.
. Филяков
П.Ф. Справочник по высшей математике. Киев: Наука и думка, 1983. С.478-545.
. Робишо
А. Направленные графы и их применение к электрическим цепям и машинам / А.
Робишо, М. Буавер, Ж. Робер. М.: Энергия, 1964.317 с.
. Остапенко
А.Г. Анализ и синтез линейных радиоэлектронных цепей с помощью графов. М.:
Радио и связь, 1985.300 с.
. Силаев
М.А. Приложение матриц и графов к анализу СВЧ-устройств / М.А. Силаев, СВ.
Брянцев. М.: Советское радио, 1970.248 с.
. Абубакиров
Б.Л. Измерение параметров радиотехнических цепей / Б.Л. Абубакиров, К.Г.
Гудков, Э.В. Нечаев. М.: Радио и связь, 1984. С.112 - 141.
. А.
с. СССР, G01R 27/28. Способ определения сдвига фаз четырехполюсников с
преобразователем частоты / К.С. Коротков, В.Е. Малышков, В.Г. Суровенный
(СССР). № 1475347 с приоритетом от 13.12.86; Зарегистр.22.12.86; Опубл.
19.04.88. Бюл. № 14.
. А.
с. СССР, G01R 27/28. Способ определения коэффициентов передачи
четырехполюсников с преобразованием частоты / К.С. Коротков (СССР). № 1596278 с
приоритетом от 20.07.88; Зарегистр.1.06.90; Опубл.30.09.90. Бюл. № 36.
. Шахгильдян
В.В. Фазовая автоподстройка частоты / В.В. Шахгильдян, А.А. Ляховкин. М.:
Связь, 1966.336 с.
. А.
с. СССР, G01R 27/28. Устройство для измерения амплитудно-частотных и
фазочастотных характеристик четырехполюсников с преобразованием частоты / К.С.
Коротков, В.В. Зарубин, В.П. Яцевич (СССР). № 1661682 с приоритетом от 7.08.89;
Зарегистр.8.03.91; Опубл.07.07.91. Бюл. № 25.
. Механиков
А.И. Оценка точности панорамных измерителей на СВЧ /А.И. Механиков //
Метрология. 1972. № 3. С.31 - 35.