Анализ линейной активной цепи
ЗАДАНИЕ НА КУРСОВУЮ РАБОТУ
. Найти операторный коэффициент передачи цепи по напряжению и записать
его в виде отношения двух полиномов
Составить
таблицу значений коэффициентов полиномов для двух значений m (m 1 и m 2).
.
Записать комплексную частотную характеристику цепи K (j w) и соответствующие ей амплитудно-частотную K (w) и фазочастотную j (w) характеристики.
.
По найденным аналитическим выражениям рассчитать и построить графики частотных
характеристик цепи для двух значений коэффициента усиления m 1 и m 2 .
.
Определить переходную h(t) и импульсную g(t)
характеристики цепи.

5
. Рассчитать и построить графики этих характеристик для двух значений
изменяемого параметра m 1
и m 2. Рассчитать соответствующие
постоянные времени t 1
и t 2 цепи. (Постоянная времени цепи, в
данном случае, равна модулю обратной величины полюса передаточной функции).
Временные характеристики построить, используя точки: Частотные характеристики
построить, используя точки
6.
Используя найденные выше временные характеристики цепи и интеграл наложения,
найти реакцию цепи на импульс, изображенный на рис. 2. Параметры входного
импульсного сигнала:
.
Рассчитать и построить импульс на выходе цепи для двух значений коэффициента
усиления операционного усилителя. Графики входного и выходных сигналов
совместить на одном рисунке или построить синхронно (друг под другом).
.
Увеличить длительность входного импульса в 10 раз. Построить графики входного и
выходного сигнала при m = m 2.
.
На основе анализа графиков трёх выходных сигналов сделать вывод о виде цепи
(пропорционально - дифференцирующая или пропорционально - интегрирующая).
Выделить случай, в котором операция, выполняемая цепью, наиболее близка к
идеальному варианту преобразования входного сигнала.
Рис.1. Общая схема цепи
Рис.2. Входной импульс
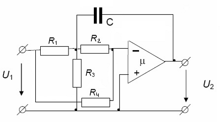
В индивидуальном варианте указаны исходные данные, схема и параметры
исследуемой цепи:
Схема исследуемой цепи
Параметры цепи:
R1=6
Ом, R2=12 Ом, R3=18 Ом, R4=24
Ом,
C=7
мкФ;
μ1=10, μ2=100=1.75 B
При выполнении анализа принимаются некоторые допущения:
Операционный усилитель рассматривается как источник напряжения,
управляемый напряжением (ИНУН)
Все пассивные элементы идеализированные.
УСЛОВНЫЕ ОБОЗНАЧЕНИЯ, СИМВОЛЫ И СОКРАЩЕНИЯ
- емкость, Ф- циклическая частота, Гц(t) - импульсная характеристика(t) -
переходная характеристика
φ(ω) - фазочастотная характеристика(j
ω) - комплексная
частотная характеристика(p) - операторный коэффициент передачи цепи по
напряжению(ω) - амплитудно-частотная характеристика- оператор
преобразования Лапласа- сопротивление, Ом- время, с
(t) - функция Хевисайда- период повторения
ω - угловая частота, рад/c
АЧХ - амплитудно-частотная характеристика
ФЧХ - фазочастотная характеристика
ВВЕДЕНИЕ
В данной курсовой работе необходимо выполнить анализ линейной активной
цепи. Целью проектирования является закрепление навыков и умений студентов в
области построения и анализа частотных, временных, спектральных характеристик
радиотехнических цепей, нахождение формы сигнала на выходе цепи, исследование
влияния параметров цепи на характеристики выходного сигнала, а так же освоение
современных математических пакетов.
Теория линейных электрических цепей - одна из основных частей дисциплин
«Основы теории цепей», «Теория электрических цепей»,
«Радиотехнические цепи и сигналы». В ней рассматриваются современные
методы анализа и синтеза линейных радиотехнических устройств различного
назначения, требующие знания обширного математического аппарата и применения
современного прикладного программного обеспечения, в том числе математических
пакетов.
В теории линейных электрических цепей вводится множество новых понятий и
определений, необходимых для понимания курса, решения более сложных задач и
использования терминологии в смежных дисциплинах. Особое внимание уделяется
сущности процессов в цепи и фундаментальным понятиям, важным для изучения
линейных систем.
Теория линейных цепей образует фундамент, на котором базируется вся
деятельность радиоинженера. Необходимо хорошо усвоить аппарат анализа
радиотехнических цепей и уметь применять его для решения практических задач для
успешной работы по специальности.
Курсовая работа по теории линейных цепей способствует систематизации и
закреплению знаний студента в области теоретической радиотехники, прививает
практические навыки расчета и анализа характеристик радиотехнических сигналов и
цепей, способствует освоению современных математических пакетов.
Целью проектирования является закрепление навыков и умений студентов в
области построения и анализа частотных, временных, спектральных характеристик
радиотехнических цепей, нахождение формы сигнала на выходе цепи, исследование
влияния параметров цепи на характеристики выходного сигнала.
1.
АНАЛИЗ ЧАСТОТНЫХ ХАРАКТЕРИСТИК ЦЕПИ
Определение
передаточной функции цепи
Рассмотрим цепь с параметрами, заданными в индивидуальном варианте (Рис
1).
Рисунок
1 Схема исследуемой цепи
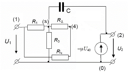
Построим операторную схему замещения цепи при нулевых начальных условиях.
Операционный усилитель в исходной схеме заменим его схемой замещения.
К входным зажимам цепи подключим независимый источник напряжения U1(p). Узлы в схеме замещения обозначим цифрами (1)-(4), а
узловые напряжения как U10, U20, U30, U40.
Все идеализированные пассивные элементы заменим их операторными схемами
замещения (Рис2).
Рисунок 2 Схема замещения цепи
Далее составляется система уравнений по методу узловых напряжений в
операторной форме:
где
Выразим
из уравнений (1.1) и (1.2) U30 и приравняем:
Учтем,
что
В
результате получаем равенство:
Отсюда
операторный коэффициент передачи цепи по напряжению:
Подставим
в эту формулу выражения для Yij и запишем выражение для операторного коэффициента
передачи по напряжению:
где
Составим
таблицу коэффициентов при μ1=10, μ2=100
Таблица
1 Коэффициенты полиномов в выражении коэффициента передачи при μ1=10,
μ2=100
|
a0
|
b0
|
b1
|
|
μ1=10
|
0,031
|
6.708*10-6
|
-0,266
|
-2,917*10-6
|
|
μ2=100
|
0,031
|
5,921*10-5
|
-2,662
|
-2,917*10-5
|
Рассчитаем постоянную времени цепи по формуле:
И
полосу пропускания цепи по формуле:
Выполним
расчет постоянной времени и полосы пропускания для заданных значений параметров
исследуемой цепи.
Результаты
расчетов представим в виде таблицы:
Таблица
2 Постоянная времени, полоса пропускания и круговая частота при различных
значениях коэффицинена усиления
|
μ
|
10
|
100
|
|
τц , с
|
2.147*10-4
|
1.895*10-3
|
|
wв , рад/с
|
4.658*103
|
5.278*102
|
Просматривается закономерность: чем больше значение коэффициента
усиления, тем ниже становится частота, уменьшается круговая частота. Постоянная
времени цепи с увеличением коэффициента усиления возрастает как величина
обратная частоте.
Можно сделать вывод об ожидаемом характере переходного процесса: с
увеличением коэффициента усиления переходные характеристики пойдут более круто.
Анализ
частотных характеристик цепи
Заменив p на jω в выражении для K(p), получим комплексный коэффициент
передачи цепи по напряжению:
Амплитудно-частотная
характеристика
Для нахождения аналитических выражений для АЧХ коэффициента передачи цепи
по напряжению, преобразуем формулу (1.8) к показательной форме записи и
получим:
где
K(w)-амплитудно-частотная характеристика, w- круговая частота, рад/с.
По
найденным аналитическим выражениям с использованием данных таблицы1.1
рассчитаем и построим график амплитудно-частотной характеристики цепи для двух
значений коэффициента усиления операторного усилителя m=10 и m=100 (Рисунок 1.2).
Рисунок
1.2 АЧХ цепи для μ=10
(сплошная линия) и μ=100 (пунктир)
Фазочастотная
характеристика
Для нахождения аналитических выражений для ФЧХ коэффициента передачи цепи
по напряжению, преобразуем формулу (1.8) к показательной форме записи и получим
По
найденным аналитическим выражениям с использованием данных таблицы1.1
рассчитаем и построим график фазо-частотных характеристик цепи для двух
значений коэффициента усиления операторного усилителя m=10 и m=100 (Рисунок 1.3).
Рисунок
1.3 ФЧХ цепи для μ=10
(сплошная линия) и μ=100 (пунктир)
2. АНАЛИЗ
ВРЕМЕННЫХ ХАРАКТЕРИСТИК ЦЕПИ
Переходная
характеристика цепи
где h(t) - переходная характеристика, p-оператор Лапласа.
Из формул (1.7) и (1.11) получим выражение для определения переходной
характеристики:
Воспользуемся формулой (1.12) и данными таблицы1.1 и построим графики
переходной характеристики для двух значений коэффициентов усиления
операционного усилителя (Рисунок 1.4)
Рисунок
1.4 Переходная характеристика h(t) для μ=10 (сплошная линия) и μ=100 (пунктир)
Приведем
таблицу значений функций в точках t=τ*b/5, b=0..10
радиотехнический
цепь интеграл сигнал
Таблица
3 Значения переходной характеристики цепи
|
b
|
h1(t), μ1=10
|
h2(t), μ2=100
|
|
0
|
0
|
0
|
|
1
|
0.806
|
8.056
|
|
2
|
1.465
|
14.652
|
|
3
|
2.005
|
20.053
|
|
4
|
2.447
|
|
5
|
2.809
|
28.094
|
|
6
|
3.106
|
31.058
|
|
7
|
3.348
|
33.485
|
|
8
|
3.547
|
35.471
|
|
9
|
3.71
|
37.098
|
|
10
|
3.843
|
38.43
|
Импульсная
характеристика цепи
где
g(t) - импульсная характеристика, p-оператор
Лапласа.
Из формул (1.7) и (1.13) получим выражение для определения переходной
характеристики:
Воспользуемся
формулой (1.14) и данными таблицы1.1 и построим графики переходной
характеристики для двух значений коэффициентов усиления операционного усилителя
(Рисунок 1.5)
Рисунок 1.5 Импульсная характеристика g(t) для μ=10
(сплошная линия) и μ=100
(пунктир)
Приведем таблицу значений функций в точках t=τ*b/5, b=0..10
Таблица
4 Значения импульсной характеристики цепи
|
b
|
g1(t), μ1=10
|
g2(t), μ2=100
|
|
0
|
2.07 *104
|
2.346*104
|
|
1
|
1.695*104
|
1.921*104
|
|
2
|
1.388*104
|
1.572*104
|
|
3
|
1.136*104
|
1.287*104
|
|
4
|
9.303*103
|
10.54*103
|
|
5
|
7.617*103
|
8.63 *103
|
|
6
|
6.236*103
|
7.065*103
|
|
7
|
5.106*103
|
5.785*103
|
|
8
|
4.18 *103
|
4.736*103
|
|
9
|
3.422*103
|
3.878*103
|
|
10
|
2.802*103
|
3.175*103
|
3.
ПРОХОЖДЕНИЕ ИМПУЛЬСНОГО СИГНАЛА ЧЕРЕЗ ЛИНЕЙНУЮ ЦЕПЬ
Нахождение
выходного сигнала методом интеграла наложения
Найдем реакцию цепи на импульс, изображенный на рисунке:
Рисунок
2.1 Входной импульсный сигнал
С помощью интеграла Дюамеля можно определить реакцию цепи на заданное
воздействие и в том случае, когда внешнее воздействие на цепь описывается
кусочно-непрерывной функцией, которая имеет конечное число конечных разрывов. В
этом случае интервал интегрирования необходимо разбить на несколько промежутков
в соответствии с интервалами непрерывности функции и учесть реакцию цепи на
конечные скачки функции в точках разрыва. Для определения реакции цепи на
воздействие импульса, см. рисунок 2.1, очевидно, что интервал интегрирования необходимо
разбить на четыре части (tÎ(0,t1), tÎ(t1,t2), tÎ(t2,t3), t>t3).
Воздействие на цепь имеет вид:
где

Поскольку на входе цепи действует сигнал, образованный совокупностью
импульсов прямоугольной формы, см. рисунок2, для его аналитического
представления используем функцию Хевисайда:
где
1(t) - функция Хевисайда.
Найдем
выходной сигнал методом интеграла наложения с использованием переходной
характеристики. При заданной форме входного сигнала на выходе имеем следующее:
В
соответствии с формулой (2.4) и рисунком 2, построим импульс на выходе цепи для
двух значений коэффициента усиления операционного усилителя (Рисунок 2.2).
Рисунок
2.2 Входной и выходные сигналы при различных значениях коэффициета усиления
где u21(t)- выходной сигнал при μ1=10, u22(t) -
выходной сигнал при μ2=100, u1(t) - входной
сигнал.
Увеличим длительность входного импульсного сигнала в 10 раз
Рисунок 2.3 Входной импульсный сигнал
Графики входного и выходного сигналов:
Рисунок
2.4 Входной (сплошная линия) и выходной (пунктирная) сигнал при
при длительности входного импульса, увеличенного в 10
раз
Вывод о
характере анализируемой цепи
Цепь интегрирующая или удлиняющая, поскольку при подаче «единицы» на вход
график выходного сигнала спадает. Для импульсов входного сигнала меньшей
длительности (Рис 2.2) график на рассматриваем участке уменьшает значения по
закону, близкому к линейному, имея выпуклость вниз. При увеличении коэффициента
усиления зависимость приближается к линейной (Рис 2.2). Для входного сигнала с
увеличенной длительностью импульсов (Рис 2.4), спад графика на рассматриваем
участке происходит экспоненциально до 1/3 длительности входного импульса и
далее сохраняет достигнутое значение до конца импульса.
При подаче «нуля» график выходного сигнала возрастает, но его вид более
близок к экспоненциальному, поскольку длительность этого импульса больше, чем
длительность «единичного» импульса. Для увеличения длительности сигнала участок
графика сперва возрастает по экспоненциальному закону до 1/3 - 1/4 длительности
импульса входного сигнала и далее сохраняет достигнутое значение до конца
импульса.
Из вышеизложенного можно сделать вывод, что цепь интегрирующая, поскольку
при заданном входном сигнале отрезки графика выходного сигнала связаны с
входными импульсами законом, близким к интегрированию входного сигнала.
Заключение
1 На основе проделанного анализа данной активной цепи можно сказать,
что анализируемая цепь - пропорционально-интегрирующая. На построенных графиках
входного и выходного сигналов (Рис 2.2, Рис 2.4), входному импульсу высокого
уровня соответствует участок графика, спадающего по экспоненциальному закону, низкого
уровня - возрастающий участок графика, что близко к идеальной интегрирующей
цепи.
2 К идеальному интегрированию наиболее близка операция,
выполняемая цепью при меньшей длительности сигнала и большем коэффициенте
усиления операционного усилителя ((Рис 2.2), U22(t)).
Чем больше коэффициент усиления и чем меньше длительность импульса, тем более
близок участок графика на протяжении импульса к линейной зависимости.
При увеличении коэффициента усиления:
3 Увеличивается постоянная времени цепи (таблица 1), при μ1=10
равная 25,64 мк с, при μ1=2=100
равная 38,64 мк с, при μ1=10000
равная 40,64 мк с.
4 Полоса пропускания уменьшается, т.к. является величиной,
обратной постоянной времени (таблица 1).
График амплитудно-частотной характеристики (Рис 1.2) цепи принимает
большее значение в нуле, спадает более круто и далее практически совпадает при
частотах порядка 107 Гц с графиками меньшего значения коэффициента усиления,
плавно спадая.
График фазочастотной характеристики цепи (Рис 1.3) идет немного
круче, сохраняя значение при нулевой частоте, равное 900.
Переходная характеристика принимает по модулю большие значения
при тех же промежутках времени, т.к. увеличивается постоянная времени цепи,
влияющая на операторный коэффициент К(р).
Импульсная характеристика цепи (Рис 1.4, Рис 1.5) сильно
меняется, идет круче, различаясь примерно на 0.5*106 при изменении времени на 2
микросекунды, что так же обосновывается зависимостью от постоянной времени
цепи.
График выходного сигнала (Рис 2.2) меняется быстрее, имея
большие максимальные амплитудные значения.
При увеличении длительности входного сигнала (Рис 2.1, Рис 2.3)
выходной сигнал (Рис 2.4) приближается по форме графика к идеальному;
Библиографический список
1.
Гоноровский И.С. Радиотехнические цепи и сигналы/ И.С. Гоноровский.
М.: Радио и
связь, 1986
. Попов В.П.
Основы теории цепей/ В.П. Попов. М.: Высшая школа, 1985;
. Баскаков
С.И. Радиотехнические цепи и сигналы: руководство к решению
задач:
сборник задач/ С.И. Баскаков. М.: Высшая школа, 2002.