Расчет линейных электрических цепей при негармоническом воздействии
РАСЧЕТ
ЛИНЕЙНЫХ ЭЛЕКТРИЧЕСКИХ ЦЕПЕЙ ПРИ НЕГАРМОНИЧЕСКОМ ВОЗДЕЙСТВИИ
Содержание
1 Исходные данные
Расчёт токов методом
непосредственного применения законов Кирхгофа
Расчёт токов методом контурных токов
Расчёт методом узловых потенциалов
Векторные диаграммы токов для
независимых узлов
Расчёт комплексных амплитуд
напряжений на каждом элементе цепи
Построение векторно-топографической
диаграммы напряжений
Расчёт токов и напряжений в первой и
второй ветвях цепи при совместном действии несинусоидального источника ЭДС и
синусоидального источника тока
Выводы
Список используемой литературы
1 Исходные данные
Рис. 1 Граф электрической цепи
Мнимая единица :
Параметры идеальных пассивных элементов :
Ом - индуктивности катушек
Гн - емкости конденсаторов
Ф - сопротивления резисторов
Амплитуды и начальные фазы источников:
источника ЭДС, включенного в пятую ветвь
последовательно

град
источника тока, включенного параллельно шестой
ветви
А
град
Коэффициент
"базовая "частота
Гц
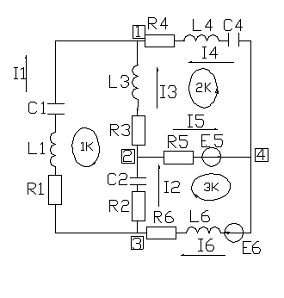
Рис. 2 Схема электрической цепи с заданными
значениями
Частота источников:
Гц
Круговая частота:
рад/с.
Переведем начальные фазы источников в радианы
рад ;
рад ;
Реактивные сопротивления элементов рассчитываем
по следующим формулам :
Ом
Ом
Комплексные сопротивления ветвей вычисляем по
следующей формуле
Ом
Комплексные амплитуды ЭДС и тока источников :
2
Расчёт токов методом непосредственного применения законов Кирхгофа
Заменим схему на эквивалентную, не содержащую
идеальных источников тока
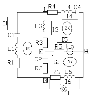
Рис. 3 Схема электрической цепи без источника
тока
Запишем Первый и Второй законы Кирхгофа:
Составим матрицы в соответствии законам
Кирхгофа:
Решение системы уравней:
токи в эквивалентной схеме
А
Проверка полученных результатов:
В исходной схеме все токи, кроме I6, такие же
А
Рис. 4 Схема электрической цепи для расчёта
методом контурных токов
Расчёт токов методом контурных токов
Запишем систему уравнений для метода контурных
токов в общем виде содержащей три независимых контура:
Запишем собственные комплексные сопротивления
контуров:
Ом
Ом
Ом
Запишем взаимные комплексные сопротивления
контуров:
Ом
Ом
Ом
Запишем собственные ЭДС контуров:
Запишем реальные токи ветвей:
Составим матрицы в соответствии с общей
формулой:
Решение системы уравнений:
Комплексные контурные токи
Определим токи в ветвях с учётом закона Киргофа:
токи в эквивалентной схеме
В исходной схеме все токи, кроме I6, такие же
4 Расчёт методом узловых потенциалов

Запишем систему уравнений для метода узловых потенциалов в общем виде для
независимых узлов:

Комплексные проводимости ветвей:
Матрица проводимостей ветвей
1/Ом
Запишем собственные комплексные проводимости
узлов:
1/Ом
1/Ом
1/Ом
Запишем взаимные комплексные сопротивления
контуров:
1/Ом
1/Ом
1/Ом
Запишем собственные токи узлов:
А
А
А
Составим матрицы в соответствии с общей
формулой:
Решение системы уравнений:
В
Найдем комплексное значения токов на каждой
ветви:
А
токи в эквивалентной схеме
Проверка полученных результатов:
В исходной схеме все токи, кроме I6, такие же
5 Векторные диаграммы токов для
независимых узлов.
Построим векторную диаграмму токов для первого
узла:
Рис. 5 Векторная диаграмма токов для первого
узла.
Построим векторную диаграмму токов для второго
узла:
Рис. 6 Векторная диаграмма токов для второго
узла.
Построим векторную диаграмму токов для третьего
узла:
Рис. 7 Векторная диаграмма токов для третьего
узла.
6 Расчёт комплексных амплитуд
напряжений на каждом элементе цепи
В
В
Построение векторно-топографической
диаграммы напряжений
Рис. 8 Векторная диаграмма напряжений для
различных контуров
8 Расчёт токов и напряжений в первой
и второй ветвях цепи при совместном действии несинусоидального источника ЭДС и
синусоидального источника тока
Мнимая единица :
"базовая "частота
Гц
Коэффициент
Частоты гармоник:
Гц
Круговые частоты:
рад/с.
Амплитуды и начальные фазы гармоник:
Постояная составляющая:
В
град
Номер гармоник:
В
Переведем начальные фазы источников в радианы:
Запишем формулы для нахождения амплитудных
значений ЭДС гармоник и вычислим их значение:
В
В
В
Запишем формулу для мгновеных значений ЭДС:
рад
Рассчитаем мгновенные значения токов и напряжении при постоянной составляющей
А
А
В
А
А
В
Рассчитаем мгновенные значения токов и
напряжении для первой гармоники
Составим матрицы в соответствии законам
Кирхгофа:

А
А
град
В
град
А
град
В
град
Рассчитаем мгновенные значения токов и
напряжении для второй гармоники
Составим матрицы в соответствии законам
Кирхгофа:
Решение системы уравнений:
А
град
В
град
А
град
В
град
Рассчитаем мгновенные значения токов и
напряжении для третьей гармоники
Составим матрицы в соответствии законам
Кирхгофа:
Решение системы уравнений:
А
А
град
В
А
град
В
град
Запишем формулы для мгновенных значении токов и
напряжении:
Рис. 9 Временные зависимости токов и напряжении
в первой и во второй ветви
Найдем временные зависимости отдельных элементов
в первой ветви:
Рис. 10 Временные зависимости напряжении в
первой ветви и на её отдельных элементах
Определим действующие значения токов и
напряжений в первой и во второй цепи:
А
А
А
А
Определим значения активной, реактивной и полной
мощности в первой и во второй цепи:
Активные мощности:
Вт
Вт
Реактивные мощности:
Вт
Вт
Полные мощности:
Вт
Вт
Определим значения коэффициентов мощности в
первой и во второй цепи:
Проверим полученные результаты:
Видно, что сумма квадратов активной и реактивной
не равна квадрату полной мощности, что подтверждает наличие величины мощности
искажения и она равна:
Выводы
ток цепь напряжение потенциал
В данной курсовой работе я:
Рассчитала токи в комплексном виде во всех
ветвях цепи методом непосредственного применения законов Кирхгофа. Сделала
проверку.
Рассчитала токи методом контурных токов и,
сравнив результаты, убедилась в правильности этого метода.
Рассчитала напряжения на каждой ветви методом
узловых потенциалов, определила токи с помощью закона Ома и сравнила их с
токами полученными методом контурных токов. Сделала проверку. Результаты
оказались идентичны.
Вычислила комплексные амплитуды напряжений на
каждом элементе схемы.
Построила векторную диаграмму токов для трёх
узлов.
Построила векторно-топографическую диаграмму
напряжений на всех ветвях и на всех элементах схемы.
Рассчитала мгновенные и действующие значения
токов и напряжении для первой и второй ветви при несинусоидальном источники
ЭДС.
Определила коэффициенты мощности, активную,
реактивную и полную мощность в первой и во второй ветви.
1. М.Р, Шебес "Задачник по
теории линейных электрических цепей"
. Л.А, Бессонов "Теоретические
основы электротехники"
. Б.Ю, Алтунин "Компьютерный
анализ линейных электрических цепей"