|
Диапазон рабочих частот
|
9-12 МГц
|
|
Чувствительность
|
3 мкВ
|
|
Соотношение сигнал-шум на выходе линейной части
|
10 дБ
|
|
Модулирующие частоты
|
0.2-2.5 кГц
|
|
Вид модуляции
|
Н-ОБП
|
|
Избирательность: по соседнему каналу по зеркальному каналу по
каналу прямого прохождения
|
55 дБ (±10 кГц) 65 дБ 80 дБ
|
|
Входное сопротивление
|
50 Ом
|
|
Выходная мощность на нагрузке
|
1 В 4 Ом
|
|
Изменение уровня выходного сигнала на при изменении входного
сигнала на
|
5 дБ 45 дБ
|
|
Относительная нестабильность частоты передатчика
|
10-6
|
|
Питание
|
24 В
|
Введение
Важнейшим функциональным элементом
радиотехнических систем является радиоприёмное устройство, способное
воспринимать слабые радиосигналы и преобразовывать их к виду, обеспечивающему
использование содержащейся в них информации.
Появившиеся в последнее время
интегральные микросхемы и фильтры, по сути, представляют собой элементную базу
функциональной электроники. Разработка радиоприёмных устройств, выполненных на
их основе, отличается от традиционного проектирования смещением акцентов в
сторону системных вопросов. При этом радиоприемное устройство рассматривают как
совокупность узлов, решающих задачи: частотной селекции, усиления и демодуляции
полезного сигнала, а также подавления помех.
Такое обобщенное понимание
радиоприёмных устройств позволяет подойти к их проектированию с системных
позиций. В прикладном плане это во-первых, даёт систематизированный подход к
синтезу структурной схемы, во-вторых, облегчает разработку принципиальной схемы
радиоприёмных устройств, в-третьих, позволяет оптимизировать синтезируемое
устройство.
Внедрение микропроцессоров позволяет
автоматизировать радиоприемные устройства; реализовывать эффективные методы
обработки сигналов, анализ помеховой обстановки с использованием результатов
для адаптивного регулирования приемника и др. Все это расширяет функциональные
возможности приемников, упрощает технологию изготовления, обеспечивает удобство
эксплуатации.
1. Синтез структурной
схемы приемника
.1 Расчет полосы
пропускания приемника
Исходная формула для определения
полосы пропускания приемника выглядит следующим образом:
Определим ширину спектра
принимаемого сигнала.
При модуляции Н-ОБП
получается АМ сигнал с подавленной несущей частотой для экономии энергии при
передаче. Ширина спектра при Н-ОБП модуляции равна ширине спектра АМ сигнала.
Поскольку дана
относительная нестабильность частоты передатчика
, то
среднеквадратическое отклонение рабочей частоты передатчика будет равно:
Относительную
нестабильность частоты гетеродина примем равной
, тогда
среднеквадратическое отклонение частоты настройки приемника будет равно:
Необходимо определить максимальную
частоту гетеродина:
Где
МГц
- промежуточная частота (выбор именно такого её значения будет объяснен ниже).
Теперь можем найти среднеквадратическое отклонение частоты настройки приемника:
Определим полосу пропускания
приемника:
Поскольку величина
(Гц)
не превышает
(Гц),
то в приемнике можно обойтись без системы автоподстройки частоты (АПЧ).
1.2 Определение
коэффициента шума приемника
Существенным фактором,
определяющим порядок расчета радиочастотной части приемника, является
максимально допустимое значение коэффициента шума РПУ:
Определим максимально
допустимый коэффициент шума РПУ:
Пересчитаем допустимый коэффициент
шума в дБ:
1.3 Выбор промежуточной
частоты
Для двух различных значений
промежуточной частоты определим селективности по зеркальному каналу и каналу
прямого прохождения при верхней и нижней настройке гетеродина для двух типов
контуров: одиночного и пары связанных.
Рассчитаем значения селективной
системы преселектора для fпч=0.984 МГц
Определим обобщенную расстройку по
зеркальному каналу:
Определим селективность одиночного и
пары связанных контуров:
Для обеспечения необходимой
селективности потребуется 2 пары связанных контуров.
Определим обобщенную расстройку по
каналу прямого прохождения:
Определим селективность одиночного и
пары связанных контуров:
Для обеспечения по каналу прямого
прохождения необходима пара связанных контуров.
Рассчитаем значения селективной
системы преселектора для fпч=0.5 МГц
Определим обобщенную расстройку по
зеркальному каналу:
Определим селективность одиночного и
пары связанных контуров:
Для обеспечения необходимой
селективности потребуется 3 одиночных и 1 пара связанных контуров.
Определим обобщенную расстройку по
каналу прямого прохождения:
Определим селективность одиночного и
пары связанных контуров:
Для обеспечения необходимой
селективности потребуется пара связанных контуров.
Полученные рассчитанные данные
сведем в таблицу и определим наиболее подходящую промежуточную частоту.
|
Промежуточная частота , МГцСелективность по
зеркальному каналу дБСелективность по каналу прямого прохождения дБ
|
|
|
|
Одиночный контур
|
|
0.5
|
16.58
|
57.47
|
|
0.9847
|
22.1
|
51.5
|
|
Пара связанных
|
|
0.5
|
26.9
|
108.9
|
|
0.9847
|
38.1
|
96.9
|
Поскольку нам необходимо оптимальное
соотношение селективности по ЗК и каналу ПП при минимальном количестве
контуров, выберем в качестве промежуточной частоты fпч=0.9847 МГц, настройка нижняя.
.4 Выбор
частотно-селективных цепей преселектора
Как видно из таблицы, в
качестве селективных цепей преселектора при выбранном значении
можно
использовать на входе УРЧ одну пару связанных контуров так же на выходе УРЧ
используем одну пару связанных контуров. В этом случае обеспечиваются заданные
в ТЗ селективности по зеркальному каналу и каналу прямого прохождения.
Селективность по зеркальному каналу будет равна
(дБ), а по каналу
прямого прохождения
(дБ).
1.5 Выбор селективных
цепей тракта промежуточной частоты
По заданию необходимо
обеспечить селективность по соседнему каналу, равную 55 дБ. Такую селективность
обеспечит стандартный фильтр ПФ2П-189. Его селективность можно определить
следующим образом, по данным на этот фильтр найдем полосу пропускания по уровню
60 дБ:
,
значит, частота, которая
отстоит от рабочей на
будет
подавляться на 60 дБ. Поскольку расстройка по соседнему каналу составляет ±10
кГц, то соседний канал будет подавляться больше чем на 55 дБ.
1.6 Обоснование
применения автоматических регулировок
1.7 Выбор ИМС для
трактов радио-, промежуточной и звуковых частот
Успехи в области микроэлектроники
непрерывно повышают уровень интеграции изделий, сводя узлы и блоки в большие
интегральные схемы (БИС) и микросхемы (ИМС). Эта современная элементная база
образует новое поколение приемников, обладающих высокой надежностью, малыми
массами и габаритами, высокой помехоустойчивостью. При разработке приемника
необходимо использовать по возможности новую элементную базу, включая ИМС.
В качестве усилителя радиочастоты
будем использовать специализированную микросхему 171УВ1А, поскольку она походит
по рабочему диапазону частот и имеет необходимый коэффициент усиления.
Для смесителя применим микросхему
М45121.
В тракте усиления промежуточной
частоты будем использовать микросхему К174УР10.
В качестве усилителя низкой
частоты(УНЧ) используем микросхему К174УН4А, микросхема обеспечивает
необходимую мощность в нагрузке.
1.8 Предварительная
структурная схема приемника
Рис. 1. Предварительная структурная
схема РПУ
2. Электрический расчет
принципиальной схемы
.1 Расчет цепи,
включенной на входе УРЧ
На вход и выход УРЧ будет включена
пара связанных контуров, контуры идентичны, но поскольку входные и выходные
сопротивления контуров разные, необходимо определить коэффициенты включения для
каждого контура, остальные параметры контуров будут одинаковые.
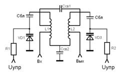
Рис. 2. Принципиальная схема пары
связанных контуров
Основные параметры контуров
|
Добротность
ненагруженного контура
|
|
|
Эквивалентная
добротность нагруженного контура
|
|
|
Сопротивление
антенны
|
|
|
Входное
сопротивление УРЧ
|
|
Зададимся максимальной емкостью
контура, соответствующей минимальной частоте:
Определим значения коэффициентов
включения:
Контура стараются делать абсолютно
симметричными. Определим индуктивности контуров:
Определим коэффициент связи, при
этом параметр связи β примем равным β=1:
Половина коэффициента связи
реализуется внешнеемкостной связью, а половина внутриемкостной.
Определим внешнеемкостной
коэффициент связи:
Определим емкость внешней связи:
Определим емкость внутренней связи:
Определим коэффициент передачи цепи:

Определим минимальную емкость
варикапа:
Определим коэффициент перекрытия по
диапазону:
Коэффициент перекрытия варикапа
должен быть больше, чем K2Д.
Выберем варикап КВ132. Емкость
варикапа С=50пФ, коэффициент перектытия КВ=4, напряжение питания ЕП=2-12В
Определим сопротивление в цепи
варикапа:
Определим емкость блокировочных
конденсаторов:

.2 Расчет коэффициента
передачи УРЧ
Из справочных данных на микросхему
171УВ1А следует, что коэффициент передачи КУРЧ=7.
2.3 Расчет цепи,
включенной на выходе УРЧ
Поскольку контуры на входе и на
выходе идентичны, рассчитаем только коэффициенты включения контура и
коэффициент передачи цепи.
Определим коэффициент передачи цепи:
2.4 Расчет смесителя,
требования к гетеродину
Смеситель будет реализован
на отечественной микросхеме М45121 (Приложение 2), включенной по типовой схеме
включения с внешним гетеродином. В качестве гетеродина используется синтезатор
частоты. Коэффициент передачи смесителя равен
дБ. В разах это будет
Требования
к гетеродину: относительная нестабильность частоты гетеродина
.
Диапазон генерируемых частот: от
до
.
2.5 Расчет коэффициента
передачи фильтра сосредоточенной селекции (ФСС)
В качестве ФСС будем использовать
фильтр типа ПФ2П-189. Его параметры:
|
Рабочая частота, МГц
|
0.9847
|
|
Полоса пропускания (кГц)/ по уровню (дБ)/ затухание в полосе
(дБ)
|
2.6/3/10
|
|
Входное/выходное сопротивление (Ом)
|
1000/50
|
|
Коэффициент прямоугольности/ по уровню
|
1.5/60
|
Затухание в полосе пропускания
составляет 10 дБ, переведем его в разы:
2.6 Расчет согласующих цепей (СЦ)
Для наиболее полной передачи
мощности от одного каскада к другому необходимо согласовать выход предыдущего
каскада с входом последующего. Для этой цели будем использовать согласующие
цепочки Г-типа.
Рис. 3. Согласующая цепочка Г-типа
Расчет СЦ между
смесителем и ФСС
Сначала находим добротность СЦ:
Затем вычисляем реактивные
сопротивления последовательной и параллельной ветвей:
Теперь определяем величины
индуктивности и емкости:
Коэффициент передачи по напряжению
такой цепочки можно оценить по следующей формуле:
Расчет СЦ между ФСС и
УПЧ
Сначала находим добротность СЦ:
Затем вычисляем реактивные
сопротивления последовательной и параллельной ветвей:
Теперь определяем величины
индуктивности и емкости:

Коэффициент передачи по напряжению
такой цепочки можно оценить по следующей формуле:
2.7 Расчет УПЧ
В качестве УПЧ используем ИМС
К174УР10. Рассчитаем напряжение на её входе. Для этого определим коэффициент
передачи тракта от входа приёмника до входа ИМС К174УР10:
2.8
Расчет АМ детектора
На входе детектора необходимо
обеспечить размах амплитуды входного сигнала не менее 0.1 В, поскольку при
меньших уровнях сигнала детектирование без искажений будет невозможно.
Поскольку сигнал имеет подавленную несущую, необходимо помимо входного сигнала
завести на амплитудный детектор несущую частоту сигнала, несущей частотой
сигнала будет являться промежуточная частота. Необходим дополнительный
гетеродин, который будет обеспечивать f=0.9847
МГц.
Определим коэффициент усиления УПЧ
при котором будет обеспечиваться необходимый уровень на входе детектора.
Для получения необходимого уровня сигнала
на входе детектора достаточно одной ИМС К174УР10.
Рис. 4. Принципиальная схема АМ
детектора
В детекторе применим диод Д9Б с
параметрами: Ri = 10 Ом, Rобр = 400 кОм, Cд = 2 пФ.
Определим RН:
Сопротивление RН должно быть меньше рассчитанного, выберем RН=80 кОм
Определим СН:
Определим коэффициент передачи
детектора:
2.9 Расчет УНЧ
Определим напряжение на выходе
детектора и входе УНЧ:
На выходе УНЧ необходимо получить
напряжение 1 В при Rн=4Ом.
Определим коэффициент усиления ИМС
К174УН4А:
ИМС К174УН1А обеспечивает усиление
4-40 раз, для получения нужной мощности в нагрузке необходима одна ИМС.
.10 Расчет системы АРУ
Система АРУ необходима для
обеспечения заданного режима усиления сигнала при изменении амплитуды входного
воздействия.
Рис. 5. принципиальная схема системы
АРУ
В АМ детекторе системы АРУ применим
диод Д9Б. Постоянная времени детектора должна быть в 10 раз больше минимальной
частоты f. Выберем Rвхару=10 кОм
Рассчитаем емкость Cн:
В качестве УПТ используем
операционный усилитель на ИМС КР140УД9.
2.11 Требования к
источнику питания
Для данного радиоприемного
устройства необходим стабильный источник постоянного напряжения, выдающий +6В,
+9В и +12В.
Заключение
В ходе проделанной работы был
рассчитан связной приемник ОБП, удовлетворяющий техническому заданию. Параметры
рассчитанного приемника сведены в таблицу.
|
Параметр
|
По заданию
|
Фактический
|
|
Диапазон рабочих частот, МГц
|
9…12
|
9…12
|
3·10-6
|
3·10-6
|
|
Входное сопротивление, Ом
|
50
|
50
|
|
Селективность по соседнему каналу, дБ
|
55
|
не менее 60
|
|
Селективность по зеркальному каналу, дБ
|
65
|
76.2
|
|
Селективность по каналу прямого прохождения, дБ
|
80
|
192.4
|
|
Уровень выходного сигнала
|
1В, 4 Ом
|
1В, 4 Ом
|
|
ОСШ на выходе линейной части, дБ
|
10
|
10
|
|
Питание, В
|
+24
|
+6, +9, +12
|
Список литературы
1. А.В. Киселев, А.Н. Романов. Устройства приема и обработки
сигналов. Методические указания к курсовому проектированию - НГТУ. -
Новосибирск, 2003. - 43 с.
2. А.С. Кучеров, А.Н. Романов. Устройства приема и обработки
сигналов. Методические указания. - НГТУ. - Новосибирск, 1996. - 50 с.
. И.В. Новаченко, В.М. Петухов, И.П. Блудов, А.В. Юровский.
Справочник. Микросхемы для бытовой радиоаппаратуры. Издание второе,
стереотипное - «КУБК-а». - М., 1996
. Д.И. Атаев, В.А. Болотников. Аналоговые интегральные
микросхемы для бытовой радиоаппаратуры. - МЭИ - М., 1991.
. Журнал «Радиолюбитель», №11, 1991
6. Справочник по резисторам и конденсаторам. В помощь
радиолюбителю. Выпуск 109.