Разработка оптимальных демодуляторов для приема дискретных и непрерывных сигналов
КУРСОВАЯ
РАБОТА
по
дисциплине «радиотехнические системы»
ЗАДАНИЕ
на курсовую работу по дисциплине
«РАДИОТЕХНИЧЕСКИЕ СИСТЕМЫ»
РАДИОТЕХНИЧЕСКАЯ СИСТЕМА 1
Студенту курса 6 факультета ЗАОЧНОГО ОБУЧЕНИЯ
Тема задания
Для радиотехнической системы с заданными
параметрами определить:
минимально необходимое отношение сигнал/шум при
обнаружении детерминированного сигнала;
минимально необходимое отношение сигнал/шум при
обнаружении сигнала с неизвестной начальной фазой;
минимально необходимое отношение сигнал/шум при
обнаружении сигнала с неизвестной начальной фазой и флуктуирующей амплитудой;
Обосновать структурную схему оптимального
демодулятора и определить:
потенциальную помехоустойчивость оптимального
приема дискретных или непрерывных сигналов;
реальную помехоустойчивость при неоптимальном
приеме,
производительность источника сообщений;
пропускную способность канала передачи;
необходимую мощность радиопередающего
устройства.
Изобразить:
структурную схему радиотехнической системы;
электрическую схему детектора приемного
устройства.
Исходные данные
1) Рабочая частота:
(кГц)
) Вероятность правильного
обнаружения :
) Вероятность ложной тревоги:
) Спектральная плотность
шума:
) Полоса частот, занимаемая
сигналом:
(Гц)
) Класс излучения F1В.
Пояснительная записка ТИТУЛЬНЫЙ ЛИСТ,
СОДЕРЖАНИЕ, ВВЕДЕНИЕ, АНАЛИЗ ТЕХНИЧЕСКОГО ЗАДАНИЯ, РАСЧЕТНАЯ ЧАСТЬ, ЗАКЛЮЧЕНИЕ,
СПИСОК ЛИТЕРАТУРЫ.
Графическая часть
СТРУКТУРНАЯ СХЕМА РАДИОТЕХНИЧЕСКОЙ СИСТЕМЫ;
ЭЛЕКТРИЧЕСКАЯ СХЕМА ДЕТЕКТОРА ПРИЕМНОГО
УСТРОЙСТВА.
Дата выдачи ________________ Срок
сдачи ________________
Преподаватель _____________
СОДЕРЖАНИЕ
ВВЕДЕНИЕ
Анализ технического задания
Расчетная часть
Графическая часть
ЗАКЛЮЧЕНИЕ
Список литературы
ВВЕДЕНИЕ
Целью курсовой работы является
изучение основных принципов организации, работы и эксплуатации радиотехнических
систем (РТС).
Одним из основных параметров
РТС является класс излучения. Основной задачей РТС является выделение
принимаемого сигнала. Эта задача решается применением оптимальных
демодуляторов.
В курсовой работе рассмотрена
структурная схема оптимальных демодуляторов для приема дискретных и непрерывных
сигналов.
Потенциальная
помехоустойчивость, реализуемая оптимальными демодуляторами, оценивается
вероятностями ошибочного приема.
Реальные РТС характеризуются производительностью
источников радиотехнических систем и пропускной способностью.
Мощность радиопередатчика является одним из
самых важных параметров РТС.
АНАЛИЗ ТЕХНИЧЕСКОГО ЗАДАНИЯ
Классы излучения сигналов.
Излучения классифицируются и
обозначаются в соответствии с их основными характеристиками. Основными
характеристиками являются:
- тип модуляции основной
несущей - первое обозначение,
- характер сигнала,
модулирующего основную несущую - второе обозначение,
тип передаваемой
информации - третье обозначение.
Структурные схемы оптимальных
демодуляторов на согласованных фильтрах.
В демодуляторе приемника происходит извлечение
из принимаемого сигнала модулирующего первичного сигнала. В детекторе
осуществляется лишь операция обратная модуляции. Задача демодулятора более
широкая. В демодуляторе принятый сигнал не только детектируется, но и
подвергается анализу с учетом всех априорных сведений о нем, поэтому
демодулятор содержит цепи последетекторной обработки. Додетекторная обработка
обычно осуществляется резонансными усилителями в приемном устройстве и
обеспечивает необходимую частотную селекцию.
При приеме непрерывных сигналов функцию
последетекторной обработки выполняет фильтр нижних частот, улучшающий качество
продетектированного сигнала.
При приеме дискретных сигналов в функцию
приемника не входит восстановление формы переданного сигнала, она известна. В
демодуляторе в результате анализа принятого сигнала должно быть принято
решение, какой из стандартных дискретных сигналов передавался. Это решение
принимается в пороговом устройстве. Для двоичных сигналов это обычно
сравнивающее устройство, подключаемое к цепям последетекторной обработки. Цель
этой обработки состоит в таком преобразовании сигналов, чтобы они имели
максимальное отличие от помех и друг от друга. Тогда уменьшается вероятность
ошибочных решений.
Помехоустойчивость РТС это способность различать
сигналы с заданной достоверностью при наличии помех.
Потенциальная
помехоустойчивость это предельно допустимая помехоустойчивость при заданных
сигналах и помехах. Потенциальную помехоустойчивость может обеспечить только
специально сконструированный оптимальный приемник, она не может быть превышена.
Реальная помехоустойчивость -
помехоустойчивость РТС с учетом ее реального выполнения и настройки.
Количественно помехоустойчивость оценивается: вероятностью ошибки
при
передаче дискретных сигналов, среднеквадратическим отклонением принятого
сигнала от переданного
.
отношением сигнал/помеха на выходе
демодулятора
Алгоритм оптимальной обработки
обычно связан с вычислением интеграла
. Для вычисления интеграла
используют оптимальные когерентные корреляционные демодуляторы и оптимальные
когерентные демодуляторы на согласованных фильтрах.
Обнаружение сигналов в
радиотехнических системах
. Обнаружение полностью
известных сигналов.
Напряжение на выходе оптимального приемника
равно
,
где
коэффициент пропорциональности, Т-
длительность сигнала.
Выходное напряжение можно
рассматривать как сумму двух составляющих
.
- сигнальная функция,
пропорциональная автокорреляционной функции входного сигнала.
- шумовая функция, пропорциональная
функции взаимной корреляции сигнала и шума.
Сигнальная функция характеризует
полезный сигнал на выходе фильтра, она является функцией времени
. Здесь для
времени введено обозначение
, т.к. после интегрирования по
переменной t последняя
будет исключена, и зависимость от времени будет определяться временным сдвигом
.
Максимальное значение сигнальной
функции при
.
Обнаружение сигналов характеризуется
вероятностью правильного обнаружения
и вероятностью ложной тревоги
. Если
плотность распределения значений шумовой функции характеризуется нормальным
законом со средним значением равным нулю и дисперсией равной
, то
вероятность ложной тревоги
,
где
- порог обнаружения,
,
- априорные
вероятности отсутствия и наличия сигнала,
- функция Лапласа.
Вероятность правильного обнаружения
при
равна

. Обнаружение реальных сигналов.
Полностью известные сигналы это
математическая абстракция. Реальные сигналы обычно имеют неизвестные параметры.
Это приводит к необходимости увеличивать отношение сигнал/шум на входе
приемного устройства.
В реальных условиях приема
радиосигналов никогда нельзя заранее знать их начальную фазу. При обнаружении
сигналов с неизвестной начальной фазой устройство и характеристики оптимального
приемника изменяются. При практических расчетах пользуются приближенной
формулой
Помимо начальной фазы случайной
величиной может являться амплитуда сигнала. При обнаружении сигнала с
неизвестными начальной фазой и амплитудой рабочие характеристики приемника
описываются соотношением
.
Для малых значений вероятностей правильного
обнаружения требуемое отношение сигнал/шум будет больше при нефлуктуирующем
сигнале и, значит, флуктуация способствует обнаружению.
Потенциальная помехоустойчивость приема
дискретных сигналов.
При приеме дискретных сигналов правильность
передачи характеризуют вероятностью ошибки при приеме этих сигналов.
Под потенциальной помехоустойчивостью приема
дискретных сигналов понимают возможную минимальную вероятность ошибки при
приеме заданных сигналов на оптимальный приемник. При приеме на реальный
приемник, как правило, помехоустойчивость ниже потенциальной и ни при каких
условиях не может превышать последнюю.
При когерентном приеме сигнал полностью
известен, а при некогерентном приеме один или несколько параметров сигнала
могут быть случайными функциями времени.
Потенциальная помехоустойчивость приема
непрерывных сигналов.
Для определения помехоустойчивости
приема непрерывных сигналов необходимо вычислить отношения средних мощностей
сигнала
, и помехи
на выходе
демодулятора
В любом демодуляторе отношение
сигнал/помеха на выходе
зависит не
только от качественных показателей демодулятора, но и от отношения
сигнал/помеха на его входе
. Помехоустойчивость систем передачи
непрерывных сигналов оценивают выигрышем в отношении сигнал/помеха
,
причем средние мощности помех на входе и выходе
демодулятора определяются в полосе частот сигналов.
Выигрыш g
показывает изменение отношения сигнал/помеха демодулятором. При g
>1 демодулятор улучшает отношение сигнал/помеха, при g
< 1 получается не “выигрыш”, а “проигрыш” демодулятора.
Расчетные формулы выигрыша оптимального
демодулятора для различных видов модуляции при помехе в виде аддитивного белого
гауссовского шума приведены со следующими обозначениями:
- коэффициент расширения полосы,
показывающий, во сколько раз ширина спектра модулированного сигнала
превышает
максимальную частоту модулирующего сигнала
, M - коэффициент
модуляции, m - индекс
модуляции,
-
коэффициент амплитуды модулирующего сигнала, представляющий собой отношение его
максимальной мощности к средней, определяемый в логарифмических единицах, по
формуле
Физически малый выигрыш для АМ
объясняется тем, что большая часть мощности модулированного сигнала
сосредоточена в несущей. Полезная информация, создающая сигнал на выходе
детектора, содержится в маломощных боковых колебаниях, Поэтому устранение
несущей в АМ сигнале (переход к БМ и ОМ) увеличивает выигрыш до значения
.
В широкополосных видах модуляции
(ЧМ, ФМ, ФИМ и др.) выигрыш может быть намного больше единицы и резко
возрастает при расширении спектра модулирующего сигнала (кубическая зависимость
от коэффициента расширения полосы
) В связи с этим для увеличения
выигрыша следует повышать девиацию частоты угловых модуляций или уменьшать
длительность импульса несущей импульсных модуляций.
Формулы выигрыша являются исходными
как для определения качества приема непрерывных сигналов, так и для сравнения
различных систем передачи по помехоустойчивости.
В общем случае при оптимальном приеме также
имеет место проигрыш амплитудного демодулятора по сравнению с частотным
демодулятором при одинаковых условиях приема, т.е. при равенстве мощностей
модулированных сигналов и спектральной плотности мощности помех на входах
приемников.
Отношение сигнал/помеха на выходе демодулятора
Подставляя значения выигрышей демодулятора ЧМ и
демодулятора АМ и вычислив отношение, получим
Следовательно, при одних и тех же
условиях отношение сигнал/помеха в системе с ЧМ не менее чем в
раз больше,
чем в системе с АМ. На практике в системах с ЧМ применяют, как правило, индекс
модуляции
, и тогда
преимущество ЧМ по сравнению с АМ весьма значительное. Однако это преимущество
получается за счет расширения полосы занимаемых частот, т.е. осуществляется
обмен отношения сигнал/помеха на полосу частот.
Пороговый эффект при приеме непрерывных сигналов
с частотной модуляцией
Значительный выигрыш при широкополосных модуляциях
объясняется когерентным сложением в демодуляторе спектральных составляющих
сигнала. Сложение составляющих помех осуществляется не когерентно. Так при
когерентном сложении 12 одинаковых составляющих сигнала и помехи амплитуда
сигнала увеличивается в 12 раз, мощность соответственно в 144 раза, мощность
помех при этом возрастает только в 12 раз.
Однако из изложенного вовсе не
следует, что при широкополосных модуляциях при больших значениях коэффициента
расширения спектра
достигаются
огромные значения выигрыша демодулятора.
На первый взгляд кажется, что задача
обеспечения высокого качества передачи непрерывных сигналов решается достаточно
просто увеличением ширины спектра модулированного сигнала. Но с расширением
спектра растет мощность помехи на входе демодулятора и соответственно снижается
отношение сигнал/помеха
. При
некотором пороговом значении
резко увеличивается уровень помех
на выходе демодулятора, при этом отношение сигнал/помеха на выходе демодулятора
скачкообразно уменьшается.
Порогом помехоустойчивости
демодулятора является минимальное отношение сигнал/помеха на его входе, ниже
которого система передачи информации с заданной модуляцией теряет преимущество
по помехоустойчивости (высокий выигрыш). Пороговый эффект ограничивает
возможности широкополосных модуляций в повышении качества передачи непрерывных
сигналов. Появление порога можно объяснить эффектом подавления сильным сигналом
слабого в детекторе. В надпороговой области сигнал превышает помеху и в
детекторе подавляется более слабая помеха.
В подпороговой области помеха
превышает сигнал и в детекторе подавляется уже более слабый сигнал более
сильной помехой. Пороговые явления начинают наблюдаться при равенстве пиковых
значений сигнала и помехи. Обычно коэффициент амплитуды помехи
, порог
помехоустойчивости
дБ. При
синхронном детектировании АМ, БМ, ОМ сигналов пороговый эффект не наблюдается.
В настоящее время разработаны и
внедрены методы снижения порога помехоустойчивости для систем передачи
информации с ЧМ, как наиболее распространенной. С этой целью используются
следящие фильтры додетекторной обработки сигнала. Следящий фильтр имеет полосу
пропускания меньшую, чем ширина спектра модулированного сигнала и следит за
мгновенной частотой ЧМ сигнала, которая изменяется сравнительно медленно по
закону модулирующего сигнала. Это позволяет уменьшить мощность помехи на выходе
следящего фильтра примерно в
раз, что ведет к понижению порога на
(5 - 7) дБ.
Вместо следящего фильтра часто
используют следящий гетеродин, частота которого изменяется синхронно с частотой
принимаемого сигнала, полоса пропускания фильтра промежуточной частоты остается
при этом неизменной и равной
, где
- максимальная частота модулирующего
сигнала.
Помехоустойчивость при неоптимальном
приёме
На практике обычно применяют более
простые и надежные, хотя и менее помехоустойчивые неоптимальные варианты
приемных устройств. Для наиболее часто применяемых видов аналоговой и
дискретной модуляции (АМ, ЧМ, ФМ) схемы неоптимального приема по
помехоустойчивости незначительно отличаются от потенциальной.
При приеме дискретных сигналов АМ и
ЧМ структурные схемы демодуляторов аналогичны структурным схемам оптимальных
демодуляторов. Отличие только в том, что в оптимальном демодуляторе применяются
согласованные фильтры, в неоптимальном - полосовые фильтры до детектора и ФНЧ
после детектора.
Вероятность ошибки в неоптимальных
фильтровых демодуляторах АМ и ЧМ сигналов больше чем при некогерентном
оптимальном приеме. Энергетические потери составляют (3…6) дБ. Это ухудшение
помехоустойчивости вызывается двумя основными факторами:
уменьшением сигнал/помеха по
сравнению с согласованными фильтрами, межсимвольными помехами, создаваемыми
переходными процессами в фильтрах (остаточными колебаниями, возникающими в
результате воздействия предыдущих элементов сигнала).
Фазовая манипуляция обладает
наибольшей потенциальной помехоустойчивостью. При ФМ обязательно используется
когерентный прием (фазовое детектирование). Фазовый детектор исполняет роль
перемножителя, фильтр нижних частот - интегратора. Опорный генератор
подстраиваивается системой ФАПЧ так, чтобы частота и фаза его колебаний
полностью совпала с частотой и фазой одного из сигналов. В зависимости от
полярности напряжения на выходе ФНЧ в решающем устройстве формируются выходные
сигналы. Включение в схему полосового фильтра додетекторной обработки
необходимо для ограничения мощности помех на входе ФД.
Недостатком является то, что для
нормальной работы фаза колебаний генератора должна с высокой точностью
совпадать с фазой одного из сигналов. Этого можно достичь только передачей
специальных сигналов фазовой синхронизации, что усложняет схему.
При отсутствии фазовой синхронизации
в демодуляторе имеет место «обратная» работа. При любых схемах ФАПЧ
синхронизация генератора происходит по одному из сигналов и его фаза имеет два
устойчивых состояния: 0 или
.В результате воздействия помех в
канале фаза синхронизируемого генератора переходит скачком из одного состояния
в другое случайным образом, вызывая «обратную» работу.
Этот существенный недостаток
устранен в системах с относительной фазовой манипуляцией (ОФМ). В системах с
ОФМ информация передается не абсолютным, а относительным значением фазы,
которое вычисляется как разность фаз между переданным в данный момент и
предыдущим сигналом.
Демодулятор ОФМ сигналов по методу
сравнения полярностей состоит из двух частей: когерентного демодулятора ФМ
сигналов и относительного декодера. Принимаемый сигнал сначала обрабатывается
когерентным демодулятором ФМ и на его выходе наблюдается «обратная» работа.
Однако, подключенный к выходу решающего устройства относительный декодер (линия
задержки и сравнивающее устройство) устраняют ее. Это происходит потому, что в
сравнивающем устройстве сравниваются полярности настоящей и предыдущей посылок
и вырабатывается выходной сигнал по правилу: если полярности совпадают -
положительное напряжение, если полярности соседних посылок разные -
отрицательное. “Обратная” работа изменяет полярность как настоящей, так и
предыдущей посылок и поэтому не сказывается на полярности сигнала на выходе
сравнивающего устройства.
Относительный декодер в когерентном
демодуляторе ОФМ сигналов при устранении «обратной» работы удваивает количество
ошибок, что эквивалентно незначительному энергетическому проигрышу в
(0,15….0,3) дБ по сравнению с потенциальной помехоустойчивостью ФМ сигналов.
При приёме непрерывных АМ и ЧМ
сигналов структурные схемы реальных приемников идентичны оптимальным и содержат
три основных функциональных узла (полосовой фильтр додекторной обработки,
детектор, низкочастотный фильтр последекторной обработки).
Необходимое усиление сигналов
производится как до детектора, так и после него. В радиоприемных устройствах
применяется обычно супергетеродинный прием и основное усиление обеспечивается
на промежуточной частоте. При выборе характеристик фильтров, приближающихся к
идеальным, реальные схемы приёмников обеспечивают незначительно, на (2…4) дБ
хуже, потенциальной. Для обеспечения высокого качества передачи необходимо
добиваться малых амплитудно-частотных и фазо-частотных искажений сигналов в
фильтрах передатчика, канала связи, приемника, линейности характеристик
детектора.
В системах связи с непрерывной ЧМ
для повышения помехоустойчивости применяют предыскажения модулирующего сигнала.
В передатчике АЧХ тракта звуковой частоты имеет вид кривой, поднимающейся
вверх, в приемнике эта характеристика, наоборот, опускается вниз. При
согласовании АЧХ передатчика и приемника частотные искажения в сквозном тракте
будут отсутствовать.
Дополнительный выигрыш в ослаблении
помех получается по двум причинам: спектральная плотность мощности помехи на
выходе частотного детектора параболически возрастает из-за того, что помеха
сказывается тем сильнее, чем больше отличие ее частоты от частоты
сигнала(свойство частотного детектора); мощность верхних звуковых частот в
спектре речи, музыки обычно значительно меньше, чем нижних.
Введение предыскажений при передаче
сигналов звукового вещания позволяет улучшить отношение сигнал/помеха на выходе
ЧМ приемника на 12 дБ при полосе звуковых частот 10 кГц, а при полосе 4 кГц
около 6 дБ.
При АМ этот метод также дает
выигрыш, но менее значительный. В полосе звуковых частот 10 кГц достигается
выигрыш около 7 дБ, а в полосе 4 кГц около 3 дБ.
Производительность источников
радиотехнических систем.
Среднее количество информации,
приходящееся на одно дискретное сообщение
,называется энтропией источника
сообщений
- вероятность сообщения
;
- число
сообщений
.
Информационный смысл имеет не сама
дифференциальная энтропия, а разность дифференциальных энтропий, например, на
входе и выходе канала связи.
Под производительностью источника
понимают энтропию источника (среднее количество информации, создаваемой
источником в единицу времени).
Если за время
источник
дискретных сообщений выдал
сообщений, то количество
произведенной им информации
и производительность источника
,
где
- средняя длительность сообщения.
Для непрерывных сообщений при их
преобразовании в цифровую форму с частотой дискретизации
производительность
источника сообщений
, где
- энтропия
отсчета. При числе равновероятных уровней квантования
, производительность
источника сообщений
.
Пропускная способность
радиотехнических систем.
Скорость передачи информации
определяется средним количеством информации, которое получают на выходе канала
связи в единицу времени. При вычислении скорости передачи информации в канале
связи с помехами необходимо учитывать потери информации из-за действия помех.
Для дискретного канала связи
скорость передачи информации
,
для непрерывного канала связи
скорость передачи информации
.
где
- энтропия передаваемого дискретного
первичного сигнала.
-
дифференциальная энтропия передаваемого непрерывного сигнала;
,
- энтропии
потерь в канале для дискретного и непрерывного первичных сигналов
соответственно;
- средняя
длительность дискретного первичного сигнала;
- максимальная частота спектра
непрерывного первичного сигнала.
Наибольшее значение скорости
передачи
информации по каналу связи при заданных ограничениях называют пропускной
способностью канала связи. Под заданными ограничениями понимают тип канала
связи (дискретный или непрерывный), характеристики сигналов и помех.
Пропускная способность двоичного
дискретного канала определяется
Для непрерывного канала максимальная
скорость передачи информации достигается для гауссовского канала с постоянными
параметрами при условии, что для сигнала распределение вероятностей мгновенных
значений при ограниченной средней мощности близко к нормальному распределению.
Расчетная формула пропускной
способности гауссовского канала выведена Шенноном и носит его имя
,
где
- ширина полосы пропускания канала;
- отношение
сигнал/помеха по мощности.
Для любой радиотехнической системы
величина пропускной способности должна быть намного больше производительности
источника сообщений. Это формулируется в основной теореме Шеннона: если
производительность источника меньше пропускной способности канала, то
существует способ кодирования (преобразования сообщения в сигнал на входе) и
декодирования (преобразования сигнала в сообщение на выходе канала), при котором
вероятность ошибочного декодирования может быть сколь угодно мала.
Определение требуемой мощности
радиопередатчика.
Оценка энергии сигнала.
Вычисленные по формулам минимальные
отношения сигнал/шум по мощности для детерминированного сигнала, сигнала со
случайной фазой, сигнала со случайной фазой и флуктуирующей амплитудой
позволяют оценить лишь теоретически необходимое для обнаружения сигнала с
заданными вероятностями
и
отношение сигнал/шум
. При
использовании любой реальной системы обнаружения для обеспечения заданных
значений вероятностей правильного обнаружения и ложной тревоги потребовалось бы
обеспечить значительно большее отношение сигнал/шум.
Объясняется это тем, что в любой
реальной системе вследствие ее несовершенства имеет место уменьшение отношения
сигнал/шум по сравнению с его значением на входе, неучтенное при теоретическом
исследовании.
Такие потери имеют место в антенне.
Обычно при расчетах используют значение сигнала, отвечающее максимуму диаграммы
направленности антенны. Реальное значение может быть меньше. Это приводит к
уменьшению
примерно в
1,5 или примерно на 1,8 дБ.
По целому ряду причин, в частности
из-за случайных изменений частоты колебаний, генерируемых в радиопередатчике,
полосу пропускания приемного тракта приходится брать значительно шире спектра
сигнала. Это приводит к тому, что на входе приемника появляются дополнительные
шумы, что также приводит к уменьшению
примерно в 1,5 или примерно на 1,8
дБ.
Потери также могут возникать при
последетекторной обработки сигналов из-за дробления шумами принимаемых
сигналов. В сумме потери составляют примерно
дБ.
При расчете радиотехнической системы важно
определить необходимую энергию сигнала. Эта энергия определяется отношением
.
Величину
можно
оценить по приведенным выше формулам. Далее необходимо учесть потери величиной
. Энергия
сигнала может быть определена
Оценка требуемой мощности радиопередатчика.
Для оценки требуемой мощности радиопередатчика
радиотехнической системы необходимо учитывать распространение радиоволн
различных диапазонов с целью определения напряженности электромагнитного поля в
точке приема.
РАСЧЕТНАЯ ЧАСТЬ
1) Минимальное отношение сигнал/шум при
обнаружении детерминированного сигнала:
2) Минимально необходимое отношение
сигнал/шум при обнаружении сигнала с неизвестной начальной фазой:
=
3)
Минимально необходимое отношение сигнал/шум при обнаружении сигнала с
неизвестной начальной фазой и флуктуирующей амплитудой:
=
В качестве оптимального демодулятора
применил схему когерентного демодулятора на согласованных фильтрах:
Расчет потенциальной помехоустойчивости
оптимального приема непрерывного ЧМ-сигнала при оптимальном приеме:
Отношение сигнал/шум
(дБ)
Параметры модуляции:
девиация частоты:
максимальная частота модуляции
(Гц)
коэффициент амплитуды
(дБ)
Расчет:
) Индекс модуляции:
)Коэффициент амплитуды:
) Коэффициент расширения полосы:
4) Выигрыш в отношении сигнал/помеха:
5) Отношение сигнал/помеха на выходе
демодулятора:
В логарифмических единицах
дБ<
дБ, что свидетельствует о выигрыше
демодулятора.
Расчет производительности источника
сообщений.
Параметры для расчета согласно
таблице:
частота дискретизации
(кГц)
число равновероятных уровней
квантования
(бит/с)
1) Ширина полосы пропускания:
(кГц)
2) Отношение сигнал/помеха по мощности 36,3
3) Пропускная способность канала передачи:
(бит/c)
Расчет требуемой мощности
передатчика.
Теперь вычислим требуемую мощность передатчика.
Для этого посмотрим чему равны:
1) Энергия шума:
(Вт), где
- спектральная плотность шума
- полоса частот сигнала
Потери в приемном тракте составляют
3 дБ
)
(дБ), что составляет
) Энергия сигнала:
Провела расчет требуемой мощности
передатчика для приемника, находящегося на расстоянии 100 км от передатчика.
Данные для расчета:
Напряженность электромагнитного поля
(Вт)
рабочая частота
(кГц)
коэффициент направленного действия
Мощность передатчика:
(Вт)
Требуемая мощность передатчика
составляет 28,3 Вт.
ГРАФИЧЕСКАЯ ЧАСТЬ
Рис.1 Структурная схема
оптимального когерентного корреляционного демодулятора ЧМ сигналов.
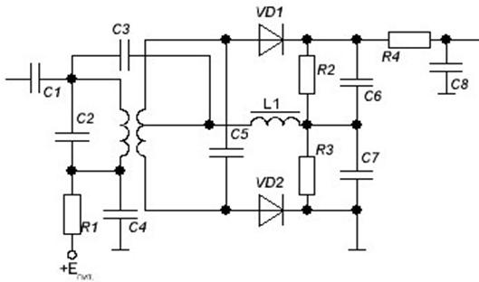
Рис.2 Принципиальная электрическая схема
частотного детектора
ЗАКЛЮЧЕНИЕ
В результате проделанной работы я приобрела
навыки расчёта параметров радиотехнической системы. Научилась определять:
потенциальную помехоустойчивость оптимального
приема дискретных или непрерывных сигналов;
реальную помехоустойчивость при неоптимальном
приеме,
производительность источника сообщений;
пропускную способность канала передачи;
необходимую мощность радиопередающего
устройства.
Итогом работы стал результат расчёта требуемой
мощности передатчика для приёмника, находящегося на расстоянии 100 км от
передатчика.
СПИСОК ЛИТЕРАТУРЫ
1. Бакеев Д.А. Оценка технической эффективности
радиотехнических систем передачи информации. П-Камчатский, 2004.
2.
Резников В.Ю., Устинов Ю.М., Дуров А.А., Бакеев Д.А. Кан В.С. Судовая
радиосвязь. Справочник по организации и радиооборудованию ГМССБ, Под ред.
Устинова Ю.М. С.-Петербург «Судостроение», 2002г.,-477 с.
.
Маринич А.Н., В.И.Санников В.И.,..Устинов Ю.М.,. Бакеев Д.А., Кан В.С.
Береговые системы управления движением судов. Петропавловск-Камчатский, 2007
г.- 201 с.
.
Маринич А.Н., Припотнюк А.В., Устинов Ю.М., Шигабутдинов А.Р., Бакеев Д.А., Кан
В.С. Современное судовое оборудование средств электронной навигации, ГМССБ и
береговая единая система контроля и управления судоходством.
Петропавловск-Камчатский:, 2007 г, - 261 с.
5. Бакеев Д.А. Радиотехнические системы передачи
информации. Методическое пособие для курсантов специальности 160905
П-Камчатский, 1997 г.
. Радиотехнические системы . Под ред. Казаринова
Ю.М.: М. Радио и связь, 1986.
. Радиотехнические системы передачи информации.
Под ред. Калмыкова В.В. М.: Радио и связь, 1986.