Расчет трехфазной электрической цепи
Министерство
образования и науки Российской Федерации
Федеральное
государственное бюджетное образовательное учреждение высшего профессионального
образования «Пермский национальный исследовательский политехнический
университет»
Кафедра
«Конструирования радиоэлектронных средств».
КОНТРОЛЬНАЯ
РАБОТА
По
дисциплине: ТОЭ.
Тема:
«РАСЧЕТ ТРЕХФАЗНОЙ ЭЛЕКТРИЧЕСКОЙ ЦЕПИ»
Пермь
2015г.
Задание
. По заданному номеру варианта изобразить цепь,
подлежащую расчету, выписать значения параметров элементов цепи.
. Рассчитать фазное и линейное напряжение
генератора, ток, фазное и линейное напряжения нагрузки, мощность,
вырабатываемую генератором и расходуемую в нагрузке в
а) симметричном режиме;
б) несимметричном режиме.
. Рассчитать потенциалы всех точек и построить
совмещенную топографическую диаграмму потенциалов, принимая потенциал
нейтральной точки генератора равным нулю, и векторную диаграмму токов для
симметричного и несимметричного режимов.
. Определить аналитически и по топографической
диаграмме напряжение между двумя заданными точками, записать мгновенное
значение этого напряжения.
. Составить уравнение баланса активных и
реактивных мощностей генератора и нагрузки, проверить его выполнимость для
симметричного и несимметричного режимов.
Решение
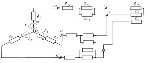
Рис.1
К симметричному трехфазному
генератору (рис. 1) с фазной ЭДС E = 220 В и внутренним сопротивлением
Ом через
линию, сопротивлением
, подключена
симметричная нагрузка
Ом,
соединенная треугольником. Несимметричный режим: короткое замыкание
линии Bb.
Необходимо определить uВd .
Комплексные сопротивления линий:
Комплексные сопротивления на фазе:
Запишем фазные ЭДС генератора в
комплексном виде:
В;
В;
В.
Расчет симметричного режима
Определим нагрузку
:
Ом.
Определим сопротивление линии
.
Для того, чтобы найти линейный ток
преобразуем треугольник сопротивлений в звезду (Рис. 2)
Рис. 2
Преобразованные сопротивления
Определим линейный ток нагрузки по
закону Ома (полагаем, что
В):
Токи в линиях В и С соответственно
А;
А.
.
Определим линейное напряжение
Определим фазные токи нагрузки
Фазные напряжения на зажимах
генератора
Такие напряжения в других фазах
сдвинуты соответственно на
и
:
Линейные напряжения на выводах
генератора
Активная мощность, вырабатываемая
генератором
кВт.
Мощность, расходуемая в нагрузке
кВт.
Составим баланс активной и
реактивной мощностей генератора и нагрузки и проверим его выполнимость
ВА.
Активная мощность генератора
кВт,
реактивная мощность −
кВАр.
Потребляемая активная мощность
складывается из мощностей расхода на внутреннем сопротивлении генератора,
сопротивлении линии и нагрузки:
реактивная мощность в элементах
внутреннего сопротивления генератора, линии и приемника
ВАр.
Построение топографической диаграммы
Рассчитаем потенциалы всех точек
схемы (см. рис. 1), приняв потенциал нейтральной точки генератора O равным
нулю:
;
В;
В;
В;
мощность генератор фазный ток
Совмещенная векторная диаграмма токов и
потенциальная диаграмма напряжений представлена на рис. 3. Определим напряжение
между точками b и d:
мгновенное значение напряжения
В.
Рис. 3
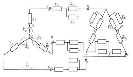
Расчет несимметричного режима
Не симметрия режима возникает
вследствие короткого замыкания
линии Bb. При этом сопротивление
линии Вb будет определятся сопротивлением
.
В этом случае между нулевыми точками
генератора и нагрузки возникает напряжение смещения нейтрали:
Определим проводимость нагрузки
Тогда
Токи фаз
Проверка показывает, что
.
Определим линейные напряжения
Определим фазные токи нагрузки
;
;
.
Такие напряжения в других фазах
сдвинуты соответственно на
и
:
Линейные напряжения на выводах
генератора
Активная мощность, вырабатываемая
генератором
Мощность, расходуемая в нагрузке
Составим баланс активной и
реактивной мощностей генератора и нагрузки и проверим его выполнимость
Активная мощность генератора
кВт,
реактивная мощность −
кВАр.
Потребляемая активная мощность
складывается из мощностей расхода на внутреннем сопротивлении генератора,
сопротивлении линии и нагрузки:
реактивная мощность в элементах
внутреннего сопротивления генератора, линии и приемника
Поскольку баланс активных и
реактивных мощностей выполняется, то расчет произведен верно.
Построение топографической диаграммы
Рассчитаем потенциалы всех точек
схемы, приняв потенциал нейтральной точки генератора O равным нулю:
;
В;
В;
В;

Совмещенная векторная диаграмма
токов и потенциальная диаграмма напряжений представлена на рис. 4.
Определим напряжение между точками b
и d:
мгновенное значение напряжения
В.
Рис. 4