|
Характер нагрузки
|
IAB, А
|
IBС, А
|
IСA,
А
|
IA, А
|
IB, А
|
IC, А
|
U AB,B
|
UBC,B
|
UCA,B
|
|
Симметричная
|
|
|
|
|
|
|
|
|
|
|
Несимметричная
|
|
|
|
|
|
|
|
|
|
|
Обрыв фазы
|
|
|
|
|
|
|
|
|
|
|
Обрыв линейного провода
|
|
|
|
|
|
|
|
|
|
КРАТКИЕ ТЕОРЕТИЧЕСКИЕ СВЕДЕНИЯ
Трехфазной системой переменных
токов называется совокупность трех однофазных электрических цепей, в которых
действуют синусоидальные ЭДС одинаковой частоты, сдвинутые по фазе на 1/3
периода и создаваемые общим источником электрической энергии. Обмотки фаз
генератора имеют одинаковое число витков и выполняются из провода одинакового
сечения, поэтому ЭДС, индуктированные в них, равны по величине. Если каждая из
трех фаз генератора работает на автономную нагрузку, то такая трехфазная
система называется несвязанной, в ней генератор соединен с потребителем шестью
проводами (рис.2).
По закону Ома ток, протекающий в
фазе
где UФ - напряжение
на зажимах фазы
ZФ - полное
сопротивление фазы.
Несвязанные системы неэкономичны
и практического применения не имеют. Соединение фаз генератора и нагрузки может
осуществляться по схемам "звезда" или "треугольник".
Объединяя попарно провода
несвязанной шестипроводной системы (рис.2) и соединяя фазы генератора и
нагрузки, можно перейти к трехпроводной трехфазной системе, соединенной
треугольником (рис.3).
Как видно, соединение
треугольником выполняется так, чтобы конец фазы "ав" был соединен с
началом фазы "вс", конец фазы "вс" соединен с началом фазы
"са", конец фазы "са" соединен с началом фазы "ав".
К общим точкам соединения фаз подводятся линейные провода, соединяющие
генератор с нагрузкой.
При соединении нагрузки по схеме
"треугольник" линейное напряжение равно фазному: Uл = Uф.
Соотношения между фазными и
линейными токами устанавливаются на основании первого закона Кирхгофа из
уравнений, составленных для узловых точек "а", "в", "с"
нагрузки
IА=
Iав - Iса
IВ =
Iвс - Iав
IС
= Iса - Iвс
Таким образом, линейные токи
равны алгебраической сумме векторов фазных токов. При симметричной нагрузке
фазные токи одинаковы и сдвинуты по фазе на 120°. Векторная диаграмма для
данного случая изображена на рис.4
Рис.4
НЕСИММЕТРИЧНАЯ НАГРУЗКА ФАЗ
Если в одну из фаз включить
дополнительное сопротивление параллельно имеющемуся, то есть, увеличить
количество ламп, то общее сопротивление этой фазы уменьшится, а ток возрастет.
Величины токов в двух других
фазах остаются неизменными, так как их сопротивления и напряжения не
изменились. Векторная диаграмма, представленная на рис.5, построена для случая
увеличения нагрузки в фазе "АВ".
Рис.5 Рис.6
При увеличении сопротивления
одной из фаз, например, фазы "ВС", до
бесконечности, что соответствует обрыву данной фазы, ток в ней равен нулю, в
двух других фазах токи не изменятся, так как сопротивления в них остались как и
при симметричной нагрузке.
Векторная диаграмма для данного
случая изображена на Рис.6.
Лампы, включенные в фазу "ВС",
не горят. В двух других фазах накал ламп такой же, каким был при симметричной
нагрузке.
В случае обрыва одного из
линейных проводов (например, провода, по которым протекает ток Iа), цепь
трехфазного тока (рис.7) можно представить в виде однофазной с двумя
параллельно включенными ветвями (рис.8)
В этом случае лампы в фазе
"ВС" остались под фазным напряжением.
Векторная диаграмма имеет вид рис.9.
Эти фазы оказываются соединенными последовательно под напряжение фазы Uвс.
Следовательно, напряжение Uвс
делится поровну между фазами "АВ" и "СА". Активная мощность
трехфазного тока при несимметричной нагрузке фаз равна сумме активных мощностей
отдельных фаз:
Р = Рав + Рвс + Рса,
где: Рав
= Uaв Iав cosjав
Pвс = Uвс Iвс cosjвс
Pса = Uса Iса cosjса
При симметричной нагрузке фаз Р
= 3Рф = 3UфIфcosj.
А так как при соединении
нагрузки треугольником
то есть, Р =
Uл Iл cosjф.
Соответственно реактивная
мощность Q =
Uл Iл sinjф.
Полная мощность S =
Uл Iл
Содержание ОТЧЕТА
1. Технические характеристики
приборов и элементов, используемых в работе.
2. Схемы и таблицы.
3. Расчетные формулы и векторные
диаграммы.
4. Выводы.
КОНТРОЛЬНЫЕ ВОПРОСЫ:
1. Какое соединение фаз
генератора или нагрузки называется треугольником?
2. Каковы соотношения между
линейными и фазными напряжениями и токами при симметричной нагрузке фаз,
соединенных треугольником?
3. Как определяются линейные
токи?
4. Как определяется активная,
реактивная и полная мощности трехфазной цепи при различных нагрузках?
5. Каковы будут напряжения на
фазах приемников энергии, если перегорит предохранитель в одном из линейных
проводов?
6. Построить векторные диаграммы
для всех случаев симметричной и несимметричной нагрузок фаз.
Литература
3.
Иванов И.И., Равдоник В.С. Электротехника. - М.: Высшая школа, 1984, с.101 - 104.
4.
Касаткин А.С., Немцов М.В. Электротехника. - М.: Энергоатомиздат, 1983,с.112 - 114.
Методические указания к лабораторной работе № 8
ИССЛЕДОВАНИЕ ОДНОФАЗНОГО
СЧЕТЧИКА ЭЛЕКТРИЧЕСКОЙ ЭНЕРГИИ.
Цель работы:
изучить устройство, принцип работы однофазного счетчика, научиться включать его
в сеть и производить поверку.
Теоретические сведения
Электрическая энергия равна
произведению мощности электрической цепи на время:
где Р - мощность, Вт;
t -
время, с.
Единица измерения электрической
энергии - Вт×с. На практике
применяют более крупную единицу - кВт×
ч:
1кВт×ч = 1000 ×3600
= 3600000 Дж (Вт×с).
Для учета электрической энергии
в цепях однофазного тока используются электрические счетчики индукционной
системы типа СО. Счетчик измеряет энергию, израсходованную потребителем за
определенный промежуток времени:

где u -
мгновенное значение напряжения питания приемников энергии, В,
i - мгновенное значение тока,
протекающий в цепи потребителя, А
p -
мгновенное значение мощности потребителя, Вт
t - время, с
Следовательно, электрический
счетчик - это суммирующий прибор. Все электрические счетчики по роду
измерений величины подразделяются на две группы:
счетчики активной энергии
счетчики реактивной энергии.
Для учета энергии трехфазных
потребителей в четырехпроводной сети применяют трех - и четырехэлементные
счетчики активной энергии (СА-3, СА-4) и реактивной энергии (СР-3, СР-4). В
данной работе исследуется индукционный однофазный счетчик электрической энергии
типа СО-2.
УСТРОЙСТВО СЧЕТЧИКА
(см. плакат и счетчик на стенде)
На стальных сердечниках
сложной формы, набранных из тонких пластин электротехнической стали, установлены
две обмотки (катушки) - токовая обмотка (1) и обмотка напряжения (2).
Токовая обмотка
выполнена незначительным числом витков медного провода относительно большого
сечения, соответствующего номинальному току счетчика. Она включается в сеть последовательно
с нагрузкой.
Обмотка напряжения
имеет 8-12 тыс. витков тонкой проволоки диаметром 0,8 или 0,12 мм и включается
в сеть параллельно нагрузке.
Между сердечниками установлен алюминиевый
диск 3, который укреплен на оси 6 и свободно вращается в
подпятниках.
Постоянный магнит
4 необходим для создания тормозного момента. На оси 5 расположена
червячная передача 7, которая приводит в движение счетный
механизм Все элементы счетчика укреплены на пластмассовом основании и
закрываются крышкой. В нижней части основания укреплены клеммы
для включения счетчика в сеть.
На лицевой стороне счетчика под
стеклом установлен паспорт, в котором указываются основные
данные счетчика, например
тип - СО-2
класс точности - 2,5
передаточное число К - 1200 об/ кВт*час (или другое значение, см. счетчик)
напряжение - 220 В
номинальный ток - 5А
частота тока - 50 Гц
ГОСТ
заводской номер
год выпуска.
Принцип работы счетчика
При включении катушки напряжения
в сеть по ней течет ток, который вызывает в сердечнике 1 магнитный
поток Ф, разделенный на две части: Фр и ФL, где Фр - рабочий поток, который пронизывает
алюминиевый диск и замыкается через противополюсную скобу; ФL -
магнитный поток, замыкающийся через боковые стержни сердечника и
непосредственного участия в создании вращающего момента счетчика не
принимающий.
При включении потребителей по
токовой катушке течет ток I. Этот ток создает магнитный поток ФI, который пересекает диск в двух местах. Это
обеспечивается U - образной формой магнитопровода
токовой катушки.
Магнитные потоки Фр и ФI,
пронизывая диск, индуктируют в нем вихревые токи.
Взаимодействие переменных
магнитных потоков Фр и ФI с индуктированными ими токами
создает вращающий момент, действующий на диск 3.
Величина этого вращающего момента определяется величиной напряжения, под которым
находится катушка 2, величиной тока нагрузки I,
протекающего по токовой катушке и коэффициентом мощности cos j цепи, в которую включен счетчик
где k - коэффициент
пропорциональности.
Таким образом, вращающий момент,
действующий на диск счетчика, пропорционален активной мощности цепи, в которую
он включен. Под действием этого вращающего момента диск вращается.
Установившаяся скорость вращения диска наступает при равенстве вращающего и
тормозного моментов:
МВр = МТ
Тормозной момент создается
постоянным магнитом 4. Скорость вращения диска
пропорциональна мощности потребителя. С осью диска связан вал счетного
механизма. Число оборотов вала счетного механизма зависит от мощности, времени
и передаточного числа счетного механизма К. Передаточное число
счетчика - это число оборотов его диска, приходящегося на 1 кВт×ч.
К=
N/W= N/P*t
Энергия, потребленная из сети за
время, в течение которого диск сделал Nt оборотов, будет равна:
где Wt - энергия за
время t, Вт×с
(кВт×ч)
P - мощность потребителя, Вт (кВт)
t - время, за которое диск
сделал n оборотов, с
Nt - число оборотов
диска за время t
Методика поверки счетчика
Счетчик будет точно учитывать
энергию при соблюдении многих условий, которые строго выполнить практически
невозможно.
Для данного счетчика допускаются
следующие погрешности в зависимости от величины тока при cos j = 1:
0,1Iн - ±3,5%
0,2Iн - ±2,5%
0,5Iн - ±2,5%
1,5Iн - ±2,5%
Для поверки счетчика необходимо:
Определить номинальную
постоянную счетчика
1 кВт*ч
1000*3600 Вт*с
CН = --- , ------ ; Cн = -------------, ------
К
об К об
Величину К берут из
паспортных данных счетчика.
Номинальная постоянная
счетчика - это величина, обратная передаточному числу. Она определяет
количество энергии в Вт×с,
приходящееся на один оборот диска.
2. Определить действительную
постоянную счетчика
где U - напряжение сети, В
I - ток потребителя, А
t - время, за которое диск
сделает n оборотов
n - количество оборотов диска (принять
равным 10).
3. Определить относительную
погрешность счетчика


Если действительная постоянная
больше номинальной, счетчик дает заниженные показания - недоучитывает энергию;
если действительная постоянная меньше номинальной - счетчик дает завышенные
показания.
Согласно ГОСТ 6570-70 счетчики
электрической энергии выпускаются трех классов точности: 1; 2; 2,5. Цифра,
обозначающая класс точности, указывает значение допустимой относительной
погрешности счетчика при его номинальной нагрузке.
Определить чувствительность
счетчика
где I min - минимальный ток,
при котором диск начинает устойчиво вращаться.
По ГОСТ 6570-60 чувствительность
не должна быть меньше 0,5 - 1,0% в зависимости от класса точности.
В данной работе чувствительность
не определяется.
Порядок выполнения работы
1. Изучить конструкцию счетчика,
принцип его работы.
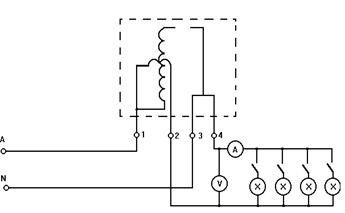
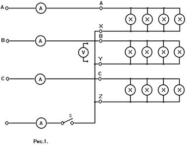
2. Собрать схему согласно рис.1.
3. Включением ламп установить
нагрузку, соответствующую 10%, 20%, 50%, 100%, от номинального тока, указанного
в паспорте.
21
4. Для каждого значения тока
определить по секундомеру время, за которое диск делает 10 оборотов. Все
полученные данные напряжения, тока и времени занести в таблицу 1.
5. Вычислить номинальную и
действительную постоянные, относительную погрешность для всех режимов работы
счетчика.
Сделать выводы о пригодности
данного счетчика.
Используя принцип работы
однофазного счетчика, проанализировать работу трехфазного счетчика и на основе рис.2
изобразить схему прямого включения в сеть трехфазного счетчика (т.е. исключив
трансформаторы тока ТА1... ТА3)
Рис.1 Схема исследования
однофазного счетчика активной энергии.
Рис.2. Схема подключения
трехфазного счетчика электрической энергии.
Таблица 1
|
N
п/п
|
Измерено
|
Вычислено
|
|
U, В
|
I, А
|
t, c
|
n, об
|
Cн,
Вт× с/об
|
Cд,
Вт× с/об
|
d, %
|
|
|
|
|
|
|
|
|
2
|
|
|
|
|
|
|
|
|
3
|
|
|
|
|
|
|
|
|
4
|
|
|
|
|
|
|
|
Содержание отчета
Схема включения однофазного
счетчика в сеть.
Схема включения трехфазного
счетчика (п.7).
Таблица с результатами
измеренных и вычисленных значений.
3. Выводы о результатах поверки
счетчика.
Контрольные вопросы.
1. Единицы измерения
электрической энергии.
2. Основные части счетчика и их
назначение.
3. Принцип работы индукционного
счетчика.
4. Что указывается в паспорте
счетчика?
5. Что называется передаточным
числом счетчика?
6. Что показывает класс точности
счетчика?
7. Что называется номинальной
постоянной счетчика? Как она определяется?
8. Что называется действительной
постоянной счетчика?
9. Как определить погрешность
счетчика?
Литература
1.
Касаткин А.С., Немцов М.В. Электротехника. - М.: Энергоатомиздат, 1983,с.277 - 284.
2. Яцкевич В.В. Электротехника.
- Мн.: Ураджай, 1981. - 183с.
3. Прищеп Л.Г. Учебник сельского
электрика. - М.: Агропромиздат, 1986. - 509с.
Методические указания к лабораторной работе № 9
ИССЛЕДОВАНИЕ ОДНОФАЗНОГО
ТРАНСФОРМАТОРА
Цель работы:
1. Изучить конструкцию и принцип
действия однофазного трансформатора.
2. Исследовать трансформатор в
режимах холостого хода, короткого замыкания и при нагрузке.
ПОРЯДОК ВЫПОЛНЕНИЯ РАБОТЫ
1. Ознакомиться с устройством
трансформатора, записать его паспортные данные, технические характеристики
приборов, используемых в работе.
2. Собрать схему рис.1.
3. После проверки схемы
преподавателем включить напряжение и произвести опыт холостого хода.
4. По данным опыта вычислить:
а) коэффициент трансформации n;
б) полную мощность S;
в) коэффициент мощности cosj;
г) угол потерь в стали d.
Результаты измерений и
вычислений записать в таблицу 1.
Построить векторную диаграмму
режима холостого хода трансформатора.
5. Собрать схему рис.2.
6. После проверки схемы
преподавателем включить напряжение и, постепенно увеличивая нагрузку, записать
показания приборов в таблицу 2.
7. По результатам измерений п.6
построить внешнюю характеристику трансформатора и определить процентное
изменение напряжения DU%.
8. Собрать схему рис.3.
9. После проверки схемы
преподавателем включить напряжение и произвести опыт короткого замыкания. Для
этого к первичной обмотке трансформатора подвести такое напряжение, при котором
в первичной и вторичной обмотках устанавливаются номинальные токи I1Н
и I2Н.
10. По данным опыта короткого
замыкания вычислить: полное сопротивление Z2, активное сопротивление
rК, реактивное сопротивление XК.
Pезультаты измерений и
вычислений занести в таблицу 3.
КРАТКИЕ ТЕОРЕТИЧЕСКИЕ СВЕДЕНИЯ
Трансформатором называется
статический электромагнитный аппарат, предназначенный для преобразования
напряжения и тока при неизменной частоте.
Процесс преобразования
энергии называется трансформацией.
Трансформатор может быть
повышающим и понижающим. По числу фаз различают трансформаторы однофазные и
трехфазные. Однофазный трансформатор (двухобмоточный) состоит из двух обмоток,
намотанных на сердечник, который
набирается из тонких листов
электротехнической стали, что уменьшает потери энергии от вихревых токов. Листы
изолируются друг от друга лаком или оксидной пленкой.
Обмотка, к которой подается
напряжение, называется первичной.
Обмотка, к которой подключается
нагрузка, называется вторичной.
Каждый трансформатор имеет
щиток, на котором указываются следующие основные номинальные данные:
номинальная мощность SН
(кВА);
номинальные напряжения на
зажимах первичной и вторичной обмоток U1н и U2н;
номинальные токи I1н
и I2н, частота f, напряжение короткого замыкания Uк.
Номинальными называются такие
величины мощности, напряжения и тока, при которых в трансформаторе наступает
тепловое равновесие при температуре нагрева обмоток, не вызывающего разрушения
изоляции. Так, для современных силовых трансформаторов номинальные мощность и
ток принимаются такими, при которых тепловое равновесие наступает при
температуре окружающей среды 35°С.
ОПЫТ ХОЛОСТОГО ХОДА
ТРАНСФОРМАТОРА
Холостой ход трансформатора -
это такой режим его работы, при котором к зажимам первичной обмотки подводится
номинальное напряжение, а вторичная обмотка разомкнута.
Из опыта холостого хода можно
определить коэффициент трансформации, как отношение ЭДС первичной
обмотки к ЭДС вторичной обмотки:
где W1 и W2
- число витков первичной и вторичной обмоток.
Ток холостого хода
трансформатора составляет от 2,5 до 10% от номинального, поэтому падением
напряжения на первичной обмотке можно пренебречь и считать приближенно U1=E1,
а E2=U2. Тогда
где U20 - напряжение на зажимах вторичной обмотки при
холостом ходе, т.е. коэффициент трансформации - отношение напряжения на
зажимах обмоток трансформатора в режиме холостого хода. Мощность
трансформатора в этом режиме затрачивается на возмещение потерь на
перемагничивание магнитопровода (гистерезис) и на нагрев магнитопровода
вихревыми токами:
Pо=Pг+Pвт.
Полная мощность S = U1. I1
Коэффициент мощности при
холостом ходе:
Таким образом, опыт холостого
хода дает возможность определить коэффициент трансформации n, потери в стали
сердечника и угол потерь в стали: d= (90-j0).
ОПЫТ КОРОТКОГО ЗАМЫКАНИЯ
Из опыта короткого замыкания
трансформатора можно определить сопротивление обмоток, напряжение короткого
замыкания и потери в меди (в обмотках).
Опыт короткого замыкания
производится следующим образом. Вторичная обмотка замыкается накоротко через
амперметр, на первичную обмотку подается напряжение, пониженное до такой
величины, при которой токи в обмотках равны номинальным. Это напряжение
называется напряжением короткого замыкания Uк. Мощность в
режиме короткого замыкания расходуется на нагрев обмоток, т.е. на потери в
меди:
где rк = r1 +
r2; где r2 = n2×r2
- приведенное к первичной обмотке активное сопротивление вторичной обмотки
трансформатора.
Полное сопротивление короткого
замыкания определяется
Индуктивное сопротивление
короткого замыкания:
ВНЕШНЯЯ ХАРАКТЕРИСТИКА
ТРАНСФОРМАТОРА
Зависимость напряжения U2 на
зажимах вторичной обмотки трансформатора от тока нагрузки I2 при
неизменном напряжении на зажимах первичной обмотки при постоянном коэффициенте
мощности называется внешней характеристикой трансформатора. Для
снятия внешней характеристики при активной нагрузке (cosj=1) следует подвести к первичной обмотке номинальное напряжение
и при разомкнутой вторичной обмотке записать показания приборов. Затем,
постепенно увеличивая нагрузку, записать показания приборов. При помощи внешней
характеристики можно определить процентное изменение напряжения по формуле:
Здесь U20 -
напряжение на зажимах вторичной обмотки при холостом ходе; U2 -
напряжение при данной нагрузке.
Коэффициент полезного действия
трансформатора определяется из опытов холостого хода, короткого замыкания и
нагрузки. При этом потери в стали, определяемые из опыта холостого хода, не
зависят от нагрузки.
Потери в меди, определяемые из
опыта короткого замыкания, пропорциональны квадрату тока. Таким образом,
где P2Н = SН× cosj
- номинальная мощность трансформатора;
SН - полная
номинальная мощность трансформатора.
Для любой нагрузки коэффициент
полезного действия определяется по формуле:
Здесь P2=b×SН×cosj2
- мощность, отдаваемая трансформатором;
-
коэффициент загрузки трансформатора.
Задаваясь величиной коэффициента
загрузки, можно построить кривую зависимости:
h=f (P2)
КОНТРОЛЬНЫЕ ВОПРОСЫ
1. Устройство и принцип действия
трансформатора.
2. Что такое коэффициент
трансформации?
3. С какой целью проводятся
опыты холостого хода и короткого замыкания?
4. Какая зависимость называется внешней
характеристикой трансформатора?
5. Как определить КПД
трансформатора?
6. Как определить число витков
вторичной обмотки при известном числе витков первичной обмотки, напряжении U1 и U2.
7. Почему сердечник
трансформатора набирают из пластин?
8. Имеется трансформатор 220/12 В. На первичную обмотку подали 220 В, но постоянного
напряжения. Чему равно напряжение на выходе вторичной обмотки?
СОДЕРЖАНИЕ ОТЧЕТА
1. Технические характеристики
приборов и элементов цепи.
2. Схемы и таблицы.
3. Pасчетные формулы.
4. Выводы по проделанной работе.
Таблица 1.
|
Измерено
|
Вычислено
|
|
U1, В
|
U20, В
|
I10, А
|
P0, Вт
|
n
|
cosj0
|
j0
|
S, ВА
|
d
|
|
|
|
|
|
|
|
|
|
Таблица 2.
|
Измерено
|
Вычислено
|
|
|
U1, В
|
I1, В
|
P1, Вт
|
I2, A
|
U2, В
|
cosj1
|
b
|
P2, Вт
|
h
|
DU,%
|
|
|
|
|
|
|
|
|
|
|
|
|
|
|
|
|
|
|
|
|
|
Таблица 3.
|
Измерено
|
Вычислено
|
|
U1K, В
|
I1K, A
|
P1K, Вт
|
I2, A
|
cosjK
|
ZK, Ом
|
rK, Ом
|
ÕÊ, Îì
|
UK,%
|
|
|
|
|
|
|
|
|
|
Литература
1.
Иванов И.И., Равдоник В.С. Электротехника. - М.: Высшая школа, 1984, с.135
- 160.
2.
Касаткин А.С., Немцов М.В. Электротехника. - М.: Энергоатомиздат, 1983,с.166
- 193.
Методические указания к лабораторной работе № 10
"ПУСК ТРЕХФАЗНОГО
АСИНХРОННОГО ЭЛЕКТРОДВИГАТЕЛЯ
С КОРОТКОЗАМКНУТЫМ РОТОРОМ"
ЦЕЛЬ РАБОТЫ:
1. Овладение практическими
навыками по сборке схемы управления трехфазным асинхронным двигателем (ТАД) с
короткозамкнутым ротором при помощи нереверсивного магнитного пускателя.
2. Пуск ТАД в однофазном режиме.
ТЕОРЕТИЧЕСКИЕ СВЕДЕНИЯ
Трехфазный асинхронный двигатель
с короткозамкнутым ротором является наиболее распространенным видом
электродвигателей в сельскохозяйственном производстве.
Основная схема управления ТАД -
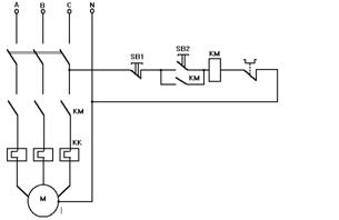
нереверсивная схема управления при помощи магнитного пускателя (рис.1).
Магнитный пускатель предназначен для ручного дистанционного или
автоматического управления ТАД.
Он состоит из корпуса, тягового
электромагнита и связанной с ним электромагнитной системой. Контактная система
состоит из силовых и вспомогательных контактов. Тяговый электромагнит (катушка
магнитного пускателя) может управляться от источника постоянного или
переменного напряжения. В магнитных пускателях переменного тока магнитопровод
выполнен из листов электротехнической стали (0,35...0,5 мм) для уменьшения
потерь на перемагничивание. Для уменьшения вибрации сердечника в торцевой части
сердечника магнитопровода установлено медное короткозамкнутое кольцо.
Наиболее распространенные
магнитные пускатели типа ПМЕ, ПМЛ, ПМА позволяют осуществить до 150 включений в
час. Катушки магнитных пускателей изготавливаются на 110, 127, 220, 380 и 660
В. При выборе магнитных пускателей обращают внимание на наибольшую допустимую
мощность электродвигателя при данном напряжении и на напряжение катушки. В
сетях с напряжением 380/220 В можно использовать катушки с напряжением 380 и
220 В. В первом случае катушка должна включаться на линейное напряжение (две
любые фазы), во втором - на фазное (любая фаза и нуль).
Для управления магнитными
пускателями применяются кнопочные станции. Они могут быть одно-, двух - и
многопостовые.
Для защиты электродвигателя и
схемы управления от коротких замыканий применяются плавкие предохранители и
автоматические выключатели.
Для защиты электродвигателя от
перегрузки используют тепловые реле и автоматические выключатели с тепловыми
расцепителями. Плавкие предохранители от перегрузки электродвигатели не
защищают.
Рассмотрим работу схемы
управления (рис.1).
После включения автоматического
выключателя QF при нажатии кнопки SB2 "Пуск" протекает ток по
цепочке: фаза С®SB1®SB2®
катушка КМ®контакт КК®нулевой провод N. Следовательно, катушка КМ
получает питание и втягивает сердечник с контактной группой. Контакты КМ замыкаются,
и на электродвигатель М подается трехфазное напряжение.
Для того, чтобы двигатель не
остановился после отпускания кнопки SB2, параллельно ей подключается
вспомогательный контакт КМ, шунтирующий кнопку "Пуск".
Тепловое реле КК предназначено
для защиты двигателя от перегрузок. При увеличении тока сверх допустимой нормы
тепловое реле срабатывает, размыкая при этом свой контакт КК в цепи питания
катушки магнитного пускателя КМ. Повторный пуск ТАД после срабатывания пусковой
защиты возможен после ручного возврата контактов реле КК в исходное положение
через некоторое время, необходимое для остывания теплового реле КК.
Перед пуском ТАД необходимо
устранить причины, приведшие к срабатыванию тепловой защиты.
При отсутствии у потребителя
трехфазного напряжения трехфазный двигатель можно запустить в однофазном
режиме. На рис.2 приведены основные схемы такого пуска.
Так как при подключении одной
фазы круговое вращающееся магнитное поле отсутствует, то для пуска необходимо
обеспечить сдвиг токов в пусковой и рабочей обмотках относительно друг друга.
Для обеспечения фазового сдвига обычно используют конденсаторы, емкость которых
рассчитывается следующим образом.
Для пуска необходима большая
емкость, чем для рабочего режима
Спуск = (2...2,5) ×Cраб
После пуска пусковые
конденсаторы отключают в целях уменьшения нагрева обмоток статора.
Рабочая емкость определяется из
паспортных данных ТАД.
Для схемы 2 а) Ср =
2800 Iн /Uн;
для схемы 2 б) Ср =
4800 Iн/Uн;
для схемы 2 в) Ср =
1600 Iн/Uн.
Применяются конденсаторы марок
БГГ, МБГ4, МБГ0 и др. на напряжение не меньше амплитудного.
Мощность двигателя в однофазном
режиме составляет примерно половину мощности, развиваемой ТАД в трехфазном
режиме.
ЗАДАНИЕ ПО РАБОТЕ
1. Изучить схему управления ТАД
(рис.1).
2. Ознакомиться с устройством
магнитного пускателя, кнопочных станций, теплового реле, записать их
технические данные и данные электродвигателя.
3. Собрать схему и пустить
электродвигатель.
4. Изменить направление вращения
электродвигателя.
5. Изучить схему пуска ТАД в
однофазном режиме (рис.2).
6. Собрать одну из схем,
рассчитать емкость конденсаторов и произвести пуск.
7. Изменить направление вращения
электродвигателя.
8. Составить краткие выводы по
работе.
КОНТРОЛЬНЫЕ ВОПРОСЫ
1.
Назовите элементы магнитного пускателя, его устройство и назначение.
2. Как защищается
электродвигатель от коротких замыканий?
3. Как защищается
электродвигатель от перегрузки?
Объясните принцип работы схемы
пуска электродвигателя с помощью магнитного пускателя.
Для чего параллельно кнопке
"Пуск" устанавливается вспомогательный
контакт? (рис.1)
Для чего устанавливается
конденсатор при пуске однофазного электродвигателя?
Почему в сети с частотой 50Гц
скорость вращения асинхронного электродвигателя не превышает 3000 об/мин.
Рис.1. Схема пуска ТАД с использованием магнитного пускателя.
Литература
1. Иванов И.И., Равдоник В.С. Электротехника.
- М.: Высшая школа, 1984, с.257 - 290.
2. Касаткин А.С., Немцов М.В. Электротехника.
- М.: Энергоатомиздат, 1983,с.334 - 359.
3. Прищеп Л.Г. Учебник сельского
электрика. - М.: Агропромиздат, 1986, с.262 - 276.
Методические указания к лабораторной работе № 11
ИССЛЕДОВАНИЕ ЭЛЕКТРИЧЕСКИХ И
СВЕТОТЕХНИЧЕСКИХ ХАРАКТЕРИСТИК ИСТОЧНИКОВ СВЕТА.
ЦЕЛЬ РАБОТЫ: изучение
устройства, принципа действия ламп накаливания и люминесцентных ламп и
сравнение их электрических и светотехнических характеристик.
1. ПОРЯДОК ВЫПОЛНЕНИЯ РАБОТЫ.
1.1 Изучить конструкцию лампы
накаливания и люминесцентной лампы. Ознакомиться с оборудованием лабораторного
стенда и электрическими схемами для исследования ламп.
1.2 Подготовить к работе
люксметр согласно указаний раздела 3, измерить расстояние между лампой и
фотоэлементом.
1.3 Собрать схему (рис.1) и
показать ее преподавателю.
1.4 Установить напряжение на
лампе 240 В. Произвести измерение тока, мощности, освещенности. Данные
измерений занести в таблицу 1. Плавно снижая напряжение на лампе, через каждые
20 В снимать показания и результаты занести в таблицу.
1.5 Собрать схему (рис.2) и
показать ее преподавателю.
1.6 Выполнить указание п.1.4 для
люминесцентной лампы (рис.2) и данные записать в таблицу 2.
Построить совмещенные графики
зависимости светоотдачи от мощности для лампы накаливания и люминесцентной
лампы, аналогично графики зависимости светового КПД от мощности.
2. ТЕОРЕТИЧЕСКИЕ СВЕДЕНИЯ.
Лампы накаливания.
Основной частью лампы
накаливания (рис.3) является тело накала 3, которое нагревается под действием
электрического тока до температуры 2000...2800°К и испускает электромагнитное
излучение в виде светового (видимого) и инфракрасного (теплового) потока. Тело
накала изготавливают из вольфрамовой проволоки различной конструкции и формы (нити,
спирали, биспирали). Вольфрам имеет высокую температуру плавления (3663°К) и
малую скорость испарения. Дополнительные присадки из окисей кремния и алюминия
с добавлением калия и натрия обеспечивают большую механическую прочность тела
накала при хорошей формоустойчивости.
Для подвода тока к телу накала и
поддержания его в нужном положении служат электроды 6. Дополнительными
поддерживающими элементами являются держатели 4, вставленные в утолщение
стеклянного стержня 5, имеющего название штабик. Внутренние детали лампы
изолированы от внешней среды колбой 1. Внутри тарелки 9 имеется откачная трубка
10 с отверстием 14 для откачивания воздуха. Внутреннюю полость колбы заполняют
инертными газами (аргон, криптон) для уменьшения окисления и распыления
вольфрама при высокой температуре.
Для подвода питания и крепления
лампы в патроне служит резьбовой цоколь 13. Лампы мощностью до 300 Вт имеют
обычно цоколь Е27, а 500 Вт и более - Е40. Питание от второго провода
подводится через контактную пластину 12.
Обозначение ламп накаливания
общего назначения имеет буквенно-цифровую символику.
Например: БК
215-225-100-2 - биспиральная, криптоновая, на диапазон напряжения 215...225 В,
мощность 100 Вт, второй номер разработки.
Срок службы ламп накаливания
общего пользования составляет в среднем 1000 часов.
В настоящее время широко
выпускаются более эффективные - галогенные - лампы накаливания, имеющие колбу в
форме трубки. Добавка галогена, например, йода, в колбу лампы накаливания
вызывает замкнутый химический цикл. В рабочем режиме частички вольфрама с тела
накала испаряются и оседают на стенках колбы лампы. При температуре 570...1400°К
у стенок колбы пары йода соединяются с частичками вольфрама, образуя йодистый
вольфрам с температурой испарения 520...570°К. При температуре 520°К и более
это газообразное соединение улетучивается и из-за повышенной концентрации у
стенок диффузирует в направлении раскаленной вольфрамовой спирали. Вблизи
вольфрамовой спирали йодистый вольфрам диссоциирует на исходные составные элементы
- вольфрам и йод. Частицы вольфрама оседают на тело накала, а йод движется в
обратном направлении к стенкам колбы. Таким образом осуществляется регенерация
испарившегося вольфрама на тело накала, что приводит к увеличению срока службы
лампы. Вольфрамо-йодный цикл препятствует осаждению вольфрама на стенки колбы
лампы, сохраняя их чистыми и прозрачными на протяжении всего срока службы.
Достоинствами
галогенных ламп накаливания являются повышенный срок службы (до 10 тыс. часов),
высокая световая отдача (до 29 лм/Вт). Недостатки - высокая
стоимость и необходимость эксплуатации только в горизонтальном положении.
Люминесцентные лампы.
Люминесцентные лампы
работают на основе люминесценции - свечения газа в трубке лампы под действием
электрического тока. В отличие от ламп накаливания в газоразрядных источниках
света светящимся телом является участок межэлектродного промежутка. До
включения в сеть газоразрядная лампа является диэлектриком. Под действием
приложенного напряжения происходит ионизация газового промежутка и он
становится проводником электрического тока. Для зажигания таких ламп необходимо
приложить напряжение из расчета 500...1000 В на 1 м длины трубки. После
зажигания лампы сопротивление ее значительно уменьшается, поэтому рабочий ток
необходимо ограничивать. Для этих целей служат пускорегулирующие аппараты (ПPА).
Устройство люминесцентной
лампы.
На внутреннюю поверхность
стеклянной трубки (колбы) равномерно по всей длине нанесен тонкий слой
люминофора, преобразующий ультрафиолетовую часть излучения разряда в парах
ртути в видимое излучение. Благодаря люминофору световая отдача в
люминесцентной лампе доходит до 75 лм/Вт. В качестве люминофора в
люминесцентных лампах применяется галофосфат кальция, активированный марганцем
и сурьмой, изменяя соотношение которых, можно изменять цветность излучения.
Электроды, которые находятся на
концах колбы (рис.4), выполняются из вольфрама. Для улучшения термоэлектронной
эмиссии электроды покрываются веществом, состоящим из карбонатов бария,
стронция и кальция. Для возникновения ультрафиолетовых лучей в лампу
добавляется дозированное количество ртути. После зажигания лампы ртуть
испаряется и газовый разряд теперь идет уже в парах ртути. При движении
электроны сталкиваются с атомами ртути и отдают им часть кинетической энергии.
При этом электроны атома ртути переходят на некоторую новую орбиту. Такая
структура возбужденного атома нестабильна. Электрон стремится перейти в свое
прежнее положение. При обратном его переходе на более низкий энергетический
уровень выделяется квант лучистой энергии, преобладающими в этом излучении
являются ультрафиолетовые лучи. Колба лампы наполнена инертным газом аргоном,
который способствует надежному горению разряда в трубке, облегчению зажигания
лампы и уменьшению распыления электродов. Давление газа составляет 400 Па (3
мм. рт. ст). Наиболее распространенными являются люминесцентные лампы ЛД-40,
ЛБ-40, название которых расшифровывается следующим образом: люминесцентная,
дневного (или белого) света, мощностью 40 Вт.
Рис.4. Устройство
люминесцентной лампы.
Пускорегулирующие аппараты со
стартерным зажиганием.
Стартер представляет собой
стеклянный баллон, наполненный газом неоном. В баллон впаяны два электрода,
один из которых биметаллический. Параллельно контактам стартера включается
конденсатор для устранения радиопомех.
Дроссель-катушка с большим
числом витков необходим для создания импульса напряжения при зажигании лампы и
для ограничения тока, протекающего через лампу.
Работа люминесцентной лампы.
При подаче напряжения на лампу
(рис.2) начальный ток потечет по следующей цепи: клемма сети, дроссель,
первичный электрод лампы, стартер, второй электрод лампы, клемма сети. Величина
этого тока незначительная и составляет доли ампера. Этот ток, проходя через газ
между электродами стартера, нагревает этот газовый промежуток (т.к
сопротивление этого газового слоя довольно велико). Вместе с газом нагреваются
и электроды стартера. Биметаллический электрод при нагревании изгибается и
соединяется со вторым электродом. При замыкании контактов стартера ток в цепи
резко увеличивается, т.к исключается сопротивление газового промежутка
стартера. Величина этого тока, в основном, определяется индуктивным
сопротивлением дросселя. Ток, который течет по цепи при замкнутых контактах
стартера называется пусковым током. Пусковой ток разогревает электроды
люминесцентной лампы до температуры около 1000°К. Лампа готова к зажиганию. Так
как электрическое сопротивление замкнутых электродов стартера мало, они
охлаждаются (Q=I2R) и размыкаются (биметаллический электрод
возвращается в начальное положение). При размыкании контактов стартера ток в
цепи резко уменьшается, такое резкое уменьшение тока вызывает быстрое
уменьшение магнитного поля дросселя, что в свою очередь приводит к
возникновению ЭДС самоиндукции, импульс которой достигает 500...600 В. Это
напряжение, накладываясь на напряжение сети, пробивает газовый промежуток в
лампе, и начинается электрический разряд в газе, а затем и в парах ртути.
Невидимое для глаза ультрафиолетовое излучение, возникающее в результате этого
разряда, облучает слой люминофора и вызывает видимое свечение его.
Стробоскопический эффект.
Люминесцентные лампы, работающие
на переменном токе, создают пульсирующий световой поток. Эта пульсация
светового потока значительно больше, чем у лампы накаливания.
Освещение движущихся предметов
пульсирующим световым потоком приводит к так называемому стробоскопическому
эффекту, который выражается в искаженном представлении об истинном состоянии
движения. Так, при совпадении частоты пульсации светового потока и скорости
вращения предмета, вращающаяся часть кажется неподвижной, что может привести к
травматизму. В других случаях предмет может казаться движущимся в обратном
направлении. Простейшей мерой уменьшения глубины пульсаций светового потока
является включение соседних люминесцентных ламп в разные фазы трехфазной
системы тока.
Преимущества и недостатки
люминесцентных ламп.
По сравнению с лампами
накаливания люминесцентные лампы имеют следующие преимущества:
у них значительно большая
световая отдача - до 75 лм/Вт (у ламп накаливания общего пользования - до 20
лм/Вт);
более благоприятный спектр
излучения;
невысокая температура
поверхности трубки;
срок службы до 10000 часов (у
лампы накаливания - до 1000 часов).
Недостатками
люминесцентных ламп являются:
сложная конструкция (требуется
пуско-регулирующая аппаратура);
большие габариты;
чувствительность к температуре
окружающей среды (при t°<0 зажигание не гарантируется).
3. Подготовка к работе
люксметра.
Люксметр Ю-116 состоит из
измерителя, который представляет собой прибор магнитоэлектрической системы,
обозначенный на схеме 1 буквой PL и отдельного селенового фотоэлемента BL.
Фотоэлемент с насадкой, расположенный в пластмассовом корпусе, соединяется с
измерителем шнуром при помощи разъемного соединения. Прибор имеет две шкалы:
0-100 и 0-30.
При нажатой правой кнопке
следует пользоваться шкалой 0-100, а при нажатой левой - шкалой 0-30. Показания
прибора в делениях по соответствующей шкале умножается на коэффициент
ослабления, который зависит от применяемой насадки, имеющей на своей
поверхности маркировку КМ, КP и КТ и равняется соответственно 10, 100, 1000. Например,
на фотоэлементе установлена насадка КP, нажата левая кнопка, стрелка показывает
10 делений по шкале 0-30. Измеряемая освещенность равна 10&100= 1000 лк.
4. Световые и электрические
характеристики источников света.
4.1 Номинальное напряжение
- это напряжение, на которое лампа рассчитана для работы. Лампы накаливания
общего назначения выпускаются на следующие диапазоны напряжений: 215...225; 220...235;
230...240; 235...245 В. Для увеличения срока службы следует приобретать лампы с
с большим номинальным напряжением. Люминесцентные лампы, в основном, рассчитаны
на напряжение сети 220 В, причем на самой лампе, в зависимости от мощности,
падение напряжения составляет 102...110 В, остальная часть напряжения падает на
дросселе.
4.2 Электрическая мощность
лампы указывается как средняя величина для номинального значения напряжения.
Промышленность выпускает лампы накаливания общего назначения мощностью от 15 до
1000 Вт.д.иапазон мощностей люминесцентных ламп меньше и составляет, в
основном, 15...80 Вт.
4.3 Световой поток
характеризует мощность видимого излучения, оцениваемого глазом человека,
измеряется в люменах (лм). Световой поток можно выразить через освещенность,
измеренную люксметром:
Ф = 4
Еl2
где Е - освещенность, лк;
l - расстояние между лампой и
фотоэлементом, м;
4.4 Световая отдача
характеризует экономичность источника света и определяется отношением
излучаемого светового потока к мощности лампы:
лм/Вт
где P - мощность лампы, Вт.
4.5 Световой КПД.
Многочисленными измерениями установлено соотношение между мощностью и световым
потоком - ваттом и люменом: 1 Вт=683 лм при однородном излучении с длиной
волны, равной 555 нм. Отсюда световой КПД
4.6 Срок службы. Средний
срок службы лампы накаливания общего назначения составляет 1000 часов. На срок
службы значительно влияет колебание напряжения. Зависимость имеет вид:
где
, UН
- соответственно срок службы и напряжение по паспортным данным. Срок службы
люминесцентных ламп составляет 5000...10000 часов, причем срок службы
уменьшается как при увеличении, так и при уменьшении напряжения относительно
номинального.
Таблица 1.
|
Измерено
|
Вычислено
|
|
Напря-жение,
U, В
|
Ток,
I, А
|
Мощность
Р, Вт
|
Осве-щенность
Е, лк
|
Сопротив-
ление,
R, Ом
|
Световой поток,
F, лм
|
Световая отдача,
Н, лм/Вт
|
Световой КПД,
%
|
|
|
|
|
|
|
|
|
Таблица 2.
|
Измерено
|
Вычислено
|
|
Напряже-ние
|
Ток
I, A
|
Мощ-ность
Р, Вт
|
Освещенность
Е, лк
|
Сопр.
Лампы
REL, Ом
|
Мощн.
Лампы
РEL, Вт
|
Мощн.
Дросс.
РL, Вт
|
Свет.
поток
Ф, лм
|
Светов.
отдача
Н, лм/Вт
|
Свет.
КПД
%
|
|
UСЕТ
|
UEL
|
|
|
|
|
|
|
|
|
|
|
|
|
|
|
|
|
|
|
|
|
Сопротивление лампы определяется
по закону Ома:
Ом
Активная мощность, потребляемая
из сети, расходуется в дросселе и в лампе. Мощность лампы:
.
Ки, Вт
где: Ки - коэффициент искажений (Ки =0,6...0,7)
Активную мощность дросселя можно
определить как разность показаний ваттметра и мощности лампы
Вт
Содержание ОТЧЕТА
1. Название, цель работы.
2. Схемы, таблицы.
3. Графики зависимости H = f (P)
для лампы накаливания и люминесцентной лампы в общих координатных осях.
4. Аналогично п.3 график
= f (P).
5. Выводы.
КОНТРОЛЬНЫЕ ВОПРОСЫ
1. С какой целью лампы
накаливания заполняются инертным газом?
2. Чем объясняется повышенный
срок службы галогенных ламп по сравнению с обычными лампами накаливания?
3. Как увеличить срок службы
ламп накаливания?
4. Назначение дросселя и
стартера в схеме зажигания люминесцентной лампы.
5. От чего зависит цветность
излучения люминесцентной лампы?
6. Преимущества и недостатки
люминесцентных ламп.
7. После зажигания люминесцентной
лампы отключили стартер. Лампа будет работать или погаснет?
8. Что такое стробоскопический
эффект и как уменьшить его влияние?
9. Почему для искусственного
досвечивания растений применяют люминесцентные лампы и практически не
используют лампы накаливания?
Литература
1. Прищеп Л.Г. Учебник сельского
электрика. - М.: Агропромиздат, 1986,с.245 - 368.
Методические указания к лабораторной работе № 12
"Исследование
полупроводниковых выпрямителей переменного тока"
|
Цель работы:
|
Изучить принцип, основные схемы выпрямления переменного тока и
способы сглаживания пульсаций выходного напряжения.
|
Теоретические
сведения
Выпрямление переменного тока с помощью
полупроводниковых диодов - один из
основных процессов в электронике. Полупроводниковый диод представляет собой
прибор с одним p-n переходом и двумя внешними выводами от областей кристалла
с различными типами электропроводности (рис.1).
Именно
p-n
переход является основой любого полупроводникового диода и определяет его
свойства, технические характеристики и параметры.
Если к
катоду присоединить "минус" источника питания, а к аноду - "плюс",
то электроны из области n будут стремиться достичь анода, а "дырки" из
области р будут притягиваться "минусом" катода. Следовательно, через p-n переход
будет протекать ток, и диод будет открыт. Если изменить полярность, приложенную
к выводам диода, то электроны из области n будут притягиваться
"плюсом" катода, а "дырки" области р - "минусом" анода,
и ток через p-n переход протекать не будет, следовательно, диод будет
закрыт.
В
данном случае через нагрузку RН протекает ток
только одной полуволны (рис.2 б). Поэтому среднее значение выпрямленного
напряжения значительно меньше входного и составляет 0,45 от действующего
напряжения на входе выпрямителя
U0 = 0,45Uвх
Недостатком
данной схемы является очень высокий коэффициент пульсаций:
U~1
КП
= - --
Ud
где U~1 - амплитуда переменной
составляющей основной гармонии выпрямленного напряжения;
Ud - среднее
значение выпрямленного напряжения.
Коэффициент
пульсации показывает,
насколько выпрямленное напряжение отличается от прямой линии. Для приведенной
выше схемы КП=1,57.
С
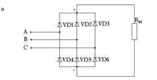
целью уменьшения пульсаций чаще всего применяют мостовую схему с четырьмя
диодами (рис.3а):
В
данном случае через нагрузку протекает ток обоих полупериодов. Так, при
положительной полуволне входного напряжения ток протекает по следующей цепочке:
клемма 1®VD2®RH®VD3®клемма 2; при отрицательной полуволне (т.е. когда к первой
клемме подводится "минус", а ко второй "плюс") ток
протекает по следующей цепочке: клемма 2®VD4®RH®VD1®клемма
1. Следовательно, при обеих полуволнах входного напряжения через нагрузку
протекает ток в одном направлении (рис.3б). При этом среднее значение
выпрямленного напряжения составляет 0,9 от действующего входного напряжения U0=0,9Uвх.
Коэффициент
пульсации выпрямленного напряжения значительно меньше, чем у предыдущей схемы
(рис.2а): КП=0,67.
Аналогичный
коэффициент пульсации дает схема с двумя диодами, но в этом случае еще
необходим трансформатор с нейтральной точкой, поэтому такая схема применяется
реже, в данной работе ее рассматривать не будем.
Для выпрямления
трехфазного тока самой распространенной является мостовая схема (рис.4а).
В данной
схеме одновременно от каждой фазы ток протекает по двум цепочкам (от точки с
большим потенциалом к точке с меньшим потенциалом):
Фаза A®VD1®RH®VD5®фаза В
Фаза A®VD1®RH®VD6®фаза С
Фаза В®VD2®RH®VD6®фаза С
Фаза В®VD2®RH®VD4®фаза А
Фаза С®VD3®RH®VD4®фаза А
Фаза С®VD3®RH®VD5®фаза В
При
этом выходное напряжение близко к амплитудному значению линейного напряжения и
составляет:
Uâûõ = 2,34Uô.
âõ
На рис.4б
видно, что пульсации выходного напряжения совсем незначительные и для данной
системы КП=0,05.
Для
уменьшения пульсации выходного напряжения применяют сглаживающие фильтры. В
простейшем случае в качестве фильтра в схему параллельно нагрузке включают
конденсатор (рис.5). Энергетической основой работы такого фильтра является
накопление энергии емкостью в моменты времени, когда возрастает ток или напряжение
в нагрузке, и отдача накопленной энергии в нагрузку, когда происходит спад
напряжения или тока, при этом происходит замедление этого спада и заполнение
"провалов" выходного напряжения. Чем больше емкость конденсатора, тем
больше запасенной энергии и тем эффективнее сглаживаются пульсации выходного
напряжения. Также для уменьшения пульсаций последовательно с нагрузкой включают
дроссель (катушку индуктивности) (рис.5). Уменьшение пульсаций происходит за
счет того, что индуктивность препятствует быстрому нарастанию тока и
поддерживает ток при его уменьшении. Использование конденсаторов совместно с
дросселем (на рис.5-рис.7 сглаживающий фильтр выведен пунктирной линией)
позволяет получать выходное напряжение по форме, близкой к прямой линии.
Порядок
выполнения работы
1. Собрать схему рис.5.
2.
Снять осциллограмму входного напряжения и зарисовать ее в масштабе.
3.
Снять показания приборов и осциллограмму выходного напряжения при следующих
режимах:
Конденсаторы
С1, С2 и дроссель L1 отключены;
Подключен
конденсатор С1;
Подключены
конденсаторы С1 и С2;
Подключены
конденсаторы С1, С2 и дроссель L1.
Показания
приборов свести в таблицу 1.
Собрать
схему Рис.6.
Снять
осциллограмму выходного напряжения и показания приборов при замкнутом положении
выключателя S1.
6.
Повторить пункт 5 при обрыве цепи диода VD1 выключателем S1.
7.
Собрать схему рис.7.
8.
Снять осциллограмму выходного напряжения и показания приборов при:
Замкнутом
положении выключателей S1 è
S2;
Разомкнутом
положении S1 и замкнутом S2;
Обрыве
диодов VD1 è VD3 (S1
è S2 разомкнуты).
Показания
приборов свести в таблицу 2.
|
Примечание:
|
В каждом из опытов подключением конденсаторов и дросселя
убедиться в эффективности сглаживания пульсаций выходного напряжения.
|
Содержание
отчета
Название,
цель работы.
Схема,
таблицы.
Осциллограммы
входного и выходного напряжения для всех опытов.
Краткие
выводы по работе.
Контрольные
вопросы
Для
чего необходимо выпрямлять переменный ток?
Почему
диод проводит ток только в одном направлении?
Назовите
преимущества и недостатки исследуемых схем.
Что
такое коэффициент пульсации?
Почему
при подключении конденсаторов параллельно нагрузке коэффициент пульсации
уменьшается?
Каким
образом дроссель сглаживает пульсации?
Что
произойдет, если дроссель подключить параллельно нагрузке?
Что
произойдет, если дроссель подключить последовательно с нагрузкой?
Как
определить, какой диод в мостовой схеме вышел из строя?
Таблица
1.
|
Схема выпрямителя
|
Включение элементов
сглаживающего фильтра
|
Uвх, В
|
Uâûõ, Â
|
|
Однополупериодный
|
-
|
|
|
|
С1
|
|
|
|
С1 и С2
|
|
|
|
С1, С2, L
|
|
|
Таблица
2.
|
Схема выпрямителя
|
Положение выключателей
|
Uвх, В
|
Uâûõ, Â
|
|
Двухполупериодный
|
S1 включен
|
|
|
|
S1 выключен
|
|
|
|
Трехфазный мостовой
|
S1 и S2 включены
|
|
|
|
S1 выключен
S2 включен
|
|
|
|
S1 и S2 выключены
|
|
|
Литература
1. Касаткин А.С., Немцов М.В. Электротехника.
- М.: Энергоатомиздат, 1983,с. 208 - 218.
2. Прищеп Л.Г. Учебник сельского
электрика. - М.: Агропромиздат, 1986, с.296 - 303.