Расчет корректирующего устройства
ФЕДЕРАЛЬНОЕ
АГЕНТСТВО ВОЗДУШНОГО ТРАНСПОРТА
ФЕДЕРАЛЬНОЕ
ГОСУДАРСТВЕННОЕ БЮДЖЕТНОЕ ОБРАЗОВАТЕЛЬНОЕ УЧРЕЖДЕНИЕ ВЫСШЕГО ПРОФЕССИОНАЛЬНОГО
ОБРАЗОВАНИЯ
МОСКОВСКИЙ
ГОСУДАРСТВЕННЫЙ ТЕХНИЧЕСКИЙ УНИВЕРСИТЕТ ГРАЖДАНСКОЙ АВИАЦИИ
ИРКУТСКИЙ
ФИЛИАЛ КАФЕДРА АЭС и ПНК
Курсовая
работа
по
дисциплине: «Моделирование систем и процессов»
Расчет корректирующего устройства
Выполнил: студент 4
курса
специальности 160903
Устененко А.А.
Проверил: доцент, ктн
Котлов Ю.В.
Иркутск
2013 г.
Задание
Вариант 3
Задана структурная схема
автоматической системы стабилизации крена ЛА (рисунок 2).
Рисунок 2 - Структурная
схема автоматической системы стабилизации крена
Передаточные функции
блоков схемы:
;
;
Определить передаточную
функцию корректирующего звена
и определить
в
так,
чтобы система обладала следующими свойствами и показателями качества:
ошибкой стабилизации
;
перерегулированием
;
временем переходного
процесса
.
Максимальное ускорение
регулируемой величины
не
более
при
наличии рассогласования
.
Необходимо построить
переходной процесс скорректированной системы и показать, что система
удовлетворяет заданным требованиям.
Варианты значений
параметров заданы в таблице 2.
Таблица 2
|
ПАРАМЕТРЫ
|
НОМЕРА ЗАДАНИЙ
|
|
1
|
2
|
3
|
4
|
5
|
6
|
7
|
8
|
9
|
10
|
|
0,50,550,60,650,70,750,80,850,90,95
|
|
|
|
|
|
|
|
|
|
|
|
1,21,41,61,821,21,41,61,82
|
|
|
|
|
|
|
|
|
|
|
|
10121416182022242628
|
|
|
|
|
|
|
|
|
|
|
|
111111,21,21,21,21,2
|
|
|
|
|
|
|
|
|
|
|
Примечание: в
для
первых 10 вариантов
,
для вторых 10 вариантов
.
На основе полученной
синтезировать
электрическую схему корректирующего звена из R,L,C элементов.
Введение
Дисциплине "Моделирование
систем и процессов" принадлежит основная роль в формировании
профессиональных знаний для инженера по эксплуатации авиационного оборудования
в области автоматики авиационных систем и комплексов. Целью изучения дисциплины
является получение знаний о принципах построения и расчета автоматических
систем управления, овладение методами анализа и синтеза математических моделей
информационных систем на основе использования частотных графоаналитических
методов и средств вычислительной техники.
В данной курсовой работе студент
должен на основе изучения соответствующего курса усвоить следующие умения:
составлять функциональные и
структурные схемы систем автоматического управления, используя основные
математические модели их элементов;
производить статический расчет
системы и выбор её параметров, удовлетворяющих основным требованиям,
предъявляемым к САУ;
определять вид и параметры
передаточных функций элементов систем автоматического управления;
производить динамический расчет
систем автоматического управления на основе изучения методов анализа и
определять качество работы систем;
выбирать и рассчитывать
характеристики элементов систем, используя частотные методы синтеза САУ;
производить анализ причин
неисправностей и отказов в системах автоматического управления;
использовать современную
вычислительную технику при исследовании систем автоматического управления.
1. Расчет
нескорректированной системы
крен стабилизация корректирующий
автоматический
Преобразованная
структурная схема с единичной обратной связью, необходимая для построения
,
представлена на рисунке 1.
Рисунок 1 Преобразованная
структурная схема стабилизации гироскопического устройства
Передаточная функция разомкнутой
нескорректированной системы:
Из данной передаточной функции
видно, что передаточный коэффициент разомкнутой системы
.
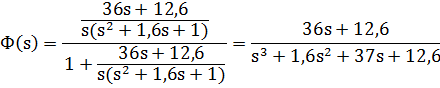
Тогда передаточная функция замкнутой
системы имеет вид:
Проверим устойчивость данной системы
в замкнутом состоянии по критерию Гурвица. Характеристический полином замкнутой
системы:
Откуда коэффициенты
характеристического полинома равны: 
Рассчитанная разомкнутая
нескорректированная система будет использоваться для построения ЛАХ. Рассчитаем
необходимые коэффициенты и частоты сопряжения для построения асимптотической
ЛАХ нескорректированной системы.
Коэффициент усиления был найден из
передаточной функции неизменяемой системы и равен:
Добротность системы при частоте ω=1 равна:

Рассчитаем значения частот
сопряжения асимптотической ЛАХ Lн(ω):

Полученные выше значения будут
использованы для построения ЛАХ нескорректированной системы.
Рисунок 2 Переходная характеристика
нескорректированной системы
2. Расчет желаемой
ЛАХ и ее коэффициентов
Для заданного значения
по номограмме (рисунок 3) определяем
. Тогда
,
откуда частота среза для желаемой ЛАЧХ
Рисунок 3 Номограммы, связывающие
показатели качества переходного процесса и параметры типовой вещественной
характеристики
Так как при наличии начального
рассогласования
,
ускорение выходной координаты ограничивается значением
, то частота среза должна быть не более, чем:
.
Исходя из полученных значений
минимальной и максимальной частот среза, можно заметить, что правильный выбор
частоты среза невозможен в данном диапазоне, так как изначально данные для его
вычисления даны неверно, это можно увидеть, поставив частоты в общий ряд:
Но, попробуем рассчитать частоту
среза по другой методике, в которой:
определим частоту wс.ж. по заданным tр
и Dhm для асимптотической
желаемой ЛАХ по формуле:
где К0 -
коэффициент, определяемый с помощью графика (Рисунок 4)
Рисунок 4 График зависимости К0=f(Dhm).
Определяют частоты,
ограничивающие среднечастотную асимптоту справа w3
и слева w2.
Хорошие динамические свойства, т.е. (Dhm < 20%)
и необходимый запас устойчивости (j3
)
обеспечиваются в случае, если выполняются условия:
;
.
Исходя из этого, частоту среза
выбираем исходя из желаемых параметров системы, пользуясь программой VisSim и
задавая диапазон изменения частот. Это можно наглядно наблюдать на рисунке 6.
Из соответствующих
номограмм (рисунок 5), которые позволяют определять требования к желаемой ЛАЧХ
разомкнутой системы в среднем диапазоне частот, обеспечивающей получение
переходной характеристики со значением
, находим избыток фазы
и
предельное значение
.
Рисунок 5 Номограмма,
определяющая запасы устойчивости по амплитуде и фазе по требуемому
перерегулированию
.
Тогда
.
Среднечастотная
асимптота
проводится
под наклоном
,
так как при больших наклонах трудно обеспечить устойчивость системы и
необходимое перерегулирование. Протяженность
под наклоном
устанавливаем,
исходя из необходимого запаса устойчивости по амплитуде
.
Низкочастотная асимптота
,
определяющая статические свойства системы, для её построения необходимо найти
точку, через которую она будет проходить при
. В условии задачи нам
дана ошибка стабилизации, а так как коэффициент усиления желаемой системы
обратно пропорционально связан с коэффициентом ошибки, тогда, исходя из этого,
можем применить формулу, для нахождения желаемого коэффициента усиления:
,
где
-
максимальное ускорение регулируемой величины,
- ошибка стабилизации.
Далее найдем точку,
через которую будет проходить низкочастотная асимптота при
:
.
Так как передаточная
функция неизменяемой части имеет коэффициент усиления и порядок астатизма
,
удовлетворяющие техническому заданию, то низкочастотная часть желаемой ЛАЧХ
соответствует низкочастотной части неизменяемой системы.
Среднечастотную и
низкочастотную части сопрягаем под наклоном -40дБ/дек, таким образом, чтобы
получилось наименьшее число изломов.
Высокочастотная часть не
влияет ни на устойчивость, ни на качество, поэтому ее проводим под таким же
наклоном, как и у неизменяемой системы (-40дБ/дек). Необходимые построения
представлены на рисунке 7. Таким образом, получаем желаемую ЛАЧХ, максимально
приближенную к аналитической, передаточная функция, которой имеет вид:
Рисунок 6 Переходная
характеристика желаемой системы
ЛАХ данной системы в
программе VisSim имеет вид:
Рисунок 7 ЛАХ желаемой
системы
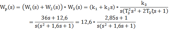
3. Синтез передаточной функции
корректирующего звена, расчет коэффициентов, построение ЛАХ корректирующего
устройства
Произведем синтез последовательного
корректирующего звена.
Несмотря на его сложную передаточную
функцию - это наиболее простой вариант синтеза.
Для получения ЛАХ
корректирующего звена необходимо графически вычесть из желаемой ЛАЧХ
ЛАЧХ
неизменяемой части
и
далее по точкам излома получаемой ЛАЧХ
определить
аналитическую зависимость и постоянные времени передаточной функции
.
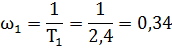
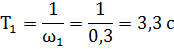
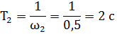
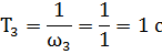
Проведя эти операции, получаем постоянные времени
:




Далее получим
передаточную функцию корректирующего устройства:
Разобьем эту
передаточную функцию на три части:
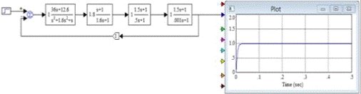
Для проверки на
соответствие заданным условиям, подключим корректирующее устройство к
нескорректированной системе. Далее в программе VisSim получим переходный
процесс, на котором видно соответствие полученных характеристик заявленным
требованиям к системе (рисунок 8).
Рисунок 8 Переходный
процесс системы при включении корректирующего устройства
По данному графику можно
точно определить
Исходя из полученных
значений, можно сделать вывод о том, что данное корректирующее устройство
реализуемо и работоспособно.
Далее по полученным
передаточным функциям произведем подбор корректирующего звена из RLС -
элементов по таблицам из [2] и расчет значений элементов.
Используя полученные ФЧХ
всех трех частей корректирующего устройства (рисунок 9а, 9б, 9в), подберем
пассивные четырехполюсники и рассчитаем численные значения RLC-элементов.
Рисунок 9а, 9б, 9в ФЧХ всех звеньев
корректирующего устройства
По таблице из источника [3]
подбираем подходящие нам по ЛАХ и ЛЧХ четырехполюсники.
Для
подойдет следующий вариант четырехполюсника (рисунок 10)
Рисунок 10
Для
подойдет следующий четырехполюсник (рисунок 11):
Рисунок 11
Для расчета RLC-элементов запишем
системы уравнений:
Для
система уравнений выглядит:
Для
и
система
уравнений представлена так:
Для решения системы
уравнений
принимаем
:
Получаем решение системы
уравнений: С=0,25 Ф,
,
.
Для решения системы
уравнений принимаем
:
Получаем решение системы
уравнений: С=0,005 Ф,
,
Для
и
система
уравнений будет выглядеть следующим образом, принимаем, что
,
получим необходимые значения:
Из решения системы
уравнений выходит, что
,
,
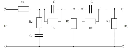
Вместе соединенные
звенья корректирующего устройства будут иметь вид (рисунок 12).
Рисунок 12 Схема корректирующего
устройства на RLC-элементах
Список использованной литературы
1. Глухов В.В. Теория автоматического управления. Ч. 1. -М.: МГТУ
ГА, 2006.
. Солодовников В.В., Плотников В.Н., Яковлев А.В. Основы теории и
элементы систем автоматического регулирования. - М.: Машиностроение, 1985. -
536 с.
. Теория автоматического управления.: Учебное пособие. Ч. I, ч.
II. /Под ред. акад. А. А. Воронова. - М: Высш. шк., 1986.
. Иващенко Н.Н. Автоматическое регулирование. Теория и элементы
систем. - М.: Машиностроение, 1978.- 736 с.
. Техническая кибернетика. Теория автоматического регулирования.
/Под ред. В. В. Солодовникова. В 3-х кн. - М.: Машиностроение, 1967.
. Справочное пособие по теории систем автоматического
регулирования и управления. /Под ред. Е.А. Санковского. - Минск: Высш. шк.,
1973.-724 с.