Конструирование промышленного здания

  • Вид работы:
    Курсовая работа (т)
  • Предмет:
    Строительство
  • Язык:
    Русский
    ,
    Формат файла:
    MS Word
    1,08 Мб
  • Опубликовано:
    2013-12-10
Вы можете узнать стоимость помощи в написании студенческой работы.
Помощь в написании работы, которую точно примут!

Конструирование промышленного здания

1. Общая характеристика проектируемого здания

промышленный здание строительный кровля

Здание запроектировано в соответствии с технологическим процессом. Проектируемое здание имеет прямоугольную форму с размерами в осях 36,9 на 48.0м. Шаг колонн крайнего и среднего ряда 12м. Здание отапливаемое, одноэтажное, двух пролетное, с перепадом высот, с высотой пролетов 14,4 и 10,8м. Для осуществления операций по перемещению грузов используют мостовой и подвесной краны грузоподъемностью 32т и 5т. Несущими конструкциями покрытия являются двускатные решетчатые балки. Для естественного освещения предусмотрено раздельное остекление и зенитные фонари. Вентиляция в здании - естественная. Каркас здания сборный железобетонный. В проектируемом здании принята мягкая рулонная кровля.

При пожаре, эвакуация людей производится через ворота, расположенные в торцах здания. Здание размещается на местности со спокойным рельефом. По степени долговечности здание относится ко 2-ой группе. По степени огнестойкости здание относится ко 2-ой степени. В проектируемом здании пространственная жёсткость обеспечивается каркасом, дополнительная жёсткость обеспечивается стальными вертикальными связями между колоннами.

2. Технико-экономические показатели

Площадь застройки - площадь горизонтального сечения по внешнему обводу здания на высоте 1,2 м.

Аз=48,6*37,5=1822,5м2 (1)

Рабочая площадь - площадь застройки за вычетом площади стен и колонн.

Ар=1704,4м

Строительный объём здания получают, умножая площадь застройки на его высоту.

Vстр=911,3*14,4+911,3*10,8=22964,8м (2) Планировочный коэффициент

К1=Ар./Аз (3)

К1=1704,4/1822,5=0,94м

Объёмно-планировочный коэффициент

К2= Vстр /Аз (4)

К2=22964,8/1822,5=12,6м

3. Конструктивная характеристика проектируемого здания

.1 Фундаменты

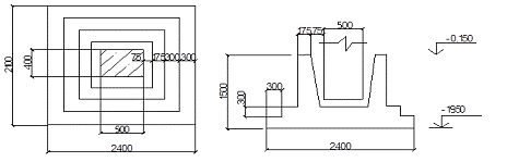
В проектируемом здании под основные колоны каркаса применяются монолитные железобетонные фундаменты стаканного типа, а под фахверковые- пенькового типа. Под колонны среднего ряда - приняты трёхступенчатые фундаменты, под колонны крайнего ряда- приняты двухступенчатые фундаменты, а под фахверковые колонны- приняты одноступенчатые фундаменты (рис.1).

Колонны в фундаментах устанавливаются в подколонники стаканного типа и жестко защемляют в нем. Дно стакана располагается на 50мм ниже проектной отметки низа колонн, для того, чтобы подливкой раствора компенсировать возможные неточности в высоте колонны. Зазоры между колонной и стаканом равны по верху 75 мм, по низу и по дну 50мм. Толщина стенок должна быть не менее 175 мм.

Верхняя плоскость фундамента - (обрез) располагается на отметке - 0,150 мм ниже уровня чистого пола. Такое решение дает возможность осуществлять монтаж конструкций наземной части здания, после того как выполнена обратная засыпка котлована, устроена подготовка под полы и проложены все коммуникации. Для защиты фундаментов от поверхностных вод по периметру здания выполняется асфальтобетонная отмостка шириной 1500мм по щебеночной подготовке с уклоном от здания 3-5%. При расчёте размеров фундаментов размеры должны быть кратны 300.

Рис. ФМ-5,ФМ-6

а=300*4+175*2+75*2+500=2200 мм, принимаем 2400 мм

в=300*4+175*2+75*2+400=2100 мм

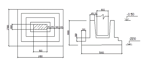
Рис. ФМ-1, ФМ-2

a=300*4+175*2+75*2+900=2600 мм, принимаем 2700 мм

b=300*4+175*2+75*2+400=2100 мм

h=300+300+1150-150=1750 мм; принимаем 1800 мм

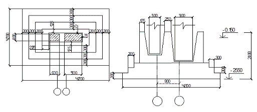
Рис. ФМ-3,ФМ-

a=300*6+225*2+75*2+900+500+400=4200 мм

b=300*6+175*2+900+75*2+400+400=4000 мм, принимаем 4200 мм

h=300+300+300+1150+50-150=2050 мм; принимаем 2400 мм

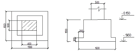
Рис. ФМ-7

а=300*2+175*2+500=1450; принимаем 1500 мм.

в=300*2+175*2+400=1350; принимаем 1500 мм.

h=300+900-150=1050; принимаем 1500 мм.

Рисунок 1-Эскиз фундаментов

а=300*2+175*2+400=1350; принимаем 1500 мм.

в=300*2+175*2+400=1350; принимаем 1500 мм.=300+900-150=1050; принимаем 1500 мм.

3.2 Колонны

В проектируемом здании применены сплошные железобетонные колонны. На колонны основного каркаса опираются основные несущие конструкции покрытия, а к колонам крайних рядов крепятся наружные стеновые панели. Кроме основных колонн устанавливаются фахверковые колонны, которые служат для крепления стеновых панелей, а также для восприятия ветровых нагрузок. Их устанавливают: вдоль наружных стен (продольный фахверк) так, как шаг колон крайнего ряда 12м, а стеновые панели приняты 6 метровые; вдоль торцевых стен (торцевой фахверк) устанавливается всегда с шагом 6м. Фахверковые колоны устанавливаются на самостоятельный фундамент. Колонны показаны на (рис.2). В углах здания ставятся металлические стойки торцовых фахверков. У торцов здания поперечные оси колонн смещены на 500мм вовнутрь здания, относительно крайних поперечных осей. Это дает возможность разместить верхнюю часть колонн торцевого фахверка между стеной и пристенной несущей конструкцией покрытия, обеспечивая при этом удобное крепление торцевой стены к колоннам фахверка. В данном здании привязка крайних колон основного каркаса к продольным и поперечным координационным осям в первом и втором пролетах 250мм. Привязка фахверковых колонн к крайним поперечным координационным осям нулевая.

  

Рисунок 2- Эскиз колонн

Рис.

Если в здании смежные параллельные пролёты имеют разную высоту, то по линии их сопряжения устанавливают два ряда колонн. Поскольку конструкции, типовых железобетонных колонн не допускают опирания покрытия на одну колонну на разных уровнях. При двух рядах колонн по линии перепада высот необходимо две координационные оси, которые располагаются друг от друга на строго определённом расстоянии, которое называется - вставкой, размер вставки должен быть кратен 50 (рис.3).

C=250+30+B+(min 50)

C=250+30+70+300+250=900 мм, где 250-привязка колонны к продольной поперечной оси

-толщина стеновой панели

-растояние от стеновой панели до колонны с привязкой 250

-размер вставки (должен быть кратен 50)

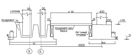
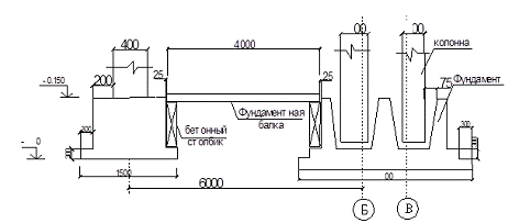
3.3 Фундаментные и подкрановые балки

В здании приняты фундаментные балки таврового сечения (рис.4). Они служат опорой для стеновых конструкций. Применение фундаментных балок позволяет защитить пол от продувания в случае просадки отмостки. Фундаментные балки устанавливаются на бетонные столбики, которые устанавливают на ступени фундамента. Верх фундаментной балки расположен на отметке -0,030м. Зазоры между торцами балок заполняют бетоном в уровень с их верхом. По выровненной поверхности устраивают горизонтальную гидроизоляцию из слоя цементного раствора составом 1: 2. Во избежание деформаций балок при пучинистых грунтах, а так же для защиты пристенной полосы пола от промерзания снизу и с боков фундаментных балок, делают песчаную подсыпку из дренажных материалов. Подсыпка также исключает возможность промерзание пола вдоль наружных стен. По фундаментной балке выполняют горизонтальную гидроизоляцию из цементного раствора состава 1:2 или полимерцементного раствора толщиной 30 мм. Вдоль фундаментных балок, на поверхности грунта, устраивают отмостку шириной 1500мм с уклоном 3-5% от здания.

L1фб=12000-500-(400/2+75+175+25)*2=10550мм.

Рис

L2фб=6000-500-75-225-25-25-450=4700мм, принимаем 4450 мм.

Рис

фб=12000-(400/2+75+175+25)*2=11050мм.

Рис

L5фб=6000-500-450-75-225-25-25=4700мм, применяем 4450мм.

Рис


Рис

L2фб=6000-900-25-25-75-175-450=4350мм, применяем 4300 мм.

Рис

Рисунок 4-Эскиз фундаментной балки

На консоли колонн монтируются подкрановые балки (рис.5). Подкрановые балки одновременно являются продольными связями между колоннами и передают каркасу здания дополнительную пространственную жесткость. Подкрановые балки длинной 12м изготавливают высотой 1200мм и имеют в поперечном сечении вид двутавра. В целях безопасной эксплуатации мостового крана, на подкрановых балках предусмотрены стальные упоры-ограничители. По балкам укладываются крановые рельсы для перемещения мостового крана (рис.6). Крепление рельса к балке осуществляется при помощи прижимных лапок. Для уменьшения вибрации и деформации подкрановой балки между рельсом и балкой устраивают упругую прокладку. К колонне, балка крепится сваркой закладных деталей и анкерными болтами, при помощи бетонирования для восприятия тормозных усилий. По месту установки в здании подкрановые балки применяются рядовые, установленные в средних шагах, и торцевые установленные по краям здания.

Рисунок 5-Эскиз подкрановых балок

Рис. Эскиз расположения подкрановых балок Рисунок 6 - Крановый рельс по ГОСТ 4121-76.

3.4 Покрытие

Покрытие выполняют из железобетонных предварительно напряженных ребристых плит шириной 3м и длинной равной шагу ферм 12м (рис.8). Швы между плитами заполняют цементным раствором марки не ниже 200. Для организации водоотвода предусмотрены отверстия диаметром 450мм.

Т.к. здание отапливаемое, то покрытие будет утепленным. Т.к. привязка колонн к продольным осям 250, то применяются доборные плиты (рис.7). Плоские плиты укладываются в пристенных ендовах и, кроме того, используются в качестве доборных элементов. Доборные плиты применяются для того, чтобы закрыть зазор между стеновой панелью и основной плитой покрытия.

Рис. 7

1 - доборная плита покрытия;

*1000, h=50мм

- стальной уголок 100x100x8 (приварить к закладной детали стеновой панели);

- парапетная панель;

- железобетонная ребристая плита покрытия;

- деталь крепления стеновой панели (стержень диаметром 10 мм);

- цементно-песчаный раствор

Рис.8

3.5 Стропильные конструкции

Стропильные конструкции являются несущими конструкциями покрытия здания. В проектируемом здании в первом и во втором пролетах применяется железобетонная двускатная решетчатая балка для мало уклонной кровли длиной 14,4м и 10,8м (рис.9). Крепление плит покрытия, осуществляется с помощью закладных деталей, которые крепятся по верхним поясам. Для крепления стропильной конструкции к колонне так же используются закладные детали, к которым привариваются металлические листы.

Рисунок 9-Эскиз стропильных балок.

3.6 Стены

Проектируемое здание, отапливаемое с шагом колонн 12м, поэтому стеновые панели выполняются из легкого бетона, толщиной 300мм и длиной 6м (рис.10). Высота основных стеновых панелей и окон равна 1200 и 1800мм. Низ первой панели совпадает с отметкой пола здания. Верхний ряд панелей в пределах высоты помещения устанавливают ниже несущих конструкций покрытия на 0,6м. Стеновые панели крепятся к колоннам при помощи уголков, привариваемых к закладным деталям колонны и панели. В углах здания применяются удлиненные стеновые панели длинной 6330мм. Высота первой цокольной панели 1200. Верхний ряд панелей в пределах высоты опорной части стропильной конструкции установлен ниже верхнего пояса на 300 мм. В уровне подкрановой балки установлена стеновая панель.

Рисунок 10- Эскиз стеновой панели

3.7 Кровля, водоотвод

В данном здании предусмотрена двухслойная рулонная кровля: 1-й слой (верхний) основной водоизоляционный ковер изопласт марки К ЭКП-4,5; 2-й слой (нижний) основной водоизоляционный ковер изопласт П ЭПП-4 СБС.

Кровельное покрытие укладывается по цементно-песчаной стяжке толщиной 30мм, а стяжка укладывается по утеплителю из жестких мин.ватных плит. Уклон кровли в первом пролете равен 3,3% а во втором - 5%. В местах примыкания кровли к парапету укладываются дополнительные слои рулонного ковра на расстоянии 350мм от панели парапета. Ковер выводится на выступающие элементы, а стыки защищаются оцинкованной сталью в виде свесов.

В проектируемом здании организованный водоотвод. Он осуществляется через систему желобов, водоприемных воронок и водосточных труб, которые выходят в ливневую канализацию. Диаметр водоприемной воронки 450мм. Расстояние от крайней продольной оси до оси воронки равно 800мм, а от торца здания до оси воронки 11550мм. Такой вид водоотвода применяют для малоуклонных и скатных кровель.

3.8 Фонари

Для дополнительного верхнего освещения здания и для естественной вентиляции цехов на покрытии двух пролетов предусмотрены зенитные фонари (рис.11). Фонарь располагается вдоль здания. Для установки зенитных фонарей в покрытии устанавливаются плиты с отверстиями, равными размеру фонаря.

На плиту покрытия устанавливается опорный стакан, выполненный обычно из листовой стали толщиной 2...3 мм с эффективным утеплителем. Высоту опорных стаканов принимают из условия, чтобы светопропускающее заполнение возвышалось над уровнем кровли не менее чем на 300мм.

Рисунок 11- Эскиз фонаря

3.9 Связи

В проектируемом здании для достижения пространственной жёсткости и устойчивости здания используются вертикальные и горизонтальные связи. Горизонтальные связи выполнены в виде ферм, и располагаются в плоскости покрытия. Вертикальные связи устанавливаются посередине здания в каждом ряду колонн в вертикальном направлении. При шаге 12м используются портальные связи (рис.12). Дополнительная пространственная жесткость обеспечивается в горизонтальном направлении подкрановыми балками и плитами покрытия.

Рисунок 12- Эскиз связей

3.10 Полы

В проектируемом здании пол ксилолитовый. Устраивается в помещениях, к которым предъявляются повышенные требования, а также с длительным пребыванием людей. Толщина покрытия 15-20мм из смеси каустического магнезита, опилок и водного раствора магния обеспечивает хорошие эксплуатационные свойства. Подстилающим слоем служит бетон.

Таблица 2- Экспликация полов


3.11 Окна, ворота и двери

В зависимости от способа открывания деревянные окна разделяются на открывающиеся внутрь помещения, открывающиеся наружу и глухие. Глухие окна состоят из коробок и остекления и представляют собой одинарную конструкцию с одним рядом остекления.

В данном здании запроектированы деревянные оконные переплеты высотой 1,2 и 1,8м., спаренной конструкции с двумя рядами остекления, открывающихся внутрь помещения (рис.13). Ворота предназначены для проезда средств транспорта и прохода людей и устанавливаются в наружных стенах отапливаемых и неотапливаемых зданий. Ворота запроектированы распашные с калиткой (рис.13). Они расположены с двух торцевых сторон здания в каждом пролете. Перед воротами предусмотрено устройство пандуса с уклоном 2%, установленный для того, чтобы вода не затекала под ворота. Ворота панельной конструкции состоят из рамы, обрамления, одного, двух или нескольких полотен. Рама представляет собой составную конструкцию, выполненную из ригелей и стоек, соединенных

болтами. Ригели и стойки изготавливают из гнутых сварных квадратных и прямоугольных профилей. Полотна выполняют из различных материалов: деревянного каркаса с обшивкой водостойкой фанерой, оцинкованной стали толщиной 0,8 мм и т. д. Полотна могут быть разработаны с калиткой и без калиток.

Рисунок 13- Эскиз окон и ворот

Таблица 3-Спецификация элементов заполнения проемов

4. Наружная и внутренняя отделка

В проектируемом здании ворота покрывают антикоррозионным раствором, а сверху маслеными красками. Оконные коробки также окрашиваются маслеными красками. Стыки между оконными блоками уплотняются с помощью полос или шнуров пористой резины или гернита.

Горизонтальные швы между полосами выполняют 15мм, вертикальные 10мм, в швы закладываются прокладки из гернита, с наружной стороны расшивают полимерцементным раствором. Снаружи стеновые панели окрашивают фасадной краской. Это даёт внешней стене эстетичный вид и надёжную защиту от внешней окружающей среды. Все железобетонные конструкции белят известью, а металлические конструкции и закладные детали покрывают антикоррозионным составом. На внутренние стены после заполнения швов наносят известковый раствор (1:2). По периметру возле примыкания стен к полу устраивается плинтус из цементно-песчаного раствора.

5. Санитарно-техническое и инженерное оборудование

Для расчёта и набора устройства санитарно-технического оборудования в проектируемом здании указывается численность рабочих, служащих, а так же режим и характер работ. Для благоустройства предусматривается наличие санузлов, душевых комнат, комнат для отдыха, медпунктов. Вентиляция осуществляется за счёт окон и дверей. Электроснабжение - от наружной сети напряжением 220 и 380 В. Водоснабжение проектируемого здания подводится к централизованной системе водоснабжения.

6. Спецификация сборных индустриальных элементов

Таблица 4- Спецификация основных сборных индустриальных элементов


Таблица

Таблица


7. Охрана окружающей среды

Охрана природы от загрязнения вредными выбросами промышленных зданий предусмотрено законодательством Республики Беларусь.

При размещении, проектировании, строительства и реконструкции производственных предприятий разрабатывают меры предусматривающие совершенствование технологии производства и исключающие возникновение отходных производств. Промышленное предприятие выделяющие отходы производства отделяют от жилой застройки населенных мест санитарно-техническими зонами.

Градостроение решают, принимая во внимание проблему сохранения или преобразования ландшафта с учетом охраны природных ресурсов и территории (рельеф, гидрогеология почвы, растительный и живой мир), назначая экологические мероприятия для сохранения и улучшения природы: создание пространственного экологического каркаса расселения и стабильных самоочищающихся экосистем и др.

Архитектурно-планировочные решения, варьируют из условия достижения максимального экологического комфорта и одновременно не загрязняя природной среды.

Здания проектируют с максимальным сохранением, пригодные для сельскохозяйственного, рекреационного, заповедного использования и естественного функционирования земли.

При разработке технологии возведения и использования решения минимального преобразования рельефа, наносящего временный ущерб, окружающей среде, при условии возможности полного возвращения строительной площадки в естественное состояние: сохранение почвенного слоя.

Список используемых источников

.Территориальный каталог индустриальных конструкций и изделий для промышленного строительства в Белорусской ССР. Сборник ТК 2-03.00.91 в трех томах. Том 1, Том 3, Изделия, общие для всех видов строительства. Часть1. Изделия железобетонные.-Мн.,1991г.

. Буга П.Г. Гражданские и промышленные здания-М.: Высшая школа,1987г

. Неелов В.А. Промышленные здания.-М.: Стройиздат,1988г

. Маклакова Т.Г и др.Конструкции промышленных зданий.-М.:Стройиздат,1986г

. Шерешевский И.А. Конструирование промышленных зданий.-Л-д: Ст ройиздат,1981г

. ГОСТ 2.301-68 (СТ СЭВ 11080-78). Форматы [Текст]. -Переизд. сент 1983г. с изм. №1 утв в дек. 1980г. (ИУС 3-1981г.) -Взамен ГОСТ 3450-60 введ. 1971-01-01. -М.: Изд-во стандартов, 1984-2с.- (Единая система конструкторской документации).

. ГОСТ 2.320-68 (СТ СЭВ 1180-78). Масштабы [Текст].-Переизд. сент 1983г. с изм. №1 утв в февр. 1980г. (ИУС 4-1980г.). Взамен ГОСТ 3451-59; введ. 1971-01-01. -М.: изд-во стандартов, 1984. - 1с. - (Единая система конструкторской документации).

. ГОСТ 2.303-68* (СТ СЭВ 1178-78). Линии [Текст].- Переизд. сент 1983. с изм. №1, утв в февр. 1980г. (ИУС 4-1980г.). Взамен ГОСТ 3456-59; введ. 1971-01-01. Мн.: Изд-во стандартов, 1984. -6с, - (Единая система конструкторской документации).

. ГОСТ 2.304-81 (СТ СЭВ 8051-78-СТ СЭВ 855-78). Шрифты чертежные [Текст].- Переизд. сент. 1983г. -Взамен ГОСТ 2.304-68; введ. 1982-01-01. Мн.: Изд-во стандартов, 1984. - 28с - (Единая система конструкторской документации).

. ГОСТ 2.105-95. Общие требования к текстовым документам [Текст]. - Изд. Август 2005г. с попр. (ИУС 12-2001); попр. (ИУС БР 1-2002).-Взамен ГОСТ 2.105-79, ГОСТ 2.906-71; введ. 1997-01-01 изм. №1 введ. 2007-03-01 (ИУ ТИПА №10 2006). -Мн.: Межгост. Совет по стандартизации, метрологии и сертификации, 2005. -25с. -(Единая систеиа конструкторской документации).

. ГОСТ 21.501-93. Правила выполнения архитектурно-строительных рабочих чертежей [Текст]. взамен ГОСТ 21.107-78, ГОСТ 21.50-80, ГОСТ 21.502-78 и ГОСТ 21.503-80; введ.1994-09-01. - Мн.: МНТКС, 1995. -46 (Система проектной документации для строительства).

. СТБ 1138-98. Двери и ворота для зданий и сооружений. Общие технические условия [Текст]. - Переизд. май 2002г. с изм. №1,2,3 (ИУС РБ №1 -2000г., ИУС РБ №4 -2001г., ИУС РБ №6 -200 П). - Взамен ГОСТ 475-78, ГОСТ 6629-88, ГОСТ 24584-81, ГОСТ 18853-734; введ. 1990-01-01 Мн.: Минстойархитектуры, 2002.-33с.

. СТБ 939-93. Окна для зданий и сооружений. Общие технические условия [Текст]. -Переизд. июль 2003г. с изм. №1,2,3 (иус рб №3 1996 , ИУС РБ №1 2000г., ИУС РБ №4 2001г.) и попр. - Взамен ГОСТ 11214-86. ГОСТ 12506-81, ГОСТ 16289-86, ГОСТ 21519-84, ГОСТ 23166-78, ГОСТ 23344-78, ГОСТ 24699-81, ГОСТ 24700-81, ГОСТ 26062-81, ГОСТ 25097-82, ГОСТ 26601-85, ГОСТ27936-88, РСТ БССР 865-87; введ. 1994-01-01, в части 4.2.1.2 1995-01-01. - Мн.: Миноктилпроект, 1994. -40с.

. СНБ 5.01.01-99. Основания и фундаменты зданий и сооружений [Текст]. -Взамен СНиП 2.02.01-83, СНиП 2.02.03-85, СНиП 2.02.05-87, СНБ 3.02.01-87; введ. 1999-07-01. -Мн.: Минстройархитектуры РБ, 2000-1с.

. СНБ 5.08.01-2000. Кровли. Технические требования и правила приемки [Текст]. - Взамен СНиП 2-26-76; введ. 2001-01-01. -Мн.: Минстойархитектуры РБ, 2000. -27с.

.СНиП 2.03.13-88. Полы [Текст]. -Взамен СНиП 2-В.8-71; введ. 1989-01-01. МН.: ЦИТП Госстроя СССР, 1988. 07с.

Похожие работы на - Конструирование промышленного здания

 

Не нашли материал для своей работы?
Поможем написать уникальную работу
Без плагиата!
Без нейросетей!