|
Участок пл.
|
№
|
Mi,
кгс·м
|
Ao
|
h
|
Кол-во стержней,∅ μ, %
|
|
|
|
|
Торцевой
|
1
|
99,000,0150,9900,365∅30,426,46
|
|
|
|
|
|
|
|
|
2
|
48,060,00760,960,185∅30,355,38
|
|
|
|
|
|
|
|
|
3
|
233,000,0370,980,875∅50,9815,07
|
|
|
|
|
|
|
|
|
Средний
|
1
|
70,080,0110,9950,255∅30,355,38
|
|
|
|
|
|
|
|
|
2
|
28,110,0040,9950,1115∅30,355,38
|
|
|
|
|
|
|
|
|
3
|
155,390,0250,9850,575∅40,7611,69
|
|
|
|
|
|
|
|
3.4 Расчет
усилий и армирование поперечной диафрагмы
3.4.1 Подбор
поперечной арматуры диафрагмы
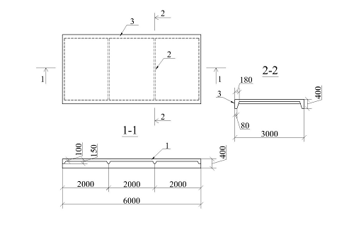
Поперечные ребра диафрагмы рассматриваются как однопролетные
свободно опертые балки. Нагрузки на них передаются от плиты по закону трапеции
так как а’<bп).
Закон передачи нагрузки устанавливается путем проведения
биссектрис углов между продольными и поперечными ребрами. Величина расчетного
пролета принимается равной расстоянию между осями продольных ребер.
Рис. 6. Схема загрузки диафрагмы: а - грузовая площадь, б -
расчетная схема
Находим вес 1п. м. диафрагмы:
где
- средняя ширина сечения диафрагмы
- объемный вес тяжелого бетона;
;
- коэффициент перегрузки;
(0,15-0,08) ·0,07·1,1·2400=12,94 кгс/м
Наибольшее значение треугольной нагрузки q0,
передаваемой от плиты, включая вес плиты, вес утеплителей, пароизоляции и вес
снега найдем по формуле:
где,
и
- соответственно временная и постоянная
расчетные нагрузки, приходящиеся на 1м² плиты покрытия;
576,8·3=1730,4 кгс/мп
Наибольший изгибающий момент в пролете и поперечная сила на опорах
при треугольном законе передачи нагрузки определяются по формулам:
где,
- расчетный пролет диафрагмы.
Вследствие монолитного сопряжения элементов панели друг с другом в
работу сечения диафрагм включается некоторый участок плиты, т.е. диафрагмы
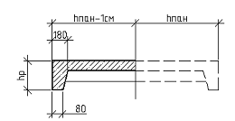
имеют вид тавра (рис.7).
Рис. 7.
Ширина полки этого тавра
принимается равной примерно 1/3 пролета диафрагмы:
Далее устанавливаем положение нейтральной оси. Если изгибающий
момент от расчетных нагрузок оказывается меньше момента внутренних сил,
воспринимаемых сжатой полкой таврового сечения, относительно центра тяжести
растянутой арматуры или равен ему, то нейтральная ось проходит в полке, т. е
если нет то нейтральная ось проходит в
ребре.
где,
=15-1,5=13,5см.
Условие выполняется, следовательно, можно утверждать, что
нейтральная ось сечения плиты проходит в полке. Расчет требуемой арматуры
производится аналогично прямоугольному сечению.
Принимаем 1Ø18-А-400;
3.4.2 Подбор
поперечной арматуры диафрагмы
Поперечная арматура в диафрагме ставится для обеспечения
прочности по наклонным сечениям.
Расчет прочности изгибаемых элементов по бетонной полосе
между наклонными сечениями имеет цель предотвращение разрушение элемента от
действия сжимающих усилий вдоль полосы и производится из условия:
где,
- расчетное сопротивление бетона осевому растяжению (по первой
группе предельных состояний);
- средняя ширина сечения диафрагмы.
Условие выполняется.
Конструктивно принимаем хомуты Ø6-A-400 с шагом 100мм.
Диафрагму армируем одним плоским сварным каркасом, который состоит
из одного рабочего стержня продольной арматуры Ø18-А400, поперечных стержней - хомутов Ø6-А-400 с шагом на приопорном участке,
равным l/4, S=100 мм; в пролёте S - 200 мм и
конструктивного стержня, диаметр которого назначается из конструктивных
соображений:
3.5 Расчет
усилий и подбор арматуры в продольных ребрах
Рис. 8. Схема загружения продольного ребра
Продольные ребра рассматриваются, как свободно опертые балки.
Нагрузки на них передается непосредственно от плиты по закону треугольника.
Практически нагрузку принимают равномерно распределенной:
где,
g и р - временная и постоянная расчетные нагрузки на 1м2
(см. Таблицу сбор нагрузок);
- собственный вес 1п. м. ребра.
где
- высота продольного ребра;
- средняя ширина ребра
;
- объемный вес тяжелого бетона
;
- коэффициент надежности по нагрузке.
Наибольший изгибающий момент в середине пролета:
Наибольшая поперечная сила на опорах:
где,
- расчетный пролет ребра принимается
равным, расстоянию между осями диафрагм:
При расчете арматуры в ребре необходимо учесть работу плит, часть
которой попадает в сжатую зону. Поэтому профиль сечения ребра представляет
собой полутавр с шириной полки:
Рис. 9. Профиль сечения ребра
Расчетный профиль будет зависеть от положения нейтральной
оси, которое устанавливается проверкой условия:
где,
Условие выполняется, и площадь поперечной арматуры подбирается как
для прямоугольного сечения шириной
:
Принимаем верхний стержень Ø10-А-400,
, нижний - Ø16-А-400,
.
3.6 Схема
армирования продольных ребер
Для экономии металла рекомендуется предусмотреть обрыв стержней.
Обрыв стержней назначается в соответствии с эпюрами изгибающих моментов. Для
этого на арматурном чертеже ребра строится так называемая эпюра материалов,
представляющая собой эпюру моментов
, которые может воспринять ребро имеющимся в сечении количеством
арматуры. Для построения эпюры материалов воспользуемся формулой:
где
- табличный коэффициент, определяемый по
фактическому проценту армирования
Рис. 10. Эпюра материалов при армировании сварными каркасами.
При построении эпюры материалов считают, что обрываемый
стержень необходимо завести за точку теоретического обрыва, где он уже не нужен
по расчету, для бетона B25 длина анкеровки w:
Продольное ребро армируем одним плоским сварным каркасом, который
состоит из двух рабочих стержней продольной арматуры Ø10-А400 и Ø16-А400, поперечных стержней - хомутов Ø6-А-400 с шагом S=100 мм и конструктивного стержня, диаметр которого назначается из
конструктивных соображений:
3.7 Расчет
трещиностойкости продольных ребер
3.7.1 Расчет
продольных ребер по образованию трещин
Расчет железобетонных элементов по трещинообразованию выполняют
на действие нормативных нагрузок.
где
и
временная и постоянная нормативные нагрузки на 1м2
(см. Таблицу сбор нагрузок);
где
- высота продольного ребра;
- средняя ширина ребра
;
- объемный вес тяжелого бетона
;
- коэффициент надежности по нагрузке.
Расчет железобетонных элементов по образованию нормальных трещин
производится из условия:
Условие не выполняется, трещины образуются.
где: Мrмомент
внешних сил;
Мcrc - момент, воспринимаемый сечением,
определяемый по формуле:
,
где:
- расчетное сопротивление бетона осевому
растяжению (по второй группе предельных состояний);
Wplупруго пластический момент сопротивления
приведенного сечения для крайнего растянутого волокна с учетом неупругих
деформаций растянутого бетона;
где Wredмомент сопротивления для растянутой грани
приведенного сечения, определяемый по правилам сопротивления упругих
материалов.
g - коэффициент для прямоугольных сечений принимается равным 1,75.
где
- приведенный момент инерции относительно
оси х-х, проходящей через центр тяжести сечения;
- расстояние от максимально удаленной грани сечения до центра
тяжести сечения.
Рис. 11
Положение оси х-х определяется по формуле:
где
- площадь приведенного сечения:
где
- площадь полки приведенного сечения;
- площадь ребра приведенного сечения;
- площадь рабочей арматуры;
- площадь конструктивной арматуры;
- коэффициент привидения бетона к арматуре
где 


- расстояния от нижней грани сечения (оси 0-0) до центра тяжести
приведенных сечений;
;
где:
- момент инерции полки;
- момент инерции ребра;
Напряжения, возникающие в растянутой зоне: 
- условие прочности не выполняется, поэтому необходимо выполнить
расчет ребра по раскрытию трещин.
.7.2 Расчет
продольных ребер по раскрытию трещин
Сущность расчета по раскрытию трещин нормальных и наклонных к
продольной оси, заключается в определении ширины раскрытия трещин на уровне
растянутой арматуры (аcrc) и сравнивают ее с предельной шириной раскрытия
[аlim].
Если это условие выполняется, то конструкция удовлетворяет
требованиям по ширине раскрытия трещины.
Ширину раскрытия трещин, нормальных к продольной оси элемента, acrc, мм, следует определять по формуле:
где:
dкоэффициент, принимаемый равным 1 для изгибаемых элементов;
h - коэффициент, принимаемый равным:
при стержневой арматуре периодического профиля 1,0
при стержневой арматуре гладкой 1,3
при проволочной арматуре периодического профиля и канатах 1,2
при гладкой арматуре 1,4
jl - коэффициент, принимаемый равным для
продолжительного действия постоянных и
длительных нагрузок для конструкций из тяжелого бетона
естественной влажности;
,
где
коэффициент армирования сечения,
принимаемый равным отношению площади сечения арматуры S к площади сечения
бетона (при рабочей высоте ho и
без учета сжатых свесов полок), но не более 0,02.
- диаметр
растянутой арматуры, мм.
Условие
выполняется
4. Расчёт
усилий в элементах поперечной рамы каркаса
На поперечную раму каркасного здания действуют ветровая,
снеговая, крановая и постоянная нагрузки. Сбор нагрузок и расчет внутренних
усилий от их действия произведен с помощью программного комплекса SCAD в курсовом проекте
"Металлические каркасные здания”.
По результатам расчета построены огибающие эпюр для расчета
колонны по ряду А на I-е сочетания нагрузок самой невыгодной комбинации загружения
внутри сочетания.
Рис. 12. Огибающие эпюры моментов
5.
Армирование колонны
5.1
Назначение поперечных сечений колонны
Назначаем высоты сечений из расчета:
Принимаем
Принимаем
где,
Величина b=0,5·hн =0,5·0,8=0,4м. Примем b=40см.
Вычисляем полезные высоты сечений колонны:
- защитный слой бетона колонн;
5.2 Подбор
арматуры в расчетных сечениях
При проектировании колонны используются следующие материалы:
бетон класса В25:

арматура класса А-400:

СЕЧЕНИЕ 1-1

При подборе арматуры используем следующий прием:
Так как:
подбор арматуры начинаем по II-ой комбинации усилий
II комбинация
) Определяем начальный и случайные эксцентриситеты:
) Определим значение Nкр, для прямоугольных сечений:
где,
- ширина сечения колонны;
- высота сечения колонны;
- расчетная длинна участка колонны;
- коэффициент, учитывающий влияние длительного действия нагрузки
на прогиб элемента в предельном состоянии,
= 1,3;
- коэффициент армирования,
= 0,01;
n - коэффициент привидения
;
- коэффициент, принимаемый равным
, но не менее
- случай больших эксцентриситетов.
) Определяем количество сжатой арматуры:
) Определяем действительную высоту сжатой зоны с учетом арматуры в
сжатой зоне:
Так как
и
Высота сжатой зоны определяется из условия ξ= ξR:
I комбинация
) Определяем начальный и случайные эксцентриситеты:
) Определим значение Nкр, для прямоугольных сечений:
- случай больших эксцентриситетов.
) Определяем количество сжатой арматуры:

4) Определяем действительную высоту сжатой зоны с учетом арматуры
в сжатой зоне:
Так как
и
Высота сжатой зоны определяется из условия ξ= ξR:
СЕЧЕНИЕ 2-2

При подборе арматуры используем следующий прием:
,
Так как:
подбор арматуры начинаем со II-ой комбинации усилий
II комбинация
) Определяем начальный и случайные эксцентриситеты:
) Определим значение Nкр, для прямоугольных сечений:

- случай больших эксцентриситетов.
) Определяем количество сжатой арматуры:
Принимаем конструктивное армирование
) Определяем действительную высоту сжатой зоны с учетом арматуры в
сжатой зоне:
Так как
и
Высота сжатой зоны определяется из условия ξ= ξR:
I комбинация
) Определяем начальный и случайные эксцентриситеты:
2) Определим значение Nкр, для прямоугольных сечений:
- случай больших эксцентриситетов.
) Определяем количество сжатой арматуры:
Принимаем конструктивное армирование
) Определяем действительную высоту сжатой зоны с учетом арматуры в
сжатой зоне:
Так как
и
Высота сжатой зоны определяется из условия ξ= ξR:
Принимаем конструктивное армирование
СЕЧЕНИЕ 3-3

При подборе арматуры используем следующий прием:
Так как:
подбор арматуры начинаем со II-ой комбинации усилий
II комбинация
) Определяем начальный и случайные эксцентриситеты:
2) Определим значение Nкр, для прямоугольных сечений:
- случай больших эксцентриситетов.
3) Определяем количество сжатой арматуры:
Принимаем конструктивное армирование
) Определяем действительную высоту сжатой зоны с учетом арматуры в
сжатой зоне:
Так как
и
Высота сжатой зоны определяется из условия ξ= ξR:
I комбинация
) Определяем начальный и случайные эксцентриситеты:
) Определим значение Nкр, для прямоугольных сечений:
- случай больших эксцентриситетов.
) Определяем количество сжатой арматуры:
Принимаем конструктивное армирование
) Определяем действительную высоту сжатой зоны с учетом арматуры в
сжатой зоне:
Так как
и
Высота сжатой зоны определяется из условия ξ= ξR:
СЕЧЕНИЕ 4-4
1) Определяем значения случайных эксцентриситетов:
) Определим значение Nкр, для прямоугольных сечений:
- случай малых эксцентриситетов
) Проверяем достаточность бетонного сечения:
Условие выполняется, арматура не требуется. Ставим конструктивно.
5.3
Конструирование арматуры
После определения необходимой площади арматуры во всех
расчетных сечениях колонны пользуясь сортаментом, подбираем стержни продольной
арматуры по внешней и внутренней (по отношению к сооружению) сторонам колонны.
При этом необходимо построить эпюру материалов колонны для
определения точек теоретического обрыва (ТТО) стержней (см. рис П.2 и П.3).
Результаты расчета арматуры представлены в таблице 3.
Таблица 3
№ сечения № комбинации усилий
расч
см²
фактич
см²Кол-во
|
стержней
|
|
|
|
|
1-1
|
I
|
16
|
18,85
|
6ø20
|
|
II
|
8,2
|
10,18
|
4ø18
|
|
2-2
|
I
|
6,08
|
6,28
|
2ø20
|
|
II
|
6,08
|
6,28
|
2ø20
|
|
3-3
|
I
|
3,68
|
5,09
|
2ø18
|
|
II
|
3,68
|
5,09
|
2ø18
|
|
4-4
|
I
|
3,68
|
5,09
|
2ø18
|
|
II
|
3,68
|
5,09
|
2ø18
|
Поперечная арматура в колоннах обычно по расчёту не требуется
её расстановку, осуществляем, в соответствии с конструктивными требованиями
норм, а именно:
Диаметр хомутов принимаем
где
- максимальный диаметр продольной
арматуры.
Шаг хомутов
где
- минимальный диаметр продольной
арматуры.
6.
Конструирование и расчёт фундамента
6.1
Конструирование фундамента
При проектировании фундамента используются следующие
материалы:
Бетон класса: В15
Арматура класса: - А-400
При расчете и конструировании фундамента рассматривается сечение
1-1.
В проекте рассмотрена конструкция отдельно стоящего фундамента с
заделкой колонны посредством зуба. На него помимо вертикальной силы, действуют
момент и горизонтальная сила, передаваемая от стоек в месте их сопряжения с
фундаментом.
Рассчитанные нагрузки, действующие на колонну, приняты с
коэффициентом запаса. Для нахождения их нормативного значения воспользуемся
следующими формулами:


где,
- осредненный коэффициент перегрузки;
Определяем требуемую площадь подошвы фундамента:
где,
- осредненный объемный вес бетонно-грунтового массива
- расчетное сопротивление грунта
- глубина заложения фундамента
Размеры фундамента определяются из соотношения сторон:
=4,2 м;
=3 м;
Высота фундамента стаканного типа может быть назначена из
конструктивных условий, обеспечивающих достаточность заделки в фундаменте,
прочность днища стакана на продавливание при монтаже, а так же из условия
возможности выверки колонны при установке.
Рис. 6.1.
Принимаем высоту фундамента
Принимаем трехступенчатый железобетонный фундамент со следующими
высотами ступеней:
Определяем размеры ступеней фундамента:
Рис. 6.2.
Для определения размеров ступеней используется следующий примем:
Тогда:
где,
- ширина сечения колонны;
- длинна сечения колонны;
Окончательно принимаем: 
6.2
Определение напряжений под подошвой фундамента
Определяем краевые напряжения в грунте под подошвой
фундамента для двух расчетных комбинаций усилий в сечении 1-1. Для этого
приведем усилия по низу колонны к обрезу фундамента.
Рис. 6.3.
Определяем вертикальную нормативную силу
, действующую на подошву фундамента и
момент всех сил
действующих на фундамент, относительно
центра тяжести его подошвы
Считаем максимальное и минимальное напряжение под подошвой
фундамента:
где,
- момент сопротивления подошвы фундамента;
Тогда:
Проверка прочности грунта выполняется.
.3 Расчет
фундамента на продавливание
Расчет на продавливание производится для сечения по грани
пирамиды, параллельной меньшей стороне подошвы фундамента и начинающейся у
третьего уступа. Минимальную высоту фундамента проверяют исходя из условия:
где,
расчетное сопротивление бетона осевому растяжению (по второй
группе предельных состояний);
- рабочая высота фундамента
= Н - а,
= 105 см - 3,5см = 102см= 1,02м
среднее арифметическое нижней и верхней сторон пирамиды
продавливания;
где,
- ширина сечения колонны
F - расчетная продавливающая сила, определяемая по зависимости:

наибольшее краевое напряжение в грунте от расчетных нагрузок без
учета веса фундамента и грунта на его свесах;
Рис. 6.3.
Проверка прочности фундамента на продавливание выполняется.
6.4
Армирование фундамента
Площадь сечения арматуры, укладываемой по подошве фундамента,
определяют расчетом нормальных сечений 1-1, 2-2, 3-3 и 4-4 (рис.6.4), на
действие изгибающих моментов в сечениях, вызываемых реактивным давлением грунта
от расчетных усилий. Нагрузки от собственного веса грунта на его уступах не
учитываются, так как расчет реакции грунта велся без учета этих нагрузок.
Рис. 6.4.
Изгибающие моменты в указанных сечениях определяют по схеме
консольной балки. Изгибающие моменты в сечениях 1-1, 2-2 вычисляются от
давления грунта при
и
в сечении 3-3 от давления
и
, в сечении 4-4 от давления,
соответствующего комбинации
и
, при которой получается наибольшее
значение
и
) /2.
Необходимая площадь арматуры определяется из условия:
где,
- высота ступени фундамента;
= 3,5 см - защитный слой.
Параллельно длинной стороне фундамента принимаем 18Ø18 АIII,
в направлении меньшей стороны принимаем 12Ø16 AIII,
Литература
1. Лекции
по дисциплине "Железобетонные конструкции"
2. Шерешевский
И.О. "Конструирование промышленных зданий и сооружений" Л.:
Стройиздат, 1979
. Трепененков
Р.И. Альбом чертежей, конструкций и деталей промышленных зданий. М.:
Стройиздат, 1980
. Ю.И.
Кононов. Сборной ребристое перекрытие. Методические указания. ЛПИ. Л.:
Стройиздат, 1982
. СНиП
2.01.07-85*. Нагрузки и воздействия. М.: Минстрой России, 1996
. СП
52-101-2003. Бетонные и железобетонные конструкции. М.: Минстрой России, 1991
. Пособие
по проектированию бетонных и железобетонных конструкций из тяжёлых и лёгких
бетонов без предварительного напряжения арматуры (к СП 52-101-2003)
. Г.Г.
Виноградов. Конструирование железобетонных элементов промышленных зданий. М.:
Стройиздат, 1981
. Курсовой
проект "Металлические каркасные здания"
. Ю.И.
Кононов. Монолитное железобетонное рёбристое перекрытие с балочными плитами.
Методические указания. СПбГПУ. СПб.: Изд-во СПбГПУ, 2003
. ГОСТ
21.501-93. Правила выполнения архитектурно-строительных чертежей рабочих
чертежей. М.: Минстрой России, 1993
. Правила
оформления студенческих выпускных работ и отчётов. Сост.: Г.П. Голованов, К.К.
Гомоюнов, В.А. Дьяченко и др.: Под ред.В. В. Глухова. Спб.: Изд-во СПбГПУ, 2002