Расчет оснований и конструирование фундаментов промышленного здания в г. Москве
МИНОБРНАУКИ РОССИИ
Федеральное государственное бюджетное
образовательное учреждение
Высшего профессионального образования
"Томский государственный
архитектурно-строительный университет"
(ТГАСУ)
Строительный факультет
" Промышленное и гражданское
строительство "
КУРСОВАЯ РАБОТА
НА ТЕМУ:
"РАСЧЕТ ОСНОВАНИЙ И
КОНСТРУИРОВАНИЕ ФУНДАМЕНТОВ ПРОМЫШЛЕННОГО ЗДАНИЯ В Г. МОСКВЕ".
Исполнитель студентка 5 курса курса, группы 110/6
Апраксина Наталья Владимировна
Руководитель проекта Богатырева М.М.
Консультант Богатырева М.М.
Томск 2015
Содержание
1. Исходные данные
2. Анализ конструктивной схемы здания. Составление сочетаний
нагрузок, действующих на фундаменты зданий
3. Вариантное проектирование
3.1 Расчет и конструирование фундамента мелкого заложения под колонну
крайнего ряда
3.1.1 Определение глубины заложения фундамента
3.1.2 Определение размеров подошвы фундамента
3.1.3 Проверка прочности подстилающего слоя
3.1.4 Расчет осадки фундамента
3.1.5 Конструирование фундамента и расчет его на прочность
3.1.5.1 Назначение предварительных геометрических размеров
фундамента
3.1.5.2 Расчет фундамента на продавливание
3.1.5.3 Определение площади сечений арматуры плитной части
3.2 Расчет и конструирование фундамента мелкого заложения под
колонну среднего ряда
3.2.1 Определение глубины заложения фундамента
3.2.2 Определение размеров подошвы фундамента
3.2.3 Проверка прочности подстилающего слоя
3.2.4 Расчет осадки фундамента
3.2.5 Конструирование фундамента и расчет его на прочность
3.2.5.1 Назначение предварительных геометрических размеров
фундамента
3.2.5.2 Расчет фундамента на продавливание.
3.2.5.3 Определение площади сечений арматуры плитной части
3.3 Расчет и конструирование свайных фундаментов под колонну
крайнего ряда
3.3.1 Выбор глубины заложения ростверка
3.3.2 Выбор типа свай, назначения и длины
3.3.3 Оценка несущей способности свай
3.3.4 Расчет количества свай в кусте и конструирование ростверка
3.3.5 Расчет осадки свайного фундамента
3.3.6 Расчет на прочность ростверка
3.4 Расчет и конструирование свайных фундаментов под колонну
среднего ряда
3.4.1 Выбор глубины заложения ростверка
3.4.2 Выбор типа свай, назначения и длины
3.4.3 Оценка несущей способности свай
3.4.4 Расчет количества свай в кусте и конструирование ростверка
3.4.5 Расчет осадки свайного фундамента
3.4.6 Расчет на прочность ростверка
3.5 Подбор сваебойного оборудования
3.6 Определение проектного отказа свай
3.7 Технико-экономическое сравнение принятого решения фундаментов
Использованная литература
1. Исходные
данные
Данные о размерах и высотных отметках здания,
грузоподъемности кранового оборудования, районе ветровой и снеговой нагрузки
|
Шифр схемы
|
Левый пролет
|
Правый пролет
|
Отметка верха
стены
|
Длина здания
|
Грузопод. крана
левого пролета
|
Грузопод. крана
правого пролета
|
Район ветровой
нагрузки
|
Район снеговой
нагрузки
|
|
Б
|
24
|
18
|
14,500
|
102
|
15/3
|
15/3
|
2
|
2
|
Данные о колоннах здания
|
Ветровой район
|
Высота цеха
|
Размеры сечения
колонн фахверка
|
Схема сечения
колонн здания
|
Шифр схемы
здания
|
Сечение колонн
|
|
|
|
|
|
Крайнего ряда
|
Среднего ряда
|
2 >9,6 600х500
От "А"
План цеха Поперечный
разрез

Нормативные нагрузки на фундамент под крайнюю колонну:
|
№ схе мы
|
Усилия кН, кНм
|
Постоянная
|
Снег
|
Кран левого
пролета
|
Ветер
|
|
|
Стена
|
Колонна
|
|
|
|
|
|
|
|
|
Dmax
|
Dmin
|
T
|
слева
|
справа
|
|
|
1
|
2
|
3
|
4
|
5
|
6
|
7
|
8
|
4 M N Q -246
352 -
444 - 36 82 588 21 -70 196 15
102
16145
1-135
Нормативные нагрузки на фундамент под среднюю колонну:
|
№ схе мы
|
Усилия кН, кНм
|
Собствен. вес
|
Снег
|
Кран левого
пролета
|
Кран правого
пролета
|
Ветер
|
|
|
|
|
Dmax
|
Dmin
|
T
|
Dmax
|
Dmin
|
T
|
|
|
|
1
|
2
|
3
|
4
|
5
|
6
|
7
|
8
|
9
|
4 M N Q - 834 - 72 -75 588 15 67 196 13
100
1637
-32
14
55
9
128
|
11
|
|
|
|
|
2. Анализ
конструктивной схемы здания. Составление сочетаний нагрузок, действующих на
фундаменты зданий
Определение невыгодных сочетаний нагрузок на фундамент
крайней и средней колонны
Таблица 1. Нагрузки на фундамент под крайнюю колонну
|
Усилия
|
Постоянная
нагрузка
|
Временные
нагрузки
|
Сочетания
|
|
стена
|
колонна
|
снег
|
кран
|
ветер
|
основные
|
|
|
|
|
Рmax
|
Рmin
|
тормож
|
Слева
|
Справа
|
Mmax
|
Nmax
|
Qmax
|
|
|
|
|
|
|
|
|
|
|
|
|
|
|
M,
кН
|
-246
|
-
|
-
|
82
|
-70
|
±102
|
145
|
-135
|
1,2,3,5,6,8
|
1,2,3,4,6,8
|
1,2,3,4,6,8
|
|
N,
кН
|
352
|
444
|
36
|
588
|
196
|
-
|
-
|
-
|
1,2,3,5,6,8
|
1,2,3,4,6,8
|
1,2,3,4,6,8
|
|
Q,
кН
|
-
|
-
|
-
|
-21
|
-15
|
±16
|
21
|
-18
|
1,2,3,5,6,8
|
1,2,3,4,6,8
|
1,2,3,4,6,8
|
|
Коэф. сочетания
|
1
|
1
|
0,9
|
0,9
|
0,9
|
0,9
|
0,9
|
0,9
|
M= -
522,3 N=1004,8 Q= - 44,1
|
M= - 385,2 N=1357,6 Q= - 49,5
|
M= - 385,2 N=1357,6 Q= - 49,5
|
|
Коэф.
перегрузки при расчете по несущей способности
|
1,1
|
1,1
|
1,4
|
1,2
|
1,2
|
1,2
|
1,2
|
1,2
|
M= - 639 N=1161,2 Q= - 58,8
|
M= - 456,6 N=1631,6 Q= - 66
|
M= - 456,6 N=1631,6 Q= - 66
|
|
Коэффициент
перегрузки при расчете по деформации
|
1
|
1
|
1
|
1
|
1
|
1
|
1
|
1
|
M= - 553 N=1028 Q= - 49
|
M= - 401 N=1420 Q= - 55
|
M= - 401 N=1420 Q= - 55
|
Таблица 2. Нагрузки на фундамент под среднюю колонну
|
Усилия
|
Постоянная
нагрузка
|
Временные
нагрузки
|
Сочетания
|
|
стена
|
снег
|
кран
|
кран
|
ветер
|
основные
|
|
|
|
Рmax
|
Рmin
|
тормож
|
Рmax
|
Рmin
|
тормож
|
|
Mmax
|
Nmax
|
Qmax
|
|
|
|
|
|
|
|
|
|
|
|
|
|
|
M, кН
|
-
|
-
|
-75
|
67
|
±
|
37
|
-32
|
±55
|
±128
|
1,2,3,5,7,8,9
|
1,2,3,5,6,8,9
|
1,2,3,5,6,8,9
|
|
N, кН
|
834
|
72
|
588
|
196
|
-
|
374
|
143
|
-
|
-
|
1,2,3,5,7,8,9
|
1,2,3,5,6,8,9
|
1,2,3,5,6,8,9
|
|
Q, кН
|
-
|
-
|
15
|
13
|
±16
|
-10
|
-14
|
±9
|
±11
|
1,2,3,5,7,8,9
|
1,2,3,5,6,8,9
|
1,2,3,5,6,8,9
|
|
Коэф. сочетания
|
1
|
0,9
|
0.85* 0,9
|
0.85* 0,9
|
0.85* 0,9
|
0.85* 0,9
|
0.85* 0,9
|
0.85* 0,9
|
0,9
|
M= - 262,845 N=1634,73 Q= - 114,3
|
M=-109,85 N=1634,73 Q= - 89,82
|
M= - 262,845 N=1634,73 Q= - 114,3
|
|
Коэффициент
перегрузки при расчете по несущей способности
|
1,1
|
1,4
|
1,2
|
1,2
|
1,2
|
1,2
|
1,2
|
1,2
|
1,2
|
M= - 385,2 N=2089,2 Q= - 37,2
|
M= - 145,2 N=2089,2 Q=1,2
|
M= - 385,2 N=2089,2 Q= - 37,2
|
|
Коэффициент
перегрузки при расчете по деформации
|
1
|
1
|
1
|
1
|
1
|
1
|
1
|
1
|
1
|
M= - 321 N=1868 Q= - 31
|
M= - 121 N= 1868 Q=1
|
M= - 321 N=1868 Q= - 31
|
3. Вариантное
проектирование
3.1 Расчет и
конструирование фундамента мелкого заложения под колонну крайнего ряда
3.1.1
Определение глубины заложения фундамента
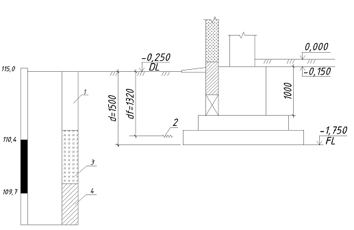
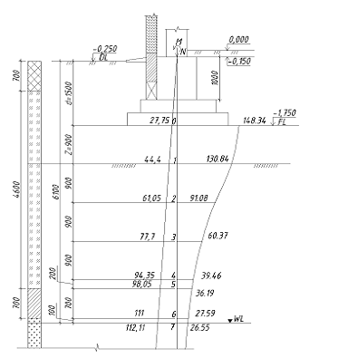
Рис. 3.1 Схема к назначению глубины заложения подошвы
фундамента.
DL - отметка планировки; FL - отметка заложения
фундамента; 1 - насыпной грунт; 2 - расчетная глубина промерзания грунта;
3-суглинок желто-бурый; 4 - глина бурая.
Определить глубину заложения фундаментов под наружные колонны
промышленного здания с полами по грунту. Здание отапливаемое, без подвала.
Грунт - суглинок желто-бурый. Грунтовые воды в период промерзания находятся на
глубине
м. район строительства г.
Анжеро-Судженск. Среднесуточная температура воздуха в помещении
˚С.
фундамент промышленное здание свая
Руководствуясь картой, определяем нормативную глубину сезонного
промерзания
для г. Анжеро-Судженска
м, тогда расчетная глубина промерзания
составит:
,
где
- коэффициент, учитывающий влияние
теплового режима здания, принимаемый по [3, табл.1].
По конструктивным требованиям принимаем глубину заложения
фундамента
м.
3.1.2
Определение размеров подошвы фундамента
Определить размеры подошвы внецентренно нагруженного фундамента под
колонну промышленного здания. Расчетные нагрузки на уровне планировки
составляют невыгодное сочетание:
кН;
кНм;
кН.
Глубина заложения фундамента
м. Грунт основания - суглинок тяжелый песчанистый, непросадочный.
Удельный вес грунта
кН/м3, угол внутреннего трения
˚, удельное сцепление
кПа. Расчетное сопротивление грунта
основания
кПа.
Площадь подошвы фундамента в первом приближении равна:
,
где 1,2 - коэффициент, учитывающий действие момента сил;
кН/м3 - среднее значение удельного веса материала
фундамента и грунта на его обрезах;
- глубина заложения фундамента;
- расчетное сопротивление грунта основания.
м2.
На основание передаются вертикальные, горизонтальные и моментные нагрузки.
Поэтому подошву фундамента принимаем прямоугольной формы в плане. Для
определения размеров подошвы задаемся соотношением сторон
, тогда:
м;
м.
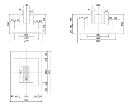
Рис. 3.2 Схема к определению размеров подошвы фундамента под
крайнюю колонну промышленного здания.
Вычисляем расчетное сопротивление грунта основания
по формуле (7) [3]:
,
где
и
- коэффициенты условий работы, принимаемые по табл.3;
- коэффициент принимаемый равным 1 так как прочностные
характеристики грунта (j и с) определены непосредственными
испытаниями;
- коэффициенты принимаемые по табл. 3;
- коэффициент принимаемый равным 1, при
м;
- ширина подошвы фундамента;
- осредненное расчетное значение удельного веса грунтов,
залегающих ниже подошвы фундамента (при наличии подземных вод определяется с
учетом взвешивающего действия воды), кН/м3;
- то же, залегающих выше подошвы;
- глубина заложения фундаментов бесподвальных сооружений от
уровня планировки или приведенная глубина заложения наружных и внутренних
фундаментов от пола подвала, определяемая по формуле;
- глубина подвала - расстояние от уровня планировки до пола
подвала, м;
- расчетное значение удельного сцепления грунта, залегающего
непосредственно под подошвой фундамента, кПа;
;
;
;
;
;
;
;
кН/м3;
кПа;
м;
;
кПа
Максимальное
, среднее
и минимальное
давление по подошве внецентренно нагруженного фундамента должны
удовлетворять условиям
,
,
где
кНм;
кН;
м3;
кПа >
кПа - условие
не выполняется, следовательно, увеличиваем размер подошвы
фундамента и принимаем их равными a =
3,6 м, b =2,7 м.
Вычисляем повторно расчетное сопротивление грунта основания:
кПа
где
кН,
кН
кПа <
кПа
кПа > 0
кПа <
кПа
Определяем коэффициенты запаса:
Условие
выполняется с запасом (
), поэтому окончательно принимаем размеры
подошвы фундамента
м,
м.
3.1.3
Проверка прочности подстилающего слоя
При наличии в пределах сжимаемой толщи основания фундаментов
на определенной глубине слоя более слабого грунта, чем вышележащий (несущий)
слой, залегающий непосредственно под подошвой, размеры фундаментов должны
назначаться с учетом проверки прочности подстилающего слоя. Не соблюдение данных
требований может привести к значительным деформациям, а также к потере несущей
способности основания.
О наличии более слабого слоя грунта в основании, по сравнению с
вышележащими слоями, можно судить по прочностным характеристикам φ и С, табличному значению
расчетного сопротивления грунта основания
и модуля деформации
. Для подстилающего слоя данные характеристики больше, чем для
вышележащего, залегающего под подошвой фундамента.
3.1.4 Расчет
осадки фундамента
Определить методом послойного суммирования осадку прямоугольного
фундамента с размерами
м,
м. Глубина заложения фундамента
м. Среднее давление по подошве (с учетом веса фундамента)
кПа. Грунтовые условия приведены на рис.
3.3.
На глубине 6,1 м от поверхности имеются грунтовые воды. Грунты
имеют следующие характеристики: суглинок желто-бурый
;
кН/м3;
кПа, глина бурая
;
кН/м3;
кПа; супесь зелено-бурая
;
кН/м3;
кПа; песок серо-бурый
;
кН/м3;
кПа; глина бурая
;
кН/м3;
кПа
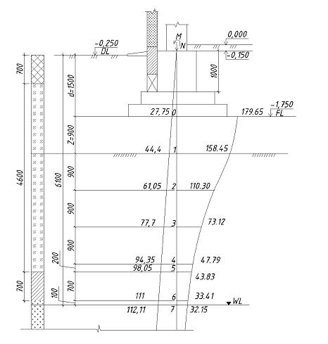
Рис. 3.3 Расчетная схема к определению осадки фундамента методом
послойного суммирования для крайних колонн. DL - отметка планировки; FL -
отметка подошвы фундамента; WL - уровень
грунтовых вод; BC - нижняя граница сжимаемой толщи.
На геологический профиль наносим контуры фундамента.
Разделяем в первом приближении сжимаемую толщу основания на элементарные
слой толщиной:
м.
Принимаем толщину элементарного слоя для суглинка
, для глины
и ниже уровня грунтовых вод
м.
Определяем напряжения от собственного веса грунта
и дополнительное напряжение
в уровне подошвы фундамента.
кПа
кПа
Вычисляем дополнительные напряжения
на границах выделенных слоев по формуле:
,
где
- коэффициент, учитывающий изменение по
глубине основания дополнительно напряжения
и принимаемый в зависимости от относительной глубины
и отношения сторон фундамента
[3, табл.1, прил.3].
Результаты расчета сводим в таблицу 2.1.
Для определения нижней границе сжимаемой толщи основания
фундамента вычисляем напряжения от собственного веса грунта
на границах пластов грунта и выделенных
слоев
. При этом для глины, залегающей ниже
уровня грунтовых вод, удельный вес принимается без учета взвешивающего действия
воды.
Строим эпюры
и
и определяем нижнюю границу сжимаемой толщи основания.
м
кПа
м
кПа
м
кПа
м
кПа
м
кПа
м
кПа
м
кПа
Поскольку в основании залегают грунты с модулем деформации
МПа, то согласно [3] за нижнюю границу
сжимаемой толщи принимается условие
. Данное
условие выполняется на глубине
м (точка 7), где 26,55 кПа ≈ 22,42 кПа.
Остальные значения приведены в табл. 2.1.
Таблица 2.1
|
№
|
, м , м  , кПа , кН/м3 , кПа , кПа , кПа , МПа , м
|
|
|
|
|
|
|
|
|
|
|
|
1
|
2
|
3
|
4
|
5
|
6
|
7
|
8
|
9
|
10
|
11
|
12
|
|
0
|
-
|
0,90
|
-
|
1,000
|
148,34
|
18,5
|
27,75
|
-
|
-
|
-
|
-
|
|
1
|
0,9
|
0,90
|
0,67
|
0,882
|
130,84
|
18,5
|
44,4
|
8,8
|
139,59
|
9720
|
0,0129
|
|
2
|
1,8
|
0,90
|
1,33
|
0,614
|
91,08
|
18,5
|
61,05
|
12,21
|
110,96
|
9700
|
0,010
|
|
3
|
2,7
|
0,90
|
2
|
0,407
|
60,37
|
18,5
|
77,7
|
15,54
|
75,12
|
9700
|
0,007
|
|
4
|
3,6
|
0,90
|
2,67
|
0,266
|
39,46
|
18,5
|
94,35
|
18,87
|
49,91
|
9700
|
0,0046
|
|
5
|
3,8
|
0, 20
|
2,81
|
0,244
|
36, 19
|
18,5
|
98,05
|
19,61
|
37,82
|
9700
|
0,0008
|
|
6
|
4,5
|
0,70
|
3,33
|
0,186
|
27,59
|
18,5
|
111
|
22,2
|
31,89
|
11140
|
0,002
|
|
7
|
4,6
|
0,10
|
3,41
|
0,179
|
26,55
|
11,13
|
112,11
|
22,42
|
27,07
|
10000
|
0,0008
|
|
|
|
|
|
|
|
|
|
|
Итого
|
0,0381
|
|
|
|
|
|
|
|
|
Итого с
коэффициентом 0,0304
|
|
Для определения величины осадки фундамента вычисляем среднее
дополнительное напряжение
в каждом элементарном слое. Например, в
первом и втором слоях:
кПа
кПа.
Осадку фундамента определяем по формуле:
,
где
- безразмерный коэффициент,
корректирующий упрощенную схему расчета, и принимаемый равным 0,8 для всех
видов грунтов.
Проверяем условие
- где Su - предельно допустимая осадка для данного
сооружения [2].
Принимаем Su = 8 см.
S = 3,04 см < Su = 8 см условие выполняется.
Размеры подошвы фундамента достаточны для передачи на грунт
давления от сооружения.
3.1.5
Конструирование фундамента и расчет его на прочность
3.1.5.1
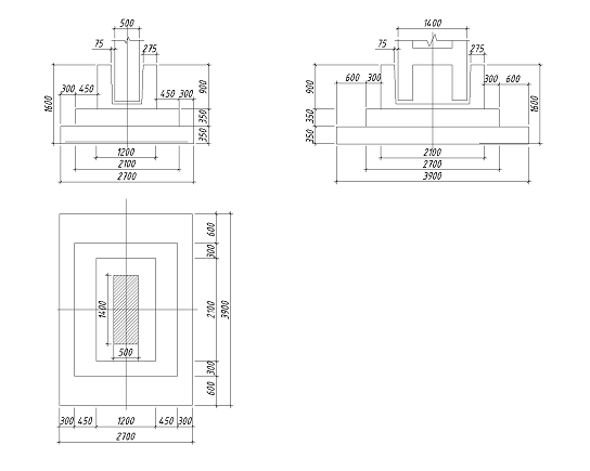
Назначение предварительных геометрических размеров фундамента
Размеры подколонника
согласно табл.4.24 [3].
Высота ступеней плитной части: hi = 0,35 м.
Площадь подошвы фундамента:
Момент сопротивления в направлении большего размера:
Рабочая высота плитной части:
Глубина стакана:
Рис. 5. Размеры проектируемого фундамента.
3.1.5.2
Расчет фундамента на продавливание
Для центрально и внецентренно нагруженных прямоугольных
фундаментов, имеющих в двух направлениях разное число ступеней расчет на
продавливание осуществляется по формуле:
где
- продавливающая сила,
Максимальное краевое давление на грунт:
сочетание
Тогда
Задаемся маркой бетона В15 с Rbt = 0,75 МПа. С учетом γb2 =0,9 и γb4 =0,85
Rbt = 0,75∙0,9∙0,85=0,574 МПа.
По формуле
Тогда
Принятый фундамент удовлетворяет условию прочности на
продавливание.
Принимаем трехступенчатый фундамент с высотой плитной части 0,7 м.
Рис. 6. Определение размеров ступеней.
3.1.5.3
Определение площади сечений арматуры плитной части
Расчетные усилия на уровне подошвы принимаем без учета веса
фундамента:
Определим максимальное давление на грунт:
Площадь сечений рабочей арматуры
в обоих направлениях определяется из расчета на изгиб консольного
выступа плитной части фундамента в сечениях на грани колонны (подколонника) и
по граням ступеней от действия давления грунта.
Площадь сечения арматуры на всю ширину фундамента определяется по
формуле:
,
где
- изгибающий момент в рассматриваемом
сечении консольного выступа;
- рабочая высота рассматриваемого сечения от верха ступени до
центра арматуры;
Изгибающий момент, определяемый в направлении
:
Изгибающий момент, определяемый в направлении
:
,
где
- длина консоли от края фундамента до расчетного сечения;
- максимальное краевое давление на грунт;
- давление на грунт в расчетном сечении;
,
где
Для первой ступени:
;
кПа;
;
кПа;
кНм;
кНм;
Для второй ступени:
;
кПа;
;
кПа;
кНм;
кНм;
мм2
В направлении большей стороны принимаем арматуру класса А-II, площадью
мм2, 13Ø14, с шагом 200 мм.
мм2
В направлении меньшей стороны принимаем арматуру класса А-II, площадью
мм2, 15 Ø10, с шагом 250 мм.
Рис. 3.8 Схема к определению сечений арматуры
3.2 Расчет и
конструирование фундамента мелкого заложения под колонну среднего ряда
3.2.1
Определение глубины заложения фундамента
Рис. 3.1 Схема к назначению глубины заложения подошвы
фундамента.
DL - отметка планировки; FL - отметка заложения
фундамента; 1 - насыпной грунт; 2 - расчетная глубина промерзания грунта;
3-суглинок желто-бурый; 4 - глина бурая.
Определить глубину заложения фундаментов под наружные колонны
промышленного здания с полами по грунту. Здание отапливаемое, без подвала.
Грунт - песок. Грунтовые воды в период промерзания находятся на глубине
м. район строительства г.
Анжеро-Судженск. Среднесуточная температура воздуха в помещении
˚С.
Руководствуясь картой, определяем нормативную глубину сезонного
промерзания
для г. Анжеро-Судженска
м, тогда расчетная глубина промерзания
составит:
,
где
- коэффициент, учитывающий влияние
теплового режима здания, принимаемый по [3, табл.1].
м
По конструктивным требованиям принимаем глубину заложения
фундамента
м.
3.2.2
Определение размеров подошвы фундамента
Определить размеры подошвы внецентренно нагруженного фундамента
под колонну промышленного здания. Расчетные нагрузки на уровне планировки
составляют невыгодное сочетание:
кН;
кНм;
кН.
Глубина заложения фундамента
м. Грунт основания - суглинок тяжелый песчанистый, непросадочный.
Удельный вес грунта
кН/м3, угол внутреннего трения
˚, удельное сцепление
кПа. Расчетное сопротивление грунта
основания
кПа.
Площадь подошвы фундамента в первом приближении равна:
,
где 1,2 - коэффициент, учитывающий действие момента сил;
кН/м3 - среднее значение удельного веса материала
фундамента и грунта на его обрезах;
- глубина заложения фундамента;
- расчетное сопротивление грунта основания.
м2.
На основание передаются вертикальные, горизонтальные и моментные
нагрузки. Поэтому подошву фундамента принимаем прямоугольной формы в плане. Для
определения размеров подошвы задаемся соотношением сторон
, тогда:
м;
м.
Рис. 3.2 Схема к определению размеров подошвы фундамента под
среднюю колонну промышленного здания.
Вычисляем расчетное сопротивление грунта основания
по формуле (7) [3]:
,
где
и
- коэффициенты условий работы, принимаемые по табл.3;
- коэффициент принимаемый равным 1 так как прочностные
характеристики грунта (j и с) определены непосредственными
испытаниями;
- коэффициенты принимаемые по табл.4;
- коэффициент принимаемый равным 1, при
м;
- ширина подошвы фундамента;
- осредненное расчетное значение удельного веса грунтов, залегающих
ниже подошвы фундамента (при наличии подземных вод определяется с учетом
взвешивающего действия воды), кН/м3;
- то же, залегающих выше подошвы;
- глубина заложения фундаментов бесподвальных сооружений от
уровня планировки или приведенная глубина заложения наружных и внутренних
фундаментов от пола подвала, определяемая по формуле;
- глубина подвала - расстояние от уровня планировки до пола подвала,
м;
- расчетное значение удельного сцепления грунта, залегающего
непосредственно под подошвой фундамента, кПа;
;
;
;
;
;
;
;
кН/м3;
кПа;
м;
;
кПа
Максимальное
, среднее
и минимальное
давление по подошве внецентренно нагруженного фундамента должны
удовлетворять условиям
,
где
кНм;
кН;
м3;
кПа <
кПа
кПа > 0
кПа <
кПа
Определяем коэффициенты запаса:
Условие
выполняется с запасом (
), поэтому принимаем размеры подошвы
фундамента
м,
м
3.2.3
Проверка прочности подстилающего слоя
При наличии в пределах сжимаемой толщи основания фундаментов
на определенной глубине слоя более слабого грунта, чем вышележащий (несущий)
слой, залегающий непосредственно под подошвой, размеры фундаментов должны
назначаться с учетом проверки прочности подстилающего слоя. Не соблюдение
данных требований может привести к значительным деформациям, а также к потере
несущей способности основания.
О наличии более слабого слоя грунта в основании, по сравнению с
вышележащими слоями, можно судить по прочностным характеристикам φ и С, табличному значению
расчетного сопротивления грунта основания
и модуля деформации
. Для подстилающего слоя данные характеристики больше, чем для
вышележащего, залегающего под подошвой фундамента.
3.2.4 Расчет
осадки фундамента
Определить методом послойного суммирования осадку прямоугольного
фундамента с размерами
м,
м. Глубина заложения фундамента
м. Среднее давление по подошве (с учетом веса фундамента)
кПа. Грунтовые условия приведены на рис.
3.4.
На глубине 6,1 м от поверхности имеются грунтовые воды. Грунты
имеют следующие характеристики: суглинок желто-бурый
;
кН/м3;
кПа, глина бурая
;
кН/м3;
кПа; супесь зелено-бурая
;
кН/м3;
кПа; песок серо-бурый
;
кН/м3;
кПа; глина бурая
;
кН/м3;
кПа
Рис. 3.4 Расчетная схема к определению осадки фундамента методом
послойного суммирования для крайних колонн. DL - отметка планировки; FL -
отметка подошвы фундамента; WL - уровень
грунтовых вод; BC - нижняя граница сжимаемой толщи.
На геологический профиль наносим контуры фундамента.
Разделяем в первом приближении сжимаемую толщу основания на элементарные
слой толщиной:
м.
Принимаем толщину элементарного слоя для суглинка
м, глины
м и ниже уровня грунтовых вод
м.
Определяем напряжения от собственного веса грунта
и дополнительное напряжение
в уровне подошвы фундамента.
кПа
кПа
Вычисляем дополнительные напряжения
на границах выделенных слоев по формуле:
,
где
- коэффициент, учитывающий изменение по
глубине основания дополнительно напряжения
и принимаемый в зависимости от относительной глубины
и отношения сторон фундамента
[3, табл. 1, прил. 3].
Для определения нижней границе сжимаемой толщи основания
фундамента вычисляем напряжения от собственного веса грунта
на границах пластов грунта и выделенных
слоев
. При этом для глины, залегающей ниже
уровня грунтовых вод, удельный вес принимается без учета взвешивающего действия
воды.
Строим эпюры
и
и определяем нижнюю границу сжимаемой толщи основания.
м
кПа
м
кПа
м
кПа
м
кПа
м
кПа
м
кПа
м
кПа
Поскольку в основании залегают грунты с модулем деформации
МПа, то согласно [3] за нижнюю границу
сжимаемой толщи принимается условие
. Данное
условие выполняется на глубине
м (точка 7), где 32,15 кПа ≈ 22,42 кПа.
Остальные значения приведены в табл.2.1.
Таблица 2.1
|
№
|
, м , м  , кПа , кН/м3 , кПа , кПа , кПа , МПа , м
|
|
|
|
|
|
|
|
|
|
|
|
1
|
2
|
3
|
4
|
5
|
6
|
7
|
8
|
9
|
11
|
12
|
|
0
|
-
|
0,90
|
-
|
1,000
|
179,65
|
18,5
|
27,75
|
-
|
-
|
-
|
-
|
|
1
|
0,9
|
0,90
|
0,67
|
0,882
|
158,45
|
18,5
|
44,4
|
8,8
|
169,05
|
9720
|
0,0157
|
|
2
|
1,8
|
0,90
|
1,33
|
0,614
|
110,30
|
18,5
|
61,05
|
12,21
|
134,37
|
9700
|
0,0125
|
|
3
|
2,7
|
0,90
|
2
|
0,407
|
73,12
|
18,5
|
77,7
|
15,54
|
91,71
|
9700
|
0,0085
|
|
4
|
3,6
|
0,90
|
2,67
|
0,266
|
47,79
|
18,5
|
94,35
|
18,87
|
60,46
|
9700
|
0,0056
|
|
5
|
3,8
|
0, 20
|
2,81
|
0,244
|
43,83
|
18,5
|
98,05
|
19,61
|
45,81
|
9700
|
0,0009
|
|
6
|
4,5
|
0,70
|
3,33
|
0,186
|
33,41
|
18,5
|
111
|
22,2
|
38,62
|
11140
|
0,0024
|
|
7
|
4,6
|
0,10
|
3,41
|
0,179
|
32,15
|
11,13
|
112,11
|
22,42
|
32,76
|
10000
|
0,0003
|
|
|
|
|
|
|
|
|
|
|
Итого
|
0,0459
|
|
|
|
|
|
|
|
|
Итого с
коэффициентом 0,0367
|
|
Для определения величины осадки фундамента вычисляем среднее
дополнительное напряжение
в каждом элементарном слое. Например, в
первом и втором слоях:
кПа
кПа.
Осадку фундамента определяем по формуле:
,
где
- безразмерный коэффициент,
корректирующий упрощенную схему расчета, и принимаемый равным 0,8 для всех
видов грунтов.
Проверяем условие
- где Su - предельно допустимая осадка для данного
сооружения [2].
Принимаем Su = 8 см.
S = 3,67 см < Su = 8 см условие выполняется.
Размеры подошвы фундамента достаточны для передачи на грунт
давления от сооружения.
3.2.5
Конструирование фундамента и расчет его на прочность
3.2.5.1
Назначение предварительных геометрических размеров фундамента
Размеры подколонника
Высота ступеней плитной части: hi = 0,35 м.
Площадь подошвы фундамента:
Момент сопротивления в направлении большего размера:
Рабочая высота плитной части:
Глубина стакана:
Рис. 5. Размеры проектируемого фундамента.
3.2.5.2
Расчет фундамента на продавливание.
Для центрально и внецентренно нагруженных прямоугольных
фундаментов, имеющих в двух направлениях разное число ступеней расчет на
продавливание осуществляется по формуле:
где
- продавливающая сила,
Максимальное краевое давление на грунт:
сочетание
Тогда
Задаемся маркой бетона В15 с Rbt = 0,75 МПа. С учетом γb2 =0,9 и γb4 =0,85
Rbt = 0,75∙0,9∙0,85=0,574 МПа.
По формуле
Тогда
Принятый фундамент удовлетворяет условию прочности на
продавливание.
Принимаем двухступенчатый фундамент с высотой плитной части 0,7м.
Рис. 6. Определение размеров ступеней.
3.2.5.3
Определение площади сечений арматуры плитной части
Расчетные усилия на уровне подошвы принимаем без учета веса
фундамента:
Определим максимальное давление на грунт:
Площадь сечений рабочей арматуры
в обоих направлениях определяется из расчета на изгиб консольного
выступа плитной части фундамента в сечениях на грани колонны (подколонника) и
по граням ступеней от действия давления грунта.
Площадь сечения арматуры на всю ширину фундамента определяется по
формуле:
,
где
- изгибающий момент в рассматриваемом
сечении консольного выступа;
- рабочая высота рассматриваемого сечения от верха ступени до
центра арматуры;
Изгибающий момент, определяемый в направлении
:
Изгибающий момент, определяемый в направлении
:
,
где
- длина консоли от края фундамента до расчетного сечения;
- максимальное краевое давление на грунт;
- давление на грунт в расчетном сечении;
,
где
Для первой ступени:
;
кПа;
;
кПа;
кНм;
кНм;
Для второй ступени:
;
кПа;
;
кПа;
кНм;
кНм;
мм2
В направлении большей стороны принимаем арматуру класса А-II, площадью
мм2, 13Ø16, с шагом 200 мм.
мм2
В направлении меньшей стороны принимаем арматуру класса А-II, площадью
мм2, 15 Ø10, с шагом 250 мм.
Рис. 3.8 Схема к определению сечений арматуры
3.3 Расчет и
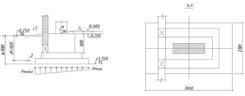
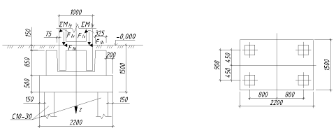
конструирование свайных фундаментов под колонну крайнего ряда
3.3.1 Выбор
глубины заложения ростверка
Нормативная глубина промерзания грунтов для г. Анжеро-Судженск
составляет
м. Расчетная глубина промерзания зависит
от теплового режима здания и определяется по формуле:
,
где
- коэффициент, учитывающий влияние
теплового режима здания, принимаемый по [3, табл.1].
м.
Исходя из конструктивных требований верх подколонника должен быть
заглублен на 0,15 м ниже отметки чистого пола. Глубина стакана для заделки
колонны сечением 1000 х 600 мм, принимается равной
м. Толщина плитной части ростверка при
назначении предварительных размеров должна приниматься не менее 0,4 м.
Следовательно исходя из конструктивных требований, минимальная глубина
заложения подошвы ростверка составит:
м
Окончательно глубину заложения свайного ростверка принимаем 1,5 м.
Эта глубина удовлетворяет как конструктивным требованиям, так и условию
сезонного промерзания грунта.
3.3.2 Выбор
типа свай, назначения и длины
В качестве несущего слоя целесообразно принять слой мелкого
песка. Тогда, длина забивной сваи с учетом заглубления в несущий слой 0,5 м
составит:
0,3+4,6+0,7+0,1+3,4+0,5=9,6 м.
Принимаем забивную сваю типа С10 - 30 по ГОСТ 19804.1-79 длиной 10
м, сечением
х 300 мм. При этом свая будет висячей. Табличные значения
для песка на глубине 10,0 м составляет
4000 кПа. Погружение свай будет осуществляться дизельным молотом.
3.3.3 Оценка
несущей способности свай
Несущая способность висячей забивной сваи определяется в
соответствии со СНиП 2.02.03-85 как сумма всех расчетных сопротивлений грунтов
под нижним концом свай и на ее боковой поверхности по формуле:
,
где
- коэффициент условий работы сваи в
грунте, принимаемый равным 1;
- коэффициент условий работы соответственно под нижним концом и
на боковой поверхности сваи, принимаемые для забивных свай, погружаемых
дизельными молотами без лидерных скважин,
и
;
- площадь опирания сваи на грунт, принимаемая равной площади
поперечного сечения сваи,
м2;
- наружный периметр поперечного сечения сваи,
м;
- расчетное сопротивление грунта под нижним концом сваи,
принимаемое по [4. табл.1];
- расчетное сопротивление i-го слоя грунта, соприкасающегося с боковой поверхностью сваи,
принимаемое по [4. табл.2];
- толщина i-го слоя
грунта, соприкасающегося с боковой поверхностью сваи;
Расчетное сопротивление грунта на боковой поверхности сваи
определяется как сумма сопротивлений отдельных слоев, соприкасающихся со сваей.
Основание разбиваем таким образом, чтобы каждый расчетный слой был однородным и
имел толщину не более двух метров. В соответствии с этими требованиями разобьем
основание, окружающее сваю, на расчетные слои. Значение
определяется для каждого расчетного слоя
отдельно, причем на глубине, соответствующей глубине расположения середины
расчетного слоя по [4. табл.2].
Определим несущую способность сваи С 10-30 по грунту:
1∙ [1∙ 4000∙0,09
+1,2∙ (41,3∙1,9 +41,3∙1,9 +24,5∙0,7 +3,5∙0,1+39,9∙1,7+39,9∙1,7+41,3∙1,9)] =817,09кН
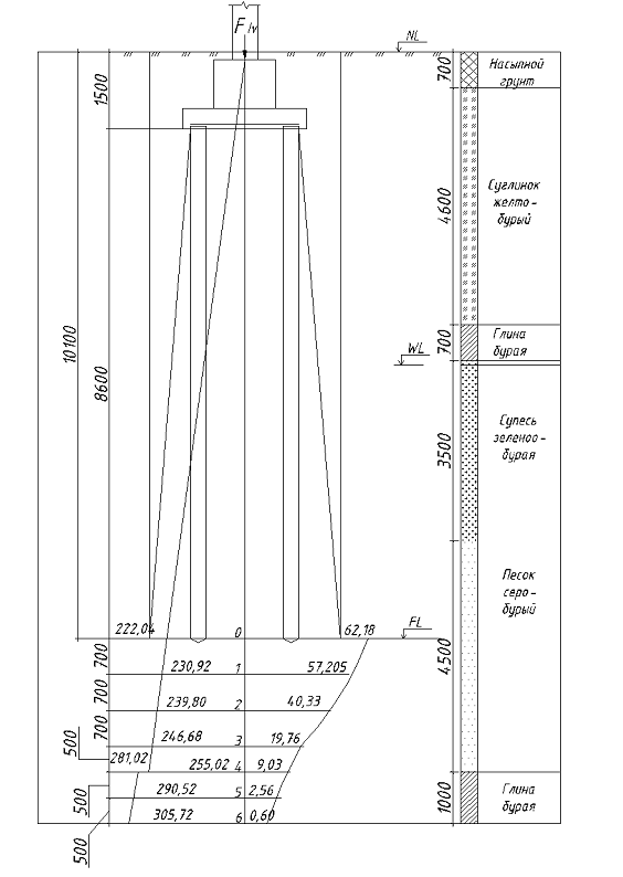
Рис. 5.1. Расчетная схема, для определения несущей способности
висячей сваи.
- отметка природного рельефа;
- уровень подземных вод.
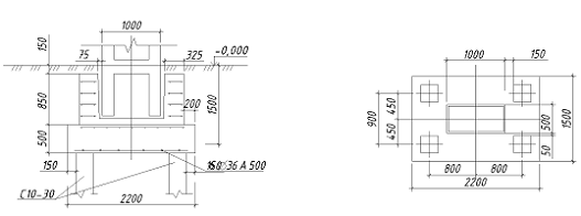
3.3.4 Расчет
количества свай в кусте и конструирование ростверка
Количество свай в фундаменте в первом приближении
определяется без учета действия горизонтальной силы и момента по формуле:
,
где
- расчетное значение вертикальной составляющей внешних нагрузок;
- несущая способность сваи;
- коэффициент надежности, принимаемый при определении несущей
способности сваи по грунту равным 1,4.
свай.
Учитывая, то что на фундамент передается горизонтальная нагрузка и
момент, количество свай необходимо увеличить на 20 %.
Общее количество свай в фундаменте составит:
n= 2,43∙1,2=2,92 сваи.
Для дальнейших расчетов принимаем куст из 4 свай С10-30.
При компоновке свайного куста исходим из условия, что расстояние
между осями забивных свай должно быть не менее
.
Собственный вес ростверка и грунта на его уступах приближенно
может быть определен по формуле:
,
где
и
- соответственно ширина и длина ростверка;
- глубина заложения подошвы ростверка;
- усредненное значение удельного веса железобетона ростверка и
грунта на уступах, принимаемое,
кН/м3;
- коэффициент надежности по нагрузке, принимаемый 1,1.
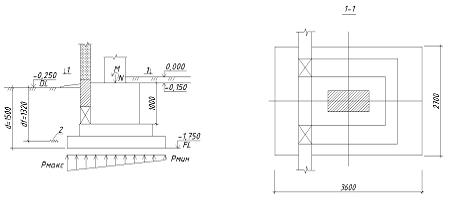
Рис. 5.2 Расчетная схема свайного фундамента
2,2∙1,5 ∙1,5∙20∙1,1=108,9кН
Расчетная сжимающая сила в плоскости подошвы ростверка будет
равна:
1420+108,9=1528,9 кН,
а суммарный момент:
401+ 55∙ 1,5=483,5 кНм
Зная расчетные нагрузки, действующие в плоскости подошвы
ростверка, количество свай и их расположение, определяем нагрузку, передаваемую
на любую сваю в кусте по формуле:
кН
Расчетную нагрузку воспринимаемую крайними сваями необходимо
повысить на 20 % в связи с учетом ветровых и крановых нагрузок. Поэтому условие
обеспечения несущей способности по грунту для крайних свай будет иметь вид:
кН
Несущая способность сваи по грунту обеспечена на 2,28 %.
3.3.5 Расчет
осадки свайного фундамента
Расчет осадки отдельно стоящих фундаментов из висячих свай в
соответствии со СНиП2.02.03-85 производится как для условного фундамента на
естественном основании методом послойного суммирования. Причем, определяется
средняя осадка фундамента от действия только вертикальной силы без учета
момента.
Границы условного фундамента определяются снизу плоскостью
АБ, проходящей через нижние концы сваи, с боков вертикальными плоскостями АВ и
БГ, отстоящими от наружных граней крайних рядов вертикальных свай на расстоянии
равном:
.
Осредненное расчетное значение угла внутреннего трения слоев
грунта, прорезаемых сваями, определяется по формуле:
,
где
- расчетные значения углов внутреннего
трения для отдельных слоев грунта толщиной
пройденных сваей;
- глубина погружения свай в грунт.
Расчетное значение угла внутреннего трения определяется путем
деления нормативного значения на коэффициент надежности по грунту. В расчетах
по деформациям этот коэффициент принимается равным единице. Поэтому расчетное
значение
, численно равно
.
Тогда, размеры условного фундамента в плане будут равны:
м
м
Площадь условного фундамента:

3,82
4,52=17,27 м2.
Собственный вес условного свайного массива может быть определен по
формуле:
17,27
10,1
20=3488,54 кН
Среднее давление под подошвой условного фундамента:
кН/м2
Расчетное сопротивление грунта под подошвой условного фундамента
определим по формуле:
;
;
;
;
кН/м3;
кПа;
м;
Осредненное значение удельного веса грунта выше подошвы условного
фундамента:
кН/м3
Коэффициенты
;
;
;
кПа
Условие
удовлетворено.
Природные напряжения от действия собственного веса грунта
определяются по формуле:
,
где
- удельный вес
-го слоя грунта, толщиной
.
В случае если грунты залегают ниже уровня подземных вод, их
удельный вес должен определяться с учетом взвешивающего действия воды.
Природное напряжение в уровне подошвы условного фундамента будет
равно:
= 222,04 кПа
Природные напряжения в любой точке на глубине
ниже подошвы условного фундамента можно определить
по формуле:
,
где
- удельный вес слоя, залегающего ниже
подошвы условного фундамента, с учетом взвешивающего действия воды.
Дополнительное напряжение под подошвой условного фундамента равно:
кПа
Дополнительные напряжения с глубиной затухают и их значения
определяются по формуле:
Коэффициент
для каждого рассматриваемого слоя,
расположенного на глубине
от подошвы фундамента, определяется в
зависимости от параметров:
и
Для построения эпюры дополнительных напряжений
вся толща ниже подошвы условного
фундамента разбивается на элементарные слои. Толщиной элементарного слоя должна
быть не более
. При этом каждый однородный слой должен
быть однородным. Примем толщину элементарных слоев 0,7 м.
Активная зона, в пределах которой учитывается сжатие грунта,
определяется из условия
. Результаты расчета сводим в таблицу 4.1.
Рис. 5.4 Схема к расчету осадки отдельно стоящего свайного
фундамента. DL - отметка планировки; FL - отметка подошвы фундамента; WL - уровень грунтовых вод; BC - нижняя граница сжимаемой толщи.
Таблица 4.1
|
№
|
, м , м  , кПа , кН/м3 , кПа , кПа , кПа , МПа , м
|
|
|
|
|
|
|
|
|
|
|
|
1
|
2
|
3
|
4
|
5
|
6
|
7
|
8
|
9
|
10
|
11
|
12
|
|
0
|
0,0
|
0,0
|
0,0
|
-
|
62,18
|
-
|
222,04
|
44,41
|
-
|
-
|
|
|
1
|
0,7
|
0,7
|
3,66
|
0,920
|
57,21
|
12,69
|
230,92
|
46,18
|
59,70
|
19380
|
0,0022
|
|
2
|
1,4
|
0,7
|
0,73
|
0,705
|
40,33
|
12,69
|
239,80
|
47,96
|
48,77
|
19380
|
0,0017
|
|
3
|
2,1
|
0,7
|
1,10
|
0,490
|
19,76
|
12,69
|
246,68
|
49,34
|
30,04
|
19380
|
0,0011
|
|
4
|
2,6
|
0,5
|
1,37
|
0,457
|
9,03
|
12,69
|
255,02
|
51,00
|
14,40
|
19380
|
|
5
|
3,1
|
0,5
|
1,62
|
0,284
|
2,56
|
19,0
|
290,52
|
58,10
|
5,80
|
13840
|
0,0002
|
|
6
|
3,6
|
0,5
|
1,88
|
0,234
|
0,60
|
19,0
|
305,72
|
61,14
|
1,58
|
13840
|
0,0000
|
|
|
|
|
|
|
|
|
|
|
Итого
|
0,0056
|
|
|
|
|
|
|
|
Итого с
коэффициентом 0,0045
|
|
Строим эпюры
и
и определяем нижнюю границу сжимаемой толщи основания.
м
кПа
z =1,4 м
кПа
z =2,1 м
кПа
z =2,6 м
кПа
z’ =2,6 м
кПа
z =3,1 м
кПа
z =3,6 м
кПа
Осадка условного фундамента определяется по формуле:
,
где
- среднее напряжение в
- том слое грунта, кПа;
- толщина
- го слоя грунта, м;
- модуль деформации
- го слоя грунта, кПа;
- коэффициент принимаемый равным 0,8;
- число элементарных слоев, на которые разбита сжимаемая толща.
Полученное значение осадки
см, меньше допустимой
см.
3.3.6 Расчет
на прочность ростверка
На продавливание колонной ростверк рассчитывается по формуле:
,
где
- рабочая высота ростверка;
- ширина и высота сечения колонны;
- расстояние от соответствующих граней колонн до внутренних
граней каждого ряда свай, принимаемые от
до
;
- безразмерные коэффициенты, принимаемые от 2,5 до 1.
Расчетные усилия в сваях от нагрузок на уровне верха ростверка:
кН
Расчетное продавливающее усилие действующее на ростверк:
кН
Расчетное продавливающее усилие воспринимаемое ростверком:
кН
кН
Расчет на продавливание угловой сваей плитной части ростверка не
производим.
Изгибающие моменты относительно граней ступеней и колонны
соответственно:
кНм
кНм
мм2
мм2
Принимаем арматуру класса А500, площадью
мм2, 6 Ø36, с шагом 200 мм.
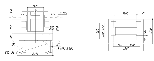
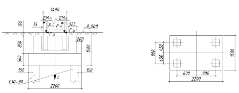
3.4 Расчет и
конструирование свайных фундаментов под колонну среднего ряда
3.4.1 Выбор
глубины заложения ростверка
Нормативная глубина промерзания грунтов для г. Анжеро-Судженск
составляет
м. Расчетная глубина промерзания зависит
от теплового режима здания и определяется по формуле:
,
где
- коэффициент, учитывающий влияние
теплового режима здания, принимаемый по [3, табл.1].
м.
Исходя из конструктивных требований верх подколонника должен быть
заглублен на 0,15 м ниже отметки чистого пола. Глубина стакана для заделки
колонны сечением 1400 х 500 мм, принимается равной
м. Толщина плитной части ростверка при
назначении предварительных размеров должна приниматься не менее 0,4 м.
Следовательно исходя из конструктивных требований, минимальная глубина
заложения подошвы ростверка составит:
м
Окончательно глубину заложения свайного ростверка принимаем 1,5 м.
Эта глубина удовлетворяет как конструктивным требованиям, так и условию
сезонного промерзания грунта.
3.4.2 Выбор
типа свай, назначения и длины
В качестве несущего слоя целесообразно принять слой мелкого
песка. Тогда, длина забивной сваи с учетом заглубления в несущий слой 0,5 м
составит:
м.
Принимаем забивную сваю типа
по ГОСТ 19804.1-79 длиной 10,0 м, сечением 300 х 300 мм.
Табличные значения
для глины на глубине 10,0 м составляет
4000 кПа При этом свая будет висячей. Погружение свай будет осуществляться
дизельным молотом
3.4.3 Оценка
несущей способности свай
Несущая способность висячей забивной сваи определяется в
соответствии со СНиП 2.02.03-85 как сумма всех расчетных сопротивлений грунтов
под нижним концом свай и на ее боковой поверхности по формуле:
,
где
- коэффициент условий работы сваи в
грунте, принимаемый равным 1;
- коэффициент условий работы соответственно под нижним концом и
на боковой поверхности сваи, принимаемые для забивных свай, погружаемых
дизельными молотами без лидерных скважин,
и
;
- площадь опирания сваи на грунт, принимаемая равной площади
поперечного сечения сваи,
м2;
- наружный периметр поперечного сечения сваи,
м;
- расчетное сопротивление грунта под нижним концом сваи,
принимаемое по [4. табл.1];
- расчетное сопротивление i-го слоя грунта, соприкасающегося с боковой поверхностью сваи,
принимаемое по [4. табл.2];
- толщина i-го слоя
грунта, соприкасающегося с боковой поверхностью сваи;
Расчетное сопротивление грунта на боковой поверхности сваи
определяется как сумма сопротивлений отдельных слоев, соприкасающихся со сваей.
Основание разбиваем таким образом, чтобы каждый расчетный слой был однородным и
имел толщину не более двух метров. В соответствии с этими требованиями разобьем
основание, окружающее сваю, на расчетные слои. Значение
определяется для каждого расчетного слоя
отдельно, причем на глубине, соответствующей глубине расположения середины
расчетного слоя.
Определим несущую способность сваи
по грунту:
1∙ [1∙ 4000∙0,09+1,2∙
(41,3∙1,9 +41,3∙1,9+24,5∙0,7+3,5∙0,1+ 39,9∙1,7+39,9∙1,7+41,3∙1,9)] =817,09кН
Рис. 3.1. Расчетная схема, для определения несущей способности
висячей сваи.
- отметка природного рельефа;
- уровень подземных вод.
3.4.4 Расчет
количества свай в кусте и конструирование ростверка
Количество свай в фундаменте в первом приближении
определяется без учета действия горизонтальной силы и момента по формуле:
,
где
- расчетное значение вертикальной
составляющей внешних нагрузок;
- несущая способность сваи;
- коэффициент надежности, принимаемый при определении несущей
способности сваи по грунту равным 1,4.
сваи.
Учитывая, то что на фундамент передается горизонтальная нагрузка и
момент, количество свай необходимо увеличить на 20 %.
Общее количество свай в фундаменте составит:
свай.
Для дальнейших расчетов принимаем куст из 4 свай
.
При компоновке свайного куста исходим из условия, что расстояние
между осями забивных свай должно быть не менее
.
Как видно из рисунка 4.2 размеры в плане плитной части ростверка,
объединяющего куст из 4 свай сечением 300 х 300 мм, равны 1500 х 2200 мм.
Собственный вес ростверка и грунта на его уступах приближенно
может быть определен по формуле:
,
где
и
- соответственно ширина и длина ростверка;
- глубина заложения подошвы ростверка;
- усредненное значение удельного веса железобетона ростверка и
грунта на уступах, принимаемое,
кН/м3;
- коэффициент надежности по нагрузке, принимаемый 1,1.
Собственный вес ростверка и грунта на его уступах:
кН
Расчетная сжимающая сила в плоскости подошвы ростверка будет
равна:
кН,
а суммарный момент:
кНм
Рис. 3.2 Расчетная схема свайного фундамента
Зная расчетные нагрузки, действующие в плоскости подошвы
ростверка, количество свай и их расположение, определяем нагрузку, передаваемую
на любую сваю в кусте по формуле:
кН
Расчетную нагрузку воспринимаемую крайними сваями необходимо
повысить на 20 % в связи с учетом ветровых и крановых нагрузок. Поэтому условие
обеспечения несущей способности по грунту для крайних свай будет иметь вид:
кН
Несущая способность сваи по грунту обеспечена на 1,5 %.
3.4.5 Расчет
осадки свайного фундамента
Расчет осадки отдельно стоящих фундаментов из висячих свай в
соответствии со СНиП2.02.03-85 производится как для условного фундамента на
естественном основании методом послойного суммирования. Причем, определяется
средняя осадка фундамента от действия только вертикальной силы без учета
момента.
Границы условного фундамента определяются снизу плоскостью
АБ, проходящей через нижние концы сваи, с боков вертикальными плоскостями АВ и
БГ, отстоящими от наружных граней крайних рядов вертикальных свай на расстоянии
равном:
.
Осредненное расчетное значение угла внутреннего трения слоев
грунта, прорезаемых сваями, определяется по формуле:
,
где
- расчетные значения углов внутреннего трения для отдельных слоев
грунта толщиной
пройденных сваей;
- глубина погружения свай в грунт.
Расчетное значение угла внутреннего трения определяется путем
деления нормативного значения на коэффициент надежности по грунту. В расчетах
по деформациям этот коэффициент принимается равным единице. Поэтому расчетное
значение
, численно равно
.
Тогда, размеры условного фундамента в плане будут равны:
м
м
Площадь условного фундамента:
3,82
4,52=17,27 м2.
Собственный вес условного свайного массива может быть определен по
формуле:
17,27
10,1
20=3488,54кН
Среднее давление под подошвой условного фундамента:
кН/м2
Расчетное сопротивление грунта под подошвой условного фундамента
определим по формуле:
;
;
;
;
кН/м3;
кПа;
м;
Осредненное значение удельного веса грунта выше подошвы условного
фундамента:
кН/м3
Коэффициенты
;
;
;
кПа
Условие
удовлетворено.
Природные напряжения от действия собственного веса грунта
определяются по формуле:
,
где
- удельный вес
-го слоя грунта, толщиной
.
В случае если грунты залегают ниже уровня подземных вод, их
удельный вес должен определяться с учетом взвешивающего действия воды.
Природное напряжение в уровне подошвы условного фундамента будет
равно:
= 222,04 кПа
Природные напряжения в любой точке на глубине
ниже подошвы условного фундамента можно
определить по формуле:
,
где
- удельный вес слоя, залегающего ниже
подошвы условного фундамента, с учетом взвешивающего действия воды.
Дополнительное напряжение под подошвой условного фундамента равно:
кПа
Дополнительные напряжения с глубиной затухают и их значения
определяются по формуле:
Коэффициент
для каждого рассматриваемого слоя,
расположенного на глубине
от подошвы фундамента, определяется в
зависимости от параметров:
и
Для построения эпюры дополнительных напряжений
вся толща ниже подошвы условного
фундамента разбивается на элементарные слои. Толщиной элементарного слоя должна
быть не более
. При этом каждый однородный слой должен
быть однородным. Примем толщину элементарных слоев 0,7 м.
Активная зона, в пределах которой учитывается сжатие грунта,
определяется из условия
. Результаты расчета сводим в таблицу 3.1.
Рис. 3.4 Схема к расчету осадки отдельно стоящего свайного
фундамента. DL - отметка планировки; FL - отметка подошвы фундамента; WL - уровень грунтовых вод;
Таблица 3.1
|
№
|
, м , м  , кПа , кН/м3 , кПа , кПа , кПа , МПа , м
|
|
|
|
|
|
|
|
|
|
|
|
1
|
2
|
3
|
4
|
5
|
6
|
7
|
8
|
9
|
10
|
11
|
12
|
|
0
|
0,0
|
0,0
|
0,0
|
-
|
88,11
|
-
|
222,04
|
44,41
|
-
|
-
|
-
|
|
1
|
0,7
|
0,7
|
3,66
|
0,920
|
81,06
|
12,69
|
230,92
|
46,18
|
84,58
|
19380
|
0,003
|
|
2
|
1,4
|
0,7
|
0,73
|
0,705
|
57,15
|
12,69
|
239,80
|
47,96
|
69,10
|
19380
|
0,0025
|
|
3
|
2,1
|
0,7
|
1,10
|
0,490
|
27,15
|
12,69
|
246,68
|
49,34
|
42,15
|
19380
|
0,0015
|
|
4
|
2,6
|
0,5
|
1,37
|
0,457
|
12,41
|
12,69
|
255,02
|
51,00
|
19,78
|
19380
|
0,0005
|
|
5
|
3,1
|
0,5
|
1,62
|
0,284
|
3,52
|
19,0
|
290,52
|
58,10
|
7,97
|
13840
|
0,0003
|
|
6
|
3,6
|
0,5
|
1,88
|
0,234
|
0,82
|
19,0
|
305,72
|
61,14
|
2,17
|
13840
|
0,0001
|
|
|
|
|
|
|
|
|
|
|
Итого
|
0,0079
|
|
|
|
|
|
|
|
Итого с
коэффициентом 0,0063
|
|
Строим эпюры
и
и определяем нижнюю границу сжимаемой толщи основания.
м
кПа
z =1,4 м
кПа
z =2,1 м
кПа
z =2,6 м
кПа
z’ =2,6 м
кПа
z =3,1 м
кПа
z =3,6 м
кПа
Осадка условного фундамента определяется по формуле:
,
где
- среднее напряжение в
- том слое грунта, кПа;
- толщина
- го слоя грунта, м;
- модуль деформации
- го слоя грунта, кПа;
- коэффициент принимаемый равным 0,8;
- число элементарных слоев, на которые разбита сжимаемая толща.
Полученное значение осадки
см, меньше допустимой
см.
3.4.6 Расчет
на прочность ростверка
На продавливание колонной ростверк рассчитывается по формуле:
,
где
- рабочая высота ростверка;
- ширина и высота сечения колонны;
- расстояние от соответствующих граней колонн до внутренних
граней каждого ряда свай, принимаемые от
до
;
- безразмерные коэффициенты, принимаемые от 2,5 до 1.
Расчетные усилия в сваях от нагрузок на уровне верха ростверка:
кН
Расчетное продавливающее усилие действующее на ростверк:
кН
Расчетное продавливающее усилие воспринимаемое ростверком:
кН
Кн
Расчет на продавливание угловой сваей плитной части ростверка не
производим.
Изгибающие моменты относительно граней ступеней и колонны
соответственно:
кНм
кНм
мм2
мм2
Принимаем арматуру класса А500, площадью
мм2, 8 Ø32, с шагом 250 мм.
3.5 Подбор
сваебойного оборудования
Определим минимальную энергию удара, необходимую для
погружения свай по формуле:
,
где
- коэффициент равный 25;
- расчетная нагрузка, допускаемая на сваю.
Дж
По техническим характеристикам принимаем принимаем трубчатый
дизель-молот С-3СМ СП-76А с энергией удара 29 кДж. Полный вес молота
Н, вес ударной части
Н.
Вес свай С10-30 23291 Н. Вес наголовника примем 2000 Н. Расчетная
энергия удара дизель-молота С-3СМ СП-76А
,
где
- высота падения ударной части молота.
Дж.
Проверка пригодности принятого молота производится по условию:
,
где
- расчетная энергия удара;
- полный вес молота;
- вес сваи и наголовника;
- коэффициент, принимаемый равным 6.
Принятый штанговый дизель-молот С-3СМ СП-76А обеспечивает
погружение сваи С10-30.
3.6
Определение проектного отказа свай
Проектный отказ необходим для контроля несущей способности
сваи в процессе производства работ, если фактический отказ при испытании свай
динамической нагрузкой окажется больше проектного, то несущая способность сваи
может оказаться необеспеченной. Формула для определения проектного отказа имеет
вид:
,
где
- коэффициент, принимаемый для
железобетонных свай 1500;
- площадь поперечного сечения ствола сваи;
- коэффициент равный 1;
- коэффициент надежности, принимаемый при определении несущей
способности сваи, равным 1,4;
- расчетная энергия удара;
- расчетная нагрузка, допускаемая на сваю;
- масса молота;
- масса сваи и наголовника;
- масса подбабка;
- коэффициент восстановления удара, принимаемый 0,2;
м
3.7 Технико-экономическое
сравнение принятого решения фундаментов
Оптимальное проектное решение принимается по минимуму
приведенных затрат. Технико-экономическая оценка дается по стоимости и
трудоемкости. Показатели стоимости и трудоемкости в расчете на один фундамент
для фундаментов мелкого заложения и свайных фундаментов приведены в следующих
таблицах:
Удельные показатели стоимости и трудоемкости основных видов
работ при устройстве фундаментов мелкого заложения.
Таблица 3.7.1
|
Наименование
работ
|
Объем, м3
|
Стоимость, руб.
|
Трудоемкость,
чел. - дн.
|
|
Разработка
грунтов глубиной до 3м.
|
6336
|
6336*2=12672
|
6336*0,28=1774,0
|
177,12
|
177,12*4,8=850,17
|
177,12*0,11=19,48
|
|
Устройство ж/б
фундаментов
|
403,24
|
403,24*29,6=11935,9
|
403,24*0,72=290,33
|
|
ИТОГО
|
|
25458,07
|
2083,81
|
Удельные показатели стоимости и трудоемкости основных видов
работ при устройстве свайных фундаментов.
Таблица 3.7.2
|
Наименование
работОбъем, м3Стоимость, руб. Трудоемкость, чел. - дн.
|
|
|
|
|
Разработка
грунтов глубиной до 3м.
|
4752
|
4752*2=9504
|
4752*0,28=1330,56
|
|
Устройство
песчаной подготовки под ростверки
|
156,6
|
156,6*4,8=751,68
|
156,6*0,13=20,35
|
|
Погружение ж/б
свай в грунты I группы длиной до 12м
|
1685,3
|
1685,3*85,2=143587,5
|
1685,3*0,89=1499,9
|
|
Устройство
столбчатых монолит. ж/б ростверков В15
|
443,04
|
443,04*29,6=13113,98
|
443,04*0,72=318,98
|
|
ИТОГО
|
|
166957,1
|
3169,8
|
Сравнив результаты расчета, принимаем за основной вариант
применение фундаментов мелкого заложения как более эффективное и выгодное по
сравнению с применением свайных фундаментов.
Использованная
литература
1. Оценка
грунтовых условий площадки строительства. Методические указания. Томск-2001.
2. Фундаменты
мелкого заложения для промышленных и гражданских зданий. Методические указания.
Томск-2001.
. Берлинов
М.В. "Основания и фундаменты", Учебник для вузов. М.: Высшая школа,
1988.
. Справочник
проектировщика. "Основания и фундаменты"/Под ред. Е.А. Сорочан.
. СНиП
2.02.01-83*. Основания зданий и сооружений/ Госстрой СССР. - М.: ЦИТП Госстроя
СССР, 1985.
. СНиП
2.03.01. - 85. Свайные фундаменты/ Госстрой СССР. - М.: ЦИТП Госстроя СССР,
1986.