|
Конструкции
|
Нормативная нагрузка, кН/м
|
Коэффициент надежности по
нагрузке
|
Расчетная нагрузка
кН/м
|
|
Керамзитобетонные стеновые панели
ПС (5980х1785х300)
ПС (11970х1780х300)
|
3,84
3,85
|
1,2
1,2
|
4,608
4,62
|
|
Гравийная защита
|
0,30
|
1,20
|
0,36
|
|
Трехслойный рубероидный ковер
|
0,10
|
1,30
|
0,13
|
|
Утеплитель-пенопласт ФРП-1
q=1кН/м , t=0,05
1*0,05
|
0,05
|
1,30
|
0,065
|
|
Стальной профилированный настил
t=0,001 м
|
0,10
|
1,05
|
0,11
|
|
Собственный вес прогонов
q = 0,12кН/м2
|
0,10
|
1,05
|
0,11
|
|
Собственный вес фермы
L*j*k=30*0,009*1,2=0,324 (L=30 м)
|
0,324
|
1,05
|
0,34
|
1.3
Разбивка сетки колонн
В
соответствии с основными положениями по унификации объемно-планировочных и
конструктивных решений пролеты и шаги колонн назначаем кратными 6м, высота
помещений кратна 0,6м.
Рассмотрим
два варианта: 1 вариант – шаг колонн 6м; 2 вариант – шаг колонн
12м.
1.4
Компоновка поперечной рамы
Вертикальные
габариты здания:
Расстояние
от головки кранового рельса до низа несущих конструкций покрытия Н2 =
(Нк +100) + f = (4000 + 100) + 300 = 4400 мм (кратно 200
мм).
Высота
цеха от уровня пола до низа стропильных ферм Н0 = Н2
+ Н1 = 4400 + 18000 = 22400 мм. Принимаем ближайший
больший размер, кратный 1,8 м, – 23400 мм, при этом корректируем Н1
= Н0 – Н2 = 23400 – 4400 = 19000 мм.
Для
шага рам 6 м:
Размер
верхней (надкрановой) части колонны Нв = hб + hр +
Н2 = 1000 + 4400 = 5400 мм.
Размер
нижней (подкрановой) части колонны Нн = Но – Нв
+ Нзагл, = 23400 – 5400 + 600 = 18600 мм.
Общая
высота колонны рамы от базы до низа ригеля Н = Нв + Нн
= 5400 + 18600 = 24000 мм.
Для шага рам 12 м:
Нв
= hб + hр + Н2 = 1600 + 4400 = 6000 мм.
Нн
= Но – Нв + Нзагл, = 23400 – 6000 + 600 = 18000 мм.
Н
= Нв + Нн = 6000 + 18000 = 24000 мм.
Высота фермы на опоре Нфер
= 3150 мм.
Отметка парапетной стенки
+27,000.
Рис.1.1. Схема каркаса
поперечной рамы здания
Горизонтальных
размеры:
Принимаем
привязку наружной грани колонны к оси а = 250 мм.
Высота
сечения верхней части колонны hн = 450 мм (не < Нв /12 = 5400/12 =
450 мм).
При
устройстве прохода сбоку между колонной и краном
l1
= В1 + (hб – а) +75 + 450 = 400 + (450 – 250) + 75
+ 450 = 1125 мм. Назначаем l1 = 1250 мм (кратно
250мм).
Высота
сечения нижней части колонны hн = l1 + а =
1250 + 250 = 1500 мм (>Н/20 =
24000/20 = 1200 мм).
Верхнюю
часть колонны назначаем сплошной, двутаврового сечения, нижнюю часть – сквозной
(1500 мм >1000 мм).
1.5 Выбор
шага рам
Вариант
1 (шаг рам 6 м).
Вес
всех элементов, входящих в комплекс подкрановой конструкции (подкрановой балки
со связями, тормозной конструкции, подкранового рельса с деталями крепления)
G нпб
= (a пбLпб + gкр)LпбКпб
= (0,37·6 +0,89)6·1,2 = 22,392 кН
Масса ригелей и связей по покрытию
; М
= (247·6/1000
+1,8)1,4·302 = 4135,32 кг
Масса колонны
Мк = ((565,2·5,4/0,3)1,6 + (1683,69·18,6/0,5))7850·10-3/240 = 4424,81 кг.
Вариант 2 (шаг рам 12 м).
G нпб
= (a пбLпб + gкр)LпбКпб
= (0,37·12 +0,89)12·1,2 = 76,752 кг.
; М
= (247·12/1000
+1,8)1,4·302 = 6002,64 кг.
Мк = ((1164,96·6/0,3)1,6 + (3202,95·18/0,5))7850·10-3/240 = 8385,12 кг
Таблица 1.2 Сравнение вариантов
|
Вид конструктивного эл-та
|
Вариант 1 (шаг рам 6 м)
|
Вариант 2 (шаг рам 12 м)
|
|
Вес эл-та,
кН
|
Кол-во,
шт.
|
Вес всех эл-тов,
кН
|
Расход стали, кг/м2
|
Вес эл-та,
кН
|
Кол-во,
шт.
|
Вес всех эл-тов,
кН
|
Расход
стали,
кг/м2
|
|
Подкрановые
балки
|
22,392
|
48
|
1074,816
|
24,88
|
76,752
|
24
|
1842,048
|
42,6
|
|
Фермы
|
41,3532
|
25
|
1033,83
|
23,93
|
60,0264
|
13
|
780,3432
|
18,06
|
|
Колонны
|
44,2481
|
50
|
2212,405
|
51,21
|
83,8512
|
26
|
2180,132
|
50,47
|
|
Итого
|
|
123
|
|
100,02
|
|
63
|
|
111,17
|
По
экономическим соображениям для дальнейшей разработки принимаем 1-ый вариант.
2. РАСЧЕТ ПОПЕРЕЧНОЙ РАМЫ КАРКАСА ЗДАНИЯ
2.1 Нагрузки,
действующие на раму
2.1.1 Постоянная нагрузка
Равномерно-распределенная нагрузка от
веса покрытия, приложенная к ригелю рамы,
=
1,1152·6 = 6,69 кН/м
Рис.2.1.Схема постоянной нагрузки
2.1.2
Снеговая нагрузка
Равномерно распределенная расчетная
снеговая нагрузка, приложенная к ригелю рамы,
1,5·1·1,6·6
= 14,4 кН/м
2.1.3 Ветровая нагрузка
qeq = w0 k
eq cegf b = 0,38·0,755·0,8·1,4·6 = 1,93 кН/м.
се3 = - 0,58 при b/ℓ =
144/30 = 4,8>2,
h1/ℓ = 27/30 = = 0,9
qeq = w0 k eq ce3gf b = 0,38·0,755·0,58·1,4·6 = 1,4 кН/м.
W = w0 kтDН0 cegf b = 0,38 ((0,94 +0,891)/2)·(27 –
-23,4)0,8·1,4·6 = 8,42 кН. W = Wce3 /ce
= 8,42·0,58/0,8
= 6,1 кН.
2.1.4
Нагрузка от мостовых кранов
1,1·0,95(400(1
+ 0,867 + 0,475 + 0,342) +1,1·22,392 +
1,1·1,5·1,5·6 = 1161,39 кН Рис.2.2. Схема ветровой нагрузки
Рис.2.3. Схема определения
вертикальной крановой нагрузки
F¢к = (9,8Q +Qк)/n – Fк =
(9,8·80 + +1300)/4 – 400 = 121 кН.
Dmin = 1,1·0,95·121(1+0,867 +0,475 + +0,342) + 1,1·22,392 + 1,1·1,5·1,5·6 = =378,86 кН.
ек =1161,39·0,75 = =871,04 кНм.
ек = 378,86·0,75 = =284,15 кНм.
Расчетная
горизонтальная сила
Рис.2.4.
Схема нагрузки от мостовых кранов
·80 +380)/4 = 14,55 кН.
14,55·2,684 = 40,81 кН.
2.2
Статический расчет поперечной рамы
Расчет выполняется на ЭВМ.
Результаты расчета сведены в таблицу 2.1.
3. РАСЧЕТ ВНЕЦЕНТРЕННО-СЖАТОЙ КОЛОННЫ
РАМЫ
Для верхней части колонны (сечение
1-1): М1 = -392,403 кНм, N1 = -294,75 кН; (сечение 2-2):
М2 = -339,242 кНм, N2 = -543,65 кН, М2 =
-339,242 кНм.
Для нижней части колонны (сечение
3-3): N1 = -1510,65 кН, М1 = -769,43 кНм; (сечение 4-4):
N2 = -2086,61 кН, М2 = 688,1521 кНм.
Соотношение жесткостей верхней и
нижней частей колонны
; материал колонны – сталь
марки С245. Бетон фундамента марки М100.
3.2 Определение расчетных длин
колонны в плоскости рамы
5,4/18,6
= 0,29< 0,6;
-2086,61/
(-294,75) = 7,08 >
3, Þ
Для
нижней части колонны lx1 = 2·1860 = 3720 см.
Для
верхней части колонны lx2 = 3·540 = 1620 см.
3.3 Определение расчетных длин
колонны из плоскости рамы
1860
см;
540
– 125 = 415 см.
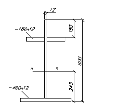
3.4 Расчет верхней части колонны
Сечение верхней части колонны
принимаем в виде сварного двутавра высотой hB = 450 мм. Для
симметричного двутавра
;
0,35·45 = =15,75 см;
(1620/18,9) Ö (24/ 20600) = 2,9;
=39240,3/ (294,75·0,35·45) = 8,45. Принимаем
,
тогда
4;
1,34·8,45 = 11,34;
0,106,
Þ Атр =
294,75/(0,106·24) = 115,9 см2
Компоновка сечения:
·1,2 = 42,6 см
Из условия местной устойчивости:
68,85
и
42,6/68,85 = 0,62 см.
Принимаем
. Рис.3.1.
Сечение верхней части колонны
Требуемая площадь полки
tw
hw )/2 = (115,9 – 0,8·42,6)/2 = 40,91 см2.
Из условия устойчивости верхней части
колонны из плоскости действия момента ширина полки
415/20
= 20,75 см; из условия местной устойчивости полки:
2,9)
Ö (20600 /24) = 19,04
.
Принимаем bf = 36 см; tf
=1,2; Аf =36·1,2
= 43,2 см2 >
40,91 см2.
(36 – 0,8) / (2·1,2) = 14,67 < 19,04.
Геометрические характеристики
сечения:
Полная площадь сечения А0
= 2·36·1,2 + 0,8·42,6 = 120,48 см2;
Ix = 0,8·42,63/12 + 2·36·1,2[(45 – 1,2)/2]2 = 46592,2 см4;
19,7 см; Iу = 2·1,2·363/12 = 9331,2 см4;
8,8 см;
Wx = 46592,2/(0,5·45) = 2070,8 см3;
17,19 см.
Проверка устойчивости верхней части
колонны в плоскости действия момента:
lх = 1620/19,7 = 82,23;
2,81;
39240,3
/(294,75·17,19) = 7,74;
1,2·36/(0,8·42,6)
= 1,27, Þ h = 1,4 – 0,02·2,81 = 1,34;
10,4;
7
s = 294,75/(0,107·120,48) = 22,9 кН/см2 < 24 кН/см2
Недонапряжение [(24 – 22,9)/24]100 =
4,6% < 5%.
Проверка устойчивости верхней части
колонны из плоскости действия момента.
415/8,8
= 47,2;
,864.
Максимальный момент в средней трети
расчетной длинны стержня:
-339,242
+ (-392,403 – (-339,242)) /5,4(5,4 – 4,15/3 ) = -378,79 кНм.
По модулю
=
392,403/2 = 196,2 кНм;
37879·120,48/ (294,75·2070,8) = 7,48.
где
lу = 47,2 < lс =
= 92 b
= 1;
= 0,9
+0,9·5) = 0,18
10·0,864/1] = 0,1
с = 0,18(2 – 0,2·7,48) + 0,1(0,2·7,48 –1) = 0,14
294,75/
(0,14·0,864·120,48) = 20,2 < 24 кН/см2.
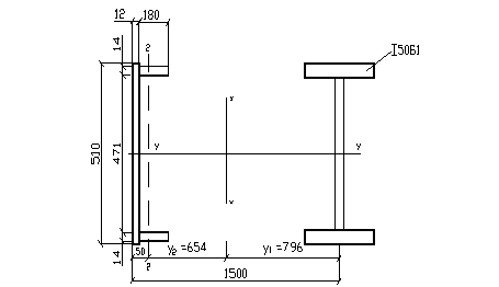
3.5 Расчет нижней части колонны
Высота сечения
1500 мм. Подкрановую ветвь колонны
принимаем из широкополочного двутавра, наружную – составного сварного сечения
из трех листов.
Определение ориентировочного
положения центра тяжести.
Принимаем
;
150 – 5 = 145 см.
у1 = 68815,2/(76943 + 68815,2)145 =
68,46 см
= 145
– 68,46 = 76,54 см
Усилия: в подкрановой ветви Nв1
= 1510,65·76,54/145 +
76943/145 = 1328,1 кН
В наружной ветви Nв2
= 2086,61·68,46/145 +
68815,21/145 = 1459,76 кН
Требуемая площадь ветвей:
Для
подкрановой ветви задаемся
,8; (сталь С245
фасонный прокат)
АВ1 = 1328,1/(0,8·24) = 69,2 см2
По
сортаменту подбираем I 50Б1(I 45Б1 не удовлетворяет требованию по
устойчивости): АВ1 = 91,8 см2; iх1
= 4,22 см; iу1 = 20,3 см.
Для наружной ветви
1459,76/(0,8·24) = 76,03 см2 (сталь
С245 листовой прокат,
,8).
Для удобства прикрепления элементов
решетки просвет между внутренними гранями полок принимаем 471 мм. Толщину
стенки швеллера
для удобства ее соединения
встык с полкой надкрановой части колонны принимаем равной 12 мм; высота стенки
из условия размещения сварных швов
510 мм.
Требуемая площадь полок:
(76,03
– 1,2·51)/2 = 7,4 см2
Из условия местной устойчивости полки
швеллера
14.
Принимаем
8 см;
= 1,4
см;
25,2 см2.
Рис.3.2. Сечение нижней части колонны
Геометрические характеристики ветви:
АВ2 = 1,2·51 + 2·25,2 = 111,6 см2
z0 = (1,2·51·0,6 + 25,2·10,2·2)/111,6 = 5 см
Ix2 = 1,2·51·4,42 + 2·1,4·183/12 + 25,2·5,22·2 = 3908,45 см4;
5,92 см
Iу = 1,2·513/12 + 25,2·24,252·2 = 42903,45 см4;
19,61
см.
Уточняем положение центра тяжести
сечения колонны:
h0 = 150 – 5 = 145 см ;
= 111,6·145/ (91,8 + 111,6) = 79,6 см
у2 = 145 – 79,6 = 65,4 см .
Отличие от первоначальных размеров
существенно, поэтому усилия в ветвях:
Nв1 = 1510,65·65,4/145 + 76943/145 = 1212 кН
Nв2 = 2086,61·79,6/145 + 68815,21/145 = 1620 кН
Проверка устойчивости ветвей: из
плоскости рамы (относительно оси у-у).
Подкрановая ветвь:
1860/20,3 = 91,63;
0,602
1212/(0,602·91,8) =21,9 кН/см2 < 24 кН/см2
Наружная ветвь:
1860/19,61 = 94,8;
0,6.
=
1620/(0,6·111,6) = 23,9< 24 кН/см2.
Требуемое расстояние между узлами
решетки:
=
91,63,
·91,63 = 91,63·4,22 = 386,68 см.
Принимаем
358
см. Проверим устойчивость ветвей в плоскости рамы. Для подкрановой ветви:
358/4,22
= 84,83;
0,65;
1212/(0,65·91,8) = 20,34< 24 кН/см2.
Для наружной ветви:
358/5,92
= 60,5;
03;
1620/(0,803·111,6) = 18< 24 кН/см2.
Расчет решетки подкрановой части
колонны. Поперечная сила в сечении колонны
= -
46,3824 кН.
Условная поперечная сила
;
(91,8
+ 111,6) = 40,68 <
46,3824 кН.
Расчет производим на QMAX.
Усилие сжатия в раскосе
46,3824/
(2·0,64) = 36,24 кН
150/Ö (1502 + (358 /2)2)
= 0,64;
10
- угол наклона раскоса.
Задаемся
;
Требуемая площадь раскоса:
36,24/(0,56·24·0,75) = 3,6 см2
R = 24 кН/см2 (фасонный
прокат из стали С245);
(сжатый уголок, прикрепленной
одной полкой). Принимаем L 75x6 ( предыдущие сечения не удовлетворяют
требованиям по устойчивости):
= 8,78 см2;
1,48 см;
234,38/1,48
= 158; j = 0,25.
Напряжения в раскосе:
36,24/(0,25·8,78) = 16,5< Rg = 24·0,75 = 18 кН/см2.
Проверка устойчивости колонны в
плоскости действия момента как единого стержня.
Геометрические характеристики всего
сечения:
91,8
+ 111,6 = 203,4 см2;
91,8·79,62 +111,6·65,42 = 1058990,5 см4;
Ö (1058990,5/203,4) = 72,15 см;
3720/72,15 = 51,6;
Приведенная гибкость
= Ö (51,62 + 16·203,4/(2·8,78)) = 53,4;
53,4Ö (24/20600) = 1,82.
Для комбинации усилий, догружающих
наружную ветвь (сечение 4-4), N2 = -2086,61 кН; М2 =
688,1521 кНм;
68815,21·203,4(65,4 +5)/ (2086,61·1058990,5) = 0,45;
,57;
2086,61/(0,57·203,4) =18< R = 24 кН/см2.
Для комбинации усилий, догружающих
подкрановую ветвь (сеч. 3-3),
N1 = -1510,65 кН; М1
= -769,43 кНм
76943·203,4·79,6/(1510,65·1058990,5) = 0,78;
1;
=
1510,65/(0,51·203,4) = 14,6 < R = 24 кН/см2.
Устойчивость сквозной колонны как
единого стержня из плоскости действия момента проверять не нужно, т.к. она
обеспечена проверкой устойчивости отдельных ветвей.
Расчетные комбинации усилий в сечении
над уступом:
1)
М = 262,9552 кНм;
N = 349,25 кН;
2)
М = -339,242 кНм;
N = 543,65 кН.
Давление кранов
1161,39 кН.
Площадь шва равна площади сечения
колонны.
Первая комбинация М и N:
Наружная полка
349,25/120,48
+26295,52/2070,8 = 15,6 <
RСВ = 24 кН/см2
Внутренняя полка
349,25/120,48
– 26295,52/2070,8 = -9,8<
RСВр= 0,85·24 = 20,4 кН/см2
Вторая комбинация М и N:
Наружная полка
543,65/120,48
– 33924,2/2070,8 = -11,9 <
RСВр= 0,85·24 = 20,4 кН/см2
Внутренняя полка
543,65/120,48
+ 33924,2/2070,8 = 20,9 <
RСВ = 24 кН/см2.
Толщина стенки траверсы из условия
смятия:
1161,39/(34·36) = 0,9 см;
;
;
36
кН/см2
Принимаем
.
Усилие во внутренней полке верхней
части колонны (вторая комбинация)
543,65/2
+33924,2/45 = 1025,7 кН
Длина шва крепления вертикального
ребра траверсы к стенке траверсы
Принимаем полуавтоматическую сварку
проволокой марки Св-08А, d = 2 мм,
;
. Назначаем
;
;
;
;
;
1025,7/(4·0,6·16,2) = 26,4 см;
В стенке подкрановой ветви делаем прорезь,
в которую заводим стенку траверсы.
Для расчета шва крепления траверсы к
подкрановой ветви (ш3) составляем комбинацию усилий, дающую наибольшую опорную
реакцию траверсы.
Такая комбинация: N = 543,65 кН; М =
6,64 кНм.
543,65·45/(2·150) – 664/150 + 1161,39·0,9 = 1122,37 кН
Коэффициент 0,9 учитывает, что усилия
N и М приняты для второго основного сечения нагрузок.
Требуемая длина шва
1122,3/(4·0,6·16,2) = 28,9 см
Высота траверсы из условия прочности
стенки подкрановой ветви в месте крепления траверсы:
1122,37/
(2·0,844·14) = 47,5 см
Принимаем
60
см.
Проверим прочность траверсы как
балки, нагруженной усилиями N, М, ДMAX. Нижний пояс траверсы
принимаем конструктивно из листа 460х12 мм, верхние горизонтальные ребра – из
двух листов 180х12.
Геометрические характеристики
траверсы:
Положение центра тяжести траверсы:
ун = (2·18·1,2·44,4 + 1,2·58,8·30,6 + 1,2·46·0,6)/(2·18·1,2 + 1,2·58,8 + 1,2·46)
= 24,3 см
Iх = 1,2·58,83/12 +1,2·58,8·6,32
+ 1,2·46·23,72 + 2·18·1,2·20,12 = 71588,792 см4
71588,792/35,7
= 2005,29 см3
Максимальный изгибающий момент при
второй комбинации усилий:
(33924,2/150+543,65·45/(2·150))(150 – 45) = 46309 кНсм
46309/2005,29
= 23,09 < R = 24 кН/см2
Максимальная поперечная сила в
траверсе:
543,65·45/(2·150) – 6,64/150 +1,2·1161,39·0,9/2 = 708,65 кН
708,65/(1,2·58,8) = 12,05 < Rср = 14 кН/см2.
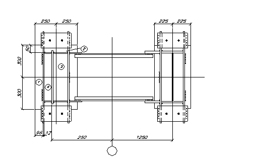
3.7 Конструкция и расчет базы колонны
Ширина нижней части колонны 150 см >100 см, поэтому проектируем базу
раздельного типа.
Расчетная комбинация усилий в нижнем
сечении колонны (сечение 4-4):
M = 688,1521кНм; N = 1144,86 кН
Усилия в ветвях колонны:
68815,21/145 +2086,61·65,4/145 = 1415,72 Кн;
1620 кН.
База наружной ветви.
Требуемая площадь плиты
1620/0,54
= 3000 см
;
(Бетон М100).
По конструктивным соображениям свес
плиты c2 должен быть не менее 4см.
Тогда
9,9
+2·4 = 57,9 см. Принимаем В = 60
см;
=
3000/60 = 50 см. Принимаем L = 50
см;
50·60 = 3000 см2.
Среднее напряжение в бетоне под
плитой
=
1620/3000 = 0,54 кН/см2
Из
условия симметричного расположения траверс относительно центра тяжести ветви
расстояние между траверсами в свету равно:
18 +1,2 – 5) = 28,4 см; при толщине
траверсы 12 мм с1 = (50 – 28,4 – 2·1,2)/2 = 9,6 см
Определяем изгибающие моменты на
отдельных участках плиты:
Участок 1 (консольный свес
9,6 см)
54·9,62/2 = 24,9 кНсм
Участок 2 (консольный свес
)
М2 = 0,54·52/2 = 6,75 кНсм
Участок 3 (плита, опертая на четыре
стороны; b/a = 47,1/18 = 2,6 >2; a =
0,125);
·0,54·182 = 21,87 кНсм
Участок 4 (плита, опертая на четыре
стороны; b/a = 47,1/9,2 = 5,1 >2; a = 0,125);
,54·9,22 = 5,7 кНсм
Принимаем для расчета МMAX
= М1 = 24,9 кНсм.
Рис.3.4. База колонны
Требуемая толщина плиты
= Ö (6·24,9/22)
= 2,6 см
Принимаем
28
мм (2 мм – припуск на фрезеровку).
Высоту траверсы определяем из условия
из условия размещения шва крепления траверсы к ветви колонны. В запас прочности
все усилия в ветви передаем на траверсы через 4 угловых шва. Сварка
полуавтоматическая проволокой марки Св-08А, d = 2 мм; kш = 8 мм.
Требуемая длинна шва:
1620/(4·0,8·16,2) = 31,25 см
8 =
61,2 см
Принимаем
.
1620/(4·0,8·(40 – 2)) = 13,3 < 16,2 кН/см2
База подкрановой ветви.
Требуемая площадь плиты
= 1415,72/0,54 = 2621,7 см2
В ³ 49,5 + 2·4
= 57,5 см; принимаем В = 60 см;
2621,7/60
= 43,7 см;
принимаем L = 45 см;
45·60 = 2700 см2.
Напряжение в фундаменте под плитой
1415,72/2700 = 0,52 кН/см2.
Определим изгибающие моменты на
отдельных участках плиты:
Участок 1. (консольный свес с = 5,3
см)
0,52·5,32/2 = 7,3 кНсм
Участок 2. (плита рассчитывается как
консоль).
=
0,52·11,32/2 = 33,2 кНсм
Участок 3. (плита, опертая на четыре
стороны; b/a = 47,1/9,6 = 4,9 >2;;
)
0,52·0,125·9,62/2 = 6 кНсм
Принимаем для расчета МMAX
= M2 = 33,2 кНсм.
Требуемая толщина плиты
= Ö (6·33,2/22) = 3 см.
Принимаем
32
мм
Высоту траверсы определим из условия
размещения шва крепления траверсы к ветви колонны. В запас прочности все усилия
ветви передаем на траверсы через 4 угловых шва.
Сварка полуавтоматическая проволокой
марки Св-08А, d = 2 мм; kш = 6 мм.
=
1415,72/(4·0,6·16,2) = 36,4 см
Принимаем
.
1415,72/(4·0,6·(40 – 2)) = 15,52 < 16,2 кН/см2
4. РАСЧЕТ
РЕШЕТЧАТОГО РИГЕЛЯ РАМЫ
Материал стержней ферм – сталь марки
С245.
4.1 Определение усилий в стержнях
фермы
Постоянная нагрузка:
Fg = 1,1152·6·3 = 20 кН
Рис. 4.1. Расчетная
схема постоянной нагрузки
Снеговая нагрузка:
Fсн = 1,5·6·3·1.6 = 43 кН
Рис. 4.2. Расчетная схема снеговой
нагрузки
Рис.4.3. Диаграмма усилий от
постоянной (или снеговой) нагрузки
Нагрузки от рамных
моментов:
1)
-392,403
кНм;
= -161,71 кНм;
2)
-392,403
– (-226,614) = -165,789 кНм;
-161,71 – (-226,614)
= 64,904 кНм.
Для построения диаграммы единичный
момент заменяем парой сил с плечом, равным расчетной высоте фермы на опоре:
Н = М/(hоп - Sz0) =1/(3,15 – 0,1) = 0,328 кН.
Значения
вертикальных опорных реакций фермы:
FA = - FB = M/ℓ =
1/29,55 = 0,0338 кН.

В






Рис.4.4. Расчетная схема усилий
Рис.4.5. Диаграмма
усилий от единичного момента
Расчетные
усилия в элементах фермы сведены в таблицу 4.1.
4.2. Подбор и проверка сечений стержней фермы
Результаты
расчета сведены в таблицу 4.2.
Таблица
4.1 Расчетные усилия в элементах фермы, кН
|
Элемент
|
№ стержня
|
От постоянной
нагрузки
|
От снеговой нагрузки
|
От опорных моментов
|
Расчетные усилия
|
|
y
= 1
|
y
= 0,9
|
S1
от М1=1
|
S2
от М2=1
|
S1М1
|
S2М2
|
растяжение
|
сжатие
|
|
1
|
2
|
3
|
4
|
5
|
6
|
7
|
8
|
9
|
11
|
12
|
|
Верхний пояс
|
А-1
|
0
|
0
|
0
|
-0,328
|
0
|
128,7
|
0
|
128,7
|
-
|
|
Б-3, В-4
|
-160
|
-344
|
-309,6
|
-0,267
|
-0,064
|
104,8
|
10,3
|
-
|
-504
|
|
Г-6, Д-7
|
-240
|
-516
|
-464,4
|
-0,199
|
-0,131
|
78,1
|
21,2
|
-
|
-756
|
|
Нижний пояс
|
Л-2
|
90
|
193,5
|
174,15
|
0,297
|
0,03
|
-49,2
|
1,95
|
283,5
|
-
|
|
Л-5
|
210
|
451,5
|
406,35
|
0,233
|
0,098
|
-38,6
|
6,4
|
661,5
|
-
|
|
Л-8
|
250
|
537,5
|
483,75
|
0,166
|
0,166
|
-27,5
|
10,8
|
787,5
|
-
|
|
Раскосы
|
1-2
|
-126
|
-270,9
|
-243,81
|
0,044
|
-0,044
|
-17,3
|
7,1
|
-
|
-396,9
|
|
2-3
|
100
|
215
|
193,5
|
-0,047
|
0,047
|
18,4
|
-7,6
|
315
|
-
|
|
4-5
|
-70
|
-150,5
|
-135,45
|
0,047
|
-0,047
|
-18,4
|
7,6
|
-
|
-220,5
|
|
5-6
|
42
|
90,3
|
81,27
|
-0,047
|
0,047
|
18,4
|
-7,6
|
132,3
|
-
|
|
7-8
|
-14
|
-30,1
|
-27,09
|
0,047
|
-0,047
|
-18,4
|
7,6
|
-
|
-44,1
|
|
Стойки
|
3-4
|
-20
|
-43
|
-38,7
|
0
|
0
|
-
|
-
|
-
|
-63
|
|
6-7
|
-20
|
-43
|
-38,7
|
0
|
0
|
-
|
-
|
-
|
-63
|
Таблица 4.2. Таблица проверки сечений стержней фермы, кН
|
Элемент
|
№
стержня
|
Расчетное усилие
|
Сечение
|
Площадь
А,
см2
|
LХ / LУ,
см
|
iХ / iУ,
см
|
Х /У
|
[]
|
min
|
g
|
Проверка сечений
|
|
растяжение
|
сжатие
|
прочность
N/A£Rg
кН/см2
|
устойчивость
N/A)£Rg
кН/см2
|
|
1
|
2
|
3
|
4
|
5
|
6
|
7
|
8
|
9
|
10
|
11
|
12
|
13
|
14
|
|
Верхний пояс
|
А-1
|
128,7
|
-
|
┐┌ 110х70х6,5
|
22,9
|
277,5/277,5
|
2/5,44
|
-
|
-
|
-
|
-
|
-
|
|
Б-3,В-4
|
-
|
-50,4
|
┐┌ 160х110х9
|
45,74
|
300/300
|
2,85/7,75
|
105/39
|
120
|
0,51
|
0,95
|
21,6 <22,8
|
|
Г-6,Д-7
|
-
|
-756
|
┐┌ 180х110х12
|
67,4
|
300/600
|
3,1/8,75
|
97/69
|
120
|
0,563
|
19,9 < 22,8
|
|
Нижний пояс
|
Л-2
|
283,5
|
-
|
┘└ 80х50х5
|
12,72
|
300/597,75
|
1,41/4,02
|
213/149
|
250
|
-
|
22,3 < 22,8
|
-
|
|
Л-5
|
661,5
|
-
|
┘└160х100х9
|
45,74
|
600/1800
|
2,85/7,67
|
211/235
|
14,5 < 22,8
|
|
Л-8
|
787,5
|
-
|
┘└160х100х9
|
45,74
|
600/1800
|
2,85/7,67
|
211/235
|
17,2 < 22,8
|
|
Раскосы
|
1-2
|
-
|
-396,9
|
┐┌ 125х80х10
|
30,94
|
197/394
|
2,26/6,19
|
87/64
|
120
|
0,634
|
-
|
20,2 < 22,8
|
|
2-3
|
315
|
-
|
┐┌ 63х 6
|
14,56
|
342/428
|
1,93/2,99
|
177/143
|
300
|
-
|
21,6 < 22,8
|
-
|
|
4-5
|
-
|
-220,5
|
┐┌ 90х 9
|
31,2
|
342/428
|
2,75/4,11
|
124/104
|
150
|
0,397
|
0,8
|
-
|
17,8 < 19,2
|
|
5-6
|
132,3
|
-
|
┐┌ 40х 4
|
6,16
|
342/428
|
1,22/2,04
|
280/210
|
300
|
-
|
0,95
|
21,52 < 22,8
|
-
|
|
7-8
|
-
|
-44,1
|
┐┌ 75х 7
|
20,3
|
342/428
|
2,29/3,47
|
149/123
|
150
|
0,28
|
0,8
|
-
|
7,8 < 19,2
|
|
Стойки
|
3-4
|
-
|
-63
|
┐┌ 56х 5
|
10,82
|
244/305
|
1,72/2,72
|
142/112
|
150
|
0,311
|
18,7 < 19,2
|
|
6-7
|
-
|
-63
|
┐┌ 56х 5
|
10,82
|
244/305
|
1,72/2,72
|
142/112
|
Для сварки узлов фермы применяем
полуавтоматическую сварку проволокой Св-08Г2С d=2мм; kш max =8 мм;
;
;
;
=165·1,05 = 173.
Несущая способность швов определяется
прочностью на границе сплавления (
) =17,3кН/см2;
Расчет швов приведен в табл. 4.3.
Таблица 4.3
|
№
стержня
|
Сечение
|
N,
кН
|
Шов
по обушку
|
Шов
по перу
|
|
Nоб,
кН
|
kш,
см
|
ℓш,
см
|
Nп,
кН
|
kш,
см
|
ℓш,
см
|
|
1-2
|
┐┌125х80х10
|
396,9
|
0,75N=
=
297,7
|
0,8
|
12
|
0,25N
= 99,2
|
0,6
|
6
|
|
2-3
|
┐┌
63х6
|
315
|
0,7N
=
=
220,5
|
0,6
|
0,3N
= 94,5
|
0,4
|
8
|
|
3-4
|
┐┌
56х5
|
63
|
44,1
|
5
|
18,9
|
5
|
|
4-5
|
┐┌
90х9
|
220,5
|
154,35
|
0,8
|
7
|
66,2
|
0,6
|
|
5-6
|
┐┌
40х4
|
132,3
|
92,61
|
0,6
|
6
|
39,7
|
0,4
|
|
6-7
|
┐┌
56х5
|
63
|
44,1
|
5
|
18,9
|
|
7-8
|
┐┌
75х7
|
44,1
|
30,9
|
13,2
|
Толщина фасонок – 6 мм. Очертание
фасонок – в форме прямоугольника.
ЛИТЕРАТУРА
1. Беленя
Е.И. и др. Металлические конструкции. М.: Стройиздат, 1985.- 560 с.
2. СНиП
2.01.07.-85. Строительные нормы и правила. Нагрузки и воздействия. – М.:
Стройиздат, 1988.-34 с.
3. СНиП
II-23-81*. Строительные нормы и правила. Стальные конструкции.-М.: Стройиздат,
1990.-96 с.