Анализ линейной цепи синусоидального тока
Анализ линейной цепи синусоидального тока
Исходные данные:
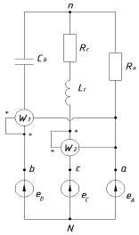
Рис. 1. Расчетная схема
Расчеты.
1) Для построения
временных графиков ЭДС преобразуем аналитические выражения для них:
Графики
приведены
на рис. 2.
ес(t) eb(t) eа(t)
Рис. 2. Временные
графики ЭДС.
) Для расчета схемы
запишем комплексы ЭДС:
,
,
.
Находим комплексные
сопротивления ветвей:
Выбираем направление
обхода обоих независимых контуров по часовой стрелке и записываем систему
уравнений в матричной форме:
,
где
и
-
комплексы токов левого и правого независимых контуров.
Подставляя числовые
значения, получаем:
Или
Решаем систему,
пользуясь методом Крамера, для чего находим комплексные определители системы:
Находим комплексы
контурных токов:
;
.
Вычисляем комплексы
токов ветвей:
Для расчета той же схемы
методом межузловых напряжений находим комплекс напряжения смещения нейтрали:
Вычисляем комплексы
токов ветвей, пользуясь обобщенным законом Ома:


Как видим, результаты
расчета обоими методами совпадают.
) Для построения
топографической диаграммы вычисляем действующие значения напряжений элементов
схемы:
;
;
;
откуда заключаем, что к
конденсатору приложено огромное напряжение.
Предполагая, что точка N имеет нулевой потенциал, помещаем ее в начало координат на
комплексной плоскости (рис. 3). Выбираем масштабы по току и напряжению:
,
.
Строим векторы
,
получая на плоскости точки a, b и c соответственно. Строим
векторы
.
Рис. 3. Векторная
диаграмма токов и топографическая диаграмма напряжений
) Обмотка по напряжению
ваттметра
находится
под напряжением, комплекс которого
, а по токовой обмотке
протекает ток, комплекс которого
. Находим комплексную
мощность
:
Аналогично получаем
значение мощности ваттметра
:
Вывод: ваттметр
показывает
1721,69 Вт, ваттметр
показывает
789,12 Вт.
Алгебраическая сумма
показаний ваттметров:
.
Мощность, рассеиваемая
резисторами в цепи:
,
.
т.е. по показаниям двух
ваттметров нельзя определить активную мощность цепи.
Показания ваттметров
можно определить, пользуясь диаграммами (рис. 3). Для этого находим углы,
составляемые векторами
и
,
векторами
и
соответственно.
Измерения транспортиром дают следующие результаты:
;
.
Измерения линейкой длин векторов дают действующие значения соответствующих
напряжений и токов:
Вычисляем активные
мощности:
;
;
.
Относительная ошибка
определения активной мощности цепи с помощью диаграмм:
.
) Электрические
величины, относящиеся к первому ваттметру, - это напряжение
и
ток
.
Так как
, то амплитуда этого
напряжения
и начальная фаза
.
Аналогично находим:
,
.
Временные графики
величин
и
приведены
на рис. 4. Их аналитические выражения:
.
Uba
ib
Рис. 4. Временные
графики электрических величин
) При закорачивании
узлов n и N комплексы токов
в ветвях находим, пользуясь законом Ома:
Действующее значение
тока
,
протекающего в проводе, соединяющем узлы n
и N:
Для определения
показаний ваттметров находим соответствующие комплексные мощности:
Сумма показаний
ваттметров:
.
Мощность, рассеиваемая
резисторами
и
:
,
т.е.
,
из чего делаем вывод - с помощью двух ваттметров невозможно определить активную
мощность цепи с закороченными узлами n
и N.
) Активную мощность цепи
можно измерить с помощью двух ваттметров, схема включения которых приведена на
рис. 1. Убедимся в этом:
т.е. сумма показаний
двух ваттметров равна сумме мощностей резисторов
и
(см.
п. 6).
) Находим действующие
значения напряжений элементов:
.
Так как точки n и
N закорочены,
то их потенциалы одинаковы. Принимаем эти потенциалы равными нулю и помещаем
точки n и N в начало
координат на комплексной плоскости (рис. 3). Последовательность построения
диаграмм остается такой же, как и в п. 3.
) Пусть требуются
определить ток
в
схеме на рис. 1. Выделяем ветвь схемы с исковым током, а оставшуюся часть схемы
представляем эквивалентным генератором с параметрами
и
(рис.
5). Для определения этих параметров находим комплекс напряжения холостого хода
активного
двухполюсника (рис. 6) и его комплексное сопротивление относительно точек n и N. Записываем
уравнение по 2-ому закону Кирхгофа для входного контура:
Рис. 5. Эквивалентная
схема
Рис. 6. Схема активного
двухполюсника
Откуда
Находим комплекс тока:
Тогда
.
Вычисляем эквивалентное
сопротивление:
Комплекс тока находим по
схеме рис. 5 на основании закона Ома:
ток контур мощность
цепь
что совпадает с
найденными в п. 2 значениями.
Окончательно имеем:
