Электрические цепи
Оглавление
электрический цепь ток синусоидальный
1. Задача 1.
Анализ линейной электрической цепи постоянного тока в установившемся режиме
. Задача 2.
Анализ линейной электрической цепи синусоидального тока в установившемся режиме
. Задача 3.
Анализ трехфазных цепей при различных схемах соединения нагрузки
. Задача 4
Анализ электрической цепи с несинусоидальным источником
Список
использованной литературы
1. Задача 1.
Анализ линейной электрической цепи постоянного тока в установившемся режиме
) Для электрической схемы по заданным сопротивлениям и ЭДС составить
систему уравнений по законам Кирхгофа в матричной форме и определить все
неизвестные токи в ветвях.
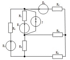
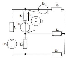
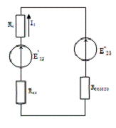
Рисунок 1.1
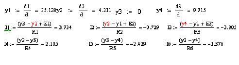
Дано:= 55 B; Е2= 18 В; Е3= 4 В;= 8 Ом; R2= 4Ом; R3= 3Ом;= 2 Oм; R5= 4Ом;
R6= 4 Ом;
J= 0,8.А.
Найти:,
I2, I3, I4, I5, I6 = ?
Решение:
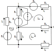
Укажем направление токов в ветвях и задаемся направлениями в контурах.
Для нахождения всех шести токов потребуется составить 6 уравнений по правилам
Кирхгофа. 3 по первому закону (число узлов -1) и 3 по второму.
Рисунок 1.2
Значения неизвестных токов равны:
2) Составить баланс мощности для заданной схемы.
Вт
Вт
В результате были получены значения Pист=197,124 Вт и Рпотр= 197,124 Вт,
следовательно расчеты, полученные в пункте 1) верны, т.к. Pист=Рпотр
(выполняется закон сохранения энергии).
) Определить токи в ветвях методом узловых потенциалов и сравнить их со
значениями, полученными первом пункте.
Решение:
Укажем направление токов в ветвях. Для нахождения всех шести токов
потребуется составить 3 уравнения по методу узловых потенциалов (количество
уравнений по первому закону Кирхгофа)
Составим систему уравнений по методу узловых потенциалов:
Рисунок 1.3
Из решения системы найдем значения узловых потенциалов и найдем токи
ветвей по закону Ома:
Токи сошлись с токами, полученными в первом пункте.
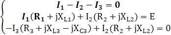
4) определить токи в ветвях заданной схемы методом контурных токов и
сравнить их со значениями, полученными первом пункте.
Решение:
Укажем направление токов в ветвях и зададимся направлениями контурных
токов. Для нахождения всех шести токов потребуется составить 3 уравнения по
методу контурных токов (количество уравнений по второму закону Кирхгофа)
Рисунок 1.4
Значения контурных токов равны:


Определяем токи в ветвях через контурные токи. Для этого задаем
направление токов:
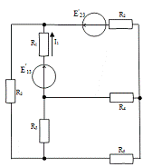
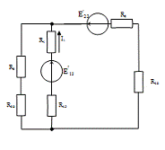
) Определить ток в сопротивлении R1 с помощью эквивалентных
преобразований и сравнить полученные значения с найденными в первом пункте.
) Преобразуем источник тока в источник напряжения:
Рисунок 1.5
Рисунок 1.6
) Перенесем Е3 через узел и сложим ЭДС, находящиеся в одной ветви:
Рисунок 1.7
Рисунок 1.8
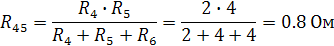
) Треугольник из сопротивлений R4, R5, R6 преобразуем в звезду R45, R46,
R56.
Рисунок 1.9
Рисунок 1.10
) Сложим сопротивления R3 и R56, R2 и R46:
Рисунок 1.11

) Сложим сопротивления R246 и R356:
Рисунок 1.12
) Найдем ток I1 по закону Ома:
) Построить в масштабе потенциальную диаграмму для внешнего контура.
Рисунок 1.13
φa= 0
φb=φa + R3I3= -11.415 В
φc=φb - E3= -15.415 В
φd=φc + R6I6= -20.919 В
φc=φd - R2I2= -18.003В
φf=φe + E2= -18.003 +18=0 В
Рисунок 1.14
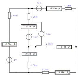
) Исследовать заданную электрическую цепь с помощью моделирующей
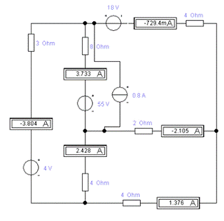
программы ElectronicsWorkbench. Измерить значения токов в ветвях и сравнить их
со значениями, рассчитанными в пункте 1.
Значения токов в ветвях сходятся со значениями, рассчитанными в пункте 1.
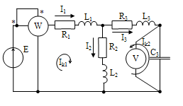
2. Задача 2.
Анализ линейной электрической цепи синусоидального тока в установившемся режиме
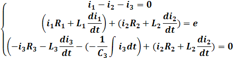
) Составить систему уравнений по законам Кирхгофа в дифференциальной
форме.
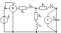
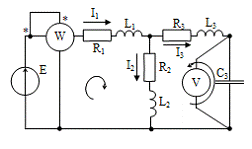
Рисунок 2.1
Дано:=100B; f=50Гц; С3=100*10-6Ф;=15,9*10-3 Гн; L2=1000*10-3 Гц;
L3=115*10-3 Гц; R1=10 Ом;=4 Ом; R3=100 Ом.
Найти:,
I2, I3, I4, I5, I6 = ?
а) В мгновенной форме записи:
б) В комплексной форме записи:
2) Рассчитать токи во всех ветвях:
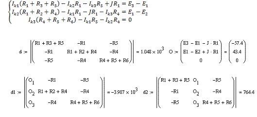
) Определим токи в ветвях заданной схемы по законам Кирхгофа:
Решение:
Укажем направление токов в ветвях и зададимся направлениями в контурах.
Для нахождения всех шести токов потребуется составить 3 уравнений по правилам
Кирхгофа. 1 по первому закону (число узлов -2) и 2 по второму.
Рисунок 2.2
Значения неизвестных токов равны:
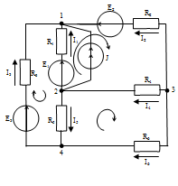
) Определим токи в ветвях заданной схемы методом контурных токов и
сравним их со значениями, полученными первом пункте:
Решение:
Укажем направление токов в ветвях и зададимся направлениями контурных
токов. Для нахождения всех шести токов потребуется составить 3 уравнения по
методу контурных токов (количество уравнений по второму закону Кирхгофа).
Рисунок 2.3
Значения контурных токов равны:
Определяем токи в ветвях через контурные токи. Для этого задаем
направление токов:
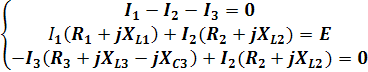
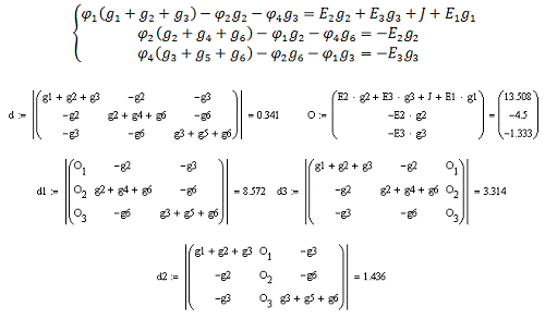
3) Определим токи в ветвях методом узловых потенциалов и сравним их со
значениями, полученными первом пункте:
Решение:
Укажем направление токов в ветвях. Для нахождения всех шести токов
потребуется составить 3 уравнения по методу узловых потенциалов (количество
уравнений по первому закону Кирхгофа).
Составим уравнения проводимостей ветвей:
Составим уравнения узловых потенциалов и решим его:
Из решения уравнения найдем значение узлового потенциала и найдем токи
ветвей по закону Ома:
Токи сошлись с токами, полученными в первом пункте.
3) Составить баланс активных, реактивных, комплексов полных мощностей для
заданной схемы:
В результате были получены значения мощностей, численно равные друг
другу, следовательно расчеты, полученные в пункте 2) верны, т.к. мощность
источник равна мощности потребителей (выполняется закон сохранения энергии).
4) Определить токи в ветвях методом эквивалентных преобразований и
сравнить полученные значения с найденными в первом пункте.
Сделаем проверку для полученных значений токов в цепи:
Так как сумма значений второго и третьего тока равна значению первого
тока, следовательно полученные значения токов верны.
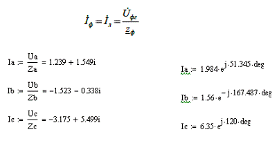
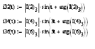
) Построить в масштабе на одной комплексной плоскости векторную диаграмму
токов и топографическую диаграмму:
Рисунок 2.4
Рисунок 2.5
) Определить показания вольтметра и ваттметра:
Определим показания ваттметра:
Следовательно показания ваттметра равны:
Определим показания вольтметра:
Отсюда показания вольтметра равны:
7) Исследовать заданную электрическую цепь с помощью моделирующей
программы ElectronicsWorkbench. Измерить значения токов в ветвях и сравнить их
со значениями, рассчитанными в пункте 2.
Значения токов в ветвях сходятся со значениями, рассчитанными в пункте 2.
. Задача 3. Анализ трехфазных цепей при различных схемах соединения
нагрузки
) Схема нагрузки - звезда с нулевым проводом.
Рисунок 3.1
Дано:ФГ=127 В, RA=40 Ом, RB=55 Ом, RC=20 Ом, XLВ=60 Ом, XCА=50 Ом
Так как сопротивление нулевого провода равно нулю, в любом режиме работы
цепи (симметричном или несимметричном) фазные токи равны линейным токам и
определяются как
Ток нулевого провода равен сумме токов всех фаз:
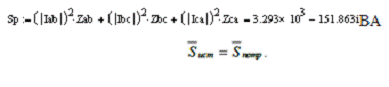
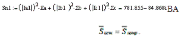
Баланс мощности:
мощность источника:
ВА
мощность потребителей:
ВА
В результате были получены равные значения мощностей источника и
потребителей, следовательно расчеты токов проведены верно.
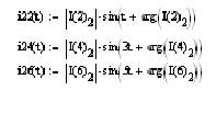
Порядок построения векторной диаграммы:
фазные напряжения генератора
фазные токи
ток нулевого провода (строится как сумма фазных токов)
Рисунок 3.2
2) Схема нагрузки - звезда:
Рисунок 3.3
При соединении нагрузки звездой без нулевого провода в несимметричном
режиме работы возникает смещение нейтрали
.
Для расчета найдем
проводимости фаз:
Смещение нейтрали:
Фазные токи равны линейным токам и определяются как
Проверка
Баланс мощности:
мощность источника:
мощность потребителей:
Порядок построения векторной диаграммы:
- фазные напряжения генератора
смещение нейтрали
;
фазные напряжения нагрузки
- фазные токи
Рисунок 3.4
) Схема нагрузки - треугольник:
Рисунок 3.5
При соединении нагрузки треугольником (если сопротивления линейных
проводов равны нулю) фазы нагрузки включены на линейное напряжение

Линейные токи:
Проверка
Баланс мощности:
мощность источника
- мощность потребителей
Порядок построения векторной диаграммы:
- линейные напряжения генератора
- фазные токи нагрузки
линейные токи (как разность соответствующих фазных токов)
4. Задача 4.
Анализ электрической цепи с несинусоидальным источником
) Представить ЭДС источника, заданную графически, рядом Фурье, ограничив
число ряда четырьмя составляющими, включая постоянную составляющую, если она
есть.
Рисунок 4.1
Дано: Em=350B; T=0.8*10-2 c; С3=60*10-6Ф;=15,9*10-3 Гн; L2=1000*10-3 Гц;
L3=25*10-3 Гн; R1=14 Ом;=8 Ом; R3=10 Ом.
Рисунок 4.2
Найдем коэффициенты ряда Фурье:
Постоянная составляющая:
Синусная составляющая:
Косинусная составляющая:
) Построить графики спектров амплитуд и начальных фаз ЭДС источника:
Рисунок 4.3
Рисунок 4.4
) После ограничения принятым количеством гармоник определить приближенное
действующее значение ЭДС:
Действующее значение ЭДС, ограниченное шестью гармониками:
Действующее значение заданной функции ЭДС:
Погрешность:
) На одном графике построить заданную кривую несинусоидальной ЭДС и
кривую, полученную в результате сложения гармонических составляющих
ограниченного ряда:
Рисунок 4.5
) Определить токи в ветвях электрической цепи для каждой гармоники
приложенного напряжения и постоянной составляющей. Выполнить построение
векторных диаграмм токов соответствующих гармоник и проверить правильность
расчетов балансом активной и реактивной мощностей:
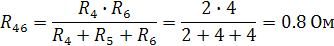
Сопротивления ветвей:
Расчет токов нулевой гармоники:
Проверим баланс активной мощности:
Ток первой ветви для гармоник 1-7
Ток второй ветви для гармоник 1-7
Ток третьей ветви для гармоник 1-7
Проверим баланс мощности для гармоник 1-6
Мощность источника для каждой гармоники:
Мощность потребителя для каждой гармоники:
Для каждой гармоники баланс мощности сходится, следовательно токи
рассчитаны верно.
Запишем для каждой ветви токи от гармоник 2, 4 и 6, и результирующий ток
в мгновенной форме записи. Токи во всех ветвях от гармоник 1, 3 и 5 равны нулю.
Первая ветвь.

Рисунок 4.6
Вторая ветвь.
Результирующий ток второй ветви:
Рисунок 4.7
Третья ветвь.
Результирующий ток третьей ветви:
Рисунок 4.8
Векторные диаграммы токов второй, четвертой и шестой гармоник
соответственно:
) Используя метод наложения, в виде ряда Фурье записать мгновенные
значения токов ветвей схемы:
Для первой ветви:
Для второй ветви:
Для третьей ветви:
7)Определить действующие значения несинусоидальных токов в цепи:
Действующее значение тока первой ветви:
Действующее значение тока первой ветви:
Действующее значение тока третьей ветви:
) Определить значения мощности искажения и коэффициента мощности в
заданной электрической цепи:
Активная мощность цепи:
Вт
Реактивная мощность
ВАр
Полная мощность
Вт
Реактивная мощность искажения
Коэффициент мощности
Список
использованной литературы
1. Ушакова
Н.Ю. Цепи несинусоидального тока. [Текст]: методические указания к выполнению
расчетно-графического задания / Н.Ю. Ушакова, Ж.Г. Пискунова; Оренбургский гос.
ун-т. - Оренбург: ОГУ, 2011. - 43 с.
. Семенова
Н.Г. Анализ линейных электрических цепей в установившихся режимах. [Текст]:
Учебное пособие к курсовой работе по дисциплине "Теоретические основы
электротехники" / Н.Г. Семенова, Н.Ю. Ушакова, Л.В. Быковская;
Оренбургский гос. ун-т. - Оренбург: ОГУ, 2013. - 49 с. - 704 с.
. Бессонов
Л.А. Теоретические основы электротехники. Электрические цепи. [Текст]: учеб.
для бакалавров / Л.А. Бессонов.- 11-е изд., испр. и доп. - М.: Юрайт, 2011.
. Ушакова
Н.Ю. Трехфазные цепи со статической нагрузкой. [Текст]: методические указания и
консультации к самостоятельному изучению раздела курса ТОЭ и к выполнению
расчетно-графического задания / Н.Ю. Ушакова, Л.В. Быковская. - Оренбург: ИПК
ГОУ ОГУ, 2007. - 48 с.
. Ушакова
Н.Ю. Анализ линейных электрических цепей в стационарных и переходных режимах:
учебное пособие / Н.Ю. Ушакова, Л.В. Быковская; Оренбургский гос. ун-т. -
Оренбург: ОГУ, 2012. - 133 с.