Однофазные электрические цепи синусоидального тока
1.
Введение
В настоящее время централизованное производство
и распределение электрической энергии осуществляется на переменном токе.
Переменный ток занял господствующее положение в промышленном приводе и
электрическом освещении, в сельском хозяйстве и на транспорте, в технике связи
и электротермии, а также в быту.
Поведение параметров переменного тока
описывается многими законами, и в этой работе они будут описаны в теоритической
части, а также применены в практической.
В данной курсовой работе 3 основных раздела в
теоритической части:
Ознакомление с электрическими цепями
синусоидального тока.
Методы расчета электрических цепей.
Элементы R,L,C в цепи синусоидального тока и
фазовые соотношения между их напряжением и током.
Для написания теоритической части были
использованы такие литературные источники, как:
. Основы теории цепей. Учебник для вузов./ Г.В.
Зевеке, П.А. Ионкин, 1989г.
. Теория электрических цепей работам./ Под ред.
В.П. Рынина. Рязань,2004г.
. Основы теории цепей./ В.Н. Зуб, С.М.
Милюков,2005г.
. Теоретические основы электротехники. / Г.И.
Атабеков, С.Д. Купалян, 1979г.
. Теория линейных электрических цепей в
упражнениях и задачах./ М.Р.Шебес. 1990г.
2.
Ознакомление с электрическими цепями синусоидального тока
Рассмотрим переменные э.д.с., токи и напряжения
и величины, которыми они характеризуются.
Переменными называют э.д.с., токи и напряжения
изменяющиеся с течением времени. Они могут изменяться только по значению или
только по направлению, а также по значению и направлению.
Цепи, в которых действует переменный ток -
называют цепями переменного тока.
В электроэнергетике наибольшее применение
получил переменный ток, изменяющийся во времени по синусоидальному закону.
Переменные электрические величины являются
функциями времени, их значения в любой момент времени t
называют мгновенными и обозначают строчными буквами. Например, выражение
мгновенного значения синусоидального тока определяется тригонометрической
функцией
i
=
Imsin(ωt+ψi),
единственной переменной в правой части, которой
является время t. Амплитуда Im
равна максимальному значению тока. Аргумент синуса (ωt+ψi),
измеряемый в радианах, определяет фазный угол синусоидальной функции тока в
любой момент времени t и
называется фазой, а величина ψi,
равная фазному углу в момент начала отсчёта времени (t=0),
- начальной фазой. Величина ω
определяет число радианов, на которое изменяется фаза колебаний за секунду, и
называется угловой частотой.
Синусоидальные э.д.с., ток и напряжение являются
периодическими функциями времени. Через промежуток времени Т, называемый
периодом, фаза колебаний изменяется на угол 2π,
и цикл колебаний повторяется снова: i(t)=i(t+T)
(Рис. 2.1), следовательно, период и угловая частота связаны соотношением ωТ=2π.
Длительность периода принято измерять в секундах. Величину, обратную периоду,
называют частотой и обозначают f.
Частота определяется количеством периодов в секунду: f=1/T
и измеряется в герцах (Гц).
Очевидно, что:
ω
= 2π/T
= 2πf.
Рис 2.1. Изменение синусоиды тока во времени
Всё сказанное относительно тока справедливо
также для синусоидально изменяющихся напряжений u(t)
и э.д.с. e(t).
При совместном рассмотрении
нескольких синусоидальных электрических величин одной частоты обычно
интересуются разностью их фазовых углов, называемой углом сдвига фаз. Угол
сдвига фаз двух синусоидальных функций определяют как разность их начальных
фаз. Если синусоиды имеют одинаковые начальные фазы, то говорят о совпадении по
фазе, если разность фаз равна
, то говорят, что синусоиды
противоположны по фазе. Фазовые соотношения имеют очень важное значение при
анализе электрических цепей переменного тока. Угол сдвига фаз между током и
напряжением участка цепи принято обозначать буквой φ и
определять вычитанием начальные фазы тока из начальной фазы напряжения:
= 
-
.
Угол φ - величина
алгебраическая. Если 
>
, то
>0, при этом говорят, что
напряжение опережает ток по фазе или ток отстаёт по фазе от напряжения. В
случае 
<
<0, т.е. напряжение отстаёт по
фазе от тока или ток опережает напряжение, как это можно пронаблюдать на рис
2.2:
Рис. 2.2 Диаграмма напряжения и
тока: а) со сдвигом по фазе (φ = ψu - ψi); б) с
одинаковыми начальными фазами (ψu = ψi).
В практике применения переменных
токов широко пользуются понятием действующего значения электрической
величины. Действующим называют среднее квадратичное значение переменной
электрической величины за период. Действующий ток обозначают той же буквой, что
и соответствующее амплитудное значение, но без индекса m:
I
=
.
Тепловое и электромеханическое действия тока
пропорциональны квадрату его мгновенного значения, поэтому именно действующий
ток I может служить
количественной мерой их оценки за период.
Между амплитудой и действующим значением для синусоидальных
величин установлена связь. Если i
= Imsin
ωt,
то


,
следовательно в соответствии с определением:
I
= I
/
.
Для действующих значений синусоидально
изменяющихся напряжения, э.д.с. и магнитного потока справедливы аналогичные
выражения:
U
= U
/
,=
E
/
,
Ф
= Ф
/
.
Если говорят о значениях переменного напряжения,
э.д.с. или тока, то, как правило, подразумевают их действующие значения.
Диапазон напряжений и токов, используемых в
электротехнике очень широк. Обычно приборы для измерения переменных токов и
напряжений градуируют в действующих значениях.
Во многих случаях основные характеристики
электротехнических устройств могут быть получены и описаны с помощью известных
из курса физики интегральных понятий (скалярных величин) : тока,
электродвижущей силы (э.д.с.), напряжения. При таком описании совокупность
электротехнических устройств рассматривают как электрическую цепь, состоящую из
источников и приёмников электрической энергии, характеризуемых э.д.с. Е, током I,
напряжением U. Источники и
приёмники электрической энергии, являющиеся основными элементами электрической
цепи, соединяют проводами для обеспечения замкнутого пути для электрического
тока. Для включения и отключения электротехнических устройств применяют
коммутационную аппаратуру (выключатели, рубильники, тумблеры). Кроме этих
элементов в электрическую цепь могут включаться электрические приборы для
измерения тока, напряжения, мощности.
Для анализа цепей переменного тока как правило
пользуются схемами замещения составленными из идеальных элементов: резистивного
R, емкостного C,
индуктивного L, источника э.д.с. E,
источника тока J.
К идеальным резистивным элементам могут быть
отнесены реостаты, большинство электронагревательных устройств; резисторы.
К емкостным относятся конденсаторы.
Примером индуктивного идеального элемента
электрической цепи является индуктивная катушка.
Идеальным источником может служить энергосистема
и промышленная сеть переменного тока.
Таким образом, поскольку RLC
- цепи нашли применение практически во всех электрических цепях различных
устройств, в случае их применения в переменных электрических цепях, необходимо
учитывать их влияние на изменение фазы напряжения и тока.
3.
Элементы R,L,C
в цепи синусоидального тока и фазовые соотношения между их напряжением и током
Пусть через каждый элемент протекает
синусоидальный ток, описываемый законом:
Электрическая схема последовательного соединения
представлена на рис. 3.1
Рис. 3.1. Электрическая схема
последовательного RLC соединения
Тогда, согласно компонентным
уравнениям и с учетом синусоидальности тока получаем:
;
;
.
Напряжения на элементах в цепи
синусоидального тока так же синусоидальны и имеют ту же частоту, но другие
амплитуды и начальные фазы. Учитывая стандартную запись напряжения
, получаем
табл. 3.1:
Табл. 3.1
Напряжение и частота синусоидального тока на R,L,C
-элементах
Напряжение на сопротивлении совпадает с током по
фазе, напряжение на емкости отстает от тока на 900, напряжение на
индуктивности опережает ток на 900. Определим мгновенную и активную
мощности на каждом элементе:
;
;
.
На рис. 3.2 можем пронаблюдать поведение тока,
напряжения и мощности на каждом элементе в отдельности:
а)
б)
в)
Рис. 3.2 - Диаграмма изменения мгновенных
значений напряжения, тока и мощности для а) сопротивления R,
б) индуктивности L, в) емкости
С.
Таким образом, мгновенная мощность во всех
элементах изменяется с двойной частотой тока. Однако мгновенная мощность в
сопротивлении R содержит еще
постоянную составляющую, поэтому активная мощность получается больше нуля.
Индуктивность и емкость активной мощности не потребляют: половину периода
мощность поступает от внешней цепи, а во вторую половину периода эти элементы
отдают мощность во внешнюю цепь. В те моменты времени, когда индуктивность
потребляет активную мощность, емкость генерирует её и наоборот.
Так как сопротивление R потребляет
активную мощность, то его называют активным сопротивлением. Индуктивность и
емкость активной мощности не потребляют, поэтому их называют реактивными
сопротивлениями и обозначают соответственно
[Oм] и
[Oм].(Рис. 3.3)
Рис.3.3 - Зависимость индуктивного и
емкостного сопротивления от угловой частоты ω.
Для расчета режима в цепи
синусоидального тока можно записать систему уравнений по законам Кирхгофа,
используя полученные соотношения между напряжением и током на элементах. Это
будет система тригонометрических уравнений. Уравнения будут содержать синусоиды
различной амплитуды и начальной фазы и необходимо проводить много
тригонометрических преобразований, что не всегда удобно. Поэтому разработан
специальный метод анализа режимов цепей синусоидального тока - метод
комплексных величин или символический метод, но это уже отдельная тема.
Комплексы амплитуд напряжения и тока
на элементах R,L,C связаны
между собой.
Для сопротивления R: (Рис. 3.4)
Рис. 3.4 - участок цепи с
сопротивлением R.
,
, где Um=RIm,, ju=ji
Перейдем к проекциям вращающихся векторов:
,
=>
Так как
,

Тогда
:
Для индуктивности L (Рис. 3.5)
Рис. 3.5 - Участок цепи с индуктивностью L
,
.
,
ju=ji + 900.
:
- комплексное сопротивление
индуктивности.
- комплексное
сопротивление индуктивности.
Для емкости C: (Рис. 3.6)
Рис. 3.6 - Участок цепи с емкостью С.
,
ju=ji - 900.
:
- комплексное сопротивление
емкости.
Таким образом, для любого элемента в
цепи синусоидального тока
- некоторое
комплексное число по размерности соответствует сопротивлению, и поэтому его
называют комплексом полного сопротивления и обозначают
. Тогда:
,
,
.
представляет закон Ома в
символической форме.
Комплекс полного сопротивления участка пассивной
цепи синусоидального тока рассчитывают так же, как в цепи постоянного тока,
если вместо элементов участка использовать комплексные сопротивления этих
элементов.
,
где:
- коэффициент пропорциональности
между амплитудными или действующими значениями напряжения и тока на данном
элементе;
показывает на сколько фаза
напряжения больше фазы тока на данном элементе.
Иногда строят треугольник
сопротивлений. Фактически это и есть изображение комплекса полного
сопротивления на комплексной плоскости.
Рис. 3.7 - Изображение комплекса
полного сопротивления на комплексной плоскости.
Величина
, как любое
комплексное число, может быть представлена в показательной, тригонометрической
или алгебраической форме:
,
где
- вещественная часть комплекса
полного сопротивления, ее называют активной составляющей комплекса полного
сопротивления;
- мнимая часть комплекса полного
сопротивления, ее называют реактивной составляющей комплекса полного
сопротивления;
- модуль комплекса полного
сопротивления;
- фаза комплекса полного
сопротивления, изменяется в пределах
.
Величину обратную комплексу полного сопротивления
называют комплексом полной проводимости (КПП):
,
где
.
Для получения в "буквах" активной и
реактивной составляющих комплекса полной проводимости по заданным в
"буквах" активной и реактивной составляющим комплекса полного
сопротивления:
Таким образом, используя полученные формулы,
расчетным путем можно получить фазовые соотношения напряжений и токов RLC
- цепи, и, построив диаграммы по этим значениям, наглядно пронаблюдать за
поведением напряжений и токов, с учетов сдвигов по фазе.
4.
Методы расчета электрических цепей
4.1
Законы Кирхгофа
Основными законами, используемыми для анализа и
расчёта электрических цепей, являются первый и второй законы Кирхгофа.
Первый закон Кирхгофа является
следствием закона сохранения заряда, согласно которому в любом узле заряд
одного знака не может ни накапливаться, ни убывать. Согласно первому закону
Кирхгофа алгебраическая сумма токов ветвей, сходящихся в узле, равна нулю:
При этом токи, направленные от узла,
следует брать со знаком плюс, а токи, направленные к узлу,- со знаком минус.
Второй закон Кирхгофа является
следствием закона сохранения энергии, в силу которого изменение потенциала в
замкнутом контуре равно нулю. Изменение потенциала между двумя точками участка
цепи характеризуется разностью потенциалов, которую можно измерить вольтметром.
В электротехнике разность потенциалов между двумя любыми точками цепи принято
называть напряжением. Поэтому согласно второму закону Кирхгофа алгебраическая
сумма напряжений всех участков замкнутого контура равна нулю:
При составлении уравнений по второму
закону Кирхгофа слагаемые берут со знаком плюс в случае, когда направление
обхода контура совпадает с направлением соответственно напряжения, тока или
э.д.с., в противном случае берут со знаком минус.
Рекомендуется следующий порядок
составления уравнений по законам Кирхгофа: определяют число ветвей, узлов и
независимых контуров, устанавливают число независимых уравнений по первому
закону Кирхгофа, остальные уравнения составляют по второму закону Кирхгофа.
Для определения неизвестных токов в
ветвях необходимо составить уравнения по первому второму закону Кирхгофа,
количество которых должно быть равно количеству неизвестных токов. По первому
закону Кирхгофа можно составить y-1 независимых уравнений, где y- количество
узлов цепи. Использовать все y уравнений невозможно, так как одно
из них обязательно будет зависимым.
Количество уравнений, составляемых
по второму закону Кирхгофа, должно быть равно количеству независимых контуров.
Независимым называют контур, в который входит хотя бы одна новая ветвь.
Если в результате решения этих
уравнений получатся отрицательные значения токов, то это означает, что истинные
направления токов в ветвях цепи противоположны тем направлениям, для которых
составлялись уравнения.
4.2
Метод контурных токов
Сложную электрическую цепь,
содержащую несколько активных и пассивных элементов и имеющую много узлов и
контуров, рассчитать с помощью первого и второго законов Кирхгофа будет
довольно трудно, так как будет связано с решением большого количества
уравнений. Вводя понятие о контурных токах, можно свести уравнения,
составленные по законам Кирхгофа, к системе уравнений, составленных лишь для
независимых контуров, т. е. исключить уравнения, составляемые по первому закону
Кирхгофа. Благодаря этому удаётся снизить порядок системы уравнений. Под
контурными токами понимают условные (расчётные) токи, замыкающиеся в
соответствующих контурах. На основе составленных уравнений выписывается матрица
вида
Здесь
квадратная
матрица коэффициентов при неизвестных контурных токах;
матрица-
столбец неизвестных контурных токов;
матрица- столбец известных
контурных э.д.с. Диагональные элементы матрицы
, называемые контурными
сопротивлениями или собственными сопротивлениями контуров, равны сумме
сопротивлений всех элементов, входящих в контур. Остальные элементы матрицы
равны
сопротивлениям общих ветвей смежных контуров и имеют знак минус. Если
какие-либо контуры не имеют общих ветвей, то соответствующие элементы матрицы
равны нулю. Решением уравнения
будет
, где
- матрица,
обратная матрице коэффициентов
.
4.3
Принцип суперпозиции
Применяя принцип суперпозиции можно найти ток
любой ветви или напряжение любого участка электрической цепи как алгебраическую
сумму частичных токов или напряжений, вызываемых отдельным действием источников
э.д.с. и тока. С помощью принципа суперпозиции (наложения) расчёт сложной цепи
с несколькими источниками э.д.с. и тока можно свести к расчёту нескольких цепей
с одним источником.
Для определения токов в цепи вначале
полагают, что в ней действует только один источник э.д.с. (например
). При этом
сопротивления всех элементов считают неизменными. Определяют частичные токи от
действия этого источника. Далее проводят расчёт частичных токов от действия
другого источника э.д.с. и т. д. рассматривая каждый следующий источник в
отдельности и находя частичные токи от их действия. Алгебраическое суммирование
частичных токов с учётом их направлений даёт значения действительных токов
ветвей.
Метод расчёта электрических цепей с
использованием принципа суперпозиции является довольно громоздким и поэтому
применяется редко. Он целесообразен тогда, когда электрическое состояние цепи
определено для каких либо источников э.д.с. и токов и требуется проанализировать
электрическое состояние цепи при изменении э.д.с. или тока одного из
источников. В этом случае нет необходимости вновь рассчитывать значения токов и
напряжений от действия всех источников, а достаточно определить лишь частичные
токи и напряжения от действия дополнительной э.д.с.
или
дополнительного тока
источника,
а также токи и напряжения от действия нового источника как алгебраическую сумму
прежних и частичных токов и напряжений.
4.4
Метод межузлового напряжения
В реальных электрических цепях очень часто
несколько источников и приёмников электрической энергии включаются параллельно.
Схема замещения такой цепи, содержащей активные и пассивные ветви, соединённые
параллельно, имеет только два узла, например узлы А и В. Для определения токов
во всех ветвях достаточно найти напряжение между двумя узлами. Формулу для
этого напряжения можно получить, используя принцип суперпозиции.
Частичное напряжение от действия источника тока J
можно определить исходя из того, что ток J
равен сумме токов всех ветвей. Далее необходимо определить частичные напряжения
от действия каждого источника э.д.с. в отдельности. Таким образом, если схема
содержит k источников тока и m
источников э.д.с., то напряжение между узлами равно алгебраической сумме всех
частичных напряжений, т.е.
Произведения
и
берут со
знаком плюс, когда направление Е и J противоположны
выбранному условно-положительному направлению межузлового напряжения и со
знаком минус, когда эти направления совпадают.
Зная межузловое напряжение, легко
можно найти токи как в пассивных, так и в активных ветвях.
5.
Практическая часть
5.1
Исходные данные
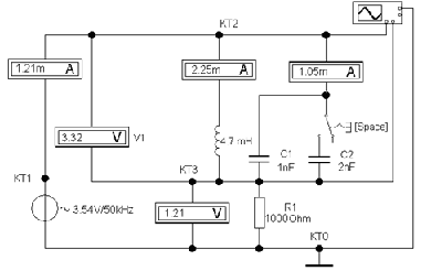
Для электрической цепи, представленной на рис. 1
с известными параметрами:
U
= 3,54 В;
R
= 0,82 кОм = 820 Ом;
L
= 4,7 мГн = 4,7*10-3 Гн;
С1
= 1 нФ = 1*10-9 Ф;
С2
= 3,6 нФ = 3,6*10-9 Ф;
f
= 50 кГц = 5*104 Гц,
составить уравнение баланса и рассчитать:
фазовый угол φ;
модуль общего тока I;
модули токов на всех элементах: IR,
IL, IС1,
IC2.
Рис. 1- Параллельная RLC-цепь
5.2
Основные формулы
Первый закон Кирхгофа для мгновенных значений
токов в одноконтурной цепи ( рис.1), состоящей из параллельно соединенных
активного сопротивления R, катушки индуктивности L и емкости С, описывается
выражением:
i=
iR +iL +iC .
Баланс токов в цепи описывается следующими
соотношениями:
,
tg φ =(1/(ωL-
1/ωC))/
(1/R) = (bL-bC) /g=b/g, -90º< φ
<90º.
где Y - полная комплексная проводимость цепи,
у - модуль полной комплексной проводимости
цепи,=1/R - активная проводимость цепи,=bL-bC -
реактивная проводимость цепи,L=1/ωL - реактивная
индуктивная проводимость,C=ωС
- реактивная емкостная проводимость цепи.=XL-XC=ωL-l/(ωC)
- реактивное
сопротивлением цепи
|Z| = z =
- модуль
полного сопротивления цепи,
φ - фазовый угол между
синусоидами напряжения (источника) и тока цепи.
5.2.1
Рассчет цепи для первого случая (без подключенного конденсатора С2).
C
= C1;
ω
= 2πf
= 2*3,14*5*104 = 3,14*105 (c-1);= 1/820 =
1,2*10-3 (См);L = 1/(3,14*105 *4,7*10-3 )
= 6,776 (См);c = 3,14*105*1*10-9 = 3,14*10-4
(См);= bL - bC = 6,776 - 3,14*10-4 = 3,7757
(См)φ
=3,7757 /1,2*10-3 = 3146,42
φ
= arctg 3146,42 = 900.= √1/8202 + 1/(3,14*105
*4,7*10-3 - 3,14*105*1*10-9 )2 =
3,8*10-2 (См).= y*U = 3,8*10-2*3,54 = 13,45*10-2 (А)R
= g*U = 1,2*10-3 *3,54 = 4,248*10-3 (А).L = bL*U
=6,776 *3,54 = 23,99 (А).C = bC*U =3,14*10-4*3,54
= 1,112*10-3 (А).
5.2.2
Рассчет цепи для второго случая (с подключенным конденсатором С2).
С
= С1 + С2 = 1*10-9 + 3,6*10-9 =
4,6*10-9 Ф;c = 3,14*105*4,6*10-9 =
14,444*10-4 (См);= bL - bC = 6,776 -14,444*10-4
= 6,7746(См);φ =6,7746 /1,2*10-3
=5646,47;
φ
= arctg 5646,47 = 900.= √1/8202 + 1/(3,14*105
*4,7*10-3 - 3,14*105*(1*10-9 + 3,6*10-9
))2 = 3,8*10-2 (См).= y*U = 3,8*10-2*3,54 =
13,45*10-2 (А);R = g*U = 1,2*10-3 *3,54 =
4,248*10-3 (А).L = bL*U =6,776 *3,54 = 23,99
(А).C = bC*U =14,444*10-4*3,54 = 5,1*10-3
(А).
Заносим результаты рассчетов в табл. 2:
Табл. 2
Результаты рассчетов
|
R=820Ом С2=3,6*10-9
Ф
|
Расчёт
|
Моделирование
|
|
ImA
|
…˚
|
IR1 mA
|
IL mA
|
mA
|
…˚
|
IR1 mA
|
IL mA
|
IC mA
|
|
Для
С1 Для С1+С2
|
1,34
|
90
90
|
4,25
4,25
|
0,02
0,02
|
1,11
5,1
|
|
|
|
|
|
Как показали результаты расчета,
параллельное добавление еще одного конденсатора C2 к параллельной RLC цепи не
оказывает существенного влияния на изменение разности фаз φ
(φ ≈ 900)
напряжения и тока, модулей полного тока и токов на индуктивности L и
сопротивлении R.
6.
Заключение
Расчеты электрических цепей являются
неотъемлимой частью при проектировании любого электрооборудования.
Любой элемент электрической цепи в
малой и большей степени оказывает влияние как на работу других ее элементов,
так и на работу всей системы в целом. Это влияние может быть связано с
назначением самой электрической схемы, или с разными явлениями в
(помехи,резонанс) цепи.
И поэтому, именно знание таких
законов, как закон Ома, законы Кирхгоффа и др., а также известных методов
расчета электрических цепей, помогают нам достигнуть желаемых результатов для
надежной работы электрических схем.
Данные законы и методы были
применены в практической части курсовой работы при расчете цепи параллельного
соединения RLC - элементов, и были сделаны соотствующие выводы.
7.
Список литературы:
синусоид
ток напряжение
1.
Основы теории цепей. Учебник для вузов./ Г.В. Зевеке, П.А. Ионкин, А.В.
Нетушил, С.В. Страхов.-5-е изд. перераб.-М.: Энергоатомиздат, 1989. 528 с.
.
Теория электрических цепей: Методические указания к лабораторным работам /
Рязан. гос. радиотехн. акад.; Сост.: С.М.Милюков, В.П. Рынин; Под ред. В.П.
Рынина. Рязань, 2002. 16 с.,2004. 20 с. (№3282, №3624)
.
Основы теории цепей: Методические указания к курсовой работе / Рязан. гос.
радиотехн. акад.; Сост.: В.Н.Зуб, С.М.Милюков. Рязань, 2005. 16 с.
.
Теоретические основы электротехники. / Г.И. Атабеков, С.Д. Купалян, А.В.
Тимофеев, С.С. Хухриков.-М.: Энергия, 1979. 424 с.
.
М.Р. Шебес. Теория линейных электрических цепей в упражнениях и задачах. М.:
Высшая школа, 1990. 528 с.