Расчет статических и динамических характеристик асинхронного электропривода

  • Вид работы:
    Курсовая работа (т)
  • Предмет:
    Физика
  • Язык:
    Русский
    ,
    Формат файла:
    MS Word
    613,38 Кб
  • Опубликовано:
    2013-11-10
Вы можете узнать стоимость помощи в написании студенческой работы.
Помощь в написании работы, которую точно примут!

Расчет статических и динамических характеристик асинхронного электропривода

Содержание


Введение

. Содержание курсовой работы

. Задание на курсовой проект

. Расчет параметров Г-образной схемы замещения

. Расчет мощности, потребляемой из сети

. Расчет характерных точек механической характеристики

. Построение механической и энергомеханической характеристик при номинальных напряжении и частоте

. Выбор закона регулирования  в зависимости от заданной характеристики момента нагрузки

. Построение механических характеристик при выбранном законе регулирования

. Скалярное управление скоростью асинхронного двигателя

Литература

Приложение

Введение


Курсовая работа является итоговой при изучении курса "Электропривод переменного тока". Курсовая работа выполняются на ПЭВМ с использованием пакета MathCad и пакета моделирования динамических систем Simulink, являющегося составной частью среды Matlab. Моделирование асинхронного двигателя при частотном управлении предполагает использование специализированных библиотек пакета Simulink - SimPowerSystem Toolbox.

Перед выполнением работы необходимо ознакомиться с теоретическими сведениями, уяснить суть работы. На основании варианта исходных данных рассчитать параметры схемы замещения асинхронного двигателя, мощность, потребляемую из сети, характерные точки механической характеристики. Построить механическую и энергомеханическую характеристики при номинальных напряжении и частоте. Выбрать закон регулирования  в зависимости от заданной характеристики момента нагрузки. Построить механические характеристики при выбранном законе регулирования . Исследовать переходные процессы в системе преобразователь частоты - асинхронный двигатель, при скалярном управлении.

При защите курсовой работы необходимо знать ее содержание и соответствующие разделы курса "Электропривод переменного тока".

Варианты заданий для выполнения курсовой работы приведены в приложении 1.

Методические указания к выполнению курсовой работы "Расчет статических и динамических характеристик асинхронного электропривода"

Целью курсовой работы является углубление знаний, полученных на лекциях, лабораторных и практических занятиях, а также подготовка к дипломному проектированию.

В качестве темы курсовой работы выбран электропривод переменного тока с асинхронным электродвигателем.

Методические указания содержат практические рекомендации по выполнению задания на курсовую работу, необходимые справочные материалы, а также требования к содержанию и оформлению проекта.

1. Содержание курсовой работы

Курсовая работа состоит из пояснительной записки на 20-25 страницах.

Содержание пояснительной записки:

·   титульный лист,

·   аннотация,

·   оглавление,

·   расчет параметров схемы замещения асинхронного двигателя,

·   расчет мощности, потребляемой из сети,

·   расчет характерных точек механической характеристики,

·   построение механической и энергомеханической характеристик при номинальных напряжении и частоте,

·   выбор закона регулирования  в зависимости от заданной характеристики момента нагрузки,

·   построение механических характеристик при выбранном законе регулирования ,

·   скалярное управление скоростью:

§   структурная схема системы преобразователь частоты - асинхронный двигатель,

§  расчёт положительной обратной связи по току,

§  расчёт П-регулятора скорости,

§  расчёт ПИ-регулятора скорости,

§  графики переходных процессов при пуске асинхронного двигателя и набросе момента нагрузки в установившемся режиме работы,

§  определение статической ошибки регулирования скорости при набросе момента нагрузки в установившемся режиме работы.

·   литература.

2. Задание на курсовой проект

асинхронный двигатель напряжение частота

Рассчитать статические и динамические характеристики асинхронного электропривода. Варианты исходных данных приведены в приложении 1.

3. Расчет параметров Г-образной схемы замещения

Все двигатели, приведенные в приложении 1, рассчитаны на напряжение питающей сети: фазное напряжение  В, линейное напряжение  В. Номинальная частота тока  Гц. Число фаз .

В приложении 1 даны следующие параметры асинхронных двигателей.

§  - номинальная мощность на валу, кВт;

§   - номинальный КПД,

§   - сдвиг по фазе в номинальном режиме,

§   - число полюсов,

§   - номинальное скольжение,

§   - момент инерции двигателя, кГм2,

Параметры Г-образной упрощенной схемы замещения приводятся в относительных единицах:

§  - активное сопротивление статора,

§  - индуктивное сопротивление рассеивания статора,

§   - активное сопротивление ротора,

§   - индуктивное сопротивление рассеивания ротора,

§   - индуктивное сопротивление намагничивающего контура.

Параметры Г-образной схемы замещения даны в относительных единицах. Для их перевода в абсолютные единицы необходимо определить номинальный ток и базовое сопротивление:

, А

(1)

, Ом.

(2)


С учетом формулы (2.2) параметры Г-образной упрощенной схемы замещения в абсолютных единицах определятся:

, Ом;

(3)

, Ом;

(4)

, Ом;

(5)

(6)

, Ом.

(7)


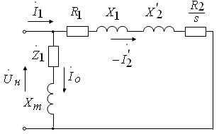
Г-образная упрощенная схема замещения в абсолютных единицах изображена на рис. 1.

Рисунок 1 - Г-образная упрощенная схема замещения в абсолютных единицах

На рис. 1 в цепи намагничивания показан комплекс полного сопротивления статора .

По номинальным данным определяются число полюсов  и синхронная частота вращения :

,

(8)

, .

(9)


Расчеты по формулам (1) - (9) выполнить в среде MathCad.

4. Расчет мощности, потребляемой из сети

Активная, реактивная и полная мощности, потребляемые из сети в номинальном режиме работы, определяются по формулам:

 Вт;

(10)

, Вар;

(11)

, ВА.

(12)


Расчеты по формулам (10) - (12) выполнить в среде MathCad.

5. Расчет характерных точек механической характеристики

Механическая характеристика асинхронного двигателя (рис. 2) имеет характерные точки:

точка идеального холостого хода ,

точка номинального режима ,

точка критического момента ,

точка минимального момента ,

точка короткого замыкания .

Рисунок 2 - Механическая характеристика асинхронного двигателя

Точка идеального холостого хода,

Частота вращения при идеальном холостом ходе рассчитывается по формуле (9):

, .

(13)


Точка номинального режима

Номинальный момент:

, Нм.

(14)


Номинальное скольжение, рассчитанное по параметрам схемы замещения, можно найти из выражения:

,

(15)


где .

Положив в выражении (15) , получим:

,

(16)


Разрешим уравнение (16) относительно :


Приведем уравнение (17) к каноническому виду квадратного уравнения:

.

(18)


Решение квадратного уравнения (18) имеет вид:

.

Знак  относится к генераторному режиму, знак  к двигательному режиму работы.

Номинальная расчетная частота вращения:

, .

(20)


Точка критического момента :

, Нм;

(21)

;

(22)

,

(23)


Точка минимального момента  по данным схемы замещения не рассчитывается. Минимальный момент обусловлен влиянием высших гармоник и вытеснением тока в обмотке ротора. Данные факторы не учитываются Г-образной схемой замещения.

Точка короткого замыкания

Момент при коротком замыкании  определяется по формуле (15), если в ней положить :


Расчеты по формулам (13), (14), (19) - (24) выполнить в среде MathCad.


Уравнение механической характеристики представляет собой зависимость скольжения  (частоты вращения ) от момента :

, Нм.

(25)


Энергомеханические характеристики представляю собой зависимость токов  статора и ротора  от скольжения .

Ток  вычисляется по формуле:

, А.

(26)


Ток  является векторной суммой токов ротора  и тока намагничивания . Модуль тока статора в этом случае будет равен:

, А.    (27)

где  - сдвиг по фазе тока ротора.

Механическую и энергомеханические характеристики в соответствии с уравнениями (25) - (27) для двигательного режима работы построить на одном графике в среде MathCad.

7. Выбор закона регулирования  в зависимости от заданной характеристики момента нагрузки

В задании на курсовую работу (приложение 1) указана характеристика момента нагрузки:

·        постоянный момент нагрузки,

·        нелинейно спадающий момент нагрузки,

·        вентиляторный характер момента нагрузки.

В соответствии с вариантом задания момент нагрузки рассчитывается по одной из следующих формул.

Постоянный момент нагрузки. В этом случае принимается, что момент нагрузки равен номинальному моменту двигателя:

.

(28)


Нелинейно спадающий момент нагрузки:


где  - частота вращения ротора, ;  - коэффициент, определяющий крутизну изменения момента нагрузки, .

Момент вентиляторной нагрузки:

,

(30)


где  - момент холостого хода, Нм;  - коэффициент, определяющий крутизну изменения момента нагрузки, .

. Построение механических характеристик при выбранном законе регулирования

При изменении частоты напряжения на статоре будут изменяться синхронная частота вращения , скольжение  и индуктивные сопротивления рассеивания статора и ротора :

,

(31)

,

(32)

.

(33)


С учетом выражений (31), (33) уравнение (25) механической характеристики запишется в виде:


Закон управления при постоянной нагрузке

При постоянном нагрузочном моменте  соотношение между напряжением и частотой определяется законом

.

(35)


С учетом уравнения (35) формула (34) запишется в виде:


Механические характеристики асинхронного двигателя для двигательного режима работы строятся по уравнениям (36), (32) в среде MathCad. Характеристики строятся на одном графике для следующих значений частоты напряжения статора:

,

1.  ,

2.       ,

3.       ,

4.       .

На том же графике строится уравнение момента нагрузки для следующего случая:

5.  момент нагрузки равен номинальному моменту двигателя .

Закон управления при нелинейно спадающем моменте нагрузки

При нелинейно спадающем моменте нагрузки уравнение момента нагрузки имеет вид (29):

.

(37)


В этом случае соотношение между напряжением и частотой определяется законом

.

(38)


С учетом уравнения (38) формула (34) запишется в виде:

.

Механические характеристики асинхронного двигателя строятся по уравнениям (39), (32) для двигательного режима работы в среде MathCad. Характеристики строятся на одном графике для следующих значений частоты напряжения статора:

1.  ,

2.       ,

3.       ,

4.       ,

5.       ,

На том же графике строится уравнение момента нагрузки для следующего случая:

Закон управления при вентиляторном характере момента нагрузки

При вентиляторном характере момента нагрузки уравнение момента нагрузки имеет вид (30):

.

(40)


В этом случае соотношение между напряжением и частотой определяется законом

.

(41)


С учетом уравнения (41) формула (34) запишется в виде:


Механические характеристики асинхронного двигателя строятся по уравнениям (42), (32) для двигательного режима работы в среде MathCad. Характеристики строятся на одном графике для следующих значений частоты напряжения статора:

1.  ,

2.       ,

3.       ,

4.       ,

5.       ,

На том же графике строится уравнение момента нагрузки для следующего случая:

6.  момент вентиляторной нагрузки .

. Скалярное управление скоростью асинхронного двигателя

Система управления ПЧ-АД со скалярной -компенсацией

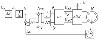
Структурная схема системы управления со скалярной -компенсацией приведена на рис. 3.

Рисунок 3 - Структурная схема частотного управления со скалярной -компенсацией

Задатчик интенсивности  формирует кривую разгона двигателя. Сигналу задания  соответствует задание на частоту . Функциональный преобразователь  формирует требуемую зависимость между частотой и напряжением преобразователя, устанавливая один из законов управления .

При скалярной -компенсации сигнал управления  является суммой сигнала регулирования  и сигнала положительной обратной связи по току :

.

(43)


где  - коэффициент положительной обратной связи по току;  - активное сопротивление обмоток статора;  - сигнал, пропорциональный действующим значениям токов , ,  обмоток статора двигателя.

Сигнал управления  является входным сигналом для прямого координатного преобразователя , на выходе которого формируются три синусоидальных напряжения управления , , , сдвинутые друг относительно друга на угол , с амплитудами, пропорциональными напряжению управления. Сигналы , ,  формируют фазные напряжения на выходе автономного инвертора напряжения .

Интенсивность -компенсации зависит от параметров апериодического звена, установленного в цепи положительной обратной связи по току:

.

(44)


где  - постоянная времени задержки контура тока, с.

На рис. 4 показана структурная схема модели скалярного управления скоростью асинхронного двигателя с положительной обратной связью по току. Схема реализована на блоках библиотек SimPowerSystem. Структурная схема модели содержит:

§  - автономный инвертор напряжения (показан пунктиром);

§   - асинхронный короткозамкнутый двигатель;

§   - блок, в котором создается вектор выходных характеристик асинхронного двигателя;

§   - блоки, конвертирующие сигналы Simulink в эквивалентные сигнал источника напряжения;

§   - блок для измерения напряжения;

§   - блок выделения из входного сигнала амплитуды и фазы гармонических колебаний;

§   - блок, определяющий действующее значение сигнала по амплитудному значению.

Задатчик интенсивности  выполнен на блоках  и . Эти блоки формируют линейно нарастающий сигнал изменении скорости:

.

где  - угловое ускорение, с-2;  задание на частоту вращения в относительных единицах.

Рисунок 4 - Структурная схема модели асинхронного двигателя с учетом механических и электромагнитных переходных процессов

Значение  задается в блоке. Скорость окончания разгона задается в блоке . Верхний и нижний пределы интегрирования должны соответствовать конечной скорости разгона .

Формирование тока статора осуществляется по его проекциям на ортогональные оси . Проекция тока статора на ось  - , на ось  - . Поскольку оси  ортогональны, то амплитудное значение тока статора:

.

(46)

Действующее значение тока статора:

.

(47)


Структурная схема модели, реализующая уравнения (46), (47) изображена на рис. 5.

Рисунок 5 - Структурная схема модели, определяющей действующее значение тока статора по его проекции на оси

Селектор  формирует проекции тока статора на ортогональные оси ,. На выходе умножителей ,  вычисляется сумма квадратов проекций тока статора. После извлечения квадратного корня (блок ) и деления на  (блок ) получаем действующее значение тока статора .

Передаточная функция апериодического звена , установленного в цепи положительной обратной связи по току, задается с помощью блока .

Для работы с моделью необходимо задать:

§  параметры асинхронного двигателя (блок ),

§  параметры апериодического звена  (блок ),

§  задание на частоту вращения  (блок ).

§  задание на темп изменения скорости  (блок ).

§  момент статической нагрузки (блок ),

В блок  ввести следующие параметры асинхронного двигателя:

§  - номинальная мощность на валу, Вт;

§   - номинальное фазное напряжение, В;

§   - номинальная частота питающего напряжения, Гц;

§   - активное сопротивление статора, Ом;

§   - индуктивность рассеивания статора, Гн;

§   - индуктивность рассеивания ротора, Гн;

§   - индуктивность намагничивающего контура, Гн;

§   - момент инерции двигателя, кГм2;

§   - момент трения, Нм;

§   - число полюсов.

При введении данных в цепи управления необходимо помнить, что управление сформировано в относительных единицах.

В блок  вводятся параметры апериодического звена , формула (44):

§ ;

§   - приведение сигнала -компенсации, к системе относительных единиц;

§   с.

В блоке  вводится верхнее ограничение  и нижнее ограничение , что соответствует разгону двигателя до частоты вращения ротора .

Темп изменения скорости определяется величиной . Ее значение  задается в блоке .

В блоке  вводятся:

·   время появления момента нагрузки  с,

·        начальное значение момента нагрузки  (пуск двигателя производится без нагрузки),

·        конечное значение момента нагрузки .

Время моделирования, в первом приближении, принять равным  с.

Выполнить моделирование, вывести графики изменения частоты вращения  и электромагнитного момента .

Определить статическую ошибку регулирования скорости.

.

(48)


Проанализировать графики  и , сделать выводы.

Система управления ПЧ-АД при скалярном управлении с отрицательной обратной связью по скорости

Функциональная схема системы АИН-АД с отрицательной обратной связью по скорости приведена на рис. 6.

Рисунок 6 - Система АИН-АД с отрицательной обратной связью по скорости

В системе регулирования (рис. 6) питание асинхронного двигателя осуществляется от инвертора напряжения . Управляющим воздействием является частота . Задание на напряжение формируется функциональным преобразователем . Его передаточная функция зависит от выбранного закона регулирования напряжения в функции частоты.

Характер изменения скорости определяется параметрами задатчика интенсивности .

Система регулирования (рис. 6) относится к классу систем с полузамкнутым управлением. Сигнал задания частоты складывается из двух сигналов: собственно сигнала задания частоты  и корректирующего сигнала , являющегося выходом регулятора скорости.

В быстро протекающих процессах действует сигнал управления заданной частоты , что соответствует разомкнутому управлению. В медленных процессах действует обратная связь по угловой скорости, что соответствует замкнутому управлению.

Сигнал корректирующей частоты определяется по выражению:

.

(49)


На рис. 7 показана структурная схема модели скалярного управления скоростью асинхронного двигателя с отрицательной обратной связью по скорости. Схема реализована на блоках библиотек SimPowerSystem.

Рисунок 7 - Структурная схема модели скалярного управления скоростью асинхронного двигателя с отрицательной обратной связью по скорости

Схема модели аналогична схеме, описанной в разделе 1. Отличительные особенности схемы модели рис. 7:

§ отсутствуют блоки, формирующие положительную обратную связь по току,

§  отрицательная обратная связь по скорости с узлами суммирования и регулятором скорости (блок ).

Для работы с моделью необходимо задать:

§  параметры асинхронного двигателя (блок ),

§  задание на частоту вращения  (блок ),

§  задание на темп изменения скорости  (блок ),

§  момент статической нагрузки (блок ),

§  передаточную функцию регулятора скорости .

Задание параметров асинхронного двигателя (блок ), частоты вращения  (блок ), темпа изменения скорости  (блок ), момента статической нагрузки (блок ) производится аналогично разделу 9.1.

П-регулятор скорости

Коэффициент усиления регулятора скорости:

,

(50)


где  - число полюсов;  - синхронная частота вращения ротора, с-1;  - критическое скольжение;  - суммарная малая постоянная времени контура скорости, с;  с - постоянная времени запаздывания инвертора напряжения;  - электромагнитная постоянная времени обмоток статора и ротора, с;  Вс - коэффициент передачи инвертора;  - коэффициент передачи цепи обратной связи по скорости;  - критический момент, Нм.

Время моделирования, в первом приближении, принять равным  с.

Выполнить моделирование, вывести графики изменения частоты вращения  и электромагнитного момента .

Определить статическую ошибку регулирования скорости .

Проанализировать графики  и , сделать выводы.

ПИ-регулятор скорости

В структурной схеме модели (рис. 6.5) П-регулятор скорости (блок ) заменить ПИ-регулятором скорости с передаточной функцией:

,

(51)


где  - суммарная малая постоянная времени контура скорости, с.

Время моделирования, в первом приближении, принять равным  с.

Выполнить моделирование, вывести графики изменения частоты вращения  и электромагнитного момента .

Определить статическую ошибку регулирования скорости .

Проанализировать графики  и , сделать выводы.

Литература

. Башарин А.В. Управление электроприводами: учеб. пособие для студ. вузов /А.В. Башарин, В.А. Новиков, Г.Г. Соколовский, Л.: Энергоатомиздат, Ленингр. отд-ние, 1982.-392 с.

. Браславский И.Я. Энергосберегающий асинхронный электропривод: учеб. пособие для студ. вузов /И.Я. Браславский, 3.Ш. Ишматов, В, Н. Поляков; под ред. И.Я. Браславского. М,: Издательский центр "Академия", 2004.-256 с.

. Вешеневский С.Н. Характеристики двигателей в электроприводе /С.Н. Вешеневский, М.: Энергия, 1966.-400 с.

. Зворыкин В.Б. Системы управления электроприводами. Модуль 2: Системы подчиненного управления. Учеб. пособие. - Днепропетровск: НМетАУ, 2008.-68 с.

. Зворыкин В.Б. Электропривод переменного тока. Учеб. пособие.- Днепропетровск: НМетАУ, 2014.- 138 с.

. Поздеев А.Д Электромагнитные и электромеханические процессы в частотно-регулируемых асинхронных электроприводах /А.Д. Поздеев. Чебоксары: Изд-во Чуваш. ун-та, 1998.-172 с.

. Сабинин Ю.А. Частотно-регулируемые асинхронные электроприводы /Ю.А Сабинин, В.Л. Грузов. Л.: Энергоатомиздат, Ленинг. отд-ние, 1985.-128 с.

. Системы подчиненного регулирования электроприводов переменного тока с вентильными преобразователями /О.В. Слежановский, Л.Х. Дацковский, И.С. Кузнецов, Е.Д. Лебедев и др. М,: Энергоатомиздат, 1983.-256 с.

. Соколовский Г.Г. Электроприводы переменного тока с частотным управлением. /Г.Г. Соколовский. - М,: Издательский центр "Академия", 2006.-264 с.

. Чернышев А.Ю. Электропривод переменного тока: учебное пособие /А.Ю. Чернышев, Ю.Н. Дементьев, И.А. Чернышев. - Томск: Изд-во Томского политехнического университета, 2011.-213 с.

. Цифровые электроприводы с транзисторными преобразователями /С.Г. Герман-Галкин, В.Д. Лебедев, Б.А. Марков, Н.Г.Чичерин. Л.: Энергоатомиздат, Ленингр. отд-ние, 1986.-248 с.

. Шрейнер Р. Т. Математическое моделирование электроприводов переменного тока с полупроводниковыми преобразователями частоты /Р.Т. Шрейнер. Екатеринбург: УРО РАН, 2000.-654 с.

. Шубенко В.А. Тиристорный асинхронный электропривод с фазовым управлением / В.А. Шубенко, И.Я. Браславский. М,: Энергия, 1972.-200 с.

Приложение

Варианты заданий к курсовой работе

Похожие работы на - Расчет статических и динамических характеристик асинхронного электропривода

 

Не нашли материал для своей работы?
Поможем написать уникальную работу
Без плагиата!
Без нейросетей!