Расчет и проектирование асинхронного электропривода центробежного насоса UNIGLIDE SDCB 400/500
КУРСОВОЙ ПРОЕКТ
Расчет и проектирование
асинхронного электропривода центробежного насоса UNIGLIDE SDCB 400/500
Введение
Насосная станция 15/1 Комплекса наливных грузов в МПТ
«Усть-Луга» ОАО «Роснефтьбункер» предназначена для перекачки и погрузки светлых
нефтепродуктов, таких как дизель, бензин. Насосная станция выполняет следующие
технологические операции: погрузка нефтепродукта в танкеры, перекачка
нефтепродукта из резервуара в резервуар, опорожнение и зачистка трубопроводов и
резервуаров. В состав насосной станции входит 8 центробежных насосов, 6 из
которых являются продуктовыми, 2 осуществляют зачистку трубопроводов и
резервуаров. При этом 2 из 6 продуктовых насосов оборудованы
частотно-регулируемым приводом, что позволяет управлять производительностью
насосов на различных этапах погрузки танкера. Остальные насосы оснащены
системами плавного пуска.
В данной работе более подробно рассматривается
частотно-регулируемый электропривод продуктового центробежного насоса UNIGLIDE SDCB 400/500, который входит
в состав насосной станции.
Техническое задание
Техническое задание на регулируемый электропривод
продуктового центробежного насоса UNIGLIDE SDCB 400/500, входящего в
состав насосной станции 15/1 Комплекса наливных грузов в МПТ «Усть-Луга» ОАО
«Роснефтьбункер».
Технические характеристики привода:
· Привод регулируемый, нереверсивный.
· Питание от сети переменного 3-х фазного
тока
· Номинальное линейное напряжение, В 660
· Номинальная частота, Гц 50
· Допустимое отклонение частоты, % ±5
· Допустимое отклонение напряжения, % ±5
· Подводимая мощность (в зависимости от
двигателя), кВт 230….250
· Работа при температуре окружающей среды,
-50…+50
· Запуск в работу при температуре окружающей среды,
-40…+50
· Относительная влажность при температуре 25
, % 80
· Режим работы S1
· Пуск электродвигателя плавный
· Коэффициент мощности 0,85
· Диапазон регулирования скорости 1:6
Требования к САР:
Статическая ошибка по скорости ±5%
Динамическая ошибка по скорости ±5%
Технические характеристики продуктового
центробежного насоса UNIGLIDE SDCB 400/500:
· Номинальный напор, м 50
· Номинальная подача, м3/ч 1500
· Потребляемая мощность, КВт 203,17
· КПД, % 85
· Кавитационный запас, м 3,7
· Скорость вращения, об/мин 950
Требования по
автоматизации:
Посты управления:
· Пост местного управления
насосом
· Дистанционное управление
с поста оператора (автоматизированное рабочее место)
· Система управления должна
снабжаться блокировкой, запрещающей работу с местного поста управления при
работе с поста диспетчера (и наоборот)
Функции системы автоматизации:
· Контроль готовности
насоса и электродвигателя к пуску с выдачей сообщения о блокировках,
препятствующих пуску
· Производить управление
задвижками в трубопроводе (в нагнетательном трубопроводе)
· Производить плавный пуск
и остановку электродвигателя
· Производить изменение
производительности насоса в заданных диапазонах
· Передавать и отображать
информацию на пост оператора о заданном и фактическом расходе, о давлении на
всасывающем и нагнетательном трубопроводе, о токе приводного двигателя, о
температуре переднего и заднего подшипника электродвигателя и насоса, о
температуре корпуса насоса
· Защита системы.
Защита системы:
· Защита от токов коротко
замыкания и перегрузок (система автоматического отключения)
· Защита от перегрева
подшипников насоса и электродвигателя (контроль температуры осуществляется с
помощью термодатчиков)
· Защита от вибрации насоса
и электродвигателя (контроль вибрации осуществляется с помощью вибрационных
датчиков)
· Защита при недопустимо
малом давлении на всасывании насоса и при превышении давления в напорном
трубопроводе (контроль давления осуществляется датчиками давления)
· Защита системы и ее
блокировка при сигнализации о неисправном состоянии насоса или электродвигателя
· Защита и блокировка
системы при отклонении напряжения первичной питающей сети выше 7% и ниже 10% от
номинального значения (контролируется статическим преобразователем частоты)
Требования по эксплуатации:
· Диапазон температур
(-50°… +50°) С
· Атмосферное давление от
84 кПа до 106,7 кПа
· Относительная влажность
воздуха 98%
Требования к надежности:
· Коэффициент готовности
0,98
· Средняя наработка на
отказ 10000 ч
· Минимальное время
восстановления 0,5 ч
· Гарантийный срок
эксплуатации 22000 ч
· Среднее время между
капитальными ремонтами 25000 ч
· Средний непрерывный срок
эксплуатации 24 ч
· Минимальное время
восстановления 0,5 ч
Гарантии изготовителя:
· гарантийный срок службы
1,5 года
· срок хранения 2 года
· назначенный срок службы
10 лет
· минимальное время между кап. ремонтами 3 - 5 лет
1.
Выбор двигателя привода
Необходимая мощность привода насоса определяется путем
расчета нагрузки, создаваемой на валу двигателя, исходя из формулы:

Где Q - производительность насоса,
м3/с; Н - напор насоса, м; k - коэффициент запаса; γ - удельный вес жидкости, Н/м3; hн, hп
- соответственно КПД насоса и передаточного механизма.
Так как заводом изготовителем
предоставляется механическая характеристика насоса UNIGLIDE SDCB 400/50 (рис. 1), то
можно найти все необходимые значения для расчета мощности привода.
Рис. 1 Кривая эксплуатационных характеристик UNIGLIDE SDCB 400/50
Для примера транспортируемого вещества возьмем бензин
удельный вес которого приблизительно 7000 Н/м3, коэффициент запаса
принимаем 1,3, так как мы имеем механическую характеристику насоса, КПД насоса
из паспортных данных 0,85%, КПД передачи 0,98%. Таким образом мощность привода:
2.
Расчет параметров схемы замещения
Рассчитаем параметры асинхронного двигателя для моделирования
по исходным данным, взятыми из справочника. Расчет параметров схемы замещения
двигателя производим с помощью программы «PARAM».
Рис. 1. Программа расчета параметров асинхронного двигателя
В справочнике даны параметры для Г-образной схемы замещения в
относительных единицах, в MathLAB же мы вводим параметры для Т-образной схемы
замещения в абсолютных единицах. Программа «PARAM» позволяет перевести из
относительных единиц в абсолютные.
3.
Описание и работа комплектного привода
Станок питается электроэнергией от низковольтной сети
переменного тока напряжением 380 В или высоковольтной сети напряжением 6000 В с
помощью гибкого кабеля. Станки шарошечного бурения имеют многодвигательные
приводы. Общая установленная мощность электрооборудованиястанка СБШ-250МН
составляет около 400 кВт. Станок имеет главный привод вращателя мощностью 68
кВт
Для питания электродвигателя вращателя и для продувки
скважины воздушно-водяной смесью к вращателю подведена гирлянда с электрическим
кабелем, воздушным и водяными шлангами. Провисание и повреждение гирлянды при
спуске и подъеме вращателя устраняется специальным натяжным механизмом,
кинематически связанным с механизмом подачи.
Электроэнергия к станку подводится гибким кабелем от
низковольтной сети переменного тока напряжением 380 В.
Привод вращателя оснащен двигателем переменного тока.
Довольно широкое распространение получил асинхронный двигатель с
короткозамкнутым ротором. Привод подачи бурового инструмента осуществляется
гидросистемой, которая содержит двигатели маслостанции.
Аппаратура управления, защиты и сигнализации состоит из
станции управления, панели автоматов и пускателей пульта управления, поста
управления, выносного пульта
управления.
На всех станках есть наружное и внутреннее освещение. Для
ремонтного освещения имеется переносная лампа и две штепсельные розетки.
Трансформатор ТV1 типа ТС3-4/0,5 служит для питания напряжением 220 В цепей
управления и освещения станка, а асиметр АС автоматически отключает вводной
выключатель при однофазных замыканиях на землю. Подача питания в цепи
управления осуществляется автоматическим выключателем QF3, подключение силовых
электроприемников к сети напряжением 380 В-выключателями А3712, А3114, АП50-3М.
Установленная мощность силового электрооборудования 386 кВт. Три жилы гибкого
кабеля КРШК 3х150 + 1х50, подающие напряжение 380 В, присоединяются к
кабельному вводу станка, а четвертая заземляющая жила - к его корпусу. Вводной
автоматический выключатель (QF1) типа А3712 имеет электромагнитный привод,
позволяющий управлять им из кабины машиниста.
На станке имеются три пульта: пульт управления процессом
бурения - основной, пульт управления компрессором и пульт управления ходом.
Шкафы управления расположены в машинномотделении.
4.
Выбор закона и способа управления
Для широкодиапозоных быстродействующих проводов требуется
применять структуру векторного управления или прямое управление моментом.
Наиболее радикальным направлением совершенствования привода
вращателя бурового станка является применение векторных систем управления
частотными приводами с асинхронным двигателем. В векторной системе составляющие
тока статора (i1, i2) двигателя, ориентированные по вектору потокосцепления,
определяют соответственно величину модуля потокосцепления и момента,
развиваемого двигателем. Система обладает высокимидинамическими показателями и
придает двигателю переменного тока свойства, аналогичные свойствам привода
постоянного тока в переходных и установившихся режимах, и позволяет в полной
мере использовать преимущества асинхронного двигателя. Рациональная с точки
зрения технической реализации, система векторного управления СВУ имеет в
качестве опорного вектор главного потокосцепления, что обеспечивает и лучшие
энергетические показатели.
Все блоки аналоговой СВУ реализуются на операционных решающих
усилителях (ОУ) и множительных ячейках. Эти элементы могут быть созданы на базе
интегральных микросхем широкого применения: интегральных усилителях К153, К140
и перемножителях К525 (К159) или УБСР-АИ.
Использование микропроцессорной техники позволяет повысить
качество управления за счет реализации сложных законов управления
(инвариантность, самонастройка, оптимизация, адаптация). Микропроцессор
используется для реализации регуляторов положения, тока, скорости, для прямого
цифрового управления преобразователем частоты, для контроля и диагностики
состояния электропривода. Однако внедрение систем автоматического
микропроцессорного управления процессом бурения сдерживается отсутствием на
поверхности достоверной информации о забойных параметрах.
Косвенная оценка по наземным параметрам зачастую имеет
слишком большую погрешность. К тому же быстродействие современных
микропроцессоров имеет уровень, ограничивающий
Векторные системы оперируют с обобщающими векторами и их
проекциями на ортогональные оси. Обобщающие вектора позволяют упростить систему
уравнений асинхронного двигателя и производить вычисления с их проекциями как
со скалярными величинами. Большинство векторных систем управления включают в
себя тригонометрические и фазовые преобразователи. Тригонометрические
преобразователи осуществляют преобразование проекций обобщающих векторов из
одной системы координат в другую систему координат. Как правило, одна система
координат неподвижная и связана со статором, другая система координат вращается
синхронно с выбранным опорным вектором. Фазовые преобразователи преобразуют
трехфазную систему токов и напряжений в двухфазную систему, а также
осуществляют обратное преобразование. Для проекций обобщающего вектора тока
статора, преобразование из неподвижной системы координат α-β во вращающуюся систему координат 1-2 осуществляется по
формулам:
где γ - угол
поворота вращающейся системы координат относительно неподвижной системы.
Преобразование проекций из вращающихся системы координат 1-2 в
неподвижную систему координат α-β производится по формулам:
Для напряжений и токов статора при включении двигателя в «звезду»
переход от трехфазной системы к двухфазной системе и обратно производится по
формулам:
Переход от двухфазной системы к трехфазной осуществляется по
формулам:
Обычно вращающуюся систему координат ориентируют по вектору
потокосцепления ротора. Функциональная схема электропривода в этом случае имеет
наименьшее число перекрестных связей, а выражения для определения вращающего
момента и скорости сравнительно просты. При этом наиболее просто осуществляется
регулирование скорости при стабилизации потокосцепления ротора. Уравнения
короткозамкнутого асинхронного электродвигателя, во вращающейся со скоростью
вектора потокосцепления ротора системе координат, имеют вид:
где
.
Векторная диаграмма представлена на рис. . Проекция обобщающего
вектора тока статора Is на координатную ось 1 (Is1) определяет потокосцепление
ротора. Проекция обобщающего тока статора на ось 2 (Is2) определяет
электромагнитный момент двигателя. Таким образом, в векторной системе
управления возможно раздельное управление магнитным потоком и вращающим
моментом.
Рис. 2. Векторная диаграмма
Система управления должна стабилизировать магнитное состояние
двигателя, следовательно, поток ротора
и ток
. Для решения этой задачи, уравнения
роторной цепи системы можно представить в следующем виде:
(1)
(0)
Из уравнения (1) следует закон формирования тока
:
(3)
Из уравнения вращающего момента системы следует закон формирования
тока
:
(4)
Уравнения (2), (3) и (4) служат основой для построения векторной
системы управления приводом с ориентированием по потоку ротора.
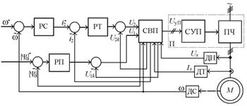
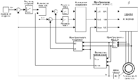
Структурная схема векторной системы управления электроприводом
представлена на рис. 3
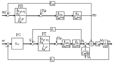
Рис. 3. Структурная схема векторной системы управления
электроприводом
3.
Выбор преобразователя
Преобразователи частоты на IGBT позволяют расширить диапазон
управления скорости вращения двигателя, повысить быстродействие привода в
целом.
Для асинхронного электропривода с векторным управлением
преобразователи на IGBT позволяют работать на низких скоростях без датчика
обратной связи.
Применение IGBT с более высокой частотой переключения в
совокупности с микропроцессорной системой управления в преобразователях частоты
снижает уровень высших гармоник, характерных для тиристорных преобразователей.
Как следствие меньшие добавочные потери в обмотках и магнитопроводе
электродвигателя, уменьшение нагрева электрической машины, снижение пульсаций
момента и исключение так называемого «шагания» ротора в области малых частот.
Снижаются потери в трансформаторах, конденсаторных батареях, увеличивается их
срок службы и изоляции проводов, уменьшаются количество ложных срабатываний
устройств защиты и погрешности индукционных измерительных приборов.
Преобразователи на транзисторах IGBT по сравнению с
тиристорными преобразователями при одинаковой выходной мощности отличаются
меньшими габаритами, массой, повышенной надежностью в силу модульного
исполнения электронных ключей, лучшего теплоотвода с поверхности модуля и
меньшего количества конструктивных элементов.
Они позволяют реализовать более полную защиту от бросков тока
и от перенапряжения, что существенно снижает вероятность отказов и повреждений
электропривода.
На настоящий момент низковольтные преобразователи на IGBT
имеют более высокую цену на единицу выходной мощности, вследствие относительной
сложности производства транзисторных модулей. Однако по соотношению цена /
качество, исходя из перечисленных достоинств, они явно выигрывают у тиристорных
преобразователей, кроме того, на протяжении последних лет наблюдается
неуклонное снижение цен на IGBT модули.
Данные необходимые для расчёта требуемой мощности векторного
преобразователя частоты:
Pд - расчетная мощность
двигателя, Вт - 75000;
ηд - КПД двигателя, - 0,92;
Pспч - расчетная мощность
статического преобразователя частоты.
Расчет мощности:
Вт
По проведенному расчету получено, что мощность статического
преобразователя частоты должна быть не менее 82 кВт; из ассортимента
находящихся в производстве выбираем ряд аппаратов с ближайшей большей к
расчетному значению мощностью.
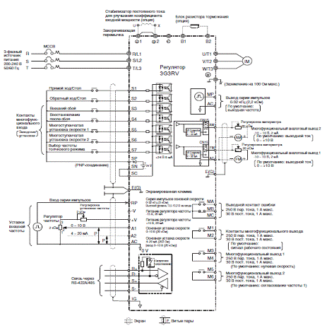
Из имеющихся в серийном производстве наиболее подходящим по всем
критериям является преобразователь частоты с векторным методом управления OMRON CIMR-F7Z4090 (3G3RV-A4090) со следующими характеристиками:
Характеристики частотного преобразователя с векторным управлением OMRON CIMR-F7Z4090 (3G3RV-A4090)
Макс. допустимая выходная
мощность двигателя (кВт) 90
Выходные параметры
Номинальная выходная
мощность (кВА) 140
выходной ток (A) 180
Макс. выходное
напряжение (В) Трехфазное, 380-480 В пер. тока (в зависимости
от входного напряжения)
Макс. выходная частота
(Гц)
ТТ (при низкой несущей частоте, фиксированном вращающем
моменте): 150 Гц
ТН (при высокой несущей частоте и переменном вращающем
моменте): 400 Гц
Источник питания
Номинальное
напряжение (В)
Номинальная частота
(Гц) Трехфазное, 380-480 В пер. тока, 50/60 Гц
Допустимые колебания
напряжения от -15% до +10%
Допустимые колебания
частоты
5%
Мощность источника
питания (кВА) 151
Потребляемая мощность (Вт) 2285
Принципиальная схема преобразователя
Рис. 4. Принципиальная схема преобразователя частоты OMRON CIMR-F7Z4090
4. Компьютерная модель модернизированного
электропривода
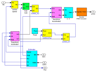
Рис. 5. Компьютерная модель привода бурового станка СБШ-250МН
Рис. 6. Компьютерная модель векторной системы управления
приводом
Рис. 7. Компьютерная модель блока векторного управления
Рис. 8. Компьютерная модель механической части привода
Состав
компьютерной модели
Задатчик интенсивности
Задатчик интенсивности предназначен для разгона двигателя до
необходимой частоты вращения с требуемой интенсивностью и для защиты от
допустимого тока.
Блок дискретизации
В данном блоке мы задаем период дискретизации.
Блок векторного управления
Предназначена для управления двигателем и для отработки
возмущающих воздействий
Источник постоянного напряжения
Источник постоянного напряжения - упрощённая модель
выпрямителя, преобразующего переменное напряжение сети в постоянное напряжение,
подающееся на ШИМ-инвертор.
ШИМ инвертор
Инверторы с широтно-импульсной модуляцией на основе
IGBT-транзисторов используются во всех преобразователях частоты, применяемых в
приводах с глубоким регулированием скорости.
Двигатель
Блок асинхронной машины работает или в генераторном или в
двигательном режиме. Режим работы описывается знаком механического момента
(положительный для двигателя, отрицательный для генератора).
Блок Demux
В данном блоке сигнал поступающий с двигателя разделяется на
несколько определенных сигналов.
Осциллограф
Осциллограф предназначен для вывода переходных процессов,
возникающих при работе модели установки на экран монитора.
Блок случайного числа
В данном блоке мы задаем определенные значения для имитации
вращения долота
Блок Step
В данном блоке мы ставим значение время срабатывания
Блок дискретного интегрирования
Предназначен для преобразования поступающего на него сигнала
Блок Gain
Используется для определения необходимого коэффициента
демпфирования для уменьшения колебаний.
Сумматор
Предназначен для суммирования двух входных сигналов и
преобразования их в единичный
В данных блоках, по линейным напряжениям между двумя фазами
вычисляют фазные напряжения.
Блок Discrete PWM Generator
Дискретный ШИМ-генератор предназначен для создания импульсов
управления инвертором путем сравнения сигналов задания с пилообразным
напряжением внутри генератора
Блок управления током
В данном блоке записываются коэффициенты интегральной и
пропорциональной частей тока
Блок оценки
Восстанавливает координаты двигателя, которые недоступны
(вход-выход).
Блок преобразования координат
Служит для преобразования сигналов из одной системы координат
в другуюКак правило, одна система координат неподвижная и связана со статором,
другая система координат вращается синхронно с выбранным опорным вектором
Регулятор скорости.
В данном блоке, мы уменьшаем отклонение скорости от заданного
значения в момент действия возмущения.
Блок задания потока
В данном блоке мы фиксируем значение потока, после
осуществления прямого пуска определяем и наброса номинального момента.
Блок управления магнитным потоком
В данном блоке записываются коэффициенты интегральной и
пропорциональной частей магнитного потока
Блок преобразования координат и фаз
Фазовые преобразователи преобразуют трехфазную систему токов
и напряжений в двухфазную систему, а также осуществляют обратное
преобразование.
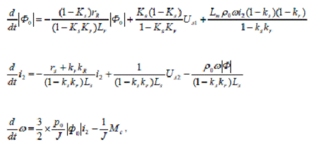
6. Расчет настроек регулятора
При исследовании систем векторного управления асинхронным
короткозамкнутым двигателем со стабилизацией амплитудного поля в зазоре машины
применяется упрощенная система дифференциальных уравнений (во вращающихся
координатах), описывающих процессы в машине, питаемой от идеализированного
преобразователя частоты:
= Lm/Ls - коэффициент потокосцепления статора
Kr = Lm/Lr - коэффициент потокосцепления ротора;
rs, rR - активное сопротивление статора и ротора;
Ls, Lr - индуктивность ротора и статора;
Lm - взаимная индуктивность м/у обмотки статора и
ротора;
po - число пар полюсов;
ω - частота вращения
ротора машины;
|Φ| - модуль главного
потокосцепления;
Us1, Us2 - составляющие напряжения статора во вращающейся
системе координат, жестко связанной с главным потокосцеплением;
i2 - составляющая обобщенного вектора тока статора
на ординату вращающейся системы координат;
Mc - момент сопротивления;
J - динамический момент инерции.
Из этой системы исключены нелинейные члены, имеющие малый
«удельный вес», содержащие произведения переменных (трансформаторные ЭДС на
индуктивностях рассеяния) и принято сопротивление ротора rR=const.
Поскольку вектором выходных переменных являются (|Φ|, i2, ω), то можно применить
классическую теорию подчиненного регулирования, разработанную
дляэлектроприводов постоянного тока.
Схема содержит канал управления (стабилизации) модулей главного
потокосцепления |Φ| и канал
управления скоростью вращения ротора ω. Канал скорости - двухконтурный и
включает подчиненный контур регулирования тока
Рис. 9. Функциональная схема ЭП СПВР
Структурная схема системы, при условии интерпретации
преобразователя частоты в виде апериодического звена с постоянной времени Тм,
представлена на рис. 10
Рис. 10. Структурная схема СПВР
7. Расчет регуляторов
Расчет регуляторов СПВР по структурной схеме может
использоваться методика, аналогичная методике расчета для привода постоянного
тока. Расчет настроек регуляторов начинается с канала управления модулем
главного потокосцепления
Контур стабилизации магнитного потокосцепления выполнен с
использованием ПИ-регулятор РП настройками
,
где
- постоянная времени интегратора,
- постоянная времени настройки.
Контур управления потокосцеплением
Передаточную функцию разомкнутого канала управления главным
магнитным потокосцеплением получаем, выбирая
Настройка на технический оптимум определяет коэффициент
Контур управления током
В контуре составляющей тока
канала регулирования скорости ПИ-регулятор РТ
настраивается на техничекий оптимум с помощью следующих настроек
;
, при
,
,
;
;
, при
,
,
.
Передаточная функция разомкнутого контура имеет вид
Контур управления скоростью.
Передаточная функция «объекта регулирования» скоростного
контура:
,
В случае использования П-регулятора скорости его передаточная
функция будет:
.
Предположив, что для приводов с умеренной динамикой, к
которым относится данный привод, магнитный поток (модуль потокосцепления |Y0|=1) изменяется не столь
значительно, получим передаточную функцию разомкнутого контура регулирования
скорости:
.
При настройке на технический оптимум имеем:
;
,
где Tem=j/Cm·|Y0|·ki -
электромеханическая постоянная времени.
Контур регулирования скорости с ПИ-регулятором может
настраиваться по условиям симметричного оптимума (при Tem>4·Ta):
;
.
Расчет регуляторов векторной системы с опорным вектором
главного потокосцепления представлен в Приложении 1.
Поученные настройки регуляторов
ПИ-регулятор потока
ПИ - регулятор тока
Коэффициент передачи П - регулятора скорости по условиям
технического оптимума
=12
Параметры передачи ПИ-регулятора скорости по условия технического
оптимума
Параметры передачи ПИ-регулятора скорости по условия симметричного
оптимума
8.
Переходные процессы
Переходные процессы в электроприводе бурового станка
представлены на рис. 9 и рис. 10.
Рис. 11. Переходные процессы механической части
электропривода
Рис. 12. Переходные процессы в электроприводе бурового станка
СБШ-250МН
Анализ переходных процессов, полученных в
результате моделирования:
Переходные процессы, полученные в результате моделирования,
представлены на рис. 11 рис. 12. Осуществляем пуск двигателя, с номинальным
моментом и временем разгона 2с, установившаяся скорость равно 98 рад/с, через
0,2с после разгона двигателя до установившейся скорости осуществляем наброс
двойной нагрузки..Ошибка по скорости ω не превышает 5%, (1,2%)
что удовлетворяет требованиям к приводу вращателя бурового станка.
9. Программа для контроллера
В качестве микроконтроллера общего управления приводом
используется курсовой работе микроконтроллер фирмы Siemens серии S7-200.
Серия S7-200 - это ряд программируемых логических
контроллеров, которые могут управлять разнообразными прикладными системами
автоматизации. Компактная конструкция, расширяемость, низкая стоимость и мощная
система команд микроконтроллеров S7-200 позволяют решать многие задачи
управления. Кроме того, большое разнообразие дополнительных модулей
обеспечивают необходимую гибкость при решении задач автоматизации.
Микроконтроллер S7-200 состоит из центрального процессора CPU
S7-222, схема внешних подключений представлена на рис. 13, который можно
использовать самостоятельно или с подключенными к нему дополнительными модулями
расширения системы ввода-вывода.
Рис. 13. Функциональная схема микроконтроллера S7-200
Согласно заданию, для функциональной реализации алгоритма
управления пуском привода, на микроконтроллере S7-200, разработана
программа с помощью прикладной программе Micro WIN SP1 V3.1 STEP7. Микроконтроллер,
встроенный в систему управления, по программе осуществляет: проверку
блокировок, пуск привода с заданной интенсивностью разгона и торможения,
останов.
Рис. 13. Программа микроконтроллера S7-200
К контроллеру подключена кнопка «пуск» (вход I0.0), кнопка «стоп» (вход
I0.1) контакты блокировок
(входы I0.2,
I0.3). Выходы контроллера Q0.1, Q0.2 соединены с
сигнальными лампами. Выход контроллера Q0.0 управляет магнитным
пускателем привода. Аналоговый выход контроллера AQW0 является сигналом
задания по скорости для системы управления автономным инвертором.
Заключение
В представленной курсовой работе спроектирована система
управления электроприводом бурового станка СБШ-250МН. Осуществлен выбор
приводного электродвигателя. Введён преобразователь частоты. Произведено
моделирование электропривода с векторным управлением. Разработана и реализована,
с помощью пакета программ MATLAB, система управления электроприводом бурового
станка с асинхронным двигателем.
Частотное управление двигателями переменного тока является
экономичным, поскольку оно позволяет сохранить высокий КПД двигателя,
обеспечивает как двигательные, так и тормозные режимы работы, хорошую жесткость
характеристик и, что самое главное, позволяет использовать в качестве
приводного асинхронный короткозамкнутый двигатель.
Внедрение данного способа регулирования позволяет снизить
энергопотребление - уменьшить эксплуатационные затраты.
Литература
1.
Алексеев В.В., Соловьев А.С. Автоматизированный электропривод станков
шарошечного бурения. - СПб.: СПбГГИ, 1997, 50 с.
.
Вольдек А.И. Электрические машины; М. 1978
.
Столяров И.М. Автоматизированный электропривод станков шарошечного бурения; Л.:
ЛГИ, 1979.
.
Башарин А.В., Голубев Ф.Н., Кепперман В.Г. Примеры расчетов автоматизированного
электропривода. - Л.: Энергия, 1972
.
М.П. Белов, В.А. Новиков, Л.Н. Рассудов. Автоматизированный электропривод
типовых производственных механизмов и технологических комплексов; М.:
Издательский центр «Академия», 2007