Расчет асинхронного двигателя с короткозамкнутым ротором типа 4MTKF(H)112L6
ОГЛАВЛЕНИЕ
Введение
1. ИСХОДНЫЕ ДАННЫЕ
2. РАСЧЕТ МОЩНОСТИ ДВИГАТЕЛЯ
2.1 Нагрузочные диаграммы
скорости РО
2.2 Нагрузочные диаграммы
моментов РО
3. ПРЕДВАРИТЕЛЬНЫЙ РАСЧЕТ МОЩНОСТИ И ВЫБОР
ЭЛЕКТРОДВИГАТЕЛЯ
4. ОПРЕДЕЛЕНИЕ ПЕРЕДАТОЧНОГО ЧИСЛА И ВЫБОР
РЕДУКТОРА
5. РАСЧЕТ ПРИВЕДЕННЫХ СТАТИЧЕСКИХ МОМЕНТОВ
СИСТЕМЫ ЭЛЕКТРОПРИВОД - РАБОЧАЯ МАШИНА
7. РАСЧЕТ
СТАТИЧЕСКИХ ХАРАКТЕРИСТИК ЭЛЕКТРОПРИВОДА
8. СХЕМА ПОДКЛЮЧЕНИЯ
ПРЕОБРАЗОВАТЕЛЯ
Заключение
Библиографический
список
Введение
В современной промышленности для повышения производительности труда
повсеместно используются электроприводы различных механизмов.
Именно он является основным потребителем электрической энергии и главным
источником механической энергии в промышленности.
Отличительной чертой электропривода является возможность изготовления
приводов под самые различные требования промышленности, под различную требуемую
мощность и скорость, возможность реализовать разнообразные виды движения
исполнительных органов с относительно малыми потерями и относительно большой
надежностью.
1.
ИСХОДНЫЕ ДАННЫЕ
Цепной транспортер служит для передачи заготовки по направляющим с
рольганга 2 на рольганг 6. Движение заготовки обеспечивается с помощью упоров,
закрепленных на цепях, натянутых между звездочками ведущего и ведомого валов.
В исходном положении транспортера упоры располагаются за рольгангом 2.
После подачи заготовки и остановки рольганга транспортер разгоняется, через 0,2
м зацепляет заготовку и перемещает её на рабочей скорости Vp к рольгангу 6. После достижения заготовкой
требуемого положения транспортер реверсируется и на скорости Vв>Vp возвращается в исходное положение.
Следующий цикл начинается с момента подачи на рольганг 2 новой заготовки
и ее полной остановки на рольганге.
Рис 1. Кинематическая схема цепного транспортера:
- ведомый вал со звездочками; 2 и 6 - рольганги; 3 - упор; 4 - заготовка;
5 - цепь; 7 - ведущий вал со звездочками; 8 - тормозной шкив; 9 - редуктор; 10
- электродвигатель
Таблица 1. Исходные данные
|
Масса вала со звездочками
|
Диаметр звездочки
|
Момент инерции вала со
звездочками
|
Масса заготовки
|
Длина перемещения заготовки
|
Скорость рабочего хода
|
Время работы
|
Число циклов
|
|
т
|
м
|
кг*м2
|
т
|
м
|
м/с
|
с
|
1/ч
|
|
mВ
|
D
|
Jр
|
mЗ
|
L
|
Vp
|
tp
|
z
|
|
2,4
|
0,3
|
60
|
7
|
5
|
0,4
|
25
|
70
|
Принять:
aДОП =
1 м/с2 - допустимое ускорение;
dCT =
0,25∙D-диаметр шейки ролика;
JШ
=0,4 кг∙м2- момент инерции тормозного шкива;в =1,5∙Vp - скорость возвратного движения,
м/с;
2.
РАСЧЕТ МОЩНОСТИ ДВИГАТЕЛЯ
2.1
Нагрузочные диаграммы скорости РО
На базе исходных данных рабочей машины рассчитывают и строят зависимости
скорости рабочей машины от времени v(t).
Время пуска tп до установившейся скорости с допустимым ускорением,
торможения tт от установившейся скорости до остановки:
при прямом движении:
при возвратном движении:
Путь, проходимый за время пуска (торможения) рабочей машиной:
при прямом движении:
при возвратном движении:

при прямом движении:
при возвратном движении:
2.2
Нагрузочные диаграммы моментов РО
Расчет статического момента.
Статическое сопротивление в рабочей машине создается силами трения в
подшипниках и силами трения качения.
при прямом движении

,
где

- момент
сил трения в подшипниках:
где

масса
вала со звездочками,кг;

- масса
движущегося тела, кг;

-
диаметр шейки ролика, м;

-
коэффициент трения скольжения в подшипниках;
g= 9.81 м/с2 -
ускорение силы тяжести;
где

- момент
сил трения скольжения тела по горизонтальной плоскости:
где

- масса
движущегося тела, кг;

-
коэффициент трения скольжения тела по плоскости;
g= 9.81 м/с2 -
ускорение силы тяжести;

- диаметр
звездочки;
при
возвратном движении
Расчет
динамического момента.
Для
определения динамических моментов рабочей машины рассчитываются моменты инерции
рабочей машины.
при
прямом движении
где

- момент
инерции рабочего органа;

момент
инерции вала со звездочками;

масса
заготовки;

- диаметр
звездочки;
при
возвратном движении
где

момент
инерции тормозного шкива;
Теперь
для каждого режима рабочей машины определим динамические моменты.
при
прямом движении
при
возвратном движении
Полный
момент рабочей машины:
при
прямом движении

,
где

статический
момент при прямом движении;

динамический
момент при прямом движении;

.
при
возвратном движении

,
где

статический
момент при возвратном движении;

динамический
момент при возвратном движении;
Таблица
2. Предварительный расчет нагрузочных диаграмм
|
Участок движения
|
Движение с грузом
|
Движение без груза
|
|
Пуск
|
Уст.режим
|
Торможение
|
Пуск
|
Уст.режим
|
Торможение
|
|
t, с
|
0.5
|
13.5
|
0.5
|
0.75
|
0.75
|
|
Мрост
|
|
|
|
|
|
|
|
Мродин
|
|
0
|
|
|
0
|
|
|
Мро
|
|
|
|
|
|
|
По результатам указанных расчетов с учетом времени пуска, торможения,
установившегося режима построена нагрузочная диаграмма моментов рабочей машины
для каждого режима работы.
.
ПРЕДВАРИТЕЛЬНЫЙ РАСЧЕТ МОЩНОСТИ И ВЫБОР ЭЛЕКТРОДВИГАТЕЛЯ
На основании построенной нагрузочной диаграммы момента рабочей машины
можно рассчитать среднеквадратичное значение момента, в котором учтены не
только статические нагрузки, но и динамические.
где Мк - момент на к-м участке;
к=1, … , m, где под
участком понимается промежуток времени, в течение которого происходит разгон,
или торможение, или работа с постоянной скоростью;- длительность k-го участка.
продолжительность включения ПВФпо времени работы tk на всех m участках
движения времени:
где

Расчетная
мощность двигателя может быть определена по соотношению
где
vо - основная скорость движения РО (при работе двигателя на естественной
механической характеристике), м/ с;- диаметр звездочки, м;
ПВКАТ
- ближайшее к ПВФ каталожное значение относительной продолжительности включения
для электродвигателей выбранной серии, примем ПВКАТ=40 %- коэффициент, учитывающий
динамические нагрузки, обусловленные вращающимися элементами электропривода
(двигатель, редуктор), а также потери мощности в редукторе, примем k1=1.5
По
справочнику выбираем асинхронный двигатель с короткозамкнутым ротором типа 4MTKF(H)112L6для
режима ПВ=40%. Каталожные данные двигателя представлены в таблице 3.
Таблица
3. Каталожные данные двигателя типа 4MTKF(H)112L6для
режима ПВ=40%
|
Наименование
|
Значение
|
|
Рн, кВт
|
2.2
|
|
nн, об/мин
|
880
|
|
Iн, А
|
6.8
|
|
cosφ
|
0.73
|
|
Iп, А
|
22.7
|
|
Мп, кг*м2
|
62
|
|
Ммакс, кг*м2
|
64
|
|
r1, Ом
|
2.97
|
|
I0, А
|
4.81
|
|
RКЗ, Ом
|
9.66
|
|
ХКЗ, Ом
|
5.87
|
|
Kr
|
5.9
|
|
JДВ, кг*м2
|
0.035
|
Рн - номинальная мощность на валу;
nн -
номинальная частота вращения;н - номинальный ток (статора);
cosφ - коэффициент мощности в номинальном
режиме;п - пусковой ток;
Ммакс - максимальный (критический) момент; r1 - активное сопротивление
фазной обмотки статора;- ток холостого хода для номинального режима;КЗ-
активное сопротивление короткого замыкания;
ХКЗ - индуктивное сопротивление короткого замыкания;r - коэффициент приведения
сопротивлений;ДВ - момент инерции двигателя.
4.
ОПРЕДЕЛЕНИЕ ПЕРЕДАТОЧНОГО ЧИСЛА И ВЫБОР РЕДУКТОРА
Передаточное число редуктора определяется по номинальной скорости
вращения выбранного двигателя ωн и основной скорости движения
исполнительного органа V0,
где D - диаметр звездочки, м;
ωн - скорость вращения двигателя,
рад/с.
В таблице 3 задана номинальная частота вращения двигателя в об/мин,
скорость вращения двигателя в рад/с определяется по формуле:
Найдем передаточное число редуктора:
Исходя из требуемого значения jр по справочнику выбираем цилиндрический двухступенчатый редуктор типа РМ
500. Каталожные данные выбранного редуктора предоставлены в таблице 4.
Таблица 4.Каталожные данные редуктора типа РМ 500
|
Наименование технических
характеристик
|
Значение
|
|
Передаточные числа
|
35.5
|
|
Допускаемая радиальная
консольная нагрузка, Н
|
на быстроходном валу
|
3500
|
|
на тихоходном валу
|
22000
|
|
Номинальный крутящий момент
на тихоходном валу, Н.м
|
2332
|
|
КПД
|
0.95
|
|
Масса, кг
|
390
|
двигатель
короткозамкнутый ротор
5.
РАСЧЕТ ПРИВЕДЕННЫХ СТАТИЧЕСКИХ МОМЕНТОВ СИСТЕМЫ ЭЛЕКТРОПРИВОД - РАБОЧАЯ МАШИНА
После выбора двигателя и редуктора, когда известно передаточное число,
коэффициент полезного действия и КПД редуктора, статические моменты рабочей
машины, приведенные к валу двигателя, рассчитываются по формуле:
1. 
;
. 
;
. 
;
. 
;
. 
;
. 
.
Рассчитаем номинальный момент двигателя:
Из проверки следует, что при выбранном оборудовании обеспечивается резерв
вращающего момента, рабочая машина способна выполнить предполагаемые технологические
требования.
6.
ВЫБОР ПРЕОБРАЗОВАТЕЛЯ ЧАСТОТЫ
Выбор преобразователей осуществляется по каталогам электротехнической
промышленности на базе номинальных данных предварительно выбранного двигателя:

≥

≥
,
где

, 
-
соответственно номинальные линейное напряжение и фазный ток статора двигателя;

, 
-
соответственно номинальные линейное напряжение и ток нагрузки преобразователя
частоты.
Учитывая
эти равенства, выберем преобразователь ATV58HU18M2 с
однофазным напряжением питания. Каталожные данные преобразователя представлены
в таблице 5.
Таблица
5.Каталожные данные преобразователяATV58HU18M2
|
Pпр, кВт
|
3
|
|
Iпр, А
|
24.7
|
|
Uпр, В
|
220
|
|
cosφ
|
0.78
|
7. РАСЧЕТ СТАТИЧЕСКИХ ХАРАКТЕРИСТИК ЭЛЕКТРОПРИВОДА
Так как система двигателя ПЧ-АД, воспользуемся программой MatLAB для построения механической
характеристики асинхронного двигателя.

Механическая характеристика асинхронного двигателя типа 4MTKF(H)112L6, построенная с помощью программы MatLAB,
Рисунок 3. Механическая характеристика асинхронного двигателя типа 4MTKF(H)112L6
На рисунке 3 черным цветом обозначена естественная механическая
характеристика, синим - искусственная характеристика.
Обеспечим попадание в точку 1 с координатами:

;
)
Рисунок
4. Механическая характеристика АД при попадании в точку 1 и в точку 2 с
координатами:
; 
)
Рисунок 5.Механическая характеристика АД при попадании в точку 2
8
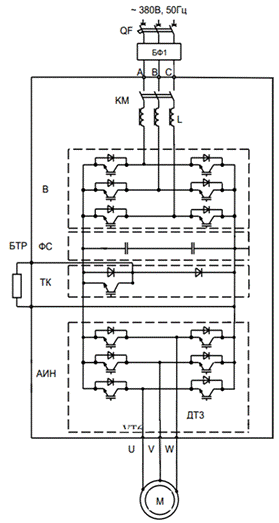
СХЕМА ПОДКЛЮЧЕНИЯ ПРЕОБРАЗОВАТЕЛЯ
Рисунок 6. Схема преобразователя частоты типа ЭКТР3
Обозначения на схеме:
- автоматический выключатель
В - выпрямитель
ФС - Функциональная система
ТК - тиристоры коммутирующие
АИН -автономный инверторами напряжения
VT6 -
трансформатор
U -
напряжение
M -
трехфазный АД
L -
дроссельподзаряда
Заключение
В ходе курсовой работы были проведены расчёты статических и динамических
моментов, мощности двигателя. По рассчитанным данным был выбран асинхронный
двигатель с короткозамкнутым ротором типа 4MTKF(H)112L6 для режима ПВ=40%.
Для данного двигателя было определено передаточное число, по которому в
дальнейшем был выбран цилиндрический двухступенчатый редуктор типа РМ
500.Рассчитаны приведенные статические моменты системы электропривод - рабочая
машина, проведена их проверка. Рассчитаны статические характеристики электропривода,
построены механические характеристики двигателя.
В результате было получено, что разработанный электропривод удовлетворяет
всем необходимым требованиям проверок, обеспечивает заданный режим работы.
Библиографический
список
. Анфимов, М.И. Редукторы: конструкция и расчет: альбом /
М.И. Анфимов.- М.: Машиностроение, 1993. - 432 с.
. Асинхронные электродвигатели серии 4А: Справочник /
А.Э.Кравчик, М.Н.Шлаф, В.И.Афонин и др. - М.: Энергоатомиздат, 1982
. Гельман, М.В. Преобразовательная техника: учебное пособие /
М.В. Гельман, М.М. Дудкин, К.А. Преображенский. - Челябинск: Издательский центр
ЮУрГУ, 2009. - 425 с.
. Драчев, Г.И. Теория электропривода: учебное пособие в 2 ч.
/ Г.И. Драчев. - Челябинск: Изд. ЮУрГУ, 2005. - Ч.1. - 207 с; Ч.2. - 203 с.
. Драчев, Г.И. Теория электропривода: учебное пособие к
курсовому и дипломному проектированию. - Челябинск: Изд. ЮУрГУ, 2012. - 168 с.