Проектирование фильтра

  • Вид работы:
    Курсовая работа (т)
  • Предмет:
    Физика
  • Язык:
    Русский
    ,
    Формат файла:
    MS Word
    132,23 Кб
  • Опубликовано:
    2013-11-08
Вы можете узнать стоимость помощи в написании студенческой работы.
Помощь в написании работы, которую точно примут!

Проектирование фильтра

Введение

Активные фильтры занимают особое место в современных радиотехнических системах. Особенно актуальными становятся вопросы проектирования активных аналоговых фильтров в связи с развитием цифровых средств передачи и обработки информации. Аналоговые фильтры, устанавливаемые на входах и выходах цифровых каналов, во многом определяют качество работы всей системы в целом.

1. Анализ технического задания

В процессе проектирования активного фильтра необходимо учитывать множество взаимосвязанных, а иногда и противоречивых технических требований, предъявляемых к конструкции отдельных звеньев и фильтра в целом. Такими требованиями являются:

- назначение и область применения фильтра;

вид и тип фильтра;

- заданные электрические характеристики;

- частотные параметры;

- наличие и уровень элементной базы.

Согласно техническому заданию разрабатываемый фильтр является фильтром нижних частот и фильтром Чебышева. Фильтры Чебышева не так сложны для расчета и характеризуются достаточно большой крутизной спада характеристики в переходной полосе, однако имеют пульсации в полосе прозрачности. При этом, в зависимости от уровня пульсаций, крутизна спада характеристики в переходной полосе может быть различной и большей, чем, к примеру, у фильтра Баттерворта того же порядка.

Таким образом, при проектировании фильтра Чебышева нижних частот, особое внимание следует обратить на следующие моменты:

на любой частоте в границах полосы прозрачности затухание сигнала не должно превышать заданный предел;

неравномерность ЧХ в полосе пропускания не должна превышать минимальный уровень заданный в техническом задании;

Для обеспечения требований, предъявленных в техническом задании, необходимо определить передаточную функцию проектируемого фильтра, выбирать схемную реализацию звеньев, провести расчеты номиналов элементов схем.

2. Описание фильтра

Общие положения

Электрический фильтр - это четырехполюсник, имеющий неравномерную амплитудно-частотную характеристику. Полосу частот, в которой сигналы проходят с входа на выход четырехполюсника с малым затуханием, называют полоса пропускания или полоса прозрачности или зона прозрачности. Полосу частот, в которой сигналы проходят со входа на выход четырехполюсника с большим затуханием, называют полоса задерживания ил полоса затухания.

Частотные характеристики фильтров часто идеализируют, считая, что в полосе пропускания амплитудно-частотная характеристика постоянна |Н(jw)|=const, затухание A(w)=a мало, а в полосе задерживания затухание бесконечно велико.

Рисунок 1. - АЧХ идеализированного фильтра низких частот

Идеальные фильтры физически нереализуемы, на практике следует учитывать наличие переходных областей между полосами прозрачности и задерживания. Кроме того, необходимо принимать во внимание, что, во-первых, затухание входного сигнала в полосе задерживания всегда является конечным, а во-вторых, в полосе прозрачности возможны колебания или плавное изменение затухания.

На практике часто возникает необходимость в фильтрах с более плоским участком характеристики в полосе пропускания и более крутыми склонами. Такая потребность существует всегда, когда надо отфильтровать сигнал от близкой по частоте помехи. Немедленно возникает следующий очевидный вопрос: можно ли (соединяя каскадно одинаковые фильтры, скажем, нижних частот), получить аппроксимацию идеальной характеристики фильтра нижних частот типа «кирпичная стена», как это показано на рис. 1. Известно, что простое каскадное соединение не дает результата без ухудшения общей характеристики, так как входное сопротивление каждого звена будет служить существенной нагрузкой для предыдущего звена. Но если поставить буферы между всеми звеньями (или сделать полное входное сопротивление каждого звена намного выше, чем у предыдущего) то, казалось бы, можно добиться желаемого эффекта. Тем не менее ответ на поставленный вопрос будет отрицательным. Соединенные каскадно RС-фильтры действительно дадут суммарную характеристику с крутым наклоном, но «излом» этой амплитудно-частотной характеристики не будет резким. Это можно сформулировать так: из многих плавных перегибов не сделать одного крутого.

Обычно считают, что граничная частота между полосой пропускания и полосой задерживания равна единице. Такого рода частотная характеристика называется нормированной относительно частоты среза. Кроме того, на рисунках принят логарифмический масштаб оси частоты. Затухание также изображается в логарифмическом масштабе

. (1)

При использовании в качестве элемента схемы фильтра ОУ можно синтезировать характеристику любого RLC-фильтра без применения катушек индуктивности. Такие безындуктивные фильтры известны под названием «активные фильтры».

В соответствии с названием, активный фильтр - это электрический фильтр, в состав которого входит активный усилительный элемент. Таким элементом может являться операционный усилитель, усилительный каскад, собранный на полупроводниковых транзисторах или электронных лампах. Тип активного элемента выбирается в зависимости от того, в каком диапазоне частот должен функционировать активный фильтр.

Важнейшей особенностью активных фильтров является возможность каскадного проектирования.

Рисунок 2 - Каскадное соединение звеньев фильтра

Усилитель в составе активного фильтра выбирается таким образом, чтобы взаимовлияние последующего предыдущего каскадов друг на друга было минимальным, рисунок 2.

Передаточную функцию фильтра в целом можно достаточно точно определить как произведение передаточных функций отдельных звеньев:

 (2)

Число звеньев ограничено себестоимостью фильтра, сложностью технологической настройки параметров фильтра. На практике встречаются фильтры с числом звеньев от одного до нескольких десятков.

Помимо возможности физической реализуемости необходимо, чтобы передаточная функция фильтра отвечала еще одному важнейшему требованию. Вид передаточной функции должен быть легко соотносим с заданными техническими характеристикам проектируемого фильтра. Другими словами, важно знать, как, задаваясь теми или иными техническими требованиями, определять количество коэффициентов числителя и знаменателя передаточной функции, как вычислять сами коэффициенты.

Технические требования к фильтру могут быть сформулированы различными способами. Характерные частоты обычно указывают в герцах. Часто расчетные формулы подразумевают подстановку частоты в радианах в секунду: . Значения коэффициента передачи удобнее задавать в децибелах. На частотах, на которых коэффициент передачи меньше единицы, его выражение в децибелах становиться отрицательным числом. Единичный коэффициент передачи соответствует 0 дБ. Затухание также задается в деци - белах и показывает как ослабляется сигнал.

Фильтр нижних частот

Аналоговые ФНЧ, устанавливаемые на входах и выходах цифровых каналов, осуществляющих дискретизацию и обработку непрерывных сигналов, во многом определяют качество работы всей системы в целом. Задача ФНЧ на входе, при дискретизации сигналов, убрать из спектра сигнала составляющие с частотами выше заданной верхней частоты спектра для корректной дискретизации сигнала в соответствии с теоремой Найквиста-Котельникова. На выходе цифрового канала ФНЧ используют при восстановлении непрерывного сигнала из дискретного.

Для проектирования ФНЧ устанавливают следующие исходные данные:

Граничная частота полосы прозрачности или верхняя частота или частота среза

Максимально допустимое затухание сигнала в полосе прозрачности

Граничная частота полосы задерживания

Минимально допустимое затухание в полосе задерживания

Максимально допустимый уровень пульсаций АЧХ в полосе прозрачности


Рисунок 3 - Технические требования к фильтру нижних частот

Термин максимально допустимое затухание сигнала в полосе прозрачности следует понимать таким образом, что на любой частоте в границах полосы прозрачности затухание сигнала не должно превышать заданный предел. Это означает также, что в границах полосы прозрачности коэффициент передачи не будет опускаться ниже соответствующего значения.

Аналогично понимают термин минимально допустимое затухание в полосе задерживания. Затухание всех сигналов с частотами в границах полосы задерживания не должно быть менее указанного предела. Соответственно, коэффициент передачи в полосе задерживания не должен превышать заданную величину.

В ряде случаев указывают дополнительные требования к виду амплитудно-частотной характеристики в полосе прозрачности. Это связано с тем, что реализация некоторых видов фильтров приводит к различным сложным формам АЧХ. В полосе прозрачности и в полосе задерживания могут иметь место пульсации коэффициента передач. Тогда в технических требованиях указывают максимально допустимый уровень пульсаций АЧХ в полосе прозрачности.

Фильтр Чебышева

Рисунок 4 - Технические требования к фильтру Чебышева

В большинстве применений самым существенным обстоятельством является то, что неравномерность характеристики в полосе пропускания не должна превышать некоторой определенной величины, скажем 1 дБ. Фильтр Чебышева отвечает этому требованию, при этом допускается некоторая неравномерность характеристики во всей полосе пропускания, но при этом сильно увеличивается острота ее излома. Для фильтра Чебышева задают число полюсов и неравномерность в полосе пропускания. Допуская увеличение неравномерности в полосе пропускания, получаем более острый излом. Фильтр Чебышева, как и фильтр Баттерворта имеет фазочастотные характеристики, далекие от идеальных.

На самом деле фильтр Баттерворта с максимально плоской характеристикой в полосе пропускания не столь привлекателен, как это может показаться, поскольку в любом случае приходится мириться с некоторой неравномерностью в полосе пропускания (для фильтра Баттерворта это будет постепенное понижение характеристики при приближении к частоте среза, для фильтра Чебышева - пульсации, распределенные по всей полосе пропускания). Кроме того, активные фильтры, построенные из элементов, номиналы которых имеют некоторый допуск, будут обладать характеристикой, отличающейся от расчетной, а это значит, что в действительности на характеристике фильтра Баттерворта всегда будет иметь место некоторая неравномерность в полосе пропускания. На рис. 5 проиллюстрировано влияние наиболее нежелательных отклонений значений емкости конденсатора и сопротивления резистора на характеристику фильтра.

Рисунок 5. Влияние изменений параметров элементов на характеристику активного фильтра

В свете вышеизложенного весьма рациональной структурой является фильтр Чебышева. Иногда его называют равноволновым фильтром, так как его характеристика в области перехода имеет большую крутизну за счет того, что по полосе пропускания распределено несколько равновеликих пульсаций, число которых возрастает вместе с порядком фильтра. Даже при сравнительно малых пульсациях (порядка 0,1дБ) фильтр Чебышева обеспечивает намного большую крутизну характеристики в переходной области, чем фильтр Баттерворта.

3. Расчётная часть

Определение параметров фильтра-прототипа

Передаточная функция фильтра нижних частот соответствует передаточной функции прототипа. Единственное преобразование, которое необходимо выполнить, - это масштабирование частоты. Функция фильтра-прототипа строится исходя из единичной частоты на границе полосы прозрачности, а проектируемый фильтр может иметь меньшую или чаще большую частоту границы полосы прозрачности.

Определяем параметры фильтра-прототипа:

,

,

,

Определение порядка фильтра-прототипа

При расчете порядка фильтра следует выбирать целое число, большее, чем полученная по формуле величина. Исходные данные:

 - максимально допустимое затухание сигнала в полосе прозрачности или максимальный уровень пульсаций АЧХ в полосе прозрачности,

-граничная частота полосы задерживания,

-минимально допустимое затухание в полосе задерживания.

Порядок фильтра Чебышева определяется по формуле:

 (3)

Подставляем численные значения, n=3, следовательно, возможно

применение 2-х звенного фильтра низкой частоты со звеньями первого и второго порядка.

Определение передаточной функции фильтра-прототипа

Выбираем нужную строку из таблицы 6.1. [1]

Определение передаточной функции проектируемого фильтра

Необходимо выполнить масштабирование по частоте. Передаточная функция фильтра-прототипа определена для единичной частоты среза на уровне затухания 3 дБ.

Передаточная функция проектируемого фильтра имеет вид:

где:


Выполняя масштабирование по частоте получаем:

;

Определение вида звеньев и исходных данных для расчета элементов схем

Из таблицы 6.8 [1] выбираем добротность для 2-го звена. Данные для расчета элементов схем сведены в таблицу 1.

Таблица 1. Параметры проектируемых звеньев.

Номер звена

Частота полюса

Добротность полюса

1

917,93 Гц

2

2812,026 Гц

3,07


Для обеспечения максимального динамического диапазона фильтра оптимальной будет последовательность звеньев, при которой добротность полюсов возрастает от входа к выходу.

Выбор схемной реализации звеньев

Первое звено является цепью первого порядка. Его схемная реализация представлена на рисунке 6.

Рисунок 6 - Схема звена 1

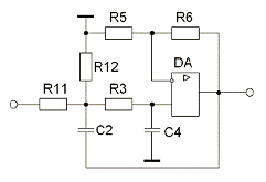
Второе звено является цепью нижних частот 2-го порядка с добротностью полюсов . Его схемная реализация представлена на рисунке 7.

Рисунок 7 - Схема звена 2

Расчёт номиналов элементов схем

Расчёт первого звена:

Передаточная функция первого звена имеет вид:

;

Задаёмся fCP=663,482 (Гц), R1=2000 (Ом);


;

Расчёт второго звена:

Передаточная функция второго звена имеет вид:

;

Задаёмся fP=1861,783 (Гц), qP=3,07, C2=30 (нФ), С4=13 (нФ), К=1,

R5=1000 (Ом);

;

;

Так как , то:


Настройка:

настройка частоты полюса производится изменением сопротивления резистора R3, для чего удобно разбить номинал резистора R3 на две части, одна представляется постоянным резистором, другая подстроечным;

настройка добротности звена производится изменением сопротивления резистора R6, для чего удобно разбить номинал резистора R6 на две части, одна представляется постоянным резистором, другая подстроечным.

Результаты расчёта номиналов элементов представлены в таблице 2.

фильтр частотный передаточный

Таблица 2 - Результаты расчёта номиналов элементов

Звено

1

2

С1, мкФ

0,12

С2, нФ

30

С4, нФ

13

R1, Ом

2000

R2, Ом

2000

R3, Ом

4918,76

R5, Ом

1000

R6, Ом

758,76

R11, Ом

6668,56

R12, Ом

8906,15


При реализации фильтра номиналы всех элементов во всех звеньях необходимо выбирать из номинального ряда, что может ухудшить характеристики фильтра.

По результатам расчёта номиналов элементов построены АЧХ и ФЧХ, которые приведены в приложениях А и Б соответственно.

Заключение

В настоящем курсовом проекте проведен расчёт активного аналогового фильтра. На основе технических требований и данных источника [1] были вычислены характеристики и определена передаточная функция ФНЧ-прототипа, которые были преобразованы к передаточной функции исходного фильтра.

Полученная передаточная функцию была разбита на отдельные сомножители, реализуемые простым звеньям, для которых выбрана схемотехническая реализация и рассчитаны параметры элементов отдельных звеньев.

Построена АЧХ реализованного фильтра, вид которой удовлетворяет заданным техническим требованиям.

Список литературы

1 Донцов В.М. Проектирование активных фильтров. Методическое 4 Хоровиц П., Хилл У. Искусство схемотехники: В 3-х томах. Пер. с англ. - 4-е изд. перераб. и доп. - М.: Мир, 1993.

Похожие работы на - Проектирование фильтра

 

Не нашли материал для своей работы?
Поможем написать уникальную работу
Без плагиата!
Без нейросетей!