Гармонические колебания в линейных электрических цепях
Гармонические колебания в линейных электрических цепях
1. Расчет токов и
напряжений в цепи при заданном гармоническом воздействии
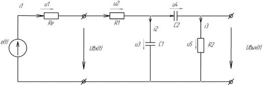
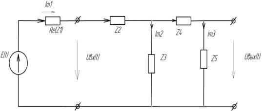
Изобразим схему заданной цепи с
подключенным к входу реальным источником напряжения (рисунок 1). В цепях с одним
источником сигнала токи и напряжения можно определить с помощью закона Ома.
Рисунок 1 - Схема цепи
Последовательно пронумеруем
однотипные элементы цепи. Обозначим токи во всех ветвях и напряжения на всех
элементах, зададим их условные положительные направления (рисунок 2).
Рисунок 2 - Схема направлений токов
и напряжений
Затем перейдем к комплексной схеме
замещения цепи, заменив все пассивные элементы комплексными сопротивлениями,
все токи и напряжения их комплексными амплитудами (рисунок 3).
Рисунок 3 - Комплексная схема
замещения цепи
Используя закон Ома в комплексной
форме, произведем аналитический, а затем и численный расчет комплексных амплитуд
искомых токов и напряжений.
Аналитический расчет предполагает
вывод формул для комплексных амплитуд искомых колебаний, численный -
непосредственный расчет по полученным формулам.
Так комплексную амплитуду полного
тока в цепи Im1 найдем как
где Em - комплексная амплитуда
ЭДС источника, Zэ - эквивалентное комплексное сопротивление цепи:
Подставляя приведенные в техническом
задании исходные данные, получаем
или
Zэ = 9.32 - j2.59 кОм.
или

Численный расчет
комплексных сопротивлений, токов и напряжений произведен с помощью системы
компьютерной математики MathCAD.
Так как соединение элементов
Z1 и Z2 комплексной схемы
последовательное, то ток проходящий через них одинаковый и равен Im1. Далее определяем по найденной комплексной амплитуде тока Im1 и известным комплексным сопротивлениям Z1,
Z2 и параллельно соединенных элементов Z3,
Z4, Z5 комплексные амплитуды
напряжений Um1, Um2, Um3.
Имеем: Um1=99.49+27.71j
мВ
Um2=746.19+207.81j мВ
Um3=154.32-235.52j мВ
Далее вычислив Um3, определяем токи Im2,
Im3.
Имеем: Im2=70.66+46.29j
мкA.
Так как элементы С2 и R2 включены последовательно то,
Im3=28.84-18.59j мкA.
Проверим правильность
выполненных расчетов по законам Кирхгофа.
В соответствии с первым
законом для токов:
Im1-Im2-Im3=0.
В соответствии со вторым
законом для напряжений:
Em-Um1-Um2-Um3=0, Um3-Um4-Um5=0.
Далее рассчитываем
амплитуды токов и напряжений как модуль комплексного числа, имеем: I1=103.28 мкА; I2=84.47
мкА; I3=34.31 мкА. U1=103.28
мВ; U2=774.59 мВ; U3=281.57
мВ; U4=114.36 мВ; U5=
257.3 мВ
Начальные фазы токов и
напряжений найдем как аргумент комплексного числа по формуле φ
= arctg 
и
представим в градусах:
начальные фазы токов:
φi1=15.56 º; φi2=33.23 º; φi3=-32.8 º.
начальные фазы
напряжений:
φu1= φu2=15.56
º; φu3=-56.77 º;
φu4=-122.8 º;
φu5=-32.8 º.
Результаты расчетов
сведем в таблицу 1.
Таблица 1 - Результаты
расчета гармонических токов и напряжений в цепи
|
Элемент
|
Комплексная амплитуда
|
|
Напряжения на элементе:
|
тока через элемент:
|
|
обозначение
|
амплитуда, мВ
|
начальная фаза, º
|
обозначение
|
амплитуда, мкА
|
начальная фаза, º
|
|
Re
|
Um1
|
103.28
|
15.56
|
Im1
|
103.28
|
15.56
|
|
R1
|
Um2
|
774.59
|
15.56
|
Im1
|
103.28
|
15.56
|
Um3
|
281.57
|
-56.77
|
Im2
|
84.47
|
33.23
|
|
C1
|
Um4
|
114.36
|
-122.8
|
Im3
|
34.31
|
-32.8
|
|
C2
|
Um5
|
257.3
|
-32.8
|
Im3
|
34.31
|
-32.8
|
2. Векторная диаграмма
токов и напряжений в цепи. Проверка выполнения законов Кирхгофа
По данным таблицы 1 построим
векторные диаграммы сначала для токов проходящих через узел (первый закон
Кирхгофа), затем для ЭДС и падений напряжений в контуре (второй закон
Кирхгофа).
Векторные диаграммы выполнены с помощью
системы графического моделирования «Компас».
Алгебраическая сумма токов в узле
равна нулю. Для нашей цепи имеем уравнение:
Im1=Im2+Im3.
Начнем с того, что зададим масштаб
для векторов токов и напряжений. Так для токов возьмем 1 см = 10 мкА, а для напряжений
1 см = 100 мВ. Сначала построим вектор тока Im2 с амплитудой равной
84,47 мкА и начальной фазой φi1=33,23º, для чего на инструментальной панели системы проектирования
«Компас» выберем команду «отрезок», укажем на поле фрагмента произвольную
точку, затем, в панели свойств зададим значение длины отрезка, равное амплитуде
выбранного тока с учетом взятого масштаба, а угол наклона отрезка равный
значению начальной фазы тока, создадим отрезок. Дорисуем на конце отрезка
стрелку и получим вектор тока Im2. Затем аналогичным способом начертим вектор напряжения Um3. Векторы напряжений и
токов на элементах целесообразно показать исходящими из одних и тех же точек.
Видно, что ток, протекая через емкость С1, опережает по фазе напряжение на 90º. Следующим построим
вектор тока Im3 исходящим из конца вектора Im2, затем вектор
напряжений Um4 и Um5, так же видно что ток опережает по фазе напряжение на элементе
С2 на 90º. Последним построим
вектор входящего в узел тока Im1, который будет равняться сумме векторов Im2 и Im3 что графически
подтверждает выполнение первого закона Кирхгофа, и сонаправленный с ним вектор
напряжения Um1 (рисунок 4).
Рисунок 4 - Векторная диаграмма
выполнения первого закона Кирхгофа в узлах цепи
Проведем графическую проверку
второго закона Кирхгофа, используя те же методы. В рассматриваемой цепи два
контура, топологические уравнения которых будут иметь вид:
Em=Um1+Um2+Um3;
Um3=Um4+Um5.
Проверку начнем с построения вектора
напряжения Um1 и тока Im1, затем, обходя контур по часовой стрелке, построим векторы всех
напряжений и токов, входящих в контур. Последним построим вектор Em из точки начала вектора
Um1
совпадение концов векторов Um3 и Em графически подтверждает выполнение второго закона Кирхгофа для
первого контура. Для второго контура для удобства восприятия из конца вектора Um3 повторно отложим
вектор Um3. Из его начала отложим вектор Um4, из конца которого
построим вектор Um5, конец которого совпадет с концом вектора Um3, что в свою очередь
подтверждает правильность расчета и выполнение второго закона Кирхгофа во
втором контуре цепи (рисунок 5).
Рисунок 5 - Векторная диаграмма
выполнения второго закона Кирхгофа в контурах цепи
3. Расчет частотных
характеристик цепи
Первоочередная задача расчета
частотных характеристик - получить аналитическое выражение для комплексного
коэффициента передачи цепи по напряжению, по которому в дальнейшем
рассчитываются АЧХ и ФЧХ цепи.
Поскольку частотные свойства цепи не
зависят от типа источника электрической энергии, подключенного к ее входу, а
определяются лишь частотными свойствами элементов и топологией цепи, полагаем,
что на входе по прежнему действует исходный источник напряжения, частота
колебаний которого теперь может быть установлена любой (рисунок 6).
Рисунок 6 - Комплексная схема
замещения цепи
Комплексный коэффициент передачи
цепи рассчитывается по формуле:
где Umвх и Umвых - комплексные
амплитуды входного и выходного напряжений в установившемся режиме. Используя
комплексную схему замещения цепи, выразим комплексные амплитуды Umвх и Umвых через комплексную
амплитуду входного тока Im1. Получаем согласно закона Ома:
Umвх=Im1
Z1+
Umвых=
тогда:
упростим:
подставив значения комплексных
сопротивлений и упростив, придем к следующей формуле:
модуль этого выражения:
и его аргумент:
упростив получим:
Для того, чтобы найти граничные
частоты полосы пропускания, необходимо вычислить максимальное значение
коэффициента передачи по напряжению Kmax(ω), так как граничная частота определяется как частота, на которой
коэффициент передачи по напряжению равен
относительно максимального значения (3дБ). Для этого мы находим
производную от K(ω) и приравниваем ее к нулю. Решение этого уравнения и есть экстремум
функции K(ω).
получим:
подставив в формулу получим:
упростив получаем:
То есть, граничные частоты находятся
из условия
или
записываем
В результате решения данного
уравнения с помощью системы компьютерной математики MathCAD получаем четыре корня,
из которых нас интересуют только действительные и положительные. Имеем полосу
пропускания от 6.4251 кГц до 70.087 кГц, график АЧХ имеет вид представленный на
рисунке 7.

Расчет фазовых характеристик цепи.
Рисунок 8 - Фазо-частотная
характеристика цепи
Выборочные значения АЧХ и ФЧХ цепи в
диапазоне частот приведены в таблице 2.
Таблица 2 - Результаты расчета
выборочных значений АЧХ и ФЧХ
|
Частота f, кГц
|
1
|
2
|
6
|
10
|
18
|
24
|
40
|
68
|
94
|
170
|
|
АЧХ K(f)
|
0,04
|
0,09
|
0,25
|
0,29
|
0,33
|
0,33
|
0,30
|
0,23
|
0,19
|
0,11
|
|
ФЧХ φ(f),
º
|
81,93
|
74,07
|
-39,5
|
28,82
|
6,29
|
-4,7
|
-24,2
|
-43,9
|
-54,4
|
-69,1
|
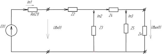
Для исследования влияния нагрузки на
АЧХ цепи, рассчитаем АЧХ для цепи с подсоединенным к выходным клеммам
сопротивлением Zн (рисунок 9):
Рисунок 9 - Комплексная схема
замещения цепи, нагруженной на сопротивление
Напряжение на входных клеммах можно
выразить как
Напряжение на элементе Z3 равно
Тогда напряжение на выходных клеммах
можно определить как
Отсюда комплексный коэффициент
передачи цепи по напряжению
после упрощения получим
Принимая, что
сопротивление нагрузки чисто активно и равно 
и подставляя значения,
получим
преобразуя, это выражение получаем
Рисунок 10 - АЧХ цепи нагруженной на
сопротивление
ток напряжение гармонический цепь
4. Проверка основных расчетных
результатов посредством имитационного моделирования
Для проведения проверки основных
расчетных результатов посредством имитационного моделирования необходимо
воспользоваться схемотехническим симулятором. Наиболее распространенным и
простым в использовании является схемотехнический симулятор «Electronics
Workbench». Кроме того, ранее этот симулятор использовался мной при выполнении
лабораторных работ.
Изобразим схему цепи в
симуляторе, задействовав идеализированные модели элементов. Ко входу подключим
источник напряжения. Его параметр «Voltage»
установим равным 0,707 В, что соответствует действующему значению требуемого
напряжения (амплитуда колебаний
при этом составит 1 В).
Параметр Frequency = 47,746 кГц. Параметр Phase
установим 90º (рисунок 11).
Измерения проведем
посредством двухлучевого цифрового осциллографа, подключенного одним концом ко
входу, а вторым к выходу цепи (рисунок 11).
Рисунок 11 - Цепь
смоделированная в «Electronics Workbench»
Запустив симулятор,
получим осциллограммы сигналов входного и выходного напряжений (рисунок 12).
АЧХ и ФЧХ цепи можно рассчитать по измеренным значениям амплитуд напряжений или
измерить по графикам в симуляторе. Так АЧХ на установившейся частоте будет
равно:
Найдем ФЧХ. Измерим в
установившемся режиме сдвиг во времени мс. Из рисунка 12 видно, что напряжение
на выходе запаздывает по фазе, значит абсолютное значение сдвига фаз на
установившейся частоте будет со знаком минус.

Далее измерим период
колебаний 20.944 мс (рисунок 13).
Рисунок 13 - Определение
периода колебаний
Абсолютное значение
сдвига фаз на заданной частоте можно вычислить по формуле
учитывая знак получим
φ(f)=-22.5
Таким способом
необходимо рассчитать значения АЧХ и ФЧХ в нескольких значениях частоты,
достаточных для качественного построения графиков. Другой, более удобный
способ, показан на рисунке 14, где посредством встроенных приложений симулятора
«Electronics Workbench» автоматически строятся графики АЧХ и ФЧХ цепи, по которым с
помощью подвижных меток снимаются значения АЧХ и ФЧХ в любых точках заданного
диапазона частот. Найдем значение АЧХ на границе полосы пропускания для чего
измеренное максимальное значение K(f) разделим на 
, получим:
.
Измерим полосу
пропускания (рисунок 14). Для чего, по графику определим частоты среза f1=5.926 кГц, f2=67.138
кГц. Получим измеренное значение 61.211 кГц.
Рисунок 14 - Определение
полосы пропускания
Заключение
В ходе выполнения
курсовой работы был проведен численный расчет амплитуд и начальных фаз токов в
ветвях цепи и напряжений на элементах методом комплексных амплитуд. Построены
векторная диаграмма токов в узле цепи (рисунок 4) и напряжений в контурах
(рисунок 5). Проведена проверка законов Кирхгофа для узлов и контуров цепи.
Получены аналитические выражения для комплексного коэффициента передачи цепи:
амплитудно-частотной характеристики
(АЧХ) цепи:
и фазо-частотной (ФЧХ)
характеристики цепи:
Посредством пакета программ «MathCAD» рассчитаны численные
значения АЧХ и ФЧХ цепи на большом интервале частот, выборочные результаты
расчета отображены в таблице 2. Построены и проанализированы их графики
(рисунок 7,8). Определены граничные частоты полосы пропускания: f1=6.42 кГц, f2=70.08 кГц.
Методом моделирования в симуляторе «Electronics Workbench» проверены результаты,
полученные расчетным путем: f1=5.926 кГц, f2=67.138 кГц, получили измеренное значение полосы пропускания
61.211 кГц, близкое по
значению к расчетному 63.662 кГц.
Экспериментально проверили
(измерили) расчетные АЧХ и ФЧХ цепи (рисунок 14), получили значения близкие к
ним. Это означает, что расчеты проведены верно. Задание выполнено полностью, в
соответствии с техническим заданием руководителя.
Список литературы
1. Гоноровский И.С. Радиотехнические цепи и сигналы: учеб. пособие
для вузов/ И.С. Гоноровский. 5-е изд., испр. и доп - М.: Дрофа, 2006. - 719 с.
. Каганов В.И. Радиотехнические цепи и сигналы. Лабораторный
компьютеризированный практикум: учебное пособие для средн. проф. уч. зав./ В.И.
Каганов. М.: Горячая линия - Телеком, 2004. - 154 с.
. Попов В.П. Основы теории цепей: учеб. пособие для вузов/В.П.
Попов. - 4-е изд., испр. - М.: Высш. шк., 2003. - 575 с.
. Фриск В.В. Основы теории цепей. Расчет и моделирование с помощью
пакета компьютерной математики Mathcad/ В.В. Фриск - М.: Солон-Пресс, 2006-88 с.