Воздействие гармонических колебаний на линейные цепи
Курсовая
работа
Тема
Воздействие
гармонических колебаний на линейные цепи
ВВЕДЕНИЕ
В настоящее время большое распространение получают различные приборы, в
состав которых входят различные электрические цепи. Электрическая цепь - это
совокупность устройств, предназначенных для передачи, распределения и взаимного
преобразования электрической (электромагнитной) и других видов энергии, если
процессы, протекающие в устройствах, могут быть описаны при помощи понятий об
электродвижущей силе (ЭДС), токе и напряжении.
Электрические цепи состоят из некоторого числа элементов, которые можно
разбить на структурные группы, в частности - четырехполюсники. Четырехполюсники
бывают двух типов: линейные и нелинейные. К линейным четырехполюсникам
относятся такие, в состав которых входят только линейные элементы, а именно
сопротивления, катушки индуктивности, конденсаторы, источники питания, причем
на каждом элементе значения тока и напряжения можно связать уравнением
(линейным или дифференциальным). В случае, когда в четырехполюсник входит хотя
бы один нелинейный элемент, то он является нелинейным.
Расчет линейных цепей и четырехполюсников является очень актуальной
проблемой уже в течение полувека, что связано с постоянным развитием
современных электротехнических приборов, которые содержат большое количество
линейных цепей и четырехполюсников.
Целью данной курсовой работы является изучение гармонических процессов в
линейных цепях и частотных характеристик четырехполюсников, освоения метода
расчета и проектирования электрических цепей и современных средств
вычислительной техники и программного обеспечения.
Все численные расчеты будут проводиться на ЭВМ с использованием следующих
программных средств:
- программный пакет MathCAD 13;
- программа компьютерного схемотехнического моделирования MicroCAP
8.0;
1. ТЕХНИЧЕСКОЕ ЗАДАНИЕ
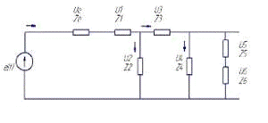
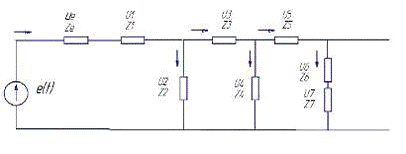
На вход цепи, показанной на рисунке 1 подключен реальный источник
напряжения с ЭДС, равной:
, (1.1)
амплитуда
которого равна
, внутреннее сопротивление
, а частота
. Как
видно из формулы (1.1) начальная фаза источника напряжения равна нулю.
Рисунок
1 - Схема исследуемого четырехполюсника
После
подключения к исследуемому четырехполюснику источника питания мы получим
исследуемую цепь, которая представлена на рисунке 2.
Рисунок
2 - Схема исследуемой цепи
В данной курсовой работе будут выполнены следующие задания:
- определим амплитуды и начальные фазы токов и напряжений на всех
элементах цепи, результаты представим в виде таблицы.
по результатам расчетов токов и напряжений проверим выполнение первого и
второго законов Кирхгофа для всех узлов и контуров цепи.
построим векторную диаграмму токов, напряжений и ЭДС источника.
определим комплексный коэффициент передачи, найдем амплитудно-частотную
(АЧХ) и фазочастотную (ФЧХ) характеристики, построим их графики.
- экспериментально проверим
полученные результаты. Для этого смонтируем исследуемую цепь, показанную на
рисунке 2 в лаборатории, подключим к ней генератор сигналов и с помощью
вольтметра и осциллографа определим амплитуды напряжений на входе и выходе цепи
и фазовые соотношения между ними.
- в ходе исследовательской части напишем программу для нахождения H - параметров цепи, полосы удержания,
коэффициента прямоугольности и построения графиков АЧХ и ФЧХ.
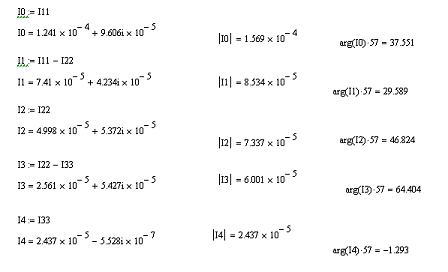
2. РАСЧЕТ ТОКОВ И НАПРЯЖЕНИЙ
2.1 Расчет токов и напряжений на основе закона Ома
гармонический линейный цепь электрический
Найдем значения начальных фаз и амплитуды напряжения, силы токов на всех
элементах исследуемой цепи с помощью законов Ома. Для того, чтобы определить
все вышеперечисленные значения укажем положительные направления токов и
напряжений. Схема с заданными токами и напряжениями показана на рисунке 3.
Рисунок 3 - Схема исследуемой цепи, с заданными токами
Будем считать, что напряжение положительно, если оно направлено слева направо
или сверху вниз.
Определим комплексное сопротивление каждого из элементов.
,
Ом,
, 
,

,
(2.1.1)
Теперь
представим цепь в комплексном виде. Данная цепь показана на рисунке 4.
Рисунок
4 - Комплексная схема исследуемой цепи
Далее
проведем упрощение полученной цепи. Все проведенные преобразования показаны на
рисунке 5.
а)
б)
в)
г)
д)
е)
Рисунок
5 - Упрощение конфигурации цепи
Рассчитаем
эквивалентные сопротивления:
Ом
Ом
Ом
Ом
Ом
Ом
Рассчитаем
общий ток в цепи (он равен току на внутреннем сопротивлении источника
напряжения):
,
,
При
известном значении тока можно определить напряжения
:
,
,
,
,
,
,
,
,
Найдем
силу тока I1 и I2:
,
,
,
Найдем
напряжение U3 и U4:
,
,
,
,
Найдем
силу тока и напряжения на 5 и 6 элементе:
,
,
,
,
,
Найдем
оставшуюся силу тока:
,
Все
численные расчеты были проведены с использованием пакета MathCAD
13, которые представлены в Приложении А.
Пакет
MathCAD - программное средство, предназначенное для
выполнения различных математических расчетов, обработки формул, построения
двумерных и трехмерных графиков, написания программ, предназначенных для
проведения расчетов. Данный пакет снабжен простым интерфейсом, позволяющим
легко работать и использовать максимальное количество встроенных функций,
которых достаточно много. Данное программное средство сильно облегчает процесс
вычислений математических задач и уравнений.
Для
подтверждения правильности полученных значений найдем их с использованием
других методов расчета токов и напряжений.
2.2 Расчет токов и напряжений методом контурных токов
Для исследуемой цепи, представленной на рисунке 2, запишем подсистему
линейных уравнений, в которые входят комплексные напряжения и токи.
Через
полученные токи выразим токи и напряжения на всех элементах цепи.
Из
полученной системы можно найти значения силы тока и напряжений. С помощью
пакета MathCAD 13, мы нашли результаты.
Найдем
силу тока на всех элементах цепи:
,
,
,
,
,
,
,
,
Теперь
найдем значения напряжений на всех элементах:
,
,
,
,
,
,
,
,
,
,
,
,
,
,
,
Занесем
полученные данные в таблицу 1.
Таблица
1 - Значения амплитуд и начальных фаз токов и напряжений на всех элементах цепи
|
Элемент
|
U, В
|
I, А
|
шu, град
|
шi , град
|
|
Re
|
0,157
|
38
|
38
|
|
R1
|
0,64
|
8.534∙10-5
|
30
|
30
|
|
R2
|
0,55
|
7.337∙10-5
|
47
|
47
|
|
R3
|
0.183
|
2.437∙10-5
|
-1
|
-1
|
|
C1
|
0.523
|
1.569∙10-5
|
-52
|
38
|
|
C2
|
0.2
|
6.001∙10-5
|
-25
|
65
|
|
C3
|
0.081
|
2.437∙10-5
|
-91
|
-1
|
Все численные расчеты были проведены в пакете MathCAD 13 и приведены в Приложении Б. Полученные результаты
доказывают правильность вычислений, полученных в пункте 2.1.
3. ПРОВЕРКА ЗАКОНОВ КИРХГОФА
Законы Кирхгофа предназначены для того, чтобы вычислять значения
напряжения и силы тока (между которыми они устанавливают соотношение) в электрических
цепях.
Первый закон Кирхгофа: алгебраическая сумма мгновенных значений
сходящихся к узлу токов равна нулю, причем количество уравнений равно числу
узлов минус единица. То есть данный закон устанавливает, что в узле
электрический заряд не накапливается.
При работе с электрическими цепями, в которых напряжение и сила тока не
постоянна (изменяется по гармоническому закону) необходимо учитывать сдвиг фаз
на данном элементе, причем для действующих и амплитудных значений в данном
случае первый закон Кирхгофа сходиться не будет.
Проверим сходимость первого закона Кирхгофа для электрической цепи,
представленной на рисунке 4:
,
Как
видно, для данной электрической цепи первый закон Кирхгофа сходится. Это
говорит о том, что полученные ранее результаты верны с точностью до 10-17.
Второй
закон Кирхгофа: алгебраическая сумма мгновенных значений напряжений на
элементах замкнутого контура равна алгебраической сумме ЭДС идеальных
источников напряжения, включенных в этот контур. В данном законе
предусматривается, что энергия, поступающая в контур, равна работе, совершаемой
в идеальном источнике сигнала по переносу единичного заряда.
По
законам Кирхгофа в данной электрической цепи можно составить следующие
уравнения:
,
Проверку проводили с использованием пакета в MathCad 13. Для обоих методов вычисления погрешность не
превосходит 10-15
4. ВЕКТОРНАЯ ДИАГРАММА
Для того, чтобы наглядно показать результаты, полученные в пункте 2
удобно построить векторную диаграмму. На данной диаграмме напряжениям и токам
будут соответствовать векторы, длина которых равна амплитуде сигнала, а угол
наклона к горизонтальной оси будет численно равен начальной фазе данного
сигнала. С использованием данной диаграммы можно легко проверить сходимость
законов Кирхгофа. Векторная диаграмма токов и напряжений цепи представлена на
рисунке 7.
Рисунок 6 - Векторная диаграмма
Данная векторная диаграмма была выполнена с использованием пакета
КОМПАС-3D V11. Данный чертежный редактор предоставляет большие
возможности в автоматизации конструкторских работ в различных сферах
деятельности, где необходимо использование чертежей. Также данный пакет успешно
используется при создании различных планов и схем.
Программный пакет КОМПАС может использоваться как полностью
интегрированный 3D модуль работы с чертежами и эскизами, так и в качестве
самостоятельного продукта, полностью решающего задачи 2D-проектирования и
выпуска документации.
При анализе векторной диаграммы можно сказать, что ток на емкости
опережает напряжение по фазе на угол, равный 90º. Также легко можно проверить
сходимость законов Кирхгофа (графически). Если сложить напряжения Ue, U1 и U2, то
мы получим напряжение на источнике сигнала, при сложении напряжений U3 и U4 получим напряжение, которое наблюдается на втором
резисторе, а именно U2. При сложении
токов I1 и I2 мы получим ток на внутреннем сопротивлении источника
напряжения (Ie), тот же самое получится при
сложении токов I1,I3 и I4. Таким образом можно говорить о том, что законы Кирхгофа
сходится для исследуемой цепи в векторной форме.
5. ЧАСТОТНЫЕ ХАРАКТЕРИСТИКИ
5.1 Комплексный коэффициент передачи
На практике для описания характеристик четырехполюсника часто применяют
комплексный коэффициент передачи. Данный коэффициент определяется отношением
значений амплитуд напряжений входного и выходного напряжений. Формула, применяя
которую вычисляют данную характеристику цепи, определена следующим выражением:
, (6.1.1)
где
Uвых и Uвх в данной формуле - комплексные напряжения на входе
и выходе соответственно.
Данный
коэффициент является характеристикой четырехполюсника, так как при его расчете
мы принимаем значение внутреннего сопротивления источника сигнала равным нулю,
то есть источник сигнала должен быть идеальным. Схема электрической цепи,
которая будет исследоваться для определения комплексного коэффициента передачи,
представлена на рис. 8.
Рисунок
7 - Схема исследуемой цепи с идеальным источником напряжения
Найдем
напряжении на входе:
Выразим
все токи данной цепи через напряжение
,
подставим их в первый закон Кирхгофа и получим следующее уравнение:
При
преобразовании уравнения (6.1.3) получим выражение для Uвых:
Используя
формулы найдем комплексный коэффициент передачи:
.
5.2 Амплитудно-частотная характеристика
Рассчитать Амплитудно-частотная характеристика - это значит найти
зависимость модуля комплексного коэффициента передач от частоты. Вычислим
модуль комплексного коэффициента передачи, полученного ранее.
.
График
полученной функции представлен на рисунке 9.
Рисунок
8 - АЧХ исследуемой цепи
Данная
функция имеет свой максимум при частоте, равной
и
равна:
.
При
всех частотах, больших
функция начинает стремиться к значению 0.04.
Найдем
полосы удержания для данной цепи по уровням
и
.
.
.
Найдем
коэффициент прямоугольности:
.
является
важной характеристикой фильтра, показывающей его избирательность, а значит, и
его пригодность для фильтрации тех или иных сигналов в конкретных условиях.
Данный фильтр имеет очень маленькое значение коэффициента прямоугольности. В
инженерной практике такие фильтры не применяют, так как сигнал будет сильно
искажен помехами.
Для
фильтров коэффициент прямоугольности является очень важной характеристикой,
которая отражает возможность фильтра отсеивать те или иные сигналы.
Исследуемый
фильтр имеет низкий коэффициент прямоугольности, чо делает его малопригодным
для обработки получаемых сигналов.
5.3 Фазочастотная характеристика
Фазочастотная характеристика - это зависимость от частоты аргумента
комплексного коэффициента передачи.
Для того, чтобы построить график ФЧХ найдем аргумент комплексного
коэффициента передачи. для этого вычтем из аргумента числителя аргумент
знаменателя, получим:
.
График
полученной функции представлен на рисунке 10.
Рисунок
9 - ФЧХ исследуемой цепи
Из
полученного графика видно, что сдвиг фаз между входным и выходным сигналами
изменяется от -
до
. Это
означает, что при увеличении частоты сигнал на выходе по фазе постепенно будет
приближаться к фазе сигнала на входе.
6. МОДЕЛИРОВАНИЕ ЦЕПИ
Для проверки результатов, полученных в пункте 6 проведем моделирование
цепи с использованием пакета MicroCAP 8.0.
Данная программа предназначена для моделирования электрических схем и
цепей, анализа их основных характеристик и построения соответствующих графиков.
Пакет MicroCAP 8.0 является одним из основных
программных пакетов, предназначенных для расчета электрических цепей. В данной
области также широко применяются пакеты программ PSpice, OrCAD, Electronics Workbench и другие.
Пакет MicroCAP 8.0 обладает простым графическим
интерфейсом, что делает его простым для изучения и работы с ним. Также в данной
программе предусмотрен диалог с пользователем, которые организованы в виде
всплывающих предупреждений и ошибок, помогающих обнаружить совершенные ошибки в
ходе работы с программой.
При создании моделируемых схем используется набор стандартных элементов,
расположенных на панели инструментов, причем каждый элемент можно настроить с
уникальными характеристиками, что еще больше расширяет возможности
моделирования. После создания схемы можно ее изменять, при этом не влияя на
незатронутые элементы.
В данном пакете также есть возможность работать с несколькими схемами
одновременно, размещая их в нескольких параллельных окнах, причем возможен
перенос частей или всей схемы из одного окна в другое с использованием буфера
обмена. Редактор программы позволяет совершать большое количество операций для
улучшения визуализации моделируемой схемы.
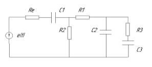
Соберем электрическую цепь, используя стандартные компоненты, встроенные
в программу. Полученная цепь представлена на рисунке 11.
Рисунок 10 - Схема моделируемой цепи
Построим амплитудно-частотные характеристики исследуемого
четырехполюсника. Для этого используем стандартную функцию построения
амплитудно-частотной характеристики . Полученный график представлен на рисунке
12.
Рисунок 11 - Амплитудно-частотная характеристика цепи
Как видно из полученного результата полученная ранее амплитудно-частотная
характеристика является верной. Данная кривая стремиться на больших частотах к
0.5, что соответствует полученным ранее результатам.
Фазочастотная характеристика представлена на рисунке 13.
Рисунок 12 - Фазочастотная характеристика
Анализируя
график, полученный с использованием пакета MicroCAP 8.0
можно заключить, что расчеты, проведенные в пункте 5.3, являются верными.
Фазочастотная характеристика лежит в пределах
.
Таким образом, результаты моделирования подтвердили правильность
теоретических расчетов и позволили без реальной сборки схемы и использования
приборов оценить ее характеристики.
7. ЭКСПЕРИМЕНТАЛЬНОЕ ИССЛЕДОВАНИЕ ЦЕПИ
Для подтверждения теоретических данных проверим полученные результаты на
практике. Для этого смонтируем исследуемую цепь. Далее в лаборатории с
использованием генератора сигналов Г4-42, вольтметра и осциллографа определим
амплитуды напряжений на входе и выходе цепи, а также фазовые соотношения между
ними. Все полученные результаты занесем в таблицу 2.
Таблица 2 - Результаты эксперимента
|
     
|
|
|
|
|
|
|
|
62800
|
10
|
2
|
0.38
|
0.19
|
-2
|
0,6
|
|
144400
|
23
|
2
|
0.44
|
0.22
|
-0,1
|
0,03
|
|
257500
|
41
|
2
|
0.48
|
0.24
|
-0,25
|
0,075
|
|
345400
|
55
|
2
|
0.44
|
0.22
|
-0,3
|
1,59
|
|
427000
|
68
|
2
|
0.4
|
-0,4
|
0,12
|
|
452200
|
72
|
2
|
0.4
|
0.2
|
-0,5
|
0,15
|
|
483600
|
77
|
2
|
0.4
|
0.2
|
-0,33
|
0,09
|
|
521200
|
83
|
2
|
0.4
|
0.2
|
-0,45
|
1,35
|
|
533800
|
85
|
2
|
0.38
|
0.19
|
-0,5
|
0,15
|
|
565200
|
90
|
2
|
0.38
|
0.19
|
-0,5
|
0,15
|
|
621700
|
99
|
2
|
0.36
|
0.18
|
-0,5
|
0,15
|
|
715900
|
114
|
2
|
0.3
|
0.15
|
-0,5
|
-0,45
|
|
753600
|
120
|
2
|
0.3
|
0.15
|
-0,8
|
-0,45
|
|
778700
|
124
|
2
|
0.3
|
0.15
|
1,5
|
-0,45
|
|
816400
|
130
|
2
|
0.28
|
0.14
|
-0,45
|
|
866600
|
138
|
2
|
0.26
|
0.13
|
0,5
|
-0,45
|
|
910600
|
145
|
2
|
0.24
|
0.12
|
0,5
|
-0,15
|
|
942000
|
150
|
2
|
0.24
|
0.12
|
0,5
|
-0,45
|
Полученные результаты нанесем на графики амплитудно-частотной и
фазочастотной характеристик, полученных ранее. Конечные графики представлены на
рисунках 13 и 14.
Рисунок 13 - АЧХ исследуемой цепи
Рисунок 14 - ФЧХ исследуемой цепи
Графики, изображенные толстыми сплошными линиями, получены с помощью
эксперимента, а линии, изображенные тонкими пунктиром, получены с помощью
расчетов.
При
сравнении результатов, полученных с помощью эксперимента и теоретических
наблюдений мы наблюдаем небольшое несоответствие. Определим среднеквадратичное
отклонение
, используя следующую формулу:
. (8.1)
Найдем
среднеквадратическое отклонение экспериментального графика АЧХ от
теоретического расчета:
.
Далее
найдем среднеквадратическое отклонение графика ФЧХ,
.
Данный
погрешности можно объяснить тем, что в теоретических расчетах не учитывались
сопротивления проводов. Кроме того, данные определялись с помощью приборов,
которые также имеют свою собственную погрешность.
8. РАЗРАБОТКА ПРОГРАММНОГО ОБЕСПЕЧЕНЬЯ
В ходе выполнения исследовательской части мной было разработано
приложение в интегрированной среде Delphi 7.0. Данное приложение позволяет рассчитать H-параметры, полосу удержания, коэффициент прямоугольности и
построить графика амплитудно-частотной и фазочастотной характеристик исследуемой
цепи. Главное окно программы представлено на рисунке 15.
Рисунок 15 -Главное окно программы
В левом верхнем углу программы изображена схема исследуемой цепи
В левом верхнем углу программы находится схема исследуемой цепи. Под
рисунком расположена панель (слева в средней части окна), предназначенная для
ввода начальных данных цепи (значение сопротивлений и емкостей конденсаторов,
амплитуду источника напряжения, его частоту и внутреннее сопротивление).Вводить
значения в поля можно с помощью клавиатуры.
После введения начальных данных необходимо выбрать блок расчета, который
будет выполняться, с помощью кнопок, расположенных в нижней части окна. При
нажатии кнопки “рассчитать Н-параметры” в окно, расположенное в нижнем левом
углу будут выведены Н-параметры. Окно программы с рассчитанными Н-параметрами
представлен на рисунке 16.
Рисунок 17 - Окно программы с рассчитанными Н-параметрами
При нажатии кнопки “Рассчитать” будут рассчитаны полоса удержания и
коэффициент прямоугольности. Окно программы с рассчитанными коэффициентом
прямоугольности и полосой удержания представлен на рисунке 17.
Рисунок 17 - Окно программы с рассчитанными коэффициентом прямоугольности
и полосой удержания
При нажатии кнопки “Построить графики” на экран в специально отведенные
координатные плоскости выводятся графики амплитудно-частотной и фазочастотной
характеристик исследуемой цепи. Окно программы с построенными АЧХ и ФЧХ
представлено на рисунке 18.
Рисунок 18 - Окно программы с построенными графиками АЧХ и ФЧХ
При сравнении всех полученных результатов с результатами, полученными с
помощью теоретических расчетов видно, что они совпадают.
Для повторного запуска программы необходимо изменить начальные данные, а
затем снова выбрать блок, который необходимо рассчитать. Для того, чтобы выйти
из программы необходимо нажать кнопку “Выход”, расположенную в правом нижнем
углу. Листинг программы представлен в Приложении В.
ЗАКЛЮЧЕНИЕ
В данной курсовой работе мы исследовали методы анализа воздействия гармонических
сигналов на линейные цепи, а в частности на линейные четырехполюсники. Для
выполнения поставленной задачи мы нашли значения токов и напряжений на всех
элементах электрической цепи, их амплитуды и модули. Также были построены
графики амплитудно-частотной и фазочастотной характеристик.
Для нахождения всех параметров исследуемой цепи мы пользовались
следующими методами расчета электрических цепей: метод Кирхгофа, метод,
основанный на законе Ома, метод узловых напряжений.
В
ходе выполнения работы было проверено, что ток на емкостях опережает напряжение
на угол, равный
, а на сопротивлениях их фазы совпадают. При
подстановке полученных результатов в законы Кирхгофа было установлено, что
погрешность не превышает
, следовательно полученные результаты верны.
Для
подтверждения теоретических расчетов были поведены экспериментальные
исследования цепи, в результате которых были получены графики
амплитудно-частотной и фазочастотной характеристик. При сравнении результатов,
полученных экспериментальным путем с результатами, полученными теоретически
была получена небольшая погрешность, которая объясняется тем, что
экспериментальные исследования проводились с приборами, имеющими погрешность.
В
процессе выполнения работы была смоделирована цепь в пакете MicroCAP
7.0. В данной программе мы построили графики амплитудно-частотной и
фазочастотной характеристик, при сравнении которых с графиками, полученными
теоретически, установили, что они совпадают.
При
написании данной курсовой работы широко применялась вычислительная техника и
различные программные средства, такие как пакет MathCAD 11,
интегрированная среда Delphi 7.0 для написания программного приложения,
вычисляющего Н-параметры цепи, полосу удержания и коэффициент прямоугольности и
позволяющую построить графики амплитудно-частотной и фазочастотной
характеристик цепи. Также был использован пакет MicroCAP 7.0, с
помощью которого осуществлялось моделирование цепи.
СПИСОК ЛИТЕРАТУРЫ
1. Вахтин О.Г., Каневский З.М., Литвиненко В.П.. Воздействие
гармонических колебаний на линейные цепи. Учеб. пособие. Воронеж: Воронеж. гос.
техн. ун-т, 2005, 88 с.
. Манаев Е.И.. Основы радиоэлектроники: Учеб. Пособие для
вузов. - 2-е изд., перераб. и доп. - М: Радио и связь, 1985. - 488 с., ил.
. Попов В.П. Основы теории цепей. М. Высш. шк.: 1985. 420 с.
4. Бессонов Л.А. Теоретические основы электротехники. М.:
Высш. шк., 1996. 638 с.
ПРИЛОЖЕНИЯ
Приложение А
Исходные данные

сопротивления элементов
Приложение Б