Расчет линейной электрической цепи при гармоническом воздействии

  • Вид работы:
    Курсовая работа (т)
  • Предмет:
    Информатика, ВТ, телекоммуникации
  • Язык:
    Русский
    ,
    Формат файла:
    MS Word
    369,9 Кб
  • Опубликовано:
    2012-05-06
Вы можете узнать стоимость помощи в написании студенческой работы.
Помощь в написании работы, которую точно примут!

Расчет линейной электрической цепи при гармоническом воздействии

ФЕДЕРАЛЬНОЕ АГЕНТСТВО ПО ОБРАЗОВАНИЮ

Радиотехнический факультет

Кафедра радиотехники








КУРСОВАЯ РАБОТА

по дисциплине: "Общая электротехника и электроника"

Расчет линейной электрической цепи при гармоническом воздействии












2010

Содержание

. Техническое задание на курсовую работу со схемами

2. Выбор варианта схемы

3. Расчет простой электрической цепи

4. Составление системы уравнений для расчета токов и напряжений

5. Расчет токов и напряжений в сложной электрической цепи методом Крамера

6. Расчет токов и напряжений в сложной электрической цепи методом обращения матрицы

7. Определение выражения для комплексного коэффициента передачи

8. Построение графиков АЧХ и ФЧХ с определением их характеристик

Список литературы

Приложение

электрический цепь ток напряжение

1. Техническое задание на курсовую работу со схемами

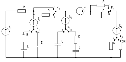
1. Каждому студенту в соответствии со своим порядковым номером по журналу выбрать вариант схему (Рис.1). Различные конфигурации схемы образуются с зависимости от положения ключей "K1"-"K5", которые устанавливаются по номеру варианта, представленному в двоичном коде. Номера позиций единиц и нулей в номере варианта читаются слева направо.

. Определить величины элементов схемы (Рис.1) и частоту генераторов с помощью следующих формул:

 [Ом]

 [Пф]

 [В]

 [кГц]

где N - порядковый номер студента, n - номер элемента в схеме.

. В схеме, полученной в п.1.1 исключить (замкнуть) все источники, кроме E1, и рассчитать, используя простые преобразования цепей, ток в цепи источника E1. По результатам расчета построить векторную диаграмму.

Рис. 1 - Схема электрической цепи для выбора варианта

4. Используя схему п.1.1, рассчитать токи и напряжения на ее элементах, используя формулы Крамера, а так же обращение матриц. Осуществить проверку.

. Для схемы из п.1.3 найти выражение для комплексного коэффициента передачи электрической цепи.

. Используя формулу для комплексного коэффициента передачи электрической цепи, определить выражение для АЧХ и ФЧХ цепи.

. Построить, используя выражения из п.1.6, графики для АЧХ и ФЧХ цепи.

. Определить граничные частоты полосы пропускания и коэффициент прямоугольности цепи, используя результаты из п.1.7.

. Дать характеристику исследуемой цепи по п.1.3 с точки зрения фильтрации электрических колебаний.

2. Выбор варианта схемы

Для выбора схемы необходимо представить номер варианта в двоичной форме: вариант № 12 в двоичной форме - 01100.

Далее устанавливаем переключатели К1-К5 (Рис.2) в положение, соответствующее номеру варианта в двоичной форме.

Рис. 2 - Схема цепи для варианта №12

Зарисуем получившуюся схему без переключателей и отсоединенных элементов.

Рис. 3 - Схема цепи для варианта №12

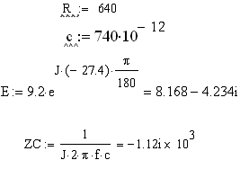
Определение значений сопротивления, емкости и источников напряжения:

R:=100∙(4+0.2∙12)=640

C:=100∙(5+0.2∙12)=740

Ė1,3,5 = 2· [7+(-1)1 + 12·0,2·12] ·e(-1) 1+12 j(25+0,2·12) =9,2·ej(-27,4)=8.17-j4.23 [В]

Ė2,4 = 2[7+(-1)2+12·0,2·12] ·e(-1) 2+12 j(25+0,2·12)=38.4·ej(27.4)=34.09+j17.67 [В]

Определение частоты генератора

= 10· [7+1·0,2·12] = 192 [кГц]

Все генераторы имеют одинаковую частоту, но значения напряжений, и значения начальной фазы на каждом из источников напряжения разные.

3. Расчет простой электрической цепи

Необходимо определить ток в цепи источника E1, когда все остальные источники закорочены. Для этого воспользуемся формулами для последовательного и параллельного соединения нескольких элементов и вычислим эквивалентное комплексное сопротивление Zэ.

Рис. 4 - Схема простой цепи

Выполним расчет цепи методом эквивалентного преобразования. Для удобства расчета представим элементы схемы в комплексной форме. Выполним эквивалентное преобразование цепи (Рис.4)

Рис. 5 - Схема с эквивалентным сопротивлением


Определим комплексные значения тока, напряжения на R и Zc в среде Mathcad:


- комплексное сопротивление конденсатора

Определим значение сопротивления Zэкв:


Определим ток I:


Зная ток, посчитаем Ur и Uz:


Строим векторную диаграмму. Для найденных напряжений строятся вектора с соответствующим модулем и фазой. На векторной диаграмме указывается выбранный масштаб для напряжений, а вектор тока указан без масштаба.

Рис. 6 - Векторная диаграмма

По полученной векторной диаграмме видно, что найденные значения напряжений на резисторе R и на эквивалентном комплексном сопротивлении цепи Z вычислены верно. Так же верно вычислены и начальные фазы напряжений на этих элементах. Проверка всех полученных значений тока и напряжений осуществляется с помощью моделирования в программе "Electronics Workbench". (Смотреть приложение)

Все вычисленные мной значения совпадают со смоделированными значениями в программе "Electronic Workbench". Расхождение между вычисленными и смоделированными значениями не более 0,1%

. Составление системы уравнений для расчета токов и напряжений

Для расчета токов и напряжений в сложной электрической цепи составим систему уравнений по методу контурных токов.

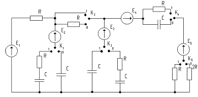
Рис. 7 - Схема сложной цепи

Сначала составим граф электрической схемы, согласно которому выберем независимые контуры, а так же зададим контурные токи.

Рис. 8- Граф цепи

Независимыми контурами будут: 12781; 23672; 34563

Для этих контуров составим систему уравнений по второму закону Кирхгофа с учетом совместного влияния одного контура на другой. Направления обхода во всех контурах необходимо выбрать одинаковыми (по часовой стрелке). Знак падения напряжения в основном контуре от токов соседних контуров выбирается плюс, если их направление совпадает с основным контурным током, и минус в случае несовпадения.


Полученную систему уравнений будем использовать далее, для расчетов значений токов и напряжений в электрической цепи методом Крамера и методом обращения матрицы.

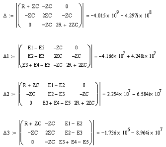
. Расчет токов и напряжений в сложной электрической цепи методом Крамера

По составленной системе уравнений составим матрицу сопротивлений Δ т.е. впишем соответствующие коэффициенты при контурных токах I1, I2, I3.


Токи в контурах определим по формуле Крамера: (n=1, 2, 3) ,


где ∆- полный определитель матрицы сопротивлений, а ∆n-определитель, полученный из ∆ при замене его элементов n-го столбца соответствующими правыми частями уравнений.


Контурные токи будут равны:

Посчитаем токи на ветвях цепи:


Проверка полученных данных осуществляется с помощью моделирования в программе "Electronic Workbenc". (Смотреть приложение)

Анализируя вычисленные и смоделированные значения токов на элементах электрической цепи приходим к выводу, что все полученные значения определены верно.

. Расчет токов и напряжений в сложной электрической цепи методом обращения матрицы

Воспользуемся системой уравнений, составленной ранее:


Для нахождения токов I1, I2, I3 решим систему уравнений методом обращения матрицы.


где Zn - обратная матрица комплексных сопротивлений.


матрица комплексных сопротивлений


- обратная матрица комплексных сопротивлений

Контурные токи будут равны:


Найдём токи на ветвях цепи:


Полученные значения методом Крамера в точности совпадают со значениями полученными методом обращения матрицы. Что говорит о правильности вычислений.

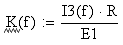
7. Определение выражения для комплексного коэффициента передачи

Комплексный коэффициент передачи находится по формуле:

 , при этом в схеме считать значение R = 1000 Ом, а C = 1нФ.

Рис.9 - Схема простой электрической цепи для расчета комплексного коэффициента передачи


Выражаем I1 из уравнения (1), подставляем I1 в уравнение (2) и выражаем I2, подставляем I2 в уравнение (3) выражаем ток I3:

Преобразуем формулу I3 для построения графиков АЧХ и ФЧХ:


зависимость сопротивления конденсатора от изменения частоты



- выражение для определения комплексного коэффициента передачи.

Проверка правильности вывода формулы для комплексного коэффициента передачи осуществляется с помощью программы "Mathcad" в режиме символьного решения системы уравнений.

Из имеющейся системы уравнений, составленной по второму закону Кирхгофа, составим матрицу сопротивлений.


Обратим матрицу в символьном режиме

Выпишем коэффициент В31 (он и будет являться током I3):


-выражение для определения комплексного коэффициента передачи.

Выражение для определения комплексного коэффициента передачи полученное с помощью собственных вычислений и программы "Mathcad" абсолютно идентичны, что говорит о правильности вывода формулы.

. Построение графиков АЧХ и ФЧХ с определением их характеристик

Для того чтобы построить график АЧХ необходимо вычислить модуль комплексного коэффициента передачи. Расчёты проводим в программе "Mathcad".


Далее строим графики АЧХ и ФЧХ:

Рис.10-График АЧХ цепи в среде "Mathcad"

Цепь представляет собой полосовой фильтр.

Из полученного графика АЧХ определяем граничные частоты (уровень 0,707) и коэффициент прямоугольности (нижний уровень 0,1)

П0,707 = 141442 - 0 = 141442Гц

П0,1 = 2495000 - 0 = 2495000Гц

Кп = П0707/П01 = 0,056

Для построения графика ФЧХ необходимо вычислить аргумент комплексного коэффициента передачи. Для этого также воспользуемся соответствующими операциями из программы MathCAD:

Рис.11-График ФЧХ цепи в среде "Mathcad"

Список литературы

1 Дьяконов В. Mathcad 8/2000:специальный справочник СПб, Питер 2001.-529с.

ПРИЛОЖЕНИЕ

Моделирование простой электрической цепи в программе "Electronic Workbenc 5.12"


Моделирование сложной электрической цепи в программе "Electronic Workbenc 5.12"


АЧХ и ФЧХ при моделировании цепи с помощью программы "Electronic Workbenc 5.12"

Похожие работы на - Расчет линейной электрической цепи при гармоническом воздействии

 

Не нашли материал для своей работы?
Поможем написать уникальную работу
Без плагиата!
Без нейросетей!