Разработка систем управления для электроприводов постоянного и переменного тока
Министерство образования и науки РФ
Федеральное государственное бюджетное
образовательное учреждение высшего профессионального образования
Кузбасский государственный
технический университет им. Т.Ф. Горбачева
Кафедра Электропривода и
Автоматизации
ПОЯСНИТЕЛЬНАЯ ЗАПИСКА
к курсовой работе
по дисциплине: Системы управления
электроприводов
Выполнил: ст. гр. ЭА-091
Суродин А.О.
Проверил: инженер
Липин А.В.
Кемерово 2013
Содержание
Введение
. Настройка системы регулирования скорости двигателя постоянного
тока
.1 Техническое задание
.2 Исследование объекта управления
.2.1 Модель двигателя
.2.2 Модель преобразователя
.2.3 Исследование неуправляемого объекта управления
.3 Расчет системы управления
.3.1 Настройка системы управления на технический оптимум
.3.2 Настройка системы управления на симметричный оптимум с
применением коррекции
.4 Принципиальная электрическая схема
. Настройка системы регулирования скорости асинхронного
двигателя с векторным управлением
.1 Техническое задание
.2 Исходные данные
.3 Исследование неуправляемого электропривода
.4 Расчет системы управления
Заключение
Список литературы
Приложение А
Введение
Целью курсовой работы является закрепление материала изученных
теоретических разделов дисциплины “системы управления электроприводов”, а так
же навыков моделирования сложных динамических систем.
Задачей курсовой работы является разработка систем управления для
электроприводов постоянного и переменного тока и исследование качества их
переходных процессов. При выполнении курсовой работы предстоит решить несколько
задач, таких как: настройка системы регулирования скорости двигателя
постоянного тока независимого возбуждения и асинхронного двигателя с векторным
управлением.
1. Настройка системы регулирования скорости двигателя постоянного
тока
1.1 Техническое
задание
Произвести синтез регуляторов системы управления (СУ) для электропривода
постоянного тока, схема которого показана на рис. 1.1 c электродвигателем марки Д-806.
Рис.
1.1. Схема регулируемого электропривода по системе тиристотный преобразователь
- двигатель (ТП-Д)
Выбор структуры и настройку регуляторов СУ необходимо производить таким
образом, чтобы электропривод обеспечивал диапазон регулирования 100:1.
Статическая ошибка на всем диапазоне регулирования не должна превышать 5%.
Перерегулирование угловой скорости при пуске вхолостую и при увеличении
от 0 до ее номинального значения не должно превышать 10%. Величина тока якоря
не должна превышать его двукратного номинального значения. Колебательность
угловой скорости должна не превышать трех. Время пуска, как вхолостую, так и с
нагрузкой, должно иметь значение от 0,5 до 1 с.
Параметры двигателя Д-806
.Номинальная мощность: Pн =
32 КВт.
.Номинальная скорость: nн
= 1000 об/мин.
.Номинальное напряжение: Uн
= 220 В.
.Номинальный ток: Iн
= 165 А.
5. Номинальный магнитный поток: Fн = 25 мВб.
.Сопротивление якоря с учётом добавочных полюсов: Rя = 0.047 Ом.
.Число параллельных ветвей якоря: 2а=2.
.Число полюсов: 2pn=4.
.Число активных проводников в якоре: N = 246.
.Момент инерции двигателя: J = 1
кг∙м2
При решении этой задачи предполагается, что двигатель преодолевает
реактивную нагрузку идеального сухого трения.
Коэффициент пропорциональности входного напряжения:
Коэффициенты передачи тахогенератора и датчика тока:
;
Максимальный входной сигнал БУТ:
1.2 Исследование
объекта управления
1.2.1 Модель
двигателя
Двигатель постоянного тока независимого возбуждения имеет две обмотки, и
как следствие - два канала управления. Введя оператор дифференцирования
, приведем модель ДПТ к виду:
где
- напряжение обмотки возбуждения;
- напряжение обмотки якоря
двигателя;
скорость двигателя;
конструктивный коэффициент;
- постоянная времени обмотки возбуждения;
- постоянная времени обмотки якоря;
- коэффициент соответствующий
линейной части кривой намагничивания двигателя.
Для двигателей средней и большой мощности постоянные времени обмоток
находятся в диапазонах
и
что свидетельствует о том, что канал управления по
возбуждению имеет на порядок большую инерционность, чем канал управления по
якорю.
Учитывая большую инерционность обмотки возбуждения и низкую
энергетическую эффективность регулирования координат ДПТ НВ изменением
магнитного потока, на практике чаще всего фиксируют ток возбуждения на
номинальном уровне, а регулирование осуществляют путем воздействия на обмотку
якоря. В этом случае считая магнитный поток постоянной величиной,
математическая модель ДПТ НВ будет линейной, с математическим описанием вида:
где
- жесткость механической характеристики двигателя;
- скорость идеального холостого
хода.
Распишем уравнение (1):
В уравнении (2) обозначим:
- коэффициент передачи по току
якоря. Перепишем уравнение (2) в соответствии с новыми обозначениями:
Структурная схема объекта управления, составленная по математическому
описанию, приведенному выше, представлена на рис. 1.2.
Рис.
1.2. Структурная схема объекта управления
Произведем расчет параметров структурной схемы объекта управления.
Скорость холостого хода двигателя:
где конструктивный коэффициент
Номинальная скорость двигателя:
Номинальный электромагнитный момент:
Индуктивность якорной цепи:
где γ =0.6 - коэффициент для двигателя без наличия компенсационной
обмотки.
Постоянная времени якоря:
Коэффициент передачи:
1.2.2 Модель
преобразователя
При составлении структурной схемы тиристорного преобразователя (ТП),
воспользуемся его линеаризованной моделью:
На рис. 1.3 представлена структурная схема тиристорного преобразователя,
составленная по приведенному выше математическому описанию.
Рис. 1.3. Структурная схема тиристорного преобразователя
Постоянная времени тиристорного преобразователя:
где
- частота сети.
Максимальное напряжение с выхода выпрямителя при угле отпирания
тиристоров α=0
где
=220 В - фазное напряжение трансформатора.
Найдем углы отпирания тиристоров для верхней и нижней границы
регулирования.
Верхняя граница:
где
- угол отпирания тиристоров на верхней границе
инвертирования;
- напряжение на верхней границе инвертирования:
Угол отпирания тиристоров для верхней границы инвертирования:
Напряжение управления на верхней границе инвертирования:
Нижняя граница:
где
- угол отпирания тиристоров на нижней границе
инвертирования;
- напряжение на нижней границе инвертирования:
Угол отпирания тиристоров на нижней границе инвертирования:
Напряжение управления на нижней границе инвертирования:
Так как внешняя характеристика преобразователя
линейная, то для нахождения
коэффициента передачи воспользуемся формулой:
1.2.3 Исследование
неуправляемого объекта управления
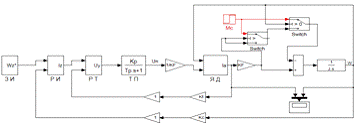
Рис. 1.4. Модель нерегулируемого электропривода, реализованная на Matlab Simulink.
- задатчик интенсивности (ЗИ), образующий
- напряжение управление; U- напряжение, сформированное
тиристорным преобразователем(ТП), подающееся на якорь двигателя(ЯД);
- ток двигателя; Мс-момент
сопротивления; Мэм-электромагнитный момент двигателя.
Рис. 1.5. Блок задатчика интенсивности.
Рис. 1.6. Блок якоря двигателя
Рис. 1.7. Блок сухого трения
Для определения показателей качества работы нерегулируемого
электропривода необходимо произвести моделирование в трех режимах:
) Пуск в холостую;
) Пуск при номинальной нагрузке;
) Наброс номинальной нагрузки по окончании переходного процесса.
Все опыты проводились в двух вариантах: при ступенчатой подаче на вход
системы напряжения Uy, соответствующего верхней и нижней границам заданного
диапазона угловой скорости. Показатели качества работы нерегулируемого
электропривода приведены в таблице 1.1.
Таблица
1.1.
|
Система
|
Режим
|
Верхняя граница
|
Нижняя граница
|
|
|
λiя
|
kw
|
tпw, с
|
σw,%
|
δw,%
|
λiя
|
kw
|
tпw, с
|
σw,%
|
δw,%
|
|
Разомкнутая
|
1
|
1,53
|
5
|
0,78
|
15,1
|
87,5
|
0,36
|
5
|
1,2
|
0,6
|
100
|
|
2
|
2
|
5
|
1,2
|
15,7
|
59
|
0,32
|
5
|
1
|
2,5
|
50
|
|
3
|
1,01
|
5
|
0,7
|
29
|
37
|
0,17
|
5
|
0,7
|
0,4
|
30
|
Результаты моделирования представлены в приложении A.
Вывод: показатели качества нерегулируемого электропривода не
соответствуют заданным требованиям. Для получения обратного результата
необходимо настроить систему управления.
1.3 Расчет
системы управления
Для регулирования координат электропривода выбираем систему подчиненного
регулирования. Эта система будет двухконтурной, так как, по заданию, необходимо
регулирование двух координат: скорости и тока якоря.
Настройку регуляторов необходимо осуществлять в два этапа. На первом
этапе настройка производится согласно методике настройки на технический
оптимум, после чего получают показатели качества работы регулируемого
электропривода, которые определяются с помощью моделирования в соответствующих
режимах. Второй этап производится в случае несоответствия полученных
показателей заданным требованиям и заключается в повторной настройке одного или
нескольких регуляторов с использованием методики настройки на симметричный оптимум,
или введения дополнительных корректирующих связей. По окончании второго этапа
так же необходимо определить показатели качества работы электропривода.
На рис. 1.8 представлена структурная схема системы управляемого
электропривода с использованием регуляторов скорости и тока:
Рис. 1.8. Структурная схема системы управления электроприводом с
регуляторами тока и скорости.
.3.1 Настройка системы управления на технический оптимум
Для настройки системы на технический оптимум необходимо разбить
структурную схему на контуры и рассчитать коэффициенты регуляторов.
Контур 1- контур регулятора тока:
Желаемая разомкнутая передаточная функция контура 1:
Действительная разомкнутая передаточная функция контура 1:
Приравниваем желаемую и действительную передаточные функции и выражаем
передаточную функцию регулятора тока:
Получился ПИ-регулятор тока с коэффициентами интегральной и
пропорциональной составляющими соответственно:
Замкнутая передаточная функция контура 1:
Контур 2- контур регулятора тока:
Желаемая разомкнутая передаточная функция контура 2:
Действительная разомкнутая передаточная функция контура 2:
Выражаем передаточную функцию регулятора скорости:
Получился П-регулятор скорости с коэффициентом пропорциональной
составляющей:
.
Далее на рис.1.9. представлена модель регулируемого электропривода
реализованная на Matlab Simulink.
Рис.
1.9. Модель регулируемого электропривода
Задатчик интенсивности (ЗИ) образует заданное значение скорости
; Регулятор скорости (РИ) формирует
заданное значение тока
; Регулятор тока (РТ) формирует напряжение управления Uy,
подаваемое на тиристорный преобразователь (ТП).
Рис. 1.10. Блок задатчика интенсивности.
Рис. 1.11. Блок регулятора скорости.
Рис. 1.12. Блок регулятора тока.
Для определения показателей качества регулируемого электропривода,
настроенного на технический оптимум, необходимо произвести моделирование в трех
режимах:
) Пуск в холостую;
) Пуск при номинальной нагрузке;
) Наброс номинальной нагрузки по окончании переходного процесса.
Все опыты проводились в двух вариантах: на верхних и нижних границах.
Показатели качества работы регулируемого электропривода приведены в таблице
1.2.
Таблица 1.2.
|
Система
|
Режим
|
Верхняя граница
|
Нижняя граница
|
|
|
λiя
|
kw
|
tпw, с
|
σw,%
|
δw,%
|
λiя
|
kw
|
tпw, с
|
σw,%
|
δw,%
|
|
Технический оптимум
|
1
|
5,5
|
1
|
0,5
|
26
|
0
|
0,16
|
0
|
0,18
|
0
|
0
|
|
2
|
6
|
1
|
0,5
|
25
|
12
|
0,16
|
0
|
0.18
|
0
|
0
|
|
3
|
1,09
|
1
|
0,5
|
12
|
3
|
0
|
0
|
0
|
0
|
0
|
Результаты моделирования представлены в приложении А.
Вывод: из полученных результатов видно, что настройка системы управления
на технический оптимум не улучшила показатели качества: выброс по току при
пуске при номинальной нагрузке оказался больше
, и скорость не вышла на заданный
уровень. Поэтому необходимо настроить систему управления на симметричный
оптимум с применением коррекции.
1.3.2
Настройка системы управления на симметричный оптимум с применением коррекции
Выше в п. 1.3.1. был найден коэффициент пропорциональной составляющей
регулятора скорости. Для того чтобы настроить систему управления на
симметричный оптимум необходимо найти коэффициент интегральной составляющей
регулятора скорости.
Преобразуем желаемую разомкнутая передаточная функция контура 2 к виду,
соответствующему настройке на симметричный оптимум:
Приравниваем желаемую и действительную передаточные функции и выражаем
передаточную функцию регулятора скорости, не изменяя действительную
передаточную функцию контура 2:
Получился ПИ-регулятор скорости с коэффициентами интегральной и
пропорциональной составляющими соответственно:
Для защиты от перегрузки по току вводим ограничитель тока:
2 раза
Для определения показателей качества регулируемого электропривода,
настроенного на симметричный оптимум с применением коррекции, необходимо
произвести моделирование в трех режимах:
) Пуск в холостую;
) Пуск при номинальной нагрузке;
) Наброс номинальной нагрузки по окончании переходного процесса.
Все опыты проводились в двух вариантах: на верхних и нижних границах.
Показатели качества работы регулируемого электропривода приведены в таблице
1.3.
Таблица 1.3.
|
Система
|
Режим
|
Верхняя граница
|
Нижняя граница
|
|
|
λiя
|
kw
|
tпw, с
|
σw,%
|
δw,%
|
λiя
|
kw
|
tпw, с
|
σw,%
|
δw,%
|
|
Коррекция
|
1
|
1,09
|
3
|
1,7
|
4
|
0
|
1,06
|
2
|
1,8
|
3,5
|
≈9
|
|
2
|
1,5
|
3
|
1,7
|
3
|
0
|
1,06
|
2
|
1,4
|
1,2
|
≈9
|
|
3
|
1,29
|
3
|
1,7
|
8
|
0
|
1,06
|
2
|
1,8
|
1
|
Результаты моделирования представлены в приложении А.
Вывод: из полученных результатов видно, что настройка системы управления
на симметричный оптимум с применением коррекции улучшила показатели качества:
выброс по току при пуске при номинальной нагрузке оказался меньше
, и скорость вышла на заданный
уровень. В итоге, показатели качества стали приемлемыми заданным условиям.
1.4
Принципиальная электрическая схема
В задачу разработки принципиальной электрической схемы входит определение
параметров элементов схемы. Принципиальная электрическая схема задатчика
интенсивности (ЗИ), регуляторов тока и скорости представлены на рис. 1.13, где
РТ и РС - регуляторы тока и скорости соответственно.
Рис. 1.13. Принципиальная электрическая схема задатчика интенсивности,
регуляторов тока и скорости
Расчет параметров принципиальной электрической схемы:
Далее найдем емкость конденсатора в обратной связи регулятора скорости:
Сопротивление резистора в обратной связи регулятора скорости:
Емкость конденсатора в обратной связи регулятора тока:
Сопротивление резистора в обратной связи регулятора скорости:
Стабилитрон, ограничивающий ток регулятора скорости, выбираем исходя из
заданного значения ограничения напряжения(ограничивающий ток
A):
Стабилитрон, ограничивающий напряжение управления
подаваемое на тиристорный
преобразователь:
Сопротивления ЗИ берутся равными:
Емкость конденсатора в ЗИ:
2. Настройка
системы регулирования скорости асинхронного двигателя с векторным управлением
2.1 Техническое
задание
Произвести синтез системы векторного управления (СВУ) по скорости для
асинхронного электропривода, показанного на рис. 2.1.
Рис. 2.1. Схема асинхронного электропривода с СВУ
Регулирование угловой скорости асинхронного двигателя (АД) осуществляется
за счет изменения его электромагнитного момента. Помимо регулирования момента,
СВУ обеспечивает регулирование потокосцепления ротора АД.
Выбор структуры и настройку регуляторов СВУ необходимо производить таким
образом, чтобы электропривод обеспечивал диапазон регулирования 100:1.
Статическая ошибка на всем диапазоне регулирования не должна превышать 5%.
Перерегулирование угловой скорости при пуске вхолостую и при увеличении
нагрузки от 0 до ее номинального значения не должно превышать 10%.
Колебательность скорости не должна превышать трех. Время пуска, как вхолостую,
так и с нагрузкой, должно иметь значение от 0,5 до 1 с.
2.2 Исходные
данные
Параметры двигателя 4A132S4Y3 представлены в таблице 2.1.
Таблица 2.1.
|
Номинальная мощность -
|
3.0
кВт
|
|
Фазное напряжение подводимое к статору двигателя - U1ф
|
220 В
|
|
Номинальная частота вращения двигателя -
|
1500 об/мин
|
|
КПД -
|
79.6%
|
|
 0,82
|
|
|
Индуктивное сопротивление цепи намагничивания -
|
3,3
отн.ед.
|
|
Активное сопротивление статорной цепи -
|
0,15
отн.ед.
|
|
Индуктивное сопротивление статорной цепи -
|
0,11
отн.ед.
|
|
Активное сопротивление роторной цепи -
|
0,044
отн.ед.
|
|
Индуктивное сопротивление роторной цепи -
|
0,13
отн.ед.
|
|
Момент инерции двигателя -
|
0,017
|
|
Число полюсов -
|
4
|
|
Частота питающего напряжения -
|
50 Гц
|
|
Номинальное скольжение -
|
2.9%
|
|
Критическое скольжение -
|
17%
|
|
Кратность пускового момента -
|
1.8
|
Данные двигателя 4A132S4Y3, взятые из [2] в относительных единицах надо пересчитать по
методике, имеющейся в [2].
Пересчет параметров двигателя:1ф - фазный ток статора
двигателя:
;
Индуктивности обмоток рассеяния:
Индуктивность цепи намагничивания:
Собственные индуктивности обмоток:
Скорость холостого хода двигателя:
Номинальная скорость двигателя:
2.3 Исследование
неуправляемого электропривода
При исследовании неуправляемого электропривода, необходимо определить
показатели качества работы нерегулируемого электропривода. Для получения этих
показателей необходимо произвести моделирование в двух режимах:
) прямой пуск при номинальной нагрузке;
) наброс номинальной нагрузки по окончанию переходного процесса.
Компьютерная модель нерегулируемого электропривода реализованного в
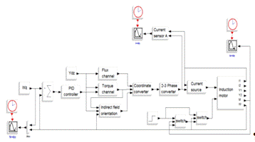
приложении ScicosLab изображена на рис. 2.2.
Рис. 2.2. Компьютерная модель нерегулируемого электропривода:
, UB, UC - фазные напряжения, подводимые к обмоткам двигателя; Induction motor - блок модели двигателя; Мс - номинальный момент
сопротивления, действующий в блоке сухого трения; W - угловая скорость; М - электромагнитный момент; I1 - токи статорной обмотки; I2 - токи роторной обмотки; Y1 - потокосцепление статора; Y2 - потокосцепление ротора.
Компьютерная модель двигателя(Induction motor)
представлена на рис.2.3:
Рис. 2.3. Компьютерная модель двигателя(Induction motor)
Далее на рис. 2.4 - 2.6. представлены составляющие модели двигателя, а именно: Stator and rotor model, Equation of electromagnetic
coupling, 2-3 Phase converter:
Рис.
2.4. Блок Stator and rotor model
Рис.
2.5. Блок Equation of
electromagnetic coupling
Рис. 2.6. Блок 2-3 Phase converter
Показатели качества работы нерегулируемого электропривода приведены в
таблице 2.2.
Таблица 2.2.
|
Система
|
Режим
|
Верхняя граница
|
Нижняя граница
|
|
|
kω
|
tпω, с
|
σω,%
|
δω,%
|
kω
|
tпω, с
|
σω,%
|
δω,%
|
|
Разомкнутая
|
1
|
14
|
0,1
|
14,6
|
0,13
|
15
|
0,5
|
21
|
50
|
|
2
|
14
|
0,15
|
17
|
0,13
|
15
|
0,1
|
19
|
79
|
|
3
|
14
|
0,06
|
3,06
|
0,13
|
15
|
0,3
|
3
|
50
|
) Пуск в холостую;
) Пуск при номинальной нагрузке;
) Наброс номинальной нагрузки по окончании переходного процесса.
Вывод: из полученных результатов переходных процессов, приведенных в
табл. 2.2 видно, что качество переходных процессов не соответствует заданным
требованиям, для улучшения качества переходных процессов и для обеспечения
регулирования координат электропривода необходимо настроить систему векторного
управления.
2.4 Расчет
системы управления
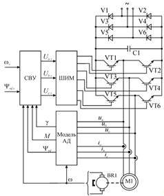
Для управления электроприводом будем использовать систему классического
токового векторного управления с использованием регуляторов скорости и тока.
Рис. 2.7. Структурная схема системы классического токового векторного
управления
Расчет регулятора тока:
Пренебрегая всеми токами кроме
, получаем уравнение:
На рис. 2.8. представлена структурная схема регулятора тока, по которой
определяются параметры регулятора.
Рис. 2.8. Контур регулятора тока
Желаемая передаточная функция регулятора тока:
Отсюда
равна:
Таким образом получаем ПИ- регулятор с параметрами:
Расчет регулятора скорости:
Рис. 2.9. Контур регулятора скорости
В системе классического токового векторного управления питание происходит
от источника тока, следовательно, токи статора и потоки ротора равны желаемым,
это значит, что электромагнитный момент тоже равен желаемому.
Желаемая передаточная функция регулятора скорости:
Постоянная времени Т для одноемкостного звена равна:
где
- желаемое время переходного процесса.
Таким образом получаем П- регулятор с параметрами:
Проводим моделирование системы АД с классическим токовым векторным
управлением в программной среде ScicosLab. Структурная схема этой системы представлена на рис. 2.10. Результаты
моделирования представлены в таблице 2.3.
Таблица
2.3.
|
Система
|
Режим
|
Верхняя граница
|
Нижняя граница
|
|
|
kω
|
tпω, с
|
σω,%
|
δω,%
|
kω
|
tпω, с
|
σω,%
|
δω,%
|
|
Замкнутая
|
1
|
1
|
5
|
1,3
|
0,3
|
1
|
4
|
20
|
94
|
|
2
|
1
|
3
|
2,2
|
0,6
|
1
|
9
|
18
|
94
|
|
3
|
1
|
3
|
1,28
|
0,6
|
1
|
3,5
|
48
|
94
|
Рис. 2.10. Компьютерная модель АД с системой классического токового
векторного управления
Результаты моделирования представлены в приложении А.
Вывод: из полученных результатов переходных процессов, приведенных в
табл. 2.4.1 видно, что их значения не соответствуют заданным требованиям. Было
принято решение увеличить пропорциональные составляющие регуляторов, вследствие
чего система стала работать удовлетворительно.
Заключение
регулятор управление электропривод двигатель
В ходе выполнения курсового проекта по системам управления
электроприводами мы научились разрабатывать и настраивать системы регулирования
скорости двигателя постоянного тока и асинхронного двигателя с векторным
управлением, а также анализировать их качество. Также мы научились
разрабатывать принципиальные электрические схемы систем управления
электроприводами постоянного тока.
В ходе выполнения заданий было выявлено, что независимо от вида системы
управления, каждая из систем имеет ряд недостатков и допущений, которые
отрицательно влияют на показатели качества переходных процессов. Поэтому при
настройке систем управления электроприводов, к которым предъявляются высокие
требования к показателям качества, нужно сразу настраивать систему с учетом
корректирующих воздействий
Список
литературы
1. Каширских
В.Г., Семыкина И.Ю. - Методические указания к выполнению курсовой работы. -
Кемерово: КузГТУ, 2007. - 18 с.
2. Каширских
В.Г. Теория автоматического управления: Учебное пособие. - Кемерово: КузГТУ,
2002. - 149с.
. Ключев
В.И. Теория электропривода: Учеб. для вузов. - 3-е изд., перераб. и доп. - М.:
Энергоатомиздат, 2001. - 704 с.
. Асинхронные
двигатели серии 4А: Справочник / А.Э. Кравчик, М.М, Шлаф, В.И. Афонин, Е.А.
Соболенская. - М.: Энергоиздат, 1982. - 504 с.
Приложение
А
Результаты моделирования неуправляемого ДПТ
Верхняя граница:
Рис. А.1. Пуск с набросом нагрузки по окончанию переходного процесса
Рис. А.2. Пуск при номинальной нагрузке
Нижняя граница:
Рис. А.3. Пуск с набросом нагрузки по окончанию переходного процесса
Рис. А.4. Пуск при номинальной нагрузке
Результаты моделирования системы управления ДПТ настроенной на технический
оптимум
Верхняя граница:
Рис. А.5. Пуск с набросом нагрузки по окончанию переходного процесса
Рис. А.6. Пуск при номинальной нагрузке
Нижняя граница:
Рис. А.7. Пуск с набросом нагрузки по окончанию переходного процесса
Рис. А.8. Пуск при номинальной нагрузке
Результаты моделирования системы управления ДПТ настроенной на
симметричный оптимум с применением коррекции
Верхняя граница:
Рис. А.9. Пуск с набросом нагрузки по окончанию переходного процесса
Рис. А.10. Пуск при номинальной нагрузке
Нижняя граница:
Рис. А.11. Пуск с набросом нагрузки по окончанию переходного процесса
Рис. А.12. Пуск при номинальной нагрузке
Результаты моделирования АД с системой векторного токового управления
Верхняя граница:
Рис. А.13. Пуск с набросом нагрузки по окончанию переходного процесса
Нижняя граница:
Рис. А.14. Пуск с набросом нагрузки по окончанию переходного процесса