Тяговый электропривод городского трамвая типа РВЗ с двигателем постоянного тока независимого возбуждения с транзисторно-импульсной системой управления
Содержание
ВВЕДЕНИЕ
. ТЕХНОЛОГИЧЕСКАЯ ЧАСТЬ И РАЗРАБОТКА ТРЕБОВАНИЙ К ПРИВОДУ
. РАЗРАБОТКА ТРЕБОВАНИЙ К ЗАДАННОЙ СИСТЕМЕ УПРАВЛЕНИЯ ТЯГОВЫМ
ПРИВОДОМ
. РАСЧЕТ НАГРУЗОК ТЯГОВОГО МЕХАНИЗМА В ОСНОВНЫХ РЕЖИМАХ ЗАДАННОГО
ЦИКЛА
. ПРЕДВАРИТЕЛЬНЫЙ ВЫБОР ТЯГОВОГО ЭЛЕКТРОДВИГАТЕЛЯ
. ПРОВЕРКА ДВИГАТЕЛЯ ПО ТЯГОВО-ТОРМОЗНОЙ ДИАГРАММЕ
. РАСЧЁТ ИСКУССТВЕННЫХ ЭЛЕКТРОМЕХАНИЧЕСКИХ И МЕХАНИЧЕСКИХ
ХАРАКТЕРИСТИК ТЯГОВОГО ПРИВОДА
. РАСЧЁТ ОСНОВНЫХ ЭНЕРГЕТИЧЕСКИХ ПОКАЗАТЕЛЕЙ
. ПРОЕКТИРОВАНИЕ ПРИНЦИПИАЛЬНОЙ СХЕМЫ СИЛОВОЙ ЦЕПИ И ФУНКЦИОНАЛЬНОЙ
СХЕМЫ УПРАВЛЕНИЯ ТЯГОВЫМ ЭЛЕКТРОПРИВОДОМ
ЗАКЛЮЧЕНИЕ
СПИСОК ЛИТЕРАТУРЫ
Введение
Современный городской электрический транспорт является одним из основных
среди всех, предназначенных для маршрутного обслуживания населения городов.
Различные его виды отличаются технико-экономическими и эксплуатационными
показателями, которые определяют целесообразность применения каждого вида
пассажирского транспорта в тех или иных конкретных условиях.
Используя электрический ток в качестве энергоносителя, трамвай по
сравнению с другими видами транспорта имеет весьма существенные преимущества.
Он не выделяет при работе продуктов сгорания, загрязняющих воздух, что для
городов имеет большое экологическое значение, также трамвай с транзисторной
системой управления является относительно экономическим видам городского
транспорта.
Также остается нерешенной проблема энергоресурсов для транспорта, которая
возникает ввиду истощения природных ресурсов, например, мировых запасов нефти.
А, как известно, городской электрический транспорт обладает возможностью
рекуперировать электроэнергию в контактную сеть, а также аккумулировать ее в
специальных устройствах, накопителях, чтобы далее использовать ее в своих
целях, например разгоняться после остановки, без использования электроэнергии
контактной сети. Это делает электротранспорт более экономичным по сравнению с
транспортом, работающим благодаря ДВС.
В данной курсовой работе за базовую модель был принят трамвайный вагон
типа РВЗ. Была поставлена задача разработать для него электропривод с
двигателем постоянного тока независимого возбуждения с реостатно-контакторной
системой управления.
1. Технологическая часть и разработка требований
к приводу
Исходные данные для расчёта:
· маршрут 26Г+4ПC4+2ПC5+3ПС3
где Г - горизонтальный участок с величиной уклонов ±0,5%;
ПC4 - подъем-спуск 4%;
ПC5 - подъем-спуск 5%;
ПC3 - подъем-спуск 3%;
длина
одного участка S = 500 м;
· ускорение (замедление) aр = 1
м/с2;
· путь дотягивания на одном участке Sд = 5 м;
· максимальная скорость υmах = 66 км/ч;
· скорость дотягивания υдот = 1 м/c;
· номинальная скорость υном = 30 км/ч;
· полная масса троллейбуса m = 31625 кг;
· масса колеса mк =
100 кг;
· радиус колеса rк = 0,3 м;
· число колёс n = 8
шт;
· КПД трансмиссии η = 0,88;
· коэффициент сопротивления качению fк = 0,02;
· передаточное число трансмиссии i= 5,5;
· отношения
постоянных и переменных потерь γ = 
= 1,8;
· коэффициент
трения в ступицах подшипников kст = 0,015.
2. Разработка требований к заданной системе
управления тяговым приводом
Предъявляемые требования к ТЭД выражаются в надежности, повышении оценок
качества, простоты исполнения, экономичности, оптимальности при выполнении
необходимых критериев Система управления должна быть легка в обслуживании и
эксплуатации и должна иметь хорошие экономические показатели. Источниками
экономии электроэнергии могут являться:
- снижение потерь при пуске;
рекуперация при торможении, когда кинетическая энергия движения
преобразуется в электрическую, возвращаемую в контактную сеть, либо
аккумулируется в накопительные устройства.
В частности, при существующей структуре контактной сети электротранспорта
постоянного тока отсутствует возможность возврата энергии на питающие
подстанции, следовательно, её потребителем может быть только электротранспорт,
находящийся на том же участке контактной сети в режиме потребления
электроэнергии. Если потребитель отсутствует, то неизбежно применение
реостатного торможения.
Потери энергии при электрическом торможении складываются из:
энергии, рассеиваемой на тормозных реостатах;
потерь в реакторах и обмотках тяговых двигателей, в конденсаторах
фильтров;
коммутационных потерь в ключевых элементах импульсных преобразователей.
Как правило, при проектировании и тем более модернизации существующих
систем тягового электропривода нет возможности существенно изменить параметры
двигателей и фильтров.
В тоже время оптимизация параметров системы, ставящая своей целью
снижение потерь, достаточно сложна и не может быть осуществлена в рамках
традиционных методик проектирования. Поэтому необходимы новые концепции
разработки систем управления тяговым электроприводом оптимизированных как по
энергосбережению, так и по максимальному моменту, в условиях ограничения по
сцеплению и мощности.
3. Расчет нагрузок тягового механизма в основных режимах заданного
цикла
Момент инерции привода
,
где
- момент инерции тихоходного вала
- момент
инерции быстроходного вала
Тогда
.
Момент
инерции тягового механизма найдем из выражения:
тогда
момент инерции привода:
.
Сумма
развиваемого двигателем вращающийся момент
и
момента механизма
составляет инерционный динамическим моментом
, т.е.
,
где
.
Момент
механизма
,
где
a и b - переменная и постоянная составляющие момента сопротивления;кц - момент
кинематической цепи, Н·м;кц.ном - номинальный момент кинематической цепи, Н·м;
.
Рассчитаем
коэффициенты
и
.
Тогда
.
Расчет
параметров диаграмм на горизонтальном участке с уклоном +0,5%
Сила сопротивления движению трамвая
на участке:
Угол
уклона
равен:
.
Н·м.
Н·м.
Н·м.
Н·м.
Принимаем
номинальный момент
;
;
;
;
;
;
;
.
Момент
двигателя:
Если
суммарная сила сопротивления движению положительна (Fсопр>0), то
момент двигателя считается по формуле:
.
Если
суммарная сила сопротивления движению отрицательна (Fсопр<0), то
момент двигателя считается по формуле:
.
Н·м;
Н·м;
Н·м.
Рассчитаем
параметры приближенной скоростной диаграммы на горизонтальном участке:
разгон:
Время
разгона
с.
Путь
разгона
м.
выбег:
Если
суммарная сила сопротивления движению положительна (Fсопр>0), то
выбег осуществляется до скорости
.
Сила
сопротивления при этом составит:
Если
суммарная сила сопротивления движению отрицательна (Fсопр<0), то
выбег осуществляется до скорости
.
Сила
сопротивления при этом составит:
Путь
выбега определим из выражения:
Время
выбега найдем из выражения:
торможение:
Принимаем
конечную скорость торможения
м/с.
Тогда
время торможения:
с.
Путь
торможения:
м.
дотягивание:
Принимаем
путь дотягивания
м и скорость
м/с.
Тогда
время дотягивания:
с.
остановка:
Принимаем
начальную скорость торможения
м/с.
Принимаем
конечную скорость торможения (остановка)
м/с.
Тогда
время торможения:
с.
Путь
торможения:
м.
тяга:
Принимаем
расстояние между остановками
500 м.
Тогда
путь тяги
м.
Время
тяги
с.
По
рассчитанным параметрам строим приближенную скоростную (рисунок 1), и
нагрузочную (рисунок 3) диаграммы и диаграмму пути (рисунок 2) на
горизонтальном участке с уклоном +0,5%.
Рисунок
1 - Скоростная диаграмма на горизонтальном участке с уклоном +0,5%
Рисунок
2 - Диаграмма пути на горизонтальном участке с уклоном +0,5%
Рисунок
3 - Нагрузочная диаграмма на горизонтальном участке с уклоном +0,5%
Расчет
параметров диаграмм на горизонтальном участке с уклоном -0,5%
Расчет ведется по методике, описанной в п. 2.1. Результаты расчета сведем
в таблицу 1.
Таблица 1 - Расчет параметров на горизонтальном участке с уклоном -0,5%
|
Сила сопротивления на
участке, Н
|
5052,878
|
|
Момент двигателя, Н∙м
|
Время, с
|
Путь, м
|
|
|
на участке
|
суммарное
|
на участке
|
суммарный
|
|
Разгон
|
2110,78
|
8,3
|
8,3
|
34,7
|
34,7
|
|
Установившееся движение
|
275,6
|
44,8
|
53,2
|
373,45
|
408,15
|
|
Выбег
|
0
|
7,1
|
60,2
|
64,6
|
472,75
|
|
Торможение
|
-1559,5
|
5,7
|
65,9
|
21,75
|
495
|
|
Дотягивание
|
275,61
|
5
|
70,9
|
5
|
499,5
|
|
Остановка
|
0
|
1
|
71,9
|
0,5
|
500,00
|
По данным таблицы 1 строим приближенную скоростную (рисунок 4) и нагрузочную (рисунок 6) диаграммы и диграмма пути (риунок 5) на горизонтальном участке с уклоном
-0,5%.
Рисунок 4 - Скоростная диаграмма на горизонтальном участке с уклоном
-0,5%
Рисунок 5 - Диаграмма пути на горизонтальном участке с уклоном -0,5%
Рисунок 6 - Нагрузочная диаграмма на горизонтальном участке с уклоном
-0,5%
Расчет
параметров диаграмм на подъёме 4%
Расчет ведется по методике, описанной в п. 2.1. Результаты расчета сведем
в таблицу 2.
Таблица 2- Расчет параметров на подъеме +4%
|
Сила сопротивления на
участке, Н
|
29398,2
|
|
Момент двигателя, Н∙м
|
Время, с
|
Путь, м
|
|
|
на участке
|
суммарное
|
на участке
|
суммарный
|
|
Разгон
|
3438,7
|
8,3
|
8,3
|
34,7
|
34,7
|
|
Установившееся движение
|
1603,5
|
51,1
|
59,4
|
425,6
|
460,3
|
|
Выбег
|
0
|
1,65
|
61,05
|
12,45
|
472,75
|
|
Торможение
|
-231,62
|
5,7
|
68,35
|
21,75
|
494,50
|
|
Дотягивание
|
1603,5
|
5
|
73,35
|
5
|
499,50
|
|
Остановка
|
0
|
1
|
74,35
|
0,5
|
500,00
|
По данным таблицы 2 строим приближенную скоростную (рисунок 7) и
нагрузочную (рисунок 9) диаграммы и диграмма пути (риунок 8) на подъеме с уклоном +4%.
Рисунок 7 - Скоростная диаграмма на подъеме с уклоном +4%
Рисунок 8 - Диграмма пути на подъеме с уклоном +4%
Рисунок 9- Нагрузочная диаграмма на подъеме с уклоном +4%
Расчет
параметров диаграмм на спуске с уклоном -4%
Расчет ведется по методике, описанной в п. 2.1. Результаты расчета сведем
в таблицу 3.
Таблица 3- Расчет параметров на подъеме -4%
|
Сила сопротивления на
участке, Н
|
-13911,6
|
|
Момент двигателя, Н∙м
|
Время, с
|
Путь, м
|
|
|
на участке
|
суммарное
|
на участке
|
суммарный
|
|
Разгон
|
1076,35
|
8,3
|
8,3
|
34,7
|
34,7
|
|
Установившееся движение
|
-758,8
|
47,54
|
55,84
|
396
|
430,7
|
|
Выбег
|
0
|
4,6
|
60,44
|
42,05
|
472,75
|
|
Торможение
|
-2594
|
5,7
|
67,74
|
21,75
|
494,50
|
|
Дотягивание
|
-758,8
|
5,00
|
72,74
|
5,00
|
499,50
|
|
Остановка
|
0
|
1,00
|
73,74
|
0,50
|
500,00
|
По данным таблицы 3 строим приближенную скоростную (рисунок 10) и
нагрузочную (рисунок 12) диаграммы диграмма пути (риунок 11) на подъеме с уклоном -4%.
Рисунок 10 - Скоростная диаграмма на спуске с уклоном -4%
Рисунок 11 - Диграмма пути на
спуске с уклоном -4%
Рисунок 12 - Нагрузочная диаграмма на спуске с уклоном -4%
Расчет
параметров диаграмм на подъеме 5%
Расчет ведется по методике, описанной в п. 2.1. Результаты расчета сведем
в таблицу 4.
Таблица 4 - Расчет параметров на подъеме 5%
|
Сила сопротивления на
участке, Н
|
416,56
|
|
Момент двигателя, Н∙м
|
Время, с
|
Путь, м
|
|
|
на участке
|
суммарное
|
на участке
|
суммарный
|
|
Разгон
|
3732,75
|
8,3
|
8,3
|
34,7
|
34,7
|
|
Установившееся движение
|
1897,5
|
51,31
|
59,61
|
427,45
|
462,15
|
|
Выбег
|
0
|
1,41
|
61,02
|
10,6
|
472,75
|
62,4
|
5,7
|
68,72
|
21,75
|
494,50
|
|
Дотягивание
|
1897,5
|
5,00
|
73,72
|
5,00
|
499,50
|
|
Остановка
|
0
|
1,00
|
74,72
|
0,50
|
500,00
|
По данным таблицы 4 строим приближенную скоростную (рисунок 13) и
нагрузочную (рисунок 15) диаграммы и диаграмму пути (рисунок 14) на подъеме с
уклоном 5%.
Рисунок 13 - Скоростная диаграмма на подъеме с уклоном 5%.
Рисунок 14 - Диаграмма пути на подъеме с уклоном 5%
Рисунок 15 - Нагрузочная диаграмма на подъеме с уклоном 5%.
Расчет
параметров диаграмм на спуске -5%
Расчет ведется по методике, описанной в п. 2.1. Результаты расчета сведем
в таблицу 5.
Таблица 5 - Расчет параметров на спуске -5%
|
Сила сопротивления на
участке, Н
|
-3115,76
|
|
Момент двигателя, Н∙м
|
Время, с
|
Путь, м
|
|
|
на участке
|
суммарное
|
на участке
|
суммарный
|
|
Разгон
|
781,15
|
8,3
|
8,3
|
34,7
|
34,7
|
|
Установившееся движение
|
-1054
|
49,15
|
57,45
|
409,45
|
444,15
|
|
Выбег
|
0
|
3,12
|
60,57
|
28,6
|
472,75
|
|
Торможение
|
-2889,2
|
5,7
|
66,27
|
21,75
|
494,50
|
|
Дотягивание
|
-1054
|
5,00
|
71,27
|
5,00
|
499,50
|
|
Остановка
|
0
|
1,00
|
72,27
|
0,50
|
500,00
|
По данным таблицы 5 строим приближенную скоростную (рисунок 16) и
нагрузочную (рисунок 18) диаграммы и диаграмму пути (рисунок 17) на спуске -5%.
Рисунок 16 - Скоростная диаграмма на спуске -5%
Рисунок 17- Диаграмма пути на спуске -5%
Рисунок 18 - Нагрузочная диаграмма на спуске -5%
Расчет
параметров диаграмм на спуске -3%
Расчет ведется по методике, описанной в п. 2.1. Результаты расчета сведем
в таблицу 6
Таблица 6- Расчет параметров на спуске -3%
|
Сила сопротивления на
участке, Н
|
-8495,38
|
|
Момент двигателя, Н∙м
|
Время, с
|
Путь, м
|
|
|
на участке
|
суммарное
|
на участке
|
суммарный
|
|
Разгон
|
1371,7
|
8,3
|
8,3
|
34,7
|
34,7
|
|
Установившееся движение
|
-463,4
|
43
|
51,3
|
358,45
|
393,15
|
|
Выбег
|
0
|
8,7
|
60
|
79,6
|
472,55
|
|
Торможение
|
-2298,5
|
5,7
|
65,7
|
21,75
|
494,50
|
|
Дотягивание
|
-463,4
|
5,00
|
70,7
|
5,00
|
499,50
|
|
Остановка
|
0
|
1,00
|
71,7
|
0,50
|
500,00
|
По данным таблицы 6 строим приближенную скоростную (рисунок 19) и
нагрузочную (рисунок 21) диаграммы и диаграмму пути (рисунок 20) на спуске -3%.
Рисунок 19 - Скоростная диаграмма на спуске -3%
Рисунок 20 - Диаграмма пути на спуске -3%
Рисунок 21- Нагрузочная диаграмма на спуске -3%
Расчет
параметров диаграмм на подъеме 3%
Расчет ведется по методике, описанной в п. 2.1. Результаты расчета сведем
в таблицу 7.
Таблица 7- Расчет параметров на подъеме 3%
|
Сила сопротивления на
участке, Н
|
|
|
Момент двигателя, Н∙м
|
Время, с
|
Путь, м
|
|
|
на участке
|
суммарное
|
на участке
|
суммарный
|
|
Разгон
|
3144,2
|
8,3
|
8,3
|
34,7
|
34,7
|
|
Установившееся движение
|
1309
|
50,8
|
59,1
|
423,1
|
457,8
|
|
Выбег
|
0
|
2
|
61,1
|
14,95
|
472,55
|
|
Торможение
|
-526,2
|
5,7
|
68,4
|
21,75
|
494,50
|
|
Дотягивание
|
1309
|
5,00
|
73,4
|
5,00
|
499,50
|
|
Остановка
|
0
|
1,00
|
74,4
|
0,50
|
500,00
|
По данным таблицы 7 строим приближенную скоростную (рисунок 22) и
нагрузочную (рисунок 24) диаграммы и диаграмму пути (рисунок 23) на подъеме 3%.
Рисунок 22 - Скоростная диаграмма на подъеме 3%
Рисунок 23 - Диаграмма пути на подъеме 3%
Рисунок 24- Нагрузочная диаграмма на подъеме 3%
4. Предварительный выбор тягового электродвигателя
Выбор тягового электродвигателя производиться по потребной мощности,
которая определяется по формуле:
где
- средний момент ТЭД, Н·м;
-
номинальная угловая скорость вращения якоря ТЭД, рад/с.
Средний момент ТЭД определяется по формуле:
где
Mэкв i - эквивалентный момент на каждом участке пути, Н·м;i -
количество участков с одинаковыми уклонами.
Эквивалентные
моменты для всех участков рассчитываются по следующей формуле:
где
Mразг, Mуст, Mторм, Mдот - момент ТЭД при разгоне, при установившемся движении,
при торможении, при дотягивании соответственно, Н·м;
tразг, tуст,
tвыб, tторм, tдот, tост - время разгона, установившегося движения, выбега,
торможения дотягивания и остановки соответственно, с.
Продолжительность
включения определяется по формуле:
Рассчитаем
эквивалентные моменты и продолжительность включения ТЭД для всех участков по
формулам приведенным выше:
1. Горизонтальный участок с уклоном +0.5%:
.
Горизонтальный участок с уклоном -0.5%:
3.
Подъём с уклоном +4%:
4.
Спуск с уклоном -4%:
.
Подъем с уклоном 5%:
.
Спуск с уклоном -5%:
.
Подъем с уклоном 3%:
.
Спуск с уклоном -3%:
Определим
средний момент ТЭД:
Определим
среднюю величину продолжительности включения:
Тогда
потребная мощность ТЭД:
Рассчитаем
мощность необходимую для режима S3 с учётом продолжительности включения:
Так как у нас 4 двигателя в
трамваи, то мощность делим на 4 и находим мощность одного двигателя.
По
мощности выбираем двигатель ДК-259 Г3 [1,с. 360], параметры которого приведены
в таблице 8:
Таблица 8- Параметры двигателя ДК-259 Г3
|
Тип возбуждения
|
независимое
|
|
Номинальная
мощность, кВт
|
45
|
|
Номинальное
напряжение, В
|
275
|
|
Ток часового
режима, А
|
190
|
|
Номинальная частота
вращения, об/мин
|
1500
|
|
Максимальная
частота вращения, об/мин
|
4060
|
|
Момент инерции, кг/м2
|
3,2
|
Определим КПД электродвигателя по формуле:
где
- номинальное напряжение электродвигателя,
;
-
номинальный ток электродвигателя,
.
. Проверка двигателя по тягово-тормозной диаграмме
Для построения тягово-скоростной диаграммы необходимо определить
располагаемый момент ТЭД, а также необходимо построить механическую
характеристику.
Располагаемый момент определяется по формуле:
где
Mном - номинальный момент ТЭД, Н·м;
ωном, ω- номинальная
и текущая угловая скорость соответственно, рад/с.
Однако
допускается следующее:
Определим
номинальный момент ТЭД по формуле:
Определяем сопротивление якорной цепи по формуле:
,
где
Примем
сопротивление якорной цепи
.
Определим
номинальный момент ТЭД:
В
пределах угловой скорости от нуля до номинальной граница зоны располагаемых
значений момента будет представлять собой вертикальную прямую из точки со
значением предельного момента (момент тяги и тормозной момент).
Располагаемый
момент тяги будет равен:
Предельный
тормозной момент будет меньше предельного момента тяги на величину суммарных
потерь и приблизительно равен:
Для
построения границы в диапазоне от номинальной до максимальной скорости
воспользуемся формулой:
Подставляя
в неё значения номинального момента, номинальной угловой скорости и значения
текущих угловых скоростей в диапазоне от номинальной до максимальной.
Результаты расчёта сведены в таблице 9.
Таблица 9- Значения располагаемых моментов в диапазоне угловых скоростей
от номинальной до максимальной
|
v, км/ч
|
ω,
рад/c
|
Мрасп тяг, Н·м
|
Мрасп торм, Н·м
|
|
30
|
157,00
|
1615
|
-1285
|
|
34
|
177,93
|
1418
|
-1134
|
|
38
|
198,87
|
1268
|
-1015
|
|
42
|
219,80
|
1148
|
-918
|
|
46
|
240,73
|
1048
|
-838
|
|
50
|
261,67
|
964
|
-771
|
|
54
|
282,60
|
893
|
-714
|
|
58
|
303,53
|
831
|
-665
|
|
62
|
324,47
|
777
|
-622
|
|
66
|
345,40
|
730
|
-584
|
Строим зону располагаемых значений момента ТЭД (рисунок 25) в диапазоне
угловых скоростей от номинальной до максимальной.

Рисунок 25- Зона допустимых значений момента ТЭД
Проверка
двигателя с учетом фактического значения его момента инерции
Проверим, влияет ли момент инерции выбранного двигателя на произведенные
ранее расчеты. Определим приведенный момент инерции тягового привода:
электрический транспорт тяговый привод
Погрешность
расчетов равна:
Т.к.
погрешность менее 5%, то можно не производить пересчет параметров нагрузочной
диаграммы.
Проверка
выбранного двигателя по максимальной скорости
Для
этого определим угловую скорость двигателя при максимальной скорости движения
транспортного средства, она равна:
Угловую
скорость двигателя при максимальной допустимой частоте вращения вала ТЭД
определим по формуле:
где
- максимальная частота вращения вала ТЭД.
Двигатель
выбран правильно, так как выполняется условие:
6. Расчёт искусственных электромеханических и механических
характеристик тягового привода
Естественной характеристикой называется такая характеристика двигателя,
которая получается при отсутствии внешних резисторов в якорной цепи и
номинальных значениях напряжения и магнитного потока двигателя.
Электромеханическая
характеристика ТЭД представляет собой зависимость скорости электродвигателя от
тока якоря
.
Уравнение
естественной электромеханической характеристики тягового электродвигателя имеет
вид [2, стр. 49]:
где Uян -
напряжение, подводимое к якорю, В;
Iя - ток якоря, А;я - сопротивление якоря, Ом;
Φвн - магнитный поток двигателя, Вб;
с - конструктивная постоянная двигателя.
Механическая
характеристика ТЭД представляет собой зависимость скорости электродвигателя от
момента двигателя
.
где M -момент двигателя, Н·м.
Для получения искусственных характеристик двигателя независимого
возбуждения с импульсным регулированием выделим две зоны регулирования угловой
скорости:
- Диапазон изменения угловой скорости от нуля до номинальной.
Регулирование осуществляется изменением подводимого к якорю
электродвигателя напряжения, при этом коэффициент изменения напряжения γ
будет находиться в
диапазоне от 0,05 до 1.
- Диапазон изменения угловой скорости от номинальной до максимальной.
Регулирование осуществляется за счет изменения магнитного потока двигателя, при этом коэффициент изменения магнитного потока α
будет находиться
в диапазоне от 0,25 до 1.При этом в обоих случаях в диапазоне
рассматриваемого коэффициента будем исследовать десять контрольных точек.
Искусственная характеристика при регулировании скорости изменением
подводимого напряжения:
электромеханическая
характеристика
:
механическая
характеристика
:
.
Исходные
данные для построения характеристик:
Ом;
Н·м;
А.
.
Т.к.
характеристика двигателя независимого возбуждения линейна, то для её построения
можно рассчитать две точки:
т.
При i(μ) =0,
т.
При
Построение
искусственных характеристик при регулировании скорости напряжением.
т.
При i(μ) =0,
т.
При
,
Таблица
10 - Расчет искусственных характеристик при регулировании скорости напряжением
|
γ
|
ω при I
=0, с-1
|
I при ω = 0, А
|
M при ω = 0,Нм
|
|
0,1
|
8,1
|
275
|
93,5
|
|
0,3
|
24,3
|
825
|
841,5
|
|
0,5
|
40,4
|
1375
|
2337,5
|
|
0,7
|
56,6
|
1925
|
4581,5
|
|
1
|
80,9
|
2750
|
9350
|
Построение искусственных характеристик при регулировании скорости
потоком.
1т.
При i(μ) =0,
т.
При
Расчет
этой характеристики произведем для следующих значений α:1;0,8;0,7;0,5;0,25;. Результаты расчета вносим в таблицу 11.
Таблица 11 - Расчет искусственных характеристик при регулировании
скорости потоком
|
α
|
ω при I =0, с-1
|
I при ω = 0, А
|
M при ω = 0,Нм
|
|
0,25
|
323,5
|
2750
|
2337,5
|
|
0,5
|
161,8
|
2750
|
4675
|
|
0,7
|
115,5
|
2750
|
6545
|
|
0,8
|
101,1
|
2750
|
7480
|
|
1
|
80,9
|
2750
|
9350
|
По данным таблиц 10 и 11 строим искусственные электромеханические и механические
характеристики (рисунок 26 и рисунок 27).
Рисунок 26- Искусственные электромеханические характеристики ТЭД
Рисунок 27- Искусственные механические характеристики ТЭД
Построение тормозных характеристик
Для расчета характеристик при электродинамическом торможении определим
значения добавочных сопротивлений.
Уравнение электромеханической характеристики:
Для
расчета тормозной характеристики задаемся
;
;
Для
обеспечения торможения с больших скоростей необходимо ослаблять поток
возбуждения. При этом в фигуре зоны ограничения появляется для моментов участок
гиперболической формы, ограничивающий предельный момент:
Рассчитаем
ωmax и
ρmax,
при которых можно тормозить с максимальным током в цепи ТЭД и ослаблением
потока возбуждения φ
=0,5:
Рассчитаем
ωmax и
ρmax,
при которых можно тормозить с максимальным током в цепи ТЭД и ослаблением
потока возбуждения φ=0,25:
Таблица
12 - Данные для построения искусственной электромеханической тормозной
характеристики
|
ω, рад/с
|
ρ, Ом
|
Imax, A
|
|
41,9
|
2
|
-380
|
|
83,8
|
5
|
-380
|
|
153,7
|
10
|
-380
|
|
223,5
|
15
|
-380
|
|
293,4
|
20
|
-380
|
|
328,3
|
22,5
|
-380
|
Искусственные электромеханические тормозные характеристики ТЭД показаны
на рисунке 28.
Рисунок 28 - Искусственные электромеханические тормозные характеристики
ТЭД
Уравнение механической характеристики:
Таблица
13 - Данные для построения искусственной механической тормозной характеристики
|
ω, рад/с
|
ρ, Ом
|
Mmax, Нм
|
|
41,9
|
2
|
-1292
|
|
83,8
|
5
|
-1292
|
|
153,7
|
10
|
-1292
|
|
223,5
|
15
|
-1292
|
|
293,4
|
20
|
-1292
|
|
328,3
|
22,5
|
-1292
|
Искусственные механические тормозные характеристики ТЭД показаны на
рисунке 29.
Рисунок 29 - Искусственные механические тормозные характеристики ТЭД
7. Расчёт основных энергетических показателей
Для
определения удельных показателей потребления электроэнергии необходимо мощность
ТЭД при движении на горизонтальном участке при различных режимах движения
(разгон, выбег, торможение, дотягивание). Расчёт мощности будем производить по
формуле:
Поскольку
разгон и торможение происходят при постоянном ускорении/замедлении и при
воздействии постоянного момента тяги/тормозного момента, то значение тока для
разгона и торможения будет тоже постоянным и равным максимальному значению для
данного этапа движения. Изменение (увеличение/уменьшение) угловой скорости
вращения якоря ТЭД осуществляется путём изменения питающего напряжения.
Поскольку требуемая мощность изменяется только при разгоне и торможении, то
будем рассматривать десять контрольных точек каждого из этих этапов движения.
Напряжение в этих точках будет равно:
Получим:
Изменяя величину γ в полученной формуле, рассчитаем мощность для каждого
этапа движения трамвая
на горизонтальном
участке. Результаты расчёта приведены в таблице 12.
Таблица 14- Результаты расчёта мощности
|
Разгон
|
γ
|
Питающее напряжение
U, В
|
Ток якоря Iя, А
|
Время t, с
|
Мощность P, кВт
|
|
1
|
2
|
3
|
4
|
5
|
|
0
|
0
|
0
|
0
|
0
|
|
0,1
|
27,5
|
190
|
0,83
|
5,225
|
|
0,2
|
55
|
190
|
1,66
|
10,45
|
|
0,3
|
82,5
|
190
|
2,49
|
15,675
|
|
0,4
|
110
|
190
|
3,32
|
20,9
|
|
0,5
|
137,5
|
190
|
4,15
|
26,125
|
|
0,6
|
165
|
190
|
4,98
|
31,35
|
|
0,7
|
192,5
|
190
|
5,81
|
36,575
|
|
0,8
|
220
|
190
|
6,64
|
41,8
|
|
0,9
|
247,5
|
190
|
7,47
|
47,025
|
|
1
|
275
|
190
|
8,3
|
52,25
|
|
Установившееся
движение
|
1
|
275
|
190
|
8,3
|
52,25
|
|
1
|
275
|
190
|
53,2
|
52,25
|
|
Выбег
|
-
|
-
|
-
|
53,2
|
0,00
|
|
-
|
-
|
-
|
60,2
|
0,00
|
|
Торможение
|
1
|
275
|
-190
|
60,2
|
-52,25
|
|
0,9
|
247,5
|
-190
|
60,72
|
-47,025
|
|
0.8
|
220
|
-190
|
61,24
|
-41,8
|
|
0.7
|
192,5
|
-190
|
61,76
|
-36,575
|
|
0.6
|
165
|
-190
|
62,28
|
-31,35
|
|
0.5
|
137,5
|
-190
|
62,80
|
-26,125
|
|
0.4
|
110
|
-190
|
63,31
|
-20,9
|
|
0.3
|
82,5
|
-190
|
63,38
|
-15,675
|
|
0.2
|
55
|
-190
|
64,35
|
-10,45
|
|
0.1
|
27,5
|
-190
|
64,88
|
-5,225
|
|
0.05
|
275
|
-190
|
65,9
|
-2,65
|
|
Дотягивания
|
0.05
|
13.75
|
190
|
65,9
|
2,6
|
|
0.05
|
13.75
|
190
|
70,9
|
2,6
|
По данным таблицы 12 построим график изменения мощности (рисунок 30).
Рисунок 30 - График изменения мощности
Расход электроэнергии определяем как сумму площадей фигур, расположенных
под графиком изменения мощности. Допуская, что фигуры стороны фигур абсолютно
прямые. Будем рассматривать четыре фигуры:
треугольник с высотой hр=52,25 и основанием bр=8,3 (разгон);
прямоугольник с высотой hуст=52,25 и шириной bуст=44,8 (установившееся
движение);
треугольник с высотой hт=52,25 и основанием bт=5,7 (торможение);
прямоугольник с высотой hд=2,6 и шириной bд=5 (дотягивание).
С учётом вышесказанного потребляемая мощность будет равна:
Удельный
расход электроэнергии будет равен:
где S = 500 - путь горизонтального участка, м;= 31,6 - полная масса
троллейбуса, т.
Результат
расчёта является удовлетворительным, не смотря на величины расходуемой энергии,
так как тяговым электродвигателем приводиться в движение транспортное средство
большой массы и разгон происходит с большим ускорением.
8. Проектирование принципиальной схемы силовой цепи и функциональной
схемы управления тяговым электроприводом
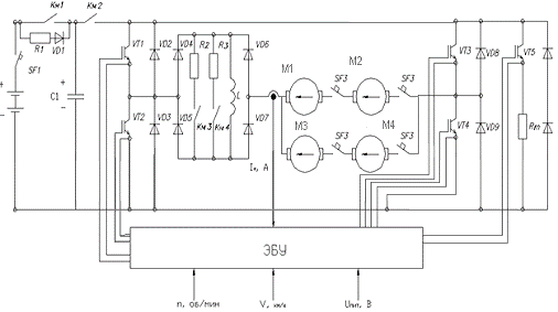
Рисунок
31 - Схема силовой цепи
M1, M2, M3, M4 - обмотка якоря тяговых двигателей;
L -
обмотка возбуждения тягового двигателя;
SF1 -
автоматический выключатель включения аккумуляторной батареи;
SF3 -
автоматический выключатель служащий для защиты ТЭД;
С1 - молекулярный накопитель;
K1-
линейный контактор, служащий для включения молекулярного накопителя;
K2-
линейный контактор, служащий для включения силовой цепи;
K3,
К4- линейные контакторы, служащие для ослабления поля обмотки возбуждения;
R1-
токоограничивающий резистор, служащий для первоначальной зарядки молекулярного
накопителя;
R2, R3 - реостаты, служащие для ослабления
поля обмотки возбуждения;
Rт -
тормозной реостат;
VT1- VT4 - транзисторы хода;
VT5 -
транзистор торможения;
VD1 -
обратный диод зарядки молекулярного накопителя;
VD2, VD3, VD8, VD9, VD10- обратные диоды транзисторов VT1- VT5 соответственно;
VD4 - VD7-диодный мост питания обмотки
возбуждения ТЭД;
VD11 -
обратный диод тормозного реостата;
ЭБУ - электронный блок управления ТрИСУ ТЭП.
Заключение
В данной работе был подобран тяговый электродвигатель ДК-259 Г-3, для
установки его на трамвай типа РВЗ. Установка этого ТЭД обусловлена потребной
мощностью для движения по заданному маршруту с заданным профилем дороги.
Спроектирована принципиальная схема силовой цепи и функциональная схема
управления ТЭД. Реализация функциональной схемы управления осуществляется с
использованием транзисторной схемы управления, что упрощает функциональную
схему и сводит к минимуму количество используемых электрических элементов, а
следовательно к повышению надёжности и к уменьшению веса. ТЭД проверен по
тягово-тормозной диаграмме, которая свидетельствует о том, что двигатель имеет
запас по моменту и может эксплуатироваться в более суровых условиях движения
транспортного средства без выхода из строя или перегрева. Предусмотрен режим
рекуперации электрической энергии, что способствует уменьшения затрат
электроэнергии при движении транспортного средства.
Преимущества полученного транспортного средства следующие: экономная
эксплуатация, экологическая чистота, хорошие ходовые характеристики, сохранение
и повторное использование энергии. Благодаря этому транспортное (трамвай) средство рекомендуется использовать
для движения в городских условиях.
Список литературы
2. Чиликин
М.Г., Сандлер А.С. «Общий курс электропривода», М., Энергоиздат, 1981 г.
. Конспект
лекций по дисциплине «Тяговый электропривод».