Cистемы управления электроприводами
Оглавление
Перечень используемых
условных обозначений, сокращений, терминов
. ОПИСАНИЕ И ХАРАКТЕРИСТИКИ
ЛАБОРАТОРНОГО КОМПЛЕКСА ИССЛЕДОВАНИЙ ЭЛЕКТРОПРИВОДОВ
.1 Описание и анализ работы
лабораторного комплекса исследований электроприводов
1.1.1 Описание лабораторного
комплекса
.1.2 Описание конструкции
лабораторного стенда ПЧ-АД
.1.3 Структурная схема стенда
ПЧ-АД
.1.4 Электромашинный агрегат
.1.5 Панель оператора
.1.6 Шкаф управления
электрического привода
.2 Описание принципа работы
программируемого логического контролера SIMATIC S7-300. Программное обеспечение
STEP 7
1.2.1 Устройство и принцип
работы программируемого логического контролера SIMATIC S7-300
.2.2 Программное обеспечение
STEP 7
.3 Техническое описание
системы диспетчеризации и управления WinCC
2. РАЗРАБОТКА СИСТЕМЫ
УДАЛЕННОГО МОНИТОРИНГА И УПРАВЛЕНИЯ
.1 Разработка структуры
системы удаленного мониторинга и управления
2.1.1 Технологический процесс
управления и мониторинга
.1.2 Мониторинг лабораторного
стенда
.1.3 Структура системы
удаленного мониторинга и управления
.1.4 Коммуникационные связи и
обмен данными СУМиУ
.2 Моделирование статических
характеристик асинхронного двигателя в пакете MATLAB
2.3 Описание алгоритма
программы лабораторного комплекса
2.4 Описание Scada -
приложения СУМиУ
3. РАЗРАБОТКА МЕТОДИЧЕСКОГО
ОБЕСПЕЧЕНИЯ
.1 Разработка методического
обеспечения по работе с программным пакетом Step7
3.1.1 Интерфейс рабочего окна
SIMATIC Manager
.1.2 Создание проекта в
SIMATIC Manager
.2 Разработка методического
обеспечения по работе с программным пакетом WinCC
3.2.1 Создание проекта
.2.2 Запуск и останов
выполнения проекта
. БЕЗОПАСНОСТЬ
ЖИЗНЕДЕЯТЕЛЬНОСТИ
.1 Характеристика
экспериментального процесса дипломной работы
4.2 Санитарно-гигиеническая
характеристика лаборатории и меры безопасности
4.3 Технические мероприятия,
обуславливающие безопасное ведение экспериментальной работы
4.4 Противопожарные
мероприятия и средства пожаротушения
5. ТЕХНИКО-ЭКОНОМИЧЕСКОЕ
ОБОСНОВАНИЕ ПРОЕКТА
.1 Расчёт капитальных затрат
на создание данного проекта
5.2 Расчёт эксплуатационных
затрат проекта
5.3 Расчет доходной части за
год пользования проектом комплекса
5.4 Расчет срока окупаемости
проекта
Список используемых
источников
Перечень
используемых условных обозначений, сокращений, терминов
СУМиУ -
система удаленного мониторинга и управления
ПЛК -
программируемый логический контроллер
ОС -
операционная система
ТЭО -
технико-экономическое обоснование
ПЭВМ -
Персональная Электронно-Вычислительная Машина
ЧДД - чистый
дисконтированный доход
ВНД -
внутренняя норма доходности
Введение
Современный этап развития промышленных электроприводов и систем
автоматического управления характеризуется широким спектром разнообразных
новаторских предложений, которые рождаются благодаря проведению
научно-исследовательских и экспериментальных работ. Ведущие производители на
рынке техники для электропривода и автоматизации технологических комплексов
предлагают много интересных устройств и технических решений на их основе.
Благодаря этому сегодня с помощью современной техники становится возможным
решение практически любого технического задания и реализации систем
автоматического управления объектом с очень высоким уровнем сложности (будь то
отдельный механизм или целый цех, завод со сложной структурой связанных между
собой технологических комплексов).
Вообще, электропривод переменного тока на базе асинхронного двигателя с
короткозамкнутым ротором и преобразователь частоты является основным видом
электромеханического превращения энергии, который успешно применяется на
предприятиях. Новейшие технологии и разработки, в частности те, которые требуют
глубокой или полной перестройки производства остаются недостижимой целью для
предприятий и фабрик, а старые системы нерегулируемого привода уже настолько
отжили себя, что являются убыточными в любом случае и никак не поддаются
модернизации.
Применение электропривода переменного тока в системе «преобразователь
частоты - асинхронный двигатель» на сегодняшний день является наиболее
распространенной системой автоматизированного электропривода, потому что
управление асинхронной машиной с помощью преобразователя частоты является
простым, эффективным и экономичным способом реализации регулируемого
электропривода. Углубленное изучение теоретического материала относительно
асинхронного частотно-регулируемого электропривода, осваивание программного
обеспечения для работы с преобразователем частоты, приобретение практического
опыта работы с электромеханическим оборудованием и проведения практических
исследований в реальных условиях является актуальными аспектами данной работы.
В связи с очень широким распространением систем частотного управления во
всех сферах промышленности и не только, проводится большое количество
теоретических и практических исследований по данной теме в условиях различных
научно-исследовательских центров и высших учебных заведений.
Задачи, решаемые в данной работе:
разработка структурной схемы системы удаленного мониторинга и управления;
определение списка основных мониторируемых параметров стенда ПЧ-АД;
моделирование типовых статических нагрузок используя пакет MATLAB;
разработка и реализация в пакете Step7 алгоритма программы ПЛК для имитации нагрузки;
адаптация системы диспетчерского управления WinCC под реализуемые задачи;
разработка методических указания по работе в программных пакетах Step7 и WinCC .
1. ОПИСАНИЕ И
ХАРАКТЕРИСТИКИ ЛАБОРАТОРНОГО КОМПЛЕКСА ИССЛЕДОВАНИЙ ЭЛЕКТРОПРИВОДОВ
.1 Описание и
анализ работы лабораторного комплекса исследований электроприводов
.1.1 Описание
лабораторного комплекса
Лабораторный
комплекс исследований электроприводов включает в себя стенд «преобразователь
частоты - асинхронный двигатель (ПЧ-АД)», стенд «преобразователь частоты -
синхронный двигатель (ПЧ-СД)», стенд «преобразователь частоты - двигатель
постоянного тока (ПЧ-ДПТ)», рабочую станцию преподавателя, интерактивную доску,
панельные промышленные компьютеры (рис. 1).
Рисунок
1 - Структурная схема лабораторного комплекса
Промышленный
панельный компьютер и рабочая станция преподавателя объединены в одну сеть.
Преподавательская станция, интерактивная доска и видеопроектор, представляют
собой комплекс оперативного отображения информации.
В
рамках выпускной квалификационной работы особое внимание уделено стенду
«преобразователь частоты - асинхронный двигатель».
Оборудование
стенда выполняет следующие задачи:
ввод
и распределение трехфазного переменного тока номинального напряжения 380 В, 50
Гц;
защита
электроприемников от перегрузок и токов короткого замыкания;
мониторинг
состояния электродвигателей, параметров питающей сети;
комплексное
управление стендом с использованием панели оператора;
регулирование
скорости вращения электродвигателей, с помощью частотных преобразователей.
.1.2 Описание
конструкции лабораторного стенда ПЧ-АД
Конструктивно, в состав стенда входит шкаф «Ш1» и панель «П1».
Электропитание стенда производится от источника электроэнергии 380 В, 50
Гц.
Вся применяемая коммутационная аппаратура производства фирмы «Siemens».
Ввод кабелей осуществляется снизу через вводные кабельные панели. Подключение
кабелей осуществляется к клеммам соответствующих клеммных групп.
Электропроводка внутри шкафов и панелей проложена в закрытых
пластмассовых вентилируемых кабельных коробах и в оплетке для кабелей и
проводов из материала, не поддерживающего горение.
При эксплуатации стенда ПЧ-АД следует руководствоваться нормативными
документами: «Правилами устройства электроустановок», «Правилами эксплуатации
электроустановок потребителей», «Межотраслевыми правилами по охране труда
(правила безопасности) при эксплуатации электроустановок», «Правилами пожарной
безопасности Российской Федерации».
.1.3
Структурная схема стенда ПЧ-АД
Лабораторный стенд ПЧ-АД предназначен для исследования электрического
привода для управления электрических машин постоянного и переменного тока.
Структурная схема стенда ПЧ-АД приведена в приложении.
В состав лабораторной установки входят:
электромашинный агрегат;
панель оператора;
шкаф управления электрического привода.
.1.4
Электромашинный агрегат
Электромашинный агрегат представляет собой соединенные на одном валу три
электрические машины:
машину постоянного тока (220 В, 1,0 кВт);
трехфазный асинхронный двигатель с короткозамкнутым ротором (380 В, 1,5
кВт);
трехфазный синхронный двигатель (380 В, 1,52 кВт).
.1.5 Панель
оператора
В панель оператора установлен промышленный компьютер SIMATIC Panel PC
577C.Panel PC 577C может использоваться при автоматизации технологических
процессов. Устройство сконструировано для установки в контрольных шкафах и
пультах, 19 дюймовые шкафы/стойки, и поворотные рукава (стрелы). Благодаря
небольшой глубине монтажа (83 мм для 15" Touch), он может использоваться в
ограниченном объеме.
Благодаря открытости интерфейсов PC и мощности процессора Core2Duo, он
может использоваться как основа для различных приложений.HMI IPC577C позволяет
осуществить:
визуализацию вблизи от рабочих машин;
комплексное решение с пакетом визуализации SIMATIC WinCC;
управление на основе PC с помощью пакета SIMATIC WinAC PLC.
.1.6 Шкаф
управления электрического привода
Шкаф управления электрического привода включает в себя такие органы
управления как:
универсальный программируемый контроллер SIMATIC S7-300;
микропроцессорный преобразователь SIMOREG DC MASTER;
преобразователи частоты SINAMICS S110 и SINAMICS S120;
устройство плавного пуска асинхронных электродвигателей DANFOSS MCD201;
универсальный преобразователь SIMEAS.
Микропроцессорный
преобразователь SIMOREG DC MASTER
SIMOREG DC MASTER совместно с машиной постоянного тока входит в состав
узла имитации нагрузки на валу.
Устройство имеет подходящие типы как для сложных приводных задач, так и
для стандартных решений. Применяется для двигателей постоянного тока, имеющих
номинальный ток обмотки якоря от 15 до 2000А и может быть расширен до 10000 А
(путем параллельного соединения преобразователей, максимально - 5 блоков).
Приводы являются высоко динамичными, время возбуждения либо время нарастания
вращающего момента находится в пределах до 10 мс.
Настройка привода постоянного тока производится через устройство
параметризации. Установка параметров может также производиться с помощью
персонального компьютера с использованием удобных меню - для быстрого ввода в
эксплуатацию. Преобразователь имеет открытую и стандартизированную систему
полевых шин PROFIBUS-DP с использованием коммуникационного модуля CBP2,
подключение к персональному компьютеру через интерфейс RS232 и коммуникацию по
типу "узел - узел". При этом PROFIBUS-DP-центральное средство
коммуникации между средствами автоматизации. Модуль CBP2 устанавливается
непосредственно в электронный бокс SIMOREG DC MASTER.
В состав преобразователя входит панель управления OP1S (Operation Panel)
-опциональное устройство, с помощью которого можно выполнять настройку.
Благодаря расширенному текстовому дисплею, системе меню и подсказок процесс
наладки значительно упрощается.
.2 Описание
принципа работы программируемого логического контролера SIMATIC S7-300.
Программное обеспечение STEP 7
.2.1.Устройство
и принцип работы программируемого логического контролера SIMATIC S7-300
Программируемый контроллер SIMATIC S7-300 имеет модульную конструкцию.
Модули, из которых составляется требуемая конфигурация контроллера, могут быть
центральными (располагаться по соседству с центральным процессором CPU) или
распределенными. Конфигурация контроллера SIMATIC S7-300 установленного в
стенде включает в себя:
стойку, используемую для размещения и соединения модулей между собой;
модуль ввода и вывода дискретных сигналов SIPLUS SM 323, который
используется для преобразования входных дискретных сигналов контроллера в его
внутренние логические сигналы, а также для преобразования внутренних логических
сигналов контроллера в его выходные дискретные сигналы;
центральный процессор CPU 315-2PN/DP с встроенным интерфейсом ведущего
DP-устройства, используемый для размещения и обработки программы пользователя.
Процессор является активным узлом сети PROFIBUS, который циклически
обменивается данными со своими ведомыми DP-устройствами.
Память CPU логически разделена на области. Программа пользователя
располагается в загрузочной памяти и в рабочей памяти. Конструктивно
загрузочная память является частью CPU или отдельным встраиваемым модулем
памяти. Вводимая программа и конфигурация оборудования записываются в
загрузочную память.
Рабочая память конструктивно является частью CPU и представляет собой
RAM-память. В оперативной памяти содержатся исполняемые части программы
пользователя: код программы и данные пользователя.
Принцип
работы ПЛК заключается в обработке по прикладной программе пользователя данных
с модулей входов (например, сигналов от подключенных датчиков) и последующей
выдачей управляющих сигналов, посредством модулей выходов и модулей связи,
обеспечивающих подключение исполнительных устройств (рис.2).
Рисунок
2 - Принцип работы контроллера
Из
программатора программа пользователя целиком, включая данные конфигурации,
пересылается в загрузочную память. Операционная система CPU копирует части
программного кода и данных в рабочую память. Когда программа считывается
программатором из CPU, блоки выбираются из загрузочной памяти с текущими
значениями адресов данных из рабочей памяти.
Загрузочная
память в CPU для S7-300 состоит из встроенной RAM-памяти, которая может целиком
вмещать программу. Для защиты от сбоев питания используется модуль EPROM
флэш-памяти в качестве носителя для данных и программ пользователя. Таким
образом, обеспечивается сохранность данных без применения резервной батареи.
.2.2
Программное обеспечение STEP 7
Программный пакет STEP 7 это программное обеспечение для создания
проектов, обеспечивающих комплексное решение задачи автоматизации на основе
программируемых логических контроллеров SIMATIC S7-300 фирмы Siemens.
Промышленное программное обеспечение SIMATIC разработано с учетом требований
международного стандарта DIN EN 6.1131-3, что облегчает изучение программного
обеспечения.
Пакет STEP 7 включает разработку программных и аппаратных средств, в
рамках одного проекта. На основе требований к программной и аппаратной частям
выполняется создание и конфигурирование сетей, рабочих программ и блоков данных
для решения конкретной задачи.
Программа SIMATIC S7 является структурированной программой, что означает,
что данные и установки для системы автоматизации структурированы внутри проекта
и представлены в виде объектов (блоков), обладающих определенными функциями,
соответствующими их положению в сетевой и иерархической структуре системы.
Различные классы приоритетов позволяют располагать в определенном порядке
прерывания исполняемой программы пользователя.7 работает с переменными
различных типов, начиная с переменных двоичного типа(BOOL), численных
форматов(INT или REAL) и заканчивая сложными типами, такими как массивы.
Для
организации работы по конфигурированию, программированию и тестированию
программной части системы автоматического управления процессами служит утилита
SIMATIC Manager. Эта программа содержит все функции, необходимые для создания
проекта. При необходимости SIMATIC Manager инициирует запуск других утилит в
графическом виде (рис. 3). Единый интерфейс обеспечивает возможность
единообразного выполнения всех этапов работ.
Рисунок 3 - Приложения запускаемые SIMATIC Manager
Программные средства применяются для:
конфигурирования и параметрирования аппаратуры (HWConfig);
конфигурирования сетей и соединений (NetPro, приложения задания PROFIBUS-адреса и установки интерфейса
PC/PG);
загрузки и тестирования пользовательской программы (утилита для
наблюдения и изменения переменных, диагностические функции, LAD/FBD/STL
редактор).
В процессе конфигурирования определяется состав оборудования в целом,
разбиение оборудования на модули, способы подключения, используемые сети,
выбираются настройки для используемых модулей. Система проверяет правильность
использования и подключения отдельных компонент. Завершается конфигурирование загрузкой
выбранной конфигурации в оборудование. Программирование контроллеров
производится редактором программ, обеспечивающим написание программ на одном из
трех наиболее распространенных языках:
LAD - язык релейно-контактной логики;
FBD - язык функциональных блочных диаграмм;
STL - язык списка инструкций
Возможность наблюдения за текущим состоянием программы, доступное при
использовании любого языка программирования, обеспечивает не только удобную
отладку программного обеспечения, но и быстрый поиск неисправностей в
подключаемом оборудовании, даже если оно не имеет средств диагностики.
Унификация промышленного программного обеспечения SIMATIC базируется на трех основных
принципах:
единое управление данными проекта, при котором символьные переменные,
параметры конфигурирования и настройки хранятся в единой базе данных и доступны
всем инструментальным средствам. Это позволяет экономить время и исключать
возникновение ошибок из-за многократного ввода одних и тех же данных;
согласованная система инструментальных средств: для каждой фазы
выполнения проекта могут использоваться свои, наиболее удобные для выполнения
этих задач, инструментальные средства;
открытость для интеграции в офисную среду управления производством
системной платформы промышленного ПО SIMATIC.
Высокую производительность промышленного программного обеспечения SIMATIC обеспечивают:
проблемно-ориентированные инструментальные средства, обеспечивающие
простоту решения широкого круга задач автоматизации;
многократное использование секций программы. Написанные ранее секции
программ могут сохраняться в виде библиотек и легко копироваться в новые
проекты;
параллельная разработка отдельных частей проекта несколькими
проектировщиками;
встроенные диагностические функции, существенно снижающие время отладки любой
программы;
.3
Техническое описание системы диспетчеризации и управления WinCC
представляет собой мощный интерфейс для взаимодействия между человеком и
машиной и является современной системой с удобным пользовательским интерфейсом.
Она подходит для применения как в офисах, так и на производстве, функционально
закончена и надежна в работе, эффективно проектируется и легко
приспосабливается к решению как простых, так и сложных задач. Вместе со
встроенной базой данных WinCC
образует информационный центр для вертикальной интеграции всего стенда.
Система
WinCC обеспечивает управление и наблюдение за процессами,
происходящими на установке. Связь между WinCC и
установкой обеспечивается с помощью системы управления (рис. 4).
Проект является основой для конфигурирования интерфейса пользователя в
системе WinCC. В рамках проекта производится создание и редактирование всех
объектов, которые необходимы для управления процессом и наблюдения за ним.
Рисунок 4 - WinCC в структуре системы управления и мониторинга
Система WinCC предоставляет следующие возможности:
наблюдение за процессом. Графическое представление процесса отображается
на экране. Экран обновляется при каждом изменении состояния процесса;
управление процессом посредством задания уставки, а также подачей
управляющих сигналов на запуск и останов двигателя с помощью интерфейса
пользователя;
мониторинг процесса. В случае критического состояния процесса
автоматически подается аварийный сигнал. Если превышено предустановленное
заданное значение, то на экран выводится сообщение;
архивирование данных процесса. Во время работы WinCC значения процесса
можно распечатать или поместить их в электронный архив. Это упрощает
документирование процесса и обеспечивает последующий доступ к старым
производственным данным.
К
базовым компонентам WinCC относятся программное обеспечение для
конфигурирования (CS) и программное обеспечение среды исполнения (RT) (рис. 5).
Общая процедура создания проекта осуществляется в проводнике WinCC.
Проводник является ядром программного обеспечения для конфигурирования, в
котором отображается структура всего проекта. Также в нем осуществляется
администрирование проекта. С помощью проводника WinCC можно получить доступ к
различным редакторам. Каждый редактор относится к определенной подсистеме WinCC
(табл. 1).
Рисунок 5 - Базовые компоненты WinCC
Таблица 1 Подсистемы WinCC
|
Подсистема
|
Редактор
|
Функция
|
|
1. Проводник WinCC
|
WinCC Explorer
|
вызов подсистем WinCC
|
|
2. Коммуникации
|
Tag Management
|
настройка связи
|
|
3. Графическая система
|
Graphics
Designer
|
конфигурирование экранов
|
|
4. Сигнализация
|
Alarm Logging
|
настройка сообщений
|
|
5. Архивирование
|
Tag Logging
|
архивирование данных
|
|
6. Система отчетов
|
Report Designer
|
создание макетов
|
|
7. Администрирование
пользователей
|
User
Administrator
|
администрирование
пользователей и их прав
|
Программное обеспечение WinCC
имеет непосредственный доступ к базе переменных и сообщений контроллера SIMATIC, а также использует их
коммуникационные параметры для настройки связи. Это позволяет с самого начала
избежать больших затрат времени на многократный ввод данных и поиск источников
ошибок. Кроме того, встроенные диагностические возможности обеспечивают
поддержку обслуживающего персонала в течение всего жизненного цикла системы.
2 РАЗРАБОТКА
СИСТЕМЫ УДАЛЕННОГО МОНИТОРИНГА И УПРАВЛЕНИЯ
.1 Разработка
структуры системы удаленного мониторинга и управления
Основной технологический процесс стенда ПЧ-АД - процесс исследования
электропривода, включающий управление режимами нагрузки и снятие характеристик
двигателей.
К особенностям объекта автоматизации, влияющим на технологический процесс
исследования, необходимо отнести факт, что используемые программные технические
средства и программное обеспечение должны обеспечивать гибкость,
быстродействие, безопасность в работе и возможность увеличения функций системы
путем разработки дополнительных программных продуктов.
.1.1
Технологический процесс управления и мониторинга
В разнообразных видах исследования электроприводов могут быть выделены
повторяющиеся операции, входящие составной частью в процесс исследования, а
именно:
подготовка стенда к испытанию, включая подготовку и поверку стендовых
систем включающая диагностику соединения между оборудованием стенда по сети PROFIBUS, конфигурация параметров
электропривода, запуск и проверка системы диспетчерского управления WinCC;
испытания по требуемой программе: выбор режимов нагрузки, задание
скорости и момента;
измерение и регистрация параметров, характеризующих работу привода и
питающей сети;
снятие рабочих характеристик и обработка полученных результатов
эксперимента;
.1.2
Мониторинг лабораторного стенда
Под мониторингом стенда понимается мониторинг параметров, который
заключается в наблюдении и регистрации данных представляющих собой совокупность
измеренных значений параметров, получаемых на неразрывно примыкающих друг к
другу интервалах времени, в течение которых значения параметров существенно не
изменяются.
Работа стенда оценивается множеством параметров. Полный и минимально
необходимый перечень этих параметров, задействованных для оценки работы привода
при исследовании, представлен в «таблице 2».
Таблица 2 Контролируемые параметры лабораторного стенда
|
Измеряемый параметр
|
Тип датчика или сигнального
устройства
|
Минимальное значение
|
Максимальное значение
|
|
1. Скорость, об/мин
|
Датчик скорости
|
0
|
1000
|
|
2. Скорость модели, об/мин
|
SINAMICS S120
|
0
|
940
|
|
3. Момент, %
|
SIMOREG DC
MASTER
|
0
|
100
|
|
4. Ток, А
|
SIMOREG DC
MASTER
|
0
|
16
|
|
5. Ток, А
|
SINAMICS S110
|
0
|
20
|
|
6. Ток, А
|
SINAMICS S120
|
0
|
17
|
|
7. Напряжение, В
|
|
0
|
400
|
|
8. Напряжение, В
|
SIMOREG DC
MASTER
|
0
|
1000
|
|
9. Напряжение, В
|
SINAMICS S110
|
0
|
1500
|
|
10. Мощность, Вт
|
SINAMICS S120
|
0
|
1520
|
|
11. Частота, Гц
|
SINAMICS S110,
SINAMICS S120, SIMEAS P
|
0
|
50
|
|
12. Напряжение L1-N,
В
|
SIMEAS P
|
0
|
276
|
|
13. Напряжение L2-N,
В
|
SIMEAS P
|
0
|
276
|
|
14. Напряжение L3-N,
В
|
SIMEAS P
|
0
|
276
|
|
15. Напряжение L1-L2,
В
|
SIMEAS P
|
0
|
480
|
|
16. Напряжение L2-L3, В
|
SIMEAS P
|
0
|
480
|
|
17. Напряжение L3-L1, В
|
SIMEAS P
|
0
|
480
|
|
18. Ток L1, А
|
SIMEAS P
|
0
|
1,2(6)
|
|
19. Ток L2, А
|
SIMEAS P
|
0
|
1,2(6)
|
|
20. Ток L3, А
|
SIMEAS P
|
0
|
1,2(6)
|
|
21. Активная мощность L1, Вт
|
SIMEAS P
|
0
|
*
|
|
22. Активная мощность L2, Вт
|
SIMEAS P
|
0
|
*
|
|
23. Активная мощность L3, Вт
|
SIMEAS P
|
0
|
*
|
|
24. Активная мощность ∑, Вт
|
SIMEAS P
|
0
|
*
|
|
25. Реактивная мощность L1, ВАр
|
SIMEAS P
|
0
|
*
|
|
26. Реактивная мощность L2, ВАр
|
SIMEAS P
|
0
|
*
|
|
27. Реактивная мощность L3, ВАр
|
SIMEAS P
|
0
|
*
|
|
28. Реактивная мощность ∑, ВАр
|
SIMEAS P
|
0
|
*
|
|
29. Полная мощность L1,
В∙А
|
SIMEAS P
|
0
|
*
|
|
30. Полная мощность L2,
В∙А
|
SIMEAS P
|
0
|
*
|
|
31. Полная мощность L3,
В∙А
|
SIMEAS P
|
0
|
*
|
|
32. Импорт активной
энергии, L1, Вт
|
SIMEAS P
|
0
|
*
|
|
33. Импорт активной
энергии, L2, Вт
|
SIMEAS P
|
0
|
*
|
|
34. Импорт активной
энергии, L3, Вт
|
SIMEAS P
|
0
|
*
|
|
35. Импорт активной энергии, ∑, Вт
|
SIMEAS P
|
0
|
*
|
|
36. Экспорт активной
энергии, L1, Вт
|
SIMEAS P
|
0
|
*
|
|
37. Экспорт активной
энергии, L2, Вт
|
SIMEAS P
|
0
|
*
|
|
38. Экспорт активной
энергии, L3, Вт
|
SIMEAS P
|
0
|
*
|
|
39. Экспорт активной энергии ∑, Вт
|
SIMEAS P
|
0
|
*
|
Примечание: *- зависит от выбранного диапазона измерения тока и
напряжения
Помимо измеряемых параметров, слежение ведется за состоянием
преобразователей частоты SINAMICS S110, SINAMICS S120, универсального преобразователя SIMOREG DC MASTER, а также устройства плавного пуска асинхронных
электродвигателей Danfoss
MCD201. Мониторируются следующие состояния:
готовность к включению;
устройство в состоянии работа;
произошел сбой включения;
предупреждение о возможном возникновении неисправности;
рассогласование заданного значения параметра и фактического значения
контролируемого параметра превышает допустимое значение;
.1.3
Структура системы удаленного мониторинга и управления
Целью создания системы удаленного мониторинга и управления является
автоматизация процессов управления, сбора, регистрации, обработки информации и визуального
контроля параметров в режиме реального времени при исследованиях.
Основными функциями системы является:
автоматизированная проверка готовности системы и технологических систем
стенда к ведению учебного процесса, контроль работоспособности систем стенда,
управляющих запуском и моделированием режимов нагрузки двигателей;
автоматизированное измерение и обработка контролируемых параметров стенда
и состояния оборудования в реальном масштабе времени;
эффективное представления данных и осциллографирование параметров
электроприводов в различных режимах нагрузки на видеомониторах;
сигнализация предаварийных и аварийных режимов работы электроприводов и
их предотвращение.
Система удаленного мониторинга и управления отвечающая современным
требованиям должна быть построена по принципу распределенной многоуровневой
системы. Структура системы удаленного мониторинга и управления отражена в
графической части на листе 2.
На нижнем уровне расположен электромашинный агрегат, представляющий собой
соединенные на одном валу машины постоянного тока, трехфазный асинхронный
двигатель с короткозамкнутым ротором и трехфазный синхронный двигатель.
На среднем уровне находится система автоматизации стенда, в котором
применяются устройства входящие в шкаф управления и функционирующие в режиме
реального времени. К ним относятся ПЛК SIMATIC S7-300, преобразователи частоты
SINAMICS S110 и SINAMICS S120, преобразователь SIMOREG DC MASTER, устройство
плавного пуска DANFOSS MCD201, универсальный преобразователь SIMEAS.
Специализированное программное обеспечение стенда поддерживать стандартный
протокол обмена данными ОРС, а также поддерживает концепцию SCADA - систем.
Программируемый контроллер осуществляют обработку по прикладной программе
пользователя данных с модулей связи, обеспечивающих подключение исполнительных
устройств (например, преобразователей частоты) и последующей выдачей на них
управляющих сигналов, и, в случае необходимости, предоставляет данные на
верхний уровень - панель оператора промышленного исполнения и рабочую станцию
преподавателя.
Верхний уровень реализован на базе компьютеров, работающих под
управлением операционной системы Windows 7 Professional и оснащенных
специализированным программным обеспечением SIMATIC WinCC V7.0, которое
выполняет функции приема и распределения потоков данных со среднего уровня и
наглядного отображения процесса исследования.
Достоверность данных должна быть обеспечена требуемой скоростью ввода
данных. В цикле работы системы мониторинга большое количество времени занимает
визуализация данных. Стоит отметить, что средняя скорость реакции человека,
составляющей в среднем 0,1 секунды. Поэтому увеличение скорости работы цикла
отображения программы свыше 10 Гц нецелесообразно из-за того, что информация,
выводимая на устройства визуализации, не сможет быть воспринята пользователями.
Разделение СУМиУ на систему управления и систему диспетчеризации
позволяет регистрировать технологические параметры с высокой точностью и
эффективностью. Это достигается за счет того, что значения контролируемых
параметров опрашиваются системой управления с постоянной дискретностью, так как
эта система не выполняет действий, которые могут увеличить время цикла опроса.
Все действия, связанные с обработкой команд, поступающих от оператора,
выполняет система диспетчеризации, она же поддерживает хранение данных, их
документирование, наглядное графическое представление. Система управления
выполняет действия, связанные с вводом информации от объекта исследования, ее
обработкой и выдачей управляющих сигналов.
.1.4
Коммуникационные связи и обмен данными СУМиУ
Промышленная
шина для технологических процессов PROFIBUS
В рассматриваемом стенде «Преобразователь Частоты - Асинхронный
Двигатель» (ПЧ-АД) связь с распределенной периферией осуществляется посредством
сети PROFIBUS, при этом используется соответствующая служба обмена PROFIBUS-DP.
Международный стандарт PROFIBUS является промышленной шиной для
технологических процессов. Сеть PROFIBUS использует первый и второй уровни
модели OSI. PROFIBUS технология, стандартизованная в соответствии с IEC 61158 и
IEC 61784, основана на двухпроводной системе RS-485 полудуплексной передачи.
Служба обмена PROFIBUS-DP определяет, как происходит обмен данными между
коммуникационными узлами, и как эти данные обрабатываются. Служба обмена
базируется на протоколе обмена, который помимо всего прочего описывает
процедуру координации работы между коммуникационными узлами.DP обеспечивает
стандартный интерфейс для передачи двоичных данных между интерфейсным модулем
центрального программируемого контроллера и приборами полевого уровня.
Интерфейсный модуль называют ведущим DP-устройством, а приборы полевого уровня
ведомыми DP-устройствами. Широкому распространению PROFIBUS-DP способствует то,
что PROFIBUS-DP является независимым от производителей стандартом для подключения
стандартных ведомых DP-устройств.использует сервис SRD, который позволяет
отправлять и получать данные в одном цикле обмена, Этот способ обмена очень
удобен при работе с устройствами ввода-вывода, поскольку в одном цикле можно и
отправить, и получить данные.
Для
передачи данных используется NRZ-кодирование и 11-битный формат, включающий
стартовый бит (0), 8 бит данных младшими разрядами вперед, бит паритета
(четный) и стоп-бит (1)(рис. 6).
Рисунок 6 - Формат передачи данных
Сообщение
в PROFIBUS называется телеграммой. Телеграмма может содержать до 256 байт, из
них 244 байта данных, и заголовок телеграммы длиной 11 служебных байт (рис. 7).
Все телеграммы имеют заголовки одинаковой длины, за исключением телеграммы с
названием Data_Exchange.
Рисунок 7 - Структура телеграммы PROFIBUS
Поля телеграммы на рис. имеют следующее содержание:- стартовый
разделитель. Используется для указания начала телеграммы и ее формата.- длина
передаваемых данных (DA+SA+FC+DSAP+SSAP+DU);- повторение поля LE с целью его
резервирования;- адрес устройства-получателя телеграммы;- адрес отправителя;-
код типа телеграммы;- устройство-получатель использует это поле, чтобы
определить, какой тип сервиса нужно выполнить;- порт отправителя;- данные
длиной от 1 до 244 байт;- контрольная сумма телеграммы (сумма значений полей
DA+SA+ FC+DU, по модулю 255);- признак конца.
Структура
сети PROFIBUS
Стенд
представляет собой систему с одним ведущим DP-устройством и группой ведомых
DP-устройств (рис. 8) В такой сети одно ведущее DP-устройство управляет
несколькими ведомыми DP-устройствами.
Рисунок 8 - Структура системы ведущего DP-устройства
Мастером выступает программируемый контроллер (станция) SIMATIC S7-300, в качестве ведомых
преобразователи частоты SINAMICS S110 и SINAMICS S120, преобразователь SIMOREG
DC MASTER, универсальный измерительный прибор SIMEAS P а также устройство плавного пуска асинхронных
электродвигателей Danfoss MCD201.IMATIC
S7-300 имеет модульную конструкцию и включает в себя центральный процессор CPU
315-2PN/DP с встроенным интерфейсом ведущего DP-устройства, используемый для
размещения и обработки программы пользователя. Процессор является активным
узлом сети PROFIBUS, который циклически обменивается данными со
"своими" ведомыми DP-устройствами. Ведомые DP-устройства системы
являются пассивными узлами сети и не получают доступа к шине.
Линия передачи PROFIBUS представляет собой экранированный кабель
"витая пара". Электрическая сеть PROFIBUS спроектирована в виде линейной
структуры. Скорость передачи данных 1.5 Мбит/с, время реакции до одной
миллисекунды.
Характерной чертой PROFIBUS является детерминированный цикл обмена
данными через шину в режиме реального времени благодаря использованию принципа
ведущий/ведомый, который гарантирует определенное время цикла шины и
определенные времена реакции абонентов шины.
Обмен данными
в сети PROFIBUS
Ведущее устройство должно параметрировать и конфигурировать ведомое
устройство перед тем, как оно сможет обмениваться с ним пользовательскими
данными. Если это имеет место, то готовность к работе ведомого устройства
проверяется ведущим с помощью диагностических данных. Если ведомое устройство
сообщает готовность для параметрирования, ведущее посылает в ответ данные
параметрирования и конфигурирования.
После
повторной проверки готовности к работе ведомого устройства с помощью
диагностических данных, ведущее начинает циклически обмениваться с ведомым
пользовательскими данными (рис. 9).
Рисунок 9 - Инициализации ведомого устройства и циклический обмен
пользовательскими данными
С помощью данных параметрирования Set_Prm ведомому устройству сообщаются
локальные и глобальные параметры, свойства и функции. Содержание данных
параметрирования устанавливается при проектировании ведущего устройства.
Структура телеграммы для параметрирования состоит из нескольких частей.
Важнейшие составляющие телеграммы параметрирования:
Station-Status - состояние станции, содержит специфические для ведомого
устройства функции и настройки. Здесь определяется, должен ли быть активирован
контроль срабатывания. Определяется, открыт или закрыт доступ к устройству.
Watchdog - контроль времени срабатывания, определяет выход из строя
ведущего устройства. Ведомое устройство может эксплуатироваться на шине с
контролем или без контроля времени срабатывания. Руководствуясь шинной
конфигурацией и установленной скоростью передачи определяется время контроля
срабатывания, которое может быть установлено при проектировании в шинных
параметрах.
Ident-Number - идентификационный номер ведомого устройства, присваивается
при сертификации и хранится в GSD-файле. Ведомое устройство принимает телеграмму
параметризации, если указанный в телеграмме номер совпадает с собственным.
Благодаря этому предотвращается ошибочное параметрирование.
User-Prm-Data - начальные установки или регулировочные параметры.
С помощью конфигурационной телеграммы ведущее устройство сообщает
подчиненному через формат опознавания объем и структуру участвующих в обмене
входных/выходных данных. Области входных/выходных данных, которые содержат
связанную информацию и которые не могут передаваться структурами байтов или
слов, обрабатываются как консистентные данные. К ним относятся области наборы
параметров для привода.
Посредством запроса диагностических данных ведущее устройство проверяет
на фазе запуска, имеется ли ведомое устройство и готово ли оно для
параметрирования. Сообщаемые ведомым диагностические данные состоят из
обязательной (определенной) и необязательной (специфической) диагностической
части. Через диагностические данные подчиненное устройство сообщает ведущему
свое рабочее состояние и в случае диагностики причину диагностического
сообщения. Ведомое имеет возможность сообщать с помощью ответных телеграмм
службы Data_Exchange на ведущее локальные диагностические данные, которые
требует ведущее для оценки.
Ведомое проверяет принятые от ведущего данные параметрирования и
конфигурирования. Если нет ошибок и ведущему разрешены желаемые установки,
ведомое сообщает ведущему, что оно готово для обмена данными. С этого момента
ведущее обменивается ведомым запроектированными пользовательскими данными
При обмене пользовательскими данными, ведомое реагирует на
телеграммы-запросы Data_Exchange ведомого, который его параметрировал и
конфигурировал. Другие телеграммы пользовательских данных ведомое отбрасывает.
Внутри пользовательских данных нет дополнительных управляющих или структурных
знаков для описания передаваемых данных, то есть передаются чистые
пользовательские данные.
.2
Моделирование статических характеристик асинхронного двигателя в пакете MATLAB
При исследовании электропривода наибольший интерес представляет реакция электродвигателя
электромашинного агрегата и его механической характеристики на различные виды
механических характеристик производственных механизмов.
Механической характеристикой механизма называют зависимость между угловой
скоростью и моментом сопротивления механизма, приведенными к валу двигателя ω=f(Mс).
Среди всего многообразия выделяют несколько характерных типов
механических характеристик механизмов:
. Характеристика с моментом сопротивления, не зависящим от скорости.
Такой характеристикой обладают, например, подъемные краны, лебедки, поршневые
насосы при неизменной высоте подачи.
. Характеристика с моментом сопротивления, линейно зависящим от скорости.
Такая зависимость присуща, приводу генератора постоянного тока с независимым
возбуждением, работающему на постоянную нагрузку.
. Характеристика с нелинейным возрастанием момента. Типичными примерами
здесь могут служить характеристики вентиляторов, центробежных насосов, гребных
винтов. Для этих механизмов момент сопротивления Мс зависит от квадрата угловой
скорости ω.
Механической характеристикой электродвигателя называется зависимость его
угловой скорости от вращающего момента ωд = f(Mс).
В состав электромашинного агрегата входят синхронный и асинхронный
двигатели. При исследовании наибольший интерес представляет влияние различных
видов производственных механизмов на асинхронный двигатель.
Рассмотрим, в чем состоит особенность кривой механической характеристики
асинхронного двигателя при разных видах статической нагрузки на валу и как
обеспечить возможность автоматического построения непрерывной, полной
механической характеристики асинхронного двигателя.
Основной трудностью при получении механической характеристики
асинхронного двигателя в различных прикладных пакетах является его
опрокидывание при выходе на неустойчивые участки. Зачастую механическую
характеристику асинхронного двигателя предлагается строить по точкам,
последовательно задавая момент нагрузки и сохраняя полученную при этом скорость
вращения. При такой методике точки механической характеристики могут быть
получены только на участке устойчивой работы, а снятие режима короткого
замыкания требует дополнительного изменения в модели. Помимо этого, к
недостаткам данного подхода можно отнести, его трудоемкость, поскольку качество
полученной характеристики напрямую зависит от количества точек.совместно с
Simulink и SimPowerSystem позволяют исследовать процессы и параметры
электрических машин, которые зачастую недоступны в реальных объектах. В
библиотеках этих пакетов имеются многочисленные виртуальные элементы и
измерительные приборы, позволяющие исследовать электрическую цепь любой
сложности.
Основными преимуществами подхода являются:
простота получения характеристик, исключающая необходимость использования
дополнительных моделей для различных режимов работы двигателя;
значительное сокращение времени на построение и наглядность
представления;
возможность анализа процессов в двигателе при его работе на неустойчивом
участке механической характеристики.
Методика
позволяет выбрать необходимые параметры модели нагрузки, автоматически строить
механическую характеристику и переходные процессы работы двигателя, что дает
возможность анализировать процессы в АД во всем диапазоне скоростей. Для
понимания работы асинхронных машин необходимо знать, как будут изменяться токи,
при вариации нагрузки на валу. Для этих целей была разработана виртуальная
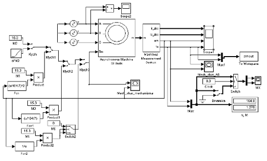
лабораторная установка представленная на рисунке 10.
Рисунок 10 - Модель для исследования асинхронной машины
Установка включает в себя:
источник переменного напряжения AC Voltage
Source из библиотеки SimPowerSystems/Electrical Sources;
блок для удобства извлечения переменных машины из вектора Machines Measurement Demux из библиотеки SimPowerSystems /Machines;
блок Display для количественного представления измеренных частоты
вращения (рад/с) и момента (Нм) в ходе проведения исследования;
блок Scope для наблюдения токов обмотки ротора и статора, а также
скорости и момента асинхронной машины из главной библиотеки Simulink/Sinks;
блок XY Graph для построения статической нагрузки и механической
характеристики машины из главной библиотеки Simulink/Sinks ;
блок Constant для задания и расчета механического момента на валу машины
из главной библиотеки Simulink/Sources;
блок Мuх, объединяющий два сигнала в один
векторный из главной библиотеки Simulink/Sygnal Routing.
блок Voltage Measurement, измеряет мгновенного значения напряжения между
двумя узлами схемы из библиотеки SimPowerSystems/Measurements;
блок To Workspace, сохраняет данные в рабочей области,
библиотека Simulink/Sinks;
блок Clock, формирует сигнал, величина которого
на каждом шаге расчета равна текущему времени моделирования, библиотека
Simulink/Sources;
- блок переключателя Switch, библиотека Simulink/Commonly Used Blocks;
блок
задания функции Fcn, библиотека Simulink/User-Defined
Functions;
- блок Product, выполняет вычисление произведения
текущих значений сигналов, библиотека Simulink/Commonly
Used Blocks;
блок Ramp, источник линейно изменяющегося воздействия, библиотека
Simulink/Sources;
исследуемую трехфазную асинхронную машину Asynhronous Machine из библиотеки SimPowerSystem /Machines.
В полях окна настройки параметров асинхронной машины последовательно
задаются:
тип ротора (Rotor Type), в выпадающем меню этого поля задаем короткозамкнутый
ротор;
система отсчета при анализе (Stationary) - неподвижная относительно
статора;
Номинальная мощность, действующее линейное напряжение и номинальная
частота;
сопротивление и индуктивность статора;
сопротивление и индуктивность ротора;
взаимная индуктивность;
момент инерции, коэффициент трения и число пар полюсов;
начальные условия для моделирования (скольжения, положение ротора, токи
статора и их начальные фазы).
Параметры машины частично берутся из паспортных данных, а частично
рассчитываются при помощи программы в MATLAB, текст которой приведен в приложении.
Далее
параметры заносятся в окно настройки блока Asynhronous Machine (рис. 11).
Промоделируем основные типы статических нагрузок. В результате получили
механические характеристики производственных механизмов и АД. Переходные
процессы в АД приведены в приложении.1. Характеристика с моментом
сопротивления, не зависящим от скорости.
Рисунок 11 - Окно настройки параметров асинхронной машины
Рисунок
12 - Механическая характеристика механизма и АД
. Характеристика с моментом сопротивления, линейно зависящим от скорости
Рисунок
13 - Механическая характеристика механизма и АД
3.
Характеристика с нелинейным возрастанием момента, момент сопротивления Мс
зависит от квадрата угловой скорости ω «Рисунок ».
Рисунок
14 - Механическая характеристика механизма и АД
. Снятие естественной механической характеристики, в установившемся
режиме работы двигателя.
Рисунок
15 - Механическая характеристика АД во время разгона и естественная МХ АД
2.3 Описание
алгоритма программы лабораторного комплекса
Анализ комплексной задачи автоматизации означает ее подразделение на
меньшие задачи или функции в соответствии со структурой управляемого процесса.
Разделенная на части пользовательская программа может быть легко
сконфигурирована и запрограммирована. Структурирование программы упрощает процесс
ее отладки, обслуживания и поддержки.
ПЛК SIMATIC-S300 предназначен для работы с различными
типами блоков, которые могут быть в составе пользовательской программы и в
которых могут сохраняться соответствующие данные. Состав набора блоков, входящих в программу, определяется
требованиями процесса.
Организационные блоки OB представляют
собой интерфейс между операционной системой и программой пользователя.
Функции FC
содержит частное
функциональное решение программы. При
этом функции могут быть запрограммированы для работы с параметрами. В результате такие функции могут
применяться в повторяющихся выражениях, в том числе для выполнения сложных
вычислений.
Системные функции SFC - это функции
с параметрами, встроенные в операционную систему CPU. Их имена (номера) и их функции жестко определены.
Функциональные блоки FB
имеют те же возможности, что и функции. Кроме того функциональные блоки имеют свою собственную область памяти в
виде экземплярных блоков данных. Поэтому
функциональные блоки пригодны для использования в часто повторяющихся, сложных вычислениях.
Блоки данных DB - это области
данных программы, в которых данные пользователя организованы в определенную
структуру.
В начале цикла обработки программы операционная система (ОС) заполняет
область отображения входов, сбрасывает таймер контроля длительности цикла,
после этого вызывает для обработки блок ОВ1. В конце цикла обработки ОС
переписывает в выходные модули значения из области отображения выходов, после
чего начинается следующий цикл обработки. В блоке ОВ1 можно вызывать функции и
функциональные блоки. После обработки вызванного блока управление передается
блоку, из которого был произведен вызов данного блока. В структуре программы
присутствует подпрограмма для имитации типовых статических нагрузок, которая
должна обрабатываться через одинаковые, заранее заданные, промежутки времени.
Для ее выполнения используется блок обработки циклических прерываний ОВ35
отвечающий за циклический расчет момента нагрузки и вызываемый каждые 100
миллисекунд. Алгоритм работы программы приведен в графическом материале лист
3,4.
Алгоритм работы программы условно может быть разбит на логические блоки:
установление соединения между SIMATIC S7-300 и
преобразователем SIMOREG DC MASTER, устройством плавного пуска асинхронных электродвигателей
Danfoss MCD201,преобразователями частоты SINAMICS S110 и SINAMICS S120 по сети PROFIBUS;
установка задания по скорости и подача управляющих сигналов для
преобразователей частоты и устройства плавного пуска;
расчет и задание по выбранному закону момента для SIMOREG DC MASTER;
выполнение защитных функций от одновременного включения синхронного и
асинхронного двигателей;
выполнение действий согласно слову управления приходящему из системы
диспетчерского управления WINCC.
Выделим наиболее важные функциональные блоки, функции и организационные
блоки программы:
FB1 -
производит пересчет принятых от преобразователя SIMOREG DC MASTER значений
скорости, напряжения, момента, активной мощности и тока в формат пригодный для
вывода в WinCC.
FB2 -
блок перевода заданного в WINCC
значения момента и скорости в формат пригодный для передачи SIMOREG DC MASTER,
SINAMICS S110/S120.
FB4 -
чтение слова состояния Danfoss MCD201;
FB11 -
пересчет принятых от SINAMICS S110/S120 значений скорости, напряжения, момента,
активной мощности и тока в формат пригодный для вывода в WinCC;
FB35 -
расчет момента нагрузки для снятия естественной механической характеристики;
FB36 -
расчет момента нагрузки от квадрата скорости на валу;
FB37 -
расчет линейного закона задания момента нагрузки от скорости на валу;
FB283
- настройка соединения и обмена консистентными данными между ПЛК и ПЧ;
FC2 -
вызывает FB2, FB11, FB283,
отвечает за квитирование ошибки;
FC3 -
вызывает FB2, FB11, FB283,
отвечает за квитирование ошибки;
FC4 -
вызывает FB2, FB1, устанавливает соединение с SIMOREG DC MASTER и организует
обмен консистентными данными. Отвечает за режим задания постоянного момента,
защищая от одновременного задания нескольких режимов задания нагрузки;
OB80 -
вызывается операционной системой CPU,
когда происходит ошибка времени. Под ошибкой времени понимается превышение
максимального время цикла, пропуск прерываний по времени, вследствие сдвига
времени вперед или слишком большая задержка при обработке класса приоритета;
OB82 - используется для оценки стартовой информации модуля с
диагностическими возможностями или получения точной диагностической информации
о произошедшей ошибке;
OB86 - используется для обнаружения отказа стойки. Под отказом стойки
понимают разрыв соединительного кабеля, неисправность децентрализованного
источника питания на стойке, отказ ведомого устройства;
OB121 - вызывается ОС, когда появляется ошибка программирования,
например, адресованные таймеры не существуют, вызванный блок не загружен.
2.4 Описание Scada - приложения СУМиУ
Перед началом работы необходимо произвести включение рабочей станции
преподавателя и панели оператора, после чего запустить проект системы
диспетчерского управления WinCC.
При
запуске проекта на панели оператора появляется рабочее окно (рис. 16), которое
позволяет эффективно осуществлять мониторинг и управление лабораторным стендом.
В ходе выполнения работы по исследованию типовых статических нагрузок, в
окне оператора необходимо выбрать закон, по которому производится задание
момента нагрузки:
постоянное задание момента;
задание момента сопротивления в зависимости от скорости на валу;
задание момента сопротивления в зависимости от квадрата скорости на валу;
режим задания момента сопротивления для снятия естественной
характеристики двигателя.
Рисунок 16 - Рабочее окно оператора
После выбора режима нагрузки необходимо настроить параметры по заданию,
ввести их в соответствующие окно.
Далее производим включение асинхронного или синхронного двигателя по
выбору, после чего запускаем двигатель постоянного тока имитирующего нагрузку
на валу. Снимаем временные и механические характеристики в течение 30 секунд.
Для визуализации процесса необходимо выбрать «Тренд контроль», «Механическая
характеристика механизма». Система диспетчерского управления позволяет
архивировать данные процесса исследования в форме Exel при помощи функции Export data.
Рисунок
17 - Пуск
Рисунок
18 - Режим задания момента сопротивления от квадрата скорости
В
результате экспериментов на экран панели оператора выполняется вывод
механической характеристики в зависимости от выбранного режима задания типовой
статической нагрузки.
Рисунок
19 - Режим постоянного задания момента сопротивления
Рисунок
20 - Задание момента сопротивления в зависимости от скорости на валу
Рисунок
21 - Задание момента сопротивления в зависимости от квадрата скорости на валу
3. РАЗРАБОТКА
МЕТОДИЧЕСКОГО ОБЕСПЕЧЕНИЯ
.1 Разработка
методического обеспечения по работе с программным пакетом Step7
.1.1
Интерфейс рабочего окна SIMATIC Manager
SIMATIC
Manager - это графический интерфейс для редактирования объектов S7 (рис 22).
Рисунок 22 - Рабочие окно SIMATIC Manager
Основными элементами панели главного меню программы SIMATIC Manager являются разделы File, Edit, Insert, PLC, View, Options, Window и Help.
На панели инструментов вынесены наиболее часто используемые кнопки.
Структурно, данные хранятся в проекте в виде объектов. Объекты в проекте
представлены в виде древовидной структуры, расположенной в левой части рабочего
окна. Структура проекта, аналогична используемой в Windows Explorer, что делает
интерфейс программы интуитивно понятным для пользователя, а различия
заключаются лишь в иконках объектов.
Содержимое правой части окна SIMATIC Manager зависит от выбранного в
левой части объекта.
На
верхнем уровне структуры расположен проект MSAENGpr. Каждый
проект представляет базу, в которой хранятся все относящиеся к нему данные.
Элементами проекта являются сети и их элементы - станции и другие узлы. Проект MSAENGpr
содержит многоточечный интерфейс MPI, к которому подключена станция SIMATIC 300
Station(Ш1) (рис. 23). Объект MPI создается автоматически и представляет
интерфейс для PG и коммуникационный интерфейс для CPU.
Рисунок
23 - Структура проекта в SIMATIC Manager
На
втором уровне, находятся станции, которые являются основой для конфигурирования
аппаратуры. Здесь хранится информация о конфигурации аппаратуры и параметрах
модулей. Проект на уровне станций содержит один элемент - SIMATIC
300 Station(Ш1), который в свою очередь содержит контроллер CPU315-2PN/DP.
Доступ к ведомые устройствам может быть получен при помощи утилиты Hardware
(рис. 24).
Процессор
CPU315-2PN/DP содержит пользовательскую программу S7 Program,
которая представлена в виде блоков Blocks (рис. 25). Расположенные ниже уровни
зависят от содержимого предыдущих.
Рисунок 24 - Уровень станции в SIMATIC Manager
Рисунок 25 - Уровень блоков
.1.2 Создание
проекта в SIMATIC Manager
Рассмотрим основные этапы создания проекта с помощью мастера «New Project Wizard», который находится в разделе «File» главного меню утилиты SIMATIC Manager. Создание проекта состоит из четырех шагов.
На
первом шаге создания проекта (рис. 26), необходимо выбрать структуру проекта по
умолчанию, показанную в двух окнах, нажав кнопку «Finish», или
продолжить пошаговое создание проекта, нажав кнопку «Next».
Рисунок 26 - Первый шаг создания проекта
В
пошаговом режиме появляется второе окно (рис 27), в котором выбирается тип
процессора из списка, задание его MPI-адрес, адреса для подключения
к многоточечному интерфейсу (Multi Point Interface).
Рисунок 27 - Выбор типа процессора
На
третьем этапе определяются типы организационных блоков (рис 28).
Рисунок 28 - Выбор организационных блоков программы
Организационные блоки используются в программе и выполняют определенные
функции:
OB1 -
циклическое исполнение программы;
OB10 -
прерывание, вызываемое по времени суток;
OB20 -
прерывание, вызываемое по истечении заданного временного интервала;
OB30 -
циклически вызываемое прерывание;
OB40 -
прерывание от внешней аппаратуры;
OB60 -
прерывание, вызываемое по условию;
OB80 -
обрабатывает ошибку таймера;
OB81 -
обрабатывает ошибку системы питания;
OB82 -
обрабатывает ошибку ввода-вывода;
OB84 -
обрабатывает ошибку процессора;
OB85 -
обрабатывает ошибку загрузки организационного блока;
OB86 -
обработка отсутствия контакта в соединительном разъеме;
OB87 -
обработка ошибки соединения;
OB100
- полный перезапуск;
OB101
- обычный перезапуск;
OB102
- холодный перезапуск;
OB121
- обработка ошибки программирования контроллера.
В окне также устанавливается язык программирования, наиболее удобный для
пользователя:
список операторов STL;
контактный план LAD;
функциональный оператор;
В
последнем окне (рис. 29), задается имя проекта. Результатом работы «New Project Wizard» является созданный
проект, появляющийся после нажатия кнопки Finish.
Рисунок 29 - Задание имени создаваемого проекта
Добавление новых элементов в проект осуществляется через меню «Insert».
Выделив проект и открыв с помощью правой клавиши мыши контекстное меню,
выберем через Insert new object объект PROFIBUS, присвоим специфическое имя
объекту ENG_NET1.
Подробное и более полное методическое указание по работе в Step7 приведено в приложении
.2 Разработка
методического обеспечения по работе с программным пакетом WinCC
.2.1 Создание
проекта
Указанные
ниже действия иллюстрируют порядок запуска WinCC и создания проекта. Проект
создается в виде многопользовательского проекта. Чтобы открыть диалоговое окно
WinCC Explorer (Проводник WinCC), выбераем в меню File (Файл) пункт New
(Создать). Задаем тип проекта Multi-User Project (многопользовательский проект) (рис. 30).
Рисунок 30 - Диалоговое окно WinCC Explorer
Далее
появится диалоговое окно Create a new project (Создание нового проекта) в которой
задается имя проекта и размещение проекта (рис. 31).
Рисунок
31 - Диалоговое окно Create a new project
После
создания, проект PNIPU_MSA_ru откроется в проводнике WinCC (рис. 32). В левой части
окна WinCC Explorer отображена структура проекта и необходимые редакторы и папки.
В правой части окна отображаются элементы, принадлежащие редактору или папке.
Рисунок 32 - Структура проекта
.2.2 Запуск и
останов выполнения проекта
При запуске проекта открывается среда исполнения WinCC. Проект
выполняется в режиме обработки в среде исполнения WinCC.
Проект может быть запущен с помощью кнопки Run на панели инструментов проводника WinCC или из
раздела работы с проектом File,
функция Activate. Спустя непродолжительное время
откроется окно Runtime (Среда исполнения) и отобразится экран процесса П1.pdl,
который представлен в приложении.
При вводе значения в поля ввода-вывода в среде исполнения это значение
передается системе автоматизации при помощи соответствующих тегов. Это
позволяет выставлять задание системе управления, выполнять функции управления
включением и отключением приводов, проводить оперативный мониторинг состояния
стенда.
Останов проекта осуществляется в проводнике WinCC. При останове проекта
завершается работа программного обеспечения среды исполнения. Окно среды
исполнения закрывается.
Для останова выполнения проекта осуществляется из раздела работы с
проектом File, повторный выбор пункта Activate или с помощью кнопки Stop на панели инструментов проводника
WinCC. Спустя непродолжительное время, окно Runtime закроется.
Подробное и более полное методическое указание приведено в приложении
4.
БЕЗОПАСНОСТЬ ЖИЗНЕДЕЯТЕЛЬНОСТИ
.1
Характеристика экспериментального процесса дипломной работы
Выполнение экспериментальной работы на лабораторном стенде
«преобразователь частоты - асинхронный двигатель» сопряжено с рядом потенциальных
опасностей, к числу которых относятся: возможное поражение электрическим током,
возможное соприкосновение с вращающимися частями. Электроустановка является
источником шума, вибрации, статического электричества и электромагнитных полей.
Согласно СП 12.13330-2009 помещение, в котором установлен лабораторный
стенд, по взрывопожарной и пожарной опасности относится к категории 4В, т.е.
находящиеся в помещении вещества и материалы относятся к горючим и
трудногорючим, способным при взаимодействии с водой, кислородом воздуха или
друг с другом только гореть, к негорючим в холодном состоянии. Помещение, в
которой установлен лабораторный стенд, не является взрывоопасной. Согласно ПУЭ
глава 7.4 «Электроустановки в пожароопасных зонах», помещение относится к зоне класса
П-IIа - зоны, расположенные в помещениях,
в которых обращаются твердые горючие вещества.
.2
Санитарно-гигиеническая характеристика лаборатории и меры безопасности
В ходе выполнения работы на лабораторном стенде токсичные вещества не
применяются.
Источниками шума и вибрации являются двигатель постоянного тока,
асинхронный двигатель и синхронный двигатель.
Согласно санитарно-эпидемиологические правила и нормативам СанПиН
2.2.2/2.4.1340-03 «Гигиенические требования к персональным
электронно-вычислительным машинам и организации работы» допустимый уровень шума
в помещениях лабораторий с шумным оборудованием для проведения
экспериментальных работ составляет 50 дБ.
При работе лабораторного стенда источником шума является электромашинный
агрегат, находящийся во включенном состоянии непродолжительное количество
времени, максимальный уровень шума составляет 59 дБ, что превышает допустимый
уровень согласно гигиенические требования. Поэтому возникает необходимости
проводить мероприятия по снижению шума, среди которых удаление рабочего места
оператора и преподавательской станции на достаточное расстояние от объекта
исследования.
Нормы микроклимата установлены системой стандартов безопасности труда
ГОСТ 12.1.005-88 и Санитарными правилами и нормами СанПиН 2.2.4.548-96.
Выполнение лабораторных работ относится к легким работам категории Iа (энергозатраты до 120 ккал/ч).
Оптимальные величины показателей микроклимата на рабочем месте для категории
работ Iа представлены в таблице 3.
Таблица 3
|
Период Года
|
Температура воздуха, ºС
|
Температура на рабочих
местах, ºС
|
Относительная влажность
воздуха, %
|
Скорость движения воздуха,
м/с
|
|
Холодный
|
22-24
|
21-25
|
40-60
|
0,1
|
|
Теплый
|
23-25
|
22-28
|
40-60
|
0,1
|
В помещении, где установлен лабораторный стенд, вентиляция осуществляется
как за счет проветривания - смена воздуха в помещении осуществляется через
неплотности в проемах дверей, так и за счет организованной канальной
естественной вытяжной вентиляции.
Одним из недостатков рабочего помещения является то, что помещение плохо
приспособлено к созданию учащимся оптимальной температуры. В период летних
жарких дней, температура в помещении может доходить от плюс 26 до плюс 28
ºС. Столь высокая
температура способствует быстрому утомлению и может привести к перегреву
организма, став причиной теплового удара. В качестве оптимального микроклимата
для персонала, с учетом требований, предъявляемых к оборудованию рабочего
помещения, установлен микроклимат, отвечающий характеристикам: температуры: от
плюс 22 до плюс 24 ºС, относительная влажность - 40-60%, подвижность
воздуха не более 0,1м/с.
В зимнее время температура воздуха в аудитории составляет от плюс 19 до
плюс 24
ºС, что
соответствует норме. Это связано с тем, что окна оборудованы стеклопакетами, и
имеется централизованное отопление.
Размеры
помещения: площадь
; длина
; ширина
. В помещении используется совмещенное освещение,
включающее и естественный, и искусственный свет. По характеру и задачам
зрительных работ помещение относится к группе I, то есть
лаборатория, в которой выполняется точная зрительная работа при фиксированной
линии зрения обучаемого на рабочую поверхность. Разряд зрительных работ
соответствует IV разряду зрительной работы согласно СНиП 23.05-95 -
средняя точность зрительной работы, наименьший размер объекта различения 0,5 -
1 мм. Согласно СНиП II-4-79. «Естественное и искусственное освещение», СанПиН
2.2.2/2.4.1340-03 «Гигиеническим требованиям к персональным
электронно-вычислительным машинам и организации работы» и СанПиН 2.2.2.542-96,
раздел 4, для помещения находящегося в третьем световом климатическом поясе
коэффициент естественного освещения (К.Е.О.) ен= 1,5%.
Расчет
естественного освещения заключается в определении площади световых проемов для
помещения. Освещение боковое.
Коэффициент нормированной освещенности ен = 1%.
Площадь пола производственного помещения S = 66,08 м2 .
Отношение длины (вдоль стены с окнами) помещения A к его ширине В равна 2,0. Отношение ширины помещения B к возвышению h1 верхнего края окна
над горизонтальной рабочей плоскостью равно 1,0. Тогда, световая характеристика
окна h = 10.
Коэффициент, учитывающий затемнение окон противостоящими зданиями Кзд = 1
.
Коэффициент запаса, учитывающий снижение освещенности в процессе
эксплуатации Кз =1,4.
Общий коэффициент светопропускания учитывает оптические свойства стекла
из-за загрязнений поверхности стекла Ксв = 0,5.
Коэффициент, учитывающий отражение света от стен и потолка Кот = 1,45.
Площадь световых проемов:
, (1)
м2.
Окно
имеет следующие размеры: ширина - 1,86 м, высота - 2,415 м.окна= 4,5 м2.
Количество
окон в помещении следующее:= Sо / Sокна = 19,2/4,5 = 4 шт.
Полученное
расчетное значение количества окон соответствует фактическому количеству,
следовательно, помещение отвечает требованиям естественного освещения.
Рассчитаем
искусственное освещение.
Основными
задачами при проектировании искусственного освещения является определение числа
и мощности светильников, необходимых для обеспечения нормируемой освещенности.
Освещенность
(нормативная) при общем искусственном освещении составляет 300 лк.
Для
расчета общего равномерного искусственного освещения используется метод
коэффициента использования светового потока, согласно которому необходимо
определить потребный расчетный световой поток ламп в каждом светильнике, при
котором достигается значение наименьшей нормируемой освещённости рабочей
поверхности.
Расчет
освещения в аудитории выполняется по методу коэффициента использования
светового потока.
Основное
расчетное уравнение метода:

(2)
где

-
световой поток ламп одного ряда, при котором достигается значение наименьшей
нормируемой освещенности рабочей поверхности, лк;

-
минимальная нормируемая освещенность, 300 лк;

-
площадь производственного помещения, 66,08 м2;

-
коэффициент запаса;

-
коэффициент, учитывающий неравномерность освещения для люминесцентных
светильников;

- число
рядов;

-
коэффициент использования светильников;
Для
расчетов 
необходимо
знать коэффициент использования светильников. Его определяют по индексу
помещения i и коэффициентам отражения от стен, потолка, пола.
Индекс
помещения, необходимый для определения коэффициента использования, находится по
следующей формуле:

(3)
где

- длина
аудитории;

- ширина
аудитории;

-
расчетная высота подвеса светильников, м.
Высоту
подвеса светильника h находят по следующей формуле:

где

- высота
помещения от пола до линии подвеса светильников;

- высота
рабочей поверхности, тогда:

м
Находим
индекс аудитории по формуле:

м
Расстояние
между рядами светильников (L) принимают равным 
, тогда 
м.
Следовательно,
число рядов 
.
Фактическое
значение числа рядов - 
.
Принимаем
приблизительные значения коэффициентов использования светового потока:
коэффициент
отражения от потолка ρп = 70%( Потолок подвесной, выполнен с использованием
декоративной полимерной плитки);
коэффициент
отражения от стен ρс = 50% (стены помещения оклеены светлыми обоями);
коэффициент
отражения от пола ρп = 10% (пол бетонный).
Потолок помещения оборудуется светильниками серии ARS/R 418 с 4-мя
люминесцентными лампами мощностью 18Вт. Световой поток одной лампы составляет
950 лк. Габариты светильника - 595 x 595 х72 мм.
По таблицам[1] находим коэффициент использования для светильников ARS/R
(S) 418. В данном случае h =
54%.
Все найденные значения подставляем в основное расчетное уравнение метода
и получаем световой поток светильников:

лк
Число
светильников в одном ряду определяется по выражению:

(4)
где

-
световой поток светильника;

-
световой поток ряда;

Фактическое
количество светильников в ряде равно 
.
Таким
образом, количества светильников в аудитории отвечает требованиям
искусственного освещения.
.3
Технические мероприятия, обуславливающие безопасное ведение экспериментальной
работы
Помещение, в котором размещен лабораторный стенд, относится к помещениям
без повышенной опасности - это сухие, беспыльные помещения с нормальной
температурой воздуха и с изолирующими полами.
Электрический ток представляет собой скрытый тип опасности, т.к. его
трудно определить в токо- и нетоковедущих частях оборудования, которые являются
хорошими проводниками электричества. Смертельно опасным для жизни человека в
электроустановках до 1 кВ считают ток, величина которого превышает 0,05А. При
проведении лабораторной работы в цепи может протекать ток величиной 2А.
Данные величины тока и напряжения опасны для человека, поэтому согласно
правилам устройства электроустановок (ПУЭ) применены следующие меры защиты:
. Для защиты от поражения электрическим током в нормальном режиме
предусмотрены следующие меры защиты от прямого прикосновения:
основная изоляция токоведущих частей;
применение оболочек со степенью защиты не менее IP2X;
Для защиты от поражения электрическим током в случае повреждения изоляции
предусмотрены следующие меры защиты при косвенном прикосновении:
защитное зануление - все металлические части электроустановок, которые
могут оказаться под напряжением вследствие нарушения изоляции, присоединяются к
защитному проводнику РЕ;
автоматическое отключение питания при повреждении цепи:
Выключатель автоматический дифференциальный (диф. автомат) «Siemens», Iср=30 мА, Iн=16А,
1 шт.;
Выключатель автоматический «Siemens», Iн=8А, 3 шт.;
Выключатель автоматический «Siemens», Iн=6А, 6 шт.;
. Персонал, проводящий работы в электроустановках, должен быть обеспечен
всеми необходимыми средствами защиты, обучен правилам применения, изучивший
инструкцию по охране труда и обязан пользоваться ими для обеспечения
безопасности работ.
. Защитное заземление лабораторного стенда выполнено по системе TN-C-S.
Во избежание поражения электрическим током все электрооборудование
заземлено. В качестве основных заземляющих проводников используются:
провод (РЕ) кабельных линий, отходящих к потребителям;
отдельные РЕ-проводники - провода ПВЗ желто-зеленого цвета.
заземляющее устройство здания.
. Обеспечить соединения корпусов установок с существующей магистралью
заземления электропомещения.
В электроустановке используются электродвигатели со степенью защиты IР44
и IР55 согласно ГОСТ 14254-96 (МЭК 529-89) «Степени защиты, обеспечиваемые
оболочками (код IP)». Вращающиеся части электропривода лабораторного стенда
закрыты защитным кожухом.
Питание электродвигателя и преобразователя осуществляется напряжением 380
В, при этом необходимое наличие преобразовательных устройств во время
проведения лабораторных работ подразумевает протекание в некоторых цепях
постоянного напряжения свыше 120 В.
Защита силовых цепей электродвигателей, а также дополнительные функции
защиты осуществляются устройством плавного пуска и частотными
преобразователями.
Нормирование электромагнитных полей промышленной частоты осуществляется
по предельно допустимым уровням напряженности электрического поля Е (кВ/м), напряженности
магнитного поля Н (А/м) или индукции магнитного поля В (мкТл) частотой 50 Гц в
зависимости от времени пребывания в электромагнитном поле на рабочих местах
персонала и регламентируются санитарно-эпидемиологическими правилами и
нормативами СанПиН 2.2.4.1191-03.
Рассчитаем допустимую напряженность электрических полей в зависимости от
времени пребывания в электрическом поле по формуле.
(4)
где
Т - время пребывания в электрическом поле, ч.
Пребывание
в электромагнитном поле напряженностью до 5 кВ/м включительно допускается в
течение всего рабочего дня. Поэтому нет необходимости производить мероприятия
по снижению электрических полей.
.4
Противопожарные мероприятия и средства пожаротушения
Источником зажигания могут послужить короткие замыкания в
электропроводке. Горючими материалами, находящимися в лаборатории, является
дерево и пластик, горючие жидкости отсутствуют. Мерами предупреждения короткого
замыкания являются правильный выбор, монтаж и эксплуатация электроустановок.
Для того чтобы избежать перегрузок электросетей, выбраны соответствующие
нагрузке сечения проводников, созданы условия охлаждения проводов и приборов,
профилактика нагрева контактных соединений обеспечена тщательным соединением
проводов и приемников.
Электрооборудование лабораторного стенда должно соответствовать классу
пожаро- и взрывоопасности помещения.
Для того, чтобы рассчитать количество огнетушителей необходимых для
обеспечения пожаробезопасности аудитории 05 кафедры МСА необходимо:
отнести помещение, занимаемое данным отделом к определенной категории
помещений. Аудитория относится к категории помещения В4;
оценить предполагаемый класс пожара. Стенд ПЧ-АД характеризуется большим
количеством электрических приборов. Поэтому предполагаемый класс пожара - Е,
т.е. пожар, связанный с горением электроприборов;
площадь помещения не более 200 м2.
Кроме этого нужно учитывать следующие:
при комбинированных очагах пожара предпочтение при выборе огнетушителя
отдается более универсальному по области применения;
огнетушители, отправленные на перезарядку, должны заменяться
соответствующим количеством заряженных огнетушителей;
Поэтому, по таблице приложения 1, для тушения пожара в помещении следует
установить первичное средство пожаротушения - порошковый огнетушитель ОП-10,
вместимостью 10 литров для тушения жидких горючих веществ и электроустановок
напряжением до 1000 В.
В лабораторию, должен быть назначен, в соответствии с приказом,
ответственный за пожарную безопасность. В обязанности ответственного лица
входит обеспечение мер пожарной безопасности: проверка исправности
огнетушителей, контроль подводящих кабелей, инструктаж студентов и ознакомление
их с путями эвакуации. Всё рабочее оборудование должно проходить периодический,
надлежащий осмотр. Помещение должно соответствовать правилам пожарной
безопасности.
Особое внимание необходимо уделять эвакуации людей из помещения.
Эвакуация проводится по заранее спланированным путям, которые являются
минимальными для прохождения людьми до безопасного места. Схемы эвакуации
расположены в доступных для взгляда человека местах. Все люди находящиеся в
здании должны строго соблюдать эти разработанные инструкции для того, чтобы во
время экстренной ситуации не произошло паники и давки.
В рамках разработки методического обеспечения по исследованию
электроприводов, была разработана инструкция по охране труда, которая приведена
в приложении.
Данное технико-экономическое обоснование разработано с целью оценки
экономического эффекта от инвестиций, вложенных в проект. Оценка эффективности
принятого научно-технического решения должна быть комплексной и учитывать все
аспекты данного решения.
Актуальность проекта обусловлена тем, что рынок оборудования для
автоматизации растет и важную роль на нем играет оборудование компании Siemens. Поэтому технические университеты
заинтересованы в том, чтобы выпускники получали комплексный набор
профессиональных компетенций, в связи с этим в ближайшее время данное
направление будет актуально и востребовано. Стоит отметить, что услуги по
обучению работе с данным оборудованием оказывает ограниченное число фирм и при
этом стоимость их высока. В связи с этим крупные промышленные предприятия могут
быть заинтересованы в создании собственных лаборатории, на основе которых
проводилось бы обучение и повышение квалификации производственного персонала.
Выбор каналов сбыта - сложное управленческое решение, влияющие на все
другие решения в сфере маркетинга. Конкретный выбор канала сбыта происходит с
учетом очень многих факторов.
Прежде чем прибегнуть к прямому маркетингу (прямой сбыт), необходимо
убедиться в том, что наше методическое обеспечение может быть эффективно
реализовано. Для продвижения товара и поиска покупателей должна быть введена в
штатное расписание должность специалиста по сбыту.
Основной целевой аудиторией являются технические вузы и колледжи, крупные
производственные предприятия, деятельность которых связана с комплексной
автоматизацией и приводной техникой.
Технико-экономическое обоснование дипломного проекта включает:
· расчет затрат, которые подразделяются на капитальные
(единовременные) и эксплуатационные (за год работы). Расчет выполнен по статьям
калькуляции.
· Расчет срока окупаемости проекта.
Доходная часть проекта будет осуществлена за счёт продажи разработанного
проекта и проведения обучения персонала университета или предприятия купившего
проект.
.1 Расчёт
капитальных затрат на создание данного проекта
Калькуляция капитальных затрат включает в себя:
стоимость электроэнергии.
заработная плата лаборанта и преподавателя на разработку
методического обеспечения
Статья 1. Расходы на электроэнергию за период разработки методического
обеспечения.
Разработка методического обеспечения проводилась в течение двух месяцев,
т.е. 45 рабочих дней. В среднем работа за включенным стендом проходила в
течение пяти часов в день. Итого t,
суммарное время пользования стендом, составило 250 часов.
Мощности, потребляемые отдельными компонентами лаборатории:
средняя потребляемая мощность блоков стенда составляет 3,0 кВт;
потребляемая мощность компьютеров составляет 0,7 кВт;
потребляемая мощность системы освещения составляет 0,54 кВт.
Суммарная мощность WЭЛ,
необходимая для работы со стендом составила: 4,24 кВт.
Для ПНИПУ тариф за использование электроэнергии CЭ=2,64 руб/кВт∙ч.
Таким образом, расход на электроэнергию за период разработки
методического обеспечения составил:
СЭЛ=WЭЛ∙t∙CЭ=4,24∙220∙2,64=2
518,56 руб.
Статья 2. Заработная плата лаборанта и преподавателя
Фонд заработной платы лаборанта состоит из основной и дополнительной
заработной платы. Основная заработная плата определяется следующим образом:
ФЗПОСН=ЗПТАР∙(РК∙ КСВ) ∙ТР,
где ЗПТАР - тарифная заработная плата за месяц по месячному окладу
лаборанта, руб.;
РК - районный коэффициент (для Урала он составляет 1,15);
КСВ - социальный взнос равный 30,0%;
ТР - время работы лаборанта, мес.
Фонд дополнительной заработной платы включает выплаты за очередной отпуск
(ФЗПдоп):
ФЗПДОП=ФЗПОСН∙КДОП,
где КДОП - коэффициент дополнительной заработной платы, принимаемой по
нормативу дополнительной заработной платы от 15 до 20%.
Тогда общий фонд заработной платы составит
ФЗП=ФЗПОСН+ФЗПДОП
тарифная заработная плата за месяц по месячному окладу лаборанта
ЗПТАРлаб=5 000,00; ЗПТАРпреп =15 000,00 руб.
ЗПТАР= ЗПТАРлаб + ЗПТАРпреп=20 000,00 руб.
ФЗПОСН=20 000,00·1,15·1,30*2 = 59 800,00 руб.
ФЗПДОП = 59 800,00·0,15= 8 970,00 руб.
ФЗП=59 800,00+8 970,00 =68 700,00 руб.
Затраты на заработную плату составляют 68 700,00 руб.
Итого капитальных затрат:
К= СЭЛ +СЗП=2 518,56 + 68 700,00 = 71 218,56 руб.
.2 Расчёт
эксплуатационных затрат проекта
Для успешной реализации проекта, требуется штат сотрудников в количестве
двух человек. Функции и заработная плата персонала сведены в таблицу 4.
Таблица 4. План по персоналу
|
Штатная
|
Кол-во чел.
|
Требования
|
Функции
|
Заработная плата, руб.
|
|
Преподаватель
|
1
|
Высшее образование,
отличное знание предметной области
|
Обучение студентов
|
15 000,00 за курс
|
|
Специалист по сбыту
|
1
|
Среднее специальное
образование, по совместительству, не нормируемый рабочий день
|
Поиск и телефонная
консультация клиентов
|
10 000,00 с продажи проекта
|
|
|
|
Итого
|
=4*15 000,00 +4*10 000,00 =
100 000,00
|
Таким образом, эксплуатационные расходы за первый год реализации проекта
100 000,00 руб., в среднем за один квартал 25 000,00 рублей.
5.3 Расчет доходной части за год пользования проектом комплекса
Предполагается, что покупатель устанавливает у себя аналогичный стенд.
Таким образом, доходная часть формируется от прибыли с продажи разработанного
методического обеспечения стенда и курсов по обучению персонала вновь
созданного стенда в другом университете.
На основании экспертной оценки с учетом потенциальных покупателей данного
проекта мною был установлен объем продаж готового проекта в количестве 4
продажи за год, в среднем по одной продаже в квартал. Для целей расчета
установлена цена в 50 000,00 руб. за методическое обеспечение и курс обучение.
Курс обучения предусматривает набор группы людей, представителей от покупателя
в составе четырех человек. В таком случае доход с продаж проекта другим
университетам составит 4·50 000,00=200 000,00 руб., в среднем за один квартал
50 000,00 рублей.
.4 Расчет
срока окупаемости проекта
Эффективность инвестиционных проектов можно охарактеризовать системой
показателей:
чистый дисконтированный доход (ЧДД);
индекс доходности (ИД);
срок окупаемости (Ток).
. Чистый дисконтированный доход позволяет получить наиболее обобщенную
характеристику результата инвестирования, т.е. его конечный эффект в абсолютной
сумме. Под чистым приведенным доходом понимается разница между, приведенной к
настоящей стоимости, суммой чистого денежного потока за период эксплуатации
инвестиционного проекта и суммой инвестиционных затрат на его реализацию.
Расчет этого показателя осуществляется по формуле:
(5)
где
Rt - результаты (доход), достигаемые на t-м шаге расчета;
t
- текущие затраты, осуществляемые на том же шаге;
Е
- норма дисконта;номер квартала (t = 1, 2, ..., Т).
Для
определения чистого дисконтированного дохода следует обосновать норму дисконта.
(6)
При
этом следует учитывать следующие факторы:- ставка рефинансирования, объявленная
ЦБ РФ на данный период равна 8,25%;темп инфляции, объявленный Правительством РФ
на данный период равен 6%;- поправка на предпринимательский риск;
Экономическая
деятельность всегда связана с большим или меньшим уровнем неопределенности, а,
следовательно, всегда подвержена влиянию риска. Поэтому следует учитывать риски
и стремиться минимизировать их с помощью проведения определенных мероприятий. В
таблице 5 выделены основные риски и их вероятность:
Таблица
5. Оценка вероятности рисков и их приоритет.
|
Вид риска
|
Вероятность риска, %
|
|
Неустойчивость спроса или
отсутствие клиентов
|
5,0
|
|
Неудовлетворенность
клиентов
|
4,0
|
|
Появление конкурентов
|
1,0
|
|
Неплатежеспособность
потребителей
|
2,0
|
|
Выход из строя оборудования
|
1,0
|
|
Текучесть кадров
|
2,0
|
|
Другие (маловероятные)
|
0,5
|
|
ИТОГО
|
15,5
|
Рассчитаем норму дисконта:
Далее был произведен расчет чистого дисконтированного дохода за каждый
квартал. Все результаты приведены в таблице.
Характеризуя показатель «чистый дисконтированный доход» следует отметить,
что он может быть использован не только для сравнительной оценки эффективности
реальных инвестиционных проектов, но и как критерий целесообразности их
реализации. Инвестиционный проект, по которому показатель чистого приведенного
дохода является отрицательной величиной или равен нулю, должен быть отвергнут,
так как он не принесет дополнительный доход на вложенный капитал.
Инвестиционные проекты с положительным значением показателя чистого
приведенного дохода позволяют увеличить капитал предприятия и его рыночную
стоимость.
. Индекс (коэффициент) доходности.
Показатель «индекс доходности» также может быть использован не только для
сравнительной оценки, но и в качестве интегрального (обобщающего) показателя
при принятии инвестиционного решения и возможностях реализации проекта. Если
значение индекса доходности меньше единицы или равно ей, денежный проект должен
быть отвергнут в связи с тем, что он не принесет дополнительный доход на
инвестированные средства. Иными словами, для реализации могут быть приняты
реальные инвестиционные проекты только со значением показателя индекса
доходности выше единицы.
(7)
Чистый
дисконтированный доход за расчетный промежуток времени составил 89 898,39 руб. Индекс доходности согласно формуле
составит:
Правило: если ЧДД > 0, а ИД > 1, то проект эффективен.
. Срок окупаемости является одним из наиболее распространенных и понятных
показателей оценки эффективности инвестиционного проекта. Срок окупаемости
проекта (СО) - время, за которое поступления от экономической деятельности
покроют затраты на инвестиции. Измеряется СО в годах, месяцах или кварталах.
Показатель срок окупаемости используется обычно для сравнительной оценки
эффективности проектов, но может быть принят и как интегральный (в этом случае
инвестиционные проекты с более высоким периодом окупаемости будут отвергаться).
Основным недостатком этого показателя является то, что он не учитывает те
объемы чистого денежного потока, которые формируются после периода окупаемости
инвестиционных затрат. Так, по инвестиционным проектам с длительным сроком
эксплуатации после периода их окупаемости может быть получена большая сумма
чистого денежного потока, чем по инвестиционным проектам с коротким сроком эксплуатации
(при аналогичном и даже более быстром периоде окупаемости последних) [1].
Срок окупаемости рекомендуется определять с использованием
дисконтирования:
(8)
где
Экв - дисконтированный доход одного периода, принимаемый как квартальная
величина экономии при реализации проектных решений:
(9)
Для
начала рассчитаем дисконтированный доход за квартал:
руб.
Тогда
срок окупаемости будет равен:
Срок окупаемости проекта с учетом дисконтирования 3,2 квартала.
Сводная таблица расчетов и график чистого дисконтированного дохода
представлены в приложении.
Внутренняя норма доходности (ВНД) представляет собой ту норму дисконта
(Евн), при которой величина приведенных эффектов равна приведенным
капиталовложениям.
Если расчет ЧДД инвестиционного проекта дает ответ на вопрос, является он
эффективным или нет при некоторой заданной норме дисконта, то ВНД проекта
определяется в процессе расчета и сравнивается с требуемой инвестором нормой
дохода на вкладываемый капитал. В случае, когда ВНД равна или больше требуемой
инвестором нормы дохода на капитал, инвестиции в данный инвестиционный проект
оправдан, и может рассматриваться вопрос о его принятии. В противном случае
инвестиции в данный проект нецелесообразны.
Внутренняя норма доходности Евн является решением уравнения:
(9)
Вывод
Таким образом, согласно расчетам, период окупаемости по данному проекту
составил 3,2 квартала, что является достаточно быстрым сроком окупаемости.
Интегральную (обобщающую) оценку эффективности проекта дает показатель
чистого дисконтированного дохода и призван влиять на решения руководства,
связанные с реализацией проекта, а также оценкой общих тенденции развития. В
данном случае величина чистой приведенной стоимости равна 18 679,83 руб., то
есть через 3,2 квартала после начала осуществления проекта мы имеем
положительное значение данного показателя, что говорит об эффективности
вложений денежных средств.
Проект также характеризует индекс доходности, который больше единицы и
равен 1,26 , что говорит о рентабельности проекта
Реализация проекта направлена на получение эффектов:
Повышение организационно-технического уровня учебного процесса
направления 220-700.62 «Автоматизация технологических процессов и производств».
Дисциплинами, в которых планируется использовать лабораторный комплекс,
являются «Системы управления исполнительными механизмами» и «Производственное
оборудование и его эксплуатация». В ходе учебного процесса происходит развитие
у студентов следующих профессиональных компетенций и навыков:
ПК-11 - способность выбирать средства автоматизации технологических
процессов и производств;
ПК-18 - способность выполнять работы по расчету и проектированию средств
и систем автоматизации, контроля, диагностики, испытаний, управления
процессами, жизненным циклом продукции и ее качеством в соответствии с
техническими заданиями и использованием стандартных средств автоматизации
расчетов и проектирования;
ПК-40 - способность к участию в работах по моделированию продукции,
технологических процессов, производств, средств и систем автоматизации,
контроля, диагностики, испытаний и управления процессами, жизненным циклом
продукции и ее качеством с использованием современных средств
автоматизированного проектирования;
· Рост количества публикаций
· Повышение степени безопасности учебного процесса
электропривод контроллер
программный
Заключение
В данной выпускной квалификационной работе был рассмотрен лабораторный
комплекс систем управления электроприводами. Проведено исследование состава и
характеристик элементов комплекса и дано подробное техническое описание стенда
преобразователя частоты синхронного двигателя.
Проанализирована техническая документация на оборудование стенда ПЧ-АД и
составлено краткое описание, отражающее наиболее важные моменты работы со
стендом.
В ходе работы построены структурная схема СУМиУ.
Разработана методика создания проектов в Step7 и WinCC.
Также ознакомились с принципами и методами создания систем управления работой
частотного преобразователя SINAMICS
производства фирмы Siemens.
Проведена практическая работа с программным обеспечением стенда,
предложена и отработана методика запусков оборудования с целью исследования
процессов частотного регулирования асинхронным двигателем и использования
наработок в учебном процессе. Разработана методика работ с лабораторным
стендом, позволяющая провести обучение работе с оборудованием, стендом ПЧ -АД и
системой диспетчеризации и управления WinCC.
Результатом проделанной работы стала разработка программы для ПЛК и SCADA - системы, которые позволяют
получать механические характеристики представленные на экране.
Список используемых источников
. Соколовский Г. Г. Электроприводы переменного тока с
частотным регулированием: учебник для вузов / Г. Г. Соколовский . 2-е изд.,
испр. - М.: Академия, 2007.
. SINAMICS S120. Руководство по вводу в эксплуатацию.
Справочник по пуску в эксплуатацию, Siemens, 2012.
. SIMOREG DC Master. Руководство по эксплуатации. Издание 09,
Siemens, 2009.
. Simatic WinCC.
Руководство по конфигурации. Том 1. Siemens, 2010.
. Simatic. Работа со
Step 7 первые шаги. Siemens, 2012.
. Методические указания по оформлению выпускной
квалификационной работы для студентов кафедры микропроцессорных средств
автоматизации. Пермь, ПНИПУ - 2012 г., 29 стр.
. Устройство для защиты и пуска двигателей SIMOCODE pro - URL:
http://www.aqad.ru/index.php?tree=1000000&tree2=9990301&tree3=10027588&tree4=10008858&tree5=10015524&tree6=10024436
(дата обращения 12.04.13).
. Программируемые контроллеры Siemens SIMATIC S7-300 - URL: http://aelectric.ru/?p=8107 (дата
обращения 12.05.13)
9. SINAMICS G120 - URL:
<http://iadt.siemens.ru/?id=440> (дата обращения 13.01.13).
. Герман-Галкин С. Г.,
Кардонов Г. А. Электрические машины: Лабораторные работы на ПК. - СПб.: КОРОНА
принт, 2003.- 256 с., ил.
. Друзьякин И.Г. Технические
средства автоматизации. Конспект лекций. - Учеб. Пособие / Перм. гос. техн.
ун-т. Пермь, 2011, 251с.
Siemens Industry Online
Support - URL: http://support.automation.siemens.com/(дата обращения:
15.04.2013).