Расчет системы управления электроприводом для механизма извлекателя оправок

  • Вид работы:
    Курсовая работа (т)
  • Предмет:
    Информатика, ВТ, телекоммуникации
  • Язык:
    Русский
    ,
    Формат файла:
    MS Word
    130,01 Кб
  • Опубликовано:
    2013-11-05
Вы можете узнать стоимость помощи в написании студенческой работы.
Помощь в написании работы, которую точно примут!

Расчет системы управления электроприводом для механизма извлекателя оправок

СОДЕРЖАНИЕ

1. Электропривод: общие сведения

.ОБОСНОВАНИЕ ТЕХНИЧЕСКОГО ЗАДАНИЯ НА ПРОЕКТИРОВАНИЕ СИСТЕМЫ УПРАВЛЕНИЯ ЭЛЕКТРОПРИВОДА

.АНАЛИЗ ХАРАКТЕРИСТИК СИЛОВОЙ ЧАСТИ КАК ОБЪЕКТА УПРАВЛЕНИЯ

.АНАЛИЗ ХАРАКТЕРИСТИК ДАТЧИКОВ ИНФОРМАЦИИ

.ПОСТРОЕНИЕ ПРЕДВАРИТЕЛЬНЫХ ВАРИАНТОВ ФУНКЦИОНАЛЬНОЙ И СТРУКТУРНОЙ СХЕМ СИСТЕМЫ УПРАВЛЕНИЯ ЭЛЕКТРОПРИВОДА

.ВЫБОР МЕТОДА СИНТЕЗА ПЕРЕДАТОЧНЫХ ФУНКЦИЙ РЕГУЛЯТОРОВ СИСТЕМЫ УПРАВЛЕНИЯ ЭЛЕКТРОПРИВОДА

.СИНТЕЗ ПЕРЕДАТОЧНЫХ ФУНКЦИЙ РЕГУЛЯТОРОВ СИСТЕМЫ УПРАВЛЕНИЯ ЭЛЕКТРОПРИВОДА

.МОДЕЛИРОВАНИЕ СИСТЕМЫ УПРАВЛЕНИЯ ЭЛЕКТРОПРИВОДА

.ВЫБОР ТИПОВЫХ СРЕДСТВ УПРАВЛЕНИЯ

.РАЗРАБОТКА ПРИНЦИПИАЛЬНОЙ ЭЛЕКТРИЧЕСКОЙ СХЕМЫ СИСТЕМЫ УПРАВЛЕНИЯ ЭЛЕКТРОПРИВОДА

ЗАКЛЮЧЕНИЕ

СПИСОК ЛИТЕРАТУРЫ

1. 
Электропривод: общие сведения


Электропривод представляет собой электромеханическую систему, состоящую из электродвигательного, преобразовательного, передаточного и управляющего устройств, предназначенную для приведения в движение исполнительных органов рабочей машины и управления этим движением.

Современное машинное устройство состоит из большого числа разнообразных деталей, отдельных машин и аппаратов, выполняющих различные функции. Все они в совокупности совершают работу, направленную на обеспечение определенного производственного процесса.

Различают регулируемый ЭП, параметры движения которого могут изменяться по внешним командам, и нерегулируемый. Наиболее совершенным видом регулируемого ЭП является электропривод постоянного тока, в котором регулирование осуществляется изменением среднего значения напряжения, приложенного к якорю электродвигателя постоянного тока. В последнее время в качестве источника регулируемого напряжения постоянного тока используют, как правило, тиристорные преобразователи.

Система управления электроприводом, разработанная в данном проекте, может быть использована в механизме извлекателя оправок из труб, прокатанных на непрерывном стане.

2.  ОБОСНОВАНИЕ ТЕХНИЧЕСКОГО ЗАДАНИЯ НА ПРОЕКТИРОВАНИЕ СИСТЕМЫ УПРАВЛЕНИЯ ЭЛЕКТРОПРИВОДА


Разработать систему управления электроприводом механизма извлекателя оправок трубопрокатного агрегата с учетом его конструктивных особенностей и требований технологического процесса.

Система автоматического управления электроприводом должна обеспечивать постоянную скорость извлечения при постоянстве момента.

По тепловому расчету был выбран двигатель 4П-355-45-200-У3. Для питания двигателя используется тиристорный преобразователь типа КТЭУ с номинальным током 800 А, силовая цепь преобразователя выполнена мостовой схеме.

Показатели качества определяют соответствие СУЭП своему назначению, а ограничения - надежность электропривода при эксплуатации.

Технологическую цель СУЭП можно охарактеризовать как поддержание постоянства заданной величины. В соответствии с данной целью СУЭП определяющими показателями качества являются время точность стабилизации и диапазон регулирования.

Управляющим воздействием является задание на скорость вращения двигателя.

Определяющими возмущающими воздействиями для данного привода являются изменение момента нагрузки и напряжения сети, погрешность измерения и помехи в каналах управления.

Исходя из вышеперечисленных требований, для данного класса СУЭП приемлемым является аналоговый способ задания скорости.

3.  АНАЛИЗ ХАРАКТЕРИСТИК СИЛОВОЙ ЧАСТИ КАК ОБЪЕКТА УПРАВЛЕНИЯ


В составе автоматизированного электропривода объектом управления является силовая часть объекта управления, которую составляют преобразователь, двигатель и механизм. Связь между двигателем и механизмом принимается жесткой.

Номинальная мощность двигателя - PN = 200 кВт.

Номинальное напряжение - UN = 440 В.

Номинальный ток якоря - IN = 524 А.

Момент инерции привода - J = 44,9 кг·м2.

Номинальная угловая скорость двигателя - ΩN = 32,99 рад/с.

Номинальный момент - MN = 6063 Нм.

Активное сопротивление якорной цепи двигателя

яд = kt(Rя + Rдп + Rко),

где kt = 1,24 - коэффициент, учитывающий изменение сопротивления при нагревании, Rя = 0,0389 Ом - сопротивление якоря двигателя; Rдп = 0,0116 Ом - сопротивление дополнительных полюсов; Rко = 0,0168 Ом - сопротивление компенсационной обмотки .

Rяд = 1,24(0,0389 + 0,0116 + 0,0168) = 0,0835 Ом.

Фиктивное активное сопротивление преобразователя обусловленное коммутацией тиристоров

,

где kγ - коэффициент, учитывающий особенности однофазных преобразователей и параллельного соединения простых схем, kγ = 1,0 [2, табл. 3]; коэффициент kп = 2 по [2, табл. 3]; Lп = 0,000064 Гн - индуктивность фазы реактора, p = 6 - пульсность преобразователя; f = 50 Гц - частота сети.

Ом.

Эквивалентное сопротивление якорной цепи

RЭ = Rяд + Rγ + Rср + kп·Rп,

где Rср = 0,0072 Ом - активное сопротивление сглаживающего дросселя; Rп = 0,0021 Ом - тока активное сопротивление обмотки реактора.

Rэ = 0,0835 + 0,0096 + 0,0072 + 2·0,0021 = 0,104 Ом.

Эквивалентная индуктивность якорной цепи

Lэ = Lяд + Lср + kп·Lп,

где Lад = 0,00127 Гн - индуктивность цепи якоря; Lср = 0,005 Гн - индуктивность сглаживающего дросселя.Э = 0,00127 + 0,005 + 2·0,000064 = 0,00627 Гн.

Электромагнитная постоянная времени якорной цепи

 с.

ЭДС двигателя номинальная

EДN = UN - INRяд = 440 - 524·0,0835 = 396,3 В.

Электромеханическая постоянная времени привода

,

где  - произведение постоянной двигателя на ее магнитный поток.

.

Коэффициент усиления вентильного преобразователя

,

где Ed0 = 513 В - напряжение преобразователя при максимальном напряжении управления; Uоп.m = 15 В - амплитудное значение опорного напряжения.

.

Определим базисные величины.

Uб = EдN = 396,3 В,

Iб = IN = 524 А,

Ωб = ΩN = 32,99 рад/с,б = MN = 6063 Нм,

Ом.

Uб.р = 7 В.

Параметры главной цепи в системе относительных единиц

,

Механическая постоянная времени

с.

Коэффициент усиления преобразователя в системе относительных величин

Математическая модель силовой части вентильного электропривода постоянного тока в относительных единицах при общепринятых допущениях описывается следующими уравнениями

п = eп(uу);

;

eд = φ·ω;

m = φ·iя;

.

 

4.  АНАЛИЗ ХАРАКТЕРИСТИК ДАТЧИКОВ ИНФОРМАЦИИ


В системе управления электропривода в качестве информационных устройств используется три вида датчиков: скорости тока и напряжения.

В качестве аналогового датчика скорости применяем тахогенератор постоянного тока, у которого на выходе имеется делитель напряжения (рис. 4.1). В основе датчика тока лежит шунт, а датчика напряжения добавочное сопротивление.

Рис. 4.1. Принципиальная схема датчика скорости.

Коэффициенты передачи датчика тока, скорости и ЭДС двигателя

kдт = 1;

 В/А;дс = 1;

Вс/рад.

kдэ = 1;

.

5.  ПОСТРОЕНИЕ ПРЕДВАРИТЕЛЬНЫХ ВАРИАНТОВ ФУНКЦИОНАЛЬНОЙ И СТРУКТУРНОЙ СХЕМ СИСТЕМЫ УПРАВЛЕНИЯ ЭЛЕКТРОПРИВОДА


В настоящее время в электроприводе при создании системы автоматического управления нашел применение принцип подчиненного регулирования с последовательной коррекцией.

Системы подчиненного регулирования выполняются по определенной многоконтурной структуре (см. рис. 5.1).

Рис. 5.1. Структурная схема системы подчиненного регулирования

Сущность построения таких систем заключается в следующем:

1.   объект управления представляется в виде цепочки последовательно соединенных звеньев с передаточными функциями W01(p), W02(p), …, W0i-1(p), W0i(p), выходными параметрами которых являются контролируемые координаты объекта: напряжение, ток, скорость и т.д.

2.   Количество регуляторов с передаточными функциями Wр1(p), Wр2(p), …, Wрi(р) в СПР устанавливается равным количеству регулируемых величин. Все регуляторы соединяются последовательно, так что выход одного является входом другого. Кроме того на вход каждого регулятора подается отрицательная обратная связь по той переменной, которая регулируется данным регулятором. В результате этого в системе образуются как бы вложенные друг в друга контуры регулирования. Таким образом, число контуров регулирования равно количеству регулируемых координат объекта.

3.   Каждый внутренний контур управления подчинен следующему по порядку внешнему контуру, т.е. выходной сигнал регулятора любого внешнего контура является задающим для последующего, заключенного в него, контура. В итоге все внутренние контуры работают как подчиненные задаче регулирования выходной координаты системы.

4.   Ограничение любой координаты достигается ограничением ее задания, т.е. выходного сигнала регулятора, внешнего по отношению к рассматриваемому контуру.

5.   На выходе регулирующей части системы управления устанавливается фильтр. Постоянная времени Тμ этого фильтра является основным параметром системы авторегулирования и определяет важнейшие свойства системы.

6.   Синтез регуляторов СПР осуществляется методом последовательной коррекции (начиная с внутреннего контура и кончая внешним). Практически при выборе передаточной функции регулятора Wpi(p) i-го контура стремятся решить две основные задачи:

· обеспечить за счет действия регулятора компенсацию наиболее существенных инерционностей объекта, входящих в данных контур, и тем самым улучшить быстродействие системы;

· обеспечить определенный порядок астатизма данного контура за счет введения в регулятор интегрирующего звена.

Передаточная функция регулятора i-го контура будет иметь вид:


Настройка системы производится путем последовательной оптимизации контуров регулирования. Каждый контур оптимизируется по модульному или симметричному оптимумам, в основе которых лежит обеспечение вполне определенных показателей по выполнению, колебательности и точности системы автоматического управления, т.е. получение технически оптимального переходного процесса.

Системы подчиненного регулирования имеют следующие достоинства:

1.   Простота расчета регуляторов каждого контура при настройке по тому или иному оптимуму.

2.   Высокие статические и динамические показатели, обеспечиваемые настройкой контуров регулирования по модульному или симметричному оптимумам.

3.   Простота ограничения регулируемых координат.

4.   Унификация оборудования, обусловленная особенностями регуляторов СПР и наличием унифицированных блочных систем регулирования, специально выпускаемых для СПР.

5.   Простота настройки.

Основной недостаток - некоторый проигрыш по быстродействию.

На рис. 5.2 представлена структурная схема двухконтурной системы подчиненного регулирования электропривода постоянного тока.

Рис. 5.2. Структурная схема двухконтурной системы подчиненного регулирования электропривода постоянного тока.

Рис. 5.3. Функциональная схема САР скорости.

В соответствие с требованиями к электроприводу принимаем двухконтурную САР скорости с внутренним контуром регулирования тока якоря. Выбираем двухкратно интегрирующую САР скорости, поскольку астатизм системы по моменту сопротивления требуется. Контур тока якоря настроен на модульный оптимум, а скорости на симметричный. Поэтому в системе применяется ПИ-регулятор тока и ПИ-регулятор скорости. Ускорение и замедление привода обеспечивается путем формирования линейно изменяющегося сигнала задания на скорость задатчиком интенсивности. Функциональная схема САР скорости представлена на рис. 5.3.

6.  ВЫБОР МЕТОДА СИНТЕЗА ПЕРЕДАТОЧНЫХ ФУНКЦИЙ РЕГУЛЯТОРОВ СИСТЕМЫ УПРАВЛЕНИЯ ЭЛЕКТРОПРИВОДА


Наибольшее применение при проектировании систем управления электроприводов получил метод, основанный на использовании в качестве критериев качества системы управления интегральной квадратичной ошибки. Сочетание аналитического метода с принципом подчиненного регулирования с последовательной коррекцией позволяет унифицировать не только методы расчета, но и средства автоматического управления.

Синтез регуляторов системы управлении электропривода проводится на основе критериев качества. Рассматривается система регулирования при ступенчатом изменении воздействия. Необходимый астатизм системы обеспечивается введением нужного количества интегрирующих звеньев. В качестве основной составляющей критерия качества рассматривается ошибка регулирования и ставится задача ее минимизации. В целях получения нужного качества учитывают не только величину, но и характер изменения ошибки, для чего в критерий качества вводят значения производных выходной координаты системы.

7.  СИНТЕЗ ПЕРЕДАТОЧНЫХ ФУНКЦИЙ РЕГУЛЯТОРОВ СИСТЕМЫ УПРАВЛЕНИЯ ЭЛЕКТРОПРИВОДА


Выбор некомпенсируемой постоянной времени.

Величина Тμ является "базовой" при расчете СПР, для которых характерно, что динамические свойства системы не зависит от параметров объекта регулирования и определяется только величиной постоянной времени Тμ фильтра, установленного на выходе регулирующей части системы управления. Таким образом, в стандартных системах регулирования величина Тμ является единственным средством воздействия на систему управления.

С одной стороны уменьшение Тμ приводит к увеличению быстродействия и снижению статической и динамической ошибок по скорости при приложении внешних возмущающих воздействий, с другой стороны величина этой постоянной времени должна быть достаточно большой, чтобы обеспечить высокую помехозащищенность системы, ограничение тока якоря на допустимом уровне и устойчивость работы САУ с учетом дискретность тиристорного преобразователя.

Следовательно, фильтр с постоянной времени Тμ должен реально присутствовать в САУ электроприводом.

В реальных САУ с подчиненным регулированием параметров величина Тμ лежит в пределах 0,004-0,01 с.

Для нашей системы выберем Тμ = 0,01 с.

Расчет контура регулирования тока якоря.

Контур регулирования тока якоря является внутренним контуром САУ электроприводом. Он образуется регулятором тока, фильтром с постоянной времени Тμ, тиристорным преобразователем, якорной цепью и обратной связью по току через датчик тока. В объекте управления имеет место внутренняя обратная связь по ЭДС якоря двигателя. Структурная схема контура тока представлена на рис. 7.1.

Рис. 7.1. Структурная схема контура тока.

При синтезе регулятора внутренняя обратная связь по ЭДС не учитывается.

Передаточная функция регулятора тока, найденная по условию настройки на модульный оптимум:

,

где Тi1 = Tэ = 0,0901 с;

с.

При выборе данной передаточной функции регулятора тока замкнутый контур тока будет описываться передаточной функцией фильтра Баттерворта II порядка


Компенсация влияния ЭДС якоря двигателя.

Действие ЭДС якоря приводит к погрешности регулирования тока. Появляется астатизм контура по задающему воздействию. При единичном задании на ток статическая ошибка составит

,

где Ti = 2·Tμ = 2·0,01 = 0,02 c.

Статическая ошибка по току оказывается существенной, поэтому пренебречь влиянием обратной связи по ЭДС нельзя. Для компенсации влияния ЭДС якоря используют принцип комбинированного управления. В систему управления вводится положительная обратная связь по ЭДС. Для удобства технической реализации эта обратная связь подается на вход регулятора тока, а фильтр выносится из контура в цепь задания и обратной связи по току. Структурная схема контура тока с компенсирующей связью по ЭДС представлена на рис. 7.2.

Рис. 7.2. Структурная схема контура регулирования тока якоря с компенсирующей связью по ЭДС.

Передаточная функция звена компенсации ЭДС будет иметь вид

,

где  c, Tк2 = Tэ = 0,06 c.

ЭДС якоря двигателя, в отличие от тока якоря и скорости, недоступна для прямого измерения. Датчик косвенного измерения ЭДС якоря использует сигналы датчика тока якоря и датчика напряжения на якоре двигателя. Связь между током якоря, напряжением якоря и ЭДС якоря устанавливает уравнение электрического состояния равновесия в якорной цепи. В операторном виде оно имеет вид

,

где  c.

Выразив ЭДС, получим уравнение датчика. Структурная схема датчика тока приведена ниже. Для возможности практической реализации форсирующего звена и защиты системы от помех в сигналах датчиков в канале тока и напряжения датчика ЭДС добавлено инерционное звено с постоянной времени Тμ. Таким образом реальный датчик ЭДС будет инерционным.

Рис. 7.3. Реализация датчика ЭДС.

Расчет контура регулирования скорости.

Согласно требованиям, предъявляемым к электроприводу, система регулирования скорости выполняется двухкратной. Структурная схема контура скорости представлена на рис. 7.2. Контур регулирования тока настроен на модульный оптимум с наличием компенсации по ЭДС якоря - рассматриваем как фильтр Баттерворта II порядка.

Контур скорости образуется регулятором скорости, контуром регулирования тока якоря, звеном умножения на поток, звеном механической части привода и обратной связью по скорости через датчик скорости. На объект действует возмущающее воздействие - момент статического сопротивления.

Рис. 7.2. Структурная схема контура регулирования скорости.

В двухкратной САР скорости, по условия настройки на симметричный оптимум, регулятор скорости имеет передаточную функцию пропорционально-интегрального звена

,

где Tω = 4·Tμ = 4·0,01 = 0,04 c, Tω' = 8·Tμ = 8·0,01 = 0,08 c, φ = 1, так как Ф = ФN = const.

.

Передаточная функция замкнутого контура скорости при настройке на симметричный оптимум представляет собой фильтр Баттерворта IV порядка.

.

Задатчик интенсивности устанавливается на входе САР скорости и предназначен для формирования сигнала задания на скорость. Задатчик интенсивности ограничивает темп нарастания снижения задания на скорость и тем самым обеспечивает, чтобы ускорение и динамический момент электропривода не превышали допустимых значений. Структурная схема задатчика интенсивности представлена на рис. 7.3.

Рис. 7.3. Структурная схема задатчика интенсивности.

Темп задатчика интенсивности представляет собой величину ускорения электропривода в относительных единицах

,

где ε = 32,99 рад/с2 - ускорение двигателя при пуске.

c-1.

Принимаем постоянную времени интегратора Ти = 0,2 с. При этом величина ограничения нелинейного элемента составит:

= 1·0,2 = 0,200

В абсолютных единицах ограничение соответствует 11 В.

8.  МОДЕЛИРОВАНИЕ СИСТЕМЫ УПРАВЛЕНИЯ ЭЛЕКТРОПРИВОДА


Моделирование как метода анализа проводится с целью оценки соответствия показателей качества проектируемой СУЭП техническому заданию.

Будем осуществлять цифровое моделирование на ЭВМ в пакете программ MATLAB R12. На рис. 8.1 показана структурная схема объекта моделирования с системой управления.

Рис. 8.1. Структурная схема САР скорости.

На рис. 8.2. представлен переходный процесс при моделировании по структурной схеме 8.1. Возмущающее воздействие принято равным 1.

9.   ВЫБОР ТИПОВЫХ СРЕДСТВ УПРАВЛЕНИЯ


Типовые средства управления выбираем из унифицированной блочной системы регуляторов на интегральных компонентах (система УБСР-АИ). Аналоговые регуляторы системы УБСР-АИ выполнены в виде блоков унифицированной конструкции, набранных из ячеек печатного монтажа.

Для системы управления главного привода продольно-строгального станка выбираем блок регулятора скорости БР2-АИ, который содержит следующие типы ячеек: ФВ-2АИ, ЗИ-2АИ, Ф1-АИ, С1-АИ, У2-АИ, У4-АИ.

Ячейка ФВ-2АИ предназначена для преобразования сигналов переменного тока в напряжение постоянного тока с различной полярностью.

Ячейка задатчика интенсивности ЗИ-2АИ предназначена для преобразования ступенчатого изменения входного напряжения постоянного тока в линейно-зависимое от времени выходное напряжение, являющееся заданием регулируемого параметра.

Ячейка фильтров Ф2-АИ применяется для построения Т-образных фильтров в сочетании с резисторами ячейки связи С2-АИ и содержит в себе набор конденсаторов различной емкости.

Ячейка связи С1-АИ предназначена для размещения элементов входных цепей и цепей обратных связей операционных усилителей при построении различного рода регуляторов.

Ячейки операционных усилителей У2-АИ содержат два интегральных усилителя К1УТ402А многоцелевого назначения, схему регулируемого и нерегулируемого ограничения, а также элементы входных цепей и цепей обратных связей усилителей. Ячейка является основным элементом при построении различного рода регуляторов.

Ячейка операционных усилителей У4-АИ имеет такое же назначение и исполнение, как ячейка У2-АИ, но каждый интегральный усилитель дополнительно снабжен в обратной связи бесконтактной ключевой схемой с использованием полевых транзисторов, с помощью которых при подаче команды осуществляется приведение к нулю выходного сигнала усилителей.

Основные параметры операционных усилителей серии К553УД2

1)  максимальное выходное напряжение - Uоу.max = ±11 В;

2)      входное сопротивление - Rвх = 400 кОм;

)        коэффициент усиления по напряжению - ku = 5000;

)        ток ограничения максимальный - |Iогр|max = 2·10-6 А.

 

10.    РАЗРАБОТКА ПРИНЦИПИАЛЬНОЙ ЭЛЕКТРИЧЕСКОЙ СХЕМЫ СИСТЕМЫ УПРАВЛЕНИЯ ЭЛЕКТРОПРИВОДА


Выбор базисных величин.

Базисный ток системы регулирования

,

где δ - приведенная погрешность системы регулирования в номинальном режиме, принимаем δ = 0,005.

 А.

Принимаем Iб.р = 0,7 мА.

Базисное сопротивление системы регулирования

 кОм.

Расчет принципиальной схемы регулятора тока

Структурную схему регулятора тока можно представить в следующем виде (рис. 10.1).

Рис. 10.1. Структурная схема регулятора тока.

Принципиальная схема регулятора скорости представлена на рис. 10.2. На этой схеме операторные сопротивления равны

Zос(p) = ,

,

.

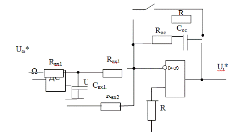
Рис. 10.2. Принципиальная схема регулятора тока.

Максимальные значения регулируемых координат и уровни ограничения регулирования следующие

,


Находим полные операторные сопротивления по общим формулам

;

;

.

На рисунке 10.2. эти сопротивления равны

(p) = ,

,

.

Далее находим

мкФ.ос =  = 6,86 кОм.

кОм.

мкФ.

кОм.

мкФ.

Вводим масштабный коэффициент kМ = 10.

Тогда значения фактических параметров схемы будут иметь следующие значения

Rфакт = Rрасч·kМ,

.

Рассчитанные новые значения параметров схемы округляем до ближайших по шкале стандартных значений, тогда получим: Rос = 68 кОм; Rвх1 = 39 кОм; Rвх2 = 51 кОм; Cос = 0,89 мкФ;Cвх1 = 0,51 мкФ; Cвх2 = 0,39 мкФ.

Расчет принципиальной схемы регулятора скорости.

Структурную схему регулятора скорости можно представить в следующем виде (рис. 10.3).

Рис. 10.3. Структурная схема регулятора скорости.

Принципиальная схема регулятора скорости представлена на рис. 10.4. На этой схеме операторные сопротивления равны

Zос(p) = ,

,

.

Рис 10.4. Принципиальная схема регулятора скорости.

Максимальные значения регулируемых координат и уровни ограничения регулирования следующие

uоу.max = 1,57,

ωmax = 1,я.max = 2.

Находим полные операторные сопротивления по общим формулам

;

.

Откуда находим

 мкФ.

Ом;

кОм;

мкФ.

Rвх2 = 1·10 = 10 кОм.

Введем масштабный коэффициент kМ = 20.

Рассчитанные новые значения параметров схемы округляем до ближайших по шкале стандартных значений, тогда получим: Rос = 30 кОм; Rвх1 = 160 кОм;

вх2 = 200 кОм; Сос = 0,082 мкФ; Свх1 = 1 мкФ.

Расчет параметров задатчика интенсивности.

Принципиальная схема задатчика интенсивности представлена на рис. 10.5.

Нелинейный элемент реализуется на операционном усилителе DA7 за счет включения в обратную связь пары стабилитронов VD6 и VD7. Интегратор реализуется на операционном усилителе DA6. Усилитель DA5 предназначен для инвертирования сигнала.

Принимаем

R19 = R21 = R22 = R20 = R18 = R17 = Rб.р = 10 кОм.

Коэффициент усиления линейной зоны нелинейного элемента принимаем равным 100.

R20 = 100·Rб.р = 100·10 = 1 МОм.

Емкость в обратной связи интегратора:

 =  мкФ.

Рис. 10.5. Принципиальная схема задатчика интенсивности.

Принципиальная схема регулятора тока и цепи компенсации ЭДС представлена на рис. 10.6.

Регулятор реализован на усилителе DA1, звено компенсации ЭДС - на усилителе DA2. Усилитель DA3 предназначен для суммирования сигналов в датчике ЭДС.

Принимаем величины сопротивлений

R6 = R8 = R9 = R12 = R13 = 4,7·Rб.р = 47 кОм.

Емкость во входной цепи усилителя DA2

 мкФ.

Сопротивление в обратной связи усилителя DA2

кОм.

Емкость фильтра на входе DA3

 мкФ.

Параметры элементов на входе форсирующего звена на входе DA3

, .

кОм.

 мкФ.

 кОм.

C4 = 1,2 мкФ; R7 = 110 кОм; С6 = 0,22 мкФ; R11 = 410 кОм; С5 = 0,01 мкФ; R10 = 810 кОм.

Рис. 10.6. Принципиальная схема управляющей части контура тока.

 

ЗАКЛЮЧЕНИЕ


В курсовом проекте выполнен расчет системы управления электроприводом для механизма извлекателя оправок трубопрокатного агрегата. В качестве приводного двигателя использован двигатель постоянного тока типа 4П-355-45-200-У3. Двигатель питается от сети 380 В через анодный реактор и тиристорный преобразователь серии КТЭУ.

Система автоматического регулирования выполнена двухконтурной. Внешним контуром является контур скорости двигателя, внутренний контур тока. Регуляторы тока и скорости имеют пропорционально-интегральную структуру. Информация о текущей скорости, напряжении и токе двигателя поступает с соответствующих датчиков. Задание на скорость производиться аналоговым задатчиком.

Данная система обеспечивает требуемые технологические требования для механизма извлекателя оправок и обладает необходимыми показателями качества.

электропривод излвекатель управление

СПИСОК ЛИТЕРАТУРЫ


1.   Комплектные тиристорные электроприводы: Справочник / И.Х. Евзеров, А.С. Горобец и др./ Под ред. В.М. Перельмутера. - М.: Энергоатомиздат, 1988. - 319 с.

2.   Расчет полупроводникового преобразователя системы ТП-Д: Методические указания к курсовой работе по курсу "Электронные микропроцессорные и преобразовательные устройства" /В.И. Лихошерст. Свердловск: УПИ, 1990. - 37 с.

3.   Расчет системы импульсно-фазового управления (СИФУ): Методические указания к курсовому проекту по дисциплине “Преобразовательные устройства”/ В.И. Лихошерст, А.В. Костылев. Екатеринбург: УГТУ-УПИ, 2000. 36 с.

4.   Системы управления электроприводами: Методические указания к проекту / М.Ю. Бородин, Е.Г. Казаков, В.Н. Поляков. - Свердловск: изд. УПИ, 1991. - 36 с.

5.   Справочные данные по элементам электропривода: Методические указания к курсовому проекту по дисциплине "Теория электропривода" / И.Я. Браславский, А.М. Зюзев и др. - Екатеринбург: УГТУ, 1995. - 56с.

6.   Теория электропривода: Методические указания и типовые задания к проекту / И.Я Браславский, Е.Г. Казаков, В.И. Лихошерст, В.П. Метельков, Е.Ф. Тетяев. Екатеринбург: Изд-во УГТУ, 1999. - 56 с.

7.   Шрейнер Р.Т. Системы подчиненного регулирования электроприводов. Часть 1. Электроприводы постоянного тока с подчиненным регулированием координат: Учебное пособие для вузов. - Екатеринбург: изд-во УГППУ, 1997.

Похожие работы на - Расчет системы управления электроприводом для механизма извлекателя оправок

 

Не нашли материал для своей работы?
Поможем написать уникальную работу
Без плагиата!
Без нейросетей!