Цифровое моделирование системы управления электроприводом в пространстве исходных фазовых координат
РЕФЕРАТ
Объектом разработок и исследований является
система транзисторный ключ-двигатель постоянного тока (ТК-Д).
Целью курсового проектирования является
практическое применение знаний, полученных при изучении курса «Системы
оптимального и векторного управления», и закрепление знаний следующих
дисциплин: «Теория электропривода», «Теория автоматического управления»,
«Элементы автоматизированного электропривода», «Системы управления
электроприводом».
Задание состоит из двух частей. Первая часть
задания - синтез позиционной системы управления электроприводом в пространстве
исходных фазовых координат, вторая - синтез позиционной системы управления
электроприводом с контролем производных фазовых координат. Расчет регуляторов и
подбор элементной базы.
При выполнении курсовой работы применены
автопрограмма, составленная с помощью средств математической программы MathCAD,
а также пакет прикладних программ MATLAB, в частности Simulink и LTI Viewer.
По результатам проведенных расчетов выполнено
цифровое моделирование системы управления электроприводом в пространстве
исходных фазовых координат и системы управления электроприводом с контролем
производных фазовых координат а также позиционной системы подчиненного
управления электроприводом, формирующей рациональную динамику.
ВВЕДЕНИЕ
Целью курсового проектирования является
практическое применение знаний, полученных при изучении курса «Системы
оптимального и векторного управления», и закрепление знаний следующих
дисциплин: «Теория электропривода», «Теория автоматического управления»,
«Элементы автоматизированного электропривода», «Системы управления
электроприводом».
Одной из наиболее актуальных задач, возникающих
при синтезе систем автоматического управления (САУ) является снижение влияния
различного рода дестабилизирующих факторов, обусловленных нелинейными
характеристиками и прочими неидеальностями управляемых преобразователей
мощности и электрических машин, ограниченной точностью изготовления и конечной
жесткостью элементов кинематических цепей, влиянием окружающей среды и сложной
природы технологических процессов на структуру и параметры электромеханических
объектов управления (ОУ).
Весь спектр возмущающих воздействий, которым
подвержен ОУ можно условно разделить на параметрические (внутренние) и
координатные (внешние). К параметрическим относятся любые возмущения,
результатом действия которых является изменение параметров или структуры
объекта управления. Координатными возмущениями в первую очередь являются силы
сопротивления, преодолеваемые электроприводом, а также шумы и помехи,
содержащиеся в сигналах задания и обратных связей.
Указанные факторы приводят к значительному
усложнению, а зачастую к неоднозначности и даже практической невозможности
полного математического описания ОУ.
Неточное знание модели движения ОУ приводит к
тому, что линейные системы подчиненного регулирования, получившие наибольшее
распространение в промышленности благодаря простоте синтеза и наладки, часто
оказываются не в состоянии обеспечить требуемые показатели качества при
изменившихся условиях функционирования ОУ, и требуют переналадки.
Теоретически исчерпывающее решение задачи
управления нестационарными объектами в условиях действия координатных
возмущений дает идея построения систем, устойчивых при неограниченном
увеличении коэффициента усиления. Реализация бесконечно больших коэффициентов
усиления за счет использования скользящих режимов релейных элементов позволяет
при определенных условиях обеспечить нулевую чувствительность системы
управления к параметрическим и координатным возмущениям.
Математические основы синтеза систем управления,
оптимальных по переходному процессу и допускающих неограниченное увеличение
коэффициента усиления без нарушения условий устойчивости, изложены в работах
[1-6]. Для синтеза систем этого класса применяется метод аналитического
конструирования регуляторов (АКР). Применение метода АКР для синтеза
оптимальных САУ электроприводами с двигателями постоянного тока впервые начато
в 1968 г. на кафедре автоматизированных электромеханических систем Донбасского
государственного технического университета.
Курсовой проект решает следующие задачи:
) синтез позиционных релейных систем
оптимального управления методом АКР в различных пространствах координат;
) выбор технических средств реализации найденных
алгоритмов управления;
) исследование статических и динамических
свойств релейных систем и сравнение их с линейной системой подчиненного
управления при номинальных параметрах объекта и под действием возмущений.
Перечень графического материала, выносимого на
чертежи:
) структурные схемы исследуемых систем;
) функциональные схемы;
) схемы цифровых моделей;
) графики переходных процессов при номинальных
параметрах объекта управления и при их вариации.
Исходные данные для проектирования системы
управления в соответствии с номером варианта приведены в приложении А.
Ниже приведены методические указания к
выполнению основной части проекта.
1. ПОСТАНОВКА ЗАДАЧИ СТРУКТУРНОГО
СИНТЕЗА СИСТЕМЫ ОПТИМАЛЬНОГО УПРАВЛЕНИЯ ЭЛЕКТРОПРИВОДОМ ПОСТОЯННОГО ТОКА
.1 Применение скользящих режимов
Известно, что влияние изменений параметров,
вредных воздействий окружающей среды, различных нелинейностей на процессы в
системе автоматического управления тем меньше, чем больше коэффициенты передачи
регуляторов. М.В. Мееровым в [7] показано, что устойчивые линейные системы с
бесконечно большим коэффициентом усиления обладают свойствами инвариантности к
параметрическим и координатным возмущениям.
Возможность реализации бесконечного коэффициента
усиления была указана в работах Я.З. Цыпкина [8, 9], для чего предложено
использовать релейный элемент и доказана его эквивалентность в скользящем
режиме линейному звену с бесконечным коэффициентом усиления.
Скользящий режим работы релейного элемента
заключается в том, что при среднем значении сигнала на входе, равном нулю, под
действием обратных связей, охватывающих этот элемент, он переключается с
теоретически бесконечной частотой, а среднее значение выходного сигнала в это
время по абсолютной величине меньше максимального, соответствующего одному из
устойчивых состояний элемента.
1.2 Методы оптимизации САУ
Основным направлением совершенствования систем
управления электроприводами является их оптимизация. По определению А.М. Летова
математические задачи синтеза оптимальных систем делятся на два класса. Задачи
первого класса - это задачи, связанные с расчетом желаемого вида переходного
процесса. При этом ищется программа управления, обеспечивающая переходному
процессу требуемое экстремальное свойство, ищется вид оптимального переходного
процесса во времени. Системы, удовлетворяющие решению этой задачи, называются
оптимальными по режиму управления. К этому классу систем относятся системы,
оптимальные по быстродействию.
Задачи второго класса - это задачи, в которых
имеется регулятор, обеспечивающий заданное качество переходного процесса.
Системы управления, синтезированные таким образом, называются оптимальными по
переходному процессу. Задачи второго класса, называемые также задачами АКР,
заключаются в определении вариационными методами такого управления, которое
минимизирует функционал, характеризующий отклонение траектории движения системы
от желаемой.
Решение задачи оптимизации второго класса
позволяет синтезировать замкнутые САУ, обладающие низкой чувствительностью к
параметрическим и координатным возмущениям благодаря реализации в контуре
управления скользящего режима. АКР, представляющий собой сочетание метода
динамического программирования и теории устойчивости Ляпунова, дает эффективный
аппарат для решения задач оптимизации систем управления электроприводами. При
этом результат АКР является одновременно и решением задачи структурной
оптимизации.
Оптимальную динамику электромеханического ОУ
следует формировать с помощью многоконтурной САУ, в которой для каждой
стабилизируемой фазовой координаты (тока, скорости, положения и т.д.) должен
быть предусмотрен отдельный релейный регулятор, осуществляющий оптимизацию этой
фазовой координаты по заданному критерию качества. Такой релейный регулятор при
стабилизации фазовой координаты должен осуществлять скользящий режим в любой
точке оптимальной гиперплоскости переключения и обеспечивать устойчивость этого
режима. Включение регуляторов каждой фазовой координаты может быть реализовано
по схемам параллельного или подчиненного регулирования. При последнем (более
целесообразном) способе упрощается настройка системы, а также реализуется
относительно легкий переход от применяемых в настоящее время линейных систем с
подчиненным регулированием и элементами УБСР к релейным системам со скользящими
режимами работы регуляторов.
В соответствии с изложенными выше соображениями
оптимальная САУ положением электромеханического объекта должна иметь
функциональную схему рис. 1.1, включающую релейные регуляторы тока (РТ),
скорости (РС), положения (РП).
Рисунок 1.1 - Структурная схема многоконтурной
САУ
На каждый регулятор поступает полная информация
о состоянии фазовых координат x1…xn силовой части ОУ, в результате чего
происходит контроль всего фазового пространства.
Окончательная структурная схема с указанием
числа и знаков обратных связей по той или иной фазовой координате на каждом
релейном регуляторе должна быть получена в результате аналитического решения
задачи структурного синтеза оптимальных управлений этих регуляторов по
заданному критерию качества, которым следует принять минимум интегральной
квадратичной ошибки. Если, кроме того, форсировать процесс вывода регулируемых
координат на их уровни стабилизации, то таким образом можно обеспечить
квазиоптимальность релейной САУ по быстродействию.
1.3 Системы релейного управления с
алгоритмами в различных фазовых пространствах
Алгоритмы оптимальных управлений, полученные при
синтезе САУ методом АКР, можно представить в различных фазовых пространствах
состояний. Имея различные выражения для алгоритмов оптимальных управлений
регуляторов той или иной фазовой координаты, САУ тем не менее будут обладать
одинаковыми динамическими показателями при различных структурных схемах.
Отличие этих САУ будет заключаться в различных статических свойствах, в
сложности технической реализации законов управления, в неодинаковой
чувствительности различных структурных схем к изменениям параметров объекта.
Причем алгоритм управления каждого из регуляторов может быть синтезирован в том
или ином фазовом пространстве.
Основные разновидности алгоритмов управления
приведены в табл. 1.1.
Таблица 1.1 - Алгоритмы управления в различных
фазовых пространвах
|
Алгоритм
|
Особенности
технической реализации
|
Достоинства
|
Недостатки
|
|
1.
В пространстве главной (регулируемой данным регулятором) и вспомогательных
фазовых координат
|
Не
представляет затруднений
|
Простота
технической реализации
|
Не
придает системе преимуществ в статических характеристиках. Повышенная по
сравнению с другими алгоритмами чувствительность к параметрическим
возмущениям
|
|
2.
В пространстве главной фазовой координаты и первых производных главной и
вспомогательных фазовых координат
|
Затруднительна
из-за необходимости вычисления первых производных каждой из фазовых координат
|
Возможность
получения жестких статических характеристик, меньшая по сравнению с
алгоритмом 1 чувствительность к параметрическим возмущениям
|
Невозможность
полной компенсации всех параметрических и координатных возмущений. Повышенная
чувствительность к помехам из-за наличия производной
|
|
3.
В пространстве главной координаты и ее производных, причем порядок наивысшей
производной на единицу меньше числа измеряемых фазовых координат
|
Весьма
затруднительна, т.к. требует вычисления n-1 производных фазовых координат
|
Теоретически
абсолютная инвариантность к параметрическим и координатным возмущениям
|
Практическая
невозможность технической реализации без дополнительных упрощений алгоритма,
например, переходе от чистых производных к реальным.
|
Структурные схемы контуров регулирования,
соответствующих алгоритмам 1-3 приведены соответственно на рис. 1.1,а-в. В
качестве регулируемой координаты x выступает одна из исходных координат объекта
(в позиционной системе с двигателем постоянного тока это ЭДС преобразователя
Eп, ток якоря I, скорость вращения двигателя w, положение
механизма S).

Рисунок 1.2 - Структурные схемы контура
регулирования координаты x
Наибольший интерес с точки зрения проектировщика
представляют структуры САУ, построенные на базе алгоритмов 1 и 3. В первом
случае получаем САУ, которая не намного сложнее линейной системы подчиненного
регулирования, но благодаря организации в контуре скользящего режима имеет
меньшую чувствительность к параметрическим и координатным возмущениям (этот
тезис следует проверить в процессе исследований). Система же с алгоритмом 3
представляет идеализированный вариант построения САУ, в котором может быть
получены абсолютная инвариантность к изменениям параметров ОУ и координатным
возмущениям (в процессе исследований следует убедиться в этом, а также выявить
те ограничения, в пределах которых имеет место абсолютная инвариантность).
2. ВЫБОР СРЕДСТВ ТЕХНИЧЕСКОЙ
РЕАЛИЗАЦИИ ЗАКОНОВ УПРАВЛЕНИЯ И МАТЕМАТИЧЕСКОЕ ОПИСАНИЕ ОБЪЕКТА УПРАВЛЕНИЯ
.1 Основные требования,
предъявляемые к силовому преобразователю
Необходимость обеспечения
скользящего режима в контуре управления обуславливает повышенные требования к
динамическим свойствам управляемого преобразователя. Полоса пропускания
преобразователя должна быть не менее предполагаемой частоты скользящего режима,
которую в свою очередь целесообразно обеспечить в диапазоне
. Поэтому
применение преобразователей, выполненных на полууправляемых тиристорах
малоэффективно, т.к. полоса пропускания в данном случае не превышает частоты
питающей сети 50 Гц.
Основными типами современных
приборов силовой электроники, применяемых в современном преобразовательном
оборудовании являются [10]:
полевые (MOSFET) и биполярные
транзисторы с изолированным затвором (IGBT);
запираемые тиристоры (GTO -
Gate-turn-off) и их модернизированный вариант - коммутируемые по затвору
запираемые тиристоры (IGCT - Integrated Gate-Commutated Thyristors). Эти
приборы производятся фирмами ABB Semiconductors AG и Mitsubishi в таблеточных
корпусах прижимной конструкции (press-pack) и рассчитаны на ток до 4,5 кА и
напряжение до 6 кВ;
биполярный транзистор с
изолированным затвором и увеличенной инжекцией (IEGT - Injection Enhanced Gate
Transistor). Объединяет преимущества IGBT - малую мощность управления и малые
коммутационные потери, широкую область безопасной работы с преимуществами GTO -
низким прямым падением напряжения.
Практически все типы
преобразовательного оборудования мощностью от единиц киловатт до единиц
мегаватт разрабатываются и производятся с использованием силовых модулей на
основе IGBT. В настоящее время силовые IGBT-модули выпускаются на ток 10…2400 А
и коммутируемое напряжение 0,6…3,3 кВ. Модули широко используются в
регулируемом технологическом и тяговом электроприводе, вторичных источниках
питания, в металлургии, химии, машиностроении, связи, энергетике. Имея лучшие
характеристики - малые мощность управления и коммутационные потери, высокие
скорости коммутации и стойкость к перегрузкам, они вытеснили в этих областях не
только силовые биполярные транзисторы, но даже и запираемые тиристоры (GTO).
Рынок IGBT модулей имеет ежегодный
прирост до 30% и в настоящее время достиг объема порядка миллиарда долларов.
Уже начато производство IGBT-модулей на напряжение 4,5…6,5 кВ.
Всю гамму силовых модулей разделяют
на обычные (стандартные) IGBT-модули и «интеллектуальные» модули. Стандартные
модули выпускаются в одно-, двух-, четырех- и шестиключевом исполнении с
обратными быстровосстанавливающимися диодами (FRD) или без них. Интеллектуальные
силовые модули (IPM - Intelligent Power Modules) впервые появились на рынке в
1988 г. Кроме силовой части схемы преобразователя (мостового одно- или
трехфазного выпрямителя, мостового инвертора), они содержат в едином корпусе
также датчики, схемы драйверов, защиты, элементы диагностики, источники
питания.
Качественное сравнение силовых
вентилей, используемых в современных системах электропривода приведено в табл.
2.1
Таблица 2.1 - Сравнительная
характеристика силовых вентилей
|
Схема
вентиля
|
Наименование
|
Область
применения
|
Характеристики
|
|
|
MOSFET
|
Низкое
напряжение (<220 В)
|
-
очень малое RDS(ON) - сопротивление сток-исток в открытом состоянии - очень
высокая частота (до 500 кГц) - контролируемое напряжение затвора (легко
управляем)
|
|
|
Биполярный
|
Высокое
напряжение, малые токи
|
-
малые потери при включении - высокая частота (до 100 кГц) при малых токах -
сложное управление
|
|
|
IGBT
|
Высокое
напряжение, большие токи
|
-
потери при включении намного меньше, чем у MOSFET - средняя частота (до 20
кГц) - контролируемое напряжение затвора (легко управляем)
|
В качестве управляемых ключей для построения
автономных инверторов или других коммутаторов тока в обмотках двигателей
принципиально можно использовать мощные биполярные транзисторы в ключевом
режиме, полевые транзисторы MOSFET и биполярные транзисторы с изолированным
затвором IGBT. Из таблицы следует, что в сфере электропривода преимущества
имеют IGBT-транзисторы. IGBT сочетают достоинства биполярных и полевых
транзисторов. Благодаря малой мощности управления и низким потерям в
статических режимах IGBT полностью вытеснили биполярные транзисторы из диапазона
средних мощностей. Поэтому положим, что силовой преобразователь выполнен на
транзисторах серии IGBT.
Схемотехническое решение силовой части привода
определяется выбранным способом управления силовыми ключами. Наиболее
качественное регулирование может быть получено при широтно-импульсной модуляции
(ШИМ). Частотные свойства ШИМ ограничиваются только конечным временем включения
и выключения ключа. При достаточно высокой частоте коммутации индуктивности
обмоток электрической машины являются естественными низкочастотными фильтрами,
что обеспечивает более качественное формирование требуемых токов и напряжений.
Принципиальная схема силовой части электропривода с двуполярным транзисторным
преобразователем с ШИМ приведена на рис. 2.1.
Рисунок 2.1 - Принципиальная схема силовой части
электропривода
Схема состоит из входного неуправляемого
выпрямителя, емкостного фильтра и собственно трехфазного мостового инвертора.
индуктивный характер нагрузки учитывается подключением параллельно
транзисторным ключам диодов, которые обеспечивают непрерывность цепи протекания
тока в обмотке при отключении ее от источника питания и возврат запасенной
магнитной энергии в конденсатор фильтра. В электроприводах, имеющих в цикле
работы участки рекуперации механической энергии или высокую интенсивность
тормозных режимов для «слива» рекуперированной электроэнергии приходится
предусматривать специальную цепь из дополнительного ключа и резистора,
рассеивающего эту энергию.
2.2 Математическое описание объекта
управления
Объектом управления является система
транзисторный ключ-двигатель постоянного тока (ТК-Д), которая описывается
следующей системой дифференциальных уравнений:
(2.1)
где I - ток якорной цепи, А; w
- скорость двигателя, рад/с; S - перемещение механизма, мм; UУ - управляющее
напряжение преобразователя. Для расчета параметров объекта управления
используются следующие соотношения:
эквивалентное сопротивление якорной цепи системы
определить, полагая, что активное сопротивления цепей преобразователя
составляет примерно 50% активного сопротивления якорной цепи двигателя:

,
для машин серии П;
Электромагнитная постоянная времени
якорной цепи
где индуктивность якорной цепи
системы аналогично активному сопротивлению

(2.3)
где,
где k = 6…8 - для быстроходных
некомпенсированных машин;= 8…12 - для нормальных некомпенсированных машин;= 5…6
- для компенсированных машин;
произведение потока на
конструктивную постоянную двигателя
где - номинальная скорость вращения,
рад/с.
коэффициент передачи транзисторного
ключа
где EП.МАКС - максимальная выходная
ЭДС транзисторного ключа, которую приблизительно принять на 30…50% выше
номинального напряжения двигателя:П.МАКС = 1,3∙UН =1,3∙220=286
(2.7)- максимальное управляющее напряжение (UМ = 10 В).
электромеханическая постоянная
времени системы
где суммарный момент инерции вала
двигателя и механизма принять
коэффициент передачи механизма
положить равным
мм/рад.
Структурная схема объекта управления
приведена на рис.2.2.
Рисунок 2.2 - Структурная схема
объекта управления
При составлении математической
модели и в дальнейших расчетах не учитывается статический момент сопротивления
MC.
3. СИНТЕЗ ПОЗИЦИОННОЙ СИСТЕМЫ
УПРАВЛЕНИЯ ЭЛЕКТРОПРИВОДОМ В ПРОСТРАНСТВЕ ИСХОДНЫХ ФАЗОВЫХ КООРДИНАТ
.1 Общие положения синтеза системы
методом АКР
В основе АКР лежат интегральные
квадратичные критерии качества. Задача АКОР состоит в том, что для объекта,
движение которого описывается системой линейных дифференциальных уравнений
,
, (3.1)
где все координаты Xi и управление U
заданы в относительных единицах, необходимо синтезировать алгоритм управления,
доставляющий минимум функционалу качества
, (3.2)
где
,
- заданная траектория
невозмущенного движения (или уровень стабилизации).
В векторной форме:
;
. (3.3)
Преобразуем исходную систему
дифференциальных уравнений, перейдя к уравнениям возмущенного движения:
,
; (3.4)
.
Задача решается методом
динамического программирования. Запишем уравнение Беллмана:
. (3.5)
Поскольку не все оптимальные
управления могут оказаться устойчивыми, использование функции Ляпунова V в
качестве функции Беллмана f одновременно обеспечит устойчивость системы.
Функция Ляпунова для любых линейных
систем
, в векторной форме
.
Тогда управление ищется в виде
. (3.6)
Для синтеза алгоритма управления
достаточно найти требующиеся коэффициенты функции Ляпунова Aij (Aij = Aji).
Определить Aij можно, решив матричное уравнение Барбашина
,
(3.7)
где С - матрица Барбашина, элементы
которой рассчитываются по следующим правилам:
(3.8)
- вектор коэффициентов функции
Ляпунова;- вектор коэффициентов критерия качества.
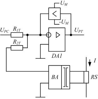
3.2 Регулятор тока
Схема объекта управления регулятора
тока (РТ) приведена на рис.3.1.
Рисунок 3.1 - Структурная схема
объекта управления РТ
Математическое описание объекта
управления РТ имеет вид:
(3.9)
Приводим управляемые координаты и
управляющее напряжение к относительным единицам
;
;
, (3.10)
где IM, wM, UM - максимальные значения
величин, которые следует принять
=3950 А; wн = 52,33 с-1;
.
В относительных единицах имеем:
(3.11)
Переходим к координатам возмущенного
движения:
;
, (3.12)
где
,
- желаемые траектории движения
управляемых координат.
где
. (3.13)
Функция Ляпунова для системы второго
порядка
. (3.14)
Критерий качества
. (3.15)
Алгоритм управления РТ имеет вид:
, (3.16)
где коэффициенты функции Ляпунова
A11, A12 находим из уравнения Барбашина:
. (3.17)
При синтезе РТ полагаем, что
,
.
(3.18)
Отсюда находим искомые коэффициенты:
;
.
Получаем алгоритм управления РТ:
.(3.19)
3.3 Регулятор скорости
Объект управления регулятора
скорости (РС) также как и при синтезе РТ имеет вид рис.3.1 и описывается
системой уравнений вида (3.1) за исключением того, что управляющей функцией
является напряжение РС UРС.
Алгоритм управления РС
, (3.20)
коэффициенты A11, A12 находим, решая
уравнение вида (3.2), в котором подставим следующие значения коэффициентов
критерия качества:
,
.
, (3.21)
откуда находим
;
.
=
(3.22)
где
3.4 Регулятор положения
Схема объекта управления регулятора
положения (РП) приведена на рис.3.2.
Рисунок 3.2 - Структурная схема объекта
управления РП
Математическое описание объекта
управления РТ имеет вид:
(3.24)
Перейдем к относительным единицам
;
;
;
, (3.25)
где SM - максимальный ход механизма,
принимаем в 10 раз больше критического перемещения SKP:

Где
где Ij = 1,5IН =1,5∙1580 =
2370- динамический ток двигателя.
(3.28)
Переходим к координатам возмущенного
движения:
;
;
. (3.29)
(3.30)
где
. (3.31)
Матрица Барбашина имеет вид
, (3.32)
Т.к. определитель матрицы Барбашина
| C | = 0, уравнение Барбашина не имеет решения. Поэтому воспользуемся
следующим искусственным приемом - положим, что передаточная функция механизма
, (3.33)
где T1®¥;
.
Дифференциальное уравнение,
описывающее движение механизма
. (3.34)
С учетом этого уравнения
скорректируем систему уравнений (3.5):
(3.35)
где
.
Алгоритм управления РП:
. (3.36)
Положим коэффициенты критерия
качества
;
. (3.37)
Решим уравнение Барбашина
. (3.38)
Главный определитель
(3.39)
Вспомогательные определители
;
;
. (3.40)
Т.к.
,
,
,
, алгоритм управления РП можно
переписать в следующем виде:
(3.41)
Подставим выражения коэффициентов
aij, и после преобразований получим
, (3.42)
3.5 Составление структурной и
функциональной схем системы
.5.1 Расчет контура тока
Структурная схема контура тока
приведена на рис. 3.3, функциональная схема блока РТ - на рис. 3.4, структурная
схема блока РТ - на рис.3.5.
Рисунок 3.3 - Структурная схема
контура тока
Рисунок 3.4 - Функциональная схема
блока РТ
Рисунок 3.5 - Структурная схема
реализации блока РТ
Расчет элементов функциональной
схемы выполняем исходя из соотношения
, (3.45)
где K - некоторый коэффициент
пропорциональности, приводящий левую и правую часть уравнения к одной
размерности и учитывающий коэффициент усиления операционного усилителя DA1 в
разомкнутом состоянии. Учтем, что
,
, (3.46)
получим
. (3.47)
Приравниваем коэффициенты при
одноименных переменных в левой и правой части уравнения:
(3.48)
Задаваясь значением K (принимаем
K=10000), из (3.7) получаем значения сопротивлений резисторов R1T, R2T:
кОм, (3.49)
Если одно или несколько полученных
сопротивлений выходят за границы диапазона 10 кОм…4,7 МОм, то нужно задаться
другим значением K и повторить расчет сопротивлений. Коэффициент передачи
датчика тока принять в диапазоне KДТ=100…150 (принимаем KДТ = 133), при
условии, что номинальное напряжение шунта составляет UН.Ш. = 75 мВ. Шунт
следует выбрать из условия IН.Ш. ³ IН, IН.Ш =1600 А тогда коэффициент передачи
шунта
Выбираем резистор
типа
МЛТ-0.125 100 кОм
Выбираем резистор
типа
МЛТ-0.125 250 кОм
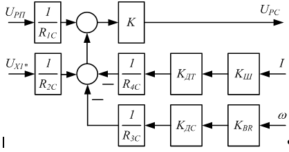
3.5.2 Расчет контура скорости
Структурная схема контура скорости
приведена на рис. 3.6, функциональная схема блока РС - на рис. 3.7, структурная
схема блока РС - на рис.3.8.
Рисунок 3.6 - Структурная схема
контура скорости
Рисунок 3.7 - Функциональная схема
блока РС
Рисунок 3.8 - Структурная схема
реализации блока РС
Расчет элементов функциональной
схемы выполняем исходя из соотношения
, (3.61)
где UX1∙ - напряжение,
соответствующее траектории задания на величину переменной X1; KДС - коэффициент
передачи делителя на выходе тахогенератора, который рассчитывается таким
образом, чтобы при номинальном напряжении тахогенератора (принимаем в данном
проекте UBR.НОМ = 110 В) на выходе делителя формировалось максимальное для
системы управления напряжение UM = 10 В:
; (3.62)
- коэффициент передачи
тахогенератора
Учтем, что
;
;
;
, (3.64)
Получим
.
Приравниваем коэффициенты при
одноименных переменных в левой и правой части уравнения:
(3.66)
Задаваясь значением K=10000 из (3.8)
получаем значения сопротивлений резисторов R1С, R2С, R3С, R4С:
кОм,
Выбираем резистор
типа
МЛТ-0.125 100 кОм
Выбираем резистор
типа
МЛТ-0.125 1,5 МОм
Выбираем резистор
типа
МЛТ-0.125 100 кОм
Выбираем резистор
типа
МЛТ-0.125 4 МОм
3.5.3 Расчет контура положения
Структурная схема контура положения
приведена на рис. 3.9, функциональная схема блока РС - на рис. 3.10,
структурная схема блока РС - на рис.3.11.
Рисунок 3.9 - Структурная схема
контура положения
Рисунок 3.10 - Функциональная схема
блока РП
Рисунок 3.11 - Структурная схема
реализации блока РП
Расчет элементов функциональной
схемы выполняем исходя из соотношения
(3.68)
где UX1∙, UX2∙ -
напряжения, соответствующие траекториям задания на переменные X1, X2; KДП -
коэффициент передачи датчика положения, включающего в себя цифровой датчик
положения BQ и цифроаналоговый преобразователь DAC, рассчитывается из
предположения, что максимальному перемещению SM соответствует максимальное
напряжения на выходе DAC, равное UM:
Учтем, что
;
;
;
;
;
, (3.70)
.
Приравниваем коэффициенты при
одноименных переменных в левой и правой части уравнения:
(3.72)
Задаваясь значением K=1000 из (3.9)
получаем значения сопротивлений резисторов R1П, R2П, R3П, R4П, R5П, R6П:
кОм,
Выбираем резистор
типа
МЛТ-0.125 10 кОм
Выбираем резистор
типа
МЛТ-0.125 1,3 МОм
Выбираем резистор
типа
МЛТ-0.125 850 кОм
Выбираем резистор
типа
МЛТ-0.125 15 кОм
Выбираем резистор
типа
МЛТ-0.125 850 кОм
Выбираем резистор
типа
МЛТ-0.125 3 МОм
Полные структурная и функциональная
схему системы с контролем исходных координат представлены на рисунках.
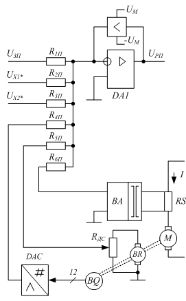
Рисунок 3.12 - Функциональная схема
системы с контролем исходных координат
4. СИНТЕЗ ПОЗИЦИОННОЙ СИСТЕМЫ
УПРАВЛЕНИЯ ЭЛЕКТРОПРИВОДОМ С КОНТРОЛЕМ ПРОИЗВОДНЫХ ФАЗОВЫХ КООРДИНАТ
.1 Регулятор тока
Схема объекта управления регулятора
тока (РТ) приведена на рис.4.1.
Рисунок 4.1 - Структурная схема
объекта управления РТ
Дифференциальное уравнение,
описывающее движение объекта управления
, (4.1)
откуда выразим старшую производную
управляемой координаты
. (4.2)
Приводим управляемую координату и
управляющее напряжение к относительным единицам
;
, (4.3)
и переходим к координате
возмущенного движения:
. (4.4)
Тогда
, (4.5)
где
Функция Ляпунова для системы первого
порядка
. (4.7)
Критерий качества
. (4.8)
Алгоритм управления РТ имеет вид:
, (4.9)
где коэффициент функции Ляпунова A11
находим из уравнения Барбашина:
, (4.10)
где k11 = 1.
Алгоритм управления РТ:
. (4.12)
4.2 Регулятор скорости
Схема объекта управления регулятора
скорости (РС) приведена на рис.4.2.
Рисунок 4.2 - Структурная схема
объекта управления РС
Дифференциальное уравнение,
описывающее движение объекта управления
; (4.13)
выразим старшую производную
управляемой координаты:
. (4.14)
Приводим управляемые координаты и
управляющее напряжение к относительным единицам:
;
;
: (4.15)
(4.16)
и переходим к координатам
возмущенного движения:
;
: (4.17)
(4.18)
где
;
;
Алгоритм управления РС имеет вид:
, (4.20)
где коэффициенты функции Ляпунова
A12, A22 находим из уравнения Барбашина, учитывая что коэффициенты критерия
качества k11=1, k12=k22=0:
. (4.21)
; (4.22)
,(4.23)
4.3 Регулятор положения
Схема объекта управления регулятора
положения (РП) приведена на рис.4.3.
Рисунок 4.3 - Структурная схема
объекта управления РП
Дифференциальное уравнение,
описывающее движение объекта управления
. (4.24)
Положим передаточную функцию
механизма
, где
;
, тогда
уравнение (4.3) примет вид:
, (4.25)
откуда выразим старшую производную
управляемой координаты:
. (4.26)
Приводим управляемые координаты и управляющее
напряжение к относительным единицам:
;
;
;
: (4.27)
(4.28)
и переходим к координатам
возмущенного движения:
;
;
: (4.29)
(4.30)
где
;
;
Принимаем
Алгоритм управления РП имеет вид:
, (4.32)
где коэффициенты функции Ляпунова
A13, A23, A33 находим из уравнения Барашина, учитывая что коэффициенты критерия
качества k11=1, k12=k13=k22=k23=k33 =0:
. (4.33)
Главный определитель
, (4.34)
тогда
, (4.35)
где
;
;
. (4.36)
Сократим на
, а также
учтем, что
:
. (4.37)
Сократим на
, учтем, что
:
. (4.38)
Поскольку
, имеем
,
. Тогда алгоритм
РП примет вид
,(4.39)

(4.40)
4.4 Составление структурной и
функциональной схем системы
.4.1 Расчет контура тока
Расчет контура тока выполняется
аналогично п.3.4.1.
Структурная схема контура тока
приведена на рис. 3.3, функциональная схема блока РТ - на рис. 3.4, структурная
схема блока РТ - на рис.3.5.
Рисунок 4.4 - Структурная схема
контура тока
Рисунок 4.5 - Функциональная схема
блока РТ
Рисунок 4.6 - Структурная схема
реализации блока РТ
Расчет элементов функциональной
схемы выполняем исходя из соотношения
, (4.41)
где K - некоторый коэффициент
пропорциональности, приводящий левую и правую часть уравнения к одной
размерности и учитывающий коэффициент усиления операционного усилителя DA1 в
разомкнутом состоянии. Учтем, что
,
, (4.42)
получим
. (4.43)
Приравниваем коэффициенты при
одноименных переменных в левой и правой части уравнения:
(4.44)
Задаваясь значением K (принимаем
K=10000), из (3.7) получаем значения сопротивлений резисторов R1T, R2T:
кОм, (4.45)
Если одно или несколько полученных
сопротивлений выходят за границы диапазона 10 кОм…4,7 МОм, то нужно задаться
другим значением K и повторить расчет сопротивлений. Коэффициент передачи
датчика тока принять в диапазоне KДТ=100…150 (принимаем KДТ = 133), при
условии, что номинальное напряжение шунта составляет UН.Ш. = 75 мВ. Шунт
следует выбрать из условия IН.Ш. ³ IН, IН.Ш =300 А тогда коэффициент передачи
шунта
Выбираем резистор
типа
МЛТ-0.125 100 кОм
Выбираем резистор
типа
МЛТ-0.125 250 кОм
4.4.2 Расчет контура скорости
Структурная схема контура скорости
приведена на рис. 4.4, функциональная схема блока РС - на рис. 4.5, структурная
схема блока РС - на рис.4.6.
Рисунок 4.7 - Структурная схема
контура скорости
Рисунок 4.8 - Функциональная схема
блока РС
Рисунок 4.9 - Структурная схема
реализации блока РС
Расчет элементов функциональной
схемы выполняем исходя из соотношения
где учтем, что
;
;
;
, (4.50)
где TФ = 2 мс - постоянная времени
инерционной части реального дифференцирующего звена, обеспечивающей подавление
высокочастотных помех в контуре управления:
.
Получим
(4.51)
Приравниваем коэффициенты при
одноименных переменных в левой и правой части уравнения:
(4.52)
Задаваясь значением K=10000
сопротивлениями резисторов R5 = R6 = 100 кОм инвертора DA2, а также емкостью
конденсатора = 0,1мкФ и сопротивлением резистора R7 = 100 кОм, получаем
значения сопротивлений резисторов R1C, R2C, R3C, R4C, а также R8:
кОм,
Выбираем резистор
типа
МЛТ-0.125 100 кОм
Выбираем резистор
типа
МЛТ-0.125 3,2 МОм
Выбираем резистор
типа
МЛТ-0.125 100 кОм
Выбираем резистор
типа
МЛТ-0.125 35 кОм
Выбираем резистор
типа
МЛТ-0.125 100 кОм
Выбираем резистор
типа
МЛТ-0.125 100 кОм
Выбираем резистор
типа
МЛТ-0.125 100 кОм
Выбираем резистор
типа
МЛТ-0.125 30 кОм
4.4.3 Расчет контура положения
Структурная схема контура положения
приведена на рис. 4.7, функциональная схема блока РС - на рис. 4.8, структурная
схема блока РС - на рис.4.9.
Рисунок 4.10 - Структурная схема
контура положения
Рисунок 4.11 - Функциональная схема
блока РП
Рисунок 4.12 - Структурная схема
реализации блока РП
Расчет элементов функциональной
схемы выполняем исходя из соотношения
(4.54)
где учтем, что
;
;
; (4.55)
;
;
, (4.56)
где TФ = 3 мс - постоянная времени
инерционной части реальных дифференцирующих звеньев:
.
Получим
(4.57)
Приравниваем коэффициенты при
одноименных переменных в левой и правой части уравнения:
(4.58)
Задаваясь значением K=1000 сопротивлениями
резисторов R11 = R12 = 100 кОм инвертора DA2, а также емкостью конденсаторов =
1 мкФ, C2 = 1 мкФ и сопротивлением резисторов R7 = R9 = 100 кОм, из (4.6)
получаем значения сопротивлений резисторов R1П, R2П, R3П, R4П, R5П, R6П, а
также R8, R10:
кОм,
Выбираем резистор
типа
МЛТ-0.125 10 кОм
Выбираем резистор
типа
МЛТ-0.125 110 кОм
Выбираем резистор
типа МЛТ-0.125
3,2 Мом
Выбираем резистор
типа
МЛТ-0.125 10 кОм
Выбираем резистор
типа
МЛТ-0.125 900 кОм
Выбираем резистор
типа
МЛТ-0.125 12 кОм
Выбираем резистор
типа
МЛТ-0.125 100 кОм
Выбираем резистор
типа
МЛТ-0.125 3 МОм
Выбираем резистор
типа
МЛТ-0.125 100 кОм
Выбираем резистор
типа
МЛТ-0.125 3 МОм
Выбираем резистор
типа
МЛТ-0.125 100 кОм
Выбираем резистор
типа
МЛТ-0.125 100 кОм
Рисунок 4.13 - Функциональная схема
системы с контролем производных координат
5. РАСЧЕТ ПОЗИЦИОННОЙ СИСТЕМЫ
ПОДЧИНЕННОГО УПРАВЛЕНИЯ ЭЛЕКТРОПРИВОДОМ, ФОРМИРУЮЩЕЙ РАЦИОНАЛЬНУЮ ДИНАМКУ
Принимаем настройку всех контуров
регулирования на модульный оптимум, что обеспечит данной системе максимальные
запасы устойчивости.
Передаточная функция регулятора тока
где 
- коэффициент обратной связи по
току;
- малая постоянная времени системы
(
с).
ередаточная функция регулятора скорости
где 
- коэффициент обратной связи по
скорости.
Передаточная функция регулятора
положения
где 
- коэффициент обратной связи по
положению.
Задание на положение системы
подчиненного управления подается с выхода задатчика траектории рассчитанного в
разделе 5.
Рисунок 5.1 - Структурная схема
системы подчиненного управления
6. СИНТЕЗ ЗАДАТЧИКА ТРАЕКТОРИИ
Для формирования желаемых траекторий
управляемых координат (положения, скорости, тока) рассчитаем задатчик
траектории, который представляет собой оптимальную по быстродействию
позиционную систему второго порядка. Синтез задатчика осуществляется исходя из
известного закона изменения ускорения в позиционной системе:
,
(6.1)
где AЗП - линейное ускорение, VЗП -
линейная скорость, SЗП - линейное перемещение, SЗ - задание на положение, AMAX
- максимальное ускорение- максимальная скорость
. (6.3)
Координата задатчика SЗП служит
сигналом задания на положение релейной системы регулирования. Две других
координаты VЗП и AЗП можно использовать для формирования желаемых траекторий
движения внутренних переменных объекта - тока и скорости двигателя (в системе с
контролем исходных координат), первой и второй производной положения (в системе
с контролем выходной координаты и ее производных). Желаемые траектории тока и
скорости двигателя могут быть сформированы на базе переменных задатчика
следующим образом:
,
. (6.4)
Тогда полный пакет желаемых
траекторий для системы с контролем исходных координат определяется так:
,
,
. (6.5)
Структурная схема задатчика
траектории в системе с контролем исходных координат приведена на рис.6.1.
Рисунок 6.1 - Структурная схема
задатчика траектории в системе с контролем исходных координат
Пакет желаемых траекторий для
системы с контролем выходной координаты и ее производных:
,
,
. (6.6)
Структурная схема задатчика
траектории в системе с контролем выходной координаты и ее производных приведена
на рис.6.2.
Рисунок 6.2 - Структурная схема
задатчика траектории в системе с контролем выходной координаты и ее производных
7. ПОСТРОЕНИЕ ЦИФРОВОЙ
МАТЕМАТИЧЕСКОЙ МОДЕЛИ ПОЗИЦИОННОЙ СИСТЕМЫ
Схемы цифровых моделей синтезированных
систем составляются на основании ранее полученных структурных схем контуров
регулирования и задатчика траектории. В качестве варианта для сравнения принята
стандартная система подчиненного регулирования, расчет которой приведен в
разделе 6.
Рисунок 7.1 - Математическая модель
системы с контролем исходных координат
Рисунок 7.2 - Математическая модель
системы с контролем производных фазовых координат
Рисунок 7.3 - Математическая модель
системы подчиненного управления
8. ИССЛЕДОВАНИЕ СТАТИЧЕСКИХ И
ДИНАМИЧЕСКИХ ХАРАКТЕРИСТИК ПОЗИЦИОННОГО ЭЛЕКТРОПРИВОДА
В процессе цифрового моделирования
ввиду существенной нелинейности системы управления целесообразно выбрать метод
интегрирования с постоянным шагом интегрирования (Эйлера или Рунге-Кутта)
tstep=(0.001…0.01) TMIN, где TMIN - минимальная постоянная времени объекта
управления. Моделирование трех исследуемых систем рекомендуется выполнить при
задании на положение, равном критическому перемещению (SЗ = SКР) и статическом
токе двигателя (IС = 0,5 IН) для следующих режимов:
) при номинальных параметрах объекта
управления;
) при увеличенной в 2 раза
постоянной времени TЭ;
) при увеличенной в 5 раз постоянной
времени TЭ;
) при уменьшенной в 2 раза
постоянной времени TM;
) при уменьшенной в 5 раз постоянной
времени TM.
Другие возможные режимы
моделирования следует согласовать с руководителем проекта.
В результате моделирования должны
быть получены графики переходных процессов всех координат объекта - тока,
скорости, положения, а также всех регуляторов системы управления и задатчика
траектории. В процессе моделирования для каждого режима определить следующие
показатели качества системы:
установившаяся ошибка по положению
;
перерегулирование по току, скорости,
положению
,
,
;
время установления тока
;
значение полки тока при пуске и
торможении IП, IТ;
максимальная скорость двигателя
.
8.1 Графики в системе с контролем
исходных координат
Рисунок 8.1 - График тока при
номинальных параметрах
σi=0%; ty(i)=0.003 c; Iп=2370 А;
Iт=-2450 А.
Рисунок 8.2 - График скорости при
номинальных параметрах
σω=2.4%; ωmax=53.6 рад/с.
Рисунок 8.3 - График положения при
номинальных параметрах
электропривод ток
релейный преобразователь
σs=0,4%; ∆Sуст=0,012.
Рисунок 8.4- График задатчика
траектории
Рисунок 8.5 - График тока при
увеличенной в 2 раза Te
σi=0%; ty(i)=0.006 c; Iп=2370 А;
Iт=-2380 А.
Рисунок 8.6 - График скорости при
увеличенной в 2 раза Te
σω=2.3%; ωmax=53.5 рад/с.
Рисунок 8.7 - График положения при
увеличенной в 2 раза Te
σs=1,2%; ∆Sуст=0,2
Рисунок 8.8 - График тока при
увеличенной в 5 раз Te
σi=0%; ty(i)=0.015 c; Iп=2370 А;
Iт=-2400 А.
Рисунок 8.9 - График скорости при
увеличенной в 5 раз Te
σω=2,3%; ωmax=53,5рад/с.
Рисунок 8.10 - График положения при
увеличенной в 5 раз Te
σs=2.4%; ∆Sуст=0,2
Рисунок 8.11 - График тока при
уменьшенной в 2 раза Tm
(i)=0.0016 c; Iп=1185 А; Iт=-1220 А.
Рисунок 8.12 - График скорости при
уменьшенной в 2 раза Tm
σω=1.4%; ωmax=53.5 рад/с.
Рисунок 8.13 - График положения при
уменьшенной в 2 раза Tm
σs=0%; ∆Sуст=0,05.
Рисунок 8.14 - График тока при
уменьшенной в 5 раз Tm
(i)=0.0016 c; Iп=475 А; Iт=485 А.
Рисунок 8.15 - График скорости при
уменьшенной в 5 раз Tm
σω=1,1%; ωmax=53,3рад/с.
Рисунок 8.16 - График положения при
уменьшенной в 2 раза Tm
σs=0,0%; ∆Sуст=0,04.
8.2 Графики в системе с контролем
производных фазовых координат
Рисунок 8.17 - График тока при номинальных
параметрах
σi=5,49%; ty(i)=0.003 c; Iп=2370 А;
Iт=-2370
Рисунок 8.18 - График скорости при
номинальных параметрах
σω=1%; ωmax=52.04 рад/с.
Рисунок 8.19 - График положения при
номинальных параметрах
σs=0,0%; ∆Sуст=0,01.
Рисунок 8.20 - График за датчика
траектории
Рисунок 8.21 - График тока при
увеличенной в 2 раза Te
σi=4,2%; ty(i)=0.006 c; Iп=2370 А;
Iт=-2370 А.
Рисунок 8.22 - График скорости при
увеличенной в 2 раза Te
σω=0,5%; ωmax=51.45 рад/с.
Рисунок 8.23 - График положения при
увеличенной в 2 раза Te
σs=0,0%; ∆Sуст=0,004
Рисунок 8.24 - График тока при
увеличенной в 5 раз Te
σi=26,6%; ty(i)=0.015 c; Iп=2370 А;
Iт=-2370 А.
Рисунок 8.25 - График скорости при
увеличенной в 5 раз Te
σω=2%; ωmax=52,15рад/с.
Рисунок 8.26 - График положения при
увеличенной в 5 раз Te
σs=0.5%; ∆Sуст=0,01
Рисунок 8.27 - График тока при
уменьшенной в 2 раза Tm
σi=1,2%; ty(i)=0.0016 c; Iп=1185 А;
Iт=-1185 А.
Рисунок 8.28 - График скорости при
уменьшенной в 2 раза Tm
σω=0,5 %; ωmax=52,1рад/с.
Рисунок 8.29 - График положения при
уменьшенной в 2 раза Tm
σs=0%; ∆Sуст=0,005.
Рисунок 8.30 - График тока при
уменьшенной в 5 раз Tm
σi=1,05%; ty(i)=0.0006 c; Iп=475 А;
Iт=-475 А.
Рисунок 8.31 - График скорости при
уменьшенной в 5 раз Tm
σω=0,7%; ωmax=52,2рад/с.
Рисунок 8.32 - График положения при
уменьшенной в 2 раза Tm
σs=0%; ∆Sуст=0,001.
8.3 Графики в системе подчиненного
управления
Рисунок 8.33 - График тока при
номинальных параметрах
σi=4,5%; ty(i)=0.06 c; Iп=465 А;
Iт=-465 А.
Рисунок 8.34 - График скорости при
номинальных параметрах
σω=0,5%; ωmax=51,2 рад/с.
Рисунок 8.35 - График положения при
номинальных параметрах
σs=0%; ∆Sуст=0,01.
Рисунок 8.36 - График регулятора
тока при номинальных параметрах
Рисунок 8.37 - График регулятора
скорости при номинальных параметрах
Рисунок 8.38 - График регулятора
положения при номинальных параметрах
Рисунок 8.39 - График тока при
увеличенной в 2 раза Te
σi=25%; ty(i)=0.01 c;
Рисунок 8.40 - График скорости при
увеличенной в 2 раза Te
σω=1%; ωmax=51.6 рад/с.
Рисунок 8.41 - График положения при
увеличенной в 2 раза Te
σs=0,2%; ∆Sуст=0,01
Рисунок 8.42 - График регулятора
тока при увеличенной в 2 раза Te
Рисунок 8.43 - График регулятора
скорости при увеличенной в 2 раза Te
Рисунок 8.44 - График регулятора
положения при увеличенной в 2 раза Te
Рисунок 8.45 - График тока при
уменьшенной в 2 раза Tm
σi=1%; ty(i)=0.13 c; Iп=284 А;
Iт=-284 А.
Рисунок 8.46 - График скорости при уменьшенной
в 2 раза Tm
σω=0%; ωmax=52,6рад/с.
Рисунок 8.47 - График положения при
уменьшенной в 2 раза Tm
σs=0%; ∆Sуст=0,01
Рисунок 8.48 - График регулятора
тока при уменьшенной в 2 раза Tm
Рисунок 8.49 - График регулятора
скорости при уменьшенной в 2 раза Tm
Рисунок 8.50 - График регулятора
положения при уменьшенной в 2 раза Tm
Рисунок 8.51 - Графики положения,
скорости, тока при увеличенной в 5 раз Те
Рисунок 8.52 - Графики тока,
скорости, положения при уменьшенной в 5 раз Тм
ВЫВОДЫ
В ходе выполнения курсового проекта
были синтезированы: система подчиненного управления, позиционная система
управления электроприводом в пространстве исходных фазовых координат и система
управления с контролем производных фазовых координат.
В процессе моделирования исследуемых
систем с помощью программной среды Matlab-Simulink были получены графики
переходных процессов при номинальных параметрах настройки регуляторов, а также
при вариации параметров системы (
). Согласно полученным результатам
оказалось, что релейная система имеет преимущества перед системой подчиненного
управления. Так при увеличении Те в 2 раза перерегулирования по току
составляет: релейная система -
, система подчиненного управления - s1 = 25% и колебательный
процесс, при увеличении Те в 5 раз перерегулирования по току в релейной системе
- s1 = 32%,
система подчиненного управления «разваливается». Величина статической ошибки по
положению, в системах, примерно одинакова и составляет
, т.е.
релейная система выигрывает по быстродействию.
Релейная система управления обладает
инвариантностью по отношению к параметрическим и координатным возмущениям, и
может быть достаточно просто реализована на основе современных средств
микропроцессорной техники.
ПЕРЕЧЕНЬ ССЫЛОК
1.
Летов А.М. Аналитическое конструирование регуляторов. I // Автоматика и
телемеханика.- 1960.- №4.- С.436-441; №5.- С. 561-568; №6.- С. 661-665; 1961.-
№4.- С. 425-435; 1962.- №11.- С. 1405-1413.
.
Летов А.М. Математическая теория процессов управления.- М.: Наука, 1981.- 256
с.
.
Зеленов А.Б., Жиляков В.И., Садовой А.В. Применение метода АКР для синтеза
оптимальной системы релейного управления электроприводом. - Электричество. -
1977. - №8. - С.49-54.
.
Об одном принципе построения квазиоптимального следящего электропривода / А.Б.
Зеленов, О.И. Суржко, А.И. Мотченко, Н.Н. Сергиенко. - Тезисы докладов
Всесоюзного научно-технического совещания «Современные системы автоматического
управления электроприводами». - Л.: 1971. - С.188-196.
.
Конспект лекций по разделу специального курса теории электропривода для
специальности 7.092203 / Сост. А.Б. Зеленов. - Алчевск: ДГМИ. - 2000. - 75 с.
.
Мееров М.В. Синтез структур систем автоматического регулирования высокой
точности.- М.: Наука, 1967.- 424 с.
.
Цыпкин Я.З. Теория релейных систем автоматического регулирования.- М.:
Гостехиздат, 1955.- 456 с.
.
Цыпкин Я.З. Релейные автоматические системы.- М.: Наука, 1974.- 576 с.
.
Флоренцев С.Н. Силовые IGBT-модули - основа современного преобразовательного
оборудования. - Электронные компоненты. - 2002. - №6. - С.11-17.