Динамический расчет системы автоматического управления
Задание
Выполнить динамический расчет системы автоматического управления.
Исходные данные для расчета приведены в следующем разделе. Для каждого варианта
конкретные числовые значения определяются из таблиц для соответствующего номера
строки.
Основные этапы работы
1. Анализ исходных данных.
2. Описание работы системы.
. Составление структурной схемы системы.
. Определение передаточных функций звеньев.
. Определение передаточных функций системы.
. Синтез корректирующих звеньев.
. Анализ нелинейного контура регулятора напряжения (тока).
. Определение показателей качества исходной и синтезированной
системы методом моделирования.
1.
Исходные данные
.1 Назначение
Система автоматического управления (далее по тексту САУ, или «система»)
предназначена для линейного перемещения горизонтального стола применительно к
станкам фрезерной или координатно-расточной групп.
.2 Состав системы
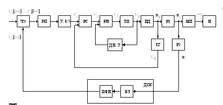
Блок-схема системы автоматического управления приведена на рис. 1, а
комбинированная схема силовой части - на рис. 2. САУ построена как система
подчиненного регулирования, выполненная по контурам напряжения (тока),
скорости, положения. В контуре напряжения (тока) имеется нелинейный элемент (на
схеме не показан).
На рисунках приняты следующие обозначения:
-
управляющее воздействие;
-
управляемая (регулируемая) координата;
- ошибка
системы;
- сигнал
задания по управляющему воздействию;
- сигнал
главной обратной связи по регулируемой координате;
- сигнал
по ошибке;
ЧЭ
- чувствительный элемент;
РП
- регулятор положения;
У,
КЗ - усилитель и корректирующее звено в контуре положения;
РС - регулятор скорости;
РН - регулятор напряжения (тока);
ТП - транзисторный (тиристорный) преобразователь;
М - исполнительный двигатель;
Р1 - механический редуктор силовой;
МП - механическая передача (шариковинтовая передача (ШВП));
Н - нагрузка (стол с деталью);
ДН, У - датчик напряжения, усилитель;
ТГ - тахогенератор;
Р2 - механический редуктор, приборный;
ДОС - датчик обратной связи;
ВТ - вращающийся трансформатор;
ПФН - преобразователь фаза-напряжение;
U1, U2 ,U3 , UЯ -
промежуточные координаты (управляющие напряжения соответственно РС, РН, ТП,
ИД);
jД, j1, j2 - промежуточные координаты (угол
поворота соответственно ИД, ШВП, ВТ);
,
- выходное напряжение, соответственно, ТГ и ВТ.
Рис. 1. Блок-схема системы автоматического управления
Рис. 2. Комбинированная схема силовой части САУ
.3 Характеристики системы автоматического управления
.3.1 Параметры управляющего воздействия, динамические характеристики САУ
Динамические характеристики и показатели качества САУ:
Максимальная скорость VМАКС,
м/мин …………………...……6,8
Кинетическая
ошибка
, мм ……………………………………….1
Перерегулирование
, %< ………………………..…………...22
Время
переходного процесса tПП, с …………………..0,05
Число
перерегулирований n……………………………………1
.3.2
Параметры кинематической схемы
Максимальное
перемещение Хмах, мм…………...…......250
Шаг
винта ШВП g, мм………………...……………………...6
Цена
оборота ДОС b, мм……..……………………..…………1
Цена
импульса D, мм………………...…………………......0,001
.3.3
Характеристики исполнительного двигателя
Параметры
исполнительного двигателя:
Р,
кВт……………………………………………………………1,5
n,
об/мин………………………………………………….2500Я, В………………………………………………………..220
IЯ,
А……………………………………………………6,8
RЯ,
Ом…………………………………………………1,1
LЯ, мГн,
миллигенри (10-3)………………………………..1,8
JЯ, кг×м2...................................................................................1,5
. 10-3
.3.4
Тип и параметры силового преобразователя
Тип
и параметры преобразователя:
ТИП
- ШИМ
f, Гц, n…………………………….…..………………….........1200
UУ,
В………………………………………………………..10
RТП,
Ом…………………………………………………….0,6
LТП,
мГн…………………………………...…………….2,0
.3.5
Вид регуляторов контуров
Вид
регуляторов контуров: положения (РП), скорости (РС), напряжения (РН):
РП……………………………………………… П; К2=3
РС……………………………………………..… П; К4=5
РН……………..……………………………...ПИ,
0,06
.3.6 Статические характеристики нелинейных элементов в контуре регулятора
напряжения
Рис. 3. Характеристики нелинейных элементов: а - насыщение
Параметры нелинейных элементов (НЭ):
а…………………………………………………………..………………0,2
В………………………………………………………………….…….… -
К……………………………………………………………………….…. 1
2.
Описание работы системы
Входной сигнал подается на ЧЭ, на котором сравнивается с сигналом
обратной связи. Затем сигнал подается на РП, представляющий собой звено с ПФН и
ВТ после которого усиливается и корректируется на КЗ. Далее сигнал поступает на
РС, служащий для поддержания постоянной скорости передвижения исполнительного
механизма, затем после РС поступает на РН, контролирующий напряжение. Он
позволяет регулировать скорость двигателя в широком диапазоне за счет ширины
выдаваемых прямоугольных импульсов ИД через регулятор Р1 вращает механизм
передачи, являющийся ШВП. Для контроля перемещения ШВП стоит ВТ, соединенный с
винтом передачи с помощью редуктора Р2.
.
Структурная схема системы
В соответствии с исходной блок-схемой составляется структурная схема
системы. Общие правила ее составления следующие.
Система представляется в виде совокупности звеньев и их взаимосвязи
согласно заданной блок-схеме.
Элементы, формирующие сигнал единичной обратной связи с единицей
измерения управляющего для (системы) контура сигнала, показываются в цепи
обратной связи. Далее при описании замкнутой системы коэффициент передачи звена
(совокупности звеньев) принимается равным единице.
Элемент, выполняющий сравнение (вычитание) сигналов задания и главной
обратной связи, вносится в прямой тракт в виде автономного элемента или в
совокупности с элементами, формирующими сигнал главной обратной связи. На схеме
дается условное обозначение элемента сравнения, его коэффициент передачи
принимается равным единице.
При замыкании внутренних контуров местной единичной обратной связью
поступают аналогично пп. 3.2 и 3.3.
Нумерация передаточных функций дается в индексах, порядок нумерации слева
направо.
Показываются входная и выходная координаты, ошибка и необходимые для
использования в расчетах промежуточные координаты.
Приводится структурная схема системы, и дается расшифровка обозначения
передаточных функций. При необходимости отмечаются ее особенности.
Например. Структурная схема системы приведена на рис. 4. На схеме приняты
следующие обозначения:
-
передаточная схема чувствительного элемента;
-
передаточная функция регулятора положения;
-
передаточная функция последовательного корректирующего звена;
- передаточная функция регулятора скорости;
-
передаточная функция регулятор напряжения (тока);
-
передаточная функция усилителя мощности;
-
передаточная функция двигателя;
-
передаточная функция регулятора;
- передаточная
функция шариковинтовой передачи;
-
передаточная функция датчика напряжения;
-
передаточная функция тахогенератора.
Особенности схемы:
) форма управляющего сигнала - напряжение, крутизна характеристики
назначается ниже;
) формирователь сигнала обратной связи выполнен на элементах структурной
схемы: шариковинтовая передача, редуктор Р2, вращающийся трансформатор,
работающий в фазовом режиме, преобразователь фаза-напряжение;
) элемент сравнения - усилитель с двумя входами;
) имеются внутренние контуры (показать какие) с единичными (неединичными
обратными связями).
Рис. 4. Структурная схема системы
4. Передаточные функции (ПФ) звеньев системы
.1 Формирователь сигнала главной обратной связи и чувствительный элемент
Для
формирования сигнала главной обратной связи используются следующие элементы
системы: шариковинтовая передача, редуктор Р2, вращающийся трансформатор,
работающий в фазовом режиме, преобразователь фаза-напряжение. Чувствительный
элемент включает в себя преобразователь управляющего воздействия, элемент
сравнения (усилитель с двумя входами для получения разности сигналов задания
и сигнала регулируемой координаты
) и нормализатор сигнала ошибки. Структурная схема
формирователя и чувствительного элемента приведена на рис. 5.
Рис.
5. Структурная схема канала обратной связи и чувствительного элемента
На рисунке: x(t) - функция времени, а не изображение
переменной; W - передаточная функция.
Здесь приняты следующие обозначения:
- ПФ
преобразователя управляющего воздействия в напряжение;
- ПФ шариковинтовой передачи;
- ПФ
редуктора Р2;
- ПФ
вращающегося трансформатора;
- ПФ
преобразователя фаза-напряжение;
- ПФ
нормализатора сигнала ошибки.
- угол
поворота шариковинтовой передачи;
- угол
порота выходной оси приборного редуктора Р2;
-
фазовый сдвиг выходного напряжения вращающегося трансформатора относительно
опорного напряжения (единица измерения - электрический градус, град*).
При выводе передаточных функций следует обеспечить одинаковую крутизну
сигналов по управляющему воздействию и регулируемой координате. При этом
следует иметь в виду:
) общий коэффициент передачи этого звена должен быть равен единице;
) максимальное напряжение в цепи сигналов задания и обратной связи - 10В;
оно соответствует величине максимального перемещения рабочего органа (полагаем,
что измерительная система одноотсчетная);
) максимальное напряжение, подаваемое на усилитель, реализующий элемент
сравнения, составляет 10 В; при этом величина ошибки в системе равна заданной
по ТЗ величине кинетической ошибки;
) преобразование сигналов в этих звеньях безынерционное и без
запаздывания.
Шариковинтовая
передача (ШВП) как преобразующее звено в цепи обратной связи. При выводе ПФ
следует иметь в виду, что здесь она преобразует линейное перемещение в угловое.
При повороте на один оборот ШВП преобразуется линейное перемещение,
соответствующее значению шага ходового винта
ШВП. ПФ
ШВП определяется, град/мм
.
Приборный
редуктор Р2 обеспечивает заданную цену оборота вращающегося трансформатора
. Под ценой оборота понимается линейное перемещение
рабочего органа, при котором его ротор совершает один оборот, или
поворачивается на угол 360 град. ПФ редуктора Р2 имеет вид:
.-
понижающий.
Вращающийся
трансформатор преобразует угловое перемещение в сигнал. Он работает в фазовом
режиме. При этом его выходное напряжение
.
Информационным
сигналом этого звена является величина фазового сдвига выходного напряжения,
т.е.
относительно опорного. Следует иметь в виду, что
коэффициент передачи вращающегося трансформатора, работающего в фазовом режиме,
равен 1. Передаточная функция задается в виде:
=1
град*/град.
Преобразователь
фаза-напряжение. Выполнен многоотсчетным. Выходное напряжение 10 В.
Передаточная функция находится по выражению, В/град*
.
Здесь
- суммарный фазовый сдвиг, соответствующий
максимальному перемещению
. Он определяется как
.
Преобразователь
напряжения сигнала задания. Выходное напряжение 10 В. Оно соответствует всему
диапазону управляющего воздействия, т.е. величине максимального перемещения.
Передаточная функция, В/мм
.
Передаточную
функцию звеньев, формирующих сигнал обратной связи, вычисляем, В/мм
.
Следует
иметь в виду, что крутизна сигналов управляющего воздействия g(t) и
регулируемой координаты x(t) по цепи обратной связи должна быть одинаковой, то
есть должно соблюдаться условие
. Элемент
сравнения формирует сигнал ошибки
.
Передаточная функция элемента сравнения с учетом того, что преобразование
безынерционное, будет
Передаточная
функция нормализатора сигнала ошибки. В техническом задании определена
кинетическая ошибка
системы. Так как рассматривается линейная система с
астатизмом первого порядка, то в режиме слежения с заданной максимальной
скоростью ошибка не может быть больше заданного значения
. Поэтому, исходя из условий физической реализации
системы, максимальное выходное напряжение нормализатора соответствует именно
этому значению, и, в свою очередь, составляет стандартную величину 10 В.
Величина
напряжения, соответствующего величине контурной ошибки на выходе
чувствительного элемента, будет, В
.
Коэффициент
передачи нормализатора определяется, В
.
Передаточная
функция чувствительного элемента окончательно определяется как передаточная
функция пропорционального звена с коэффициентом передачи, В/мм
.
.2
Регулятор положения
Вид
и параметры регулятора положения определены ТЗ (см. табл. 5). Это
пропорциональное звено с передаточной функцией
.3
Усилитель с корректирующим звеном
Вводится
в прямой тракт для получения заданных динамических характеристик САУ. В
результате синтеза необходимо определить вид и параметры этого звена. На
предварительном этапе синтеза принимаем
.
.4
Регулятор скорости
Вид
и параметры регулятора скорости определены ТЗ (см. табл. 5). Это
пропорциональное звено с передаточной функцией
.5
Регулятор напряжения (тока)
Вид и параметры регулятора напряжения (тока) определены ТЗ (см. табл. 5).
Это изодромное звено с передаточной функцией
,
где,
.6
Усилитель мощности
В
качестве усилителя мощности используется тиристорный преобразователь.
Предусмотрены два варианта его исполнения:
1) управляемый выпрямитель (УВ) (ЭП ПР
«Универсал-5»);
2) широтно-импульсный модулятор (ШИМ)
(ЭТШМ-0,5).
Передаточная
функция тиристорного преобразователя определяется в виде апериодического звена
с чистым запаздыванием
,
где
.
Коэффициент
передачи преобразователя определяется
,
- из
таблицы 3.
Постоянная
времени преобразователя находится по выражению, с
.
.
Чистое
запаздывание обусловлено физическими особенностями работы тиристорных
преобразователей обеих типов. Для преобразователя типа УВ чистое запаздывание,
с
, где f - частота питания преобразователя (табл. 4);
n - число фаз
(табл. 4).
.
.
Для
рассматриваемых видов преобразователей чистое запаздывание можно представить в
виде дополнительной составляющей в постоянной времени этого звена [3]. Тогда ПФ
принимает вид
,
.7
Исполнительный двигатель
В
качестве исполнительного двигателя используется двигатель постоянного тока с
независимым возбуждением из серии 4ПО. Технические данные двигателя 4ПО80В1
Рис.6.
Двигатель постоянного тока унифицированной конструкции типа 4ПО.
-корпус;
2-магнитопровод статора; 3-щит подшипниковый передний; 4-сердечник якоря;
5-вентилятор; 6-кожух; 7-коробка выводов; 8-коллектор; 9-траверса.
Рис.7.
Системы возбуждения машин постоянного тока: независимая.
При
независимой системе возбуждения обмотка возбуждения питается от постороннего
источника постоянного тока и ток возбуждения не зависит от режима и нагрузки
машины. Генераторы с независимой системой возбуждения допускают регулирование
напряжения практически от нуля до номинального. Изменение напряжения при
увеличении нагрузки определяется только размагничивающим действием реакции
якоря и увеличением падения напряжения на сопротивлении якорной цепи.
|
Типоразмер двигателя
|
Номинальная мощность, кВт, при исполнении
|
Напряжение, В
|
Ток якоря, А, при исполнении
|
Номинальная частота вращения, об/мин
|
|
4ПО80В1
|
1,6
|
220
|
6,8
|
1500
|
. Выходной координатой двигателя является угол поворота вала двигателя.
Тогда его передаточные функции записываются
,
где,
;
где
;
;
;

.
Выходной координатой двигателя является скорость (частота вращения). Тогда его
передаточные функции записываются
;
Регулируемой
координатой САУ служит перемещение. Двигатель является интегрирующим звеном.
При таком варианте использования ПФ двигателя операцию интегрирования скорости
согласно принципу суперпозиции, справедливому для линейных систем, следует
отнести к одному из последующих звеньев, например к ШВП.
Так
как синтезируемая система рассматривается как система подчиненного
регулирования, выполненная по контурам, то используем второй вариант описания
двигателя.
.8
Силовой редуктор
Силовой
редуктор является трансформатором угла поворота, частоты вращения и
передаваемого двигателем момента. Настоящая система синтезируется по
управляющему воздействию. Оптимизацию передаточного числа редуктора не проводим
(эти вопросы будут рассматриваться в курсовом проекте по автоматизированному
приводу). Считаем, что эта механическая передача выполнена идеально и имеет
абсолютную жесткость. Тогда она описывается передаточной функцией
пропорционального звена
Используем
заданную по ТЗ единицу измерения частоты вращения вала двигателя об/мин.
Определим соответствующую заданной скорости перемещения частоту вращения
ходового винта, (мм/мин)/(мм/об),
.9
Шариковинтовая передача
Отметим
функции ШВП как звена САУ. Это звено является выходным звеном контура
положения. Выходной координатой контура скорости является скорость, а контура
положения - положение. С ШВП сочленен датчик обратной связи, замыкающий контур
и всю систему по положению.
Поэтому
при таком построении структурной схемы ШВП с учетом правил преобразования
структурных схем линейных систем отнесем к этому звену две функции:
1) интегрирование входного сигнала -
сигнала скорости;
2) преобразование углового перемещения
в линейное.
Считаем, что ШВП выполнена идеально и имеет абсолютную жесткость. Тогда
передаточная функция ШВП определяется, мм/(рад/с),
, где,
.
.10
Нормализатор сигнала местной обратной связи по напряжению
Контур
по напряжению (току) замыкается местной обратной связью. Звено с передаточной
функцией
формирует сигнал, пропорциональный напряжению или
току исполнительного двигателя. Это звено реализует единичную обратную связь
данного контура. Для этого его выходное напряжение
, соответствующее максимальному сигналу на выходе
контура
, должно соответствовать максимальному входному
сигналу, которое составляет 10 В. Для каждого из контуров этот коэффициент
определяется следующим образом:
Для
контура напряжения. Согласно комбинированной схеме силовой части (см. рис. 2)
напряжение обратной связи снимается непосредственно с якоря двигателя. Для
развязки цепей должен использоваться развязывающий усилитель с высоким входным
сопротивлением и коэффициентом передачи, обеспечивающим единичную обратную
связь. Тогда коэффициент передачи этого звена, реализующего единичную обратную
связь контура, определяется, В/В
Для
контура тока.
где
сопротивление шунта берется в пределах
.
При
определенных таким образом коэффициентах передачи звена в цепи обратной связи,
реализуется коэффициент, равный единице. Тогда на этапе синтеза данного контура
обратная связь принимается единичной.
4.11
Тахогенератор
Выходное
напряжение
тахогенератора, соответствующее максимальной скорости
(частоте вращения) двигателя
, должно
соответствовать максимальному входному сигналу контура и составляет 10В. Если
преобразование сигнала безынерционное, то тахогенератор описывается
передаточной функцией пропорционального звена
5.
Передаточные функции системы
5.1
Разомкнутой системы по управляющему воздействию
а) 1-й контур представлен в виде системы с обратной связью.
б)
2-й контур скорости представлен в виде с обратной связью:
в)
3-й контур положения представим в виде системы:
разомкнутой
.2
Разомкнутой системы по возмущающему воздействию
5.3
Замкнутой системы по управляющему воздействию
.4 Замкнутой
системы по возмущающему воздействию
.5 Замкнутой
системы по ошибке от управляющего воздействия
.6 Замкнутой
системы по ошибке от возмущающего воздействия
6. Синтез корректирующих звеньев
.1 Общие положения
Синтез систем по заданным показателям качества в конечном итоге состоит в
определении вида и параметров корректирующих устройств (последовательных,
параллельных, в цепях обратных связей), при введении которых в исходную систему
обеспечиваются заданные по ТЗ динамические характеристики.
При выполнении настоящей работы могут быть использованы любые методы
синтеза, среди которых наибольшее распространение получили:
метод ЛАЧХ [1];
метод обратных ЛАЧХ [4];
метод типовых (стандартных) уравнений [1, 3].
Характерной особенностью САУ для рассматриваемых видов технологического
оборудования является выполнение ее в виде системы подчиненного регулирования
[3] с автономными вложенными друг в друга контурами напряжения (тока),
скорости. Это позволяет синтезировать ее по контурам, начиная с внутреннего
контура регулирования напряжения (тока), который представляется в виде системы
с единичной обратной связью. Далее он представляется в виде эквивалентного
звена и вкладывается в контур регулирования скорости с единичной обратной
связью. Аналогичным образом регулирования скорости в виде эквивалентного звена
вкладывается в контур регулирования положения.
Исходные динамические показатели при синтезе контуров приведены в табл.
7.
Таблица 1
|
Тип контура
|
Добротность
|
Время переходного процесса
|
Перерегулирование
|
|
РН(Т)
|
40-60
|
=0,1*0,025=0,0025
|
|
|
РС
|
30-50
|
=0,025 %
|
|
|
РП
|
 =0,05 =25
|
|
|
.2 Методика синтеза системы по ЛЧХ
Синтез
САУ состоит в следующем: Имеется исходная система с передаточной функцией
. В нее необходимо ввести корректирующее звено с
передаточной функцией
, в результате чего система обеспечивает требуемые
показатели качества; соответствующая ее ПФ называется желаемой -
. При введении последовательного корректирующего звена
в исходную систему имеем
, откуда
.
Переходим
к ЛАЧХ
.
По ЛАЧХ корректирующего звена определяется его передаточная функция.
Синтез предусматривает следующие процедуры и последовательность их
выполнения:
а) определение передаточной функции исходной системы и построение
соответствующей ЛАЧХ;
б) построение ЛАЧХ, при которой система обеспечивает требуемые показатели
качества (желаемая ЛАЧХ);
в) определение ЛАЧХ корректирующего звена, как правило последовательного,
или эквивалентного ему при любом способе введения (параллельные, в цепях
обратной связи) и составление передаточной функции;
Рассмотрим основные положения этих процедур.
) Построение ЛАЧХ исходной системы (контура). Выполняется по ее ПФ. При
этом числитель и знаменатель ПФ системы должны быть представлены в виде простых
сомножителей. Для разложения полиномов на простые сомножители могут быть
использованы известные процедуры и основанные на них программные продукты.
) Построение желаемой ЛАЧХ. При построении желаемой ЛАЧХ выделяют три
характерные области: низкочастотную, среднечастотную и высокочастотную.
Для каждой из областей установлены свои правила построения.
Низкочастотная область определяет точность системы. Порядок ее построения
следующий:
а) определяется добротность системы (если не задано)
,
где
- порядок производной входного воздействия;
-
составляющая ошибки, соответствующая входному воздействию.
Для
статических и астатических систем 1-го порядка соответственно
добротность
по положению K и добротность по скорости
определяются:
б)
на оси частоты
откладывается точка
;
в)
через точку
проводится прямая под наклоном -
, где i - степень астатизма системы.
Среднечастотная
область определяет качество переходного процесса. Искомым параметром является
частота среза
и протяженность этого участка (сопрягающие частоты).
На
частоте среза
проводится прямая под наклоном -20 дБ/дек до значений
=
11дБ. При
этом получают сопрягающие частоты
и
.
Сопряжение
среднечастотной области с низкочастотной выполняют в зависимости от
расположения низкочастотной асимптоты ЛВЧХ на сопрягающей частоте
. Если она выше значения 11дБ, то на частоте
проводят прямую под наклоном -40 дБ/дек до
пересечения с низкочастотной частью ЛАЧХ; если ниже, то под наклоном 0 дБ.
Высокочастотная
область определяет помехозащищенность системы. Среднечастотный участок ЛАЧХ с
наклоном -20 дБ/дек проводится до граничной частоты, которая определяется из
условия
.
Далее
наклоны желаемой ЛАЧХ берутся равными наклонам ЛАЧХ исходной системы.
)
Определение ЛАЧХ корректирующего звена
. Как
следует из приведенных выше соотношений для получения ЛАЧХ корректирующего
звена необходимо из желаемой ЛАЧХ
вычесть ЛАЧХ исходной системы
.
По
полученной ЛАЧХ корректирующего звена
записывается
передаточная функция корректирующего звена в дробно-рациональной форме. При
этом руководствуются тем, что участки под наклоном -20 дБ/дек дают простой
сомножитель вида
в знаменателе, а участки под наклоном +20 дБ/дек дают
простой сомножитель вида
в числителе; участки под наклоном -40 дБ/дек дают
сомножитель второго порядка вида
в
знаменателе, а участки под наклоном +40 дБ/дек дают сомножитель второго порядка
вида
в числителе.
Например,
получена передаточная функция корректирующего звена в виде
.
Разбиваем
его на два последовательных из условия
.
Откуда
соответственно получаем
;
.
Если
коэффициент передачи корректирующего звена
меньше
единицы, то коэффициент передачи прямого тракта увеличивается введением
дополнительного усилителя с коэффициентом усиления
При
определении значений элементов схемы выходное сопротивление принимаем равным
(5-10) кОм, что соответствует входным сопротивлениям применяемых в схемах
приводов усилителей постоянного тока. Далее по значениям постоянных времени
звена определяются значения остальных элементов. Полученные значения могут не
соответствовать номинальным значениям резисторов и конденсаторов. Окончательно
берутся ближайшие номинальные значения, установленные ГОСТом.
6.3 Синтез корректирующих звеньев контура напряжения (тока)
Приводится структурная схема контура. Главная обратная связь показывается
единичной. Исходные данные берутся из табл. 7. Выполняется синтез
корректирующего устройства. Приводятся необходимые графики ЛАЧХ и ФЧХ (синтезированного)
контура.
Структурная схема исходного контура приведена на рис. 7.
Рис.
7. Структурная схема контура напряжения
6.3.1 Построение ЛАЧХ исходного контура
Передаточная функция исходного контура ранее определена и имеет вид:
Вначале
полагаем, что передаточная функция корректирующего звена равна единице
.
Требуемая
добротность контура определена заданием (табл.1) и составляет 50. Строим ЛАЧХ исходного
контура при добротности К=50
(
).
Так
как добротность исходного контура ниже требуемой, то коэффициент его передачи
увеличивается за счет введения дополнительного усилителя с коэффициентом
усиления
Сопрягающие
частоты ЛАЧХ исходного контура:
.3.2
Построение желаемой ЛАЧХ
Контур
должен иметь добротность К=50 с-1 и показатели переходного процесса:
;
На
оси частоты при
откладывается точка
.
Через
точку
проводится прямая под наклоном -20 дБ/дек.
Определяем
частоту среза. Так как перерегулирование не задано, то
принимаем
.
На
частоте среза
проводится прямая под наклоном -20 дБ/дек до значений
=
11 дБ.
При этом сопрягающие частоты будут
Из
точки ЛАЧХ на частоте
проводится прямая под наклоном 0 дБ/дек до
пересечения с низкочастотной частью ЛАЧХ. При этом определяется первая
сопрягающая частота
.
На
частоте щЖ3 ЛАЧХ принимает наклон -40 дБ/дек и проводится до граничной частоты,
которая определяется из условия
,
принимаем
. Далее наклоны желаемой ЛАХ берутся равными наклонам
исходной системы.
Соответствующая
построенной желаемой ЛАЧХ
передаточная функция контура будет
/
= 1/16 = 0,0625 с -1;
/
= 1/70,5 = 0,0014 с -1;
/
= 1/600 = 0,002 с -1;
/
= 1/3000 = 3,33 с -1.
6.3.3
Определение передаточной функции корректирующего звена
ЛАЧХ
корректирующего звена
определяется как
.
В
результате по полученной ЛАЧХ
записываем
передаточную функцию корректирующего звена

;
Выбор схем корректирующих звеньев и определение составляющих ее
элементов.
Для всех корректирующих звеньев РН выбираем одинаковую схему, поднимающую
ЛАЧХ на +1, приведена на рис.8.
Рис.8. Схема корректирующего звена
Так как полученная передаточная функция не реализуется одним звеньем, то
разбиваем его на три
;
;
.
.3.4
Выбор схемы корректирующих звеньев и определение значений входящих в нее
элементов
.
Рассмотрим для первого корректирующего звена с передаточной функцией
.
Звено
интегродифференцирующее, постоянная времени числителя больше постоянной времени
знаменателя. Выбираем схему электрическую принципиальную корректирующего звена
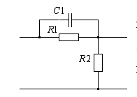
(КЗ), описываемой такой передаточной функцией [2]. Схема КЗ приведена на рис.
9.
Введем
передаточную функцию этого звена. В результате вывода получаем
.Элементы схемы и параметры передаточной функции звена
определяются следующими соотношениями
;
;
.
Рис.9. Схема электрическая принципиальная корректирующего звена
Числовые
значения коэффициента передачи и постоянных времени звена должны быть
,
,
.
Задаемся
значением входного сопротивления цепочки
, которое
выбирается в диапазоне 5-10 кОм, что соответствует входным и выходным
сопротивлениям нагрузки, применяемым в электроприводах усилителей и
преобразователей. Определяем числовое значение емкости конденсатора
, мкФ
Определяем
значение сопротивления
:
, откуда
.
В
результате расчетов значения элементов корректирующей цепочки будут:
,
,
.
Определяем коэффициент передачи корректирующего звена
.
Так
как фактический коэффициент передачи полученного звена
не совпадает с требуемым значением
, то коэффициент передачи прямого тракта контура
умножается на соответствующее значение
,
определяемое из условия
, откуда
.
.3.5 Определение ПФ замкнутого контура
. Рассмотрим для первого корректирующего звена с передаточной функцией
.
Числовые значения коэффициента передачи и постоянных времени звена должны
быть
,
,
.
Определяем
числовое значение емкости конденсатора
, мкФ
Определяем
значение сопротивления
:
,
откуда
В
результате расчетов значения элементов корректирующей цепочки будут:
,
,
.
Определяем коэффициент передачи корректирующего звена
Так
как фактический коэффициент передачи полученного звена
не совпадает с требуемым значением
, то коэффициент передачи прямого тракта контура
умножается на соответствующее значение
,
определяемое из условия
, откуда
3. Рассмотрим для первого корректирующего звена с передаточной
функцией
.
Числовые значения коэффициента передачи и постоянных времени звена должны
быть
,
,
.
Определяем
числовое значение емкости конденсатора
, мкФ
Определяем
значение сопротивления
:
, откуда
В
результате расчетов значения элементов корректирующей цепочки будут:
,
,
.
Определяем коэффициент передачи корректирующего звена
.
Так
как фактический коэффициент передачи полученного звена
не совпадает с требуемым значением
, то коэффициент передачи прямого тракта контура
умножается на соответствующее значение
,
определяемое из условия
, откуда
.
.4
Синтез корректирующих звеньев контура скорости
Приводится структурная схема контура. Главная обратная связь показывается
единичной. Исходные данные берутся из табл. 5. Выполняется синтез
корректирующего устройства. Приводятся необходимые графики ЛАЧХ.
Структурная схема контура скорости приведена на рис.10.
Рис.10 Структурная схема контура скорости
6.4.1 Строим ЛАЧХ исходного контура Lu2(щ).
Передаточная функция исходного контура имеет вид:
Определение ПФ замкнутого контура:
где

Передаточная
функция корректирующего звена равна единице
WK3(p) =
1, тогда
Добротность
для контура скорости принимаем
= 35(20lg35=31дБ).
Т.к.
добротность исходного контура ниже требуемой, то вводим усилитель с
коэффициентом усиления:
Сопрягающие
частоты ЛАЧХ исходного контура:

.4.2
Строим желаемую ЛАЧХ Lж2(щ).
Исходные
данные:
-
добротность контура Кж =35[c-1];
-
время переходного процесса tппк2=0,025 [c-1];
-
перерегулирование у = 18%.
Низкочастотная область - на оси частот при щ = 1 откладываем точку 20lgК=20lg35=31[дБ] и через нее проводим под наклоном -20 дБ/дек.
Среднечастотная область - частота среза:
.
Через
точку щс = 439,6 [c-1] проводим прямую под наклоном -20 дБ/дек до
значений L(щ) = ±11[дБ/дек]; щж2 = 150 [c-1]; щж3 = 1010
[c-1].
Из
точки ЛАЧХ на частоте
проводится прямая под наклоном 0 дБ/дек до
пересечения с низкочастотной частью ЛАЧХ. При этом определяется первая
сопрягающая частота
.
Высокочастотная область - на частоте щж3 проводим прямую под наклоном -40
дБ/дек до граничной частоты щг = 5 ∙ щж3 = 5 ∙ 1010 = 3500 [c-1], далее наклоны желаемой ЛАЧХ
равны наклонам исходной системы.
ПФ желаемого контура:
.
Определение
ПФ корректирующего звена.
ЛАЧХ
корректирующего звена определяется как:
В результате по полученной ЛАЧХ Lкз(щ) записываем ПФ корректирующего звена:
Так
как полученная передаточная функция не реализуется одним звеном, то разбиваем
его на четыре
.
По
результатирующей ЛАЧХ корректирующего звена строится ЛАЧХ составляющих
корректирующих звеньев
:
1. Рассмотрим для первого корректирующего звена с передаточной
функцией
.
Числовые значения коэффициента передачи и постоянных времени звена должны
быть
,
,
.
Задаемся
значением входного сопротивления цепочки
10 кОм.
Аналогично,
определяем числовое значение емкости конденсатора C1, мкФ
.
Определяем
значение сопротивления
:
,
откуда
В результате расчетов значения элементов корректирующей цепочки будут:

,
,
.
Определяем
коэффициент передачи корректирующего звена
.
Так
как фактический коэффициент передачи полученного звена
не совпадает с требуемым значением
, то коэффициент передачи прямого тракта контура умножается
на соответствующее значение
,
определяемое из условия
, откуда
2. Рассмотрим для второго корректирующего звена с передаточной
функцией:
Числовые значения коэффициента передачи и постоянных времени звена должны
быть
,
,
.
Задаемся
значением входного сопротивления цепочки
10 кОм.
Аналогично,
определяем числовое значение емкости конденсатора C1, мкФ
.
Определяем
значение сопротивления
:
,
Откуда
.
В результате расчетов значения элементов корректирующей цепочки будут:
,
,
.
Определяем
коэффициент передачи корректирующего звена
.
Так
как фактический коэффициент передачи полученного звена
не совпадает с требуемым значением
, то коэффициент передачи прямого тракта контура
умножается на соответствующее значение
,
определяемое из условия
, откуда
.
3. Рассмотрим для третьего корректирующего звена с передаточной
функцией:
Числовые значения коэффициента передачи и постоянных времени звена должны
быть
,
,
.
Задаемся
значением входного сопротивления цепочки
10 кОм.
Аналогично,
определяем числовое значение емкости конденсатора C1, мкФ
.
Определяем
значение сопротивления
:
,
откуда
.
В результате расчетов значения элементов корректирующей цепочки будут:
,
,
.
Определяем
коэффициент передачи корректирующего звена
.
Так
как фактический коэффициент передачи полученного звена
не совпадает с требуемым значением
, то коэффициент передачи прямого тракта контура
умножается на соответствующее значение
,
определяемое из условия
, откуда
.5 Синтез корректирующих звеньев контура положения (системы)
Приводится структурная схема контура. Исходные данные берутся из табл. 5.
Выполняется синтез корректирующего устройства. Приводятся необходимые графики
ЛАЧХ.
Структурная схема контура положения приведена на рис.11
Рис.11
Структурная схема контура положения
.5.1
Строим ЛАЧХ исходного контура Lu3(щ).
Передаточная
функция исходного контура имеет вид:
.
Передаточная функция корректирующего звена равна единице Wк3(р)=1,
Тогда
Добротность
для контура принимаем
.
Т.к.
добротность исходного контура выше требуемой, то вводим усилитель с
коэффициентом уменьшения:
.
lg10,26 =20 дБ.
Сопрягающие
частоты ЛАЧХ исходного контура:
.5.2
Строим желаемую ЛАЧХ Lж3(щ)
Исходные
данные:
-
добротность контура Кж =113[c-1];
-
время переходного процесса tппк3=0,05c-1;
-
перерегулирование у =25%.
Низкочастотная
область - на оси частот при щ = 1
откладываем точку -20 дБ/дек и через нее проводим горизонтальную прямую.
Среднечастотная область - частота среза:
Через
точку щс = 188,4 [c-1] проводим прямую под наклоном -20 дБ/дек до
значений L(щ) = ±11[дБ/дек]; щж2 = 64 c-1; щж3 = 500 c-1.
Из точки ЛАЧХ на частоте
проводится прямая под наклоном 0 дБ/дек до
пересечения с низкочастотной частью ЛАЧХ. При этом определяется первая
сопрягающая частота
. Высокочастотная область - на частоте щж3 проводим
прямую под наклоном -40 дБ/дек до граничной частоты щг =5 щж3 =5 *500=2500 c-1,
далее наклоны желаемой ЛАЧХ равны наклонам исходной системы. ПФ желаемого
контура:
.5.3
Определение ПФ корректирующего звена
ЛАЧХ
корректирующего звена определяется как:
.
В
результате по полученной ЛАЧХ Lк3(щ) записываем ПФ корректирующего звена:
.
Так как полученная передаточная функция не реализуется одним звеном, то
разбиваем его на три
По
результирующей ЛАЧХ корректирующего звена строится ЛАЧХ составляющих
корректирующих звеньев
:
.5.4 Выбор схемы корректирующих звеньев и определение значений входящих в
нее элементов
. Рассмотрим для первого корректирующего звена с передаточной
функцией
.
Числовые значения коэффициента передачи и постоянных времени звена должны
быть
,
,
.
Задаемся
значением входного сопротивления цепочки
10 кОм.
Аналогично,
определяем числовое значение емкости конденсатора C1, мкФ
.
Определяем
значение сопротивления
:
,
Откуда
В
результате расчетов значения элементов корректирующей цепочки будут: 
,
,
.5.5 Определяем коэффициент передачи корректирующего звена
.
Так
как фактический коэффициент передачи полученного звена
не совпадает с требуемым значением
, то коэффициент передачи прямого тракта контура
умножается на соответствующее значение
,
определяемое из условия
, откуда
2. Рассмотрим для второго корректирующего звена с передаточной
функцией:
Числовые значения коэффициента передачи и постоянных времени звена должны
быть
,
,
.
Задаемся
значением входного сопротивления цепочки
10 кОм.
Аналогично,
определяем числовое значение емкости конденсатора C1, мкФ:
.
Определяем
значение сопротивления
:
,
откуда
.
В результате расчетов значения элементов корректирующей цепочки будут:
,
,
.
Определяем
коэффициент передачи корректирующего звена
.
Так
как фактический коэффициент передачи полученного звена
не совпадает с требуемым значением
, то коэффициент передачи прямого тракта контура
умножается на соответствующее значение
,
определяемое из условия
,
Откуда
3. Рассмотрим для третьего корректирующего звена с передаточной
функцией:
Числовые значения коэффициента передачи и постоянных времени звена должны
быть
,
,
.
Задаемся
значением входного сопротивления цепочки
10 кОм.
Аналогично,
определяем числовое значение емкости конденсатора C1, мкФ
.
Определяем
значение сопротивления
:
,
Откуда
.
В результате расчетов значения элементов корректирующей цепочки будут:
,
,
.
Определяем
коэффициент передачи корректирующего звена
.
Так
как фактический коэффициент передачи полученного звена
не совпадает с требуемым значением
, то коэффициент передачи прямого тракта контура умножается
на соответствующее значение
,
определяемое из условия
,
Откуда
7. Определение показателей качества системы методом моделирования
Провести анализ показателей качества исходной и синтезированной систем.
Для линейной системы:
) определить показатели качества переходного процесса исходной и
синтезированной систем:
·
контура
напряжения (тока);
·
контура скорости
1) определить кинематическую ошибку в
режиме изменения управляющего воздействия с постоянной скоростью.
В пояснительной записке дать распечатку графиков процессов по пп.1, 2.
Для нелинейного контура напряжения (тока):
) определить показатели качества переходного процесса синтезированного
контура с нелинейным элементом;
Исследование САУ рекомендуется выполнить в среде MATLAB применением пакета визуального моделирования SIMULINK. Возможно также использование других
систем для исследования САУ
8. Моделирование САУ в среде MatLab
Контур напряжения (исходная)

Контур напряжения (синтезированная)

Контур напряжения с нелинейным элементом.

Контур скорости (исходная)
Контур скорости (синтезированная)

Контур положения (исходная)
Контур положения (синтезированная)

Список используемой литературы
автоматический управление синтез схема
1. Бесекерский В.А., Попов Е.П. Синтез систем автоматического
регулирования. - М.: Наука, 1972. - 326 с.
. Сборник задач по теории автоматического управления и
регулирования / В.А. Бесекерский, А.Н. Герасимов, С.В. Лучко; Под ред. Е.П.
Попова. - М.: Высш. шк., 1978. - 240 с.
. Проектирование инвариантных следящих приводов/ В.Н.
Яворский, А.А. Бессонов, А.И. Коротаев и др.; Под ред. В.Н. Яворского. - М.:
Высш. шк., 1963. - 420 с.
. Автоматизированное проектирование систем автоматического
управления / Я.Я. Алексанкин, А.Э. Боржовский, В.А. Жданов и др.; Под ред. В.В.
Солодовникова. - М.: Машиностроение, 1989. - 244 c.