Линии с распределенными параметрами

  • Вид работы:
    Контрольная работа
  • Предмет:
    Физика
  • Язык:
    Русский
    ,
    Формат файла:
    MS Word
    285,33 Кб
  • Опубликовано:
    2013-06-27
Вы можете узнать стоимость помощи в написании студенческой работы.
Помощь в написании работы, которую точно примут!

Линии с распределенными параметрами

Федеральное агентство по образованию

Государственное образовательное учреждение

высшего профессионального образования

"Московский Государственный Институт

Радиотехники, электроники и автоматики (технический университет)"







Контрольная работа

по электротехнике

Линии с распределенными параметрами.

Выполнил: Соловьев А.А.

Проверил: Любарская Т.А.





Москва, 2012 г.

Задача


Линии с распределенными параметрами.

По данным в Таблицы №1 параметрам линии (R0, L0, G0, C0), частоте f и длиннее линии l, комплексным значениям  в конце линии, сопротивлению нагрузки требуется:

. Рассчитать  в начале линии, активную P и полную S мощности в начале и конце линии, а так же КПД линии.

. Пологая, что линия стала линии без потерь (R0 = G0 = 0), а нагрузка на конце линии, а нагрузка на конце линии стала активной и равной модулю комплексной нагрузки, определить напряжение и ток в начале линии, а также длину волны электромагнитной линии .

. Для линии без потерь из пункта 2 построить график распределения действующего значения напряжения вдоль линии в функции координаты у.

Таблица №1

f, Гц

l, км

R0,Ом/км

L0,мГн/км

G0,мкСм/км

U2,B

I2,мA

Zн, Ом

3000

56,7

20

6

4,1

1,25

42,3

-

423


 

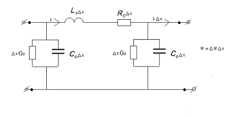
Схема линий с распределенными параметрами

Найдем . Затем рассчитаем активную P и полную S мощности в начале и конце линии, а так же КПД линии.

Напишем телеграфные уравнения для синусоидального сигнала

 

где



Теперь найдем  - это постоянная распространения и  - это волновое сопротивление:


Используя следующие выражения для  

 

При х = l, мы получим что U (x) = U2, а I (x) = I2. Выражаем из этих двух уравнений, так как остальные части этих уравнений нам известны или были вычислены выше, то получим систему из 2х уравнений и 2х неизвестных: .

   

Подставим первое уравнение во второе и получим:

 

Подставляя уравнение  (2) в уравнение в уравнение , получим уравнение для тока I1:

 (1)

Теперь подставим в уравнения (1) и (2) числа и получаем результат. При этом учесть что U2 = I2 * Zн = > I2 = U2/Zн = 42,3/423 = 0,1А.


Теперь рассчитаем мощности и КПД:

,

КПД линии:

линия распределенный параметр электрическая

Для линии без потерь, рассчитаем напряжение U1 и ток I1 в начале линии и длину электрической волны.


  (1)

где:


Тогда рассчитаем систему уравнений (1) и получим:


Длина электрической волны:


Построим график распределения действующего значения напряжения вдоль линии в функции координаты у

С помощью уравнения составим функцию, которая выражала бы значение напряжения U от длинны у. Сделаем это с помощь соотношения .


Теперь возьмем модуль этой функции, так как число  - комплексное, а напряжение действительное, то:


График зависимости напряжения U от расстояния у.


Похожие работы на - Линии с распределенными параметрами

 

Не нашли материал для своей работы?
Поможем написать уникальную работу
Без плагиата!
Без нейросетей!