Исследование переходных процессов, нелинейных цепей и режимов работы в цепи с распределенными параметрами
Курсовая
работа по дисциплине
«Теоретические
основы электротехники»
ИССЛЕДОВАНИЕ
ПЕРЕХОДНЫХ ПРОЦЕССОВ, НЕЛИНЕЙНЫХ ЦЕПЕЙ И РЕЖИМОВ РАБОТЫ В ЦЕПИ С
РАСПРЕДЕЛЕННЫМИ ПАРАМЕТРАМИ
РЕФЕРАТ
Курсовая работа содержит 26
стр., 10 рис., 1 табл., 5 источника, 5 приложений.
РАСЧЁТ ПЕРЕХОДНЫХ ПРОЦЕССОВ, РАСЧЕТ НЕЛИНЕЙНЫХ
ЦЕПЕЙ, РАСЧЕТ РЕЖИМОВ РАБОТЫ В ЦЕПИ С РАСПРЕДЕЛЕННЫМИ ПАРАМЕТРАМИ.
Объектом исследования являются
электрические схемы и нахождение в них токов и напряжений.
Цель работы - исследование переходных
процессов (определение тока и напряжения классическим и операторным методами),
нелинейных цепей и длинных линий, т.е. определение токов и напряжений в
различных цепях.
В процессе работы проводились
расчеты нахождения токов и напряжений в электрических цепях, это: исследования
тока и напряжение в переходных процессах, т.е. расчет цепей при замкнутом и
разомкнутом ключах, при этом зная первый и второй законы коммутации;
определение тока и напряжение в нелинейных цепях графически, используя законы
Кирхгофа при составлении уравнений; расчет длинных линий и построение графиков,
т.е. графики токов при согласованной и несогласованной нагрузке.
В результате исследования я
научился определять токи и напряжения до и после коммутации, рассчитывать цепи
с нелинейными элементами и графически показал как выглядит ток и напряжение.
Курсовая работа выполнена в
текстовом редакторе Microsoft
Word 2007 и
представлена в бумажном виде формата А4.
ЗАДАНИЕ
Курсовая работа ч.1
1. Определить классическим методом
переходный ток и переходное напряжение, заданные в самом расчете, на этапах
последовательного включения ключей К1 и К2 (ключ К2 срабатывает через время t=A/|∂|
после срабатывания К1)
2. Определить операторным методом
переходный ток и переходное напряжение, указанные п.1 на первом интервале
(после срабатывания К1)
. Сравнить расчеты по п.1 и п.2
. Построить график полученных
зависимостей переходного тока и напряжения в функции времени
. В заданной схеме (см. в начале расчета)
в установившемся режиме (после замыкания К1 и К2), пологая R5
нелинейным сопротивлением, ВАХ которого задана выражением (I5(U)=B1*U*exp(-x*U)+B2*(exp(y*U)-1)),
определить величину тока I3
Курсовая работа ч.2
1. К выходу линии подключено сопротивление Z2=R+jX,
на входе действует источник синусоидального напряжения U1,
первичные параметры линии известны. Примечание: U1=U1*exp(jφ),
частота f-задана.
2. Длина линии равна S=k*λ,
где
λ-
длина волны.
. Определить ток в начале линии,
напряжение на нагрузке и ток через нагрузку.
. Входную активную мощность и реактивную
мощность, потребляемую на нагрузке, КПД линии, входное комплексное
сопротивление.
. Найти величину дополнительного
комплексного сопротивления Zдоп.,
при подключении которого обеспечивается согласование линии с нагрузкой.
. Определить ток в начале линии,
напряжение на нагрузке и ток через нагрузку для согласованного режима.
. Построить графики распределения тока
при несогласованной и согласованной нагрузках.
цепь ток напряжение нелинейный
ВВЕДЕНИЕ
Курсовая работа - учебная работа, содержащая
результаты теоретических и экспериментальных исследований по отдельной учебной
дисциплине.
Целью данной курсовой работы по курсу
“Теоретические основы электротехники (ТОЭ)” является исследование переходных
процессов в цепях, построение графиков тока и напряжения. Работа также нацелена
на воспитание и развитие технической грамотности будущих инженеров-электриков.
При выполнении данной курсовой работы студент
получит практические навыки проведения расчёта электрических схем.
Данная курсовая работа включает в себя все-это
высшая математика, физика, электротехника и т.д.
Сущность курсового проекта -это «прямая задача
электротехники» т.е. нахождение токов и напряжения в различных схемах.
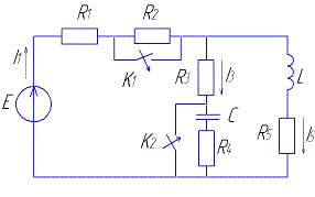
1. РАСЧЕТ ПЕРЕХОДНЫХ ПРОЦЕССОВ
Рассчитаем переходной ток I5(t)
и переходное напряжение Ur1
для схемы, представленной на рис.1 сперва классическим методом, а затем
операторным методом, если известно:
Е=165 (В) R3=8
(Ом) L=0.07 (Гн)
R1=500 (Oм)
R4=0.8 (Ом)
С=0.0000575 (Ф)
R2=320 (Ом) R5=4.5
(Ом) А=1.5
ПРИМЕЧАНИЕ: переходный ток и переходное
напряжение мы будем определять на этапах последовательного включения ключей К1
и К2 (ключ К2 срабатывает через время t1=A/|∂|
после срабатывания К1)
Рисунок 1-Расчетная схема к заданию
Классический метод
Найдем независимые начальные условия (ННУ):
До коммутации схема имеет вид (рис.2)
Рисунок 2 - Расчетная схема до коммутации
I1(0_)=I5(0_)=E/(R1+R2+R5)=165/(500+320+4.5)=0.2
(A)
Uc(0_)=I5(0-)*R5=0.2*4.5=0.903
(B)
Зависимые начальные условия (ЗНУ):
Рисунок 3 - Расчетная схема после коммутации
Составим систему уравнений по II
и I закону Кирхгофа.
I1(0+)R1+I3(0+)(R3+R4)+Uc(0+)=E(0+)(R3+R4)+Uc(0+)-I5(0+)R5-UL(0+)=0(0+)-I3(0+)-I5(0+)=0
(0+)=(E-
Uc(0+)-I5(0+)R1)/(R1+R3+R4)(0+)=I3(0+)(R3+R4)+Uc(0+)-I5(0+)R5(0+)=I3(0+)+I5(0+)
(0+)=(165-
0.903-0.2*500)/(500+8+0.8) (0+)=I3(0+)*(8+0.8)+0.903-0.2*4.5 (0+)=I3(0+)+0.2
(0+)=0.126 (A)(0+)=1.108 (B)1(0+)=0.326
(A)
Составим характеристическое уравнение:
Рисунок 4 - Преобразованная схема для
составления характеристического уравнения
Z(p)=R5+pL+R1(R3+R4+1/CP)/(R1+R3+R4+1/CP)
Z(p)=0
.5+0.07L+500*(8+0.8+1/0.0000575p)/(500+8+0.8+1/0.0000575p)=0
.5+0.07p+(0.253p+500)/(0.029p+1)=0
.00203p^2+0.4535p+504.5=0^2+223.4p+248522.2=0
- характеристическое уравнение.
Корни характеристического уравнения:
P1=-111.003+483.762j
P2=-111.003-483.762j
Установившейся режим (t=∞):
I1уст.=I5уст.=E/(R1+R5)=0.327
(A)уст.=
I5уст.*R5=1.472
(B)уст.=0
(B)
I3уст.=0 (А)
I5(t)=I5уст.+A1*e^(p1t)+
A2*e^(p2t)’(t)=p1A1e^(p1t)+p2A2e^(p2t)
=0
I5(0)=I5уст.+A1+
A2
I5’(0)=p1A1+p2A2
IL’=UL(0+)/L
0.327+A1+A2=0.2A1+p2A2=15.829=-A2-0.127
(A2-0.127)(-111.003+483.762j)+(
-111.003-483.762j)A2=15.829=-0.063-0.001791j=0.063e^178.372j=-0.063+0.001791j=0.063e^-178.372j(t)=Uc
уст.+B1e^P1t+
B2e^P2t’(t)=P1B1e^P1t+ P2B2e^P2t
t=0
(0)=Uc уст.+B1e^P1t+
B2e^P2t’(0)=P1B1e^P1t+ P2B2e^P2t’=Ic(0+)/C1=-0.571-B2
(-0.571-B2)(-111.003+483.762j)+(-
111.003-483.762j)B2=2191.3
B1=-0.286-2.197j
B2=-0.286+2.197j
Находим ток I5(t)
и напряжение Ur1(t):
I5(t)= I5уст.+2А1e^(-∂t)
cos (wt+argА1) = 0.327+0.127e^
(-111.003t)sin(483.762t-88.384) (A)(t)=I3уст.+D1e^(P1t)+
D2e^(P2t)
(A)=C*P1*B1=0.0000575(-111.003+483.762j)(-0.286-2.197j)=0.063+0.006j=0.063e^(5.440j)=C*P2*B2=0.063-0.006j=0.063e^(-5.440j)(t)=0.126e^(-111.003t)sin(483.762t+95.516)
(A)(t)=I5(t)+I3(t)=0.327+0.00864e^(-111.003t)sin(483.762t+187.132)
(A)(t)=I5(t)R5=1.472+0.572e^(-111.003t)sin(483.762t-88.384) (B)
Рассчитываем токи и напряжения после того как
щелкнул ключ К2 (вторая коммутация).
Рассчитаем время включения второго ключа:
ННУ:
t=A/∂=1.5/111.003=0.014
I5(0.014)=
0.327+0.127e^(-111.003*0.014)sin(483.762*0.014-88.384)=0.322 (A)3(0,014)=0.126e^(-111.003*0,014)sin(483.762*0,014+95.516)=0,007
(A)
ЗНУ:
Составляем систему уравнений по законам Кирхгофа
для схемы (рис.5):
Рисунок 5-Расчетная схема после срабатывания
двух ключей
Составим характеристическое уравнение после
срабатывание двух ключей (рис.6):
Рисунок 6-Расчетная схема
Z(p)=R1+R3(pL+R5)/(R3+pL+R5)
+35p+0.56p+36=0
+35.56p=0
p=-176.772
Установившейся режим:
Токи найдем по методу контурных токов (рис.5):
I11(R1+R3)+I22R3=ER3+I22(R3+R5)=0
∆=6286 ∆1=2063 ∆2=-1320=∆1/∆=2063/6286=0.328
(A)=∆2/∆=-1320/6286=-0.21 (A)уст.=I11=0.328
(A)уст.=0.328-0.21=0.118
(A)уст.=-I22=0.21
(A)уст.=0
(B)
Находим постоянные интегрирования:
I5(t)=I5уст.+Аe^pt
t=0
.21+A=0.322=0.112(t)=0.21+0.112e^(-176.772t)
(A)
I1(t)=I1уст.+De^pt
I1(0)=0.328+D
,33=0.328+D=
0.002(t)=0.328+0.002*e^(-176.772t) (A)(t)=0.945+0.504*e^(-176.772t) (B)
Операторный метод
Найдем токи и напряжения после первой коммутации
(рис.7):
Рисунок 7 - Расчетная схема после коммутации
ННУ: I1(0_)=I5(0_)=0.2
(A)
Uc(0_)=0.903 (B)
Найдем изображение контурных токов по
МКТ(рис.7):
I11(P)(R1+R3+R4+1/pc)+I22(p)(R3+R4+1/pc)=E/p-Uc(0_)/p(P)(R3+R4+1/pc)+I22(p)(R3+R4+R5+1/pc+pL)=-Uc(0_)/p-I5(0_)L
Составляем матрицу:
Главный определитель ∆:
Определитель ∆1:
Определитель ∆2:
Контурные токи:
Воспользуемся теоремой разложения и найдем
оригиналы токов:
A(p1)=11.6102(-111.003+483.762j)^2+2433.928(-111.003+483.762j)+2869565.217=25360-69470j’(p1)=7942.607+35.616*2*(-111.003+483.762j)=35.616+34460j(0)=2869565.217(0)=8773913.044(t)=(
2869565.217)/(8773913.044)+2e^(-111.003+483.762j)(25360-69470j)/(
35.616+34460j)(
-111.003+483.762j))(t)=0.327+0.00864e^(-111.003t)sin(483.762t+187.45)
A(0)=2869565.217(0)=8773913.044(p1)=-[7.1232(-111.003+483.762j)^2+2145.478(-111.003+483.762j)+2869565.217]=-1052000-272900j’(p1)=
7942.607+35.616*2*(-111.003+483.762j)=35.616+34460j
(t)=-0.327-0.128e^(-111.003t)sin(483.762t-88.384)(t)=-I22(t)=
0.327+0.128e^(-111.003t)sin(483.762t-88.384)(t)=0.327+0.00864e^(-111.003t)sin(483.762t+187.45)
(A)(t)=I1(t)R1=208.725+163.3e^(-105.048t)sin(516.962t+260.37) (B)
Построим графики зависимости тока I5(t) и
напряжения UR1(t) до первой
коммутации и после второй коммутации (см. приложение А,Б)
Определим величину тока I3
в установившемся режиме на рисунке 8 (после замыкания К1 и К2), пологая R5
нелинейным сопротивлением, ВАХ которого задана выражением:
I5(U)=B1*U*exp(-x*U)+B2*(exp(y*U)-1),
где
B1=7,75 X=10,75
B2=0,065 Y=0,725
Значение ЭДС и величины сопротивлений на
резисторах принять такие же как при расчете переходных процессов!
Рисунок 8- Расчетная схема
Ток I3
найдем графически, для этого составим систему уравнений по законам Кирхгофа:
По найденным уравнениям строим график
зависимости тока от напряжения, для этого составим таблицу (см. приложение В).
После того как мы построили графики токов I1(U),
I3(U),
I5(U)
и I5(U)=I1(U)-I3(U)
(см. приложение Г), смотрим точку пересечения графиков I5(U)
и (U)=I1(U)-I3(U),
значение напряжения в этой точке 1.55 (В), отсюда ток I3=0.145
(А)
3. РАСЧЕТ РЕЖИМОВ РАБОТЫ В ЦЕПИ С РАСПРЕДЕЛЕННЫМИ
ПАРАМЕТРАМИ
Определим ток в начале, в конце линии и
напряжение на нагрузке для схемы представленной на рис. 9(все необходимые
данные для расчета представлены ниже)
Рисунок 9-Расчетная схема
Ů1=116.67+116.67j
(B) R=4
(Ом) L0=0,0055 (Гн/км)
X=95 (Ом) φ=45
(грдусов) R0=0.08 (Ом/км)
К=0.55 f=625
(Гц) G0=0.00000075
(См/км)
С0=1.05*10^-8 (Ф/км) ω=2πf=3925
(рад/c)
Найдем первичные параметры линии:
Z0=R0+jωL0
=0.08+21.587j (Ом/км)
Y0=G0+jωС0=0.00000075+0.00004121j
(См/км)
Определим постоянную распределения:
γ0=(Z0*Y0)^0.5=((0.08+21.587j)*(0.00000075+0.00004121j))^0.5=0.0003267+0.03j
(1/км)
Запишем систему уравнений для определения тока и
напряжения в начале и в конце линии.
U(s)=U2(ch(s * γ0)+sh(s
* γ0)*Zв/Zн)(s)=U2*(ch(s
* γ0)+sh(s
* γ0)*Zн/Zв)/Zн
Определим длину волны λ=2π/β,
где
β-
коэффициент
фазы
λ=2π/0.03=209.333 (км)
s =K*
λ=0.55*209.333=115.133 (км)
Zв=(Z0/Y0)^0.5=((0.08+21.587j)/(
0.00000075+0.00004121j))^0.5=723.684+5.244j
(Ом)
Zн=R+jX=4+95j
(Ом)
Zв/Zн=0.375-7.602j
Zн/Zв=0.006478+0.131j
Определим гиперболический косинус и синус:
Ch((0.0003267+0.03j)*
115.133)=-0.958-0.0011j
Sh((0.0003267+0.03j)*
115.133)=-0.036-0.289j
Из системы уравнений найдем:
U2=U1/(ch(s * γ0)+sh(s
* γ0)*Zв/Zн)=-34.976-38.57j
(B)=U2/Zн=(-49.078-66.126j)/(
5.5+90j)=-0.421+0.35j (A)=I2*( ch(s * γ0)+sh(s
* γ0)*Zн/Zв)=0.393-0.315j
(A)
Найдем входную активную мощность Р1 и Р2:
S1= Ỉ1U1=(0.393-0.315j)( 116.67+116.67j)=9.1+82.602j
(B*A)
P1=9.1 (Вт)=
Ỉ2U2=(-0.421+0.35j)( -34.976-38.57j)=1.225+28.48j (B*A)=1.225 (Вт)
Рассчитаем КПД линии:
η= P2*100%/
P1=1.225
*100/9.1=13.462 %
Определим входное комплексное сопротивление
нагруженной линии:
Zвх= U1/
I1=(116.67+116.67j)/(
0.393-0.315j) (Ом)
Определим величину дополнительного сопротивления
при подключении, которого наблюдается согласованная нагрузка. Zн=
Zв- условие при
которой возникает согласованная нагрузка.
Zв= ZнZg/
Zн+Zg
Zg=-Zв
Zн/ Zв-Zн=8.456-94.503j
(Ом)
Запишем систему уравнений для определения тока и
напряжения для согласованной нагрузки (рис.10).
U1=U2*e^( s * γ0)=I2*
e^( s * γ0)=
U1/e^(s * γ0)=(
116.67+116.67j)/(-0.994-0.299j)=-139.989-75.194j (B)=U2/Zв=-0.194-0.102j
(A)=U1/Zв=0.162+0.16j
(A)
Рисунок 10-Расчетная схема
Построим графики зависимости тока от длины для
несогласованной и согласованной нагрузке (см. приложение Д)
ЗАКЛЮЧЕНИЕ
В курсовом проекте при
исследование переходных процессов, происходящих при размыкании и замыкании
ключей, мы определили заданные электрические величины различными методами.
В процессе работы проводились
расчеты нахождения токов и напряжений в цепях с распределенными параметрами,
нелинейных цепей, а также построение графиков токов и напряжений.
В результате исследования мы
убедились, что при переходном процессе изменяется ток и напряжение.
Данная работа помогает лучше
ориентироваться в учебе, для приобретения больших знаний не только по
дисциплине: «Теоретические основы электротехники», но и параллельно при
изучении других предметов.
Работа также нацелена на воспитание и развитие
технической грамотности будущих инженеров-электриков.
При выполнении данной курсовой работы я получил
практические навыки проведения расчёта сложных электрических схем.
СПИСОК ИСПОЛЬЗУЕМЫХ ИСТОЧНИКОВ
1. Атабеков Г.И.
Теоретические основы электротехники. Т. 1. Линейные электрические цепи:
Учеб.пособие для студентов втуов. - М.: Энергия, 1978. - 591с.
. Бессонов Л.А.
Теоретические основы электротехники. Т. 1. Электрические цепи: Учеб.пособие для
студентов вузов. - М.: Гардарики, 2006. - 701с.
. Демирчан К.С.
Теоретические основы электротехники. Т. 1. Основные понятия и законы теории
электромагнитного поля и теории электрических и магнитных цепей: Учеб.пособие
для студентов вузов. - Ленинград: Энергоиздан, 1981. - 523 с.
. Евдокимов Ф.Е.
Теоретические основы электротехники. Т. 1. Линейные электрические цепи:
Учеб.пособие для студентов вузов. - М.: Академия, 2004. - 559с.
. Нейман Л.Р.
Теоретические основы электротехники. Т. 1. Теория электрических цепей:
Учеб.пособие для студентов вузов. - Ленинград: Энергоиздан, 1981. - 523 с.
Приложение А
График зависимости тока I5(t)
Приложение Б

Приложение В
Таблица для построения графиков
|
U(B)
|
ток
I1
|
ток
I3
|
ток
I5
|
I5=I1-I3
|
|
0
|
0,33
|
0
|
0
|
0,33
|
|
0,1
|
0,3298
|
0,0125
|
0,269393
|
0,3173
|
|
0,2
|
0,3296
|
0,025
|
0,190693
|
0,3046
|
|
0,3
|
0,3294
|
0,0375
|
0,108225
|
0,2919
|
|
0,4
|
0,3292
|
0,05
|
0,06393
|
0,2792
|
|
0,5
|
0,329
|
0,0625
|
0,046344
|
0,2665
|
|
0,6
|
0,3288
|
0,075
|
0,042772
|
0,2538
|
|
0,7
|
0,3286
|
0,0875
|
0,0459
|
0,2411
|
|
0,8
|
0,3284
|
0,1
|
0,052234
|
0,2284
|
|
0,9
|
0,3282
|
0,1125
|
0,06026
|
0,2157
|
|
1
|
0,328
|
0,125
|
0,069374
|
0,203
|
|
1,1
|
0,3278
|
0,1375
|
0,079361
|
0,1903
|
|
1,2
|
0,3276
|
0,15
|
0,1776
|
|
1,3
|
0,3274
|
0,1625
|
0,101824
|
0,1649
|
|
1,4
|
0,3272
|
0,175
|
0,114362
|
0,1522
|
|
1,5
|
0,327
|
0,1875
|
0,127846
|
0,1395
|
|
1,6
|
0,3268
|
0,2
|
0,142346
|
0,1268
|
|
1,7
|
0,3266
|
0,2125
|
0,157937
|
0,1141
|
|
1,8
|
0,3264
|
0,225
|
0,1747
|
0,1014
|
|
1,9
|
0,3262
|
0,2375
|
0,192724
|
0,0887
|
|
2
|
0,326
|
0,25
|
0,212102
|
0,076
|
|
2,1
|
0,3258
|
0,2625
|
0,232939
|
0,0633
|
|
2,2
|
0,3256
|
0,275
|
0,255341
|
0,0506
|
|
2,3
|
0,3254
|
0,2875
|
0,279429
|
0,0379
|
|
2,4
|
0,3252
|
0,3
|
0,305327
|
0,0252
|
|
2,5
|
0,325
|
0,3125
|
0,333173
|
0,0125
|
|
2,6
|
0,3248
|
0,325
|
0,363113
|
|
2,7
|
0,3246
|
0,3375
|
0,395304
|
-0,0129
|
|
2,8
|
0,3244
|
0,35
|
0,429916
|
-0,0256
|
|
2,9
|
0,3242
|
0,3625
|
0,46713
|
-0,0383
|
|
3
|
0,324
|
0,375
|
0,507142
|
-0,051
|
|
3,1
|
0,3238
|
0,3875
|
0,550163
|
-0,0637
|
|
3,2
|
0,3236
|
0,4
|
0,596419
|
-0,0764
|
|
3,3
|
0,3234
|
0,4125
|
0,646153
|
-0,0891
|
|
3,4
|
0,3232
|
0,425
|
0,699626
|
-0,1018
|
|
3,5
|
0,323
|
0,4375
|
0,757121
|
-0,1145
|
|
3,6
|
0,3228
|
0,45
|
0,818938
|
-0,1272
|
|
3,7
|
0,3226
|
0,4625
|
0,885404
|
-0,1399
|
|
3,8
|
0,3224
|
0,475
|
0,956868
|
-0,1526
|
|
3,9
|
0,3222
|
0,4875
|
1,033705
|
-0,1653
|
|
4
|
0,322
|
0,5
|
1,116319
|
-0,178
|
0,3218
|
0,5125
|
1,205146
|
-0,1907
|
|
4,2
|
0,3216
|
0,525
|
1,300652
|
-0,2034
|
|
4,3
|
0,3214
|
0,5375
|
1,403339
|
-0,2161
|
|
4,4
|
0,3212
|
0,55
|
1,513748
|
-0,2288
|
|
4,5
|
0,321
|
0,5625
|
1,632458
|
-0,2415
|
|
4,6
|
0,3208
|
0,575
|
1,760095
|
-0,2542
|
Приложение Г
Приложение Д
График зависимости напряжения от
длинны для несогласованной и согласованной нагрузке