Устройство передачи импульсных сигналов в цепях, содержащих элементы полосковых линий
Курсовая работа на тему:
"Устройство передачи импульсных
сигналов в цепях, содержащих элементы полосковых линий"
Оглавление
1. Пояснительно - разъяснительная записка
1.1 Задание на выполнение курсовой работы
1.2 Введение
1.3 Объект исследования
1.4 Цель исследования
1.5 Теоретические сведения
1.6. Обозначения
2. Исходные данные
3. Расчёт передаточных характеристик
4. Расчёт переходной характеристики
5. Расчёт реакций схемы устройства на прямоугольные импульсы
6. Расчёт реакции схемы устройства на последовательность
прямоугольных импульсов
7. Анализ и разработка выходных сигналов корректирующего устройства
8. Полосковая линия передачи как длинная линия
8.1 Первичные параметры полосковой линии
8.2 Вторичные параметры полосковой линии
9. Расчёт спектральных характеристик
10. Спектральные характеристики последовательности импульсов
11. Описание выходного сигнала
12. Реакция на периодический входной сигнал
13. Оценка качества передачи полосковой линии с помощью
преобразований Лапласа
14. Систематизация и выводы
Список использованной литературы
1.
Пояснительно - разъяснительная записка
1.1 Задание
на выполнение курсовой работы
В курсовой работе предполагается выполнение следующих расчетов: на
основании данных варианта курсовой работы рассчитывается комплексный
коэффициент передачи источника сигналов и строятся его амплитудно-частотная и
фазо-частотная характеристики в диапазоне частот
. Оценивается диапазон частот, в пределах которого отклонение
значений модуля передаточной характеристики от номинального значения частоты не
превышают 10%; рассчитывается реакция схемы устройства на прямоугольный импульс
длительностью
.
Оцениваются искажения фронта и вершины выходного импульса.
. Разрабатывается схема корректирующего устройства, и определяются
его частотные характеристики.
. Рассчитываются передаточные характеристики схемы устройства с
корректором, а также его реакция на прямоугольный импульс.
. Оценивается качество проведенной коррекции выходного сигнала, и
рассчитываются условия согласования корректора с полосковой линией.
. Рассчитываются первичные и вторичные параметры полосковой линии.
. Составляется общая схема устройства с заданными параметрами
характеристического сопротивления.
. Рассчитываются спектральные характеристики последовательности
импульсов и одиночного сигнала.
. Рассчитываются спектральные характеристики выходных сигналов и
их временные зависимости.
. Рассчитываются временные зависимости напряжений на выходе полосковой
линии.
. Проводится анализ искажений на выходе полосковой линии.
. Составляются выводы по проведенной работе.
.2 Введение
В системах и устройствах автоматики при передаче командных
сигналов очень часто возникают их искажения. В результате нарушается требуемое
функционирование исполнительных устройств.
В настоящее время в командных системах управляющие сигналы,
как правило, формируются в виде последовательности прямоугольных импульсов. Но
и в таких случаях нормальное функционирование исполнительного устройства может
быть нарушено при возникновении амплитудных и фазовых искажениях прямоугольных
импульсов при их прохождении в линиях передачи. Возникают искажения фронта
импульса, или его амплитуды. В некоторых случаях при передаче сигналов по
нескольким каналам, временные сдвиги импульсов, поступающие на входы блоков
обработки не одинаковы. В этих случаях исполнительное устройство неправильно
функционирует.
Искажения могут возникнуть, как при формировании командных
сигналов в устройствах формирования управляющих сигналов, так и при прохождении
сигналов в линиях передачи, особенно в тех случаях, когда передающее устройство
и исполнительное устройство пространственно разнесены между собой на большие
расстояния.
При анализе цепей с сосредоточенными параметрами
предполагают, что в пределах одной ветви значение тока на всех ее элементах
имеет одинаковое значение. Это допущение справедливо, если геометрические
размеры устройства, для которых составляют расчетную схему замещения, намного
меньше, чем длина волны распространяющегося в системе электромагнитного
колебания.
В системах и устройствах, имеющих значительные размеры или
работающих на повышенных частотах, эти допущения вводить нельзя. Такие
устройства рассчитывают методом цепей с распределенными по длине параметрами.
Так как электромагнитные волны и связанная с ними
электромагнитная энергия распространяются с конечной скоростью, в цепях с
распределенными параметрами токи и напряжения зависят не только от конкретного
момента времени, но и от координаты элемента цепи в пространстве. Например, при
передаче энергии по протяженной линии токи и напряжения на конце линии
отличаются от этих параметров на входе не только по абсолютной величине, но и
по фазе.
Разделение электрических цепей на цепи с сосредоточенными и
распределенными параметрами чисто условное. В любой цепи, даже имеющей
небольшие размеры, сигнал на ее выходе отстает от сигнала на входе. Однако при
рассмотрении низкочастотных сигналов или сигналов большой длительности это
запаздывание настолько мало по сравнению с длительностью сигнала, что его
влиянием на конечный результат можно пренебречь.
При передаче очень коротких импульсов или сигналов высокой
частоты эти эффекты становятся заметными, так как время запаздывания становится
сравнимым с длительностью сигнала.
1.3 Объект
исследования
Исследуется несимметричная полосковая линия передачи. Она
представляет собой протяженную электродинамическую структуру, геометрические
параметры которой выбраны таким образом, что распространяющийся сигнал можно
считать зависящим только от продольной (вдоль линии) координаты. Таким образом,
передача осуществляется в основном вдоль полосковой линии, точнее говоря, в
диэлектрике и направляется полосковым проводником. Несимметричные полосковые
линии предпочтительнее симметричных по ряду технологических соображений.
Полосковая линия передачи.
Проводимость полоскового проводника отлична от нуля, но его
погонное сопротивление может быть значительным, т.к. высокочастотный сигнал при
распространении проникает только в очень узкий слой (скин-слой) полоскового
проводника. Скин-слой образуется из-за скин-эффекта. Скин-эффект - это
поверхностный эффект затухания электромагнитных волн по мере их проникновения в
глубь проводящей среды, в результате которого, например, переменный ток по
сечению проводника или переменный магнитный
<#"670185.files/image004.gif">
1.4 Цель
исследования
Если полосковая линия не имела бы потерь, любой сигнал
распространялся бы через нее без искажений, не изменяя своей формы. При
несогласованной нагрузке на выходе и на входе линии возникают повторные
отражения (возможно, сопровождаемые потерями при каждом отражении). Реально
линия имеет потери, которые к тому же зависят от частоты, и поэтому даже в
случае согласованной нагрузки выходной сигнал имеет форму, отличную от формы
входного сигнала. Ситуация усложняется, если учитывать многократные отражения
от несогласованной нагрузки.
В данной работе будем исходить из того, что на выходе линии с
потерями подключена согласованная нагрузка, а к входу линии подсоединен
идеальный источник напряжения, задающий сигнал заданной формы. Распространяясь
по линии, этот сигнал испытывает искажения, но отражения от нагрузки нет. В
результате на нагрузке выделяется сигнал, искаженный по сравнению с входным
сигналом. Целью работы является оценка искажений. Эта оценка должна быть в
окончательной форме представлена в выводах по работе.
1.5
Теоретические сведения
Ток - упорядоченное движение электрических зарядов через
поперечное сечение.
Напряжение - фактор, вызывающий движение электрических
зарядов.
Сопротивление - физическая величина, характеризующая свойства
проводника препятствовать прохождению электрического тока
<#"670185.files/image005.gif">
Операционный усилитель - усилитель постоянного тока
<#"670185.files/image006.gif"> комплексного переменного (изображение) с
функцией
вещественного переменного (оригинал).
1.6.
Обозначения
Относительная диэлектрическая проницаемость (безразмерная) -
;
диэлектрическая проницаемость вакуума (электрическая постоянная
вакуума) -
;
магнитная проницаемость вакуума (магнитная постоянная вакуума) -
;
скорость света в вакууме -
;
погонная емкость -
;
погонная индуктивность -
;
удельная объемная проводимость -
;
скорость света в диэлектрике-
;
погонное сопротивление потерь-
;
тангенс угла потерь-
;
погонная проводимость потерь-
;
волновое (характеристическое) сопротивление-
;
коэффициент ослабления-
;
коэффициент фазы-
;
сопротивление нагрузки-
;
частота следования периодического сигнала-
э. д. с. источника периодического сигнала -
;
выходной импульсный сигнал-
;
выходной периодический сигнал -
;
скважность периодического сигнала -
;
длительность импульса-
;
амплитуда импульса-
;
частотный параметр (круговая частота) -
;
передаточная функция линии-
;
комплексная спектральная плотность (непрерывная) одиночного
импульсного сигнала-
;
комплексный спектр (дискретный) входного периодического сигнала -
Fвх;
комплексный спектр (дискретный) выходного периодического
сигнала-Fвых;; период - Т, сек;
полосковая линия цепь сигнал
2. Исходные
данные
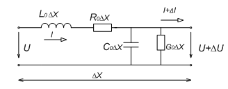
Рис. 1.
Геометрические параметры полосковой линии:=0.9 мм; =0.23 мм;
=120 мм.
Характеристика проводника и диэлектрика:
диэлектрик - полистирол;
относительная диэлектрическая проницаемость 
2.56;
тангенс угла потерь на частоте 1 ГГц 2*10-4;
металл - латунь;
удельная объемная проводимость 
глубина проникновения тока на частоте 1 ГГц 4.15 мкм.
Характеристика входного сигнала:
Частота входного сигнала f=200 МГц;
Скважность сигнала q=8;
Амплитуда импульсов E=1 В.
Характеристика элементов:=10 кОм, L=10мкГн.
3. Расчёт
передаточных характеристик
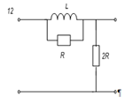
С целью обеспечения режима идеального источника ЭДС, выход
источника сигнала подключаем к операционному усилителю, работающему в режиме
повторителя (рис.2).
Рис. 2 и Рис. 3.
Рис. 4. Эквивалентная схема замещения.
Коэффициент передачи источника сигналов:

=2R/3;

=
k (j
) =
a=2R; b=2
; c=2R; d=5
Амплитудно-частотная характеристика:
(
) =
=
Фазо-частотная характеристика:

(
) =arctg
=arctg (
) - arctg (2.5
)
4. Расчёт
переходной характеристики
Переходная характеристика определяется как реакция системы на
единичное воздействие при нулевых начальных условиях.
Рис.7. Схема при t=0-.
Найдём корни характеристического уравнения:
Рис.8. Схема для нахождения корней характеристического
уравнения.
Рис.9. Схема для определения вынужденной составляющей.
Рис.10. Схема для определения свободной составляющей.
Переходная характеристика:

(t) =1-0.6
Рис. 11. График переходной характеристики.
5. Расчёт
реакций схемы устройства на прямоугольные импульсы
Длительность импульса:


Найдём 
с помощью интеграла Дюамеля:

.
) 0

1-0.6


) 

=1-0.6
+ 0.6
=0.6



.023
Рис.13. График зависимости напряжения от времени для единичного
воздействия.
6. Расчёт
реакции схемы устройства на последовательность прямоугольных импульсов
Рисунок 14. Характер импульсного сигнала.
В интервале импульса:

0<t<
В интервале паузы:


Изменение тока происходит только на сопротивлениях.
Активная часть:


Гц
Изменение тока:
Изменение напряжения на выходе:
Из условия стыковки решений в момент времени T/8:
Из условия стыковки решений в момент времени 0 и T:
Получаем систему:

Решая систему, получаем:


Окончательно имеем:

для 0

для 
Рис. 15. График зависимости напряжения от времени для
последовательного воздействия.
7. Анализ и
разработка выходных сигналов корректирующего устройства
Обычно корректирующее устройство проектируется в виде
последовательно соединенных амплитудного и фазового корректоров. При этом при
корректировании фазовых искажений ставится условие - фазовый корректор не
должен вносить амплитудных искажений, т.е. его затухание не должно зависеть от
частоты. К фазовой характеристике амплитудного корректора обычно никаких
специальных требований не предъявляется, поэтому амплитудный корректор вносит
дополнительные фазовые искажения, которые должны учитываться при подборе
параметров фазового корректора. В то же время существует класс амплитудных
корректоров, не вносящих фазовых искажений, у которых фазо-частотная
характеристика имеет вид
, их недостаток - сложность схемного
построения и невысокая точность коррекции.
На практике корректирующий четырехполюсник состоит из совокупности
последовательно соединенных амплитудного и фазового корректоров. В то же время
существуют схемы коррекции, которые с определенной точностью осуществляют
одновременно как амплитудные, так и фазовые искажения. Условием неискаженной
передачи сигналов через четырехполюсник является выполнение условий, которые
предполагают, что модуль коэффициента передачи должен быть постоянным во всем
диапазоне частот, а фазо-частотная характеристика должна быть линейно зависимой
от частоты.
На практике такие условия обычно не выполняются, и для того, чтобы
восстановить исходную форму сигнала используются корректирующие
четырехполюсники. Зависимость от частоты комплексного коэффициента передачи
электротехнического устройства оценивается с помощью характеристики, которая
носит название мера передачи g = a + jb, где: a - коэффициент затухания, b -
коэффициент фазы.
Если корректирующий четырехполюсник (КЧ) согласовать по входу с
выходом корректируемого устройства, а по выходу с сопротивлением нагрузки, то
включение КЧ не меняя режима работы корректируемого устройства приводит к
изменению его амплитудно - частотных и фазо - частотных характеристик. Мера
передачи в этом режиме равна
, где
- мера передачи корректируемого
устройства;
- мера передачи корректирующего
четырехполюсника;
,
- коэффициенты затухания устройства и корректирующего
четырехполюсника соответственно;
,
- коэффициенты фазы.
Следовательно, для компенсации искажений необходимо выбрать такую
меру передачи КЧ, чтобы она дополняла меру передачи корректируемого устройства
таким образом, чтобы обеспечить неискаженную меру передачи сигналов в рабочем
диапазоне передаваемых сигналов. В таком режиме
,
,
- постоянная величина.
Подобный корректирующий четырехполюсник обычно реализуется в виде
схемы, состоящей из пассивных элементов R,L,C. В некоторых случаях в качестве
корректирующего четырехполюсника используются устройства на основе активных
элементов (операционных усилителей).
Рис. 16 и 17. Схема корректирующего устройства.
Анализ выходных сигналов.
Определим частотные характеристики для схемы с корректирующим
устройством (рис. 16, 17).
Коэффициент источника сигнала:
K (j
) =
, K (j
) =
=
a=2R; b=2
; c=2R; d=5
Амплитудно-частотная характеристика:
K (
) =
=
Фазо-частотная характеристика:

(
) =arctg
=arctg (
) - arctg (
)
Рис. 18. График амплитудно-частотной характеристики
корректирующего устройства.
Рис. 19. График фазо-частотной характеристики корректирующего
устройства.
8. Полосковая
линия передачи как длинная линия

8.1 Первичные
параметры полосковой линии
Первичные параметры - это, по определению, погонное
сопротивление, погонная ёмкость, погонная индуктивность, погонная проводимость.
Скорость света в среде:
V=
Погонная ёмкость:
Погонная индуктивность:
Погонное сопротивление:

+7.1 
Погонная проводимость:

=

Рис.21. График частотной зависимости погонного сопротивления в
области низких частот.
Рис.22. График частотной зависимости погонного сопротивления в
области высоких частот.
Рис.23. График частотной зависимости погонной проводимости в
области низких частот
Рис.24. График частотной зависимости погонной проводимости в
области высоких частот.
8.2 Вторичные
параметры полосковой линии
Ко вторичным параметрам полосковой линии относятся, по
определению, коэффициент распространения, коэффициент ослабления, коэффициент
фазы и волновое сопротивление. Коэффициент распространения:
Коэффициент ослабления:
Коэффициент фазы:
В области низких частот:
В области высоких частот:

+7.1
Рис.25. График частотной зависимости коэффициента ослабления в
области низких частот.
Рис.26. График частотной зависимости коэффициента ослабления в
области высоких частот.
Рис.27. График частотной зависимости коэффициента фазы в области
низких частот.
Рис.28. График частотной зависимости коэффициента фазы в области
высоких частот.
Комплексное волновое сопротивление:
Модуль волнового сопротивления:
Фаза волнового сопротивления:
Рис.29. График частотной зависимости модуля волнового
сопротивления.
Рис.30. График частотной зависимости фазы волнового сопротивления.
9. Расчёт
спектральных характеристик
Аналитическая запись импульсного сигнала:
e (t) =

Рис.31. Одиночный прямоугольный импульс.
Спектральная плотность сигнала (преобразование Фурье):
Из условия четности функции получаем
(
) 
(
) 
=
Рис.32. Спектральная плотность сигнала.
С помощью спектрального представления сигнала можно представить
сигнал как функцию частоты.
Восстановление сигнала по спектральной плотности.
В данной формуле учтена чётность спектральной плотности. N=100
Рис.33. Спектральное представление импульсного входного сигнала в
виде конечной суммы гармоник.
Очевидно, что сигнал, восстановленный по его спектральной
плотности, отличается по форме от прямоугольного. Причиной этого является
замена в интеграле бесконечного предела интегрирования на конечный.
10.
Спектральные характеристики последовательности импульсов
Периодический входной сигнал можно представить в виде:
Коэффициенты ряда Фурье:
Спектральные компоненты ряда:
Для 15-ти гармоник:

S=15 s: 0…S
Представим входной сигнал в виде суперпозиции гармоник по формуле:
Рис.34. График периодического входного сигнала.
11. Описание
выходного сигнала
Выходной сигнал любого четырехполюсника определяется как
непрерывная суперпозиция гармоник c помощью прямого преобразования Фурье.
.
Амплитуды гармоник определяются спектральной плотностью выходного
сигнала. Эта плотность естественным образом представляет собой спектральную
плотность входного сигнала, умноженную на передаточный коэффициент
четырехполюсника:
.
Наибольший интерес представляет не реальный выходной сигнал, а его
отклонение от идеального (ожидаемого) выходного сигнала, т.е. от сигнала
. Это отклонение позволяет оценить
качество передачи через длинную линию. Величина отклонения определяется по
формуле
, где
,
.
Выходной сигнал имеет спектральное представление:
Отклонения:

где
Рис.35. График выходного сигнала после преобразований Фурье.
12. Реакция
на периодический входной сигнал
Если входной сигнал периодический, то выходной сигнал тоже
будет периодическим, причём период входного сигнала равен периоду выходного
сигнала. Выходной сигнал можно представить в виде ряда Фурье.

- комплексная спектральная амплитуда выходного периодического
сигнала.



В силу чётности:

S=15


Рис.36. График выходного периодического сигнала.
13. Оценка
качества передачи полосковой линии с помощью преобразований Лапласа
Для более точного выяснения формы выходного сигнала
целесообразно провести аналитический расчёт во временной области с применением
преобразования Лапласа.
Входной сигнал:
Изображение входного сигнала
E (s) =
Передаточная функция:
(j
) =
где 
Учтём, что 
K (j
) =
Учитывая первые 2 члена разложения:
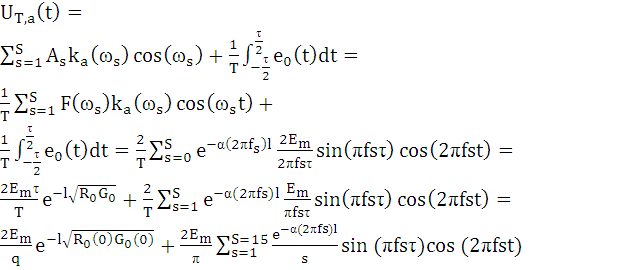
Изображение выходного сигнала:
(s) =E (s) K (s) =
(s) =
(s) =
Теорема об интегрировании оригинала:
Оригинал имеет вид:
Рис.37. График выходного сигнала (преобразования Лапласа).
Рис.38. График отклонения выходного сигнала от входного по
Лапласу.
14.
Систематизация и выводы
В данной работе исследовалось прохождение импульсных и
периодических сигналов через несимметричную полосковую линию передачи, и
оценивались искажения, вносимые линией. При этом был использован ряд допущений.
Полосковая линия рассматривалась как однородная длинная
линия. При этом не учитывались отражения на концах линии, вносящие
дополнительные искажения при передаче сигнала (предполагалось, что на выходе
линии подключена согласованная нагрузка, а ко входу линии подсоединён источник
напряжения, сопротивление которого согласовано с волновым сопротивлением
линии). В действительности же такие отражения в линии будут происходить, так
как волновое сопротивление линии в области низких и средних частот существенно
зависит от частоты. Поэтому на практике согласовать сопротивление нагрузки (и источника)
с волновым сопротивлением линии во всём диапазоне частот не представляется
возможным.
Предполагалось, что ко входу линии подсоединён идеальный
источник напряжения, задающий сигнал заданной формы.
Формулы, по которым рассчитывались первичные параметры линии,
носят приближённый характер и достаточно точно выполняются, если размеры линии
меньше длины волны. В области низких частот данное условие не выполняется. В
области высоких частот это условие выполняется, поскольку размер линии меньше
длины волны.
При описании сигналов с помощью преобразования Фурье
бесконечные пределы интегрирования были заменены на конечные, что привело к
довольно значительным погрешностям спектрального представления.
При описании выходного импульсного сигнала с помощью преобразования
Лапласа учитывались только первые два члена разложения экспоненты в ряд, что
также привело к погрешностям.
При выполнении данной работы мы убедились, что при
прохождении по схеме сигнал подвергается амплитудным и фазовым изменениям. Это
связано с тем, что параметры реактивных элементов зависят от частоты. Чтобы
сигнал передавался неискажённым, необходимо, чтобы модуль коэффициента передачи
должен быть постоянным на всём диапозоне частот, а фазо-частотная
характеристика должна быть линейной. В нашей работе мы разработали
корректирующее устройство так, чтобы получить постоянный модуль коэффициента
передачи во всём диапозоне частот и линейную фазо-частотную характеристику.
Подтверждением тому являются графики АЧХ и ФЧХ до и после коррекции (для АЧХ: рис.5
и рис.18; для ФЧХ: рис.6 и рис. 19 соответственно). При перемножении графиков
АЧХ до и после коррекции получаем коэффициент передачи, равный единице (это
говорит о том, что сигнал не подвергается амплитудным имзменениям). При
суммировании графиков ФЧХ до и после коррекции получаем коэффициент фазы,
равный нулю (это говорит о том, что сигнал не подвергается фазовым изменениям).
В данной работе мы установили, что первичные и вторичные
параметры полосковой линии зависят от частоты. Из графиков зависимости вторичных
параметров полосковой линии видно, что фазовая скорость линейно зависит от
частоты (рис.28). Из этого можно сделать вывод, что у сигнала отсутствует
фазовая дисперсия (фазовые искажеения). Из графиков зависимости коэффициента
ослабления видно, что в области низких частот коэффициент ослабления очень мал
(рис.25). В области высоких частот коэффициент ослабления имеет величину
порядка 1 Гц/м.
Кроме того, в области высоких частот значение волнового
сопротивления незначительно расходится со значением волнового сопротивления
линии без искажений, т.е. Zв=59.3 Ом. Таким образом, подключив нагрузку с
сопротивлением 60 Ом, можно добиться незначительных искажений в данной области
частот, т.е. хорошего качества передачи. Однако, в области низких частот волновое
сопротивление существенно зависит от частоты, поэтому в этой области может
возникнуть существенное искажение сигнала.
Из графика выходного импульса (рис.37) видно, что имеются
некоторые искажения формы фронта и спада одиночного импульсного сигнала. Однако,
отклонение вершины графика от величины идеального прямоугольного импульса
укладывается в допустимые 10% (погрешность 5%). На основании оценки искажения
сигнала делаем вывод, что данную полосковую линию можно использовать для
передачи тактовых импульсов.
Полосковая линия - единственный тип передачи СВЧ сигналов,
обеспечивающий возможность комплексной микроминиатюризации радиотехнических
устройств и допускающий изготовление устройств СВЧ в интегральном виде.
Достоинства полосковой линии:
1) возможность автоматизации производства с применением технологий
изготовления печатных плат
<http://ru.wikipedia.org/wiki/%D0%9F%D0%B5%D1%87%D0%B0%D1%82%D0%BD%D0%B0%D1%8F_%D0%BF%D0%BB%D0%B0%D1%82%D0%B0>,
гибридных и плёночных интегральных микросхем <http://ru.wikipedia.org/wiki/%D0%9C%D0%B8%D0%BA%D1%80%D0%BE%D1%81%D1%85%D0%B5%D0%BC%D0%B0>;
) широкополосность;
) малые масса и габариты;
) высокая технологичность как самих линий, так и СВЧ устройств,
создаваемых на их основе.
Недостатки полосковой линии:
) возможность применения только при малых и средних уровнях
мощности СВЧ <http://ru.wikipedia.org/wiki/%D0%A1%D0%92%D0%A7> колебаний.
Список
использованной литературы
1. Судаков
В.Ф. Николаев С.С. Анализ и расчет электрических устройсв с использование линий
с распределенными паарметрами.
2. И.Л.
Куликов, С.С. Николаев. Анали и расчет переходных процессов в электрических
цепях при произвольных и импульсных периодических воздействиях
. Демирчян,
Нейман, Коровкин, Чечурин. Теоритические основы электроники.