Передача импульсного сигнала через полосковую линию
Московский
государственный технический университет имени Н.Э.Баумана
Курсовая
работа по дисциплине «Электротехника»
Передача
импульсного сигнала через полосковую линию
Вариант №4
Группа ИУ3-42
Студентка:
(Ахунзянова Е.Х.)
Руководитель:
(Николаев С.С.)
Москва 2012
Содержание
1. Введение
. Техническое задание на курсовую работу
.1 Задание на выполнение курсовой работы
.2 Обозначение и единицы измерения
.3 Характеристики длинной линии
.3.1 Первичные параметры линии
.3.2 Вторичные параметры линии
.3.3 Характеристика приемника нагрузки
.3.4 Характеристика сигналов
.3.5 Частотные характеристики
.3.6 Спектральные характеристики
.4 Исходные данные
. Расчет передаточных характеристик формирователя входных
импульсов
.1 Расчет передаточных характеристик
.2 Расчет переходной характеристики
.3 Расчет реакции схемы устройства на единичный импульс
.4 Расчет реакции схему устройства на последовательность
прямоугольных импульсов
. Анализ и разработка выходных сигналов корректирующего устройства
.1 Разработка корректирующего устройства
. Полосковая линия передачи как длинная линия
.1 Расчет первичных параметров полосковой линии
.2 Расчет вторичных параметров полосковой линии
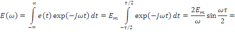
. Расчет спектральных характеристик
.1 Импульсный одиночный сигнал
.2 Спектральные характеристики последовательности импульсов
. Описание выходного сигнала
.1 Реакция на импульсный входной сигнал
.2 Реакция на периодический входной сигнал
8. Оценка качества передачи линии с помощью преобразования
Лапласа
Выводы
Заключение
Список литературы
1. Введение
В устройствах автоматики и цифровой техники для обработки управляющих
сигналов используются прямоугольные импульсы. Учитывая тот факт, что
практически любая электрическая цепь содержит реактивные элементы, параметры
которых зависят от частоты, прохождение электрических сигналов в устройствах
сопровождается искажением их формы. Условием неискаженной передачи сигналов
через четырехполюсник является выполнение условий, которые предполагают, что
модуль коэффициента передачи должен быть постоянным во всем диапазоне частот, а
фазо-частотная характеристика должна быть линейной.
На практике такие условия обычно не выполняются, и для того, чтобы
восстановить исходную форму сигнала используются корректирующие
четырехполюсники. Зависимость от частоты комплексный коэффициента передачи
электротехнического устройства оценивается с помощью характеристики, которая
носит название мера передачи g = a+jb, где: a - коэффициент затухания, b - коэффициент фазы.
Активные корректоры строятся с использованием промежуточных звеньев в
виде четырехполюсников с большим (теоретически бесконечно большим) входным
сопротивлением и малым, близким к нулю, выходным сопротивлением. К таким
корректорам не предъявляются требования согласования их характеристических
сопротивлений. Постоянная передача такого корректора определяется из
соотношения:
В некоторых случаях возможно применение корректоров комбинированного
типа, когда активные элементы используются лишь для развязки четырехполюсников,
но не влияют на их частотные и амплитудные характеристики. Теоретически одним
корректором можно компенсировать и амплитудные, и фазовые искажения. Однако на
практике очень часто используются отдельно включенные амплитудный и фазовый
корректоры, так как использование отдельных корректоров в некоторых случаях
позволяет повысить качество корректирования. В то же время совместное
использование амплитудного и фазового корректора предъявляет к схемам
корректирования ряд дополнительных требований.
Объектом второй части исследования является несимметричная полосковая
линия передачи. Она представляет собой протяженную электродинамическую
структуру, геометрические параметры которой выбраны так, что распространяющийся
сигнал можно считать зависимым только от продольной координаты. Таким образом,
передача в основном осуществляется вдоль полосковой линии (в слое диэлектрика)
и направляется полосковым проводником.
Полосковые линии используются в технике сверхвысоких частот (от
миллиметрового до дециметрового диапазона длин волн), при этом электромагнитная
энергия передается по диэлектрику, разделяющему электроды. В данной работе
исследуется прохождение через полосковую линию наносекундных импульсов без
высокочастотного заполнения. Такая передача имеет место в компьютерной технике.
Рис. 1: Полосковая линия передачи
Строгий анализ распространения даже гармонических сигналов в полосковой
линии очень сложен. Однако, и в полосковой, и в коаксиальной линии основная энергия
передается поперечной электромагнитной волной. Поэтому с достаточной степенью
достоверности можно провести такой анализ путем сопоставления этих линий на
базе теоретической модели длинной линии. Специфическими будут зависимости
первичных параметров длинной линии от реальных свойств полосковой линии.
Если бы полосковая линия не имела потерь, то любой сигнал распространялся
бы через нее без искажений, не изменяя своей формы. При несогласованной
нагрузке на выходе и входе линии возникают неоднократные отражения (возможно,
сопровождаемые потерями при каждом отражении). В реальной линии существуют
потери, зависящие от частоты, поэтому даже в случае согласованной нагрузки
форма выходного сигнала отличается от формы входного.
2. Техническое задание на выполнение курсовой работы
.1 Задание на выполнение курсовой работы
В курсовой работе предполагается выполнение следующих расчетов:
- На основании
данных варианта курсовой работы рассчитывается комплексный коэффициент передачи
источника сигналов и строятся его амплитудно-частотная и фазо-частотная
характеристики в диапазоне частот
.
Оценивается диапазон частот, в пределах которого отклонение значений модуля
передаточной характеристики от номинального значения частоты не превышают 10%.
- Рассчитывается
реакция схемы устройства на прямоугольный импульс длительностью
. Оцениваются искажения фронта и вершины выходного
импульса.
- Разрабатывается
схема корректирующего устройства, и определяются его частотные характеристики.
- Рассчитываются
передаточные характеристики схемы устройства с корректором, а также его реакция
на прямоугольный импульс.
- Оценивается
качество проведенной коррекции выходного сигнала, и рассчитываются условия
согласования корректора с полосковой линией.
- Рассчитываются
первичные и вторичные параметры полосковой линии.
- Составляется
общая схема устройства с заданными параметрами характеристического
сопротивления.
- Рассчитываются
спектральные характеристики последовательности импульсов и одиночного сигнала.
- Рассчитываются
спектральные характеристики выходных сигналов и их временные зависимости.
- Рассчитываются временные зависимости напряжений на выходе полосковой
линии.
- Проводится анализ искажений на выходе полосковой линии.
- Составляются выводы по проведенной работе.
2.2 Обозначения и единицы измерений
Диэлектрическая
проницаемость вакуума
(диэлектрическая постоянная вакуума)
, Ф/м -
коэффициент, применяемый при записи ряда соотношений в СИ и определяющий
напряжённость электрического поля в вакууме.
Магнитная
проницаемость вакуума
, Гн/м - физическая константа, скалярная величина,
определяющая плотность магнитного потока в вакууме.
Скорость
света в вакууме
, м/с - скорость распространения электромагнитной
волны в вакууме.
Скорость
света в диэлектрике v,
м/с - скорость распространения электромагнитной волны в диэлектрике.
Объемная
удельная проводимость металла
, См/м - величина, равная проводимости между
противоположными сторонами куба со стороной 1 м, изготовленного из данного
металла.
Объемная
удельная проводимость диэлектрика
, См/м -
величина, равная проводимости между противоположными сторонами куба со стороной
1 м, изготовленного из данного диэлектрика.
Тангенс
угла потерь
- отношение активной составляющей проводимости к
реактивной.
2.3 Характеристики длинной линии
Длинная линия - цепь с распределенными параметрами, размеры которой
сравнимы с длиной электромагнитных волн, распространяющихся в ней.
2.3.1 Первичные параметры линии
Погонная
емкость
, Ф/м - емкость единицы длины линии.
Погонная
индуктивность
, Гн/м ─ индуктивность единицы длины линии.
Погонное
сопротивление
, Ом/м ─ продольное активное сопротивление
проводов, отнесенное к единице длины линии.
Погонная
проводимость
, См/м ─ поперечная активная проводимость
изоляции, отнесенная к единице длины линии.
.3.2
Вторичные параметры линии
Волновое
сопротивление
, Ом ─ отношение комплексной амплитуды
электрического напряжения к комплексной амплитуде электрического тока бегущей
синусоидальной электромагнитной волны, распространяющейся в цепи с распределенными
параметрами.
Коэффициент
распространения
, 1/м ─ комплексная величина, характеризующая
изменение амплитуды и фазы бегущей синусоидальной электромагнитной волны в
линии с распределенными параметрами при перемещении волны на единицу длины.
Коэффициент
ослабления (затухания) α, Нп/м ─ величина, характеризующая уменьшение амплитуды
электрического напряжения или электрического тока бегущей электромагнитной
волны в линии с распределенными параметрами, при перемещении волны на единицу
длины, равная действительной части коэффициента распространения.
Коэффициент
фазы
β, рад/м ─ величина,
характеризующая изменение фазы электрического напряжения или электрического
тока бегущей электромагнитной волны в линии с распределенными параметрами, при
перемещении волны на единицу длины, равная мнимой части коэффициента
распространения.
.3.3
Характеристика приемника нагрузки
Сопротивление
нагрузки
, Ом - сопротивление приемника электромагнитной
энергии.
2.3.4
Характеристика сигналов
Частота
периодического сигнала 
, Гц - физическая величина, характеристика
периодического процесса, равная числу полных циклов, совершённых за единицу
времени.
Период Т, с -
наименьший интервал времени, по истечении которого мгновенное значение
периодического электрического тока (напряжения, ЭДС) повторяется в неизменной
последовательности.
Выходной
сигнал 
, В -
выходной сигнал в виде одного или последовательности импульсов.
Выходной
периодический сигнал 
, В -
выходной сигнал, который представляет собой импульсы, повторяющиеся во времени
регулярно с периодом Т.
Скважность
периодического сигнала 
-
безразмерная величина, равная отношению периода повторения импульсного сигнала
к длительности одиночного импульсного сигнала.
Длительность
импульса 
,с
-промежуток времени между фронтом и спадом импульса.
Амплитуда
импульса
, В - наибольшее отклонение ЭДС от ее среднего
значения.
.3.5
Частотные характеристики
Круговая
частота ω, рад/с - число полных колебаний (циклов) величины за
2π
сек.
Передаточная
функция линии K(jω) - отношение
комплексного значения выходного параметра к комплексному значению входного
параметра как функция частоты.
Амплитудо-частотная
характеристика К(ω) -
частотная зависимость отношения амплитуды реакции системы к амплитуде
воздействия.
Фазо-частотная
характеристика - частотная
зависимость разности фазы отклика системы и фазы воздействия.
.3.6
Спектральные характеристики
Комплексная
спектральная плотность импульсного сигнала
В∙с - функция, характеризующая распределение
мощности импульсного сигнала по частотам.
Комплексная
спектральная амплитуда (дискретный спектр) входного периодического сигнала
, В - s-ый коэффициент разложения входного периодического
сигнала
в ряд Фурье.
Комплексная
спектральная амплитуда (дискретный спектр) выходного периодического сигнала
, В - s-ый коэффициент разложения выходного периодического
сигнала
в ряд Фурье.
2.4
Исходные данные
Характеристики диэлектрика и металла:
Диэлектрик: Плексиглас;
Относительная
диэлектрическая проницаемость:
=3,4;
Тангенс
угла потерь на частоте 1 ГГц: 
;
Проводник:
Медь;
Удельная
объемная проводимость: 
;
Глубина
проникновения тока на частоте 1 ГГц: 2,07мкм;
Геометрические
параметры полосковой линии:

;

;

;
Сопротивление
на резисторе: 
Ёмкость
конденсатора: 
;
Характеристики
входного сигнала:
Частота
следования периодического сигнала: f=1 МГц;
Амплитуда
импульсов: Еm=1 В;
Скважность
периодического сигнала: q=6;
Рис.2: Схема внутреннего сопротивления источника сигналов
1. Расчет
передаточных характеристик формирователя входных импульсов
С целью обеспечения режима идеального источника ЭДС выход источника
сигнала подключаем к операционному усилителю, работающему в режиме повторителя.
В этом режиме расчетная схема будет иметь вид:
Рис. 3: Схема с подключенным операционным усилителем
Входное сопротивление операционного усилителя близко к бесконечности, а
выходное сопротивление близко к нулю, будем считать, что источник с
операционным усилителем обеспечивает режим идеального источника ЭДС U3 = −U2, Rвых ≈ 0.
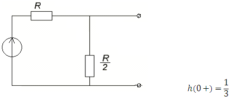
3.1 Расчет передаточных характеристик
Расчетная схема имеет вид:
Рис. 4а: Эквивалентная схема для расчета
или:

где

и 
Проведем
расчет передаточной характеристики, учитывая, что коэффициент усиления
операционного усилителя достаточно высокий, можно считать, что сигнал на выходе
операционного усилителя близок к нулю.
Коэффициент
передачи источника сигналов рассчитывается по формуле:

Аплитудно-частотная
характеристика:
Фазо-частотная
характеристика.
Рис.
5а: общий вид амплитудно-частотной характеристики
Рис.
5б: амплитудно-частотная характеристика в диапазоне 
Рис.
6а: общий вид фазо-частотной характеристики
Рис.
6б: фазо-частотная характеристика в диапазоне 
.2
Расчет переходной характеристики
Переходная
характеристика определяется как реакция на единичное воздействие при нулевых
начальных условиях.
Рис.7:
Схема для расчета переходной характеристики
Рис.8:
Схема для нахождения входного сопротивления
Переходная
характеристика:
Длительность
импульса:

с
Составим
характеристическое уравнение и найдем его корни:
Рассмотрим
момент времени 
Рис.
9: Момент времени 
hвын=0.5
Рассмотрим
момент времени 
Рис.
10: Момент времени 
отсюда

переходная
характеристика 
Рис.
11: График переходной характеристики
3.3
Расчет реакции схемы устройства на единичный импульс
Рис.
12: Характер воздействия
Найдем
U(t) с помощью интегралов Дюамеля:
) 
2) 
=
Рис. 13: График реакции системы на единичное воздействие
3.4 Расчет реакции схемы на последовательность импульсов
Рис. 14: Характер воздействия
При подключении электрической цепи к источнику периодического воздействия
импульсного характера по истечении определенного промежутка времени
(определяемого постоянной затухания электрической цепи) в ней возникает так
называемый квазиустановившийся режим. При этом закономерности измерения реакции
в течение периода колебаний воздействия повторяются в каждой последующем
периоде.
Для расчета реакций в этом режиме наиболее предпочтительным является
метод припасовывания. Этот метод базируется на классическом методе расчета
переходных процессов с определением реакции в виде суммы установившейся и
свободной составляющей. Поэтому его применяют, когда воздействие можно
представить в виде суммы постоянных или синусоидальных импульсов.
Используя этот метод, составим систему уравнений для каждого интервала
непрерывного изменения воздействующего импульса по методике расчета
электрических цепей классическим методом.
Длительность импульса при заданной скважности q=6 будет равна T/6

в
интервале 

в
интервале 
Cоставим
систему:

Из
которой определяем коэффициенты:
Решение
имеет вид: 
для 

Рис.
15: Реакция схемы на последовательность импульсов
4.
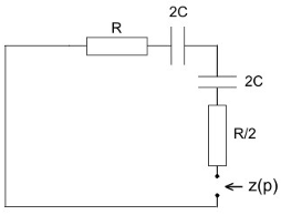
Анализ и разработка выходных сигналов корректирующего устройства
4.1
Разработка корректирующего устройства
Устройство
передачи сигнала с корректируемой амплитудно-частотной и фазо-частотной
характеристиками.
Рис.
16: Общая схема устройства, не вносящего искажений в передаваемый сигнал, где 1
- источник импульсних сигналов (корректируемое устройство), 2 - корректор, 3 -
полосковая линия, 4 - нагрузка.
Рис.
17: Схема с корректирующим устройством.
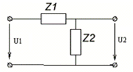
Пусть
устройство характеризуется передаточной характеристикой вида: K1(j
Z2/(Z1+Z2). При
этом необходимо обеспечить неискаженную передачу импульсных сигналов. Такой
режим можно обеспечить, если последовательно с устройством включить активный
корректирующий двухполюсник с условно бесконечно большим входным сопротивлением
и малым выходным.
Определим
частотные характеристики для схемы с корректирующим устройством.
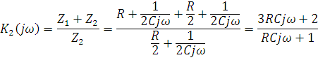
Комплексный коэффициент передачи по напряжению для корректора:
Амплитудно-частотная характеристика:
Фазо-частотная характеристика.
Рис. 18: Общий вид амплитудно-частотной характеристики
Рис. 19а: Общий вид фазо-частотной характеристики
Рис.
19б: Фазо-частотная характеристика в диапазоне 
5. Полосковая линия передачи как длинная линия
Элементарный участок линии длиной dl представляет собой четырехполюсник, схематически
изображенный на рисунке:
Рис. 20: Эквивалентная схема элементарного участка длинной
линии.
.1 Первичные параметры полосковой линии
Первичными параметрами длинной линии являются погонная емкость, погонная
индуктивность, погонное сопротивление и погонная проводимость.
Рассчитаем скорость света в вакууме:
Скорость света в среде:
Найдем погонную емкость и погонную индуктивность по заданным
геометрическим параметрам линии:
Погонные параметры омических потерь зависят от удельной объемной
проводимости полоскового проводника и тангенса угла потерь диэлектрика.
Поскольку данные параметры являются функциями частоты, то построим
графические зависимости.
Погонное сопротивление:
Погонная проводимость:
Найдем длительность импульса по заданным частоте следования импульсов и
его скважности:



Рис.
21а: График частотной зависимости погонного сопротивления в области низких
частот.
Рис.
21б: График частотной зависимости погонного сопротивления в области высоких
частот.
Рис.
22а: График частотной зависимости погонной проводимости в области низких
частот.
Рис.
22б: График частотной зависимости погонной проводимости в области высоких
частот.
5.2 Расчет вторичных параметров полосковой линии
Ко вторичным параметрам относят: коэффициент распространения, коэффициент
ослабления, коэффициент фазы и волновое сопротивление.
Коэффициент распространения является комплексной величиной:
Коэффициент ослабления и фазы соответственно найдем по формулам:
Коэффициент ослабления:
Коэффициент
фазы:
В
области низких частот:
В области высоких частот:
Рис. 23а: График коэффициента ослабления в области низких
частот
Рис. 23б: График коэффициента ослабления в области высоких
частот
Рис. 24: График коэффициента фазы в области высоких частот
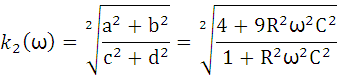
Зависимость комплексного волнового сопротивления от частоты определяется
формулой:
Модуль
и фазу волнового сопротивления как функции частоты вычисляют приближенно.
Модуль
волнового сопротивления:
Фазу волнового сопротивления вычисляем следующим образом:
Рис. 25: Частотная зависимость модуля волнового сопротивления
|ZB(w)|
Рис. 26: Частотная зависимость фазы волнового сопротивления
от частоты
6. Расчет спектральных характеристик
6.1 Импульсный одиночный сигнал
Сигнал называется импульсным, если он отличен от нуля на конечном
интервале времени. На вход линии подается простейший импульсный сигнал −
одиночный прямоугольный импульс:
Рис. 27: Импульсный сигнал
Аналитически сигнал описывается следующим образом:
Где
1(t) − единичная функция Хевисайда: 
С
учетом данных из условия:
Спектральная
плотность − это отношение рассматриваемой величины, взятой в малом
интервале, содержащем данную частоту, к ширине этого интервала.
С
помощью спектрального представления сигнала мы можем представить сигнал не как
функцию времени, а как функцию частоты.
Спектральная плотность сигнала вычисляется по формуле:
Спектральную плотность сигнала считают заданной в аналитическом виде,
поскольку данный интеграл может быть вычислен.
Учитывая,
что
:
Рис. 28: График спектральной плотности сигнала
Применяя обратное преобразование Фурье, представим входной сигнал в виде:
Данное выражение можно упростить: подынтегральная функция симметричная и
четная, следовательно, разложение будет содержать только косинусы. Кроме того,
можно заменить бесконечный предел конечным для упрощения вычислений:
В этой формуле учтена четность спектральной плотности сигнала и
бесконечный верхний предел интегрирования заменен конечной величиной.
Спектральное представление импульсного входного сигнала в виде конечной
суммы гармоник.
Сигнал восстановленный по его спектральной плотности, отличается по форме
от прямоугольного. Причиной этого является замена в интеграле бесконечного
предела интегрирования на конечный, что приводит к погрешности.
Рис. 29: Спектральное представление импульсного входного
сигнала в виде конечной суммы гармоник
6.2 Спектральные характеристики последовательности импульсов
Другим типом входного сигнала является периодическая последовательность
одиночных прямоугольных импульсов.
Рис.30. Периодический импульсный сигнал
Периодический сигнал может быть представлен как:
Его
спектральное представление (дискретный комплексный спектр) есть
последовательность спектральных компонент {As}s=0,±1,±2……. Они являются
коэффициентами ряда Фурье для периодического сигнала
,
Спектральные компоненты данного ряда вычисляются по известным формулам:
Так
как сигнал представлен четной функцией времени, то спектральные компоненты
вещественны.
Спектральные
компоненты {As}s=0,±1,±2…… могут
быть вычислены при известной спектральной плотности. Проведем расчет для первых
15 гармоник.
q
= 6

=

Гц

= 
с
Рис.31. Входной периодический сигнал
7. Описание выходного сигнала
.1 Реакция на импульсный входной сигнал
Выходной сигнал любого четырехполюсника определяется как непрерывная
суперпозиция гармоник с помощью прямого преобразования Фурье.
Амплитуда гармоник определяются спектральной плотностью выходного
сигнала. Эта плотность естественным образом представляет собой спектральную
плотность входного сигнала, умноженную на передаточный коэффициент
четырехполюсника.
Наибольший интерес представляет не реальный выходной сигнал, а его
отклонение от идеального (ожидаемого) выходного сигнала, т.е. от сигнала e0(t).
Это отклонение позволяет оценить качество передачи через длинную линию.
Значение отклонения определяют по формуле:
, где
,
В
данных формулах учтено, что в реальной линии
Это
условие называется отсутствием фазовой дисперсии (фазовая скорость не зависит
от частоты).
Выходной
сигнал имеет спектральное представление вида:

В
В
результате получим следующую форму выходного импульсного сигнала.
Выходной сигнал совпадает по форме с входным сигналом.
Рис.32. Выходной импульсный сигнал после преобразования
Фурье.
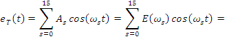
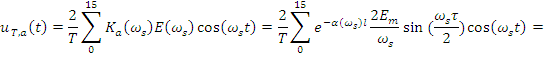
.2 Реакция на периодический входной сигнал
Если входной сигнал периодический, то периодическим (с тем же периодом)
будет и выходной сигнал, причем период входного сигнала равен периоду выходного
сигнала. Следовательно, выходной сигнал можно представить в виде суммы гармоник
кратных частот (в виде ряда Фурье):
Каждая гармоника входного сигнала распространяется через длинную линию
независимо от других гармоник, и ее амплитуда умножается на коэффициент
передачи линии на частоте данной гармоники:
Зная
выражения для 
и 
(при
отсутствии фазовой дисперсии), получим:

, где
В
силу четности слагаемых относительно S данное выражение можно записать
в виде:
Проведем расчет для 15 гармоник. Аналитическое выражение для
периодического выходного сигнала примет вид:

Получим:
Выходной периодический сигнал представлен на рис.33:
Рис. 33: Выходной периодический сигнал
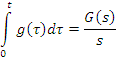
8. Оценка качества передачи линии с помощью преобразования
Лапласа
Для более точного выяснения формы выходного сигнала целесообразно
провести аналитический расчет во временной области с применением преобразования
Лапласа.
Входной
сигнал был представлен в виде
,
следовательно, его изображение:
.
Передаточная
функция длинной линии равна:
, где
В
области малых и высоких частот β(
) практически линейно зависит от частоты, т.е. величина βотн(
) практически не зависит от частоты в соответствующих
областях. Учитывая первые два члена разложения, получим:
Данная передаточная функция является передаточной функцией по Фурье.
Перейдем к передаточной функции по Лапласу:
Найдем изображение выходного сигнала:
Восстановим выходной сигнал по его изображению (используя таблицу
соответствий оригиналов и изображений), и применяя теорему запаздывания. Тогда
оригинал будет иметь вид:
Учитывая три члена разложения экспоненты в ряд, получим:
Изображения выходного сигнала:
Далее
получаем: 
Данное
выражение получено в результате следующих соображений:

, где 
По
теореме об интегрировании оригинала имеем:
В
силу единственности изображения получаем:
α(ω) рассчитаем для частоты передаваемого сигнала: α(ω)= α(2πf)
Рис.34:
Форма выходного импульсного сигнала (преобразование Лапласа)
Рис.34:
Форма выходного импульсного сигнала (преобразование Лапласа)
Отклонение
выходного сигнала от идеального входного:
Рис.35:
Отклонение выходного сигнала от входного по Лапласу
Из
преобразования Лапласа видно, что в выходном сигнале присутствуют искажения
формы фронта и спада прямоугольного импульса.
Выводы
1. Для неискаженной передачи сигналов через четырехполюсник необходимо,
чтобы модуль коэффициента передачи был постоянным во всем диапазоне частот, а
фазо-частотная характеристика была близка к линейной. В реальности это возможно
только в некотором диапазоне частот.
В данной работе был рассчитан коэффициент передачи заданного источника сигналов
и построены его АЧХ и ФЧХ (рис. 5а,5б,6а,6б), по полученным данным можно
сделать вывод о значительном отклонении полученных характеристик от идеальных
во всем диапазоне частот. Результаты оценки диапазона частот, в пределах
которого отклонение значений модуля передаточной характеристики от номинального
значения частоты не превышают 10%.
Результаты
расчета реакции схемы устройства на прямоугольный импульс длительностью
и оценка искажения фронта и вершины выходного импульса
(рис.13) также подтверждается ранее сделанный вывод.
Данный
результат закономерен, так как практически любая цепь содержит реактивные
элементы, и его параметры зависят от частоты, соответственно прохождение
электрических сигналов сопровождается искажением их формы.
.
Для неискаженной передачи сигналов используется схема с корректирующим
устройством (рис.17). Произведя расчет и построение АЧХ и ФЧХ (рис. 18,
19а,19б) подтверждается выполнение упомянутых выше условий неискаженной
передачи сигналов, т.е. при перемножении графиков АЧХ и ФЧХ для схемы после
коррекции имеем линейные зависимости.
3. После расчета первичных параметров полосовой линии, анализ данных
позволяет нам сделать вывод, что заданная полосовая линия отлична от идеальной
и является линией с потерями, поскольку погонные сопротивление (рис. 21а, 21б)
и проводимость (рис. 22а, 22б) во всем диапазоне частот отличны от нуля.
. Из графика зависимости коэффициента ослабления от частоты видно, что в
области низких частот (порядка 107 Гц) (рис.23б) коэффициент
затухания очень мал - имеет величину порядка 10-2 Нп/м. В области
высоких частот (порядка 1010 Гц) (рис.23а) коэффициент затухания
имеет величину около 0,014 Нп/м.
. Из графиков зависимости вторичных параметров видно, что в области
высоких частот фазовая скорость (рис.24) линейно зависит от частоты,
соответственно фазовые искажения отсутствуют.
6.
Кроме того в области высоких частот (начиная с 107 и выше) значение
волнового сопротивления (из рис.25 приблизительно равно 52,5Ом) приблизительно
равно значению сопротивления линии без искажений 
. Таким
образом, подключив нагрузку с сопротивлением 52,5Ом, можно добиться отсутствия
искажений в вышеуказанной области частот, но на низких частотах (менее 107)
волновое сопротивление значительно зависит от частоты, и искажение сигнала
также будет значительным.
7. При спектральном представлении сигнала с помощью преобразования Фурье
(рис. 28,29,31) сигналы, восстановленные по спектральной плотности, отличаются
по форме от изначальной прямоугольной формы. Причиной этого является замена в
интеграле бесконечного предела интегрирования на конечный, что приводит к
погрешности.
8. Для более точного выяснения формы выходного сигнала в данной работе
проведен аналитический расчет во временной области с применением преобразования
Лапласа. Анализ формы выходного сигнала (рис.34,35) показывает наличие
некоторых искажений формы фронта и спада одиночного импульса, это происходит
вследствие учета только первых трех членов разложения экспоненты в ряд.
Заключение
В данной курсовой работе рассмотрена передача импульсного сигнала через
полосковую линию.
Полосковые
линии - линии передачи, содержащие проводники в виде одной или несколько
полосок, расположенных в воздухе, либо нанесённых на диэлектрик
<http://femto.com.ua/articles/part_1/1096.html>, названный подложкой.
Иногда в качестве подложки применяют феррит или полупроводник
<http://femto.com.ua/articles/part_2/2974.html>. Воздушные полосковые
линии чаще используют в диапазоне частот 1-100 МГц, а полосковые линии,
нанесённые на диэлектрик,- до 100 ГГц. Наиболее распространены полосковые
линии, у которых одна поверхность подложки полностью металлизирована
(микрополосковые линии). Они обеспечивают простое соединение активных элементов
интегральных схем <http://www.femto.com.ua/articles/part_1/1371.html>
(ИС) с подложкой через металлизированные отверстия в ней; применяются вплоть до
миллиметрового диапазона волн.
Полосковые
линии отличаются малыми габаритами и простотой изготовления; допускают
применение планарной технологии (напыление, фотолитография и т. п.), поэтому
удобны для создания ИС как в качестве линии передачи электромагнитной энергии,
так и в качестве элементов СВЧ-устройств.
В
данной работе исследуется прохождение через полосковую линию наносекундных
импульсов без высокочастотного заполнения. Такая передача имеет место в
компьютерной технике.
Также
оценивались искажения, вносимые линией. Если бы полосковая линия не имела
потерь, то любой сигнал распространялся бы через нее без искажений, не изменяя
своей формы. При несогласованной нагрузке на выходе и входе линии возникают
неоднократные отражения (возможно, сопровождаемые потерями при каждом
отражении). В реальной линии существуют потери, зависящие от частоты, поэтому
даже в случае согласованной нагрузки форма выходного сигнала отличается от
формы входного.
Полосковая
линия рассматривалась как однородная длинная линия. Длинная линия - это линия
передачи, длина которой соизмерима с длиной волны распространяющихся в ней
электромагнитных колебаний, а расстояние между ее проводниками значительно
меньше четверти длины волны.
Предполагалось,
что к входу линии подсоединен идеальный источник напряжения, задающий сигнал
заданной формы. Расчет и анализ передаточных характеристик формирователя
входных импульсов показал значительные искажения фронта и вершины выходного
импульса. Для неискаженной передачи сигналов использована схема с
корректирующим устройством, содержащего операционный усилитель, охваченного
обратной связью. При расчетах не были учтены отражения на концах линии,
вносящие дополнительные искажения при передаче сигнала, так как предполагалось,
что на выходе линии подключена согласованная нагрузка, а к входу линии
подсоединен источник напряжения, сопротивление которого согласовано с волновым
сопротивление линии.
Список литературы
импульс частотный спектральный сигнал
1) Судаков В.Ф, Николаев С.С. Анализ и расчет
электротехнических устройств с использованием линий с распределенными
параметрами. Учебн. пособие/ под ред. Масленниковой. М. Изд-во. МГТУ им.
Баумана, 2007
2) Бессонов. Теоретические основы электротехники.
Электрические цепи. М., «Высш. школа», 1996
) Николаев С.С. Методические указания к курсовой
работе по электротехнике для студентов специальности ИУ 3
) Николаев С.С., Куликов И.Л. Анализ и расчет
переходных процессов в электрических цепях при произвольных и импульсных
периодических воздействиях. М. Изд-во МГТУ им. Н.Э.Баумана, 2002
Использовалось программное обеспечение
1) Mathcad
2) Advanced Grapher