Приемник радиолокационной станции обнаружения
Министерство
образования Российской Федерации
Рязанская
государственная радиотехническая академия
Кафедра РТУ
Курсовая
работа по курсу
Устройства
приема и обработки сигналов
на тему:
"Приемник
радиолокационной станции обнаружения"
Выполнила:
студентка группы 111
Шефлер А.М.
Проверила:
преподаватель
Янчук Е. В.
Рязань 2007
Содержание
Введение
. Предварительный расчет полосы пропускания
. Предварительный выбор типа первых каскадов для обеспечения
заданной чувствительности
. Выбор избирательных систем преселектора
. Выбор промежуточной частоты
. Общий коэффициент усиления
. Коэффициент усиления преселектора
. Расчет входной цепи
. Усилитель Радиочастоты
. Гетеродин
. Выбор фильтра сосредоточенной селекции
. Расчет усилителя промежуточной частоты
. Расчет детектора радиоимпульсов
Введение
В данном курсовом проекте ставится задача разработки приемника
радиолокационной станции обнаружения АИМ сигнала с частотой заполнения 660 МГц,
с длительностью импульсов 2 мкс, и частотой повторения 1,2 кГц.
РЛС служат для обнаружения целей. Процесс обнаружения сводится к
излучению радиоимпульсов с определенной амплитудой и частотой, и последующему
приему сигнала, отраженного от цели.
В качестве активной базы в данном диапазоне частот целесообразно
использовать современные сверхвысокочастотные (СВЧ) полупроводниковые приборы
(диоды и транзисторы), которые обладают рядом преимуществ: малые габаритные
размеры и масса; низкие напряжения и токи питания; большой срок службы и
механическая прочность и другие.
Приемники импульсных РЛС имеют ряд особенностей, которые отражаются в
структурной схеме приемника.
В импульсных РЛС для излучения мощных импульсов передатчика и приема
слабых отраженных от цели сигналов используется одна и та же антенна [6, стр.
22]. Для осуществления такого режима работы используется антенный переключатель
(АП) с устройством защиты приемника (УЗП). На время излучения импульса
передатчика АП подключает антенну к фидерному тракту передатчика и запирает
вход приемника, при этом мощный СВЧ импульс передатчика поступает в антенну без
ослабления, а затухание между антенным трактом и входом приемника становится
очень большим. После окончания импульса передатчика АП переключает антенну на
прием и обеспечивает прохождение принятого антенной слабого сигнала без
ослабления на вход приемника. УЗП необходимо для защиты приемника от части
мощного импульса передатчика, которая может просочиться через АП.
Приемники РЛС предназначены для приема слабых отраженных сигналов. Чем
более слабый по мощности сигнал может быть принят приемником, тем выше
чувствительность приемника, которая является его важнейшей характеристикой. Как
известно [6], чувствительность приемника зависит от уровня шумов на его выходе.
Источниками шумов являются шумы антенно-фидерного тракта и шумы самого
приемника. Как правило, последние вносят основной вклад в выходные шумы
приемника. Наибольший вклад в собственные шумы приемника вносят первые каскады
[6, стр. 17]. Поэтому для уменьшения общего коэффициента шума входной СВЧ
усилитель приемника стремятся сделать малошумящим (МШУ). Малый коэффициент шума
может быть достигнут подбором соответствующих активных элементов [7]. Пассивные
СВЧ элементы с потерями (антенно-фидерный тракт, АП, УЗП) могут ухудшить
шумовые характеристики приемника [6]. Поэтому, необходимо стараться уменьшить
число пассивных устройств на входе приемника и стремиться уменьшить их потери.
Для получения максимальной чувствительности приемника его полоса
пропускания выбирается возможно меньшей. Следовательно, несущая частота сигнала
в приемнике должна хорошо совпадать со средней частотой полосы пропускания
приемника. Выполнение этого условия обеспечивается применением системы
автоподстройки частоты (АПЧ) гетеродина под частоту передатчика. При этом в
качестве опорного сигнала АПЧ используется часть мощности передатчика.
На вход приемников РЛС кроме отраженных сигналов приходят различного типа
помехи. Значительное повышение различимости целей на фоне помех достигается
путем использования временной автоматической регулировки усиления (ВАРУ) [8].
При использовании АРУ данного типа изменение величины управляющего сигнала по
времени соответствует закону уменьшения амплитуд помех и сигналов от дальности.
При этом в ближней зоне действия РЛС, где интенсивность помех и сигналов
максимальна, действие ВАРУ значительно уменьшает их усиление в приемнике. Затем
его чувствительность постепенно повышается до максимальной. Применение ВАРУ
позволяет также значительно уменьшить динамический диапазон сигналов на выходе
приемника, что необходимо при подаче сигналов на устройство наблюдения
(например, электронно-лучевую трубку).
С учетом вышеизложенных особенностей структурную схему супергетеродинного
приемника РЛС обнаружения можно представить следующим образом (рис. 1).
Сокращения, принятые на схеме:
АП УЗП - антенный переключатель и устройство защиты приемника;
МШУ - малошумящий усилитель;
См. - смеситель, в котором происходит перенос спектра сигнала с частоты fc' на частоту fпч';
УПЧ - усилитель промежуточной частоты, обеспечивает основное усиление
приемника;
Д - детектор радиоимпульса, выделяет огибающую импульсов;
Пер. - передатчик;
ДМ - делитель мощности, выделяет опорный сигнал для работы АПЧ;
См. АПЧ - смеситель АПЧ;
Г - гетеродин;
Ус. АПЧ - усилитель АПЧ;
ЧД - частотный дискриминатор, выделяет напряжение, управляющее частотой
гетеродина;
преселектор селекция детектор радиоимпульс
1.
Предварительный расчет полосы пропускания
Полосу пропускания высокочастотного тракта супергетеродинного приемника
без системы АПЧ можно определить [9, стр. 39] по формуле
,
где
- ширина спектра принимаемого сигнала, составляющие
которого, с
учётом
допустимых искажений, не должны выходить за пределы полосы пропускания
приёмника; для приемника РЛС обнаружения, исходя из требований максимальной
чувствительности полосу пропускания приемника выбирают оптимальной с точки
зрения отношения сигнала к шуму. При этом с достаточной для практики точностью
при любых формах радиоимпульса и резонансной характеристики радиоприемника
можно полагать [9, стр. 129]
,
где
t - длительность принимаемого радиоимпульса. Согласно
техническому заданию
, тогда
;
-
изменение несущей частоты сигнала за счёт доплеровского эффекта. Так как данный
приемник - приемник наземной РЛС, можно считать
;
- величина, на которую необходимо расширять полосу
пропускания для учёта нестабильности частот передатчика и гетеродина приемника.
Она равна
,
где
- относительная нестабильность несущей частоты
сигнала
;
-
относительная нестабильность частоты гетеродина приемника
. Согласно таблице 2.1 [9, стр. 41] будем считать, что
.
-
диапазон изменения температуры окружающей среды. Для приемника, находящегося в
полевых условиях, будем считать изменение температуры от
до
. Тогда
. Частоты сигнала
и
гетеродина
для расчета нестабильности примем одинаковыми:
.
Тогда
,
а
полоса приемника
.
Подсчитаем коэффициент расширения полосы пропускания:
Как
известно [6], от полосы пропускания зависят шумы приемника и минимально
допустимый коэффициент шума. Для его увеличения, а следовательно, для
достижения заданной чувствительности применим систему АПЧ с коэффициентом
автоподстройки
. Тогда полоса пропускания приемника определится из
соотношения

,
где
- эффективная полоса пропускания низкочастотного
тракта приемника,
- эффективная полоса пропускания высокочастотного
тракта. Выразим отношение сигнал/шум на выходе в разах по мощности:
. Тогда
.
В
дециметровом диапазоне чувствительность удобно задавать в единицах мощности, а
приемную антенну характеризовать эффективной шумовой температурой
. Поэтому в данном случае при обеспечении согласования
на выходе антенны и входе приемника для допустимого коэффициента шума приемника
будет справедливо следующее соотношение:
,
где
- коэффициент передачи мощности фидера, соединяющего
антенну со входом приемника;
-
чувствительность приемника;
-
постоянная Больцмана;
- стандартная температура приемника.
Чем
больше
, тем лучшую чувствительность можно обеспечить. Потери
в фидерах прямо пропорциональны его длине, значит необходимо сокращать длину
волновода. Потери в фидерах принято оценивать величиной затухания в децибелах
на единицу длины. Выберем коаксиальный кабель РК-103 с затуханием на частоте
660 МГц 0,136 дБ/м и характеристическим сопротивлением 50 Ом. Длину кабеля
примем равной 2м, тогда общее затухание в кабеле
.
С учетом затуханий в соединениях кабеля с антенной и кабеля со входом приемника
(по 0,01 дБ) получим:
. Коэффициент передачи кабеля определяется выражением
Шумовую температуру антенны РЛС, находящейся в полевых условиях, примем
равной 300° К, тогда
Таким образом, приемник должен обладать коэффициентом шума меньше
полученного.
. Выбор избирательных систем
преселектора
Полоса пропускания преселектора определяется избирательными системами
входной цепи и каскадов усилителя высокой частоты. Минимальную полосу
пропускания преселектора можно вычислить по формуле [9, стр. 55]
,
где
- минимально осуществимое эквивалентное затухание
контуров преселектора; эквивалентное затухание контуров преселектора в первом
приближении можно вычислить по формуле
, где
- собственное затухание контуров. По таблице 2.4 [9,
стр.55-56] :
,
, тогда
;
-
функция, определяющаяся схемой и количеством избирательных систем преселектора,
согласно таблице 2.7 [9, стр. 61]
, тогда
Как видно, полоса пропускания преселектора гораздо шире необходимой
полосы пропускания приемника, которая равна 549,9 кГц.
4. Выбор
промежуточной частоты
Промежуточная частота должна удовлетворять следующим условиям:
- быть вне диапазона рабочих частот;
- обеспечивать заданное ослабление зеркального канала;
- обеспечивать необходимую полосу приемника;
- быть по возможности меньшей, чтобы обеспечивать необходимое
усиление приемника при наиболее простых и дешевых электронных приборах и
избирательных системах;
- в приемниках
импульсных сигналов удовлетворять неравенству
и
хорошей фильтрации высокочастотного напряжения в детекторе.
Выберем промежуточную частоту согласно вышеизложенным условиям и
методике, изложенной в [9].
Для приемников импульсных сигналов
.
С целью обеспечения необходимой фильтрации напряжения промежуточной
частоты на входе видеоусилителя желательно выполнить условие
.
Так
как полоса пропускания преселектора гораздо шире необходимой полосы пропускания
приемника, то можно считать, что полоса пропускания приемника полностью
определяется полосой пропускания тракта промежуточной частоты. Тип
избирательных систем и число необходимых каскадов в тракте промежуточной
частоты для обеспечения заданной избирательности по соседнему каналу и
необходимой полосы пропускания наиболее удобно выбирать по величине требуемого
коэффициента прямоугольности резонансной кривой приемника
. Расстройка по соседнему каналу
, требуемое подавление 50 дБ или
. Необходимый коэффициент прямоугольности можно
вычислить по формуле
Согласно
таблице 2.7 [9], в УПЧ необходимо использовать фильтр сосредоточенной селекции
(ФСС).
Для
обеспечения заданной полосы пропускания промежуточная частота приемника должна
удовлетворять неравенству
,
где
- минимально осуществимое эквивалентное затухание
ФСС,
- функция числа каскадов и схемы избирательных
систем. Отсюда
Для
обеспечения заданного ослабления по зеркальному каналу одноконтурной входной
цепью и УВЧ с
каскадами и эквивалентным затуханием
промежуточная частота должна удовлетворять условию
,
где
, а
.
- затухание по зеркальному каналу. Тогда
,
,
.
Так
как
, то в качестве промежуточной частоты приемника можно
принять любое значение от
до
. Из
стандартного ряда промежуточных частот выбираем
.
5.
Общий коэффициент
усиления
На вход приемника поступают слабые сигналы, отраженные от целей. Для
обеспечения нормального режима работы наиболее часто используемых детекторов
импульсных сигналов на вход необходимо подводить сигнал с амплитудой несущей
более 1 в [9]. Таким образом можно считать, что требуемая амплитуда напряжения на
выходе высокочастотного тракта определяется необходимой амплитудой входного
напряжения детектора. Коэффициент усиления высокочастотного тракта приемника
равен
,
где
- амплитуда напряжения на выходе высокочастотного
тракта;
- чувствительность приемника;
- сопротивление антенны. Тогда
,
или
в децибелах
6.
Коэффициент усиления
преселектора
Часть усиления обеспечивается усилителем радиочастоты (УРЧ), часть -
усилителем промежуточной частоты. Преселектор, в состав которого входит УРЧ
должен, на своем выходе обеспечивать напряжение, достаточное для работы
смесителя. По сигнальной частоте в смесителе должен обеспечиваться линейный
режим, поэтому напряжение на выходе преселектора не должно превышать 150 мкВ.
Тогда
,
или
в децибелах
Наряду
с усиливающими каскадами в приемнике присутствуют пассивные каскады, вносящие
затухание. В данном приемнике это - АП и УЗП, входная цепь преселектора, ФСС
УПЧ. Преобразователь частоты (ПЧ) в зависимости от схемы, может как усиливать,
так и вносить затухание. Таким образом коэффициенты усиления собственно УРЧ и
УПЧ должны рассчитываться с учетом затуханий пассивных каскадов.
7.
Расчет входной цепи
Входная цепь приемника дециметровых волн связывает вход антенно-фидерного
устройства со входом первого каскада приемника и должна выполнять функцию
частотного селектора принимаемых сигналов для уменьшения уровня помех на
нерабочих частотах. Частотную селекцию сигналов во входной цепи осуществляют с
помощью СВЧ фильтра [11]. Основная задача избирательной цепи преселектора -
обеспечить требуемое затухание по дополнительным каналам приема: зеркальному и
прямого прохождения. Фильтры СВЧ на полосковых линиях строят как на коротких,
так и на резонансных отрезках линий.
Входная
цепь данного приемника должна представлять собой полосно-пропускающий фильтр
(ППФ). Полоса пропускания фильтра должна быть равна полосе приемника
, полоса заграждения, на границах которой
обеспечивается требуемое затухание. Полоса заграждения определяется ближайшим к
сигналу дополнительным каналом приема. Таким каналом является зеркальный канал.
Его частота
. Полоса заграждения
.
Согласно техническому заданиию избирательность по зеркальному каналу, а значит
затухание на границе полосы прохождения
. Для
аппроксимации частотной характеристики ППФ воспользуемся чебышевской
характеристикой, которая обеспечивает довольно хороший коэффициент
прямоугольности частотной характеристики. Зададимся максимальными потерями в
пределах полосы пропускания
. Для
расчета параметров фильтра воспользуемся методикой, изложенной в [2].
Выберем
параметры полоскового волновода следующим образом: высота подложки волновода
; отношение толщины проводника к высоте подложки
; относительная диэлектрическая проницаемость
; угол диэлектрических потерь
.
1) Определим необходимое число резонаторов:
.
2) Находим
значения элементов
(таблица 3.4, [2]) для относительной полосы прототипа
:
;
.
3) Определяем величину переходных затуханий (дБ) связанных звеньев:
;
;
По
данным электрического расчета определяем конструктивные размеры элементов
фильтра, используя таблицу 3.5, графики рис. 3.6, 3.10 и формулы (3.12), (3.13)
[2]: для нахождении ширины проводника
и зазора
между соседними проводниками
воспользуемся
таблицей 3.5; характеристическое сопротивление отрезка из рис. 3.6;
диэлектрическую проницаемость из рис. 3.10; концевую емкость по формуле
; длину резонатора по формуле
. Результаты приведены в таблице 1.
|
Сi
|
 Сi
|
|
|
|
|
|
0,9151 68,560
|
|
|
|
|
|
|
2,563 0,410,44
|
|
|
|
|
|
|
1,832 5,9495,163
|
|
|
|
|
|
|
5,126 54,5655
; .
Как
видно из таблицы 1, полученные отрезки полосковых линий при относительно малой
ширине достаточно длинные. Поэтому при конструктивном исполнении этого фильтра
целесообразно их изогнуть. Согласно рекомендациям, изложенным в [11, стр. 152],
выбираем уголковый срез с глубиной среза . Тогда ; .
Геометрия токонесущего проводника показана на рис. 4.
При
чебышевской аппроксимации АЧХ фильтра получим:
.
Согласно
данной зависимости затухание на частоте зеркального канала (720 МГц)
составляет: , что удовлетворяет требованиям технического задания.
8.
Усилитель Радиочастоты
Функциями УРЧ являются [9]:
усиление полезного сигнала;
снижение коэффициента шума приемника, что обеспечивает повышение реальной
чувствительности приемника;
обеспечение линейности усиления и ослабления нелинейных явлений в
приемнике, возникающих в условиях одновременного приема сигнала и сигнальных
помех.
В качестве УРЧ и смесителя выберем микросхему К174ПС4. Эта микросхема
представляет собой двойной балансный смеситель. Эта микросхема предназначена
для использования в качестве смесителя частоты в диапазоне частот до 1000 МГц,
модулятора, усилителя в блоках селекторов каналов телевизоров дециметрового
диапазона. Содержит 17 интегральных элементов.
Микросхема К174ПС4:
Электрические параметры:
Номинальное напряжение питания В+10%;
Ток потребления при напряжении 6.6 В мА;
Коэффициент шума на частоте 1000 МГцдБ;
Предельно допустимые режимы эксплуатации:
Напряжение питания.4…6.6 В;
в предельном режиме…9 В;
Максимальное напряжение сигнала
на выходах 7, 8, 11, 13 мВ;
Максимальная частота входного сигнала0 МГц;
Максимальная частота опорного сигнала0 МГц;
Максимальное сопротивление нагрузки >=
50 Ом;
в предельном режиме Ом.
9.
Гетеродин
Гетеродин приемника формирует вспомогательное гармоническое напряжение,
необходимое для преобразователя частоты. Основными требованиями, предъявляемыми
к гетеродину, являются [11, стр. 349]:
обеспечение необходимого значения рабочей частоты;
стабильность частоты генерируемых колебаний;
обеспечение необходимой амплитуды выходного напряжения и ее
постоянство;
минимальный уровень гармоник выходного напряжения.
Широко распространены схемы гетеродинов с кварцевой стабилизацией
частоты. Их достоинством является возможность получения стабильных колебаний
при относительной простоте.
В дециметровом диапазоне в качестве гетеродина используют автогенераторы
с кварцевой стабилизацией частоты с последующим умножением частоты. В последнее
время для умножения частоты широко используются полупроводниковые диоды
(варикапы), емкость которых нелинейно зависит от обратного напряжения.
Поскольку емкость является нелинейной функцией напряжения, ток будет содержать
большое число гармоник, которые могут быть выделены фильтрами.
На рис. 9. приведена схема гетеродина с умножением частоты.
Автогенератор
с кварцевой стабилизацией выполнен на транзисторе VT1, в качестве которого можно взять транзистор КТ-316БМ,
граничная частота которого составляет 800 МГц [13]. Гетеродин обеспечивает
стабильные колебания на частоте 110 МГц. Ручная подстройка частоты гетеродина
может осуществляться подстроечным конденсатором С4, подстройка
системой АПЧ - варикапом VD1. На
рабочую частоту автогенератора настроен контур L3C7. Умножение частоты происходит на варикапе VD2, исходное смещение на котором устанавливается
переменным резистором R5. Рабочая
частота гетеродина ( , то есть 6-я гармоника колебаний автогенератора)
выделяется в полосковом резонаторе l1, который представляет собой четвертьволновый
короткозамкнутый отрезок. Напряжение на смеситель подается через петлю связи LСВ.
10.
Выбор фильтра
сосредоточенной селекции
Вместо многозвенных LC-фильтров
в схемах УПЧ с сосредоточенной селекцией с успехом можно применить
пьезоэлектрические, электромеханические и пьезомеханические фильтры [11, стр.
293]. Указанные фильтры, имея малые габариты и массу, обладают близкой к
идеальной кривой избирательности.
К недостатком пьезоэлектрических фильтров можно отнести их
узкополосность, поэтому при выборе ФСС для данного приемника целесообразно
воспользоваться фильтрами на поверхностно-акустических волнах (ПАВ). Их работа
основана на явлении избирательного приема и передачи акустических волн, бегущих
вдоль поверхности пьезоэлектрической подложки [12, стр.43]. Из таблицы 3.5 [12,
стр. 55] выберем среднеполосный фильтр Ф-213 со следующими параметрами:
- средняя несущая частота 30МГц;
- полоса пропускания по уровню -3дБ 2,5% от средней несущей;
пульсация АЧХ в полосе пропускания 0,5 дБ;
коэффициент прямоугольности 1,3;
гарантированное затухание в полосе заграждения -55 дБ;
вносимые потери -2,5 дБ;
сопротивление нагрузки и источника 50 Ом;
Интервал рабочих температур -50…+50 ºС.
Таким
образом полоса пропускания фильтра составляет ;
полоса заграждения . То есть данный фильтр удовлетворяет условиям
технического задания по обеспечению избирательности по соседнему каналу.
С
целью лучшего подавления помех по соседнему каналу и предотвращения нелинейных
явлений в УПЧ, ФСС на ПАВ целесообразно поставить сразу после преобразователя
частоты, то есть перед первым каскадом УПЧ.
11. Расчет
усилителя промежуточной частоты
Усилители промежуточной частоты РЛС приемников обладают рядом
особенностей [12]. Поскольку на радио- и видеочастотах не может быть получено
большого усиления, основное усиление в приемниках СВЧ осуществляется на
промежуточной частоте. В настоящее время распространение получили УПЧ с ФСС, в
которых разделены функции избирательности и усиления. Избирательность
обеспечивается ФСС (см. п. 3.6), а усиление - каскадами с апериодической
нагрузкой. В апериодических каскадах УПЧ нагрузкой транзисторов служат
резисторы. Это является существенным достоинством, так как при реализации
каскадов УПЧ позволяет обходиться без индуктивных катушек. Оконечный каскад
УПЧ, как правило, выбирают одноконтурным.
Рассчитаем необходимый коэффициент усиления УПЧ.
С учетом усиления УРЧ, смесителя, затуханий, вносимых фидером, АП, УЗП,
входной цепью и ФСС
.
Из
предыдущих расчетов
, , тогда
Выберем
транзисторы для УПЧ исходя из условия . По
этому требованию подходит транзистор КТ339-А для которого .
Для
расчета УПЧ воспользуемся методикой, изложенной в [11, стр. 297]. Согласно этой
методике необходимо знать G-параметры транзистора на рабочей частоте. Для расчета
G-параметров по справочным данным транзистора
воспользуемся следующими формулами [11, стр. 113]
;
;
;
;
;
;
;
,
где
- статический коэффициент усиления тока базы в схеме
с общим эммитером; , -
относительные граничные частоты; -
входное сопротивление транзистора в схеме с общей базой на низкой частоте; - постоянная времени цепи обратной связи; - емкость коллектора; -
циклическая частота. Тогда
;
;
;
;
;
;
;
.
Рассчитаем
последний одноконтурный каскад (рис.10) при полосе пропускания контура равной . Необходимое эквивалентное затухание контура
одноконтурного каскада, обеспечивающее заданную полосу пропускания:
.
Минимально допустимое с точки зрения стабильности формы частотной
характеристики отношение эквивалентной емкости контура каскада к емкости,
вносимой в контур транзистором
Вычислим критические значения эквивалентного затухания контура:
;
.
Как
видно, . В этом случае режим максимального усиления каскада
при заданной полосе пропускания оказывается реализуемым без ограничений.
Максимальное усиление каскада достигается при эквивалентной емкости контура
.
Индуктивность контурной катушки
.
Как
видно из расчета, значение меньше
конструктивно осуществимого. Принимаем (таблица
6.2, [11]). Тогда значение емкости контура
.
Рассчитаем коэффициент усиления одноконтурного каскада на частоте
настройки контура
,
или
в децибелах .
Рассчитаем
коэффициент устойчивого усиления
.
Так
как , каскад является устойчивым.
Рассчитаем параметры контура.
Характеристическое сопротивление контура
.
Зададимся
добротностью контурной катушки , тогда
эквивалентное сопротивление контура .
Рассчитаем
усиление апериодического каскада (рис. 11). Зададимся током коллектора , напряжением питания и
падением напряжения на нагрузке .
Проводимость нагрузки , тогда коэффициент усиления каскада
.
Рассчитаем необходимое число апериодических каскадов:
.
Таким
образом, УПЧ будет состоять из одного одноконтурного каскада и двух
апериодических. Оба апериодических каскадов охватываются цепью АРУ.
12. Расчет
детектора радиоимпульсов
Для детектирования радиоимпульсов, то есть для преобразования их в
видеоимпульсы, используют последовательные диодные детекторы [11, стр371],
выполненные по схеме, приведенной на рис. 12.
Отрицательное
напряжение видеоимпульсов с выхода детектора поступает на ограничитель, в
качестве которого служит первый каскад видеоусилителя. В этом каскаде сигналы
ограничиваются за счет отсечки коллекторного тока. В качестве детекторного
диода выберем диод Д2Б, для которого внутреннее сопротивление , емкость .
Емкость
конденсатора нагрузки
,
где
- емкость монтажа.
Сопротивление нагрузки
,
где
- длительность среза (задний фронт) видеоимпульсов.
Так как эта величина неизвестна, воспользуемся временем установления
видеоимпульсов, которое также характеризует искажения импульсов и меньше чем . Тогда
.
Проверяем
соотношение , при невыполнении которого значительно падает
коэффициент передачи детектора: , . Данное условие выполняется. По графикам рис. 9.2,
рис. 9.5 [11, стр. 369, 372] определяем коэффициент передачи и входное сопротивление детектора.
Для
улучшения фильтрации промежуточной частоты служит дроссель , настраиваемый собственной емкостью на частоту .
Индуктивность дросселя должна быть равна
.
Коэффициент включения детектора в контур УПЧ
.
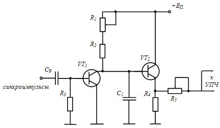
Выбор схемы автоматической регулировки усиления.
Как было показано выше, в приемнике РЛС обнаружения используется ВАРУ
[8].
Принцип
действия ВАРУ состоит в следующем: напряжение сигнала, отраженного от цели
обратно пропорционально второй степени дальности или
времени распространения сигнала от РЛС до цели: , где -
постоянный коэффициент, зависящий от энергетического потенциала РЛС. Для
обеспечения постоянного выходного напряжения коэффициент
усиления приемника должен быть изменяющимся во времени по квадратичному закону .Для этого каждый синхроимпульс с периодом повторения , поступающий от модулятора передатчика, запускает
схему ВАРУ, которая вырабатывает напряжение регулировки , обеспечивающее изменение коэффициента по
квадратичному закону (рис. 13). Обеспечение регулировки усиления по
квадратичному закону встречает определенные трудности. Упростить задачу можно
регулировкой двух каскадов, каждый из которых имеет линейную регулировочную
характеристику. Для этого можно использовать линейную зависимость коэффициента
усиления биполярного транзистора от постоянного тока коллектора , которая обеспечивается при малых токах коллектора у
транзисторов с большим усилением по току в схеме с общим эммитером. Коэффициент
усиления одного каскада с точностью до постоянного множителя : . Поэтому
если ток коллектора изменяется по закону , где - максимальный ток каскада, при котором сохраняется
линейность регулировки, то коэффициент усиления одного каскада будет линейно
зависеть от времени: , где .
Соответственно, для двух каскадов , что и
обеспечивает требуемое квадратичное изменение регулировочной характеристики.
В
схеме, реализующей изложенный принцип построения ВАРУ (рис. 14), регулируемые
каскады входят в состав УПЧ. Ток каскадов линейно зависит от напряжения , создаваемого эммитерным повторителем на транзисторе . Линейное (пилообразное) изменение напряжения создается простейшим генератором пилообразного
напряжения на транзисторе . В исходном состоянии транзистор закрыт и конденсатор заряжается
от источника питания . Положительное напряжение на его верхней обкладке
открывает транзистор , ток которого линейно возрастает. При подаче
короткого положительного импульса, поступающего от передатчика, на базу
транзистора он открывается и конденсатор быстро разряжается через малое сопротивление
транзистора , транзистор закрывается,
ток его быстро уменьшается. С помощью резистора регулируется
максимальное значение коллекторного тока регулируемых транзисторов.
Выбор схемы автоматической подстройки частоты.
Как было показано выше, система АПЧ приемника РЛС обнаружения имеет ряд
особенностей, основная из которых заключается в том, что опорным сигналом
системы АПЧ является часть сигнала передатчика.
В системе АПЧ будем использовать частотный детектор на расстроенных
контурах (рис.15).
Контура
выполнены на разомкнутых полуволновых отрезках полосковой линии и ,
настроенных на разные частоты. Опорный сигнал от передатчика подается на эти
отрезки через петлю связи . Усилитель АПЧ усиливает сигнал, снимаемый с
детектора до величины, необходимой для регулировки частоты гетеродина. представляет собой фильтр нижних частот.
Похожие работы на - Приемник радиолокационной станции обнаружения
|