Анализ электромеханической следящей системы
1. Исходные данные
.1 Электромеханическая система управления руки
робота
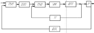
На рис.1 представлена электромеханическая
система управления руки робота, в таблице 1- параметры двигателя, в таблице 2-
параметры элементов системы, в таблице 3- параметры качества регулирования
системы
Таблица 1. Параметры двигателя
|
Вариант
|
Мощность,
Р, кВТ
|
Напряжение,
U, В
|
Частота
вращения,n, об/мин
|
КПД
µ, %
|
Rя, Ом
|
Lя, мГн
|
J, кг*м2
|
|
1
|
0.25
|
220
|
1120
|
57
|
15.47
|
424
|
0.004
|
Таблица 2. Параметры элементов системы
|
Вариант
|
Коэффициент
передачи П.У.1 П.У.2 (КПУ,,КПУ2)
|
Коэффициент
передачи усилителя(БРП) (Ку)
|
Постоянная
времени усилителя(БРП) (Ту)
|
Коэффициент
передачи тахогенератора (КТг)
|
Коэффициент
передачи редуктора (Кр)
|
Коэффициент
передачи ДОС (КДОС)
|
|
1
|
2.2
|
10
|
0.005
|
0.0039
|
0.01
|
1
|
Таблица 3. Параметры качества регулирования
системы
|
Вариант
|
Вид
переходной характеристики САР
|
Вид
переходной характеристики СС
|
Перерегулирование
s%
|
Допустимое
отклонение D
|
|
1
|
Колебательная
|
Апериодическая
|
6
|
0.06
|
Таблица 4. Параметры передаточной функции
двигателя
|
IЯ
|
МН
|
СМ
|
Се
|
Тm
|
Ta
|
KД
|
|
1.993
|
2.132
|
1.069
|
1.6136
|
0.0359
|
0.0274
|
0.619
|
2. Дифференциальные уравнения
электромеханической системы
.1 Классическая форма записи уравнений
Система уравнений, описывающих работу двигателя,
сводится к единому уравнению, где в качестве переменных две величины: UH(t)
и вр(t).

*
+
* 
+ CЕ вр (t)= UЯ(t) (2.1)
Разделим обе части уравнения (2.1)
на величину CЕ и введем
константы ТМ, ТЯ, КД
ТМ ТЯ * 
+ ТМ * 
+
= КД UЯ(t) (2.2)
UЯ(t)= КПУ2 * Ку
* UП(t)- Ту
;
Предварительный усилитель (ПУ1,
см.Рис.1) представляет собой пропорциональное звено с коэффициентом передачи
КПУ1. Уравнение предварительного усилителя (ПУ1):
UП(t)= КПУ1 * Uу(t);
Редуктор представляет собой
интегрирующее звено и служит для преобразования скорости вращения вала
двигателя 𝝎дв(t) в угол
поворота jр(t). Уравнение
редуктора
jр(t)=
Тахогенератор- устройство для
измерения скорости вращения. Напряжение на выходе тахогенератора Uвых(t)
пропорционально скорости вращения
(t).
UП(t)= КП*
;
Датчик угла поворота
(ДОС).Напряжение на выходе ДОС Uвых(t)
пропорционально углу поворота jр(t).
UДОС(t)= КДОС * jр(t).
.2 Уравнения состояний системы
управления и двигателя
Рис.1
На Рис.1представлена структурная
схема системы управления.
По полученной структурной схеме
запишем уравнения состояния системы управления
Х= 
+ 
;
Y=X;
Воспользуемся теми же
преобразованиями для составления уравнений состояния двигателя, представленного
типовым динамическим звеном второго порядка.
Рис2.
На Рис.2 представлена структурная
схема двигателя
Х=А*Х + В*U;
Y=C*Х +D*U
Где 0 1 0
А= 

; В= 
; С=(1 0); D=0;
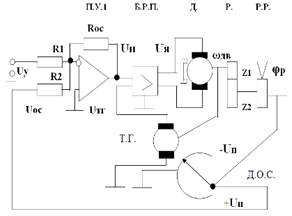
3. Структурная схема
электромеханической следящей системы
.1.Блок-схема электромеханической
следящей системы
Рис.3
.2 Структурная схема САР скорости с
развернутой структурной схемой двигателя
Рис.4-структурная схема САР скорости
Рис.5-структурная схема ДПТ
3.3 Структурная схема
электромеханической следящей системы с свернутой структурной схемой двигателя
Рис.6-структурная схема
электромеханической следящей системы.
.4 Передаточные функции САР скорости
по управлению в tf-форме и разомкнутой и замкнутой
электромеханической следящей системы
Передаточная функция САР скорости по
управлению d tf форме:
Wзам(р)=
в0=Краз
а0=1+ Краз
а1=Тм+Ту(сек)
а2= Тм Тя+ Тм Ту(сек2)
а3= Тм Тя Ту(сек3)
ПФ разомкнутой электромеханической
следящей системы.
Wраз(р)=
ПФ замкнутой электромеханической
следящей системы.
Wзам(р)=
Краз= Кдос Кпу Ку Кд Кред
. Анализ электромеханической
следящей системы
.1 Анализ устойчивости
Характеристическое уравнение
следящей системы определяется:
a4s4+a3s3+a2s2+a1s+a0=0=Тм Тя Ту=0,0359*0,0274*0,005=49,18*10-7
а3= Тм Ту+ Тм
Тя=0,0359*0,005+0,0359*0,0274=11,6316*10-4
а2= Тм Ту=0,0001795
а1=1+КПУ1 К Кд
КТГ=1+2,2*220*0,619*0,0039=2,1684244
а0= КПУ1 К Кд Ку Кр
КПУ2=2,2*220*0,619*10*0,01*2,2=65,91112
Определитель Гурвица:
а1 а3 0 0
а0 а2 a4 0
D= 0 а1 а3 0
0 а0 а2 a4
a4=49,18*10-7
а3=11,6316*10-4
а2=0,0001795
а1=2,1684244
а0=65,91112
условие устойчивости для системы следующее:
D= а1 а2 а3- а12 a4-
а0 а32>0
D<0
.1.2 Анализ устойчивости
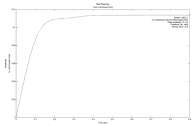
На рисунке 7 представлена переходная
характеристика двигателя с предварительной установкой s=6%
Рис.7-ПХ двигателя с предварительной установкой s=6%
Рис.8-ПХ нескорректированной САР скорости
Рис.9- ПХ нескорректированной СС.
.1.3 Анализ по корням характеристического
уравнения >>Pole/Zero
Рис.10
Так как корни находятся в левой и правой
полуплоскости:
s1=-198
s2=-50,3
s3=6,04+36,2i
s4=6,04-36,то
система не устойчива.
4.1.4 Анализ устойчивости по АФЧХ разомкнутой
системы >>Nyquist
Рис.11- ПХ АФЧХ разомкнутой системы
АФЧХ разомкнутой системы охватывает точку с
координатами ( -1;j0),следовательно,
система не устойчива.
.1.5 Анализ устойчивости по ЛАЧХ и ЛФЧХ
разомкнутой системы >>Bode
Рис. 12-ПХ ЛАЧХ и ЛФЧХ разомкнутой СС с
указанием запаса по амплитуде и запаса по фазе.
.2 Анализ показателей качества САР скорости и
следящей системы
.2.1 Анализ показателей качества САР скорости
По условиям работы САР скорости её переходная
характеристика должна иметь установившееся значение:
hуст=n=1120
(об/мин).
Подбирая коэффициент КПУ2,получаем
Рис.13-ПХ скорректированной САР скорости.
КПУ2=0,841, hуст=n=1120
(об/мин),tр=0,164(с).
.2.2 Анализ показателей качества следящей
системы
Подбирая КПУ1, мы должны получить
переходную характеристику с 
=(
)%.
Рис.14-ПХ Скорректированной СС
системы
КПУ1=0,783,s=0,041%, tр=0,186(с).
.3 Анализ точности
.3.1 Позиционная ошибка САР скорости
Рис.15- переходная характеристика
позиционной ошибки e1(t).
Рассчитаем относительное значение
ошибки:
D=
=
.3.2 Скоростная ошибка СС
Рис.16- переходная характеристика
скоростной ошибки. С указанием eуст2=0,114(1/с)
5. Коррекция электромеханической
следящей системы
Так как переходная характеристика h(t) при
настройке hуст=n(об/мин)
имеет перерегулирование s, которое не
совпадает с s=6%,то требуется ввести
корректирующее устройство.
.1 Коррекция САР скорости.
>>[a,b,c,d]=linmod(‘god’)
>>h1=ss(a,b,c,d)
>>g=tf(h1)
>>h=tf(ktg)
>>c=tf(1)
>>f=tf(220)
>>rltool
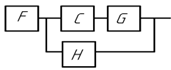
Рис.17.1-упрощенная схема корневого
годографа
Элементы корневого годографа:
G-
разомкнутая САР скорости;
C-
компенсатор, коэффициент передачи равен 1;
F- задающее
напряжение, коэффициент передачи 220;
Н- тахогенератор, коэффициент
передачи КТГ.